Orders are typically delivered to Singapore within 3 days depending on location.
Free delivery to Singapore on orders of $50 USD or more. A delivery charge of $20 USD will be billed on all orders less than $50 USD.
UPS, FedEx or DHL freight pre-paid: CPT (Duty, customs, and taxes due at time of delivery)
Credit account for qualified institutions and businesses
Payment in Advance by Wire Transfer
![]()
![]()
![]()
![]()
![]()


More Products From Fully Authorized Partners
Average Time to Ship 1-3 Days, extra ship charges may apply. Please see product page, cart, and checkout for actual ship speed.
Incoterms: CPT (Duty, customs, and applicable VAT/Tax due at time of delivery)
For more information visit Help & Support
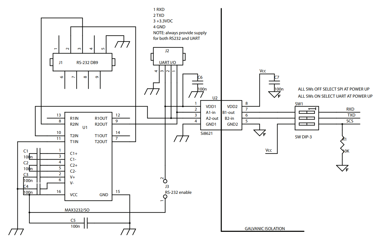
The STPM34 evaluation board is a class 0.2, dual-phase meter with 2 CTs for power line systems with Vnom= 140 to 300 (RMS), Inom/ Imax= 5/100 A(RMS), flin= 50/60 Hz ± 10% and Tamb= -40 to +85 °C.
Measured active/reactive power can be output from two programmable LEDs on the board. The board can be interfaced with a PC running evaluation software through an isolated RS232 port, or through the STEVAL-IPE023V1 USB isolated interface tool for configuration and data reading. The board also has SPI/UART pins available to interface a microcontroller for application development.
0.2% accuracy dual or split-phase meter
Vnom(RMS)= 140 to 300 V, Inom/Imax(RMS)= 5/100 A, flin= 50/60 Hz ± 10%
Connector for USB isolated hardware programmer tool STEVAL-IPE023V1 and PC GUI
RS232 and UART isolated connectors to PC GUI
SPI/UART switch for device peripheral selection
2 programmable LEDs on board
Digital expansion to external system-on-chip or MCU
3.3 V power supply: external or through STEVAL-IPE023V1 isolated USB board
IEC61000 standard compliant
| Manufacturer | STMicroelectronics |
|---|---|
| Category | Power Management |
| Sub-Category | Energy Metering for AC |
| Eval Board Part Number | 497-EVALSTPM34-ND |
| Eval Board Supplier | STMicroelectronics |
| Eval Board |
Board not Stocked
|
| Sensing Method |
Current Transformer
|
| Features |
Active Energy Measurement
Active Power Measurement Apparent Power Measurement GUI / Design Software Reactive Energy Measurement Reactive Power Measurement RMS Current Measurement RMS Voltage Measurement RS-232 Interface Shutdown, Enable, Standby SPI Interface UART Interface USB Interface |
| AC Voltage |
140 ~ 300 VAC
|
| Max AC Current |
100 A (5A Nom)
|
| Component Count + Extras |
77 + 11
|
| Design Author |
STMicroelectronics
|
| Main I.C. Base Part |
STPM34
|
| Date Created By Author | 2014-03 |
| Date Added To Library | 2019-07 |
Co-Browse
By using the Co-Browse feature, you are agreeing to allow a support representative from DigiKey to view your browser remotely. When the Co-Browse window opens, give the session ID that is located in the toolbar to the representative.
DigiKey respects your right to privacy. For more information please see our Privacy Notice and Cookie Notice.
Yes, Continue to Co-BrowseGet fast and accurate answers from DigiKey's Technicians and Experienced Engineers on our TechForum.
Please visit the Help & Support area of our website to find information regarding ordering, shipping, delivery and more.
Registered users can track orders from their account dropdown, or click here. *Order Status may take 12 hours to update after initial order is placed.
Users can begin the returns process by starting with our Returns Page.
Quotes can be created by registered users in myLists.
Visit the Registration Page and enter the required information. You will receive an email confirmation when your registration is complete.
Orders are typically delivered to Singapore within 3 days depending on location.
Free delivery to Singapore on orders of $50 USD or more. A delivery charge of $20 USD will be billed on all orders less than $50 USD.
UPS, FedEx or DHL freight pre-paid: CPT (Duty, customs, and taxes due at time of delivery)
Credit account for qualified institutions and businesses
Payment in Advance by Wire Transfer
![]()
![]()
![]()
![]()
![]()


More Products From Fully Authorized Partners
Average Time to Ship 1-3 Days, extra ship charges may apply. Please see product page, cart, and checkout for actual ship speed.
Incoterms: CPT (Duty, customs, and applicable VAT/Tax due at time of delivery)
For more information visit Help & Support
Thank you!
Keep an eye on your inbox for news and updates from DigiKey!
Please enter an email address