DC1400A: 0.6 ~ 3.3V @ 8A, 2.5 ~ 5.5V in

Summary

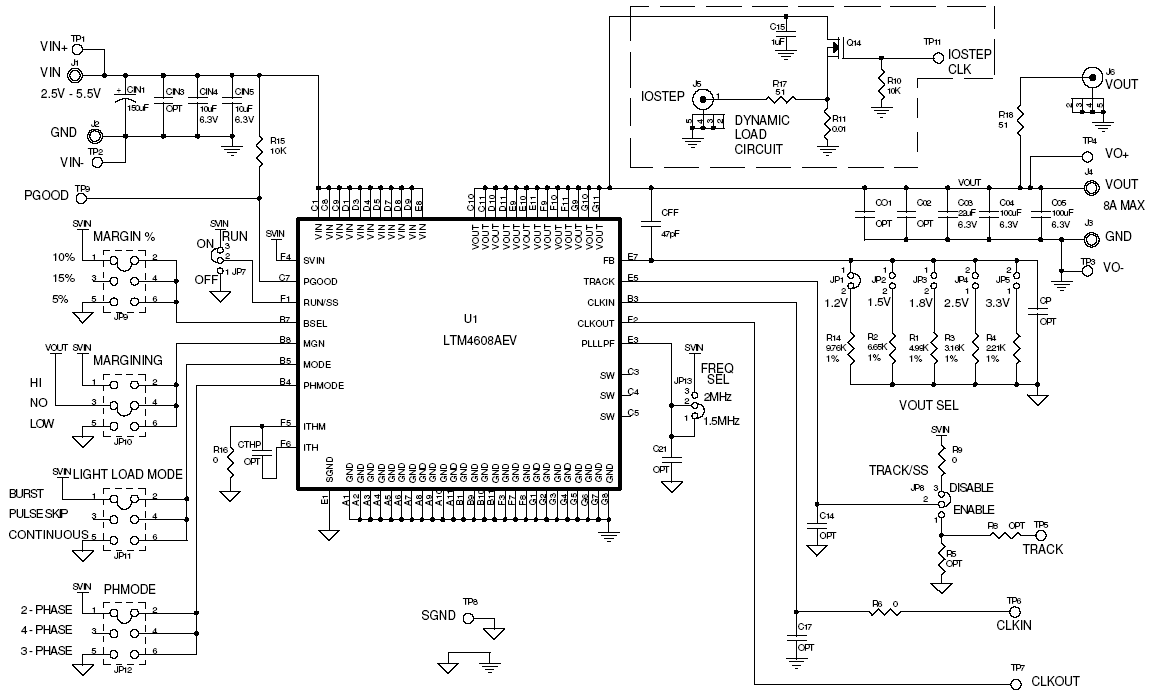
Demonstration circuit DC1400A features the LTM®4608AEV, the high efficiency, high density switch mode step-down power module. The input voltage range is 2.5V to 5.5V. The output voltage is jumper selectable from 0.6V to 3.3V. The rated load current is 8A although derating is necessary for certain VIN, VOUT and thermal conditions.

LTM4608A offers a novel phase-shift clock output to support current sharing with other regulators. The TRACK/SS pin allows the user to program output voltage ramp-up and rampdown slew rate. The same pin also allows the output to coincidentally or ratiometrically track another voltage rail. The margining function is provided for users who wish to stress their systems by varying supply voltages during testing.

The LTM4608A data sheet must be read in conjunction with this demo manual prior to working on or modifying the DC1400A.

Specifications

Manufacturer Analog Devices Inc.
Category AC/DC and DC/DC Conversion
Sub-Category DC/DC SMPS - Single Output
Eval Board Part Number DC1400A-ND
Eval Board Supplier Analog Devices Inc.
Eval Board Normally In Stock
Topology Step Down
Outputs and Type 1 Non-Isolated
Voltage Out: Factory Set 0.6 V
1.2 V
1.5 V
1.8 V
2.5 V
3.3 V
Current Out 8 A
Voltage In 2.5 ~ 5.5 V
Efficiency @ Conditions >86%, 3.3V in, 1.5V @ 0.1 ~ 4 A
>83%, 3.3V in, 1.2V @ 0.1 ~ 4 A
>80%, 5V in, 1.2V @ 1.2 ~ 5 A
>79%, 5V in, 1.5V @ 0.1 ~ 7 A
Voltage Out Range 0.6 ~ 3.3 V
Features Frequency Jitter for EMI
Internal Inductor
Light Load Mode
Over Current Protection
Over Voltage Protection
Power Good Output
Short Circuit Protection
Shutdown, Enable, Standby
Synchronizable
Thermal Protection
Under Voltage Protection, Brown-Out
Voltage Tracking
Switching Frequency 1.5 MHz
2 MHz
Standby Current [Typical] 450 µA
Quiescent Current [Typical] 75 mA
Component Count + Extras 9 + 43
Internal Switch Yes
Design Author Linear Technology
Application / Target Market Point of Load (PoL)
Telecom
Standby Current [Maximum]
Quiescent Current [Maximum]
Main I.C. Base Part LTM4608A
Date Created By Author 2004-02
Date Added To Library 2011-03

Eval Board

Order a fully assembled board:

Quantity Available: 1

Quantity:

Media