Maker.io main logo

Build a Pocket Bluetooth Controller with LED Status Indicators

63

2023-01-18 | By Don Wilcher

License: See Original Project 3D Print Accessories

M5Stack is an Internet of Things (IoT) modular platform. The intent of this platform is to allow ‎makers to rapidly create electronic devices that can connect to wireless networks and hubs. The ‎M5Stack Core 2 module can easily connect to Bluetooth or WiFi networks using wireless ‎communication chipset technology. The wireless communication scheme for Bluetooth or WiFi ‎can be developed using a blockly code software platform known as UiFlow. ‎

An Application Programming Interface (API) for the Arduino Integrated Development ‎Environment (IDE) or the MicroPython programming language can allow the building of ‎M5Stack Core 2 wireless devices. This project will show you how to build a pocket Bluetooth ‎controller using the M5Stack Core 2 and 2-channel relay unit with LED status indicators. Read ‎below for the BOM and step-by-step instructions on how to make this yourself!‎

The ESP32 Microcontroller Bluetooth Chipset

The M5Stack Core 2 uses an ESP32-DOWDQ6-V3 microcontroller incorporating a 240MHz, ‎dual-core microprocessor which provides efficiency in computation and managing input and ‎output (I/O) operations of the microchip using two central processing units (CPUs). Within this ‎family of ESP32 microcontrollers, the chip has a Bluetooth chipset consisting of a link controller ‎and baseband. ‎

The Bluetooth link controller handles the physical layer packets and all communication timing. ‎The link controller implements the signal connectivity (the link), the low-level real-time ‎protocol that operates Bluetooth communications. The baseband is the physical layer of ‎Bluetooth communications, and it manages physical channels and uses other services in ‎communication, like security and error correction. The baseband protocol or operating rules ‎perform the link within the Bluetooth chipset.‎

block_1

ESP32 Bluetooth Chipset Architecture Block Diagram.‎

The clock generator within the Bluetooth chipset architecture is an electronic oscillator that ‎produces a repetitive signal for synchronizing the Bluetooth link controller with the baseband. ‎The RF transmit circuit block allows for sending a modulated signal with the appropriate carrier ‎wave and intelligence data to a designated or paired receiver. The RF receiver circuit is ‎responsible for obtaining the intelligence data from a demodulated designated paired ‎transmitter signal, and the RF switch is an electronic device used to route the 2.4GHz signal ‎received from the designated paired transmitter. ‎

Finally, the balun is an electrical device that converts an unbalanced modulated received signal ‎into a balanced or differential demodulated waveform. Traditionally, the balun is wired to the ‎Bluetooth antenna to achieve a differential or balanced load for RF signal integrity. The balun ‎electrical circuit concept is shown below. ‎

antenna_2

The Antenna Balun electrical circuit concept.‎

The Pocket Bluetooth Controller Concept

The pocket Bluetooth controller concept is that a smartphone or tablet user can remotely ‎operate an M5Stack Core 2 electrically connected to a 2-channel relay unit. The smartphone or ‎tablet is Bluetooth paired with an M5Stack Core 2 module, and the user will be able to interact ‎with the relay unit using a binary digit message. The below image illustrates the pocket ‎Bluetooth controller concept.‎

concept_3

The Pocket Bluetooth controller concept.‎

As seen above, the smartphone or tablet user will provide a binary number “1” or “0” message ‎by entering the value using the free Nordic Semiconductor nrF Toolbox mobile app. The mobile ‎app is available for Android and Apple mobile devices. Typing a “1” into the app’s Universal ‎Asynchronous Receiver/Transmitter (UART) Utils services section will transmit an ON command ‎to the M5Stack Core 2 module. The M5Stack Core module will turn on the two relays. The ‎M5Stack Core 2 side RBG LED bars and the blue LED status indicators on the relay unit will also ‎be on. ‎

Typing a “0” into the UART Utils service section will turn off the electromechanical relays, the ‎blue LED status indicators, and the side RGB LED bars. Electrical AC or DC loads like motors, ‎solenoids, LED bulbs, or small appliances can be operated with this Bluetooth controller device. ‎

Building the Pocket Bluetooth Controller

Building the Pocket Bluetooth controller involves attaching the 2-channel Single Pole Single ‎Throw (SPST) relay unit to the M5Stack Core 2 using a mini-4-wire jumper harness. Attaching ‎the mini-4-wire jumper harness between the M5Stack Core 2 and the 2-channel SPST relay unit ‎will provide electrical control signals, ground, and 5V voltage source needed to operate the ‎electromechanical relays. ‎

Attach the relay unit to the M5Stack Core 2’s port A using the mini-4-wire jumper harness. A ‎circuit diagram and parts list can be found here:

‎https://www.digikey.com/schemeit/project/pocket-ble-controller-with-led-status-indicators-‎‎77c4e3a064274da1afe4b778de3c41c8‎

attach_3

Electrically attaching the 2-channel SPST relay unit to the M5Stack Core 2 module.‎

diagram_4

The pocket Bluetooth controller electrical wiring diagram

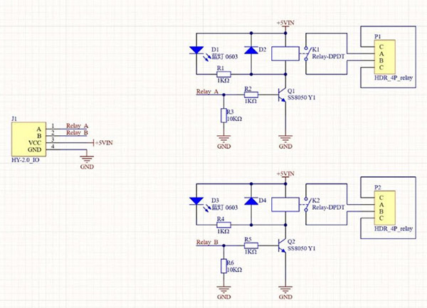
 schematic_5

The 2-Channel SPST Relay Unit electronic circuit schematic diagram, Courtesy of M5Stack.‎

You can make the pocket Bluetooth controller a self-contained device using small Lego parts by ‎attaching the 2-Channel SPST Relay Unit to the M5Stack Core 2. The backside of the M5Stack ‎Core 2 provides mounting provisions for attaching Lego parts to it. With such a feature, the ‎controller device can easily be placed in a shirt pocket, a backpack, a purse, or a small ‎electronic case for easy transportability.‎

controller_6 

The pocket Bluetooth controller is assembled for easy transportability.‎

UiFlow BLE Block Code Blocks

The UiFlow BLE code block is centered on the M5Stack Core 2 Universal Asynchronous ‎Receiver-Transmitter (UART) for sending and receiving intelligence data packets. Six primary ‎BLE code blocks within the UiFlow software palette are used for wireless communication ‎activities. ‎

blocks_7

UiFlow BLE-UART code blocks.‎

  • Init blue uart name – used to initialize and configure wireless settings of the specified ‎named Bluetooth device.‎
  • BLE UART write – used to send data using the BLE UART.
  • BLE UART remain cache – used to check the BLE UART number of data bytes.‎
  • BLE UART read – for reading the BLE UART cache data.‎
  • BLE UART read characters – allows reading n-number of the BLE UART cache data.‎
  • BLE UART on recv – allows decoding received data.‎

The UiFlow coding process consists of the following steps: initializing the BLE UART name, ‎establishing the BLE UART conditional logic, and sending the BLE UART data. Note: This project ‎will not provide an overview of the UiFlow software environment. You may obtain an ‎overview of the coding environment by reading the UiFlow - M5Core information from the ‎M5Stack website: https://docs.m5stack.com/en/quick_start/m5core/uiflow

align_8

The BLE implementation coding process alignment.‎

code_9 

BLE implementation code blocks.‎

The code shown above will be downloaded onto the M5Stack Core 2 for implementing the ‎wireless control function of the pocket BLE controller. After loading the code to the pocket BLE ‎controller, the final step is activating the pocket BLE controller using the Nordic Semiconductor ‎nrF Toolbox mobile app.‎

Operating the Nordic Semiconductor nrF Toolbox app

The Nordic Semiconductor nRF application is a toolbox that provides a wide range of popular ‎BLE accessories and profiles. Some nRF BLE profiles include Heart Rate, Blood Pressure, and ‎Proximity monitors. These BLE monitors allow developers to explore user interface (UI)/User ‎Experience (UX) designs and data aggregation methods.‎

example_10 

Example Nordic Semiconductor nRF toolbox app profiles ‎

The profile you will explore will be the Nordic UART utility service profile shown below.‎

profile_11 

The Nordic UART utility service profile

Before starting the Nordic UART utility service profile, the M5Stack Core 2 UI screen needs to ‎be designed. You may customize the fonts and background screen to meet your needs. Further, ‎the message may be changed to suit a more appealing ready prompt.‎

layout_12 

M5Stack Core 2 UI layout

Open the UART utility service app from the installed Nordic nRF Toolbox software. Tap on the ‎UART icon to see scanned BLE devices. Select the Core2-connected device from the list.‎

list_13

List of connected BLE devices

Touching the Core2 listed device shown above will display an OUTPUT window. You will type in ‎the text to send from the Nordic nRF Toolbox app to the M5Stack Core 2 module. Type a “1” in ‎the textbox to turn ON the relay unit, the blue LED indicators, and the M5Stack Core 2 side LED ‎bars. ‎

window_14

Nordic nRF Toolbox UART OUTPUT window

Tap the Send button on the app’s UI to send the message to the M5Stack Core 2.‎‎ ‎ ‎ ‎

send_15 

Sending a Binary “1” to the M5Stack Core 2 module

The actual message displayed on the M5Stack Core 2 is shown below. To turn off the relays and ‎the LED status indicators, type and send a binary “0” to the pocket BLE controller. ‎

message_16 

Operational pocket BLE controller

The following video clip illustrates the operation of the pocket BLE controller: ‎

There is truly a world of possibilities out there for BLE controllers, and you now have your own ‎pocket BLE controller!‎

Mfr Part # K010-AWS
CORE2 ESP32 FOR AWS IOT EDUKIT
M5Stack Technology Co., Ltd.
More Info
View More Details
Mfr Part # U131
2-CHANNEL SPST RELAY UNIT
M5Stack Technology Co., Ltd.
Add all DigiKey Parts to Cart
Have questions or comments? Continue the conversation on TechForum, DigiKey's online community and technical resource.