KTA1142 Power over Ethernet (PoE) Powered Device (PD) Interface
The Kinetic Technologies KTA1142 highly integrated PoE PD interface with DC/DC controller supports input power levels up to 90 W
The Kinetic Technologies KTA1142 is a single-chip, highly integrated CMOS solution for PoE PD. It has a PWM controller integrating all the circuitry required to design a smart and efficient converter for PoE and telecom mid-power applications up to 72 W output load. These include Voice over Internet Protocol (VoIP) phones and 5G/LTE base stations, wireless LAN access points, security cameras, and mini personal computers. The KTA1142 fully supports IEEE® 802.3af, IEEE 802.3at, and IEEE 802.3bt standards. It implements all physical layer PD functionalities, including 5-event classification, autoclass to communicate maximum PD power requirements to PSE, Type 1-4 PSE detection, and MPS to lower standby power.
The integrated DC/DC controller features adjustable slope compensation, dual complementary low-side drivers with programmable dead time, programmable soft-start, soft-stop, and programmable frequency dithering. The controller's main target is flyback topology or active clamp forward converter for PoE 802.3bt applications.
The KTA1142 has been architected to address EM emission concerns in PoE applications. The chip implements many design features that minimize the transmission of system common-mode noise onto the unshielded twisted pair (UTP). The device is designed to provide safe, low-impedance discharge paths directly to the earth ground, resulting in superior reliability and circuit protection.
- Compatible with IEEE 802.3af/at/bt standards for PoE PD devices
- Supports all power classes (0-8) and input power up to 90 W
- Integrated PWM peak current mode controller
- Dual gate driver with dead time adjustment
- High-efficiency topologies:
- Flyback, forward
- Flyback with synchronous rectification
- Flyback with active clamp
- Forward with active clamp
- Internal slope compensation
- Internal pull-up resistor in feedback for optocoupler and isolated connection
- Robust Type 1, 2, 3, and 4 PSE detector with proprietary digital filtering line noise
- Auto-adjust maintain power signature (MPS) for Type 1-4 PSE
- Supports up to 5 event classification
- Programmable DC current limit up to 2.2 A for 90 W applications
- IEC 61000-4-2/3/4/5/6 requirements for EMC Compliance
- Exceptional EMI performance
- Frequency dithering programming pin for spread-spectrum frequency operation
- Low RDS(on) 100 V hot-swap FET (typical 0.13 Ω)
- Integrated short-circuit protection (SCP) and overcurrent protection (OCP)
- Overtemperature protection (OTP)
- Seamless support for local power down to 9.5 V
- Supports low-power standby modes
- Auto class support
- 4 mm x 4 mm, 32-lead WQFN package
- -40°C to +125°C junction temperature range
- VoIP phones and 5G/LTE base stations
- Pan, tilt, and zoom (PTZ), security and web cameras
- Lighting and high-power wireless data systems
- Wireless LAN access points, WiMAX terminals
- Point-of-sale (POS) terminals, RFID terminals
- Thin clients and notebook computers
- Fiber-to-the-home (FTTH) terminals
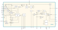
Functional Block Diagram
KTA1142 Power over Ethernet (PoE) Powered Device (PD) Interface
| Image | Manufacturer Part Number | Description | Type | Available Quantity | Price | View Details | |||
|---|---|---|---|---|---|---|---|---|---|
![]() | ![]() | KTA1142EUAT-TB | 7ARMS VBUS PROTECTION LOAD | Power Management | 1368 - Immediate | $6.45 | View Details |




