升压电路电压总是升得不够高?升压转换器技术应该能够帮到你
电子设备中,如果需要从低电压产生高电压,一般可以考虑使用升压转换器 (Boost Converter)。在升压转换器现实应用中,往往既要达到更多的电流需求,又要实现高效率和低输出纹波,同时又要满足电路尺寸小巧等要求,因此一种理想的解决方案就是采用多相输出的升压控制电路。
升压转换器原理
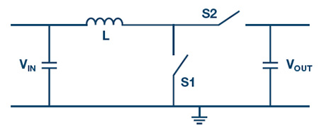
图1显示了升压转换器的原理图。在导通时间内,开关S1闭合,能量在线圈L中存储。电感上的电流随输入电压和地电位的差值呈线性增加。在关闭期间,当S1打开并且S2关闭时,存储在电感上的能量被釋放输出。在此时间段内,电感上两端的电压对应于输出电压减去输入电压。
图1,用于从低电压产生高电压的升压拓扑。
为了使这种相互作用发挥作用,必须有足够的时间让电感进行充电和放电。通过控制回路,可以想像:当需要更多的能量输出时,这意味着必须从输入端输出更多的能量。这时,电感必须存储更多的能量,开关S1便必须闭合( closed-circuit )更长时间。但是,对于固定的开关频率,会导致在开路期间( open-circuit )內从电感上获取能量的可用时间更少,结果造成输出电压下降到设定的目标值。这正是升压拓扑的限制。通过这个概念,在已知输入电压的情况下输出电压也会受限制。在典型应用中,最大升压因子( Boost Factor )介于3和7之间。
图2,升压因子和相应的占空比( Duty Cycle )的关系曲线图
图2中曲线的变化真实地显示出输出端负载电阻和电感的直流电阻的改变,对升压因子造成的影响。假设负载电阻为100Ω,48V的输出电压,这对应于负载电流480mA。当电感的串联电阻(DCR)只有2Ω,最大升压因子是有可能刚好超过3; 但对于DCR为1Ω,略高于5的升压因子是可以实现的。如要求更高的升压因子,就必须选用具有更低的串联电阻值的电感。
升压转换器电感的选择
电感值的选择很重要,因为它决定了电感上的电流纹波,从而决定了输出端的电压纹波。根据图1,平均电感电流IL,AVE由下式给出:

其中xD 是占空比 (Duty Cycle); ILOAD 是负载电流。
峰值电感纹波电流与电感值成反比

当中fSW是开关频率; L是电感值。
假设升压转换器在连续导通模式 ( Continuous Conduction Mode, CCM) 下工作,峰值电感电流可从公式(1)和(2)得出,具体计算如下:

较小的电感值的器件通常体积较小,较便宜,但根据公式(3)可以知道这样会增加纹波电流,较大的纹波电流也会增加电感器内核的功率损耗。电感值太大会导致额外费用,另外,如应用于电流模式控制(current-mode control)时,过大的电感值也会降低斜率补偿(Slope-Compensation)线路在高占空比 ( >50 % ) 时的效益。
多相输出的优势
而另一个获得较高升压因子的方案就是使用多相 (Multi Output Phases)。以ADI公司的LTC7840芯片为例,当中包含两个升压控制器。这使得实现两相升压概念变得容易。图三显示了电源电压为12V的示例,输出升压至240V电压。两相升压级将电压分开增加,使得每级仅需要将电压增加约4.5倍。
电源电压为12V的示例,输出升压至240V电压。两相升压级将电压分开增加,使得每级仅需要将电压增加约4.5倍。
图3,两相概念:用于从低输入电压产生极高输出电压
比较使用单相升压转换器,多相输出有更高的效率,更小的尺寸和更低的电容器纹波电流的优势。更高的有效开关频率和相位纹波电流可显著降低滤波电容的尺寸和成本,并降低输出纹波。
多相输出升压控制器选型
DigiKey官网上,升压控制器筛选列表参数中提供了不少参数选项以协助工程师选料,其中“输出阶段”便是其中之一。“输出阶段”即代表芯片可以有多少相输出。
筛选列表中的参数选项多,意味着工程师在选料时更能了解其他参数的可选择性,例如“输出类型”、“串行接口”或“封装”等这些对工程师在设计时重要的参数指标,同时也可清楚地展现出物料的市场导向。
图4,DigiKey官网上升压控制器部份参数选项
例如在查找四相输出升压控制器时,得出Renesas公司的ISL78225ANEZ,再经搜寻功能中“零件比较”的协助(如何比较?可访问DigiKey官网中「隐藏的搜索秘密」的零件搜索小技巧!)
图5,ISL78225ANEZ与LTC7840EUFD#PBF芯片的参数比较
总结
传统的“单相输出”升压转换器线路中,虽然线路简单,但在已知输入电压的情况下输出电压也会受限制,所以在要求更高升压因子的应用中,“多相输出”是一个可行的选择。市场上已有包含“多相输出”的单芯片可供选择。
与单相转换器比较,使用多相输出还可获得更高效率、更小尺寸和更低电容器纹波电流等优势,更高的有效开关频率和相位纹波电流可显着降低滤波电容的尺寸和成本,并降低输出纹波。
更多有关升压控制器的技术应用内容,可参考:
- 当多就是少时:用更多的稳压器节省宝贵的空间
- 适用于 48 V/12 V 双电池汽车系统的双向 DC/DC 控制器
- 由低输入电源生成高 DC 输出电压
- Linear Voltage Regulator vs. Switching Regulator
- Novel Buck-Boost Regulators Deliver Higher Efficiency, Handle More Power
- Using an Inverting Regulator for Buck/Boost DC-to-DC Voltage Conversion
- The Role of Slope Compensation in Current-Mode-Controlled Voltage Regulators
Have questions or comments? Continue the conversation on TechForum, Digi-Key's online community and technical resource.
Visit TechForum




