Orders are typically delivered to Singapore within 3 days depending on location.
Free delivery to Singapore on orders of S$60 or more. A delivery charge of S$24 will be billed on all orders less than S$60.
UPS, FedEx or DHL freight pre-paid: CPT (Duty, customs, and taxes due at time of delivery)
Credit account for qualified institutions and businesses
Payment in Advance by Wire Transfer
![]()
![]()
![]()
![]()


More Products From Fully Authorized Partners
Average Time to Ship 1-3 Days, extra ship charges may apply. Please see product page, cart, and checkout for actual ship speed.
Incoterms: CPT (Duty, customs, and applicable VAT/Tax due at time of delivery)
For more information visit Help & Support
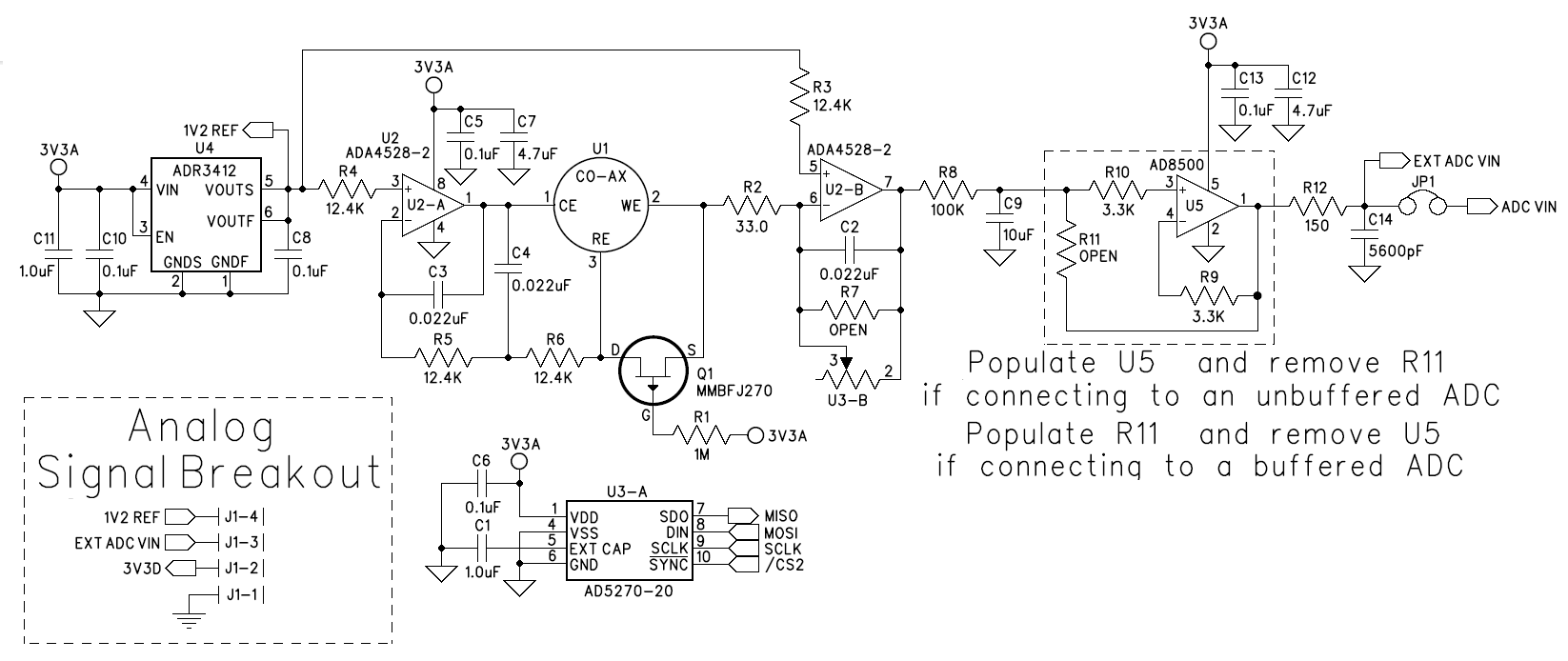
The circuit shown in Figure 1 is a single-supply, low noise, portable gas detector, using an electrochemical sensor. The Alphasense CO-AX carbon monoxide sensor is used in this example.
Electrochemical sensors offer several advantages for instruments that detect or measure the concentration of many toxic gases. Most sensors are gas specific and have usable resolutions under one part per million (ppm) of gas concentration.
The circuit shown in Figure 1 uses the ADA4528-2, dual auto zero amplifier, which has a maximum offset voltage of 2.5 μV at room temperature and an industry leading 5.6 μV/√Hz of voltage noise density. In addition, the AD5270-20 programmable rheostat is used rather than a fixed transimpedance resistor, allowing for rapid prototyping of different gas sensor systems, without changing the bill of materials.
The ADR3412 precision, low noise, micropower reference establishes the 1.2 V common-mode, pseudo ground reference voltage with 0.1% accuracy and 8 ppm/°C drift.
For applications where measuring fractions of ppm gas concentration is important, using the ADA4528-2 and the ADR3412 makes the circuit performance suitable for interfacing with a 16-bit ADC, such as the AD7790.
* This board is designed to interface through the EVAL-ADICUP360 which is an Arduino and PMOD compatible form factor development board. The board uses an open source Eclipse based Interactive Development Environment (IDE) which can be downloaded free of charge. The platform contains many hardware and software example projects, to make it easier for customers to prototype/create systems and solutions using the complete ecosystem provided.
The EVAL-ADICUP360 uses the ADuCM360 Arm Cortex-M3 processor as the main device on board. It has integrated dual 24-bit sigma delta converters on chip, which make it extremely flexible for both analog and digital application.
| Manufacturer | Analog Devices Inc. |
|---|---|
| Category | Sensor Solutions |
| Sub-Category | Other Sensing Solutions |
| Eval Board Part Number | EVAL-CN0357-PMDZ-ND |
| Eval Board Supplier | Analog Devices Inc. |
| Eval Board |
Normally In Stock
|
| Purpose |
Carbon Monoxide (CO)
|
| Range |
0 ~ 2000 ppm
|
| Sensing Method |
Electrochemical Sensor
|
| Voltage In |
3.3 V
|
| Features |
ADC's for Sensor Reading
Digital Gain SPI Interface Voltage Reference |
| Design Author |
Analog Devices
|
| Component Count + Extras |
43 + 3
|
| Main I.C. Base Part |
AD5270-20
AD7790 |
| Date Created By Author | 2014-07 |
| Date Added To Library | 2016-04 |
Co-Browse
By using the Co-Browse feature, you are agreeing to allow a support representative from DigiKey to view your browser remotely. When the Co-Browse window opens, give the session ID that is located in the toolbar to the representative.
DigiKey respects your right to privacy. For more information please see our Privacy Notice and Cookie Notice.
Yes, Continue to Co-BrowseGet fast and accurate answers from DigiKey's Technicians and Experienced Engineers on our TechForum.
Please visit the Help & Support area of our website to find information regarding ordering, shipping, delivery and more.
Registered users can track orders from their account dropdown, or click here. *Order Status may take 12 hours to update after initial order is placed.
Users can begin the returns process by starting with our Returns Page.
Quotes can be created by registered users in myLists.
Visit the Registration Page and enter the required information. You will receive an email confirmation when your registration is complete.
Orders are typically delivered to Singapore within 3 days depending on location.
Free delivery to Singapore on orders of S$60 or more. A delivery charge of S$24 will be billed on all orders less than S$60.
UPS, FedEx or DHL freight pre-paid: CPT (Duty, customs, and taxes due at time of delivery)
Credit account for qualified institutions and businesses
Payment in Advance by Wire Transfer
![]()
![]()
![]()
![]()


More Products From Fully Authorized Partners
Average Time to Ship 1-3 Days, extra ship charges may apply. Please see product page, cart, and checkout for actual ship speed.
Incoterms: CPT (Duty, customs, and applicable VAT/Tax due at time of delivery)
For more information visit Help & Support
Thank you!
Keep an eye on your inbox for news and updates from DigiKey!
Please enter an email address