Orders are typically delivered to Singapore within 3 days depending on location.
Free delivery to Singapore on orders of S$60 or more. A delivery charge of S$24 will be billed on all orders less than S$60.
UPS, FedEx or DHL freight pre-paid: CPT (Duty, customs, and taxes due at time of delivery)
Credit account for qualified institutions and businesses
Payment in Advance by Wire Transfer
![]()
![]()
![]()
![]()


More Products From Fully Authorized Partners
Average Time to Ship 1-3 Days, extra ship charges may apply. Please see product page, cart, and checkout for actual ship speed.
Incoterms: CPT (Duty, customs, and applicable VAT/Tax due at time of delivery)
For more information visit Help & Support
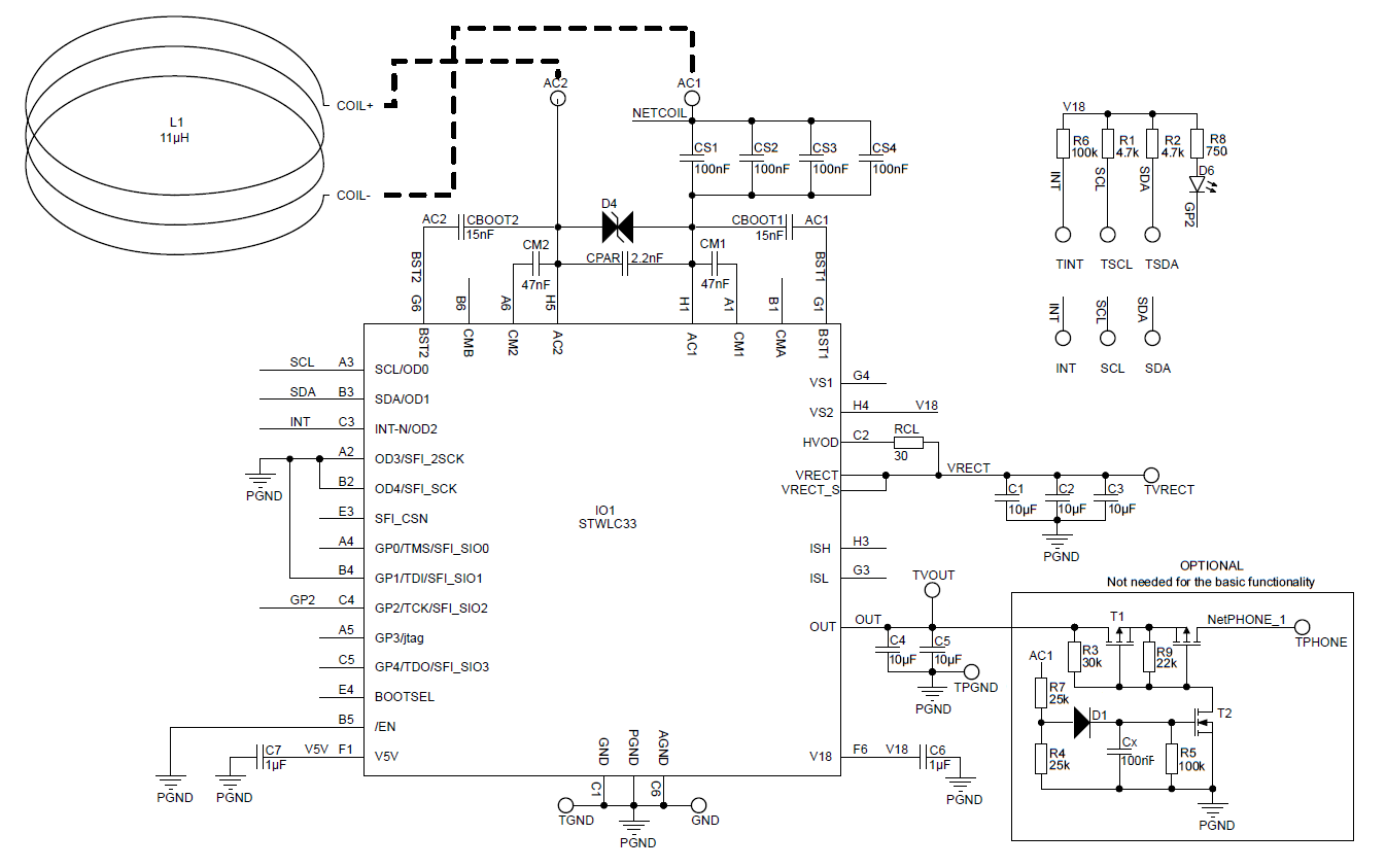
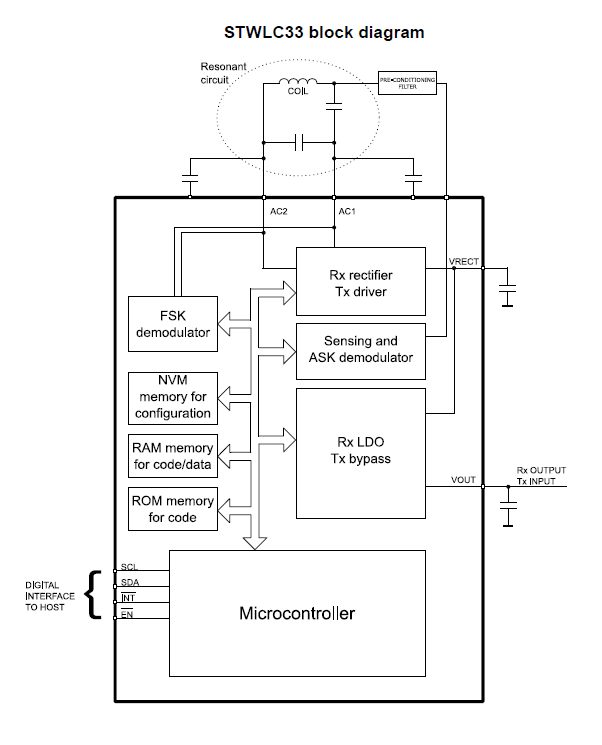
The STEVAL-ISB043V1 is a Qi-based 2.5 W wireless power receiver evaluation board based on the STWLC33 and suitable for wearable applications.
The STEVAL-ISB043V1 provides a complete kit, which includes the STWLC33 IC, firmware, layout and tools. The device is powered by the RX coil attached to a 1.3 mm thick plastic fixture.
The STWLC33 firmware gives you the flexibility to modify parameters and settings to ensure proper STWLC33 use in the final application.
Key Features
STWLC33 evaluation board for wearable applications using Wurth coil 760308101309
Up to 2.5 W output power
Operates as voltage source
Foreign object detection (FOD)
I²C interface for communication with the host system
Parameters and features adjustable via NVM memory
10x6 mm application area
Complete kit (IC, firmware)
| Manufacturer | STMicroelectronics |
|---|---|
| Category | Power Management |
| Sub-Category | Inductive Charging / Wireless Power |
| Eval Board Part Number | 497-17811-ND |
| Eval Board Supplier | STMicroelectronics |
| Eval Board |
Normally In Stock
|
| Voltage Out |
5 V
|
| Current Out |
500 mA
|
| Protocol |
Inductive
|
| Voltage In |
5 V
|
| Current In |
- Not Given
|
| Standard(s) |
Qi v 1.2
|
| Features |
ADC's for Sensor Reading
Antenna On-Board Current Limit (Adj. or Fixed) ESD Protection Foreign Object Detection (FOD) GUI / Design Software I²C Interface LDO Regulator(s), On-Chip MCU Controlled Memory Available On-Board Over Voltage Protection |
| Frequency |
110 ~ 205 kHz
|
| No-load Input Power @ Conditions |
- Not given
|
| Efficiency @ Conditions |
>65%, 5V @ 1 ~ 2.5 W
|
| Component Count + Extras |
26 + 12
|
| Design Author |
STMicroelectronics
|
| Main I.C. Base Part |
STWLC33
|
| Date Created By Author | 2017-12 |
| Date Added To Library | 2018-06 |
Co-Browse
By using the Co-Browse feature, you are agreeing to allow a support representative from DigiKey to view your browser remotely. When the Co-Browse window opens, give the session ID that is located in the toolbar to the representative.
DigiKey respects your right to privacy. For more information please see our Privacy Notice and Cookie Notice.
Yes, Continue to Co-BrowseGet fast and accurate answers from DigiKey's Technicians and Experienced Engineers on our TechForum.
Please visit the Help & Support area of our website to find information regarding ordering, shipping, delivery and more.
Registered users can track orders from their account dropdown, or click here. *Order Status may take 12 hours to update after initial order is placed.
Users can begin the returns process by starting with our Returns Page.
Quotes can be created by registered users in myLists.
Visit the Registration Page and enter the required information. You will receive an email confirmation when your registration is complete.
Orders are typically delivered to Singapore within 3 days depending on location.
Free delivery to Singapore on orders of S$60 or more. A delivery charge of S$24 will be billed on all orders less than S$60.
UPS, FedEx or DHL freight pre-paid: CPT (Duty, customs, and taxes due at time of delivery)
Credit account for qualified institutions and businesses
Payment in Advance by Wire Transfer
![]()
![]()
![]()
![]()


More Products From Fully Authorized Partners
Average Time to Ship 1-3 Days, extra ship charges may apply. Please see product page, cart, and checkout for actual ship speed.
Incoterms: CPT (Duty, customs, and applicable VAT/Tax due at time of delivery)
For more information visit Help & Support
Thank you!
Keep an eye on your inbox for news and updates from DigiKey!
Please enter an email address