Orders are typically delivered to Singapore within 3 days depending on location.
Free delivery to Singapore on orders of $50 USD or more. A delivery charge of $20 USD will be billed on all orders less than $50 USD.
UPS, FedEx or DHL freight pre-paid: CPT (Duty, customs, and taxes due at time of delivery)
Credit account for qualified institutions and businesses
Payment in Advance by Wire Transfer
![]()
![]()
![]()
![]()
![]()


More Products From Fully Authorized Partners
Average Time to Ship 1-3 Days, extra ship charges may apply. Please see product page, cart, and checkout for actual ship speed.
Incoterms: CPT (Duty, customs, and applicable VAT/Tax due at time of delivery)
For more information visit Help & Support
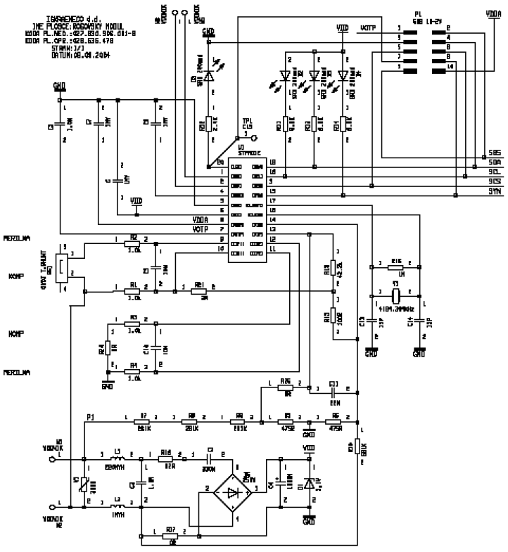
This metering module can be used to build a Class 0.5 Single-phase standalone or microprocessor based meter with or without tamper detection for power line systems of V = 140 to 300Vrms, Inom / Imax = 2/20ARMS, F = 45 to 65Hz and Tamb = -40 to +85°C.
In standalone mode, a stepper motor display should be connected to pins W5 and W6. A user can select the type of stepper or the constant of output pulse frequency by changing LVS or KMOT configurators respectively.
In Microprocessor based mode, a control board with a microprocessor should be connected to the male connector P1 of the module using a 10-wire flat cable.
Features:
Single-phase, 0.5 class accuracy guaranteed
LED checking for:
Functioning
No Load Condition
Reverse Energy Direction
Stepper Motor Display Connector
Capacitive Power Supply
SPI Interface Connector:
Active, Reactive Apparent Power consumption
VRMS, IRMS and Line Frequency
Status
| Manufacturer | STMicroelectronics |
|---|---|
| Category | Power Management |
| Sub-Category | Energy Metering for AC |
| Eval Board |
Board not Stocked
|
| Sensing Method |
Shunt
|
| Features |
AC/DC Power Supply
Active Power Measurement Apparent Power Measurement Line Frequency Measurement Reactive Power Measurement Reverse Energy Detection RMS Current Measurement RMS Voltage Measurement SPI Interface Status Indication Stepper Motor Driver |
| AC Voltage |
140 ~ 300 VAC
|
| Max AC Current |
20 A (2A Nom)
|
| Component Count + Extras |
46 + 2
|
| Design Author |
STMicroelectronics
|
| Main I.C. Base Part |
STPM01
|
| Date Created By Author | |
| Date Added To Library | 2011-09 |
Co-Browse
By using the Co-Browse feature, you are agreeing to allow a support representative from DigiKey to view your browser remotely. When the Co-Browse window opens, give the session ID that is located in the toolbar to the representative.
DigiKey respects your right to privacy. For more information please see our Privacy Notice and Cookie Notice.
Yes, Continue to Co-BrowseGet fast and accurate answers from DigiKey's Technicians and Experienced Engineers on our TechForum.
Please visit the Help & Support area of our website to find information regarding ordering, shipping, delivery and more.
Registered users can track orders from their account dropdown, or click here. *Order Status may take 12 hours to update after initial order is placed.
Users can begin the returns process by starting with our Returns Page.
Quotes can be created by registered users in myLists.
Visit the Registration Page and enter the required information. You will receive an email confirmation when your registration is complete.
Orders are typically delivered to Singapore within 3 days depending on location.
Free delivery to Singapore on orders of $50 USD or more. A delivery charge of $20 USD will be billed on all orders less than $50 USD.
UPS, FedEx or DHL freight pre-paid: CPT (Duty, customs, and taxes due at time of delivery)
Credit account for qualified institutions and businesses
Payment in Advance by Wire Transfer
![]()
![]()
![]()
![]()
![]()


More Products From Fully Authorized Partners
Average Time to Ship 1-3 Days, extra ship charges may apply. Please see product page, cart, and checkout for actual ship speed.
Incoterms: CPT (Duty, customs, and applicable VAT/Tax due at time of delivery)
For more information visit Help & Support
Thank you!
Keep an eye on your inbox for news and updates from DigiKey!
Please enter an email address