Orders are typically delivered to Singapore within 3 days depending on location.
Free delivery to Singapore on orders of $50 USD or more. A delivery charge of $20 USD will be billed on all orders less than $50 USD.
UPS, FedEx or DHL freight pre-paid: CPT (Duty, customs, and taxes due at time of delivery)
Credit account for qualified institutions and businesses
Payment in Advance by Wire Transfer
![]()
![]()
![]()
![]()
![]()


More Products From Fully Authorized Partners
Average Time to Ship 1-3 Days, extra ship charges may apply. Please see product page, cart, and checkout for actual ship speed.
Incoterms: CPT (Duty, customs, and applicable VAT/Tax due at time of delivery)
For more information visit Help & Support
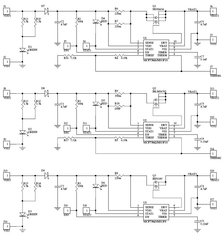
The MCP7384X Evaluation Board is an evaluation and demonstration Microchip Technology's MCP7384X Advanced Single or Dual Cell Lithium-Polymer Charge Management Controllers. The design provides versatility while being able to handle accurate measurements.
The MCP7384X Evaluation Kit contains:
MCP7384X Evaluation Board
MCP73841-420I/UN, MCP73842-840I/UN and MCP73843-420I/MS Devices installed
MCP7384X Data Sheet (DS21823)
MCP7384X Evaluation Kit User's Guide (DS51424)
| Manufacturer | Microchip Technology |
|---|---|
| Category | Power Management |
| Sub-Category | Battery Chargers |
| Eval Board Part Number | MCP7384XEV-ND |
| Eval Board Supplier | Microchip Technology |
| Eval Board |
Board not Stocked
|
| Cell Type |
Lithium Ion, Li-Ion
Lithium Polymer, Li-Pol |
| Configuration |
1 Cell
2 in Series |
| Voltage In |
4.5 / 8.7 ~ 12 V
|
| Voltage Out |
4.2 V
8.4 V |
| Current Out |
275 mA
500 mA 1 A |
| Features |
Auto Off
Cell Preconditioning Cell Temperature Monitoring Current Limit (Adj. or Fixed) Reverse Polarity Protection Shutdown, Enable, Standby Status Indication |
| Quiescent Current [Typical] |
250 µA
|
| Sleep Mode Current [Typical] | |
| Component Count + Extras |
12 + 6
14 + 7 15 + 7 43 + 20 |
| Application / Target Market |
Audio: MP3 Players
Battery Chargers Cell Phones Digital Cameras Portable Devices |
| Design Author |
Microchip Technology
|
| Main I.C. Base Part |
MCP73841
MCP73842 MCP73843 |
| Quiescent Current [Maximum] |
4 mA
|
| Sleep Mode Current [Maximum] |
4 µA
|
| Date Created By Author | |
| Date Added To Library | 2011-03 |
Co-Browse
By using the Co-Browse feature, you are agreeing to allow a support representative from DigiKey to view your browser remotely. When the Co-Browse window opens, give the session ID that is located in the toolbar to the representative.
DigiKey respects your right to privacy. For more information please see our Privacy Notice and Cookie Notice.
Yes, Continue to Co-BrowseGet fast and accurate answers from DigiKey's Technicians and Experienced Engineers on our TechForum.
Please visit the Help & Support area of our website to find information regarding ordering, shipping, delivery and more.
Registered users can track orders from their account dropdown, or click here. *Order Status may take 12 hours to update after initial order is placed.
Users can begin the returns process by starting with our Returns Page.
Quotes can be created by registered users in myLists.
Visit the Registration Page and enter the required information. You will receive an email confirmation when your registration is complete.
Orders are typically delivered to Singapore within 3 days depending on location.
Free delivery to Singapore on orders of $50 USD or more. A delivery charge of $20 USD will be billed on all orders less than $50 USD.
UPS, FedEx or DHL freight pre-paid: CPT (Duty, customs, and taxes due at time of delivery)
Credit account for qualified institutions and businesses
Payment in Advance by Wire Transfer
![]()
![]()
![]()
![]()
![]()


More Products From Fully Authorized Partners
Average Time to Ship 1-3 Days, extra ship charges may apply. Please see product page, cart, and checkout for actual ship speed.
Incoterms: CPT (Duty, customs, and applicable VAT/Tax due at time of delivery)
For more information visit Help & Support
Thank you!
Keep an eye on your inbox for news and updates from DigiKey!
Please enter an email address