Orders are typically delivered to Singapore within 3 days depending on location.
Free delivery to Singapore on orders of $50 USD or more. A delivery charge of $20 USD will be billed on all orders less than $50 USD.
UPS, FedEx or DHL freight pre-paid: CPT (Duty, customs, and taxes due at time of delivery)
Credit account for qualified institutions and businesses
Payment in Advance by Wire Transfer
![]()
![]()
![]()
![]()
![]()


More Products From Fully Authorized Partners
Average Time to Ship 1-3 Days, extra ship charges may apply. Please see product page, cart, and checkout for actual ship speed.
Incoterms: CPT (Duty, customs, and applicable VAT/Tax due at time of delivery)
For more information visit Help & Support
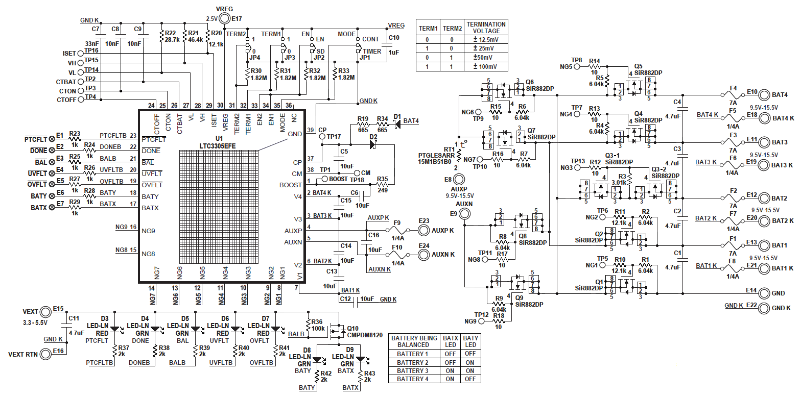
Demonstration circuit 2043A is a lead Acid Battery Balancer featuring the LTC®3305. The LTC3305 balances up to 4 lead acid batteries connected in series and incorporates all voltage monitoring, gate drive and fault detection circuitry.
The LTC3305 employs an auxiliary battery or an alternative storage cell to transfer charge to or from each individual battery within the stack. There are two operating modes, TIMER mode and CONTINUOUS mode, selected by the MODE pin. In TIMER mode, once the balancing operation is complete, the LTC3305 goes to a low power state for a programmed time and then periodically rebalances the batteries. In CONTINUOUS mode, the balancing operation continues even after the batteries are balanced to their programmed termination voltage.
The LTC3305EFE is available in a 7mm × 7mm 38-lead TSSOP surface mount package with exposed pad.
| Manufacturer | Analog Devices Inc. |
|---|---|
| Category | Power Management |
| Sub-Category | Battery Chargers |
| Eval Board Part Number | DC2043A-ND |
| Eval Board Supplier | Analog Devices Inc. |
| Eval Board |
Board not Stocked
|
| Cell Type |
Lead Acid
|
| Configuration |
4 in Series
|
| Voltage In |
12 ~ 64 V
|
| Voltage Out |
4 ~ 16 V (Vbat)
|
| Current Out |
3 mA
|
| Features |
Current Limit (Adj. or Fixed)
Over Voltage Protection Shutdown, Enable, Standby Temperature Compensation Under Voltage Protection, Brown-Out |
| Quiescent Current [Typical] |
100 µA
|
| Sleep Mode Current [Typical] |
33 µA
|
| Component Count + Extras |
57 + 65
|
| Application / Target Market |
Automotive
Battery Chargers Medical Telecom |
| Design Author |
Linear Technology
|
| Main I.C. Base Part |
LTC3305
|
| Quiescent Current [Maximum] |
150 µA
|
| Sleep Mode Current [Maximum] |
50 µA
|
| Date Created By Author | 2014-09 |
| Date Added To Library | 2016-11 |
Co-Browse
By using the Co-Browse feature, you are agreeing to allow a support representative from DigiKey to view your browser remotely. When the Co-Browse window opens, give the session ID that is located in the toolbar to the representative.
DigiKey respects your right to privacy. For more information please see our Privacy Notice and Cookie Notice.
Yes, Continue to Co-BrowseGet fast and accurate answers from DigiKey's Technicians and Experienced Engineers on our TechForum.
Please visit the Help & Support area of our website to find information regarding ordering, shipping, delivery and more.
Registered users can track orders from their account dropdown, or click here. *Order Status may take 12 hours to update after initial order is placed.
Users can begin the returns process by starting with our Returns Page.
Quotes can be created by registered users in myLists.
Visit the Registration Page and enter the required information. You will receive an email confirmation when your registration is complete.
Orders are typically delivered to Singapore within 3 days depending on location.
Free delivery to Singapore on orders of $50 USD or more. A delivery charge of $20 USD will be billed on all orders less than $50 USD.
UPS, FedEx or DHL freight pre-paid: CPT (Duty, customs, and taxes due at time of delivery)
Credit account for qualified institutions and businesses
Payment in Advance by Wire Transfer
![]()
![]()
![]()
![]()
![]()


More Products From Fully Authorized Partners
Average Time to Ship 1-3 Days, extra ship charges may apply. Please see product page, cart, and checkout for actual ship speed.
Incoterms: CPT (Duty, customs, and applicable VAT/Tax due at time of delivery)
For more information visit Help & Support
Thank you!
Keep an eye on your inbox for news and updates from DigiKey!
Please enter an email address