Orders are typically delivered to Singapore within 3 days depending on location.
Free delivery to Singapore on orders of S$60 or more. A delivery charge of S$24 will be billed on all orders less than S$60.
UPS, FedEx or DHL freight pre-paid: CPT (Duty, customs, and taxes due at time of delivery)
Credit account for qualified institutions and businesses
Payment in Advance by Wire Transfer
![]()
![]()
![]()
![]()


More Products From Fully Authorized Partners
Average Time to Ship 1-3 Days, extra ship charges may apply. Please see product page, cart, and checkout for actual ship speed.
Incoterms: CPT (Duty, customs, and applicable VAT/Tax due at time of delivery)
For more information visit Help & Support
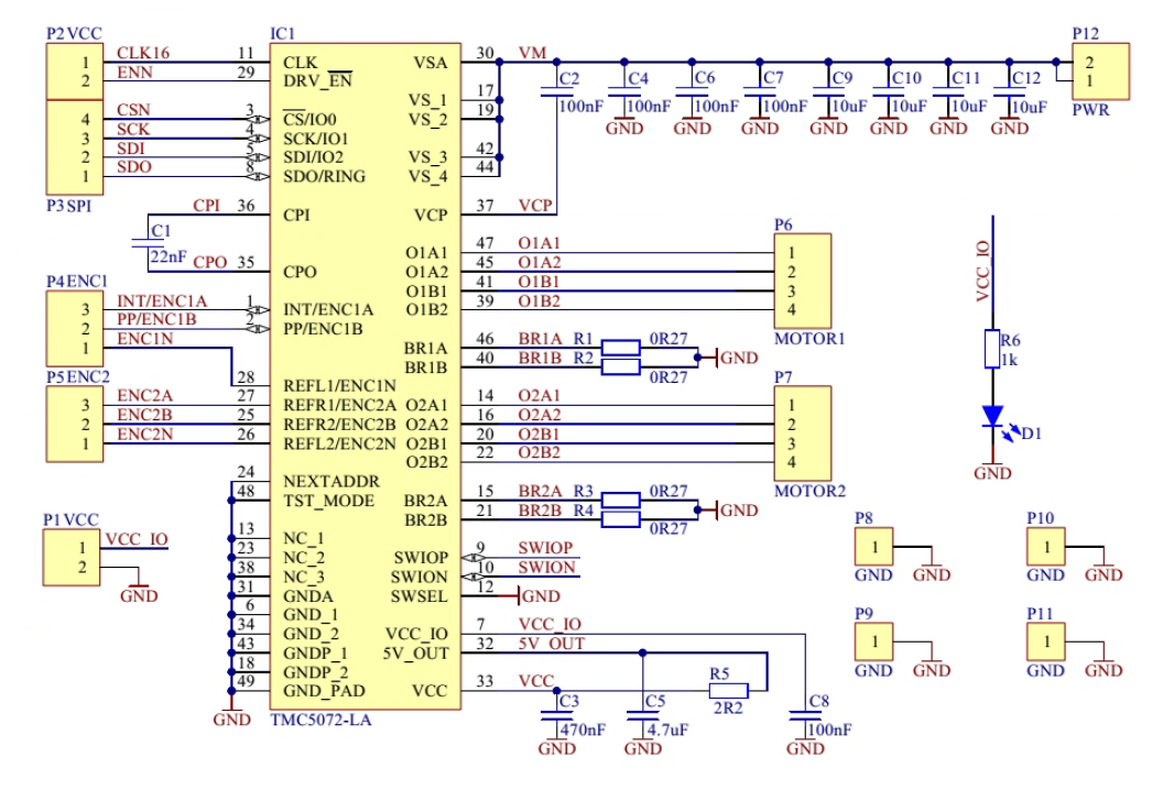
The TMC5072 breakout board is a development board with the dedicated TMC5072-LA chip. It is designed to give users the chance to rapidly prototype their applications - making it possible to immediately check how the motor performs with TMC chips while developing the application's software.
Supply voltage 5-26V
Iphase RMS up to 2 x 1.1A
Configuration and control via SPI
Use off-board electrolyte cap with your supply
1x incremental encoder input per motor axis
Board size 1.0" by 1.4"
| Manufacturer | Analog Devices Inc. |
|---|---|
| Category | Motor Control |
| Eval Board Part Number | 505-TMC5072-BOB-ND |
| Eval Board Supplier | Analog Devices Inc./Maxim Integrated |
| Eval Board |
Normally In Stock
|
| Voltage In |
5 ~ 26 V
|
| Number of Motors and Type |
2, Stepper Motors, BiPolar
|
| Power / Current Out |
1.1 A (x2)
|
| Features |
Encoder Input
Microstepping Open Circuit Protection Short Circuit Protection SPI Interface Synchronizable Thermal Protection |
| Component Count + Extras |
20 + 2
|
| Application / Target Market |
Factory Automation
Medical Printer, Plotter Robotics Security IP Camera |
| Design Author |
TRINAMIC
|
| Main I.C. Base Part |
TMC5072
|
| Date Created By Author | 2017-10 |
| Date Added To Library | 2018-09 |
Co-Browse
By using the Co-Browse feature, you are agreeing to allow a support representative from DigiKey to view your browser remotely. When the Co-Browse window opens, give the session ID that is located in the toolbar to the representative.
DigiKey respects your right to privacy. For more information please see our Privacy Notice and Cookie Notice.
Yes, Continue to Co-BrowseGet fast and accurate answers from DigiKey's Technicians and Experienced Engineers on our TechForum.
Please visit the Help & Support area of our website to find information regarding ordering, shipping, delivery and more.
Registered users can track orders from their account dropdown, or click here. *Order Status may take 12 hours to update after initial order is placed.
Users can begin the returns process by starting with our Returns Page.
Quotes can be created by registered users in myLists.
Visit the Registration Page and enter the required information. You will receive an email confirmation when your registration is complete.
Orders are typically delivered to Singapore within 3 days depending on location.
Free delivery to Singapore on orders of S$60 or more. A delivery charge of S$24 will be billed on all orders less than S$60.
UPS, FedEx or DHL freight pre-paid: CPT (Duty, customs, and taxes due at time of delivery)
Credit account for qualified institutions and businesses
Payment in Advance by Wire Transfer
![]()
![]()
![]()
![]()


More Products From Fully Authorized Partners
Average Time to Ship 1-3 Days, extra ship charges may apply. Please see product page, cart, and checkout for actual ship speed.
Incoterms: CPT (Duty, customs, and applicable VAT/Tax due at time of delivery)
For more information visit Help & Support
Thank you!
Keep an eye on your inbox for news and updates from DigiKey!
Please enter an email address