DC2345A: 2A @ 25V Max, 4 ~ 60V in

Summary

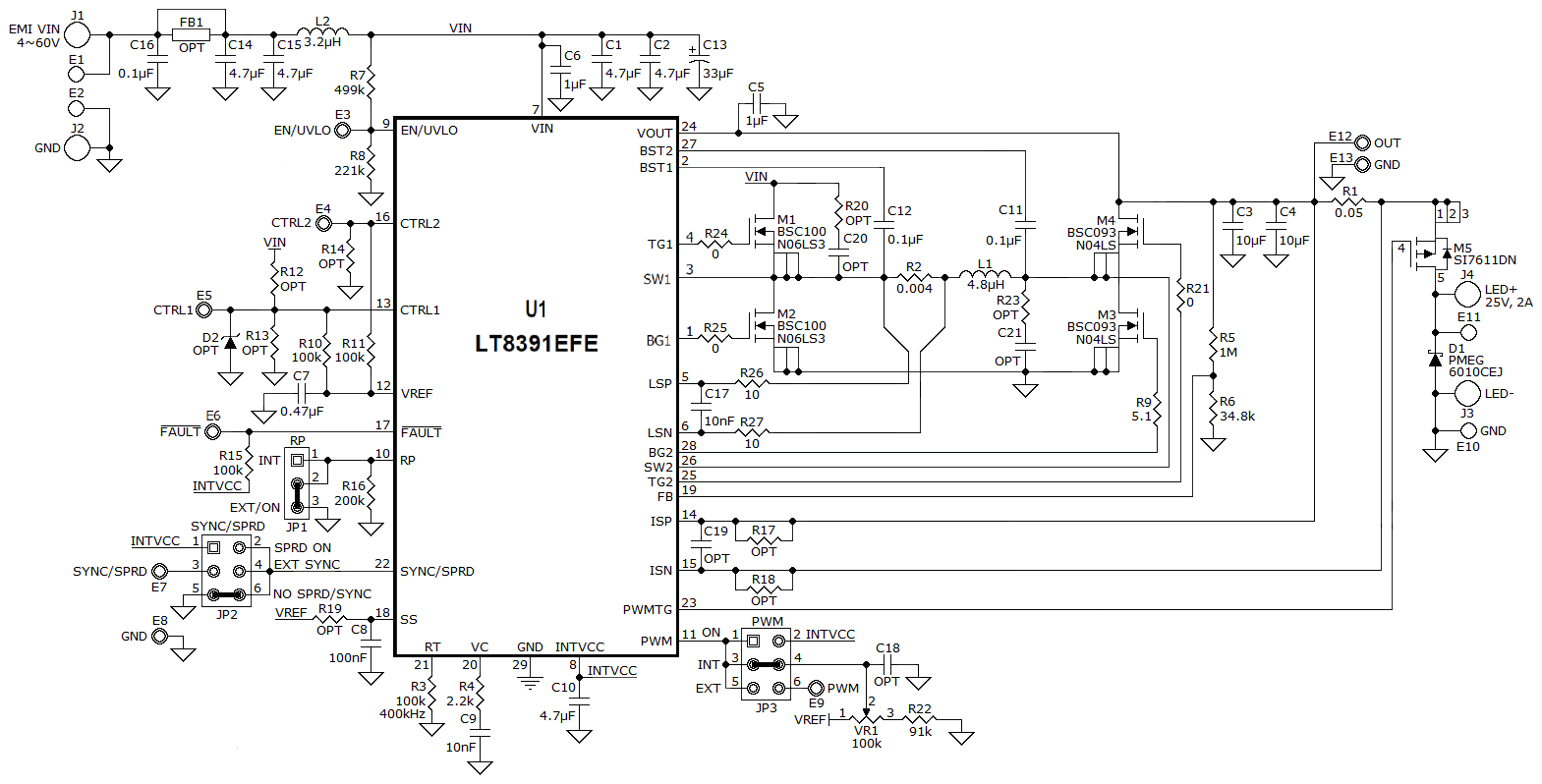
Demonstration circuit 2345A is a 60V synchronous 4-switch buck-boost LED controller with spread spectrum featuring the LT®8391 LED driver. It accepts an input voltage from 4V to 60V and drives a single string of LEDs up to 25V at 2A. DC2345A runs at 400kHz switching frequency without spread spectrum, but spread spectrum frequency modulation (SSFM) can be enabled with a simple jumper.SSFM spreads the switching frequency to fsw ±15% for reduced EMI.

The LT8391 has a wide input voltage range down to 4V and up to 60V. It has adjustable switching frequency between 150kHz and 600kHz. There is a simple jumper option for external frequency synchronization, spread spectrum frequency modulation, or neither.

The LT8391 can be PWM dimmed with an external PWM signal and an internally-generated PWM signal. DC2345A has a jumper that can be set to switch between internally generated PWM signal, externally-generated PWM signal, and no PWM signal (100% on). It can be analog dimmed with a control voltage on either of its two control pins. LT8391 features both open LED and short LED (LED+ to GND) protection as well as a fault output flag.

When run with both PWM dimming and spread spectrum, the spread spectrum aligns itself with the PWM signal for flicker-free operation.

Small ceramic input and output capacitors are used to save space and cost. The board is designed with capacitors on both sides of the synchronous switches for a reduction in radiated EMI. The open LED overvoltage protection uses the IC's constant voltage regulation loop to regulate the output to approximately 29.7V if the LED string is opened although it may reach 32V peak during transient from running LEDs to open. There is a protection diode from LED+ to GND to prevent negative ringing during a short-circuit with long wires.Undervoltage lockout can be adjusted on the circuit with a few simple resistor choices.

There is an EMI filter on the input of DC2345A. This filter has a 3.2uH inductor and two 4.7?F capacitors. It is effective in reducing the conducted EMI in the AM band to pass CISPR25 class 5 regulations. When run with SSFM, DC2345A has low conducted EMI.

The LT8391 data sheet gives a complete description of the part, operation and applications information. The data sheet must be read in conjunction with this Demo Manual for demonstration circuit DC2345A. The LT8391EFE is assembled in a 28-lead plastic TSSOP (FE) package with a thermally enhanced ground pad. Proper board layout is essential for maximum thermal performance. See the data sheet section 'Layout Considerations'.

Specifications

Manufacturer Analog Devices Inc.
Category Lighting
Sub-Category LED Drivers - DC In
Eval Board Part Number DC2345A-ND
Eval Board Supplier Analog Devices Inc.
Eval Board Normally In Stock
Voltage In 4 ~ 60 V
Topology Step Up/Down
Current Out 2 A
Voltage Out (Max) 25 V
Outputs and Type 1 Non-Isolated
Efficiency @ Conditions >95%, 11 ~ 42V in, 25 VLED @ 2 A
Features Current Limit (Adj. or Fixed)
Dimming Control
Fault Indication
Open Circuit Protection
PWM Interface
Short Circuit Protection
Shutdown, Enable, Standby
Spread Spectrum Modulation
Synchronizable
Under Voltage Protection, Brown-Out
Switching Frequency 150 ~ 650 kHz
Component Count + Extras 29 + 40
Design Author Linear Technology
Application / Target Market Automotive
Lighting: LED Commercial Lighting
Lighting: LED Signage
Main I.C. Base Part LT8391
Date Created By Author 2016-05
Date Added To Library 2017-10

Eval Board

Order a fully assembled board:

Quantity Available: 1

Quantity: