Orders are typically delivered to Singapore within 3 days depending on location.
Free delivery to Singapore on orders of S$60 or more. A delivery charge of S$24 will be billed on all orders less than S$60.
UPS, FedEx or DHL freight pre-paid: CPT (Duty, customs, and taxes due at time of delivery)
Credit account for qualified institutions and businesses
Payment in Advance by Wire Transfer
![]()
![]()
![]()
![]()


More Products From Fully Authorized Partners
Average Time to Ship 1-3 Days, extra ship charges may apply. Please see product page, cart, and checkout for actual ship speed.
Incoterms: CPT (Duty, customs, and applicable VAT/Tax due at time of delivery)
For more information visit Help & Support
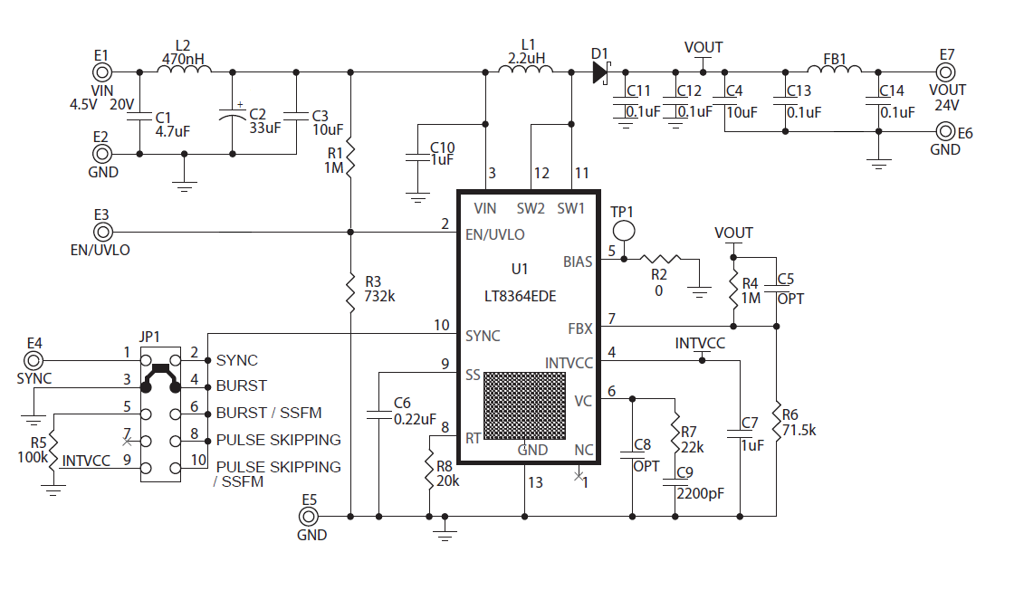
Demo circuit 2716A features the LT8364 in boost configuration. It is designed to convert a 4.5V to 20V source to 24V, with up to 1.6A, depending on input voltage, with a switching frequency of 2MHz. The LT8364 can operate with inputs as high as 60V, however, in this demo circuit, the input is limited by the level of the output voltage. Refer to Figure 4 for load current versus input voltage. The demo board contains a selectable jumper, JP1, to aid in the selection of the desired Sync pin mode of operation. The default setting is Burst Mode® operation. The data sheet gives a complete description of the device, operation and application information. The data sheet must be read in conjunction with this demo manual.
The LT®8364 is a current mode DC/DC converter with a 60V, 4A switch operating from a 2.8V to 60V input. With a unique single feedback pin architecture it is capable of boost, SEPIC or inverting configurations. Burst Mode operation consumes as low as 9µA quiescent current to maintain high efficiency at very low output currents, while keeping typical output ripple below 15mV. An external compensation pin allows optimization of loop bandwidth over a wide range of input and output voltages and programmable switching frequencies between 300 kHz and 2 MHz. A SYNC/MODE pin allows synchronization to an external clock. It can also be used to select between burst or pulse-skip modes of operation with or without Spread Spectrum Frequency Modulation for low EMI. For increased efficiency, a BIAS pin can accept a second input to supply the INTVCC regulator. Additional features include frequency foldback and programmable soft-start to control inductor current during startup.
| Manufacturer | Analog Devices Inc. |
|---|---|
| Category | AC/DC and DC/DC Conversion |
| Sub-Category | DC/DC SMPS - Single Output |
| Eval Board Part Number | 505-DC2716A-ND |
| Eval Board Supplier | Analog Devices Inc. |
| Eval Board |
Normally In Stock
|
| Topology |
Step Up
|
| Outputs and Type |
1 Non-Isolated
|
| Voltage Out: Factory Set |
24 V
|
| Current Out |
1.6 A
|
| Voltage In |
4.5 ~ 20 V
|
| Efficiency @ Conditions |
>90%, 12V in, 24V @ 0.05 ~ 1.5 A
|
| Voltage Out Range |
Up to 60 V
|
| Features |
Frequency Foldback
Over Current Protection Shutdown, Enable, Standby Soft Start Synchronizable Thermal Protection Under Voltage Protection, Brown-Out |
| Switching Frequency |
300 kHz ~ 2 MHz
|
| Standby Current [Typical] |
2 µA
|
| Quiescent Current [Typical] |
1.2 mA
|
| Component Count + Extras |
24 + 16
|
| Internal Switch |
Yes
|
| Design Author |
Linear Technology
|
| Application / Target Market |
Automotive
Medical Portable Devices Power: Industrial Power Telecom |
| Standby Current [Maximum] | |
| Quiescent Current [Maximum] | |
| Main I.C. Base Part |
LT8364
|
| Date Created By Author | 2017-10 |
| Date Added To Library | 2018-03 |
Co-Browse
By using the Co-Browse feature, you are agreeing to allow a support representative from DigiKey to view your browser remotely. When the Co-Browse window opens, give the session ID that is located in the toolbar to the representative.
DigiKey respects your right to privacy. For more information please see our Privacy Notice and Cookie Notice.
Yes, Continue to Co-BrowseGet fast and accurate answers from DigiKey's Technicians and Experienced Engineers on our TechForum.
Please visit the Help & Support area of our website to find information regarding ordering, shipping, delivery and more.
Registered users can track orders from their account dropdown, or click here. *Order Status may take 12 hours to update after initial order is placed.
Users can begin the returns process by starting with our Returns Page.
Quotes can be created by registered users in myLists.
Visit the Registration Page and enter the required information. You will receive an email confirmation when your registration is complete.
Orders are typically delivered to Singapore within 3 days depending on location.
Free delivery to Singapore on orders of S$60 or more. A delivery charge of S$24 will be billed on all orders less than S$60.
UPS, FedEx or DHL freight pre-paid: CPT (Duty, customs, and taxes due at time of delivery)
Credit account for qualified institutions and businesses
Payment in Advance by Wire Transfer
![]()
![]()
![]()
![]()


More Products From Fully Authorized Partners
Average Time to Ship 1-3 Days, extra ship charges may apply. Please see product page, cart, and checkout for actual ship speed.
Incoterms: CPT (Duty, customs, and applicable VAT/Tax due at time of delivery)
For more information visit Help & Support
Thank you!
Keep an eye on your inbox for news and updates from DigiKey!
Please enter an email address