Orders are typically delivered to Singapore within 3 days depending on location.
Free delivery to Singapore on orders of $50 USD or more. A delivery charge of $20 USD will be billed on all orders less than $50 USD.
UPS, FedEx or DHL freight pre-paid: CPT (Duty, customs, and taxes due at time of delivery)
Credit account for qualified institutions and businesses
Payment in Advance by Wire Transfer
![]()
![]()
![]()
![]()
![]()


More Products From Fully Authorized Partners
Average Time to Ship 1-3 Days, extra ship charges may apply. Please see product page, cart, and checkout for actual ship speed.
Incoterms: CPT (Duty, customs, and applicable VAT/Tax due at time of delivery)
For more information visit Help & Support
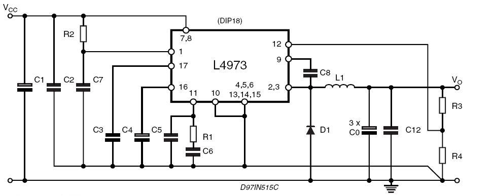
| Manufacturer | STMicroelectronics |
|---|---|
| Category | AC/DC and DC/DC Conversion |
| Sub-Category | DC/DC SMPS - Single Output |
| Eval Board |
Board not Stocked
|
| Topology |
Step Down
|
| Outputs and Type |
1 Non-Isolated
|
| Voltage Out: Factory Set |
5 V
|
| Current Out |
3.5 A
|
| Voltage In |
8 ~ 55 V
|
| Efficiency @ Conditions |
>94%, 12V in, 5.1V @ 500 mA
>84%, 50V in, 5.1V @ 3.5 A |
| Voltage Out Range |
5 ~ 40 V
|
| Features |
Current Limit (Adj. or Fixed)
Short Circuit Protection Shutdown, Enable, Standby Soft Start Synchronizable Thermal Protection Voltage Reference |
| Switching Frequency |
100 kHz
|
| Standby Current [Typical] |
150 µA
|
| Quiescent Current [Typical] |
2.7 mA
|
| Component Count + Extras |
17 + 9
|
| Internal Switch |
Yes
|
| Design Author |
STMicroelectronics
|
| Application / Target Market |
Computers
Medical Point of Load (PoL) Telecom |
| Standby Current [Maximum] |
300 µA
|
| Quiescent Current [Maximum] |
4 mA
|
| Main I.C. Base Part |
L4973
|
| Date Created By Author | |
| Date Added To Library | 2017-05 |
Co-Browse
By using the Co-Browse feature, you are agreeing to allow a support representative from DigiKey to view your browser remotely. When the Co-Browse window opens, give the session ID that is located in the toolbar to the representative.
DigiKey respects your right to privacy. For more information please see our Privacy Notice and Cookie Notice.
Yes, Continue to Co-BrowseGet fast and accurate answers from DigiKey's Technicians and Experienced Engineers on our TechForum.
Please visit the Help & Support area of our website to find information regarding ordering, shipping, delivery and more.
Registered users can track orders from their account dropdown, or click here. *Order Status may take 12 hours to update after initial order is placed.
Users can begin the returns process by starting with our Returns Page.
Quotes can be created by registered users in myLists.
Visit the Registration Page and enter the required information. You will receive an email confirmation when your registration is complete.
Orders are typically delivered to Singapore within 3 days depending on location.
Free delivery to Singapore on orders of $50 USD or more. A delivery charge of $20 USD will be billed on all orders less than $50 USD.
UPS, FedEx or DHL freight pre-paid: CPT (Duty, customs, and taxes due at time of delivery)
Credit account for qualified institutions and businesses
Payment in Advance by Wire Transfer
![]()
![]()
![]()
![]()
![]()


More Products From Fully Authorized Partners
Average Time to Ship 1-3 Days, extra ship charges may apply. Please see product page, cart, and checkout for actual ship speed.
Incoterms: CPT (Duty, customs, and applicable VAT/Tax due at time of delivery)
For more information visit Help & Support
Thank you!
Keep an eye on your inbox for news and updates from DigiKey!
Please enter an email address