LMZ31530EVM-002: 0.6V ~ 3.6V @ 30A, 3 ~ 14.5V in

Summary

The LMZ31520/30 EVM is designed as an easy to use platform that facilitates evaluation of the features and performance of the Simple Switcher® power module. The LMZ31520 and LMZ31530 devices provide output currents of 20A and 30A, respectively. This guide provides information on the correct usage of the EVM and an explanation of the various test points found on the board.

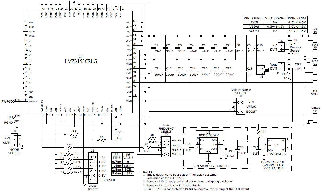
The EVM features a LMZ31520 (20A) or LMZ31530 (30A), synchronous buck Simple Switcher® power module configured for operation with typical 5-V and 12-V input bus applications. The output voltage can be set to one of six popular values by using a configuration jumper. In similar fashion, the switching frequency can be set to one of four values with a jumper.

The full 20-A / 30-A rated output current can be supplied by the EVM. Input and output capacitors are included on the board to accommodate the entire range of input and output voltages. Monitoring test points are provided to allow measurement of efficiency, power dissipation, input ripple, output ripple, line and load regulation, and transient response. Control test points are provided for use of the PWRGD and Inhibit features of the power module along with a selector for Eco-Mode or FCCM. The EVM uses a recommended PCB layout that maximizes thermal performance and minimizes output ripple and noise.

Specifications

Manufacturer Texas Instruments
Category AC/DC and DC/DC Conversion
Sub-Category DC/DC SMPS - Single Output
Eval Board Part Number 296-37140-ND
Eval Board Supplier Texas Instruments
Eval Board Normally In Stock
Topology Step Down
Outputs and Type 1 Non-Isolated
Voltage Out: Factory Set 0.6 V
0.8 V
1 V
1.2 V
1.8 V
3.3 V
Current Out 30 A
Voltage In 3 ~ 14.5 V
Efficiency @ Conditions >92%, 12V in, 3.3V @ 7 ~ 30 A
>90%, 5V in, 3.3V @ 1.5 ~ 30 A
>85%, 5V in, 1.2V @ 1 ~ 30 A
>84%, 12V in, 1.2V @ 4 ~ 30 A
>80%, 5V in, 0.6V @ 1 ~ 24.5 A
>75%, 12V in, 0.6V @ 3 ~ 30 A
Voltage Out Range 0.6 ~ 3.6 V
Features Current Limit (Adj. or Fixed)
Over Current Protection
Power Good Output
Pre-Biased Startup
Shutdown, Enable, Standby
Thermal Protection
Switching Frequency 350 ~ 850 kHz
Standby Current [Typical] 500 nA
Quiescent Current [Typical] - Not Given
Component Count + Extras 37 + 19
Internal Switch Yes
Design Author Texas Instruments
Application / Target Market FPGA / DSP / Processors
Point of Load (PoL)
Standby Current [Maximum] 1.5 mA
Quiescent Current [Maximum] - Not Given
Main I.C. Base Part LMZ31530
Date Created By Author 2013-10
Date Added To Library 2014-05

Eval Board

Order a fully assembled board:

Quantity Available: 0

Quantity:

Media