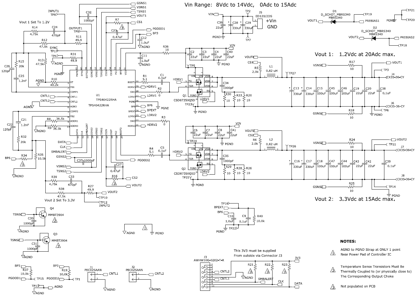
TPS40422EVM-091: 1.2V @ 20A, 3.3V @ 15A, 8 ~ 14Vin

Summary

The Texas Instruments TPS40422EVM-091 evaluation module (EVM) helps designers evaluate the performance of the TPS40422 Dual Output or Multiphase Synchronous Buck Controller with PMBus.

The EVM is designed to use a regulated 8.0Vdc to 14.0Vdc bus to produce two regulated outputs. One output is 1.2Vdc at a maximum of 20A load current, and the other is 3.3V at a maximum of 15A load current. The EVM also features the CSD86350Q5D NexFET™ Power Block FETs. The EVM is designed to demonstrate the TPS40422 in a typical dual output application.

Features:

  • PMBus enabled analog controller

  • Programmable switching frequency: 200kHz–1MHz

  • Programmable soft-start

  • Programmable over current protection

  • Inductor resistance or series resistance used for current sensing

  • Remote voltage sense amplifier on the primary 1.2V output

  • Voltage Mode Feedback Control with Voltage Feedforward

Specifications

Manufacturer Texas Instruments
Category AC/DC and DC/DC Conversion
Sub-Category DC/DC SMPS - Multi Output
Eval Board Part Number 296-30302-ND
Eval Board Supplier Texas Instruments
Eval Board Normally In Stock
Topology Step Down
Outputs and Type 2 Non-Isolated
Voltage Out: Highest Current First 1.2V, 3.3V
Current Out 20A, 15A
Voltage In 8 ~ 14 V
Efficiency @ Conditions >95%, 8V in, 3.3V @ 5 ~ 15 A
>92%, 12V in, 3.3V @ 4 ~ 15 A
>90%, 8V in, 1.2V @ 4.3 ~ 20 A
>89%, 12V in, 1.2V @ 7 ~ 20 A
Voltage Out Range - Not Given
Features Current Sharing
Over Current Protection
Over Voltage Protection
PMBus Interface
Pre-Biased Startup
Remote Sensing
Shutdown, Enable, Standby
Soft Start
Synchronizable
Thermal Protection
Under Voltage Protection, Brown-Out
Switching Frequency 200 kHz ~ 1 MHz
Standby Current [Typical] - Not Given
Quiescent Current [Typical] - Not Given
Component Count + Extras 94 + 25
Internal Switch No
Design Author Texas Instruments
Application / Target Market Point of Load (PoL)
Servers
Telecom
Standby Current [Maximum]
Quiescent Current [Maximum]
Main I.C. Base Part TPS40422
Date Created By Author 2012-01
Date Added To Library 2012-08

Eval Board

Order a fully assembled board:

Quantity Available: 0

Quantity: