Orders are typically delivered to Singapore within 3 days depending on location.
Free delivery to Singapore on orders of S$60 or more. A delivery charge of S$24 will be billed on all orders less than S$60.
UPS, FedEx or DHL freight pre-paid: CPT (Duty, customs, and taxes due at time of delivery)
Credit account for qualified institutions and businesses
Payment in Advance by Wire Transfer
![]()
![]()
![]()
![]()


More Products From Fully Authorized Partners
Average Time to Ship 1-3 Days, extra ship charges may apply. Please see product page, cart, and checkout for actual ship speed.
Incoterms: CPT (Duty, customs, and applicable VAT/Tax due at time of delivery)
For more information visit Help & Support
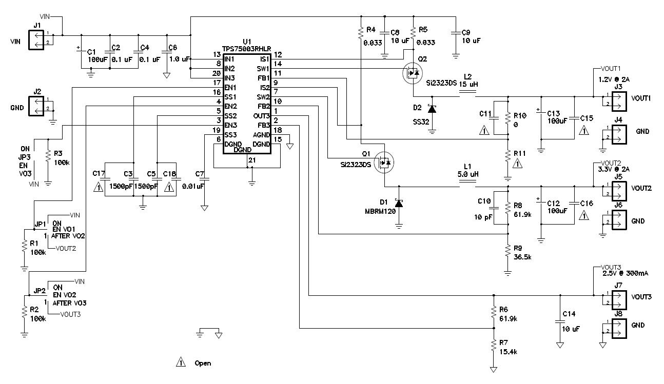
The Texas Instruments TPS75003EVM evaluation module (EVM) helps designers evaluate the operation and performance of the TPS75003 multi-channel power IC. This device has two buck controllers and a low dropout linear regulator. The device will operate at input voltages between 2.2 V and 6.5 V. The buck controllers can provide output voltages between 1.22 V and the input voltage and output currents up to 3 A.
This EVM is specifically designed and optimized to operate from a 5 V input with output currents up to 2 A for VOUT1 = 1.2 V typical and VOUT2 = 3.3 V typical. In addition, the EVM is jumper configurable so that each output can be independently enabled or the outputs can be sequenced in the following order: VOUT3, VOUT2 then VOUT1.
| Manufacturer | Texas Instruments |
|---|---|
| Category | AC/DC and DC/DC Conversion |
| Sub-Category | DC/DC SMPS - Multi Output |
| Eval Board Part Number | 296-21171-ND |
| Eval Board Supplier | Texas Instruments |
| Eval Board |
Board not Stocked
|
| Topology |
Step Down
|
| Outputs and Type |
3 Non-Isolated
|
| Voltage Out: Highest Current First |
1.2V, 3.3V, 2.5V
|
| Current Out |
2A, 2A, 300mA
|
| Voltage In |
2.2 ~ 6.5 V
|
| Efficiency @ Conditions |
>90%, 5V in, 3.3V @ 0.5 ~ 2 A
>74%, 5V in, 1.2V @ 0.1 ~ 2 A |
| Voltage Out Range |
- Not Given
|
| Features |
Current Limit (Adj. or Fixed)
Short Circuit Protection Shutdown, Enable, Standby Soft Start Thermal Protection Under Voltage Protection, Brown-Out |
| Switching Frequency |
20 ~ 500 kHz
|
| Standby Current [Typical] |
50 nA
|
| Quiescent Current [Typical] |
75 µA
|
| Component Count + Extras |
29 + 11
|
| Internal Switch |
No
|
| Design Author |
Texas Instruments
|
| Application / Target Market |
FPGA / DSP / Processors
LCD TV / Monitor Set-Top Boxes |
| Standby Current [Maximum] |
3 µA
|
| Quiescent Current [Maximum] |
150 µA
|
| Main I.C. Base Part |
TPS75003
|
| Date Created By Author | |
| Date Added To Library | 2011-03 |
Co-Browse
By using the Co-Browse feature, you are agreeing to allow a support representative from DigiKey to view your browser remotely. When the Co-Browse window opens, give the session ID that is located in the toolbar to the representative.
DigiKey respects your right to privacy. For more information please see our Privacy Notice and Cookie Notice.
Yes, Continue to Co-BrowseGet fast and accurate answers from DigiKey's Technicians and Experienced Engineers on our TechForum.
Please visit the Help & Support area of our website to find information regarding ordering, shipping, delivery and more.
Registered users can track orders from their account dropdown, or click here. *Order Status may take 12 hours to update after initial order is placed.
Users can begin the returns process by starting with our Returns Page.
Quotes can be created by registered users in myLists.
Visit the Registration Page and enter the required information. You will receive an email confirmation when your registration is complete.
Orders are typically delivered to Singapore within 3 days depending on location.
Free delivery to Singapore on orders of S$60 or more. A delivery charge of S$24 will be billed on all orders less than S$60.
UPS, FedEx or DHL freight pre-paid: CPT (Duty, customs, and taxes due at time of delivery)
Credit account for qualified institutions and businesses
Payment in Advance by Wire Transfer
![]()
![]()
![]()
![]()


More Products From Fully Authorized Partners
Average Time to Ship 1-3 Days, extra ship charges may apply. Please see product page, cart, and checkout for actual ship speed.
Incoterms: CPT (Duty, customs, and applicable VAT/Tax due at time of delivery)
For more information visit Help & Support
Thank you!
Keep an eye on your inbox for news and updates from DigiKey!
Please enter an email address