IRAUDPS3: ±30V, 120W, 115V or 230V in

Summary

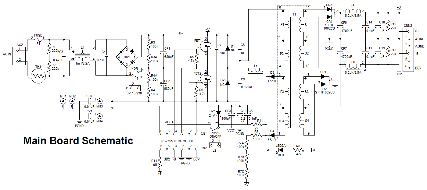
This document details the performance and test procedure of IRAUDPS3-30V Reference Design, featuring the IRS27952S Resonant Half Bridge controller. The document includes schematic diagram, PCB layout, test setup, test procedure, and test results.

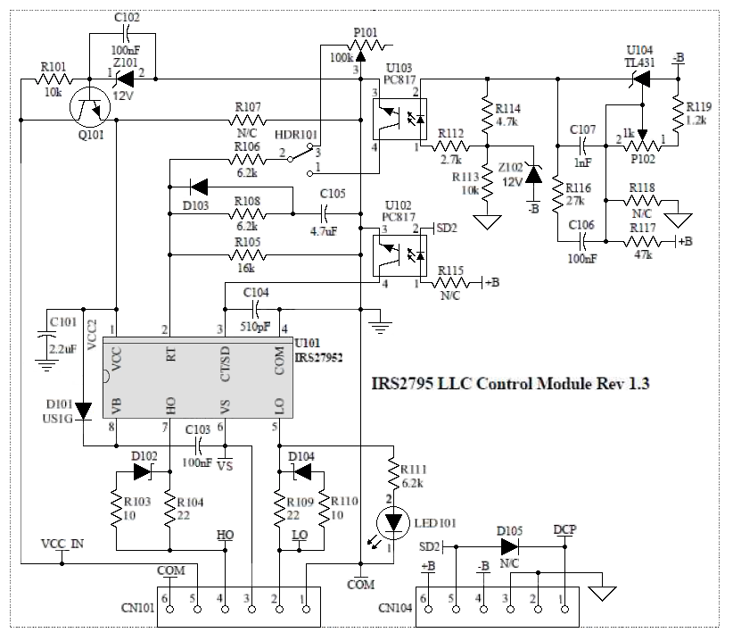
The IRS2795(1,2) is an 8 pin, high-voltage, double-ended controller specific for the resonant half-bridge topology. It provides 50% complementary duty cycle; the high-side and the low-side devices are driven 180° out-of-phase for exactly the same time. The IC incorporates additional protection features for robust operation and provides a high performance solution while minimizing external components and printed circuit board area.

The IC enables the designer to externally program all the following features using a 2 pin oscillator – operating frequency range (minimum and maximum frequency), startup frequency, dead time, soft-start time and sleep mode. Each of these functions are programmed as follows –

  • The minimum frequency is programmed using RT and CT.

  • The dead time is programmed using CT.

  • RSS and CSS program the converter soft-start time.

  • RSS//RT and CT program the converter start-up frequency.

  • The converter maximum frequency is set by (Rmax//RT) and CT.

  • Sleep mode is initiated by pulling the CT/SD to COM.

At start-up, to prevent uncontrolled inrush current, the switching frequency starts from a programmable maximum value and progressively decays until it reaches the steady-state value determined by the control loop. This frequency shift is nonlinear to minimize output voltage overshoot and its duration is programmable as well. Output voltage regulation is obtained by modulating the operating frequency. An externally programmable dead time is inserted between the turn-OFF of one switch and the turn-ON of the other one allows device zero-voltage turn-on transitions.

IRS2795 uses IR’s proprietary high-voltage technology to implement a VS sensing circuitry that monitors the current through the low-side half bridge MOSFET for short circuit faults. By using the RDSON of the low-side MOSFET, the IRS2795 eliminates the need for an additional current sensing resistor, filter and current-sensing pin. This protection feature is latched and the thresholds are fixed at 2V for IRS27951 and 3V for IRS27952.

Finally, the controller IC also features a micro power startup current (ICC<100μA) and a user initiated sleep mode during which the IC power consumption is less than 200μA (@ Vcc=15V). The sleep mode function allows system designs with reduced standby power consumption and can be used to meet stringent energy standards from Blue Angel, Energy Star etc.

Specifications

Manufacturer Infineon Technologies
Category AC/DC and DC/DC Conversion
Sub-Category AC/DC SMPS - Multi Output
Eval Board Part Number IRAUDPS3-ND
Eval Board Supplier Infineon Technologies
Eval Board Board not Stocked
AC Voltage 115 V
230 V
Universal (115 / 230V)
190 V
208 V
Outputs and Type 2 Non-Isolated
Voltage Out: Highest Current First ±30V
Current Out 2A per Channel
Output Power 120 W
Efficiency @ Conditions >90%, 110 VACin @ 60 ~ 120 W
No-load Input Power @ Voltage - Not Given
Features Current Limit (Adj. or Fixed)
Soft Start
Under Voltage Protection, Brown-Out
Switching Frequency 60 ~ 190 kHz
Internal Switch No
Component Count + Extras 88 + 9
Voltage In 88 ~ 132 VAC
176 ~ 264 VAC
Application / Target Market Audio: Hi Fi
Audio: Home Theater Systems
Computers
LCD TV / Monitor
Telecom
Design Author Infineon Technologies
Main I.C. Base Part IRS27952
Date Created By Author 2012-04
Date Added To Library 2014-10

Eval Board

Order a fully assembled board:

Quantity Available: 0

Quantity: