AD8428 仪表放大器
低噪声、低增益漂移、G = 2000 放大器
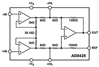
Analog Devices 的 AD8428 是一款超低噪声仪表放大器,用于精确测量微小的高速信号。 这款放大器具有卓越的增益精度、噪声和带宽性能。 AD8428 的所有增益设置电阻器均内置并做到精确匹配。 设计时充分考虑了芯片引脚分配和布局, 因此增益漂移非常低,并在器件上电后能够快速稳定至最终增益值。 AD8428 具有高 CMRR,可防止干扰信号破坏重要信号。 AD8428 的引脚分配从设计上消除了寄生电容不匹配现象,可避免高频时 CMRR 性能下降。
| 特性 | |
|
|
发布日期: 2012-06-29



