陶瓷电容选型,容易被忽视的温度因素
实际应用中,温度、电压、老化(放置时间)等都会对陶瓷电容的实际电容值产生影响。我们在选陶瓷电容时,该如何考虑这些隐藏因素对陶瓷电容的影响呢?本系列分成3部分,分别从温度、电压、老化三个方面来介绍。本文主要介绍温度因素对陶瓷电容的影响。
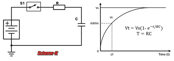
对一些精密的应用场景,需要用到精确稳定的陶瓷电容,比如与定时有关的RC电路。如下图公式,电容值的稳定性直接影响了时间常数T的稳定。
图1,RC电路
小贴士1:如何快速计算时间常数T
时间常数指的是电容器充放电时,达到约为新旧值之差的63.2%时所需的时间。
利用DigiKey电阻电容(RC)时间常数计算器,输入电容值与电阻值即可得到相应的时间常数以及电容器中存储的能量大小。
图2,DigiKey电阻电容 (RC) 时间常数计算器
温度对陶瓷电容的影响
实际应用中陶瓷电容电容值会随着温度的变化而变化。由于陶瓷电容的介电材料不同,温度对陶瓷电容的影响有很大的差异。
图3,不同介电材料的陶瓷电容的温度特性 (图片来源于KEMET)
上图显示了不同介电材料陶瓷电容的温度特性。横轴为温度,纵轴是不同温度下的电容值偏差(‘K’Magnitude)。比如Y5V陶瓷电容,在室温附近时,实际对应的电容值最高,同时也是数据手册上的标称电容值。当温度上升或者下降时,Y5V陶瓷电容对应的电容值下降的速度比X5R、C0G陶瓷电容下降更快。
陶瓷电容的温度系数分类
我们可以参考温度系数来掌握温度对陶瓷电容的影响。
对于Class-II/III,温度系数的每个字母都有对应的含义:
(上表根据EIA-RS-198标准分类,详细分类说明请见 理解陶瓷电容温度系数 - DigiKey技术论坛)
小贴士2: NP0与C0G的区别
NP0与C0G温度系数基本上漂移很少,误差在±30 ppm/K。不同点在于C0G基于EIA-RS-198标准分类。而NP0基于IEC/EN 60384-8/21标准分类。详细的分类请见“理解陶瓷电容温度系数 -DigiKey Tech Forum”
小贴士3:高温陶瓷电容
对于一些极端的高温应用场合,比如井下探设备。KEMET有专门应对高温应用设计的陶瓷电容。如:
值得注意的是,X7R能够保证−55/+125°C,ΔC/C0 = ±15%。对于KEMET X7R 175+°C,在125到175°C仍会有额外的电容值损失。对于C0G,在同样高温200°C的环境下,相对于X7R电容值损失更小。更多KEMET高温陶瓷电容信息请见“理解陶瓷电容温度系数 -KEMET”
总结
由于陶瓷电容的介电材料不同,温度对陶瓷电容的影响有很大的差异。可以参考温度系数来掌握温度对陶瓷电容的影响。
如需了解更多陶瓷电容选型相关的技术内容,请参考:
Have questions or comments? Continue the conversation on TechForum, Digi-Key's online community and technical resource.
Visit TechForum

