让RS-485接口远离EMI电磁干扰风险的实用方案
RS-485接口往往需要工作在恶劣的电磁环境下,还要求实现长距离数据传输(可以达到1200米)、高速(可以达到几十Mbps)。那么在设计方面需要注意一些什么呢?本文主要介绍RS-485的工作模式,以及RS-485可能面对的EMI电磁干扰以及对应的解决方案。
详解RS-485工作原理
- 以差分传输来应对共模干扰
当RS-485芯片接受到差分电压大于200mV时,RO脚输出低电平,而本身DI可以输出1.5V的差分电压。因此有足够的余量来支持长距离传输以及各种环境噪声的干扰。
图1,RS-485芯片工作原理
为了消除在通信电缆中的信号反射,一般使用双绞线来避免干扰。对于比较长的连接,一般的做法是在RS-485总线的开始和末端都并接终端电阻,因为大多数双绞线电缆特性阻抗大约在120Ω左右。
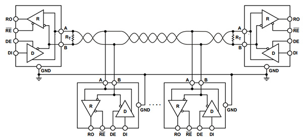
- RS-485的工作模式
以ADI的ADM3061EARZ为例,半工RS-485连接支持多个接收器和发射器在同一个信号回路上,但是要保证每次只有一个发射器工作。这个可以通过控制RE(收器使能)、DE(发射器使能引脚)来实现。半工RS-485可以双向数据传输,但是每一个时间节点上只能一个方向传输信号。
图2,RS-485收发器的工作模式
了解更多RS485收发器信息,请点击DigiKey RS485收发器
- RS-485如何连接
为了避免信号反射,在多个RS-485连接时,支路长度(Stub Length)越短越好。同时要避免其他类型的连接,比如星型连接。
注:理论上支路长度应该小于1/4波长(传输频率对应的波长),实际应用上越小越好。
图3,RS-485的正确连接
最大可以接多少个节点由RS-485接收器的输入阻抗来决定,标准RS-485接收器输入阻抗大于12K欧姆,最多可以驱动32个负载。输入电阻越大,驱动的负载越多。比如ADM3061EARZ输入阻抗48K欧姆,最多可以驱动128个负载。
图4,RS-485接收器的输入阻抗和负载数量
RS-485面临的EMC电磁干扰风险
对于RS-485的EMC电磁干扰需要考虑下面三种情况的静电防护:
- “静电”防护ESD:
干扰成因:静电引起的干扰
干扰路径:手指触碰
对应标准:IEC 61000-4-2
典型干扰波形:接触放电±8 kV ,ESD脉冲4mJ ,ESD波形(接触放电8kV)
图5,静电干扰典型干扰波形
- “电快速瞬变脉冲群” 防护EFT
干扰成因:快速开关引起的干扰,比如:切断感性负载、继电器触点弹跳等
干扰路径:高频噪声通过各种路径耦合到通信端口
对应标准:IEC 61000-4-4
典型干扰波形:端口电压2kV,单个EFT脉冲能量4mJ ,EFT 50Ω负载波形2kV
图6,电快速瞬变脉冲群典型干扰波形
- “浪涌”防护Surge
干扰成因:开关或雷电瞬变引起的干扰
干扰路径:各种路径耦合到通信端口
对应标准:IEC 61000-4-5
典型干扰波形:浪涌脉冲能量可以达到90J,浪涌1.2/50µs波形
图7,浪涌电压典型干扰波形
RS485的EMC电磁干扰解决方案
- TVS管保护
如何连接:TVS管连接需要保护的线路与地,提供过压保护。
如何工作:当产生大于TVS的击穿电压的瞬态电压时,TVS电阻变小,能量从TVS管流到地(<1 ns)。在瞬态事件后,TVS管自动复位至低阻抗状态,允许系统恢复正常工作
图8,TVS保护电路
TVS管非对称击穿电压:RS485芯片需要保障在+12V至–7V的收发器共模范围。因此对于TVS管的要求也是非对称击穿电压。比如CDSOT23-SM712独有特性是具有+13.3V和–7.5V的非对称击穿电压。
如果需要了解更多非对称TVS管信息,请点击DigiKey 非对称TVS管选择, 可以根据参数选型,选择「12V(最大), 7V(最小)」项,查找针对RS485设计的TVS管。
图9,选择针对RS485设计的TVS
TVS管对于EFT和ESD有着比较好保护。而浪涌的能量平均高出ESD和EFT三到四个数量级, 但是TVS管可能不一定能很好的瓦解浪涌的能量,这时则需要更复杂的保护方案。
- 瞬态闭锁单元(TBU)
如何连接:TBU串联在需要保护的线路中,提供过流保护,与TVS管配合使用。
如何工作:当发生过流,TVS由于瞬态电压工作在击穿状态,TBU阻值变大,电流将升至预设的限流水平。此时,TBU会在不足1µs时间内将受保护电路与浪涌断开,只有极小的电流通过受保护电路 (<1mA)。在瞬态事件后,TBU自动复位至低阻抗状态,允许系统恢复正常工作。典型的TBU,比如Bourns的TBU-CA065-200-WH。
图10,TBU保护电路
- 浪涌抑制专用芯片
一个器件提供的保护往往有限,所以对于高要求的应用,往往需要多种器件联合使用。
你可以访问DigiKey浪涌抑制IC,选择相关的器件。DigiKey网站提供丰富的参数选项供选择,下图中「外部开关」指的是器件外部需要另加开关(比如MOS管),而该芯片一般是起到控制作用。而「内部开关」指的是保护电路的开关在芯片的内部。
图11, 浪涌抑制专用芯片选型参数
本文小结
尽管已使用多年,RS-485凭借良好的共模噪声的抗干扰的能力,适于长距离信号传输,仍广泛应用于工业环境。
更多有关RS-485设计的技术资料如下:
Have questions or comments? Continue the conversation on TechForum, Digi-Key's online community and technical resource.
Visit TechForum




