用无线方式控制 LED 线性调光驱动器
投稿人:DigiKey
2013-10-17
虽然需要初期投资,但更低的能耗、维护成本以及灵活的设计证明固态照明 (SSL) 是传统照明技术的一种可行替代技术。 而且,通过如占位传感器和环境光传感器、外部调光控制器等各种有效的智能方法来消除多余光照,能够进一步提升节能效果。 既然有大量的 LED 恒流驱动器需要 0-10 V DC 输入进行调光,那么我们重点讨论一下借助无线接口使用这些驱动器。
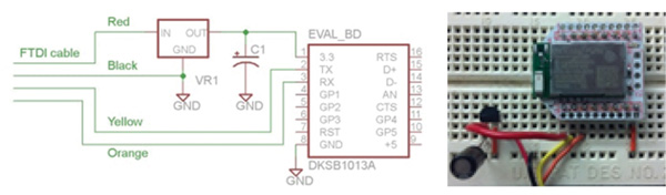
我们的总体构想是相对明确的。 首先传输包含所需控制电压的数据流,并由一个经配置后用作微处理器的 RS-232 透明接口的模块接收该数据流。 然后,微控制器解析该数据流并将相应的值加载到数模转换器的数据寄存器,产生所需的控制电压。
由于如笔记本电脑、平板电脑和手机等设备已被大量使用,因此选择蓝牙连接规范来传输控制电压数据流。 在接收侧,因在原型开发过程中的多功能性和易用性优势,我们选择了 Panasonic PAN1555 的 876-1005-ND 评估板。
按照 3.3 V 工作电压和一个 USART、一个可编程内部振荡器、足够但不太多的 I/O 的要求选择微控制器。 考虑到将来需要采用 PWM 控制和存储非易失性数据,于是又增加了 PWM 和 EEPROM 功能要求。 鉴于此,最终决定采用 PIC12F1822-I/P-ND 。
DAC 的选择依据是单电源、输出电压至少为 10 V、一个串行接口、12 位分辨率和一个外部基准输入。 LTC1257IN8#PBF-ND 证明是一款值得考虑的候选器件。
为使 DAC 能产生必需的输出范围,需要一个 10 V 电压基准。 之所以选择 LM4040CIZ-10.0/NOPB-ND ,是因为其 ±0.5% 容差、TO-92 封装和 15mA 电流输出能力。
为该电路选择电源时考虑了多个条件。 首先,电源电压应足够高,可使 DAC 产生 10 V 输出。 根据 LTC1257 的技术规格,VCC 需要比基准电压 (10 V) 高 2.7 V,因此选择 15 V 电源是合适的。 按照具有最小基底面、输出电流至少 200 mA 以及封闭型板安装电源的要求,决定选用 RECOM Power 945-1068-ND 电源模块。
尽管 DAC 由该 15 V 电源直接供电,但 Bluetooth 模块需要 3.3 V 电源,该电源还向微控制器供电。 利用线性稳压器将电压从 15 V 降至 3.3 V 毫无效率可言,因此选择具有小基底面、最高输入 28 V、最大输出 500 mA 的 945-1648-5-ND 开关稳压器。
为简化诸如有源冷却等外部器件的电源,确定由 945-1648-5-ND 提供 5 V 电源,还因为该器件拥有最高 28 V 输入和最大 500 mA 的输出能力。 考虑到这个 5 V 电源,我们选择 296-6549-5-ND“电源轨分离器”提供等于所选 DAC 输出一半的电压以保持一致,并允许以线性方式控制采用 5 V 电源的设备。 采用零件编号为 277-1274-ND 的端子块连接 5 V 电源和“电源轨分离器”电压。
编号为 277-1247-ND 的端子块间距为 0.200”,可连接 14-30 AWG 导线并能承受高达 10 A 的电流,因此选用来连接 AC 电源和恒流 LED 驱动器的连接导线。
采用上述零件和辅助元件的完整原理图如图 1 所示。
如上所述,需要对 PAN1555 蓝牙评估板进行专门配置,使其作为微控制器的透明 RS-232 接口;需要对微控制器进行编程,使其能够接收控制电压数据流并相应地加载 DAC 寄存器。 此外,还需要找到向蓝牙模块传输控制电压的方法。
评估板上 Panasonic PAN1555 蓝牙模块的工厂默认设定需要重新配置,以适应这一特定应用。 可使用通过硬线连接式 RS-232 接口发送的 AT 命令解决这一问题。 使用如 TTL-232R-3V3-WE 等“智能 USB 电缆可简化该任务。 使用这种电缆时需要着重考虑两点。 第一,为使电缆中的 FT232R 成为一个虚拟 COM 端口,必须从 FTDI 下载 免费 USB 驱动程序 。 第二,尽管该电缆上的 TTL 电平为 3.3 V,但电缆 VCC 电源电压为 USB 端口电压 5 V。为了在配置期间向评估板供电,电源电压必须经过稳压,降至 3.3 V。组合使用诸如 L4931CZ33-AP 3.3 V 稳压器、 EEA-GA1H2R2 2.2 μF 电容器等几个元件的就能轻松满足稳压要求,如图 2 所示。

点击 蓝牙模块配置 登录 eewiki.com,获取有关该蓝牙模块全面详细的分步说明。
在深入研究如何对微控制器进行编程,使其能够接收、解析电压数据流前,首先需要确定待传输数据流的格式。 本例中,我们决定采用以前在 DigiKey 气象站 采用的格式。 这种格式依次由一个传输类型字符字节、一个类型标示符字节和三个数据字节组成。 具体来讲,字符字节“D”表示数据,标示符字节默认值为 1,因为仅需传输一个百分数,三个数据字节分别由所需 D/A 电压的百位数、十位数和个位数组成。 例如,75% 的传输格式为“D1075”。
确定了百分比数据的发送格式后,就可对微控制器编程,处理数据流。 编程过程包括设置配置字(位)、定义变量和具体的寄存器位、设置 I/O 配置、UART 初始化。 点击 汇编源代码和十六进制文件 访问 eewiki.com,获取简单实用的汇编源代码,用于接收数据流并使用位拆裂法加载 DAC。
需要指出的是,为该应用编写的程序仅限于采用 0% 到 100% 且增量为 10% 百分数解析、加载 DAC。
采用如笔记本电脑、手机等极常见的设备传输控制电压数据流是一个相对简单的任务。 为这些设备寻址时,只需找到一个合适的串行端口规范应用 (app.) 即可。 如果是采用 Android 操作系统的设备,Google Play 上的 Bluetooth SSP 应用便是一个极好的选择。 一旦手机与 PAN1555 蓝牙模块完成配对、连接,终端用户就可选择“键盘模式”,然后在该模式下标记、配置 12 个按键,发送具体的数据流,如“D1050”(50%)。 下图所示为按键经过标记、配置的手机屏幕。

图 3:蓝牙 SSP 示例。
根据上文,传输控制电压数据流的第二种方法是利用具有蓝牙功能的笔记本电脑,此时可通过微软的 Visual Studio Express™ 的执行这一任务。 首先,使 PAN1555 蓝牙模块与笔记本配对。请记下在笔记本电脑上为“在蓝牙链路上进行标准串行传输”创建的 COM 端口编号。 通过创建一个 Visual Basic TM Windows Forms 应用来构建无线控制界面,如下所示。该界面使用了一个串行端口并包括按钮和资源图像,用于启动控制电压数据流传输。

图 4:Visual basic 界面示例。
点击 Visual Basic 接口示例 登录 eewiki.com 网站,获取完整的 Visual Basic 项目。
毫不夸张的讲,无线数据流传输接口和接收器电路可以连接任何要求采用 0-10 V DC 输入进行调光控制的 LED 驱动器。
LXMG221W-0700034-D0-ND 便是一款合适的驱动器。 该器件拥有紧凑小巧的外形、通用输入电压范围 (90-277 VAC)、700 mA 恒流输出、宽输出电压范围 (14-48 VDC) 以及 1-10 V 的输入控制范围,因此是绝佳选择。 最大亮点是其低功耗模式,该器件在该模式下会在控制电压低于 0.6 V(最大)时熄灭 LED。
为了制作一个能用于检验无线控制功能的完整仿真灯具,还需要满足最后的设计要求:一个 LED、一种热界面材料、一个散热器、光学器件和互连器件。
鉴于个人喜好在中等测试电流条件下光通量超过 1000 流明的冷白光 LED 阵列 (5000K)、 接近驱动器输出电压上限的正向电压,于是选择了 CXA2011-0000-000P00J050H-ND。
此外,还需要一种导热性能优异的热界面材料并考虑到 LED 阵列的实际尺寸 (22mm2),决定使用 1168-2063-ND。
LED 在 700 mA 时的正向电压约 43.8 V,因此需要配备一个至少能满足 31 W 散热要求的散热器。 散热器的选择条件是易于装配、有源冷却、圆形,因此决定采用 1061-1088-ND 40 W 通用散热器。 为简化散热器的有源冷却,选择了 1061-1006-ND SynJet 模块、1061-1050-ND 连接线束。
采用 WM4788-ND LED 底座满足最后两个设计条件 - 光学器件和互连器件。 从互连器件角度看,底座不仅不需要焊接到 LED 阵列上,还能直接可靠地固定到散热器的 4-40 孔结构上。 虽然透镜盖没必要达到真正的光学器件标准,但也应在某种程度上能够进行色散、保护 LED 阵列。

图 5: 完整的无线解决方案。 (照明零件清单)。
尽管该无线接口和接收器电路的总目标是控制给定灯具的调光效果,但也可作为测试平台,用于评估由 LED、热界面材料、散热器和具有不同驱动电流的 LED 驱动器构成的不同器件组合,以确保获得最佳性能。
免责声明:各个作者和/或论坛参与者在本网站发表的观点、看法和意见不代表 DigiKey 的观点、看法和意见,也不代表 DigiKey 官方政策。






