PIC18Fxx20 Datasheet by Microchip Technology
Q
‘MICROCHIP





0&E
was











When OSCSEN Conhguvation bu : o and T1 OSCEN m is set
When OSCSEN and TWOSCEN are m olher slales
‘\\\]\\\\









TIME-0

f
f





)J
rr
)J
a
))











Program Memo
(TBLPTR)









1%







flfl

When \PEN RCON<7> : 0
When \PEN RCON<7> : 1
When \PEN RCON<7> : 0
When \PEN RCON<7> : 1
7>7>7>7>

Cagture mode.
Comgare mode.
PWM mode.
Cagture mode.
Cumgare mode.
FWM mode.
Capture mode.
Cumgare mode.
FWM mode.










WW 9
4&7
RD LATE
:L: L4; fi
RD FORTE
WW;
x
/\
HD Tms
HD Pun
H44
7 3
)7” %
>
RD LATE
fl
fi
fi
j
RD FORTE
#3

:
PORTC/Perwpheral om Select
RD LATC
F
X
_jji
L
g
F

:Di
HD LATD 1
Data Bus
W iv
a D N
HD TR‘SD :1‘ /‘
/\ \1
_L @
RD LATD
Data Bus
RD PORTD >
/\
J
fl
F
RD TFHSD
Instruction Read


Perlphera‘ om Select
WR TRISE
x
—3‘jj
RD TRISE
fl
RD LATE
Data Bus
RD FORTE >
fl
A
fl
H
RD TRISE

«M
RD LATF
RD TRISF
$7
w
Bus
W;
R
fl
fl
/\
RD PDHTF >

PORTGJPenpheral Out Se‘ed
RD LATG
X
N
F
n
fl] %
E
T

: i3
1 E
7% x
7%; $7
74$
JD;
7 R X
RD TRISH
/\
J
fl
7%;
/\
A
/\
RD FORTH D
/\
J

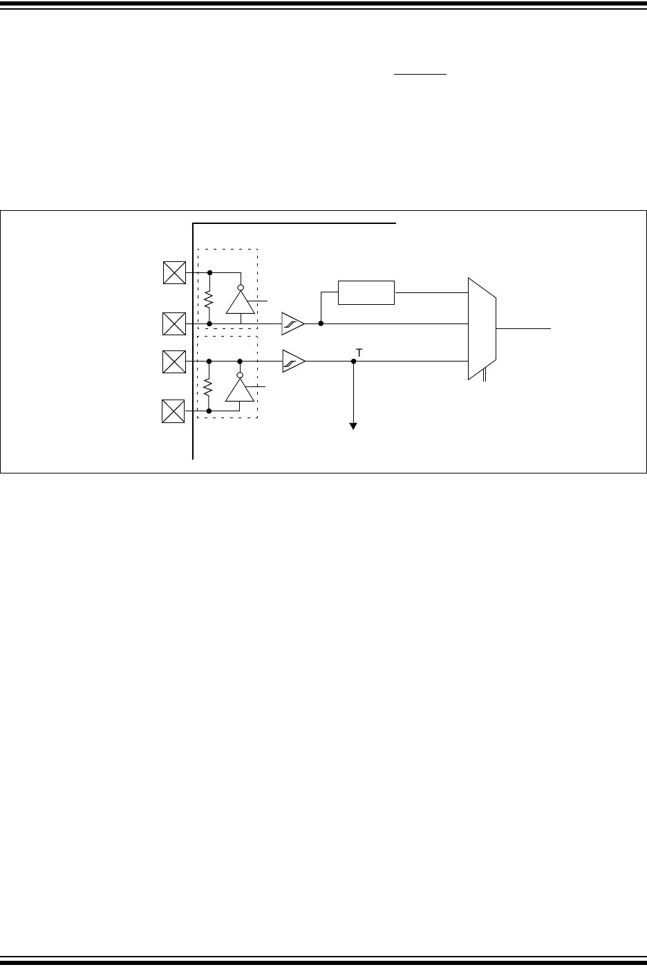
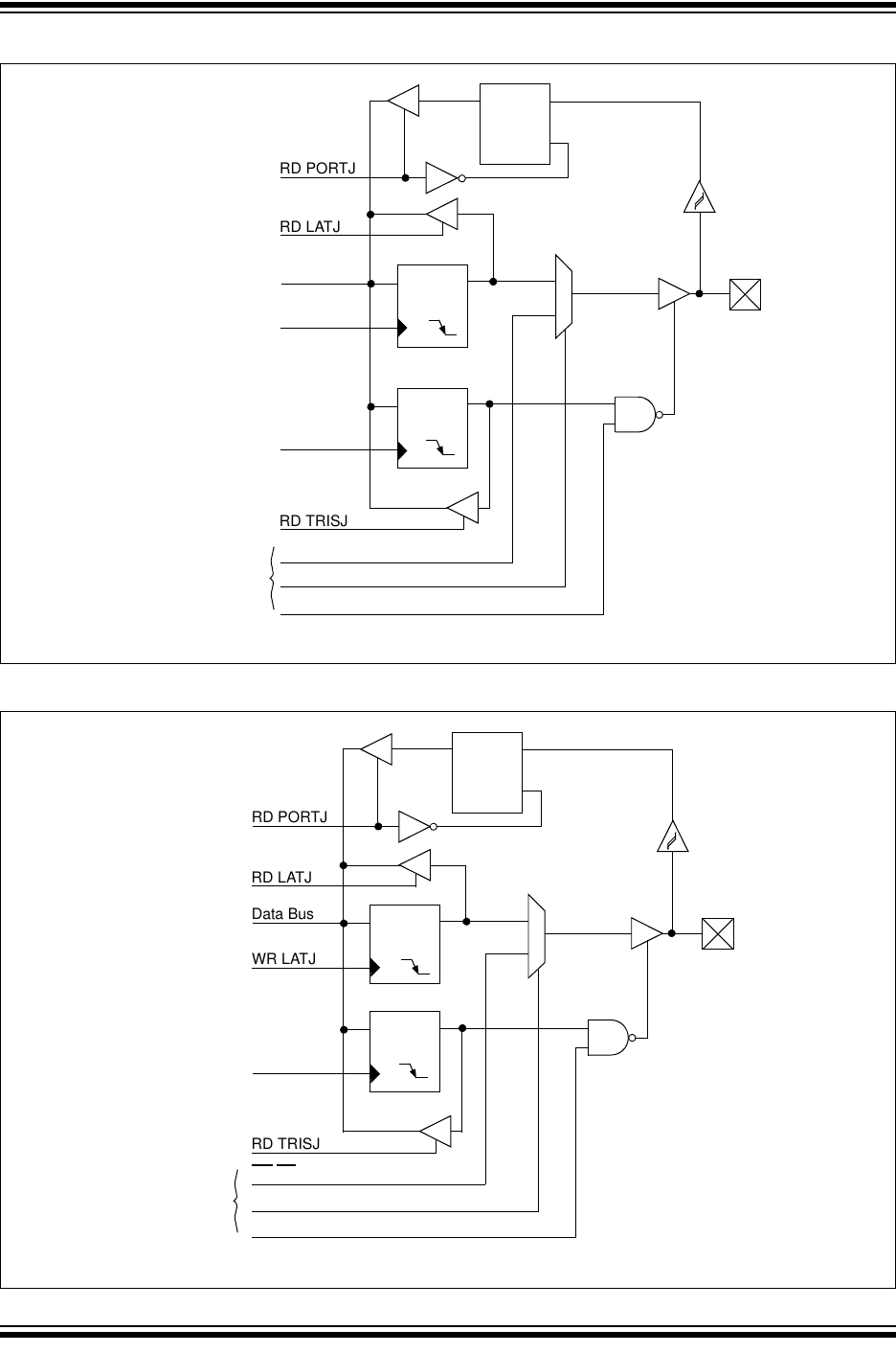
RD TRISJ
:7
RD PORTJ
RD LATJ
RD TRISJ
\
fit:
.7 ‘
fl
[A
RD PORTJ
RD LATJ
Data Bus
WR LATJ
RD TRISJ
W 59:2:
[A

|||||||||||||
|||||||||||||




When TMRTCS : 1.
When TMRTCS : El.
o 0% w% 0




+
When TMRSCS : 1.
When TMRSCS : El.


Caglure mode.
Comgave mode.
FWM mode.
For CCP1 and CCP2.
For all other modules.
4%:


VA
(IMRZ 0mm)
{L
SP‘ Maslev mode.
SP‘ save mode.
SFI save mode.

59
S,
(
)5
r
)5


\n Maslev or Save mode.
\n Maslev or Save mode.
\n Maslev mode.
\n S‘ave mode.
\n S‘ave mode.
\n Maslev mode.
\n Transmil mode.
\n Maslev Tiansmxl mode.
\n S‘ave Transmil mode.
\n Recexve mode Master or Slave modes
\n Recexve mode.
\n Transmit mode.
\n S‘ave mode.
\n Maslev mode.
\n Master mode.
\n Slave mode.


H H
HHHHHHW


J


JP


Asynchronous mode.
Synchronous mode.
Asynchronous mode.
Synchronous mode.
Asynchronous mode
Synchronous mode — Master.
Synchronous mode — Slave.
Asynchronous mode.
Synchronous mode.
Asynchronous mode 9-bit RXQ : 1 .
uldlsd B d Dsaued Baud R :



))
SH
><:§§—>< rr="" j)="">
sun
Wfl moflflmm Sé‘n‘p rm Ggfium‘
* I D J, H 3’. 1
1T , T 1
j 2 5 , f m}
, ‘ : r : / i
T
J
J J )4
J J 2
HH‘HHHHFWHP‘ H":P‘PWWWHE‘FH‘HWPP
mm W ><:;g:>< m7="" ‘="" 5q="">
HM\mmwwmymmmwHmowmmowy


When ADON : 1.


77777
77777




When CZINV : 0.
When CZINV : 1.
When C1|NV : 0.
When C1|NV : 1.
When CM2.CMO : 110.



IV CVRR : 1:
IV CVRR : O:
When CVRR : 1.
When CVRR : u.
VREF

\\\\\\\\\\\\\\\\\







In Microcontroller mode.
In Microprocessor Microprocessor with Boot Block and Extended Microcomroller modes
FIC18F8X20 devices only .

For PIC18FX520 devxces.
For P|C18FX620 and P|C18FX720 devxces.
For PIC18FX520 devxces.
For P|C18FX620 and P|C18FX720 devxces.
For PIC18FX520 devxces.
For P|C18FX620 and P|C18FX720 devxces.
For PIC18FX520 devxces.
For P|C18FX620 and P|C18FX720 devxces.
For PIC18FX520 devices.
For P|C18FX620 and P|C18FX720 devices.
For PIC18FX520 devxces.
For P|C18FX620 and P|C18FX720 devxces.
For PIC18FX520 devxces.
For P|C18FX620 and P|C18FX720 devxces.
For PIC18FX520 devxces.
For P|C18FX620 and P|C18FX720 devxces.
For PIC18FX520 devxces.
For P|C18FX620 and P|C18FX720 devxces.
For PIC18FX520 devices.
For P|C18FX620 and P|C18FX720 devices.
For PIC18FX520 devxces.
For P|C18FX620 and P|C18FX720 devxces.
For PIC18FX520 devxces.
For P|C18FX620 and P|C18FX720 devxces.
For PIC18FX520 devxces.
For P|C18FX620 and P|C18FX720 devxces.
For PIC18FX520 devxces.
For P|C18FX620 and P|C18FX720 devxces.
For PIC18FX520 devices.
For P|C18FX620 and P|C18FX720 devices.


\NSTRUCT‘ON FLOW
X
r‘
1‘
H:










Examg‘e
Examg‘e
Examg‘e
Examg‘e
Examg‘e
Examg‘e
Examg‘e
Examg‘e
Examg‘e Examg‘e
Examg‘e Examg‘e
Exam ‘e Examg‘e
Examg‘e Examg‘e
Examg‘e
Examg‘e
Examg‘e
Examg‘e
was
Examg‘e
Examg‘e
Examg‘e
Examg‘e
Examg‘e
Examg‘e
Examgm
Examg‘e 2
Examg‘e Examg‘e
Examg‘e Examg‘e
Examg‘e Examg‘e
Examg‘e
Examg‘e
Examg‘e
Examg‘e
Examg‘e
Examg‘e
Examg‘e
Examg‘e
Examg‘e
Examg‘e
Examg‘e
Examg‘e
Examg‘e
Examg‘e
Examg‘e
Examg‘e
Examg‘e
Examg‘e
Examg‘e
Examg‘e
Examg‘e
Examg‘e
Examg‘e
Examg‘e 1
Examg‘e 2
Examg‘e
: Examg‘e 1
Examg‘e 2
Examg‘e 3
Examg‘e 1.
E \ 1
Examg‘e 2 w
Examg‘e 3
Examg‘e 2
Examg‘e 3
Examg‘e1 Exam ‘9
Examg\92
Examg‘e 3.
Examg‘e 1
Examg‘e 2
Examg‘e 1
Examg‘e 2
Examg‘e
Examg‘e
Examg‘e















Load condxlion 1 Load condihon 2

“A “““““““ ‘
‘
w
w
‘ w
1 MW:
WM
\
w
w
w
;
w
w
w
x
w
‘
‘
\
\
\
\
-
t
m
N
20202
4
0
o
9'
to!
,.
%
m
m
h
))
o
4
+
v
m
a

%L:[fl g:
; k 7 7“? 7777777 3:
Di: 3* *L
1 i u .7 4‘ % k
I ‘« 1014»:
k a, k +

SYNC XM‘T MASTER & SLAVE
SYNC RCV MASTER & SLAVE







.,
_ _


30v
‘(\
\\
/


UUUUUUUUUUUUUUUU
UUUUUUUUUUUU
UUUUUUUUUUUUUUUU
UUUUUUUUUUUUUUUUUUUU
NNN
\
HHHHHHHHHHHHHHHH
H“ W?
HHHHHHHHHH
UUUUUUUUUUUUUUUU
E
64-Lead Plastic Thm Quad Flatpack (PT) 10x10x1 mm Body, 2.00 mm Fomprint [TQFP]
Notes:
.£ HHHHUUHHHHUHHHH[%;< ‘="" e="" s‘lkscreen="" e="" y‘="" hhhhhhhhhhhhhhhpe,="" '="" jlm="" ale="" recommended="" land="" pattern="" units="" milumeters="" dimension="" lells="" min="" \="" nom="" |="" max="" cumac:="" pm="" e="" o="" 50="" bsc="" contact="" fad="" spacmg="" c1="" 11="" 40="" suntan="" pad="" spacmg="" 02="" m="" 40="" contact="" pad="" width="" (x64)="" x1="" 0.30="" contam="" pad="" length="" (xea)="" v1="" 1="" so="" distance="" between="" fads="" g="" o="" 20="" 1="" dwmenswomng="" and="" lulerancmg="" perasme="" v14="" 5m="" bsc="" easic="" dxmenswon="" theoremcauy="" exact="" value="" shown="" wulhouumerances.="" microchip="" tecnnmogy="" drawmg="" no="" cdavzoese="">
HHHHHHHHHHHHHHHHHHHH
UUUUUUUUUUUUUUUUUUUU
80-Lead Plastic Thin Quad Flatpack (PT)-12x12x1mm Body, 2.00 mm Footprint [TQFP]
C1
0
DH
:| C2
i mung:
’ JHLHEH WJHLE
RECOMM ENDED LAND PA'I'I'ERN
um M‘LLIMETERS
Dimenswon meus MIN | NOM | MAX
Cantacl PHCh E 0 50 ESC
Contact Pad Spacmg C1 13 A0
Comad Fad Spacmg 02 13 40
Contad Pad Widlh (x20) x1 0.30
canted Pad Lengm (an) w 1.50
Dwstance BeMeen Pads :3 0.20
No|es.
1 Dimensiomng and lo‘erancmg per ASME v14 5M
BSC' Easlc Dlmsnslon Theorenca‘ly exact Va‘ue shown wllhout to‘erances
Microchip Technology Drawmg No. 004720923

















X
x
X
XT
PART NO.

YSTEM
<2>2>
6‘
‘MICRDCHIP

