CS42L92-CWZR Datasheet by Cirrus Logic Inc.

__- __ __ __ __ CIRRUS LOGIC” CS42L92 12 o :CIRRUS LOGIC mtg/Mww. Ell/US. cum
Copyright Cirrus Logic, Inc. 2017
(All Rights Reserved)
http://www.cirrus.com
DS1162F1
NOV '17
32-Bit 384-kHz Hi-Fi Audio Codec
Features
Integrated multichannel 32-bit hi-fi audio hub codec
99-dB signal-to-noise ratio (SNR) mic input (48 kHz)
127-dB SNR headphone playback (48 kHz)
–100-dB total harmonic distortion + noise (THD+N)
Ultrasonic input- and output-path support
Up to eight analog or digital microphone (DMIC) inputs
Multipurpose headphone/earpiece/line output drivers
Support for balanced headphone output loads
33 mW into 32- load at 0.1% THD+N
Hi-fi filters for audiophile-quality playback
Native audio playback up to 384 kHz sample rate,
concurrent with voice and ultrasonic input signal paths
Digital pulse-density modulation (PDM) output interface
Multichannel asynchronous sample-rate conversion
Multiline SLIMbus® audio and control interface
Three multichannel digital-audio interfaces
Standard data formats up to 384 kHz, 32 bits
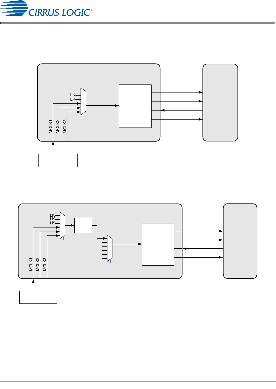
Flexible clocking, derived from MCLKn, AIFn, or SLIMbus
Low-power frequency-locked loops (FLLs) support
reference clocks down to 32 kHz.
Advanced accessory detection functions
Configurable functions on up to 16 general-purpose
input/output (GPIO) pins
Integrated regulators and charge pumps
Small W-CSP package, 0.4-mm staggered ball array
Applications
Smartphones, tablets, and multimedia handsets
Digital Mixing Core
Programmable DSP
Five-band equalizer (EQ)
Dynamic range control (DRC)
Low-pass/high-pass filter (LHPF)
Asynchronous sample -rate conversion
Automatic sample -rate detection
Data format conversion
Ultrasonic demodulator
PWM signal generator
Haptic control signal generator
HPOUTnL
HPOUTnR
DAC
DAC
Charge Pumps
CP1C1A
CP1C1B
CP1VOUT1P
CP1VOUT1N
CPVDD2
CPGND
DBVDD
DCVDD
FLLGND
CP1C2A
CP1C2B
CP1VOUT2P
CP1VOUT2N
SUBGND
AEC (Echo Cancelation)
Loop-Back
CP2CA
CP2CB
FLLVDD
CPVDD1
SPKCLK
SPKDAT
DGND
SLIMbus
Interface
SLIMDAT2
Control Interface (SPI/I
2
C)
Digital Audio Interfaces
AIF1, AIF2, AIF3
AIF1TXDAT
AIF1RXDAT
AIF1BCLK
AIF1LRCLK
AIF2TXDAT
AIF2RXDAT
AIF2BCLK
AIF2LRCLK
AIF3TXDAT
AIF3RXDAT
AIF3BCLK
AIF3LRCLK
CIFMOSI/SDA
CIFSS
CIFMODE
CIFSCLK
CIFMISO
PDM
Driver
x4
LDO and
MICBIAS
Generators
MICBIAS1A
MICBIAS1B
MICBIAS1C
MICBIAS1D
MICVDD
CP2VOUT
RESET
IRQ
AIFnBCLK
AIFnLRCLK
MCLK3
MCLK2
Clocking
Control
SLIMCLK
Input Select
4 x ADC
4 x Stereo
Digital Mic
Interface
IN1ALN/DMICCLK1, IN1BLN
IN1ALP/DMICDAT1, IN1BLP
IN1ARN/DMICCLK3
IN1ARP/DMICDAT3, IN1BR
IN2ALN/DMICCLK2
IN2ALP/DMICDAT2, IN2BL
IN2ARN/DMICCLK4
IN2ARP/DMICDAT4, IN2BR
MICBIAS2A
MICBIAS2B
SLIMCLK
SLIMDAT1
Reference
Generator
VREFC
AVDD
AGND
GPIO
GPIO1
GPIO2
GPSW1P
GPSW1N
GPSW2P
GPSW2N
MCLK1
SYSCLK
ASYNCCLK
Accessory
Detect
JACKDET2
JACKDET3
HPDET1
HPDET2
MICDET1/HPOUTFB1
MICDET2/HPOUTFB2
MICDET3/HPOUTFB3
MICDET4/HPOUTFB4
MICDET5/HPOUTFB5
JACKDET1
CS42L92
CS42L92
__- __— __— _— _— CIRRUS LOGIC"
2DS1162F1
CS42L92
Description
The CS42L92 is a highly integrated low-power audio system for smartphones, tablets, and other portable audio devices.
Multiple input/output paths are supported by a fully flexible all-digital mixing and routing engine, incorporating sample rate
converters and other signal-processing functions for wide use-case flexibility. The integrated DSP provides a
general-purpose signal processing capability; this is supported by general-purpose timer and event-logger functions.
The digital audio interfaces and hi-fi DACs enable 32-bit playback through the entire signal chain. Native audio playback
at sample rates up to 384 kHz is possible, concurrent with voice and ultrasonic input paths.
The CS42L92 supports up to eight analog inputs and up to eight PDM digital inputs. Low-power input modes are available
for always-on (e.g., voice-trigger) functionality using either analog or digital input. A smart accessory interface, with
multipurpose impedance sensing and measurement capability, supports detection of external headsets and push buttons.
Dual headphone connections (e.g., 3.5-mm and USB-C™) can be detected simultaneously.
Four hi-fi quality stereo headphone drivers are provided, each supporting stereo ground-referenced or mono bridge-tied
load (BTL) configurations. Multiple headphone/earpiece outputs can be supported, including balanced stereo headphone
configurations. The output drivers offer noise levels as low as 0.63 VRMS into line or headphone loads. Selectable hi-fi
filters support playback modes at sample rates up to 384 kHz.
Two channels of PDM output (one stereo interface) are available, and also an IEC-60958-3–compatible S/PDIF
transmitter. A signal generator for controlling haptics devices is included; vibe actuators can connect directly to the PDM
output interface. All inputs, outputs, and system interfaces can function concurrently.
A SLIMbus interface supports multichannel audio paths and host control register access. Three further digital audio
interfaces are provided, each supporting a wide range of standard audio sample rates and serial interface formats.
Automatic sample-rate detection enables seamless wideband/narrowband voice-call handover. Two FLLs are integrated,
providing support for a wide range of system-clock frequencies.
The CS42L92 is configured using the SLIMbus, SPI™, or IC interfaces. The device is powered from 1.8- and 1.2-V
supplies. The power, clocking, and output driver architectures are designed to maximize battery life in voice, music, and
standby modes. Low-power (10 A) Sleep Mode is supported, with configurable wake-up events.
__- __— __— _— _— CIRRUS LOGIC"
3DS1162F1
CS42L92
Table of Contents
1 Pin Descriptions . . . . . . . . . . . . . . . . . . . . . . . . . . . . . . . . . . . . . . 4
1.1 WLCSP Pinout . . . . . . . . . . . . . . . . . . . . . . . . . . . . . . . . . . . . 4
1.2 Pin Descriptions . . . . . . . . . . . . . . . . . . . . . . . . . . . . . . . . . . . 5
2 Typical Connection Diagram . . . . . . . . . . . . . . . . . . . . . . . . . . . 9
3 Characteristics and Specifications . . . . . . . . . . . . . . . . . . . . . 10
Table 3-1. Parameter Definitions . . . . . . . . . . . . . . . . . . . . . . . . . . . . . . . . . . . . . . . . . . 10
Table 3-2. Absolute Maximum Ratings . . . . . . . . . . . . . . . . . . . . . . . . . . . . . . . . . . . . . 10
Table 3-3. Recommended Operating Conditions . . . . . . . . . . . . . . . . . . . . . . . . . . . . . . 11
Table 3-4. Analog Input Signal Level—IN1xx, IN2xx . . . . . . . . . . . . . . . . . . . . . . . . . . . 11
Table 3-5. Analog Input Pin Characteristics . . . . . . . . . . . . . . . . . . . . . . . . . . . . . . . . . . 11
Table 3-6. Analog Input Gain—Programmable Gain Amplifiers (PGAs) . . . . . . . . . . . . 11
Table 3-7. Digital Input Signal Level—DMICDATn . . . . . . . . . . . . . . . . . . . . . . . . . . . . 12
Table 3-8. Output Characteristics . . . . . . . . . . . . . . . . . . . . . . . . . . . . . . . . . . . . . . . . . 12
Table 3-9. Input/Output Path Characteristics . . . . . . . . . . . . . . . . . . . . . . . . . . . . . . . . . 12
Table 3-10. Digital Input/Output . . . . . . . . . . . . . . . . . . . . . . . . . . . . . . . . . . . . . . . . . . . 15
Table 3-11. Miscellaneous Characteristics . . . . . . . . . . . . . . . . . . . . . . . . . . . . . . . . . . 16
Table 3-12. Device Reset Thresholds . . . . . . . . . . . . . . . . . . . . . . . . . . . . . . . . . . . . . . 17
Table 3-13. System Clock and Frequency-Locked Loop (FLL) . . . . . . . . . . . . . . . . . . . 17
Table 3-14. Digital Microphone (DMIC) Interface Timing . . . . . . . . . . . . . . . . . . . . . . . . 18
Table 3-15. Digital Speaker (PDM) Interface Timing . . . . . . . . . . . . . . . . . . . . . . . . . . . 19
Table 3-16. Digital Audio Interface—Master Mode . . . . . . . . . . . . . . . . . . . . . . . . . . . . 20
Table 3-17. Digital Audio Interface—Slave Mode . . . . . . . . . . . . . . . . . . . . . . . . . . . . . 21
Table 3-18. Digital Audio Interface Timing—TDM Mode . . . . . . . . . . . . . . . . . . . . . . . . 21
Table 3-19. Control Interface Timing—Two-Wire (I
2
C) Mode . . . . . . . . . . . . . . . . . . . . 22
Table 3-20. Control Interface Timing—Four-Wire (SPI) Mode . . . . . . . . . . . . . . . . . . . . 23
Table 3-21. SLIMbus Interface Timing . . . . . . . . . . . . . . . . . . . . . . . . . . . . . . . . . . . . . . 24
Table 3-22. JTAG Interface Timing . . . . . . . . . . . . . . . . . . . . . . . . . . . . . . . . . . . . . . . . 25
Table 3-23. Typical Power Consumption . . . . . . . . . . . . . . . . . . . . . . . . . . . . . . . . . . . . 26
Table 3-24. Typical Signal Latency . . . . . . . . . . . . . . . . . . . . . . . . . . . . . . . . . . . . . . . . 26
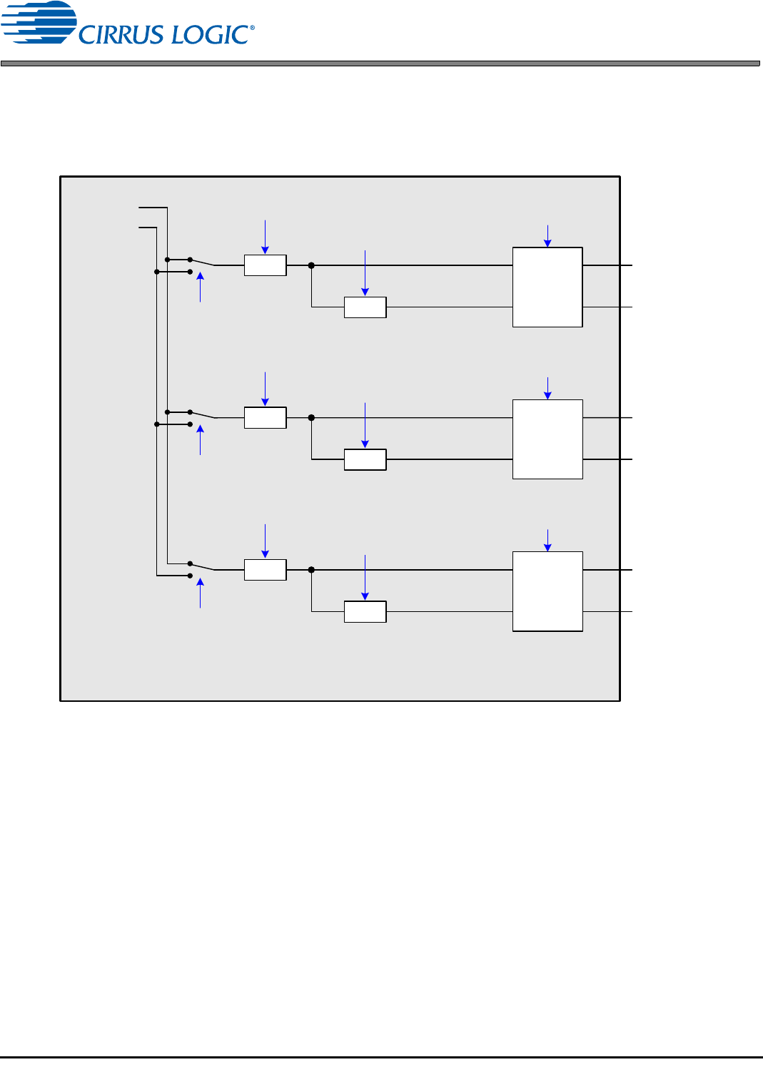
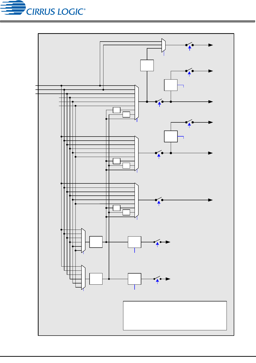
4 Functional Description . . . . . . . . . . . . . . . . . . . . . . . . . . . . . . . 27
4.1 Overview . . . . . . . . . . . . . . . . . . . . . . . . . . . . . . . . . . . . . . . 27
4.2 Input Signal Path . . . . . . . . . . . . . . . . . . . . . . . . . . . . . . . . . 30
4.3 Digital Core . . . . . . . . . . . . . . . . . . . . . . . . . . . . . . . . . . . . . . 49
4.4 DSP Firmware Control . . . . . . . . . . . . . . . . . . . . . . . . . . . . . 94
4.5 DSP Peripheral Control . . . . . . . . . . . . . . . . . . . . . . . . . . . 106
4.6 Digital Audio Interface . . . . . . . . . . . . . . . . . . . . . . . . . . . . 123
4.7 Digital Audio Interface Control . . . . . . . . . . . . . . . . . . . . . . 130
4.8 SLIMbus Interface . . . . . . . . . . . . . . . . . . . . . . . . . . . . . . . 140
4.9 SLIMbus Control Sequences . . . . . . . . . . . . . . . . . . . . . . . 142
4.10 SLIMbus Interface Control . . . . . . . . . . . . . . . . . . . . . . . . 144
4.11 Output Signal Path . . . . . . . . . . . . . . . . . . . . . . . . . . . . . . 152
4.12 External Accessory Detection . . . . . . . . . . . . . . . . . . . . . 169
4.13 Low Power Sleep Configuration . . . . . . . . . . . . . . . . . . . . 189
4.14 General-Purpose I/O . . . . . . . . . . . . . . . . . . . . . . . . . . . . 190
4.15 Interrupts . . . . . . . . . . . . . . . . . . . . . . . . . . . . . . . . . . . . . 200
4.16 Clocking and Sample Rates . . . . . . . . . . . . . . . . . . . . . . . 219
4.17 Control Interface . . . . . . . . . . . . . . . . . . . . . . . . . . . . . . . . 244
4.18 Control-Write Sequencer . . . . . . . . . . . . . . . . . . . . . . . . . 249
4.19 Charge Pumps, Regulators, and Voltage Reference . . . . 257
4.20 JTAG Interface . . . . . . . . . . . . . . . . . . . . . . . . . . . . . . . . . 263
4.21 Short-Circuit Protection . . . . . . . . . . . . . . . . . . . . . . . . . . 263
4.22 Power-On Reset (POR) . . . . . . . . . . . . . . . . . . . . . . . . . . 264
4.23 Hardware Reset, Software Reset, Wake-Up, and
Device ID . . . . . . . . . . . . . . . . . . . . . . . . . . . . . . . . . . . . . 264
5 Applications . . . . . . . . . . . . . . . . . . . . . . . . . . . . . . . . . . . . . . . 267
5.1 Recommended External Components . . . . . . . . . . . . . . . . 267
5.2 Resets Summary . . . . . . . . . . . . . . . . . . . . . . . . . . . . . . . . 274
5.3 Output-Signal Drive-Strength Control . . . . . . . . . . . . . . . . . 274
5.4 Digital Audio Interface Clocking Configurations . . . . . . . . . 276
5.5 PCB Layout Considerations . . . . . . . . . . . . . . . . . . . . . . . . 280
6 Register Map . . . . . . . . . . . . . . . . . . . . . . . . . . . . . . . . . . . . . . 281
7 Thermal Characteristics . . . . . . . . . . . . . . . . . . . . . . . . . . . . . 332
8 Package Dimensions . . . . . . . . . . . . . . . . . . . . . . . . . . . . . . . . 333
9 Ordering Information . . . . . . . . . . . . . . . . . . . . . . . . . . . . . . . . 333
10 References . . . . . . . . . . . . . . . . . . . . . . . . . . . . . . . . . . . . . . . 334
11 Revision History . . . . . . . . . . . . . . . . . . . . . . . . . . . . . . . . . . . 334
CIRRUS LOGIC" __- __— __— _— _— 00000000 00000000 00000000 00000000 00000000 00000000 00000000 00000000 00000000 00000000 00000000 00000000 00000000
4DS1162F1
CS42L92
1 Pin Descriptions
1 Pin Descriptions
1.1 WLCSP Pinout
Figure 1-1. Top-Down (Through-Package) View—104-Ball WLCSP Package
A1 A3 A5 A7 A9 A11 A13
B2 B4 B6 B8 B10 B12 B14
CPVDD1 CP1VOUT2N HPOUT4L HPOUT3L HPOUT2L HPOUT1L
C1 C3 C5 C7 C9 C11 C13
CP2CA CPGND CP1C2B HPOUT3R HPOUT2R HPOUT1R MICDET4/
HPOUTFB4
D2 D4 D6 D8 D10 D12 D14
CP1C2A CP1VOUT2P HPOUT4R MICDET5/
HPOUTFB5
HPDET2 MICDET3/
HPOUTFB3
E1 E3 E5 E7 E9 E11 E13
CP2CB CPVDD2 CP1VOUT1P TRST JACKDET1 HPDET1 GPSW1N
F2 F4 F6 F8 F10 F12 F 14
CP1C1A CP1VOUT1N MICBIAS2A GPSW2N MICDET2/
HPOUTFB2
GPSW1P
G1 G3 G5 G7 G9 G11 G13
CP2VOUT CP1C1B MICBIAS1A TDO GPSW2P MICDET1/
HPOUTFB1
JACKDET2
H2 H4 H6 H8 H1 0 H12 H14
MICBIAS1B MICBIAS1C MICBIAS2B CIFMODE JACKDET3 AGND2
I1 J1 J3 J5 J7 J9 J11 J13
MICVDD MICBIAS1D IN1ALN/
DMICCLK1
GPIO2 GPIO1 IRQ AVDD2
K2 K4 K6 K8 K1 0 K12 K14
IN1BLN IN1ALP/
DMICDAT1
AIF3LRCLK/
GPIO16
AIF3TXDAT/
GPIO13
SPKCLK/
GPIO3
RESET
L1 L3 L5 L7 L9 L11 L13
IN1BLP IN1ARN/
DMICCLK3
AIF1TXDAT/
GPIO5
AIF2LRCLK/
GPIO12
CIFSS SPKDAT/
GPIO4
SUBGND
M2 M4 M6 M8 M10 M12 M14
IN1ARP/
DMICDAT3
IN2BR AIF1RXDAT/
GPIO7
CIFMISO MCLK3 FLLGND
N1 N3 N5 N7 N9 N11 N13
IN1BR IN2ARN/
DMICCLK4
VREFC AIF2BCLK/
GPIO10
SLIMCLK MCLK2 FLLVDD
O1 P2 P4 P6 P8 P10 P12 P 14
IN2ARP/
DMICDAT4
IN2ALN/
DMICCLK2
AIF1BCLK/
GPIO6
AIF3BCLK/
GPIO14
SLIMDAT1 DGND
Q1 R1 R3 R5 R7 R9 R11 R13
IN2BL IN2ALP/
DMICDAT2
DGND AIF2RXDAT/
GPIO11
CIFSCLK MCLK1 DCVDD
S1 T2 T4 T6 T8 T10 T12 T 14
AGND1 SUBGND AIF1LRCLK/
GPIO8
AIF3RXDAT/
GPIO15
SLIMDAT2 DGND
NC AVDD1 DCVDD AIF2TXDAT/
GPIO9
CIFMOSI/SDA DBVDD DGND
A2
A4
A6
A8
A10
A12
B1
B3
B5
B7
B9
B11
B13
C2
C4
C6
C8
C10
C12
D1
D3
D5
D7
D9
D11
D13
E2
E4
E6
E8
E10
E12
F1
F3
F5
F7
F9
F11
F13
G2
G4
G6
G8
G10
G12
H1
H3
H5
H7
H9
H11
H13
J2
J4
J6
J8
J10
J12
K1
K3
K5
K7
K9
K11
K13
L2
L4
L6
L8
L10
L12
M1
M3
M5
M7
M9
M11
M13
N2
N4
N6
N8
N10
N12
P1
P3
P5
P7
P9
P11
P13
R2
R4
R6
R8
R10
R12
T1
T3
T5
T7
T9
T11
T13
PowerAnalog I/O Digital I/O
_‘ __— __— _— _— CIRRUS LOGIC”
5DS1162F1
CS42L92
1.2 Pin Descriptions
1.2 Pin Descriptions
Table 1-1 describes each pin on the CS42L92. Note that pins that share a common name should be tied together on the
printed circuit board (PCB).
Table 1-1. Pin Descriptions
PU = Pull-up, PD = Pull-down, K = Bus keeper, H = Hysteresis on CMOS input, Z = Hi-Z (High impedance), C = CMOS, OD = Open drain.
Pin Name Pin # Power
Supply I/O Pin Description Digital Pad
Attributes State at Reset 1
Analog I/O
CP1C1A E2 O Charge Pump 1 fly-back capacitor 1 pin
CP1C1B F3 O Charge Pump 1 fly-back capacitor 1 pin
CP1C2A C2 O Charge Pump 1 fly-back capacitor 2 pin
CP1C2B B5 O Charge Pump 1 fly-back capacitor 2 pin
CP1VOUT1N E4 O Charge Pump 1 negative output 1 decoupling pin Output
CP1VOUT1P D5 O Charge Pump 1 positive output 1 decoupling pin Output
CP1VOUT2N A4 O Charge Pump 1 negative output 2 decoupling pin Output
CP1VOUT2P C4 O Charge Pump 1 positive output 2 decoupling pin Output
CP2CA B1 O Charge Pump 2 fly-back capacitor pin Output
CP2CB D1 O Charge Pump 2 fly-back capacitor pin Output
CP2VOUT F1 O Charge Pump 2 output decoupling pin/supply for LDO2 Output
GPSW1N D13 I/O General-purpose bidirectional switch 1 contact
GPSW1P E12 I/O General-purpose bidirectional switch 1 contact
GPSW2N E8 I/O General-purpose bidirectional switch 2 contact
GPSW2P F9 I/O General-purpose bidirectional switch 2 contact
HPDET1 D11 I/O Headphone sense 1 input Input
HPDET2 C10 I/O Headphone sense 2 input Input
HPOUT1L A12 O Left headphone 1 output Output
HPOUT1R B11 O Right headphone 1 output Output
HPOUT2L A10 O Left headphone 2 output Output
HPOUT2R B9 O Right headphone 2 output Output
HPOUT3L A8 O Left headphone 3 output Output
HPOUT3R B7 O Right headphone 3 output Output
HPOUT4L A6 O Left headphone 4 output Output
HPOUT4R C6 O Right headphone 4 output Output
IN1ALN/
DMICCLK1
H5 MICVDD or
MICBIASn [2]
I Left/right-channel negative differential mic/line input/
DMIC Clock Output 1. Also suitable for connection to
external accessory interfaces.
IN1ALN input
IN1ALP/
DMICDAT1
J4 MICVDD or
MICBIASn [2]
I Left-channel single-ended mic/line input/positive
differential mic/line input/DMIC Data Input 1. Also
suitable for connection to external accessory
interfaces.
PD/H IN1ALP input
IN1ARN/
DMICCLK3
K3 MICVDD or
MICBIASn [2]
I Right-channel negative differential mic/line input/DMIC
Clock Output 3. Also suitable for connection to external
accessory interfaces.
IN1ARN input
IN1ARP/
DMICDAT3
L2 MICVDD or
MICBIASn [2]
I/O Right-channel single-ended mic/line input/positive
differential mic/line input/DMIC Data Input 3. Also
suitable for connection to external accessory
interfaces.
PD/H IN1ARP input
IN1BLN J2 MICVDD I Negative differential mic/line input. Also suitable for
connection to external accessory interfaces.
— Input
IN1BLP K1 MICVDD I Single-ended mic/line input/positive differential mic/line
input. Also suitable for connection to external
accessory interfaces.
— Input
_‘ __— __— _— _— CIRRUS LOGIC”
6DS1162F1
CS42L92
1.2 Pin Descriptions
IN1BR M1 MICVDD I Right-channel single-ended mic/line input/positive
differential mic/line input.
— Input
IN2ALN/
DMICCLK2
N4 MICVDD or
MICBIASn [2]
I Left-channel negative differential mic/line input/DMIC
Clock Output 2. Also suitable for connection to external
accessory interfaces.
IN2ALN input
IN2ALP/
DMICDAT2
P3 MICVDD or
MICBIASn [2]
I/O Left-channel single-ended mic/line input/positive
differential mic/line input/DMIC Data Input 2. Also
suitable for connection to external accessory
interfaces.
PD/H IN2ALP input
IN2ARN/
DMICCLK4
M3 MICVDD or
MICBIASn [2]
I Right-channel negative differential mic/line input/DMIC
Clock Output 4. Also suitable for connection to external
accessory interfaces.
IN2ARN input
IN2ARP/
DMICDAT4
N2 MICVDD or
MICBIASn [2]
I/O Right-channel single-ended mic/line input/positive
differential mic/line input/DMIC Data Input 4. Also
suitable for connection to external accessory
interfaces.
PD/H IN2ARP input
IN2BL P1 MICVDD I Left-channel single-ended mic/line input Input
IN2BR L4 MICVDD I Right-channel single-ended mic/line input. Also
suitable for connection to external accessory
interfaces.
— Input
JACKDET1 D9 AVDD I Jack detect input 1 Input
JACKDET2 F13 AVDD I Jack detect input 2 Input
JACKDET3 G10 AVDD I Jack detect input 3 Input
MICBIAS1A F5 MICVDD O Microphone bias 1A Output
MICBIAS1B G2 MICVDD O Microphone bias 1B Output
MICBIAS1C G4 MICVDD O Microphone bias 1C Output
MICBIAS1D H3 MICVDD O Microphone bias 1D Output
MICBIAS2A E6 MICVDD O Microphone bias 2A Output
MICBIAS2B G6 MICVDD O Microphone bias 2B Output
MICDET1/
HPOUTFB1
F11 I/O Mic/accessory sense input 1/HPOUT ground feedback
pin 1
— Input
MICDET2/
HPOUTFB2
E10 I/O Mic/accessory sense input 2/HPOUT ground feedback
pin 2
— Input
MICDET3/
HPOUTFB3
C12 I/O Mic/accessory sense input 3/HPOUT ground feedback
pin 3
— Input
MICDET4/
HPOUTFB4
B13 I/O Mic/accessory sense input 4/HPOUT ground feedback
pin 4
— Input
MICDET5/
HPOUTFB5
C8 I/O Mic/accessory sense input 5/HPOUT ground feedback
pin 5
— Input
MICVDD H1 O LDO2 output decoupling pin (generated internally by
CS42L92). (Can also be used as reference/supply for
external microphones.)
— Output
VREFC M5 O Band-gap reference external capacitor connection Output
Digital I/O
AIF1BCLK/
GPIO6
N6 DBVDD I/O Audio interface 1 bit clock/GPIO6 PU/PD/K/H/
Z/C/OD
GPIO6 input with
bus-keeper
AIF1LRCLK/
GPIO8
R6 DBVDD I/O Audio interface 1 left/right clock/GPIO8 PU/PD/K/H/
Z/C/OD
GPIO8 input with
bus-keeper
AIF1RXDAT/
GPIO7
L6 DBVDD I/O Audio interface 1 RX digital audio data/GPIO7 PU/PD/K/H/
C/OD
GPIO7 input with
bus-keeper
AIF1TXDAT/
GPIO5
K5 DBVDD I/O Audio interface 1 TX digital audio data/GPIO5 PU/PD/K/H/
Z/C/OD
GPIO5 input with
bus-keeper
Table 1-1. Pin Descriptions (Cont.)
PU = Pull-up, PD = Pull-down, K = Bus keeper, H = Hysteresis on CMOS input, Z = Hi-Z (High impedance), C = CMOS, OD = Open drain.
Pin Name Pin # Power
Supply I/O Pin Description Digital Pad
Attributes State at Reset 1
_‘ __— __— _— _— CIRRUS LOGIC” \n S‘ave CIFWSS
7DS1162F1
CS42L92
1.2 Pin Descriptions
AIF2BCLK/
GPIO10
M7 DBVDD I/O Audio interface 2 bit clock/GPIO10 PU/PD/K/H/
Z/C/OD
GPIO10 input
with bus-keeper
AIF2LRCLK/
GPIO12
K7 DBVDD I/O Audio interface 2 left/right clock/GPIO12 PU/PD/K/H/
Z/C/OD
GPIO12 input
with bus-keeper
AIF2RXDAT/
GPIO11
P7 DBVDD I/O Audio interface 2 RX digital audio data/GPIO11 PU/PD/K/H/
C/OD
GPIO11 input
with bus-keeper
AIF2TXDAT/
GPIO9
T7 DBVDD I/O Audio interface 2 TX digital audio data/GPIO9 PU/PD/K/H/
Z/C/OD
GPIO9 input with
bus-keeper
AIF3BCLK/
GPIO14
N8 DBVDD I/O Audio interface 3 bit clock/GPIO14. If the JTAG
interface is configured, this pin provides the TCK input
connection.
PU/PD/K/H/
Z/C/OD
GPIO14 input
with bus-keeper
AIF3LRCLK/
GPIO16
J6 DBVDD I/O Audio interface 3 left/right clock/GPIO16 PU/PD/K/H/
Z/C/OD
GPIO16 input
with bus-keeper
AIF3RXDAT/
GPIO15
R8 DBVDD I/O Audio interface 3 RX digital audio data/GPIO15. If the
JTAG interface is configured, this pin provides the TDI
input connection.
PU/PD/K/H/
C/OD
GPIO15 input
with bus-keeper
AIF3TXDAT/
GPIO13
J8 DBVDD I/O Audio interface 3 TX digital audio data/GPIO13. If the
JTAG interface is configured, this pin provides the TMS
input connection.
PU/PD/K/H/
Z/C/OD
GPIO13 input
with bus-keeper
CIFMISO L8 DBVDD O Control interface (SPI) Master In Slave Out data. The
CIFMISO is high impedance if CIF1SS is not asserted.
Z/C Output
CIFMOSI/SDA T9 DBVDD I/O Control interface (SPI) Master Out Slave In data/
Control interface (I2C) data input/output.
H/OD Input
CIFSCLK P9 DBVDD I Control interface clock input H Input
CIFSS K9 DBVDD I Control interface (SPI) slave select (SS) H Input
CIFMODE G8 DBVDD I Control interface mode select H Input
GPIO1 H9 DBVDD I/O GPIO1 PU/PD/K/H/
C/OD
GPIO1 input with
bus-keeper
GPIO2 H7 DBVDD I/O GPIO2 PU/PD/K/H/
C/OD
GPIO2 input with
bus-keeper
IRQ H11 DBVDD O Interrupt request (IRQ) output (default is active low) C/OD Output
MCLK1 P11 DBVDD I Master clock 1 H Input
MCLK2 M11 DBVDD I Master clock 2 H Input
MCLK3 L10 DBVDD I Master clock 3 H Input
RESET J12 DBVDD I Digital reset input (active low) PU/PD/K/H Input with pull-up
SLIMCLK M9 DBVDD I/O SLIMbus clock I/O H/C Input
SLIMDAT1 N10 DBVDD I/O SLIMbus data I/O H/C Input
SLIMDAT2 R10 DBVDD I/O SLIMbus data I/O H/C Input
SPKCLK/
GPIO3
J10 DBVDD I/O Digital speaker (PDM) clock output/GPIO3 PU/PD/K/H/
C/OD
GPIO3 input with
bus-keeper
SPKDAT/
GPIO4
K11 DBVDD I/O Digital speaker (PDM) data output/GPIO4 PU/PD/K/H/
C/OD
GPIO4 input with
bus-keeper
TDO F7 DBVDD O JTAG data output C Output
TRST D7 DBVDD I JTAG test access port reset (active low) PD/H Input with
pull-down
Supply
AGND1 R2 Analog ground (return path for AVDD1)
AGND2 G12 Analog ground (return path for AVDD2)
AVDD1 T3 Analog supply
AVDD2 H13 Analog supply
Table 1-1. Pin Descriptions (Cont.)
PU = Pull-up, PD = Pull-down, K = Bus keeper, H = Hysteresis on CMOS input, Z = Hi-Z (High impedance), C = CMOS, OD = Open drain.
Pin Name Pin # Power
Supply I/O Pin Description Digital Pad
Attributes State at Reset 1
_‘ __— __— _— _— CIRRUS LOGIC”
8DS1162F1
CS42L92
1.2 Pin Descriptions
CPGND B3 Charge pump ground (return path for CPVDD1,
CPVDD2)
——
CPVDD1 A2 Supply for Charge Pump 1 and Charge Pump 2
CPVDD2 D3 Secondary supply for Charge Pump 1
DBVDD T11 Digital buffer (I/O) supply
DCVDD P13, T5 Digital core supply
DGND N12, P5,
R12, T13
Digital ground (return path for DCVDD and DBVDD)
FLLGND L12 Analog ground (return path for FLLVDD)
FLLVDD M13 Analog FLL supply
SUBGND K13, R4 Substrate ground
No Connect
NC T1 — —
1.Note that the default conditions described are not valid if modified by the boot sequence or by a wake-up control sequence.
2.The analog input functions on these pins are referenced to the MICVDD power domain. The digital input/output functions are referenced to the
MICVDD or MICBIASn power domain, as selected by the applicable INx_DMIC_SUP field.
Table 1-1. Pin Descriptions (Cont.)
PU = Pull-up, PD = Pull-down, K = Bus keeper, H = Hysteresis on CMOS input, Z = Hi-Z (High impedance), C = CMOS, OD = Open drain.
Pin Name Pin # Power
Supply I/O Pin Description Digital Pad
Attributes State at Reset 1
_‘ __— __— _— _— CIRRUS LOGIC”
9DS1162F1
CS42L92
2 Typical Connection Diagram
2 Typical Connection Diagram
Figure 2-1. Typical Connection Diagram
AIF1RXDAT
AIF1LRCLK
AIF1BCLK
AIF1TXDAT
Audio Interface 1
AIF2RXDAT
AIF2LRCLK
AIF2BCLK
AIF2TXDAT
Audio Interface 2
Audio Interface 3 AIF3RXDAT
AIF3LRCLK
AIF3BCLK
AIF3TXDAT
SLIMDAT2
SLIMbus Interface SLIMDAT1
SLIMCLK
Control Interface
CIF1MISO
CIF1SS
CIF1SCLK
CIF1MOSI/SDA
CIFMODE
GPIO
GPIO1
GPIO 2
GPSW2P
GPSW2N
GPSW1P
GPSW1N
CP1C1A
CP1C1B
2.2 F
CP2CA
CP2VOUT
CP2CB
470 nF
4.7 F
CP1C2A
CP1VOUT2N
CP1VOUT2P
CP1C2B
2.2 F
4.7 F
4.7 F
CP1VOUT1N
CP1VOUT1P 4.7 F
4.7 F
MCLK1
MCLK2 Master Clocks
Reset Control
Interrupt Output
RESET
IRQ
VREFC
2.2 F
DGND
SUBGND
FLLGND
CP GN D
MICBIAS2B
MICVDD
Bias/Supplies for
Microphones and External
Accessory Detection
4.7 F
MICBIAS2A
MICBIAS1C
MICBIAS1B
MICBIAS1D
MICBIAS1A
Digital Speaker
(PDM) interface
SPKCLK
SPKDAT
HPOUT1R
MICDET2/HPOUTFB2
HPOUT1L Headphone
(Note: HPOUT1 ground
connection close to headset jack )
HPDET1
HPDET2
JACKDET2 Jack-Detect Inputs
HPOUT4R
MICDET5/HPOUTFB5
HPOUT4L
HPOUT2R
MICDET3/HPOUTFB3
HPOUT2L
Line Output
(Note: HPOUT2 ground
connection close to headset jack )
Earpiece
Speaker
Outputs HPOUT1–HPOUT4 can
be configured as stereo pairs or
differential mono.
JACKDET3
MICDET4/HPOUTFB4
Analog and Digital Inputs
Pseudo-
differential
Microphone
Connection
Stereo
Single-Ended
Line
Connection
Stereo Digital
Microphone
Connection
1 F
MICDET1/HPOUTFB1
2.2 k
MICBIAS1A
IN1BLP
IN1ALP/DMICDAT1
IN1ALN/DMICCLK1
IN1BR
IN1ARP/DMICDAT3
IN1ARN/DMICCLK3
IN2BL
IN2ALP/DMICDAT2
IN2ALN/DMICCLK2
IN2BR
1 F
1 FIN2ARP/DMICDAT4
IN2ARN/DMICCLK4
DMIC
DAT
CLK
DAT
CLK
VDD
CHAN
MICBIAS2A
DMIC
GND
VDD
CHAN
GND
MICDET2/HPOUTFB2
1 F
TRST
DCVDD (pin T5)
2 x 1.0 F
DCVDD (pin P13)
FLLVDD
1.2 V
4.7 F
1.8 V
DBVDD
CPVDD1
2 x 1.0 F
AVDD1
AVDD2
0.1 F4.7 F
MCLK3
JACKDET1
HPOUT3R
HPOUT3L
Line Output
IN1BLN
CPVDD2
AGND2
AGND1
120
4.7 F
CS42L92
_‘ __— __— _— _— CIRRUS LOGIC” Channel separation Leftrtorright and rightrtorleft channel separation is the difference in level between the active channel (driven to Commonrmode reieotion The ratio 01 a specified input signal (applied to both sides of a differential input), relative to the output signal that Dynamic range (DR) A measure of the difference between the maximum full scale output signal and the sum of all harmonic distortion Power’suppiy reiection The ratio 01 a specified power supply variation relative to the output signal that results from it, PSRR is measured Signalrtornoise ratio A measure of the difference in level between the maximum full scale output signal and the outputwith no input signal Total harmonic distortion The ratio of the RMS sum of the harmonic distortion products in the specified bandwidth 1 relative to the RMS Total harmonic distortion The ratio ofthe RMS sum of the harmonic distortion products plus noise in the specified bandwidth 1 relative to the Parameter Symbol Minimum Maximum Supply voltages DCVDD l1], FLLVDD [l] 70.3 V 1.6 V Voltage range digital inputs DBVDD domain 7 SUBGND r 0.3 V DBVDD + 03 V Voltage range analog inputs lN1ARX,|N2AXX.INZBX SUBGNDrOS V MICVDD + 0.3V Ground AGND 6, DGND‘ CPGND. FLLGND SUBGND , 0.3V SUBGND + 0.3V Operating temperature range T 40% +8570 Operating junction temperature T 40% +125wc storage temperature after soldering 7 455m +150“C - ESDrsensitive device. The CS42L92 is manufactured on a CMOS process, It is therefore generically susceptible to damage from
10 DS1162F1
CS42L92
3 Characteristics and Specifications
3 Characteristics and Specifications
Table 3-1 defines parameters as they are characterized in this section.
Table 3-1. Parameter Definitions
Parameter Definition
Channel separation Left-to-right and right-to-left channel separation is the difference in level between the active channel (driven to
maximum full scale output) and the measured signal level in the idle channel at the test signal frequency. The active
channel is configured and supplied with an appropriate input signal to drive a full scale output, with signal measured
at the output of the associated idle channel.
Common-mode rejection
ratio (CMRR)
The ratio of a specified input signal (applied to both sides of a differential input), relative to the output signal that
results from it.
Dynamic range (DR) A measure of the difference between the maximum full scale output signal and the sum of all harmonic distortion
products plus noise, with a low-level input signal applied. Typically, an input signal level 60 dB below full scale is
used.
Power-supply rejection
ratio (PSRR)
The ratio of a specified power supply variation relative to the output signal that results from it. PSRR is measured
under quiescent signal path conditions.
Signal-to-noise ratio
(SNR)
A measure of the difference in level between the maximum full scale output signal and the output with no input signal
applied.
Total harmonic distortion
(THD)
The ratio of the RMS sum of the harmonic distortion products in the specified bandwidth 1 relative to the RMS
amplitude of the fundamental (i.e., test frequency) output.
1.All performance measurements are specified with a 20-kHz, low-pass brick-wall filter and, where noted, an A-weighted filter. The low-pass filter
removes out-of-band noise.
Total harmonic distortion
plus noise (THD+N)
The ratio of the RMS sum of the harmonic distortion products plus noise in the specified bandwidth 1 relative to the
RMS amplitude of the fundamental (i.e., test frequency) output.
Table 3-2. Absolute Maximum Ratings
Absolute maximum ratings are stress ratings only. Permanent damage to the device may be caused by continuously operating at or beyond these limits.
Device functional operating limits and guaranteed performance specifications are given under electrical characteristics at the test conditions specified.
Parameter Symbol Minimum Maximum
Supply voltages DCVDD [1], FLLVDD [1]
1.The DCVDD and FLLVDD pins should be tied to a common supply rail. The associated power domain is referred to as DCVDD.
–0.3 V 1.6 V
AVDD [2], CPVDD1, CPVDD2
2.The AVDD1 and AVDD2 pins should be tied together. The associated power domain is referred to as AVDD.
–0.3 V 2.5 V
DBVDD, MICVDD –0.3 V 5.0 V
Voltage range digital inputs DBVDD domain
DMICDAT1–DMICDAT2
SUBGND 0.3 V
SUBGND – 0.3 V
DBVDD + 0.3 V
MICVDD + 0.3 V
Voltage range analog inputs IN1ARx, IN2Axx, IN2Bx
IN1ALx, IN1BLx, IN1BR
MICDETn 3
HPOUTFBn 3
JACKDET1, HPDET1, HPDET2
JACKDET2 [4], JACKDET3 [4]
GPSWnP, G P SW nN
3.The MICDETn and HPOUTFBn functions share common pins. The absolute maximum rating varies according to the applicable function of each pin.
The HPOUTFBn ratings are applicable if any of the HPn_GND_SEL bits select the respective pin for HPOUT ground feedback.
4.If AVDD > MICVDD (e.g., if LDO2 is disabled), the maximum JACKDET2/JACKDET3 voltage is AVDD + 0.3 V.
SUBGND 0.3 V
SUBGND – 0.9 V
SUBGND – 0.3 V
SUBGND – 0.3 V
CP1VOUT2N 0.3 V [5]
SUBGND – 0.3 V
SUBGND – 0.3 V
5.CP1VOUT2N is an internal supply, generated by the CS42L92 charge pump (CP1). Its voltage can vary between CPGND and –CPVDD1.
MICVDD + 0.3 V
MICVDD + 0.3 V
MICVDD + 0.3 V
SUBGND + 0.3 V
AVDD + 0.3 V
MICVDD + 0.3 V
MICVDD + 0.3 V
Ground AGND 6, DGND, CPGND, FLLGND
6.The AGND1 and AGND2 pins should be tied together. The associated ground domain is referred to as AGND.
SUBGND – 0.3V SUBGND + 0.3V
Operating temperature range TA–40ºC +85ºC
Operating junction temperature TJ–40ºC +125ºC
Storage temperature after soldering –65ºC +150ºC
ESD-sensitive device. The CS42L92 is manufactured on a CMOS process. It is therefore generically susceptible to damage from
excessive static voltages. Proper ESD precautions must be taken during handling and storage of this device. This device is qualified
to current JEDEC ESD standards.
_‘ __— __— _— _— CIRRUS LOGIC” Parameter Symbol Minimum Typical Maximum Units Digital supply range 1 Core and FLL DCVDD [21, FLLVDD [a] 1.14 1.2 1.26 v cnarge pump supply range CPVDD‘l CPVDD1 1.71 1.3 1.89 v Analog supply range 56 AVDD 1.71 1.3 1.89 v Mic bias supply 7 MICVDD 0,9 2.5 3.78 v Ground 8 DGND. AGND. CPGND. FLLGND. SUEGND 7 0 7 v Power supply rise time 910 DCVDD 10 7 2000 its Operating temperature range T 740 7 as “C Note: There are no power sequencing requirements; tne supplies may be enabled and disabled in any order. Dv CPGN Parameter Minimum Typical Maximum Units Fullrscale input signal level (0 dBFS output) Singlerended PGA input, 0 as PGA gain 7 0,5 7 v Notes: Parameter Minimum Typical Maximum Units input resistance Slnglerended PGA input. All PGA gain settings 9 11 7 m lnput capacitance 7 7 5 DP Parameter Typical Maximum Units Minimum programmable gain 7 0 7 dB Maximum programmable gain 7 31 7 dB Programmable gain step size Guaranteed monotonic 7 1 7 dB
11 DS1162F1
CS42L92
3 Characteristics and Specifications
Table 3-3. Recommended Operating Conditions
Parameter Symbol Minimum Typical Maximum Units
Digital supply range 1
Digital supply range
1.The DCVDD and FLLVDD pins should be tied to a common supply rail. The associated power domain is referred to as DCVDD.
Core and FLL
I/O
DCVDD [2], FLLVDD [3]
DBVDD
2.Sleep mode is supported for when DCVDD is below the limits noted, provided that AVDD and DBVDD are present.
3.It is recommended to connect a 120- resistor in series with the FLLVDD pin connection. Note that the minimum voltage limit applies at the supply
end of the 120- resistor in this case.
1.14
1.71
1.2
1.26
3.6 [4]
4.If the SLIMbus interface is enabled, the maximum DBVDD voltage is 1.98 V.
V
V
Charge pump supply range CPVDD1
CPVDD2
CPVDD1
CPVDD2
1.71
1.14
1.8
1.2
1.89
1.26
V
V
Analog supply range 5,6
5.The AVDD1 and AVDD2 pins should be tied together. The associated power domain is referred to as AVDD.
6.The AGND1 and AGND2 pins should be tied together. The associated ground domain is referred to as AGND.
AVDD 1.71 1.8 1.89 V
Mic bias supply 7
7.An internal charge pump and LDO (powered by CPVDD1) provide the mic bias supply; the MICVDD pin must not be connected to an external supply.
MICVDD 0.9 2.5 3.78 V
Ground 8
8.The impedance between DGND, AGND, CPGND, FLLGND, and SUBGND must not exceed 0.1 .
DGND, AGND, CPGND, FLLGND, SUBGND 0 V
Power supply rise time 9,10
9.If the DCVDD rise time exceeds 2 ms, RESET must be asserted during the rise and held asserted until after DCVDD is within the recommended
operating limits.
10.The specified minimum power supply rise times assume a minimum decoupling capacitance of 100 nF per pin. However, Cirrus Logic strongly
advises that the recommended decoupling capacitors are present on the PCB and that appropriate layout guidelines are observed. The specified
minimum power supply rise times also assume a maximum PCB inductance of 10 nH between decoupling capacitor and pin.
DCVDD
All other supplies
10
10
2000
s
s
Operating temperature range TA–40 85 ºC
Note: There are no power sequencing requirements; the supplies may be enabled and disabled in any order.
Table 3-4. Analog Input Signal Level—IN1xx, IN2xx
Test conditions (unless specified otherwise): AVDD = 1.8V; with the exception of the condition noted, the following electrical characteristics are valid
across the full range of recommended operating conditions.
Parameter Minimum Typical Maximum Units
Full-scale input signal level (0 dBFS output) Single-ended PGA input, 0 dB PGA gain
0.5
–6
VRMS
dBV
Differential PGA input, 0 dB PGA gain
1
0
VRMS
dBV
Notes:
The full-scale input signal level is also the maximum analog input level, before clipping occurs.
The maximum input signal level is reduced by 6 dB if mid-power operation is selected (INn_OSR = 100); the maximum signal level
corresponds to –6 dBFS at the respective ADC outputs in this case.
The full-scale input signal level changes in proportion with AVDD. For differential input, it is calculated as AVDD / 1.8.
A 1.0VRMS differential signal equates to 0.5VRMS/–6dBV per input.
A sinusoidal input signal is assumed.
Table 3-5. Analog Input Pin Characteristics
Test conditions (unless specified otherwise): TA = +25ºC; with the exception of the condition noted, the following electrical characteristics are valid across
the full range of recommended operating conditions.
Parameter Minimum Typical Maximum Units
Input resistance Single-ended PGA input, All PGA gain settings
Differential PGA input, All PGA gain settings
9
17
11
22
k
k
Input capacitance —— 5pF
Table 3-6. Analog Input Gain—Programmable Gain Amplifiers (PGAs)
The following electrical characteristics are valid across the full range of recommended operating conditions.
Parameter Minimum Typical Maximum Units
Minimum programmable gain 0 dB
Maximum programmable gain 31 dB
Programmable gain step size Guaranteed monotonic 1 dB
_‘ __— __— _— _— CIRRUS LOGIC” Parameter Minimum Typical Maximum Units Fullrscale input level 1 o dEFS digital core input, 0 dB gain 7 4i 7 dBFS Parameter Typical Maximum Units Line/headphonelearpiece Load resistance Normal operation. SinglerEnded Mode 6 7 7 1: Load capacitance SinglerEnded Mode 7 7 500 pF Digital speaker output Fullrscale output level 1 o dBFs digital core output, 0 dB gain 7 £ 7 dBFS Parameter Min Typ Max Units Line/headphone/earpiece output DC otlset at Load Singlerended mode 7 50 7 W Analog input patns th1xxi SNR (Arwelghted), detined in Table 371 20 Hz to 20 kHZt 43 kHz sample rate 91 99 7 dB THD, defined in Table 371 71 dBV input 7 787 7 dB THD+N, defined in Table 371 71 dBV input 7 788 779 dB cnannel separation (URL defined in Table 371 100 Hz to 10 kHz 7 109 7 dB Inputrrelerred noise lldor Arwelghtedt PGA gain = +20 dB 7 2.6 7 W CMRR, defined in Table 31 PGA gain : +30 dB 7 83 7 dB PSRR(DBVDD. CPVDD1,AVDD). denned 100 mV (peakrpeak) 217 Hz 7 99 7 dB PSRR (DCVDD, FLLVDD. CPVDDZ). 100 mV (peakrpeak) 217 Hz 7 100 7 dB Analog input patns th1xxi SNR (Arwelghted), defined in Table 371 20 Hz to 20 kHZt 43 kHz sample rate 87 ea 7 dB THD, defined in Table 371 77dB v input 7 784 7 dB THD+N, defined in Table 371 77dB v input 7 783 778 dB cnannel separation (URL defined in Table 371 100 Hz to 10 kHz 7 107 7 dB Inputrrelerred noise lldor Arwelghtedt PGA gain = +20 dB 7 4 7 W PSRR(DBVDD. CPVDD1,AVDD). denned 100 mV (peakrpeak) 217 Hz 7 7e 7 dB PSRR (DCVDD, FLLVDD. CPVDDZ). 100 mV (peakrpeak) 217 Hz 7 96 7 dB
12 DS1162F1
CS42L92
3 Characteristics and Specifications
Table 3-7. Digital Input Signal Level—DMICDATn
The following electrical characteristics are valid across the full range of recommended operating conditions.
Parameter Minimum Typical Maximum Units
Full-scale input level 1
1.The digital input signal level is measured in dBFS, where 0 dBFS is a signal level equal to the full-scale range (FSR) of the PDM input. The
FSR is defined as the amplitude of a 1-kHz sine wave whose positive and negative peaks are represented by the maximum and minimum
digital codes respectivelythis is the largest 1-kHz sine wave that can fit in the digital output range without clipping.
0 dBFS digital core input, 0 dB gain 6 dBFS
Table 3-8. Output Characteristics
The following electrical characteristics are valid across the full range of recommended operating conditions.
Parameter Minimum Typical Maximum Units
Line/headphone/earpiece
output driver (HPOUTnL,
HPOUTnR)
Load resistance Normal operation, Single-Ended Mode
Normal operation, Differential (BTL) Mode
Device survival with load applied indefinitely
6
15
0
Load capacitance Single-Ended Mode
Differential (BTL) Mode
500
200
pF
pF
Digital speaker output
(SPKDAT)
Full-scale output level 1
1.The digital output signal level is measured in dBFS, where 0 dBFS is a signal level equal to the full-scale range (FSR) of the PDM output.
The FSR is defined as the amplitude of a 1-kHz sine wave whose positive and negative peaks are represented by the maximum and
minimum digital codes respectively—this is the largest 1-kHz sine wave that can fit in the digital output range without clipping.
0 dBFS digital core output, 0 dB gain 6 dBFS
Table 3-9. Input/Output Path Characteristics
Test conditions (unless specified otherwise): DBVDD = CPVDD1 = AVDD = 1.8 V, DCVDD = FLLVDD = CPVDD2 = 1.2 V; MICVDD = 3.1 V (powered
from internal LDO); TA = +25ºC; 1 kHz sinusoid signal; Fs = 48 kHz; PGA gain = 0 dB, 24-bit audio data.
Parameter Min Typ Max Units
Line/headphone/earpiece output
driver (HPOUTnL, HPOUTnR)
DC offset at Load Single-ended mode
Differential (BTL) mode
50
75
V
V
Analog input paths (IN1xx,
IN2xx) to ADC (Differential Input
Mode)
SNR (A-weighted), defined in Tab le 3- 1 20 Hz to 20 kHz, 48 kHz sample rate
20 Hz to 8 kHz, 16 kHz sample rate
91
99
104
dB
dB
THD, defined in Tab l e 3- 1 –1 dBV input –87 dB
THD+N, defined in Tab l e 3- 1 –1 dBV input –88 –79 dB
Channel separation (L/R), defined in Tabl e 3-1 100 Hz to 10 kHz 109 dB
Input-referred noise floor A-weighted, PGA gain = +20 dB 2.6 VRMS
CMRR, defined in Table 3-1 PGA gain = +30 dB
PGA gain = 0 dB
83
72
dB
dB
PSRR (DBVDD, CPVDD1, AVDD), defined
in Tabl e 3-1
100 mV (peak-peak) 217 Hz
100 mV (peak-peak) 10 kHz
99
84
dB
dB
PSRR (DCVDD, FLLVDD, CPVDD2),
defined in Tab le 3- 1
100 mV (peak-peak) 217 Hz
100 mV (peak-peak) 10 kHz
100
82
dB
dB
Analog input paths (IN1xx,
IN2xx) to ADC (Single-Ended
Input Mode)
SNR (A-weighted), defined in Tab le 3- 1 20 Hz to 20 kHz, 48 kHz sample rate
20 Hz to 8 kHz, 16 kHz sample rate
87
98
108
dB
dB
THD, defined in Tab l e 3- 1 –7dB V input –84 dB
THD+N, defined in Tab l e 3- 1 –7dB V input –83 –78 dB
Channel separation (L/R), defined in Tabl e 3-1 100 Hz to 10 kHz 107 dB
Input-referred noise floor A-weighted, PGA gain = +20 dB 4 VRMS
PSRR (DBVDD, CPVDD1, AVDD), defined
in Tabl e 3-1
100 mV (peak-peak) 217 Hz
100 mV (peak-peak) 10 kHz
76
52
dB
dB
PSRR (DCVDD, FLLVDD, CPVDD2),
defined in Tab le 3- 1
100 mV (peak-peak) 217 Hz
100 mV (peak-peak) 10 kHz
96
87
dB
dB
_‘ __— __— _— _— CIRRUS LOGIC” Parameter Min Typ Max Units Analog input patns (lN1xx. SNR, defined in Table 371 Aawelghted 7 88 7 dB THD, defined in Table 371 77 dBV input 7 781 7 dB THD+N. defined in Table 371 77 dBV input 7 780 7 dB cnannel separation (LIR). defined in Table 371 100 Hz to 10 kHz 7 90 7 dB Inputarelerred noise fidor Arwelghted. PGA gain : +20 dB 7 4.79 7 W CMRR, defined in Table 31 PGA gain : +30 dB 7 73 7 dB PSRR(DBVDD. CPVDD1.AVDD). defined 100 mV (peakapeak) 217 Hz 7 93 7 dB PSRR (DCVDD, FLLVDD. CPVDD2). 100 mV (peakapeak) 217 Hz 7 97 7 dB DAC to line output (HPOUT1 , Fullascale output signal level 0 dEFS input 7 1 7 v SNR, defined in Table 371 Arwelghted. output signal = 1 v 7 125 7 dB Dynamic range. defined in Table 371 Aaweighled, 760 dBFS input 100 117 7 dB THD+N. defined in Table 371 OdBFS input 7 7100 790 dB cnannel separation (LIR). defined in Table 371 100 Hz to 10 kHz 7 95 7 dB Output noise fidor Aawelghted 7 0.7 7 W PSRR (DBVDD. CPVDD1. AVDD). 100 mV (peakapeak) 217 Hz 7 105 7 dB PSRR (DCVDD, FLLVDD. CPVDD2). 100 mV (peakapeak) 217 Hz 7 108 7 dB DAC to neadpnone output Maximum output power 0.1% THD+N 7 33 7 mw SNR, defined in Table 371 Arwelghted. output signal = 1 v 7 125 7 dB Dynamic range. defined in Table 371 Aaweighled, 760 dBFS input 100 117 7 dB THD+N. defined in Table 371 P = 20 mw 7 7100 790 dB THD+N. defined in Table 371 P : 2 mw 7 796 7 dB cnannel separation (LIR). defined in Table 371 100 Hz to 10 kHz 7 105 7 dB Output noise fidor Aawelghted 7 0.6 7 W PSRR (DBVDD. CPVDD1. AVDD). 100 mV (peakapeak) 217 Hz 7 126 7 dB PSRR (DCVDD, FLLVDD. CPVDD2). 100 mV (peakapeak) 217 Hz 7 128 7 dB DAC to neadpnone output Maximum output power 0.1% THD+N 7 40 7 mw SNR, defined in Table 371 Arwelghted. output signal = 1 v 7 125 7 dB Dynamic range. defined in Table 371 Aaweighled, 760 dBFS input 100 117 7 dB THD+N. defined in Table 371 P = 20 mw 7 797 790 dB THD+N. defined in Table 371 P : 2 mw 7 795 7 dB cnannel separation (LIR). defined in Table 371 100 Hz to 10 kHz 7 97 7 dB Output noise fidor Aawelghted 7 0.6 7 W PSRR (DBVDD. CPVDD1. AVDD). 100 mV (peakapeak) 217 Hz 7 127 7 dB PSRR (DCVDD, FLLVDD. CPVDD2). 100 mV (peakapeak) 217 Hz 7 127 7 dB DAC to neadpnone output Maximum output power 0.1% THD+N 7 109 7 mw SNR, defined in Table 371 Arwelghted. output signal = 2 v 7 127 7 dB Dynamic range. defined in Table 371 Aaweighled, 760 dBFS input 7 115 7 dB THD+N. defined in Table 371 P = 75 mw 7 7100 7 dB THD+N. defined in Table 371 P : 5 mw 7 797 7 dB Output noise fidor Aawelghted 7 0.36 7 W PSRR (DBVDD. CPVDD1. AVDD). 100 mV (peakapeak) 217 Hz 7 120 7 dB PSRR (DCVDD, FLLVDD. CPVDD2). 100 mV (peakapeak) 217 Hz 7 120 7 dB
13 DS1162F1
CS42L92
3 Characteristics and Specifications
Analog input paths (IN1xx,
IN2xx) to ADC (Differential
Input, Mid Power Mode)
SNR, defined in Tab l e 3-1 A-weighted 88 dB
THD, defined in Tab l e 3- 1 –7 dBV input –81 dB
THD+N, defined in Tab l e 3- 1 –7 dBV input –80 dB
Channel separation (L/R), defined in Tabl e 3-1 100 Hz to 10 kHz 96 dB
Input-referred noise floor A-weighted, PGA gain = +20 dB 4.79 VRMS
CMRR, defined in Table 3-1 PGA gain = +30 dB
PGA gain = 0 dB
73
81
dB
dB
PSRR (DBVDD, CPVDD1, AVDD), defined
in Tabl e 3-1
100 mV (peak-peak) 217 Hz
100 mV (peak-peak) 10 kHz
93
75
dB
dB
PSRR (DCVDD, FLLVDD, CPVDD2),
defined in Tab le 3- 1
100 mV (peak-peak) 217 Hz
100 mV (peak-peak) 10 kHz
97
81
dB
dB
DAC to line output (
HPOUT1x,
HPOUT2x
; Load = 10 k,
50 pF)
Full-scale output signal level 0 dBFS input
1
0
VRMS
dBV
SNR, defined in Tab l e 3-1 A-weighted, output signal = 1 VRMS 125 dB
Dynamic range, defined in Table 3-1 A-weighted,60 dBFS input 108 117 dB
THD+N, defined in Tab l e 3- 1 0 dBFS input 100 –90 dB
Channel separation (L/R), defined in Tabl e 3-1 100 Hz to 10 kHz 95 dB
Output noise floor A-weighted 0.7 VRMS
PSRR (DBVDD, CPVDD1, AVDD),
defined in Tab le 3- 1
100 mV (peak-peak) 217 Hz
100 mV (peak-peak) 10 kHz
105
81
dB
dB
PSRR (DCVDD, FLLVDD, CPVDD2),
defined in Tab le 3- 1
100 mV (peak-peak) 217 Hz
100 mV (peak-peak) 10 kHz
108
81
dB
dB
DAC to headphone output
(
HPOUT1x, HPOUT2x;
RL=32)
Maximum output power 0.1% THD+N 33 mW
SNR, defined in Tab l e 3-1 A-weighted, output signal = 1 VRMS 125 dB
Dynamic range, defined in Table 3-1 A-weighted,60 dBFS input 108 117 dB
THD+N, defined in Tab l e 3- 1 PO = 20 mW –100 –90 dB
THD+N, defined in Tab l e 3-1 PO = 2 mW 96 dB
Channel separation (L/R), defined in Tabl e 3-1 100 Hz to 10 kHz 105 dB
Output noise floor A-weighted 0.6 VRMS
PSRR (DBVDD, CPVDD1, AVDD),
defined in Tab le 3- 1
100 mV (peak-peak) 217 Hz
100 mV (peak-peak) 10 kHz
126
103
dB
dB
PSRR (DCVDD, FLLVDD, CPVDD2),
defined in Tab le 3- 1
100 mV (peak-peak) 217 Hz
100 mV (peak-peak) 10 kHz
128
105
dB
dB
DAC to headphone output
(
HPOUT1x, HPOUT2x;
RL=16)
Maximum output power 0.1% THD+N 46 mW
SNR, defined in Tab l e 3-1 A-weighted, output signal = 1 VRMS 125 dB
Dynamic range, defined in Table 3-1 A-weighted,60 dBFS input 108 117 dB
THD+N, defined in Tab l e 3- 1 PO = 20 mW –97 –90 dB
THD+N, defined in Tab l e 3-1 PO = 2 mW 95 dB
Channel separation (L/R), defined in Tabl e 3-1 100 Hz to 10 kHz 97 dB
Output noise floor A-weighted 0.6 VRMS
PSRR (DBVDD, CPVDD1, AVDD),
defined in Tab le 3- 1
100 mV (peak-peak) 217 Hz
100 mV (peak-peak) 10 kHz
127
107
dB
dB
PSRR (DCVDD, FLLVDD, CPVDD2),
defined in Tab le 3- 1
100 mV (peak-peak) 217 Hz
100 mV (peak-peak) 10 kHz
127
108
dB
dB
DAC to headphone output
(
HPOUT1L+HPOUT1R,
HPOUT2L+HPOUT2R; Stereo
differential output
, RL=32
BTL)
Maximum output power 0.1% THD+N 109 mW
SNR, defined in Tab l e 3-1 A-weighted, output signal = 2 VRMS 127 dB
Dynamic range, defined in Table 3-1 A-weighted,60 dBFS input 115 dB
THD+N, defined in Tab l e 3- 1 PO = 75 mW 100 dB
THD+N, defined in Tab l e 3- 1 PO = 5 mW 97 dB
Output noise floor A-weighted 0.36 VRMS
PSRR (DBVDD, CPVDD1, AVDD),
defined in Tab le 3- 1
100 mV (peak-peak) 217 Hz
100 mV (peak-peak) 10 kHz
120
90
dB
dB
PSRR (DCVDD, FLLVDD, CPVDD2),
defined in Tab le 3- 1
100 mV (peak-peak) 217 Hz
100 mV (peak-peak) 10 kHz
120
90
dB
dB
Table 3-9. Input/Output Path Characteristics (Cont.)
Test conditions (unless specified otherwise): DBVDD = CPVDD1 = AVDD = 1.8 V, DCVDD = FLLVDD = CPVDD2 = 1.2 V; MICVDD = 3.1 V (powered
from internal LDO); TA = +25ºC; 1 kHz sinusoid signal; Fs = 48 kHz; PGA gain = 0 dB, 24-bit audio data.
Parameter Min Typ Max Units
_‘ __— __— _— _— CIRRUS LOGIC” Parameter Min Typ Max Units DAC to line output (HPOUT3 , Fullascaie output signal ievei 0 dEFS input 7 1 7 v SNR, defined in Tame 371 Arweighted. output signal = 1 v 115 125 7 dB Dynamic range. defined in Table 371 Aaweighled, 760 dBFS input 107 115 7 dB THD, defined in Tame 371 0 dBFS input 7 792 7 dB THD+N. defined in Tabie 371 0 dBFS input 7 791 785 dB cnannei separation (LIR). defined in Tapie 371 100 Hz to 10 kHz 7 90 7 dB Output noise fioor Aaweighted 7 0.63 7 W PSRR (DBVDD. CPVDD1. AVDD). 100 mV (peakapeak) 217 Hz 7 110 7 dB PSRR (DCVDD, FLLVDD. CPVDD2). 100 mV (peakapeak) 217 Hz 7 99 7 dB DAC to neadpnone output Maximum output power 0.1% THD+N 7 33 7 mw SNR, defined in Tame 371 Arweighted. output signal = 1 v 7 124 7 dB Dynamic range. defined in Table 371 Aaweighled, 760 dBFS input 107 115 7 dB THD, defined in Tame 371 P = 20 mw 7 793 7 dB THD+N. defined in Tabie 371 P = 20 mw 7 790 785 dB THD, defined in Tame 371 P : 2 mw 7 794 7 dB THD+N. defined in Tabie 371 P : 2 mw 7 792 7 dB cnannei separation (LIR). defined in Tapie 371 100 Hz to 10 kHz 7 102 7 dB Output noise fioor Aaweighted 7 0.63 7 W PSRR (DBVDD. CPVDD1. AVDD). 100 mV (peakapeak) 217 Hz 7 127 7 dB PSRR (DCVDD, FLLVDD. CPVDD2). 100 mV (peakapeak) 217 Hz 7 120 7 dB DAC to neadpnone output Maximum output power 0.1% THD+N 7 46 7 mw SNR, defined in Tame 371 Arweighted. output signal = 1 v 7 124 7 dB Dynamic range. defined in Table 371 Aaweighled, 760 dBFS input 107 115 7 dB THD, defined in Tame 371 P = 20 mw 7 794 7 dB THD+N. defined in Tabie 371 P = 20 mw 7 789 780 dB THD, defined in Tame 371 P : 2 mw 7 791 7 dB THD+N. defined in Tabie 371 P : 2 mw 7 789 7 dB cnannei separation (LIR). defined in Tapie 371 100 Hz to 10 kHz 7 100 7 dB Output noise fioor Aaweighted 7 0.63 7 W PSRR (DBVDD. CPVDD1. AVDD). 100 mV (peakapeak) 217 Hz 7 128 7 dB PSRR (DCVDD, FLLVDD. CPVDD2). 100 mV (peakapeak) 217 Hz 7 125 7 dB DAC to earpiece output Maximum output power 0.1% THD+N 7 115 7 mw SNR, defined in Tame 371 Arweighted. output signal = 2 v 7 129 7 dB Dynamic range. defined in Table 371 Aaweighled, 760 dBFS input 110 120 7 dB THD, defined in Tame 371 P = 75 mw 7 799 7 dB THD+N. defined in Tabie 371 P = 75 mw 7 797 7 dB THD, defined in Tame 371 P : 5 mw 7 798 7 dB THD+N. defined in Tabie 371 P : 5 mw 7 794 7 dB Output noise fioor Aaweighted 7 0.36 7 W PSRR (DBVDD. CPVDD1. AVDD). 100 mV (peakapeak) 217 Hz 7 127 7 dB PSRR (DCVDD, FLLVDD. CPVDD2). 100 mV (peakapeak) 217 Hz 7 125 7 dB
14 DS1162F1
CS42L92
3 Characteristics and Specifications
DAC to line output (
HPOUT3x,
HPOUT4x
; Load = 10 k,
50 pF)
Full-scale output signal level 0 dBFS input
1
0
VRMS
dBV
SNR, defined in Tab l e 3-1 A-weighted, output signal = 1 VRMS 115 125 dB
Dynamic range, defined in Table 3-1 A-weighted,60 dBFS input 107 115 dB
THD, defined in Tab l e 3- 1 0 dBFS input –92 dB
THD+N, defined in Tab l e 3- 1 0 dBFS input –91 –85 dB
Channel separation (L/R), defined in Tabl e 3-1 100 Hz to 10 kHz 90 dB
Output noise floor A-weighted 0.63 VRMS
PSRR (DBVDD, CPVDD1, AVDD),
defined in Tab le 3- 1
100 mV (peak-peak) 217 Hz
100 mV (peak-peak) 10 kHz
110
78
dB
dB
PSRR (DCVDD, FLLVDD, CPVDD2),
defined in Tab le 3- 1
100 mV (peak-peak) 217 Hz
100 mV (peak-peak) 10 kHz
99
69
dB
dB
DAC to headphone output
(
HPOUT3x, HPOUT4x
;
RL=32)
Maximum output power 0.1% THD+N 33 mW
SNR, defined in Tab l e 3-1 A-weighted, output signal = 1 VRMS 124 dB
Dynamic range, defined in Table 3-1 A-weighted,60 dBFS input 107 115 dB
THD, defined in Tab l e 3- 1 PO = 20 mW 93 dB
THD+N, defined in Tab l e 3- 1 PO = 20 mW –90 –85 dB
THD, defined in Tab l e 3- 1 PO = 2 mW 94 dB
THD+N, defined in Tab l e 3- 1 PO = 2 mW 92 dB
Channel separation (L/R), defined in Tabl e 3-1 100 Hz to 10 kHz 102 dB
Output noise floor A-weighted 0.63 VRMS
PSRR (DBVDD, CPVDD1, AVDD),
defined in Tab le 3- 1
100 mV (peak-peak) 217 Hz
100 mV (peak-peak) 10 kHz
127
100
dB
dB
PSRR (DCVDD, FLLVDD, CPVDD2),
defined in Tab le 3- 1
100 mV (peak-peak) 217 Hz
100 mV (peak-peak) 10 kHz
120
95
dB
dB
DAC to headphone output
(
HPOUT3x, HPOUT4x
;
RL=16)
Maximum output power 0.1% THD+N 46 mW
SNR, defined in Tab l e 3-1 A-weighted, output signal = 1 VRMS 124 dB
Dynamic range, defined in Table 3-1 A-weighted,60 dBFS input 107 115 dB
THD, defined in Tab l e 3- 1 PO = 20 mW 94 dB
THD+N, defined in Tab l e 3- 1 PO = 20 mW –89 –80 dB
THD, defined in Tab l e 3- 1 PO = 2 mW 91 dB
THD+N, defined in Tab l e 3- 1 PO = 2 mW 89 dB
Channel separation (L/R), defined in Tabl e 3-1 100 Hz to 10 kHz 100 dB
Output noise floor A-weighted 0.63 VRMS
PSRR (DBVDD, CPVDD1, AVDD),
defined in Tab le 3- 1
100 mV (peak-peak) 217 Hz
100 mV (peak-peak) 10 kHz
128
104
dB
dB
PSRR (DCVDD, FLLVDD, CPVDD2),
defined in Tab le 3- 1
100 mV (peak-peak) 217 Hz
100 mV (peak-peak) 10 kHz
125
97
dB
dB
DAC to earpiece output
(HPOUT3L+HPOUT3R,
HPOUT4L+HPOUT4R
, Mono
Mode
, RL=32 BTL)
Maximum output power 0.1% THD+N 115 mW
SNR, defined in Tab l e 3-1 A-weighted, output signal = 2 VRMS 129 dB
Dynamic range, defined in Table 3-1 A-weighted,60 dBFS input 110 120 dB
THD, defined in Tab l e 3- 1 PO = 75 mW 99 dB
THD+N, defined in Tab l e 3- 1 PO = 75 mW 97 dB
THD, defined in Tab l e 3- 1 PO = 5 mW 98 dB
THD+N, defined in Tab l e 3- 1 PO = 5 mW 94 dB
Output noise floor A-weighted 0.36 VRMS
PSRR (DBVDD, CPVDD1, AVDD),
defined in Tab le 3- 1
100 mV (peak-peak) 217 Hz
100 mV (peak-peak) 10 kHz
127
106
dB
dB
PSRR (DCVDD, FLLVDD, CPVDD2),
defined in Tab le 3- 1
100 mV (peak-peak) 217 Hz
100 mV (peak-peak) 10 kHz
125
101
dB
dB
Table 3-9. Input/Output Path Characteristics (Cont.)
Test conditions (unless specified otherwise): DBVDD = CPVDD1 = AVDD = 1.8 V, DCVDD = FLLVDD = CPVDD2 = 1.2 V; MICVDD = 3.1 V (powered
from internal LDO); TA = +25ºC; 1 kHz sinusoid signal; Fs = 48 kHz; PGA gain = 0 dB, 24-bit audio data.
Parameter Min Typ Max Units
_‘ __— __— _— _— CIRRUS LOGIC” Parameter Mm Typ Max Unils DAC to earpiece output Maximum output power 0.1% THD+N 7 138 7 mw SNR, defined in Table 371 Arwelghted. output signal = 2 v 7 128 7 dB Dynamic range. defined in Table 371 Aaweighled, 760 dBFS input 110 120 7 dB THD, defined in Table 371 P = 75 mw 7 797 7 dB THD+N, defined in Table 371 P = 75 mw 7 795 7 dB THD, defined in Table 371 P : 5 mw 7 796 7 dB THD+N, defined in Table 371 P : 5 mw 7 794 7 dB Output noise floor Aaweighted 7 0.4 7 W PSRR (DBVDD, CPVDD1. AVDD). 100 mV (peakapeak) 217 Hz 7 125 7 dB PSRR (DCVDD, FLLVDD. CPVDDZ). 100 mV (peakapeak) 217 Hz 7 125 7 dB Parameter Minimum Typical Maximum Units Digital l/O (except input HIGH level v = 1.717198 v 0.75 X DBVDD 7 7 v lnput LOW level v =1.7171.98 v 7 7 0.3 x DEVDD v Output HiGH level v =1.7171.98 v 0.75 X DBVDD 7 7 v Output LOW level v =1.7171.98 v 7 7 0.25 x DEVDD v lnput capacitance 7 7 5 DP lnput leakage 710 7 10 pA Puiiaup/puiladown resistance twnere applicable) 35 7 55 m DMic l/o DMICDAT input HisH level 0.65 x v 7 7 v DMICDAT input LOW level 7 7 0.35 x v v DMICCLK output HIGH level l -1mA 0.8 X v 7 7 v DMICCLK output LOW level l 71 mA 7 0,2 x v v lnput capacitance 7 25 pF lnput leakage 71 7 1 pA GPIO Clock output frequency GPIO pin as OPCLK or FLL output 7 7 50 MHZ
15 DS1162F1
CS42L92
3 Characteristics and Specifications
DAC to earpiece output
(HPOUT3L+HPOUT3R,
HPOUT4L+HPOUT4R
, Mono
Mode
, RL=16 BTL)
Maximum output power 0.1% THD+N 138 mW
SNR, defined in Tab l e 3-1 A-weighted, output signal = 2 VRMS 128 dB
Dynamic range, defined in Table 3-1 A-weighted,60 dBFS input 110 120 dB
THD, defined in Tab l e 3- 1 PO = 75 mW 97 dB
THD+N, defined in Tab l e 3- 1 PO = 75 mW 95 dB
THD, defined in Tab l e 3- 1 PO = 5 mW 96 dB
THD+N, defined in Tab l e 3- 1 PO = 5 mW 94 dB
Output noise floor A-weighted 0.4 VRMS
PSRR (DBVDD, CPVDD1, AVDD),
defined in Tab le 3- 1
100 mV (peak-peak) 217 Hz
100 mV (peak-peak) 10 kHz
125
106
dB
dB
PSRR (DCVDD, FLLVDD, CPVDD2),
defined in Tab le 3- 1
100 mV (peak-peak) 217 Hz
100 mV (peak-peak) 10 kHz
125
101
dB
dB
Table 3-10. Digital Input/Output
The following electrical characteristics are valid across the full range of recommended operating conditions.
Parameter Minimum Typical Maximum Units
Digital I/O (except
DMICDATn and
DMICCLKn) 1,2
1.Digital I/O is referenced to DBVDD.
2.Note that digital input pins should not be left unconnected or floating.
Input HIGH level VDBVDD = 1.71–1.98 V
VDBVDD = 2.5 V ±10%
VDBVDD = 3.3 V ±10%
0.75 DBVDD
0.8 DBVDD
0.7 DBVDD
V
V
V
Input LOW level VDBVDD = 1.71–1.98 V
VDBVDD = 2.5 V ±10%
VDBVDD = 3.3 V ±10%
0.3 DBVDD
0.25 DBVDD
0.2 DBVDD
V
V
V
Output HIGH level
(IOH = 1 mA)
VDBVDD = 1.71–1.98 V
VDBVDD = 2.5 V ±10%
VDBVDD = 3.3 V ±10%
0.75 DBVDD
0.65 DBVDD
0.7 DBVDD
V
V
V
Output LOW level
(IOL = 1mA)
VDBVDDn = 1.71–1.98 V
VDBVDDn = 2.5 V ±10%
VDBVDDn = 3.3 V ±10%
0.25 DBVDD
0.3 DBVDD
0.15 DBVDD
V
V
V
Input capacitance 5 pF
Input leakage –10 10 A
Pull-up/pull-down resistance (where applicable) 35 55 k
DMIC I/O
(DMICDATn and
DMICCLKn) 2,3
3.DMICDATn and DMICCLKn are referenced to a selectable supply, VSUP, according to the INn_DMIC_SUP fields.
DMICDATn input HIGH level 0.65 VSUP ——V
DMICDATn input LOW level 0.35 VSUP V
DMICCLKn output HIGH level IOH = 1 mA 0.8 VSUP ——V
DMICCLKn output LOW level IOL = 1mA 0.2 VSUP V
Input capacitance 25 pF
Input leakage –1 1 A
GPIOnClock output frequency GPIO pin as OPCLK or FLL output 50 MHz
Table 3-9. Input/Output Path Characteristics (Cont.)
Test conditions (unless specified otherwise): DBVDD = CPVDD1 = AVDD = 1.8 V, DCVDD = FLLVDD = CPVDD2 = 1.2 V; MICVDD = 3.1 V (powered
from internal LDO); TA = +25ºC; 1 kHz sinusoid signal; Fs = 48 kHz; PGA gain = 0 dB, 24-bit audio data.
Parameter Min Typ Max Units
_‘ __— __— _— _— CIRRUS LOGIC” Parameter Min Typ Max Units Microphone bias Minimum blas voltage 2 7 1,5 7 v Blas current 3 Regulator Mode (MICB ,BYPAss = 0): v 7 v >200 mv 7 7 24 mA Output noise density Regulator Mode (MICBniBYPASS = 0)‘ MICB ,LVL : 0x4 7 50 7 nV/y‘Hz lntegrated noise voltage Regulator Mode (MICBniBYPASS = 0): MICB ,LVL : 0x4: 7 4 7 uv PSRR (DBVDD, CPVDD1. AVDD). delined in Taple 371 100 mv (peakrpeak) 217 Hz 7 105 7 dB PSRR (DCVDD, FLLVDD. CPVDDZ): delined in Table 371 100 mv (peakrpeak) 217 Hz 7 99 7 dB Load capacitance 3 Regulator Mode (MICB ,BYPAss : 0), Mice ,EXT70AP = 0 7 7 50 pF Output discharge resistance Mice ,ENA = 0, MICE ,DISCH = 1 7 2 7 m Generalrpurpose Switch resistance Switch closed, l = 1 mA 7 40 7 ti External Headphone detection load impedance range: HPDilMPEDANCEiRANGE = 00 4 7 30 ii Headphone detection load impedance range: 400 7 6000 ii Headphone detection accuracy: HPDilMPEDANCEiRANGE = 01 or 10 75 7 +5 % Headphone detection accuracy (HPDiLVL‘ MICDET or JACKDET pin) 720 7 +20 % Microphone impedance detection range: tor MICD ,LVLlol = 1 0 7 70 ii Jackrdetectlorl input threshold voltage Detection on JACKDET‘l , Jack insertion 7 0,9 7 v MICVDD Charge Output voltage 09 2,7 33 v Programmable output voltage step size LD027VSEL = 0x0070x14 (0.971AV) 7 25 7 mV Maximum output current 7 a 7 mA Stanrup time 4,7 in: on MICVDD 7 1,0 25 ms Frequencerock Output frequency 45 7 50 MHZ Lock Time F : 32 kHz, F = 49.152 MHz 7 5 7 ms us
16 DS1162F1
CS42L92
3 Characteristics and Specifications
Table 3-11. Miscellaneous Characteristics
Test conditions (unless specified otherwise): DBVDD = CPVDD1 = AVDD = 1.8 V, DCVDD = FLLVDD = CPVDD2 = 1.2 V; MICVDD = 3.1 V (powered
from internal LDO); TA = +25ºC; 1 kHz sinusoid signal; Fs = 48 kHz; PGA gain = 0 dB, 24-bit audio data.
Parameter Min Typ Max Units
Microphone bias
(MICBIASnx) 1
1.No capacitor on MICBIASnx. In Regulator Mode, it is required that VMICVDD – VMICBIAS > 200 mV.
Minimum bias voltage 2
Maximum bias voltage
Bias voltage output step size
Bias voltage accuracy
2.Regulator Mode (MICBn_BYPASS = 0), Load current 1.0 mA.
–5%
1.5
2.8
0.1
+5%
V
V
V
V
Bias current 3
3.Bias current and load capacitance specifications are per MICBIAS generator (MICBIAS1 or MICBIAS2).
Regulator Mode (MICBn_BYPASS = 0), VMICVDD VMICBIAS >200 mV
Bypass Mode (MICBn_BYPASS = 1)
2.4
5.0
mA
mA
Output noise density Regulator Mode (MICBn_BYPASS = 0), MICBn_LVL = 0x4,
Load current = 1 mA, Measured at 1 kHz
—50 nV/Hz
Integrated noise voltage Regulator Mode (MICBn_BYPASS = 0), MICBn_LVL = 0x4,
Load current = 1 mA, 100 Hz to 7 kHz, A-weighted
—4 VRMS
PSRR (DBVDD, CPVDD1, AVDD), defined in Tabl e 3-1 100 mV (peak-peak) 217 Hz
100 mV (peak-peak) 10 kHz
105
95
dB
dB
PSRR (DCVDD, FLLVDD, CPVDD2), defined in Table 3-1 100 mV (peak-peak) 217 Hz
100 mV (peak-peak) 10 kHz
99
92
dB
dB
Load capacitance 3Regulator Mode (MICBn_BYPASS = 0), MICBn_EXT_CAP = 0
Regulator Mode (MICBn_BYPASS = 0), MICBn_EXT_CAP = 1
0.1
1.0
50
10
pF
F
Output discharge resistance MICBnx_ENA = 0, MICBnx_DISCH = 1 2 k
General-purpose
switch 4
4.The GPSWnN pin voltage must not exceed GPSWnP + 0.3 V. See Table 3-2 for voltage limits applicable to the GPSWnP and GPSWnN pins.
Switch resistance Switch closed, I = 1 mA
Switch open
40
100
M
External
Accessory
Detect
Headphone detection load impedance range:
Detection via HPDET1 (HPD_SENSE_
SEL = 0100) or HPDET2 (HPD_SENSE_
SEL = 0101)
HPD_IMPEDANCE_RANGE = 00
HPD_IMPEDANCE_RANGE = 01
HPD_IMPEDANCE_RANGE = 10
HPD_IMPEDANCE_RANGE = 11
4
8
100
1000
30
100
1000
10000
Headphone detection load impedance range:
Detection via MICDETn or JACKDETn pins
400 6000
Headphone detection accuracy:
(HPD_DACVAL, HPDETn pin)
HPD_IMPEDANCE_RANGE = 01 or 10
HPD_IMPEDANCE_RANGE = 00 or 11
–5
–10
+5
+10
%
%
Headphone detection accuracy (HPD_LVL, MICDETn or JACKDETn pin) 20 +20 %
Microphone impedance detection range:
(MICDn_ADC_MODE = 0, 2.2 k ±2% MICBIAS resistor. 5)
5.These characteristics assume no other component is connected to MICDETn.
for MICDn_LVL[0] = 1
for MICDn_LVL[1] = 1
for MICDn_LVL[2] = 1
for MICDn_LVL[3] = 1
for MICDn_LVL[8] = 1
0
110
210
360
1000
70
180
290
680
30000
Jack-detection input threshold voltage
(JACKDETn)
Detection on JACKDET1, Jack insertion
Detection on JACKDET1, Jack removal
Detection on JACKDET2/3, Jack insertion
Detection on JACKDET2/3, Jack removal
0.9
1.65
0.27
0.9
V
V
V
V
MICVDD Charge
Pump and
Regulator (CP2
and LDO2)
Output voltage 0.9 2.7 3.3 V
Programmable output voltage step size LDO2_VSEL = 0x00–0x14 (0.91.4V )
LDO2_VSEL = 0x14 to 0x27 (1.4 V–3.3 V)
25
100
mV
mV
Maximum output current 8 mA
Start-up time 4.7 F on MICVDD 1.0 2.5 ms
Frequency-Lock
ed Loop (FLL1,
FLL2)
Output frequency 45 50 MHz
Lock Time FREF = 32 kHz, FFLL = 49.152 MHz
FREF = 12 MHz, FFLL = 49.152 MHz
5
1
ms
ms
RESET pin input RESET input pulse width 6
6.To trigger a hardware reset, the RESET input must be asserted for longer than this duration.
1— s
_‘ __— __— _— _— CIRRUS LOGIC” Parameter Symbol Minimum Typical Maximum Unils AVDD reset threshoid V D rising V 7 7 1.66 V DCVDD reset threshold V D rising V 7 7 1.04 V DEVDD Reset threshoid V D rising V 7 7 1.66 V Note: The reset threshoids are derived 1mm simuialions oniy. across ail operationai and process Corners. Device performance is not assured Parameter Minimum Typical Maximum Units Master ciock MCLK cycle time MCLK as input to FLL, FLL DREFCLKDDIV = 00 74 7 ns MCLK duly cycle MCLK as input to FLL 80:20 20:80 % Frequencyriocked FLL inputirequency FLL DREFCLKDDIV = 00 0.032 13 MHZ internai ciocking SYSCLK irequency SYSCLKDFREQ : 000. SYSCLKDFRAC : o 71% 6.144 +‘i% MHZ ASYNCCLK irequency ASYNCDCLKDFREQ : 000 71% 6.144 +‘i% MHZ DSPCLK irequency 5 150 MHZ
17 DS1162F1
CS42L92
3 Characteristics and Specifications
Table 3-12. Device Reset Thresholds
The following electrical characteristics are valid across the full range of recommended operating conditions.
Parameter Symbol Minimum Typical Maximum Units
AVDD reset threshold VAVDD rising
VAVDD falling
VAVDD
1.06
1.66
1.44
V
V
DCVDD reset threshold VDCVDD rising
VDCVDD falling
VDCVDD
0.49
1.04
0.70
V
V
DBVDD Reset threshold VDBVDD rising
VDBVDD falling
VDBVDD
1.06
1.66
1.44
V
V
Note: The reset thresholds are derived from simulations only, across all operational and process corners. Device performance is not assured
outside the voltage ranges defined in Tabl e 3 -3 .
Table 3-13. System Clock and Frequency-Locked Loop (FLL)
The following timing information is valid across the full range of recommended operating conditions.
Parameter Minimum Typical Maximum Units
Master clock
timing (MCLK1,
MCLK2, MCLK3) 1
1.If MCLK1, MCLK2, or MCLK3 is selected as a source for SYSCLK or ASYNCCLK (either directly or via one of the FLLs), the frequency must be
within 1% of the applicable SYSCLK_FREQ or ASYNC_CLK_FREQ setting.
MCLK cycle time MCLK as input to FLL, FLLn_REFCLK_DIV = 00
MCLK as input to FLL, FLLn_REFCLK_DIV = 01
MCLK as input to FLL, FLLn_REFCLK_DIV = 10
MCLK as input to FLL, FLLn_REFCLK_DIV = 11
MCLK as direct SYSCLK or ASYNCCLK source
74
37
18
12.5
40
ns
ns
ns
ns
ns
MCLK duty cycle MCLK as input to FLL
MCLK as direct SYSCLK or ASYNCCLK source
80:20
60:40
20:80
40:60
%
%
Frequency-locked
loop (FLL1, FLL2)
FLL input frequency FLLn_REFCLK_DIV = 00
FLLn_REFCLK_DIV = 01
FLLn_REFCLK_DIV = 11
FLLn_REFCLK_DIV = 11
0.032
0.064
0.128
0.256
13
26
52
80
MHz
MHz
MHz
MHz
Internal clocking SYSCLK frequency SYSCLK_FREQ = 000, SYSCLK_FRAC = 0
SYSCLK_FREQ = 000, SYSCLK_FRAC = 1
SYSCLK_FREQ = 001, SYSCLK_FRAC = 0
SYSCLK_FREQ = 001, SYSCLK_FRAC = 1
SYSCLK_FREQ = 010, SYSCLK_FRAC = 0
SYSCLK_FREQ = 010, SYSCLK_FRAC = 1
SYSCLK_FREQ = 011, SYSCLK_FRAC = 0
SYSCLK_FREQ = 011, SYSCLK_FRAC = 1
SYSCLK_FREQ = 100, SYSCLK_FRAC = 0
SYSCLK_FREQ = 100, SYSCLK_FRAC = 1
–1%
–1%
–1%
–1%
–1%
–1%
–1%
–1%
–1%
–1%
6.144
5.6448
12.288
11.2896
24.576
22.5792
49.152
45.1584
98.304
90.3168
+1%
+1%
+1%
+1%
+1%
+1%
+1%
+1%
+1%
+1%
MHz
MHz
MHz
MHz
MHz
MHz
MHz
MHz
MHz
MHz
ASYNCCLK frequency ASYNC_CLK_FREQ = 000
ASYNC_CLK_FREQ = 001
ASYNC_CLK_FREQ = 010
ASYNC_CLK_FREQ = 011
ASYNC_CLK_FREQ = 100
–1%
–1%
–1%
–1%
–1%
–1%
–1%
–1%
–1%
–1%
6.144
5.6448
12.288
11.2896
24.576
22.5792
49.152
45.1584
98.304
90.3168
+1%
+1%
+1%
+1%
+1%
+1%
+1%
+1%
+1%
+1%
MHz
MHz
MHz
MHz
MHz
MHz
MHz
MHz
MHz
MHz
DSPCLK frequency 5 150 MHz
_‘ __— __— _— _— CIRRUS LOGIC” Parameler 1 Symbol Minimum Typical Maximum Unils DMICCLK cycle lime t 160 163 1432 rls DMICCLK duty cycle 7 45 7 55 % DMICCLK rise/lall lime (257m: load, 1.87v supply) 1,,1 5 7 30 rls DMICDAT (left) setup lime to lalling DMICCLK edge t 15 7 rls DMICDAT (left) hold time from laliing DMICCLK edge 1 o 7 rls DMICDAT (right) setup time to rising DMICCLK edge t 15 7 rls DMICDAT (right) hold time lrom rising DMICCLK edge I o 7 rls Note: The voltage reference {or the DMIC interfaces is selectable, using the IN iDMlcisUP fieldSAQBCh interface may be relererlced to
18 DS1162F1
CS42L92
3 Characteristics and Specifications
Table 3-14. Digital Microphone (DMIC) Interface Timing
The following timing information is valid across the full range of recommended operating conditions.
Parameter 1
1.DMIC interface timing
Symbol Minimum Typical Maximum Units
DMICCLKn cycle time tCY 160 163 1432 ns
DMICCLKn duty cycle 45 55 %
DMICCLKn rise/fall time (25-pF load, 1.8-V supply) tr, tf5 30 ns
DMICDATn (left) setup time to falling DMICCLK edge tLSU 15 ns
DMICDATn (left) hold time from falling DMICCLK edge tLH 0—ns
DMICDATn (right) setup time to rising DMICCLK edge tRSU 15 ns
DMICDATn (right) hold time from rising DMICCLK edge tRH 0—ns
Note: The voltage reference for the DMIC interfaces is selectable, using the INn_DMIC_SUP fields—each interface may be referenced to
MICVDD, MICBIAS1, or MICBIAS2.
(left data)(right data)
DMICDAT
(input)
V
IL
V
IH
t
RH
t
RSU
t
LH
t
LSU
V
OL
DMICCLK
(output)
t
CY
V
OH
t
r
t
f
_‘ __— __— _— _— CIRRUS LOGIC” Parameter Symbol Minimum Typical Maximum Units Mode A l SPKCLK cycle time t 160 163 358 ns SPKCLK duty cycle 7 45 7 55 % SPKCLK rise/lall time (257m: load) t,,t 2 7 8 ns SPKDAT setup time to SPKCLK rising edge (lell cnannel) t 30 7 7 ns SPKDAT nold time lrcm SPKCLK rising edge (left cnannel) t 30 7 7 ns SPKDAT selrup time to SPKCLK lalling edge (rignt cnannel) t 30 7 7 ns SPKDAT nold time lrcm SPKCLK lalling edge (rignt channel) 1 30 7 7 ns Mode E 2 SPKCLK cycle time t 160 163 358 ns SPKCLK duty cycle 7 45 7 55 % SPKCLK rise/lall time (257m: load) t,,t 2 7 8 ns SPKDAT enable lrcm SPKCLK rising edge (rignt channel) t 7 7 15 ns SPKDAT disable to SPKCLK lalling edge (rignt cnannel) t 7 7 5 ns SPKDAT enable lrcm SPKCLK lalling edge (left channel) t 7 7 15 ns SPKDAT disable to SPKCLK rising edge (left cnannel) t 7 7 5 ns 4 (lair data) l )4 (”gm data )l
19 DS1162F1
CS42L92
3 Characteristics and Specifications
Table 3-15. Digital Speaker (PDM) Interface Timing
The following timing information is valid across the full range of recommended operating conditions.
Parameter Symbol Minimum Typical Maximum Units
Mode A 1
1.Digital speaker (PDM) interface timing—Mode A
SPKCLK cycle time tCY 160 163 358 ns
SPKCLK duty cycle 45 55 %
SPKCLK rise/fall time (25-pF load) tr, tf2—8ns
SPKDAT set-up time to SPKCLK rising edge (left channel) tLSU 30 ns
SPKDAT hold time from SPKCLK rising edge (left channel) tLH 30 ns
SPKDAT set-up time to SPKCLK falling edge (right channel) tRSU 30 ns
SPKDAT hold time from SPKCLK falling edge (right channel) tRH 30 ns
Mode B 2
2.Digital speaker (PDM) interface timing—Mode B
SPKCLK cycle time tCY 160 163 358 ns
SPKCLK duty cycle 45 55 %
SPKCLK rise/fall time (25-pF load) tr, tf2—8ns
SPKDAT enable from SPKCLK rising edge (right channel) tREN ——15ns
SPKDAT disable to SPKCLK falling edge (right channel) tRDIS —— 5ns
SPKDAT enable from SPKCLK falling edge (left channel) tLEN ——15ns
SPKDAT disable to SPKCLK rising edge (left channel) tLDIS —— 5ns
SPKCLK
(output)
SPKDAT
(output)
t
CY
t
LH
t
RH
t
LSU
t
RSU
(left data) (right data)
V
OH
V
OL
V
OL
t
r
t
f
V
OH
(right data)(left data)
V
OL
t
f
SPKCLK
(output)
SPKDAT
(output)
t
LDIS
t
RDIS
t
LEN
t
CY
t
REN
V
OL
t
r
V
OH
V
OH
_‘ __— __— _— _— CIRRUS LOGIC” Parameter‘ Symbol Minimum Typical Maximum Units Master Mode AIF ECLK cycle time t 40 7 7 ns AIF ECLK pulse Widiri riigh t 18 7 7 ns AIF ECLK pulse Widiri low t 18 7 7 ns AIF LRCLK propagation delay from ECLK tailing edge 2 I o 7 23.3 ns AIF TXDAT propagation delay irorn BCLK ialling edge t o 7 5 ns AIF RXDAT setup time to ECLK rising edge t 11 7 7 ns AIF RXDAT tiold iirne irorn BCLK rising edge t o 7 7 ns Master Mode. AIF LRCLK setup time to BCLK rising edge t 14 7 7 ns AIF LRCLK riold time from ECLK rising edge t o 7 7 ns Notes: The descriptions above assume noninverted polarity 0' AIF BCLK, nabledi the LRCLK lransiliari is tuned relative to the preceding
20 DS1162F1
CS42L92
3 Characteristics and Specifications
Table 3-16. Digital Audio Interface—Master Mode
Test conditions (unless specified otherwise): CLOAD = 25 pF (output pins); BCLK slew (10% to 90%) = 3.7–5.6 ns; with the exception of the conditions
noted, the following electrical characteristics are valid across the full range of recommended operating conditions.
Parameter 1
1.Digital audio interface timing—Master Mode. Note that BCLK and LRCLK outputs
can be inverted if required; the figure shows the default, noninverted polarity.
Symbol Minimum Typical Maximum Units
Master Mode AIFnBCLK cycle time tBCY 40 ns
AIFnBCLK pulse width high tBCH 18 ns
AIFnBCLK pulse width low tBCL 18 ns
AIFnLRCLK propagation delay from BCLK falling edge 2
2.The timing of the AIFnLRCLK signal is selectable. If the LRCLK advance option is enabled, the LRCLK transition is timed relative to the preceding
BCLK edge. Under the required condition that BCLK is inverted in this case, the LRCLK transition is still timed relative to the falling BCLK edge.
tLRD 0—8.3ns
AIFnTXDAT propagation delay from BCLK falling edge tDD 0—5ns
AIFnRXDAT setup time to BCLK rising edge tDSU 11 ns
AIFnRXDAT hold time from BCLK rising edge tDH 0—ns
Master Mode,
Slave LRCLK
AIFnLRCLK setup time to BCLK rising edge tLRSU 14 ns
AIFnLRCLK hold time from BCLK rising edge tLRH 0—ns
Notes: The descriptions above assume noninverted polarity of AIFnBCLK.
BCLK
(output)
LRCLK
(output)
TXDAT
(output)
RXDAT
(input)
t
DD
t
DH
t
DSU
t
LRD
t
BCH
t
BCL
t
BCY
_‘ __— __— _— _— CIRRUS LOGIC” Parameter 1.2 Symbol Min Typ Max Units AlF BCLK cycle time ns AlF BCLK pulse width nigh ECLK as direct SYSCLK or ASYNCCLK source 167 ns AlF BCLK pulse width low ECLK as direct SYSCLK or ASYNCCLK source ns c = 15 pF (output pins)‘ AIF LRCLK setrup time to BCLK rising edge t ns AIF LRCLK hold time Vrom ECLK rising edge ns AIF TXDAT propagation delay from BCLK lalling edge 12.2 ns AIF RXDAT setrup time to ECLK rising edge ns AIF RXDAT hold time from BCLK rising edge omoou l ns Master LRCLK. AIF LRCLK propagation delay Vrom BCLK falling edge 14.8 ns c = 25 pF (output pins)‘ AIF LRCLK setrup time to BCLK rising edge t ns AIF LRCLK hold time Vrom ECLK rising edge ns AIF TXDAT propagation delay from BCLK lalling edge 14.2 ns AIF RXDAT setrup time to ECLK rising edge ns AIF RXDAT hold time from BCLK rising edge omooul l ns Master LRCLK. AIF LRCLK propagation delay Vrom BCLK falling edge 15.9 ns Note: The descriptions above assume noninverted polarity of AIF BCLK. er directly or via one at the FLLs)‘ the frequency must be within Farameterl Min Typ Max Units Master Mode7C (AIF TXDAT) = 15 to AlFriTXDAT enable time Vrom BCLK Valling edge 0 7 7 ns AlFriTXDAT disable time Vrom ECLK tailing edge 7 7 6 ns Slave Mod7C D (AIF TXDAT) = 15 pF). AlFriTXDAT enable time Vrom BCLK Valling edge 2 7 7 ns AlFriTXDAT disable time Vrom BCLK falling edge 7 7 12.2 ns Slave Mod7C D (AIF TXDAT) = 25 pF). AlFriTXDAT enable time Vrom BCLK Valling edge 2 7 7 ns AlFriTXDAT disable time Vrom BCLK falling edge 7 7 14.2 ns Note: It TDM operation is used on the NF TXDAT pins‘ it is important that two devices do not attempt to drive t he AanTXDAT pin f
21 DS1162F1
CS42L92
3 Characteristics and Specifications
Table 3-17. Digital Audio Interface—Slave Mode
The following timing information is valid across the full range of recommended operating conditions, unless otherwise noted.
Parameter 1,2
1.Digital audio interface timing—Slave Mode. Note that BCLK and LRCLK inputs can
be inverted if required; the figure shows the default, noninverted polarity.
2.If AIFnBCLK or AIFnLRCLK is selected as a source for SYSCLK or ASYNCCLK (either directly or via one of the FLLs), the frequency must be within
1% of the applicable SYSCLK_FREQ or ASYNC_CLK_FREQ setting.
Symbol Min Typ Max Units
AIFnBCLK cycle time tBCY 40 ns
AIFnBCLK pulse width high BCLK as direct SYSCLK or ASYNCCLK source
All other conditions
tBCH
tBCH
16
14
ns
ns
AIFnBCLK pulse width low BCLK as direct SYSCLK or ASYNCCLK source
All other conditions
tBCL
tBCL
16
14
ns
ns
CLOAD = 15 pF (output pins),
BCLK slew (10%–90%) = 3 ns
AIFnLRCLK set-up time to BCLK rising edge tLRSU 7—ns
AIFnLRCLK hold time from BCLK rising edge tLRH 0—ns
AIFnTXDAT propagation delay from BCLK falling edge tDD 0—12.2ns
AIFnRXDAT set-up time to BCLK rising edge tDSU 2— ns
AIFnRXDAT hold time from BCLK rising edge tDH 0— ns
Master LRCLK, AIFnLRCLK propagation delay from BCLK falling edge tLRD ——14.8ns
CLOAD = 25 pF (output pins),
BCLK slew (10%–90%) = 6 ns
AIFnLRCLK set-up time to BCLK rising edge tLRSU 7— ns
AIFnLRCLK hold time from BCLK rising edge tLRH 0— ns
AIFnTXDAT propagation delay from BCLK falling edge tDD 0—14.2ns
AIFnRXDAT set-up time to BCLK rising edge tDSU 2— ns
AIFnRXDAT hold time from BCLK rising edge tDH 0— ns
Master LRCLK, AIFnLRCLK propagation delay from BCLK falling edge tLRD ——15.9ns
Note: The descriptions above assume noninverted polarity of AIFnBCLK.
Table 3-18. Digital Audio Interface Timing—TDM Mode
The following timing information is valid across the full range of recommended operating conditions, unless otherwise noted.
Parameter 1
1.Digital audio interface timing—
TDM Mode. The timing of the
AIFnTXDAT tristating at the
start and end of the data
transmission is shown.
Min Typ Max Units
Master Mode—CLOAD (AIFnTXDAT) = 15 to
25 pF. BCLK slew (10%–90%) = 3.7ns to 5.6 ns.
AIFnTXDAT enable time from BCLK falling edge 0 ns
AIFnTXDAT disable time from BCLK falling edge 6 ns
Slave Mode—CLOAD (AIFnTXDAT) = 15 pF).
BCLK slew (10%–90%) = 3 ns
AIFnTXDAT enable time from BCLK falling edge 2 ns
AIFnTXDAT disable time from BCLK falling edge 12.2 ns
Slave Mode—CLOAD (AIFnTXDAT) = 25 pF).
BCLK slew (10%–90%) = 6 ns
AIFnTXDAT enable time from BCLK falling edge 2 ns
AIFnTXDAT disable time from BCLK falling edge 14.2 ns
Note: If TDM operation is used on the AIFnTXDAT pins, it is important that two devices do not attempt to drive the AIFnTXDAT pin
simultaneously. To support this requirement, the AIFnTXDAT pins can be configured to be tristated when not outputting data.
BCLK
(input)
LRCLK
(input)
TXDAT
(output)
RXDAT
(input)
t
DSU
t
DD
t
DH
t
LRH
t
LRSU
t
BCH
t
BCL
t
BCY
BCLK
TXDAT
AIFnTXDAT enable time AIFnTXDAT disable time
AIFnTXDAT undriven (tristate) AIFnTXDAT valid (codec output) AIFnTXDAT valid AIFnTXDAT undriven (tristate)
_‘ __— __— _— _— CIRRUS LOGIC” Parameter‘ Symbol Min Typ Max Units SCLK lrequency 7 7 7 3400 KHZ SCLK puiserwidth IDW t 160 7 7 ns SCLK puiserwidth high t 100 7 7 ns Hold time (Stan condition) t 160 7 7 ns Setup me (start condttion) t 160 7 7 ns SDA, SCLK rise time (10%790‘7/a) SCLK lrequency > 1.7 MHZ t 7 7 80 ns SDA, SCLK Vail time (90%71O%) SCLK lrequency > 1.7 MHZ t 7 7 60 ns Setup ume (slop common) t 160 7 7 ns SDA setup time (data mput) t 40 7 7 ns SDA hold time (data input) t 0 7 7 ns SDA Valid time (data/ACK output) SCLK siew (90%710‘7/p) = ZOHS‘ C (SDA) = 15 OF I 7 7 40 ns Puise width 01 sptxes that are suppressed t 0 7 25 ns , , 7 7 7 fl 7 , _\ i ‘ <—. ‘="" 7»=""><7 j="" i="" i="" z="" ‘7="" i="" i="">
22 DS1162F1
CS42L92
3 Characteristics and Specifications
Table 3-19. Control Interface Timing—Two-Wire (I2C) Mode
The following timing information is valid across the full range of recommended operating conditions.
Parameter 1
1.Control interface
timing—I2C Mode
Symbol Min Typ Max Units
SCLK frequency 3400 kHz
SCLK pulse-width low t1160 ns
SCLK pulse-width high t2100 ns
Hold time (start condition) t3160 ns
Setup time (start condition) t4160 ns
SDA, SCLK rise time (10%–90%) SCLK frequency > 1.7 MHz
SCLK frequency > 1 MHz
SCLK frequency 1MHz
t6
t6
t6
80
160
2000
ns
ns
ns
SDA, SCLK fall time (90%–10%) SCLK frequency > 1.7 MHz
SCLK frequency > 1 MHz
SCLK frequency 1MHz
t7
t7
t7
60
160
200
ns
ns
ns
Setup time (stop condition) t8160 ns
SDA setup time (data input) t540 ns
SDA hold time (data input) t90— ns
SDA valid time (data/ACK output) SCLK slew (90%–10%) = 20ns, CLOAD (SDA) = 15 pF
SCLK slew (90%–10%) = 60ns, CLOAD (SDA) = 100 pF
SCLK slew (90%–10%) = 160ns, CLOAD (SDA) = 400 pF
SCLK slew (90%–10%) = 200ns, CLOAD (SDA) = 550 pF
t10
t10
t10
t10
40
130
190
220
ns
ns
ns
ns
Pulse width of spikes that are suppressed tps 0 25 ns
SCLK
(input)
SDA
t
4
t
3
START
t
8
STOP
t
2
t
1
t
7
t
6
t
5
t
9
t
10
_‘ __— __— _— _— CIRRUS LOGIC” Parameter 1, 2 Symbol Min Typ Max Units SCLK pmse cyme time SYSCLK msamed (SYSCLKiENA : 0) 1 38.4 7 7 ns SCLK pu‘serwidth low I 15.3 7 7 ns SCLK pu‘serwidth 11191. t 15.3 7 7 ns MOSI Io SCLK serup me I 1.5 7 7 ns MOSI Io SCLK now 11me ( 1.7 7 7 ns SCLK lalhng edge to MISO transiuon SCLK slew (gov/1,7111%) : 5 ns. 0 (MISC) = 25 pF 1 o 7 12.6 ns 1 i v—j ' \
23 DS1162F1
CS42L92
3 Characteristics and Specifications
Table 3-20. Control Interface Timing—Four-Wire (SPI) Mode
The following timing information is valid across the full range of recommended operating conditions.
Parameter 1, 2
1.Control interface timing—SPI Mode (write
cycle)
2.Control interface timing—SPI Mode (read
cycle)
Symbol Min Typ Max Units
SS falling edge to SCLK rising edge tSSU 2.6 — ns
SCLK falling edge to SS rising edge tSHO 0—— ns
SCLK pulse cycle time SYSCLK disabled (SYSCLK_ENA = 0)
SYSCLK_ENA = 1, SYSCLK_FREQ = 000
SYSCLK_ENA = 1, SYSCLK_FREQ > 000
tSCY
tSCY
tSCY
38.4
76.8
38.4
ns
ns
ns
SCLK pulse-width low tSCL 15.3 ns
SCLK pulse-width high tSCH 15.3 ns
MOSI to SCLK set-up time tDSU 1.5 ns
MOSI to SCLK hold time tDHO 1.7 ns
SCLK falling edge to MISO transition SCLK slew (90%–10%) = 5 ns, CLOAD (MISO) = 25 pF tDL 0 12.6 ns
SS
(input)
SCLK
(input)
MOSI
(input)
tSSU
tSCH tSCL
tSCY
tDHO
tDSU
tSHO
SCLK
(input)
MISO
(output)
t
DL
SS
(input)
_‘ __— __— _— _— CIRRUS LOGIC” Parameter 1 Symbol Minimum Typ Maximum Units SLIMCLK SLIMCLK Cyc‘e time 7 35 7 7 nS SLIMCLK SLIMCLK Cyc‘e time 7 40 7 7 nS SLIMCLK Slew C = 15 pF, SLIMCLKiDRVisTR = 0 SR 0.09 x V 7 0.22 x V V/nS SLIMDAT SLIMDAT Setup [me lo SLIMCLK Valling edge T 3.5 7 7 nS SLIMDAT hmd time Vrom SLIMCLK ialhng edge T 2 7 7 nS SLIMDAT SUMDATlime SLIMDATiDRvisTR = 0, DBVDD = 1.71 V T 7 4.7 8.1 nS SLIMDAT Slew C = 15 pF, SLIMDATiDRVisTR = 0 SR 7 7 0.64 x V V/nS Other Dru/er disable time T 7 7 6 nS Bus hmder output \mpedance 0.1 XV < 0,9xv="" r="" 18="" 7="" 50="" ko="" notes:="" l__="">
24 DS1162F1
CS42L92
3 Characteristics and Specifications
Table 3-21. SLIMbus Interface Timing
The following timing information is valid across the full range of recommended operating conditions.
Parameter 1
1.SLIMbus interface timing.
Symbol Minimum Typ Maximum
Units
SLIMCLK
input
SLIMCLK cycle time
SLIMCLK pulse width high
SLIMCLK pulse width low
TCLKH
TCLKL
35
12
12
ns
ns
ns
SLIMCLK
output
SLIMCLK cycle time
SLIMCLK pulse width high
SLIMCLK pulse width low
TCLKH
TCLKL
40
12
12
ns
ns
ns
SLIMCLK slew
rate (20%–80%)
CLOAD = 15 pF, SLIMCLK_DRV_STR = 0
CLOAD = 70 pF, SLIMCLK_DRV_STR = 0
CLOAD = 70 pF, SLIMCLK_DRV_STR = 1
SRCLK
SRCLK
SRCLK
0.09 x V
DBVDD
0.02 x V
DBVDD
0.04 x V
DBVDD
0.22 x V
DBVDD
0.05 x V
DBVDD
0.11 x V
DBVDD
V/ns
V/ns
V/ns
SLIMDAT
input
SLIMDAT setup time to SLIMCLK falling edge TSETUP 3.5 ns
SLIMDAT hold time from SLIMCLK falling edge TH2— ns
SLIMDAT
output
SLIMDAT time
for data output
valid (relative to
SLIMCLK rising
edge)
SLIMDAT_DRV_STR = 0, DBVDD = 1.71 V
C
LOAD
= 15 pF, SLIMDAT_DRV_STR = 1, DBVDD = 1.71 V
C
LOAD
= 30 pF, SLIMDAT_DRV_STR = 0, DBVDD = 1.71 V
C
LOAD
= 30 pF, SLIMDAT_DRV_STR = 1, DBVDD = 1.71 V
C
LOAD
= 50 pF, SLIMDAT_DRV_STR = 0, DBVDD = 1.71 V
C
LOAD
= 50 pF, SLIMDAT_DRV_STR = 1, DBVDD = 1.71 V
C
LOAD
= 70 pF, SLIMDAT_DRV_STR = 0, DBVDD = 1.71 V
C
LOAD
= 70 pF, SLIMDAT_DRV_STR = 1, DBVDD = 1.71 V
TDV
TDV
TDV
TDV
TDV
TDV
TDV
TDV
4.7
4.3
6.8
5.8
9.6
7.9
12.4
10.0
8.1
7.3
11.8
10.0
16.6
13.7
21.5
17.4
ns
ns
ns
ns
ns
ns
ns
ns
SLIMDAT slew
rate (20%–80%)
CLOAD = 15 pF, SLIMDAT_DRV_STR = 0
CLOAD = 30 pF, SLIMDAT_DRV_STR = 0
CLOAD = 30pF, SLIMDAT_DRV_STR = 1
CLOAD = 70pF, SLIMDAT_DRV_STR = 0
CLOAD = 70pF, SLIMCLK_DRV_STR = 1
SRDATA
SRDATA
SRDATA
SRDATA
SRDATA
0.64 x V
DBVDD
0.35 x V
DBVDD
0.46 x V
DBVDD
0.16 x V
DBVDD
0.21 x V
DBVDD
V/ns
V/ns
V/ns
V/ns
V/ns
Other
parameters
Driver disable time TDD —— 6 ns
Bus holder output impedance 0.1 x VDBVDD <V< 0.9 x V
DBVDD RDATAS 18 50 k
Notes:
The signal timing information describes the timing requirements of the SLIMbus interface as a whole, not just the CS42L92 device.
TDV is the propagation delay from the rising SLIMCLK edge (at CS42L92 input) to the SLIMDAT output being achieved at the input to all
devices across the bus.
TSETUP is the set-up time for SLIMDAT input (at CS42L92), relative to the falling SLIMCLK edge (at CS42L92).
TH is the hold time for SLIMDAT input (at CS42L92) relative to the falling SLIMCLK edge (at CS42L92).
For more details of the interface timing, refer to the MIPI Alliance Specification for Serial Low-Power Inter-Chip Media Bus (SLIMbus)
SLIMDAT
TDV
TCLKL TCLKH
V
IH
V
IL
TSETUP TH
V
IH
, V
OH
V
IL
, V
OL
SLIMCLK
VIL, VIH are the 35%/65% levels of the respective inputs.
VOL, VOH are the 20%/80% levels of the respective outputs.
The SLIMDAT output delay (TDV) is with respect to the input pads of all receiving devices.
_‘ __— __— _— _— CIRRUS LOGIC” Parameter‘ Symbol Minimum Typical Maximum Units TCK cycle time T 50 7 7 ns TCK pulse Widln nign T 20 7 7 ns TCK pulse widtn low T 20 7 7 ns TMS setup time to TCK rising edge T 1 7 7 ns TMS hold time lrorn TCK rising edge T 2 7 7 ns TDI setup time to TCK rising edge T 1 7 7 ns TDI noid time lrom TCK rising edge T 2 7 7 ns TDO propagation delay lrorn TCK lailing edge T o 7 17 ns TRST setup time to TCK rising edge T 3 7 7 ns TRST noid time lrom TCK rising edge T 3 7 7 ns TRST puiserwidth low 7 20 7 7 ns WW
DS1162F1 25
CS42L92
3 Characteristics and Specifications
Table 3-22. JTAG Interface Timing
Test conditions (unless specified otherwise): CLOAD =25 pF (output pins); TCK slew (20%80%) =5ns; with the exception of the conditions noted,
the following electrical characteristics are valid across the full range of recommended operating conditions.
Parameter 1
1.JTAG Interface timing
Symbol Minimum Typical Maximum Units
TCK cycle time TCCY 50 ns
TCK pulse width high TCCH 20 ns
TCK pulse width low TCCL 20 ns
TMS setup time to TCK rising edge TMSU 1—ns
TMS hold time from TCK rising edge TMH 2—ns
TDI setup time to TCK rising edge TDSU 1—ns
TDI hold time from TCK rising edge TDH 2—ns
TDO propagation delay from TCK falling edge TDD 0—17ns
TRST setup time to TCK rising edge TRSU 3—ns
TRST hold time from TCK rising edge TRH 3—ns
TRST pulse-width low 20 ns
TCK
(input)
t
CCH
t
CCL
t
CCY
TDI
(input)
t
DSU
t
DH
TMS
(input)
t
MSU
t
MH
TDO
(output)
t
DD
TRST
(input)
t
RSU
t
RH
_‘ __— __— _— _— CIRRUS LOGIC” Typical Typical Headphone playback A|F1 to DAC to HPOUT‘i (stereo). Quiescent 1.2a 0.8 3.6 Earpiece piaynack AIF1 to DAC to HPOUT‘i (mono). Quiescent 1.2 0.85 2,97 stereo iine record Anaiog line to ADC to AIF1. 17tz sine wave, .1 dBFS output 1.1 2.2 5.28 Sleep Mode Accessory detect enapied (JDLENA = 1) 0.000 0.010 0.01:; Operating Configuration Latency (us) AIF to DAC pathidigitai input (AIF ) to anaiog output (HPOUTn) 192 KHZ input, 192 kHz output, Syncnronous 237 192 KHZ input, 192 kHz output, Syncnronous 50 ADC to AIF pamianaiog input (IN )to digital output (AIF )3
26 DS1162F1
CS42L92
3 Characteristics and Specifications
Table 3-23. Typical Power Consumption
Test conditions (unless specified otherwise): DBVDD = CPVDD1 = AVDD = 1.8 V, DCVDD = FLLVDD = CPVDD2 = 1.2 V; MICVDD = Off (CP2 and
LDO2 disabled); TA = +25ºC; Fs = 48 kHz; 24-bit audio data, I2S Slave Mode; SYSCLK = 24.576 MHz (direct MCLK1 input).
Operating Configuration Typical
I1.2V (mA)
Typical
I1.8V (mA)
P
TOT
(mW)
Headphone playback AIF1 to DAC to HPOUT1 (stereo),
32- load.
Quiescent
1-kHz sine wave, PO=10mW
1.8
37.8
0.8
1.9
3.6
48.78
Earpiece playback AIF1 to DAC to HPOUT1 (mono),
32- load (BTL).
Quiescent
1-kHz sine wave, PO=30mW
1.2
61.7
0.85
1.7
2.97
77.1
Stereo line record Analog line to ADC to AIF1,
MICVDD = 1.8V (CP2 and LDO2
bypass enabled).
1-kHz sine wave, -1 dBFS output 1.1 2.2 5.28
Sleep Mode Accessory detect enabled (JD1_ENA = 1) 0.000 0.010 0.018
Table 3-24. Typical Signal Latency
Test conditions (unless specified otherwise): DBVDD = CPVDD1 = AVDD = 1.8 V, DCVDD = FLLVDD = CPVDD2 = 1.2 V; MICVDD = Off (CP2 and
LDO2 disabled); TA = +25ºC; Fs = 48 kHz; 24-bit audio data, I2S Slave Mode; SYSCLK = 24.576 MHz (direct MCLK1 input).
Operating Configuration
Latency (
s)
AIF to DAC path—digital input (AIFn) to analog output (HPOUTn) 192 kHz input, 192 kHz output, Synchronous
96 kHz input, 96 kHz output, Synchronous
48 kHz input, 48 kHz output, Synchronous
44.1 kHz input, 44.1 kHz output, Synchronous
16 kHz input, 16 kHz output, Synchronous
8 kHz input, 8 kHz output, Synchronous
8 kHz input, 48 kHz output, Isochronous 1
16 kHz input, 48 kHz output, Isochronous 1
8 kHz input, 44.1 kHz output, Asynchronous 2
16 kHz input, 44.1 kHz output, Asynchronous 2
1.Signal is routed via the ISRC function in the isochronous cases only.
2.Signal is routed via the ASRC function in the asynchronous cases only.
237
269
358
374
629
1334
1939
993
1880
1084
ADC to AIF path—analog input (INn) to digital output (AIFn) 3
3.Digital core high-pass filter is included in the signal path.
192 kHz input, 192 kHz output, Synchronous
96 kHz input, 96 kHz output, Synchronous
48 kHz input, 48 kHz output, Synchronous
44.1 kHz input, 44.1 kHz output, Synchronous
16 kHz input, 16 kHz output, Synchronous
8 kHz input, 8 kHz output, Synchronous
8 kHz input, 48 kHz output, Isochronous 1
16 kHz input, 48 kHz output, Isochronous 1
44.1 kHz input, 8 kHz output, Asynchronous 2
44.1 kHz input, 16 kHz output, Asynchronous 2
50
96
193
212
558
1170
1696
861
1364
841
_‘ __— __— _— _— CIRRUS LOGIC” G
DS1162F1 27
CS42L92
4 Functional Description
4 Functional Description
The CS42L92 is a highly integrated, low-power audio hub codec for mobile telephony and portable devices. It provides
flexible, high-performance audio interfacing for handheld devices in a small and cost-effective package. The digital audio
interfaces and hi-fi DACs support 32-bit playback, offering audiophile-quality playback at sample rates up to 384 kHz.
Native audio playback is possible, concurrent with voice and ultrasonic input paths. Multiple analog outputs support a wide
variety of the headphone/accessory configurations, including balanced stereo headphone loads.
4.1 Overview
The CS42L92 block diagram is shown in Fig. 4-1.
Figure 4-1. CS42L92 Block Diagram
The CS42L92 combines fixed-function signal-processing blocks with a fully-flexible, all-digital audio mixing and routing
engine for extensive use-case flexibility. The signal-processing blocks include high-/low-pass filters, EQ, dynamic range
control, and sample-rate converters.
The CS42L92 provides multiple digital audio interfaces, including SLIMbus, to provide independent and fully
asynchronous connections to different processors (e.g., application processor, baseband processor, and wireless
transceiver).
A flexible clocking arrangement supports a wide variety of external clock references, including clocking derived from the
digital audio interface. Two frequency-locked loop (FLL) circuits provide additional flexibility for system clocking, including
low-power always-on operation. Seamless switching between clock sources is supported, and free-running modes are
also available.
Unused circuitry can be disabled under software control to save power; low leakage currents enable extended standby/off
time in portable battery-powered applications. The CS42L92 always-on circuitry can be used in conjunction with the
applications processor to wake up the device following a headphone jack-detection event.
Digital Mixing Core
Programmable DSP
Five-band equalizer (EQ)
Dynamic range control (DRC)
Low-pass/high-pass filter (LHPF)
Asynchronous sample -rate conversion
Automatic sample -rate detection
Data format conversion
Ultrasonic demodulator
PWM signal generator
Haptic control signal generator
HPOUTnL
HPOUTnR
DAC
DAC
Charge Pumps
CP1C1A
CP1C1B
CP1VOUT1P
CP1VOUT1N
CPVDD2
CPGND
DBVDD
DCVDD
FLLGND
CP1C2A
CP1C2B
CP1VOUT2P
CP1VOUT2N
SUBGND
AEC (Echo Cancelation)
Loop-Back
CP2CA
CP2CB
FLLVDD
CPVDD1
SPKCLK
SPKDAT
DGND
SLIMbus
Interface
SLIMDAT2
Control Interface (SPI/I
2
C)
Digital Audio Interfaces
AIF1, AIF2, AIF3
AIF1TXDAT
AIF1RXDAT
AIF1BCLK
AIF1LRCLK
AIF2TXDAT
AIF2RXDAT
AIF2BCLK
AIF2LRCLK
AIF3TXDAT
AIF3RXDAT
AIF3BCLK
AIF3LRCLK
CIFMOSI/SDA
CIFSS
CIFMODE
CIFSCLK
CIFMISO
PDM
Driver
x4
LDO and
MICBIAS
Generators
MICBIAS1A
MICBIAS1B
MICBIAS1C
MICBIAS1D
MICVDD
CP2VOUT
RESET
IRQ
AIFnBCLK
AIFnLRCLK
MCLK3
MCLK2
Clocking
Control
SLIMCLK
Input Select
4 x ADC
4 x Stereo
Digital Mic
Interface
IN1ALN/DMICCLK1, IN1BLN
IN1ALP/DMICDAT1, IN1BLP
IN1ARN/DMICCLK3
IN1ARP/DMICDAT3, IN1BR
IN2ALN/DMICCLK2
IN2ALP/DMICDAT2, IN2BL
IN2ARN/DMICCLK4
IN2ARP/DMICDAT4, IN2BR
MICBIAS2A
MICBIAS2B
SLIMCLK
SLIMDAT1
Reference
Generator
VREFC
AVDD
AGND
GPIO
GPIO1
GPIO2
GPSW1P
GPSW1N
GPSW2P
GPSW2N
MCLK1
SYSCLK
ASYNCCLK
Accessory
Detect
JACKDET2
JACKDET3
HPDET1
HPDET2
MICDET1/HPOUTFB1
MICDET2/HPOUTFB2
MICDET3/HPOUTFB3
MICDET4/HPOUTFB4
MICDET5/HPOUTFB5
JACKDET1
CS42L92
__- __— __— _— _— CIRRUS LOGIC"
28 DS1162F1
CS42L92
4.1 Overview
Versatile GPIO functionality is provided, including support for external accessory/push-button detection inputs.
Comprehensive interrupt functions, with status reporting, are also provided. The integrated DSP provides a
general-purpose signal processing capability; this is supported by general-purpose timer and event-logger functions.
4.1.1 Hi-Fi Audio Codec
The CS42L92 is a high-performance, low-power audio codec that uses a simple analog architecture. Four ADCs are
incorporated, with multiplexers to support up to eight analog inputs. Six DACs are incorporated, with two being switchable
between two separate headphone output paths.
The audio codec is controlled directly via register access. The simple analog architecture, combined with the integrated
tone generator, enables straightforward device configuration and testing, minimizing debug time and reducing software
effort.
The CS42L92 input channels support up to eight analog inputs or up to eight digital inputs, multiplexed into four stereo
input signal paths. In differential mode, the analog input path SNR is 104 dB (16-kHz sample rate, i.e., wideband voice
mode). The input paths can be configured for low-power operation, ideal for analog or digital microphone input in
always-on applications. Ultrasonic signal demodulation functions are provided, supporting a variety of presence-detection
applications.
The analog outputs comprise four 33-mW (125 dB SNR) stereo headphone amplifiers with ground-referenced output. The
output drivers are designed to support many different system architectures and are compatible with line or headphone
loads in single-ended or differential (BTL) configurations. Headphone outputs HPOUT1 and HPOUT2 offer 127 dB SNR
and –100 dB THD+N performance with a stereo differential headphone load. Outputs HPOUT3 and HPOUT4 are
multiplexed, with the respective DACs and signal paths common to both pairs of output drivers.
Each output path supports independent mixing, equalization, filtering, gain controls. This allows each signal path to be
individually tailored for the load characteristics. Selectable hi-fi filters support audiophile playback modes at sample rates
up to 384 kHz. All outputs have integrated pop and click suppression features.
The headphone output drivers are ground-referenced, powered from an integrated charge pump, enabling high quality,
power efficient headphone playback without any requirement for DC blocking capacitors. Ground loop feedback is
incorporated, providing rejection of noise on the ground connections.
The CS42L92 is cost optimized for a wide range of mobile phone applications. External speaker amplifiers can be
connected using the stereo PDM outputs; this can ease layout and electromagnetic compatibility by avoiding the need to
run high-power speaker outputs over a long distance and across interconnects.
4.1.2 Digital Audio Core
The CS42L92 uses a core architecture based on all-digital signal routing, making digital audio effects available on all signal
paths, regardless of whether the source data input is analog or digital. The digital mixing desk allows different audio effects
to be applied simultaneously on many independent paths, while supporting a variety of sample rates. Soft mute and
unmute control ensures smooth transitions between use cases without interrupting existing audio streams elsewhere.
Highly flexible digital mixing, including mixing between audio interfaces, is possible. The CS42L92 performs multichannel
full-duplex asynchronous sample-rate conversion, providing use-case flexibility across a broad range of system
architectures. Automatic sample-rate detection is provided, enabling seamless wideband/narrowband voice call handover.
DRC functions are available for optimizing audio signal levels. In playback modes, the DRC can be used to maximize
loudness, while limiting the signal level to avoid distortion, clipping, or battery droop, for high-power output drivers such as
speaker amplifiers. In record modes, the DRC assists in applications where the signal level is unpredictable.
The five-band parametric EQ functions can be used to compensate for the frequency characteristics of the output
transducers. EQ functions can be cascaded to provide additional frequency control. Programmable high-pass and
low-pass filters are also available for general filtering applications, such as removal of wind and other low-frequency noise.
__- __— __— _— _— CIRRUS LOGIC"
DS1162F1 29
CS42L92
4.1 Overview
4.1.3 Digital Interfaces
Three serial digital audio interfaces (AIFs) each support PCM, TDM, and I2S data formats for compatibility with most
industry-standard chipsets. Each AIF supports eight input/output channels. Bidirectional operation at sample rates up to
384 kHz is supported. Data words of up to 32 bits can be routed through AIF1 and AIF3. Data-format conversion (DFC)
functions are available to support different interface standards on the input and output signal paths.
Eight digital PDM input channels are available (four stereo interfaces); these are typically used for digital microphones,
powered from the integrated MICBIAS power-supply regulators. Two PDM output channels are also available (one stereo
interface); these are typically used for external power amplifiers. Embedded mute codes provide a control mechanism for
external PDM-input devices.
The auxiliary PDM interface can be used to provide an audio path between an analog microphone connected to the
CS42L92 and a digital input to an external audio processor. The auxiliary PDM interface operates in master or slave
modes, and is configured on GPIO pins.
The CS42L92 features a SLIMbus interface, compliant with the MIPI® SLIMbus specification, providing eight channels of
audio input/output. Mixed audio sample rates are supported on the SLIMbus interface. The SLIMbus interface also
supports read/write access to the CS42L92 control registers.
An IEC-60958-3–compatible S/PDIF transmitter is incorporated, enabling stereo S/PDIF output on a GPIO pin. Standard
S/PDIF sample rates of 32–192 kHz are supported.
Control register access is supported by a configurable SPI/I2C control interface. The interface supports SPI slave
operation up to 26 MHz or I2C slave operation up to 3.4 MHz. Full access to the register map is also provided via the
SLIMbus port.
4.1.4 Other Features
The CS42L92 incorporates a tone generator that can be used for beep functions through any of the audio signal paths.
The tone generator provides two 1-kHz outputs, with configurable phase relationship, offering flexibility to create
differential signals or test scenarios.
A white-noise generator is provided that can be routed within the digital core. The noise generator can provide comfort
noise in cases where silence (digital mute) is not desirable.
Two pulse-width modulation (PWM) signal generators are incorporated. The duty cycle of each PWM signal can be
modulated by an audio source or can be set to a fixed value using a control register setting. The PWM signal generators
can be output directly on a GPIO pin.
The CS42L92 supports up to 16 GPIO pins, offering a range of input/output functions for interfacing, for detection of
external hardware, and for providing logic outputs to other devices. The CS42L92 provides two dedicated GPIO pins; a
further 14 GPIOs are multiplexed with other functions. Comprehensive interrupt functionality is also provided for monitoring
internal and external event conditions.
The integrated DSP provides a general-purpose signal processing capability; this is supported by general-purpose timer
and event-logger functions.
A signal generator for controlling haptics devices is included, compatible with both eccentric rotating mass (ERM) and
linear resonant actuator (LRA) haptics devices. The haptics signal generator is highly configurable and can execute
programmable drive event profiles, including reverse drive control. An external vibe actuator can be driven using the PDM
digital output path.
A smart accessory interface is included, supporting a wide variety of system configurations. Jack detection, accessory
sensing, and impedance measurement is provided, for external headset and push-button detection. Dual headphone
connections (e.g., 3.5 mm and USB-C) can be detected simultaneously. Accessory detection can be used as a wake-up
trigger from low-power standby. Microphone activity detection with interrupt is also available.
__- __— __— _— _— CIRRUS LOGIC"
30 DS1162F1
CS42L92
4.2 Input Signal Path
System clocking can be derived from the MCLK1, MCLK2, or MCLK3 input pins. Alternatively, the SLIMbus interface, or
the audio interfaces (configured in Slave Mode), can be used to provide a clock reference. The CS42L92 also provides
two integrated FLL circuits for clock frequency conversion and stability. The flexible clocking architecture supports
low-power always-on operation, with reference frequencies down to 32 kHz. Seamless switching between clock sources
is supported; free-running FLL modes are also available.
The CS42L92 is powered from 1.8- and 1.2-V external supplies. Integrated charge-pump and LDO-regulator circuits are
used to generate supply rails for internal functions and to support powering or biasing of external microphones. Power
consumption is optimized across a wide variety of voice and multimedia use cases.
4.2 Input Signal Path
The CS42L92 provides flexible input channels, supporting up to eight analog inputs or up to eight digital inputs. Selectable
combinations of analog (mic or line) and digital inputs are multiplexed into four stereo input signal paths. Input paths IN1
and IN2 support analog and digital inputs; input paths IN3 and IN4 support digital inputs only.
The analog input paths support single-ended and differential configurations, programmable gain control, and are digitized
using a high performance sigma-delta ADC. The analog input paths can be configured for low-power operation, ideal for
always-on applications. Analog inputs can be configured as input to the auxiliary PDM interface, providing an audio path
between an analog microphone connected to the CS42L92 and a digital input to an external audio processor.
The digital input paths interface directly with external digital microphones; a separate microphone interface clock is
provided for four separate stereo pairs of digital microphones.
Two microphone bias (MICBIAS) generators provide a low-noise reference for biasing electret condenser microphones
(ECMs) or for use as a low-noise supply for MEMS microphones and digital microphones. Switchable outputs from the
MICBIAS generators allow six separate reference/supply outputs to be independently controlled.
Digital volume control is available on all inputs (analog and digital), with programmable ramp control for smooth, glitch-free
operation. A configurable signal-detect function is available on each input signal path. Ultrasonic signal demodulation
functions are provided on the input signal paths, supporting a variety of presence-detection applications.
The input signal paths and control fields are shown in Fig. 4-2.
CIRRUS LOGIC” _‘ __— __— _— _—
DS1162F1 31
CS42L92
4.2 Input Signal Path
Figure 4-2. Input Signal Paths
+
-
ADC
IN1ALN/DMICCLK1
IN1ALP/DMICDAT1
IN1BLN
IN1BLP
+
-
ADC
IN1ARN/DMICCLK3
IN1ARP/DMICDAT3
IN1BR
DAT
CLK
+
-
ADC
IN2ALN/DMICCLK2
IN2ALP/DMICDAT2
IN2BL
+
-
ADC
IN2ARN/DMICCLK4
IN2ARP/DMICDAT4
IN2BR
DAT
CLK
DAT
CLK
Digital Mic
Interface
Digital Mic
Interface
IN1L
IN1R
IN2L
IN2R
IN4L
IN4R
Digital Mic
Interface
DAT
CLK
Digital Mic
Interface
IN3L
IN3R
IN1L_SRC[1:0] p. 38
IN1R_SRC[1:0] p. 38
IN2L_SRC[1:0] p. 39
IN2R_SRC[1:0] p. 39
IN4_OSR[2:0] p. 40
IN4_DMIC_SUP[1:0] p. 40
IN3_OSR[2:0] p. 39
IN3_DMIC_SUP[1:0] p. 39
IN1L_PGA_VOL[6:0] p. 38
IN1L_LP_MODE p. 38
IN1R_PGA_VOL[6:0] p. 38
IN1R_LP_MODE p. 38
IN2L_PGA_VOL[6:0] p. 39
IN2L_LP_MODE p. 39
IN2R_PGA_VOL[6:0] p. 39
IN2R_LP_MODE p. 39
IN_VD_RAMP[2:0] p. 40
IN_VI_RAMP[2:0] p. 40
IN1L_VOL[7:0] p. 41
IN1L_MUTE p. 41
IN1L_ENA p. 36
IN1R_VOL[7:0] p. 41
IN1R_MUTE p. 41
IN1R_ENA p. 36
IN2L_VOL[7:0] p. 41
IN2L_MUTE p. 41
IN2L_ENA p. 36
IN2R_VOL[7:0] p. 41
IN2R_MUTE p. 41
IN2R_ENA p. 36
IN_HPF_CUT[2:0] p. 38
IN1_MODE p. 38
IN1L_HPF p. 38
IN1R_HPF p. 38
IN2_MODE p. 39
IN2L_HPF p. 39
IN2R_HPF p. 39
IN3L_VOL[7:0] p. 41
IN3L_MUTE p. 41
IN3L_ENA p. 36
IN3R_VOL[7:0] p. 42
IN3R_MUTE p. 42
IN3R_ENA p. 36
IN4L_VOL[7:0] p. 42
IN4L_MUTE p. 42
IN4L_ENA p. 36
IN4R_VOL[7:0] p. 42
IN4R_MUTE p. 42
IN4R_ENA p. 36
IN3L_HPF p. 39
IN3R_HPF p. 39
IN4L_HPF p. 40
IN4R_HPF p. 40
IN4_OSR[2:0] p. 40
IN4_DMIC_SUP[1:0] p. 40
IN3_OSR[2:0] p. 39
IN3_DMIC_SUP[1:0] p. 39
__- __— __— _— _— CIRRUS LOGIC" MIC a1
32 DS1162F1
CS42L92
4.2 Input Signal Path
4.2.1 Analog Microphone Input
Up to eight analog microphones can be connected to the CS42L92, either in single-ended or differential configuration. The
input configuration and pin selection is controlled using INnx_SRC, as described in Section 4.2.6.
The CS42L92 includes external accessory-detection circuits that can report the presence of a microphone and the status
of a hook switch or other push buttons. When using this function, it is recommended to use the IN1ALx, IN1BLx, or IN1BR
analog microphone input paths to ensure best immunity to electrical transients arising from the push buttons.
For single-ended input, the microphone signal is connected to the noninverting input of the PGAs. The inverting inputs of
the PGAs are connected to an internal reference in this configuration.
For differential input, the noninverted microphone signal is connected to the noninverting input of the PGAs and the
inverted (or noisy ground) signal is connected to the inverting input pins.
The gain of the input PGAs is controlled via register settings, as defined in Section 4.2.6. Note that the input impedance
of the analog input paths is fixed across all PGA gain settings.
The ECM analog input configurations are shown in Fig. 4-3 and Fig. 4-4. The integrated MICBIAS generators provide a
low noise reference for biasing the ECMs.
Pseudodifferential connection is also possible—this is similar to the configuration shown in Fig. 4-4, but the GND
connection is directly to the microphone (and INnxN capacitor), instead of via a resistor. The typical connections for
pseudodifferential input are shown in Fig. 4-5.
Note that pseudodifferential input is the recommended configuration if the accessory-detection functions are used on this
input path. The INnx_SRC field settings are the same for pseudodifferential connection as for differential.
The IN1ALN pin can be used as the inverting input connection for the IN1L and IN1R paths concurrently. This allows two
microphones to be supported, in pseudodifferential configuration, while minimizing the number of pin connections
required—see Fig. 4-6.
Figure 4-3. Single-Ended ECM Input Figure 4-4. Differential ECM Input
To ADC
VREF
INnAxN,
IN1BLN
INnAxP,
INnBLP,
INnBx
ECM
GND
MICBIAS
PGA
+
To ADC
VREF
INnAxN,
IN1BLN
INnAxP,
INnBLP,
INnBx
ECM
GND
MICBIAS
PGA
+
_‘ __— __— _— _— CIRRUS LOGIC”
DS1162F1 33
CS42L92
4.2 Input Signal Path
Analog MEMS microphones can be connected to the CS42L92 in a similar manner to the ECM configurations. Typical
configurations are shown in Fig. 4-7 and Fig. 4-8. In this configuration, the integrated MICBIAS generators provide a
low-noise power supply for the microphones.
Note: The MICVDD pin can also be used (instead of MICBIAS) as a reference or power supply for external microphones.
The MICBIAS outputs are recommended, because they offer better noise performance and independent enable/
disable control.
4.2.2 Analog Line Input
Line inputs can be connected to the CS42L92 in a similar manner to the mic inputs. Single-ended and differential
configurations are supported on each analog input path, using the INnx_SRC bits as described in Section 4.2.6.
The analog line input configurations are shown in Fig. 4-9 and Fig. 4-10. Note that the microphone bias (MICBIAS) is not
used for line input connections.
Figure 4-5. Pseudodifferential ECM Input Figure 4-6. Pseudodifferential IN1L/IN1R Input
Figure 4-7. Single-Ended MEMS Input Figure 4-8. Differential MEMS Input
To ADC
VREF
INnAxN,
IN1BLN
INnAxP,
INnBLP,
INnBx
ECM
GND
MICBIAS
PGA
+
IN1ALP
ECM
GND
IN1BR
ECM
GND
IN1ALN
MICBIASnx
To ADC
VREF
INnAxN,
IN1BLN
INnAxP,
INnBLP,
INnBx
MEMS
Mic
MICBIAS
VDD
OUT
GND
GND
PGA
+
To ADC
VREF
INnAxN,
IN1BLN
INnAxP,
INnBLP,
INnBx
MEMS
Mic
MICBIAS
VDD
OUT-P
GND
GND
OUT-N PGA
+
_‘ __— __— _— _— GN 4' CIRRUS LOGIC” Cond' "on DMIC Clock Frequency Valid Sample Rates Signal Fassband IN 708R: 010 384 kHZ Uplo 48 kHZ Up to4kHZ INrLOSR = 011 768 kHZ Up lo 96 kHZ Up to 8 kHZ IN 708 — 100 1.536 MHZ Upto 192 kHZ Up to 20 kHZ IN 708 101 3.072 MHZ Upto 192 kHZ Up to 20 kHZ INrLOSR = 110 6.144 MHZ Up to 192 kHZ Up to 96 kHZ
34 DS1162F1
CS42L92
4.2 Input Signal Path
4.2.3 DMIC Input
As many as eight digital microphones can be connected to the CS42L92. DMIC operation on input paths IN1–IN4 is
selected using IN1_MODE and IN2_MODE, as described in Section 4.2.6.
In DMIC mode, two channels of audio data are multiplexed on the associated DMICDATn pin. Each stereo DMIC interface
is clocked using the respective DMICCLKn output.
If DMIC input is enabled, the CS42L92 outputs the DMIC clock on the applicable DMICCLKn pins. The DMICCLKn
frequency is controlled by the respective INn_OSR field, as described in Table 4-1 and Table 4-3.
Note that, if the 384- or 768-kHz DMICCLKn frequency is selected, the maximum valid sample rate for the respective paths
is restricted as described in Table 4-1. If the input sample rates are set globally using IN_RATE (i.e., IN_RATE_
MODE = 0), all input paths are affected similarly.
Note that SYSCLK must be present and enabled when using the DMIC inputs; see Section 4.16 for details of SYSCLK
and the associated registers.
The DMIC clock frequencies in Table 4-1 assume that the SYSCLK frequency is a multiple of 6.144 MHz (SYSCLK_
FRAC =0). If the SYSCLK frequency is a multiple of 5.6448 MHz (SYSCLK_FRAC =1), the DMIC clock frequencies are
scaled accordingly.
The voltage reference for the DMIC interfaces is selectable, using INn_DMIC_SUP; each interface may be referenced to
MICVDD, MICBIAS1, or MICBIAS2. The voltage reference for each digital input path should be set equal to the applicable
power supply of the respective microphones.
A pair of digital microphones is connected as shown in Fig. 4-11. The microphones must be configured to ensure that the
left mic transmits a data bit when DMICCLK is high and the right mic transmits a data bit when DMICCLK is low. The
CS42L92 samples the DMIC data at the end of each DMICCLK phase. Each microphone must tristate its data output when
the other microphone is transmitting.
Note that the CS42L92 provides integrated pull-down resistors on the DMICDATn pins. This provides a flexible capability
for interfacing with other devices.
Figure 4-9. Single-Ended Line Input Figure 4-10. Differential Line Input
Table 4-1. DMICCLK Frequency
Condition DMIC Clock Frequency Valid Sample Rates Signal Passband
INn_OSR = 010 384 kHz Up to 48 kHz Up to 4 kHz
INn_OSR = 011 768 kHz Up to 96 kHz Up to 8 kHz
INn_OSR = 100 1.536 MHz Up to 192 kHz Up to 20 kHz
INn_OSR = 101 3.072 MHz Up to 192 kHz Up to 20 kHz
INn_OSR = 110 6.144 MHz Up to 192 kHz Up to 96 kHz
GND
Line
To ADC
VREF
INnAxN,
IN1BLN
INnAxP,
INnBLP,
INnBx
PGA
+
To ADC
VREF
INnAxN,
IN1BLN
INnAxP,
INnBLP,
INnBx
Line
PGA
+
_‘ __— __— _— _— CIRRUS LOGIC” M‘CBIASnK F MW H}?
DS1162F1 35
CS42L92
4.2 Input Signal Path
Figure 4-11. DMIC Input
Two DMIC channels are interleaved on DMICDATn. The DMIC interface timing is shown in Fig. 4-12. Each microphone
must tristate its data output when the other microphone is transmitting.
Figure 4-12. DMIC Interface Timing
4.2.4 Input Signal Path Enable
The input signal paths are enabled using the bits described in Table 4-2. The respective bits must be enabled for analog
or digital input on the respective input paths.
The input signal paths are muted by default. It is recommended that deselecting the mute should be the final step of the
path enable control sequence. Similarly, the mute should be selected as the first step of the path-disable control sequence.
The input signal path mute functions are controlled using the bits described in Table 4-4.
The MICVDD power domain must be enabled when using the analog input signal paths. This power domain is provided
using an internal charge pump (CP2) and LDO regulator (LDO2). See Section 4.19 for details of these circuits.
The system clock, SYSCLK, must be configured and enabled before any audio path is enabled. The ASYNCCLK and
32-kHz clock may also be required, depending on the path configuration. See Section 4.16 for details of the system clocks.
Digital Mic
MICVDD or MICBIASnx
AGND
Digital Mic
VDD CLK DATA VDD CLK DATA
CHAN
CHAN
VDD
DMICDATn
DMICCLKn
Digital
Microphone
Interface
The DMIC inputs are referenced to
MICVDD, MICBIAS1, or MICBIAS2.
The supply for each digital microphone
should provide the same voltage as the
applicable reference.
DMIC clock output
DMICDATnpin
(Left and right channels interleaved)
1 2 1 2 1 2
Left mic output
1 1 1
Right mic output
2 2 2
Hi-Z
_‘ __— __— _— _— CIRRUS LOGIC” Register Address Bit Label Default Description R768 (0x0300) 7 |N4L7ENA 0 input Patn 4 (left) enaple 6 |N4R7ENA 0 input Patn 4 (right) enable 5 |N3L7ENA 0 input Patn 3 (left) enaple 4 |N3R7ENA 0 input Patn 3 (right) enable 3 INZLiENA 0 input Patn 2 (left) enaple 2 INZRiENA 0 input Patn 2 (right) enable 1 lm LENA 0 input Patn 1 (left) enaple 0 lm RiENA 0 input Patn 1 (right) enable R769 (0x0301) 7 |N4L7ENA7$TS 0 input Patn 4 (left) enaple status 6 |N4R7ENA75TS 0 input Patn 4 (right) enable status 5 |N3L7ENA7$TS 0 input Patn 3 (left) enaple status 4 |N3R7ENA75TS 0 input Patn 3 (right) enable status 3 INZLiENAisTS 0 input Patn 2 (left) enaple status 2 INZRiENAisTS 0 input Patn 2 (right) enable status 1 lm LiENAisTS 0 input Patn 1 (left) enaple status 0 lm RiENAisTS 0 input Patn 1 (right) enable status
36 DS1162F1
CS42L92
4.2 Input Signal Path
The CS42L92 performs automatic checks to confirm that the SYSCLK frequency is high enough to support the input signal
paths and associated ADCs. If the frequency is too low, an attempt to enable an input signal path fails. Note that active
signal paths are not affected under such circumstances.
The status bits in Register R769 indicate the status of each input signal path. If an underclocked error condition occurs,
these bits indicate which input signal paths have been enabled.
Table 4-2. Input Signal Path Enable
Register Address Bit Label Default Description
R768 (0x0300)
Input_Enables
7 IN4L_ENA 0 Input Path 4 (left) enable
0 = Disabled
1 = Enabled
6 IN4R_ENA 0 Input Path 4 (right) enable
0 = Disabled
1 = Enabled
5 IN3L_ENA 0 Input Path 3 (left) enable
0 = Disabled
1 = Enabled
4 IN3R_ENA 0 Input Path 3 (right) enable
0 = Disabled
1 = Enabled
3 IN2L_ENA 0 Input Path 2 (left) enable
0 = Disabled
1 = Enabled
2 IN2R_ENA 0 Input Path 2 (right) enable
0 = Disabled
1 = Enabled
1 IN1L_ENA 0 Input Path 1 (left) enable
0 = Disabled
1 = Enabled
0 IN1R_ENA 0 Input Path 1 (right) enable
0 = Disabled
1 = Enabled
R769 (0x0301)
Input_Enables_Status
7 IN4L_ENA_STS 0 Input Path 4 (left) enable status
0 = Disabled
1 = Enabled
6 IN4R_ENA_STS 0 Input Path 4 (right) enable status
0 = Disabled
1 = Enabled
5 IN3L_ENA_STS 0 Input Path 3 (left) enable status
0 = Disabled
1 = Enabled
4 IN3R_ENA_STS 0 Input Path 3 (right) enable status
0 = Disabled
1 = Enabled
3 IN2L_ENA_STS 0 Input Path 2 (left) enable status
0 = Disabled
1 = Enabled
2 IN2R_ENA_STS 0 Input Path 2 (right) enable status
0 = Disabled
1 = Enabled
1 IN1L_ENA_STS 0 Input Path 1 (left) enable status
0 = Disabled
1 = Enabled
0 IN1R_ENA_STS 0 Input Path 1 (right) enable status
0 = Disabled
1 = Enabled
__- __— __— _— _— CIRRUS LOGIC"
DS1162F1 37
CS42L92
4.2 Input Signal Path
4.2.5 Input Signal Path Sample-Rate Control
The input signal paths may be selected as input to the digital mixers or signal-processing functions within the CS42L92
digital core. The sample rate for the input signal paths can be set globally, or can be configured independently for each
input channel.
The IN_RATE_MODE bit (defined in Table 4-3) controls whether the input sample rates are set globally using IN_RATE,
or independently for each input channel using the INnx_RATE fields (where n is 1–4 and x is L or R for the left/right
channels respectively). The IN_RATE and INnx_RATE fields are defined in Table 4-26.
Note that sample-rate conversion is required when routing the input signal paths to any signal chain that is asynchronous
or configured for a different sample rate.
4.2.6 Input Signal Path Configuration
The CS42L92 supports up to eight analog inputs or up to eight digital inputs. Selectable combinations of analog (mic or
line) and digital inputs are multiplexed into four stereo input signal paths.
Input paths IN1 and IN2 can be configured for single-ended, differential, or DMIC operation. The analog input configuration
and pin selection is controlled using the INnx_SRC bits; digital input mode is selected by setting INn_MODE.
Input paths IN3 and IN4 support digital inputs only. Note that the external pin connections are shared with the IN1R and
IN2R analog input paths—the following restrictions apply:
If IN3L or IN3R input paths are enabled, IN1R analog input is restricted to differential (IN1BR–IN1ALN) or
single-ended (IN1BR) configurations only.
If IN4L or IN4R input paths are enabled, IN2R analog input is restricted to single-ended (IN2BR) configuration only.
A configurable high-pass filter (HPF) is provided on the left and right channels of each input path. The applicable cut-off
frequency is selected using IN_HPF_CUT. The filter can be enabled on each path independently using the INnx_HPF bits.
The analog input signal paths (single-ended or differential) each incorporate a PGA to provide gain in the range 0 dB to
+31 dB in 1-dB steps. Note that these PGAs do not provide pop suppression functions; it is recommended that the gain
should not be adjusted while the respective signal path is enabled.
The analog input PGA gain is controlled using INnL_PGA_VOL and INnR_PGA_VOL. Note that separate volume control
is provided for the left and right channels of each stereo pair.
If DMIC input is selected, the respective DMICCLKn frequency is controlled by the respective INn_OSR field.
If a signal path is configured for DMIC input, the voltage reference for the associated input/output pins is selectable using
the INn_DMIC_SUP fieldseach interface may be referenced to MICVDD, MICBIAS1, or MICBIAS2. The voltage
reference for each digital input path should be set equal to the applicable power supply of the respective microphones.
The CS42L92 input paths can be configured for power-saving operation, ideal for always-on applications. The low-power
configurations allow the power consumption to be optimized with respect to the required audio performance
characteristics.
If a signal path is configured for analog input, low-power operation can be selected by setting the respective INnx_
LP_MODE bit. Mid-power operation can be configured by setting INn_OSR = 100 for the respective signal paths.
(Note that the INnx_LP_MODE bit should be cleared in the mid-power configuration.) Note that the maximum
input-signal level is reduced by 6 dB if mid-power operation is selected—see Table 3-4.
If a signal path is configured for digital input, the respective DMICCLKn frequency can be configured using the INn_
OSR bits. Reducing the DMICCLKn frequency reduces power consumption at the expense of audio performance.
The INn_OSR field also supports high performance DMIC mode, when 6.144 MHz DMICCLK is selected.
If 384- or 768-kHz DMICCLKn frequency is selected, the maximum sample rate for the respective paths is restricted
as described in Table 4-1. If the input sample rates are set globally using IN_RATE (i.e., IN_RATE_MODE = 0), all
input paths are affected similarly.
The MICVDD voltage is generated by an internal charge pump and LDO regulator. The MICBIASn outputs are derived
from MICVDD; see Section 4.19.
_‘ __— __— _— _— CIRRUS LOGIC” Register Address Bit Label Default Description R776 (0x0308) 10 lNiRATEi 1 input Path Sample Rate Configuration R780 (0x030C) 2:0 lNiHPFi 010 input Path HPF Select. Controls the Cutoff frequency of the input patn HPF circuits. R784 (0x0310) 15 |N1L7HPF 0 input Patn1 (Len) HPF Enable 12:11 INLDMIC, 00 input Path 1 DMiC Reference Select (sets the DMICDAT‘l ano DMICCLK1 logic levels) 10 INLMODE 0 input Patn1 Mode 7:1 |N1L7PGA7 0x40 input Path 1 (bell) PGA Volume (applicable to analog input only) R785 (0x0311) 14:13 iN1L, 00 input Patn1 (Len) Source 11 |N1L7LP7 0 input Path 1 (bell) LowrPower Mode (applicable to analog input only) R786 (0x0312) 10:8 INL 101 input Patn1 Dversample Rate Control R788 (0x0314) 15 IN1R7HPF 0 input Path 1 (Right) HPF Enable 7:1 IN1R7PGA7 0x40 input Patn1 (Right) PGA Volume (applicable to analog input only) R789 (0x0315) 14:13 iN1R, 00 input Patn1 (Right) Source 11 IN1R7LP7 0 input Patn1 (Right) LowrPower Mooe (applicable to analog input only)
38 DS1162F1
CS42L92
4.2 Input Signal Path
The input signal paths are configured using the fields described in Table 4-3.
Table 4-3. Input Signal Path Configuration
Register Address Bit Label Default Description
R776 (0x0308)
Input_Rate
10 IN_RATE_
MODE
1 Input Path Sample Rate Configuration
0 = Global control (all input paths configured using IN_RATE)
1 = Individual channel control (using the respective INnx_RATE fields)
R780 (0x030C)
HPF_Control
2:0 IN_HPF_
CUT[2:0]
010 Input Path HPF Select. Controls the cut-off frequency of the input path HPF circuits.
000 = 2.5 Hz
001 = 5 Hz
010 = 10 Hz
011 = 20 Hz
100 = 40 Hz
All other codes are reserved
R784 (0x0310)
IN1L_Control
15 IN1L_HPF 0 Input Path 1 (Left) HPF Enable
0 = Disabled
1 = Enabled
12:11 IN1_DMIC_
SUP[1:0]
00 Input Path 1 DMIC Reference Select (sets the DMICDAT1 and DMICCLK1 logic levels)
00 = MICVDD
01 = MICBIAS1
10 = MICBIAS2
11 = Reserved
10 IN1_MODE 0 Input Path 1 Mode
0 = Analog input
1 = Digital input
7:1 IN1L_PGA_
VOL[6:0]
0x40 Input Path 1 (Left) PGA Volume (applicable to analog input only)
0x00 to 0x3F = Reserved
0x40 = 0 dB
0x41 = 1 dB
0x42 = 2 dB
… (1-dB steps)
0x5F = 31 dB
0x60 to 0x7F = Reserved
R785 (0x0311)
ADC_Digital_
Volume_1L
14:13 IN1L_
SRC[1:0]
00 Input Path 1 (Left) Source
00 = Differential (IN1ALP–IN1ALN)
01 = Single-ended (IN1ALP)
10 = Differential (IN1BLP–IN1BLN)
11 = Single-ended (IN1BLP)
11 IN1L_LP_
MODE
0 Input Path 1 (Left) Low-Power Mode (applicable to analog input only)
0 = High Performance Mode
1 = Low Power Mode
R786 (0x0312)
DMIC1L_Control
10:8 IN1_
OSR[2:0]
101 Input Path 1 Oversample Rate Control
If analog input is selected, this field is used to select Mid-Power Mode.
100 = Mid Power Mode
101 = Normal
All other codes are reserved
If digital input is selected, this field controls the DMICCLK1 frequency.
010 = 384 kHz
011 = 768 kHz
100 = 1.536 MHz
101 = 3.072 MHz
110 = 6.144 MHz
All other codes are reserved
R788 (0x0314)
IN1R_Control
15 IN1R_HPF 0 Input Path 1 (Right) HPF Enable
0 = Disabled
1 = Enabled
7:1 IN1R_PGA_
VOL[6:0]
0x40 Input Path 1 (Right) PGA Volume (applicable to analog input only)
0x00 to 0x3F = Reserved
0x40 = 0 dB
0x41 = 1 dB
0x42 = 2 dB
… (1-dB steps)
0x5F = 31 dB
0x60 to 0x7F = Reserved
R789 (0x0315)
ADC_Digital_
Volume_1R
14:13 IN1R_
SRC[1:0]
00 Input Path 1 (Right) Source
00 = Differential (IN1ARP–IN1ARN)
01 = Single-ended (IN1ARP)
10 = Differential (IN1BR–IN1ALN)
11 = Single-ended (IN1BR)
11 IN1R_LP_
MODE
0 Input Path 1 (Right) Low-Power Mode (applicable to analog input only)
0 = High Performance Mode
1 = Low Power Mode
_‘ __— __— _— _— CIRRUS LOGIC” Register Address Bit Label Default Description R792 (0x0318) 15 IN2L7HPF 0 input Path 2 (bell) HPF Enable 12:11 iN2,DMlc, 00 input Path 2 DMIC Reference Select (sets the DMICDATZ ano DMICCLKZ logic levels) 10 IN27MODE 0 input Path 2 Mode 7:1 IN2L7PGA7 0x40 input Path 2 (bell) PGA Volume (applicable to analog input only) R793 (0x0319) 14:13 iN2L, 00 input Path 2 (Len) Source 11 IN2L7LP7 0 input Path 2 (bell) LowrPower Mode (applicable to analog input only) R794 (0x031A) 10:3 iN2, 101 input Path 2 DverSample Rate Control R796 (0)0310) 15 IN2R7HPF 0 input Path 2 (Right) HPF Enable 7:1 IN2R7PGA7 0x40 input Path 2 (Right) PGA Volume (applicable to analog input only) R797 (0x0319) 14:13 iN2R, 00 input Path 2 (Right) Source 11 IN2R7LP7 0 input Path 2 (Right) LowrPower Mooe (applicable to analog input only) Raoo (0x0320) 15 IN3L7HPF 0 input Path 3 (bell) HPF Enable 12:11 iN3,DMlc, 00 input Path 3 DMIC Reference Select (sets the DMICDAT3 ano DMICCLK3 logic levels) R802 (0x0322) 10:3 m3, 101 input Path 3 Dyersample Rate Control , selects the DMlCCLKS frequency. R804 (0x0324) 15 IN3R7HPF 0 input Path 3 (Right) HPF Enable
DS1162F1 39
CS42L92
4.2 Input Signal Path
R792 (0x0318)
IN2L_Control
15 IN2L_HPF 0 Input Path 2 (Left) HPF Enable
0 = Disabled
1 = Enabled
12:11 IN2_DMIC_
SUP[1:0]
00 Input Path 2 DMIC Reference Select (sets the DMICDAT2 and DMICCLK2 logic levels)
00 = MICVDD
01 = MICBIAS1
10 = MICBIAS2
11 = Reserved
10 IN2_MODE 0 Input Path 2 Mode
0 = Analog input
1 = Digital input
7:1 IN2L_PGA_
VOL[6:0]
0x40 Input Path 2 (Left) PGA Volume (applicable to analog input only)
0x00 to 0x3F = Reserved
0x40 = 0 dB
0x41 = 1 dB
0x42 = 2 dB
… (1-dB steps)
0x5F = 31 dB
0x60 to 0x7F = Reserved
R793 (0x0319)
ADC_Digital_
Volume_2L
14:13 IN2L_
SRC[1:0]
00 Input Path 2 (Left) Source
00 = Differential (IN2ALP–IN2ALN)
01 = Single-ended (IN2ALP)
10 = Differential (IN2BL–IN2ALN)
11 = Single-ended (IN2BL)
11 IN2L_LP_
MODE
0 Input Path 2 (Left) Low-Power Mode (applicable to analog input only)
0 = High Performance Mode
1 = Low Power Mode
R794 (0x031A)
DMIC2L_Control
10:8 IN2_
OSR[2:0]
101 Input Path 2 Oversample Rate Control
If analog input is selected, this field is used to select Mid-Power Mode.
100 = Mid Power Mode
101 = Normal
All other codes are reserved
If digital input is selected, this field controls the DMICCLK2 frequency.
010 = 384 kHz
011 = 768 kHz
100 = 1.536 MHz
101 = 3.072 MHz
110 = 6.144 MHz
All other codes are reserved
R796 (0x031C)
IN2R_Control
15 IN2R_HPF 0 Input Path 2 (Right) HPF Enable
0 = Disabled
1 = Enabled
7:1 IN2R_PGA_
VOL[6:0]
0x40 Input Path 2 (Right) PGA Volume (applicable to analog input only)
0x00 to 0x3F = Reserved
0x40 = 0 dB
0x41 = 1 dB
0x42 = 2 dB
… (1-dB steps)
0x5F = 31 dB
0x60 to 0x7F = Reserved
R797 (0x0319)
ADC_Digital_
Volume_2R
14:13 IN2R_
SRC[1:0]
00 Input Path 2 (Right) Source
00 = Differential (IN2ARP–IN2ARN)
01 = Single-ended (IN2ARP)
10 = Differential (IN2BR–IN2ARN)
11 = Single-ended (IN2BR)
11 IN2R_LP_
MODE
0 Input Path 2 (Right) Low-Power Mode (applicable to analog input only)
0 = High Performance Mode
1 = Low Power Mode
R800 (0x0320)
IN3L_Control
15 IN3L_HPF 0 Input Path 3 (Left) HPF Enable
0 = Disabled
1 = Enabled
12:11 IN3_DMIC_
SUP[1:0]
00 Input Path 3 DMIC Reference Select (sets the DMICDAT3 and DMICCLK3 logic levels)
00 = MICVDD
01 = MICBIAS1
10 = MICBIAS2
11 = Reserved
R802 (0x0322)
DMIC3L_Control
10:8 IN3_
OSR[2:0]
101 Input Path 3 Oversample Rate Control - selects the DMICCLK3 frequency.
010 = 384 kHz
011 = 768 kHz
100 = 1.536 MHz
101 = 3.072 MHz
110 = 6.144 MHz
All other codes are reserved
R804 (0x0324)
IN3R_Control
15 IN3R_HPF 0 Input Path 3 (Right) HPF Enable
0 = Disabled
1 = Enabled
Table 4-3. Input Signal Path Configuration (Cont.)
Register Address Bit Label Default Description
_‘ __— __— _— _— CIRRUS LOGIC” Register Address Bit Label Default Description R808 (0X0328) 15 |N4L7HPF 0 Input Path 4 (Lei!) HPF Enabie 12:11 |N47DM|Ci 00 Input Path 4 DMIC Reference Select (sets the DMICDAT4 and DMICCLK4 logic ievels) R810 (exoszA) 10:3 INA, 101 Input Patn 4 Oversempie Rate Control , selepts tne DMICCLKA frequency. R812 (exoszc) 15 IN4R7HPF 0 Input Patn 4 (Right) HPF Enaple Register Address Bit Label Default Description R777 (0x0309) 6:4 |N7VD7RAMP[2:O] 010 Input Volume Decreaslng Ramp Rate (seconds/6 dE). 2:0 IN,VI,RAMP[2:01 010 Input Volume Increasing Ramp Rate (seconds/6 o5).
40 DS1162F1
CS42L92
4.2 Input Signal Path
4.2.7 Input Signal Path Digital Volume Control
A digital volume control is provided on each input signal path, providing –64 dB to +31.5 dB gain control in 0.5-dB steps.
An independent mute control is also provided for each input signal path.
Whenever the gain or mute setting is changed, the signal path gain is ramped up or down to the new settings at a
programmable rate. For increasing gain (or unmute), the rate is controlled by IN_VI_RAMP. For decreasing gain (or mute),
the rate is controlled by IN_VD_RAMP.
Note: The IN_VI_RAMP and IN_VD_RAMP fields should not be changed while a volume ramp is in progress.
The IN_VU bits control the loading of the input signal path digital volume and mute controls. When IN_VU is cleared, the
digital volume and mute settings are loaded into the respective control register, but do not change the signal path gain.
The digital volume and mute settings on all of the input signal paths are updated when a 1 is written to IN_VU. This makes
it possible to update the gain of multiple signal paths simultaneously.
Note that, although the digital-volume controls provide 0.5-dB steps, the internal circuits provide signal gain adjustment in
0.125-dB steps. This allows a very high degree of gain control and smooth volume ramping under all operating conditions.
Note: The 0 dBFS level of the IN1–IN4 digital input paths is not equal to the 0 dBFS level of the CS42L92 digital core.
The maximum digital input signal level is –6 dBFS (see Table 3-7). Under 0 dB gain conditions, a –6 dBFS input
signal corresponds to a 0 dBFS input to the CS42L92 digital core functions.
The digital volume control registers are described in Table 4-4 and Table 4-5.
R808 (0x0328)
IN4L_Control
15 IN4L_HPF 0 Input Path 4 (Left) HPF Enable
0 = Disabled
1 = Enabled
12:11 IN4_DMIC_
SUP[1:0]
00 Input Path 4 DMIC Reference Select (sets the DMICDAT4 and DMICCLK4 logic levels)
00 = MICVDD
01 = MICBIAS1
10 = MICBIAS2
11 = Reserved
R810 (0x032A)
DMIC4L_Control
10:8 IN4_
OSR[2:0]
101 Input Path 4 Oversample Rate Control - selects the DMICCLK4 frequency.
010 = 384 kHz
011 = 768 kHz
100 = 1.536 MHz
101 = 3.072 MHz
110 = 6.144 MHz
All other codes are reserved
R812 (0x032C)
IN4R_Control
15 IN4R_HPF 0 Input Path 4 (Right) HPF Enable
0 = Disabled
1 = Enabled
Table 4-4. Input Signal Path Digital Volume Control
Register Address Bit Label Default Description
R777 (0x0309)
Input_Volume_
Ramp
6:4 IN_VD_RAMP[2:0] 010 Input Volume Decreasing Ramp Rate (seconds/6 dB).
This field should not be changed while a volume ramp is in progress.
000 = 0 ms
001 = 0.5 ms
010 = 1 ms
011 = 2 ms
100 = 4 ms
101 = 8 ms
110 = 15 ms
111 = 30 ms
2:0 IN_VI_RAMP[2:0] 010 Input Volume Increasing Ramp Rate (seconds/6 dB).
This field should not be changed while a volume ramp is in progress.
000 = 0 ms
001 = 0.5 ms
010 = 1 ms
011 = 2 ms
100 = 4 ms
101 = 8 ms
110 = 15 ms
111 = 30 ms
Table 4-3. Input Signal Path Configuration (Cont.)
Register Address Bit Label Default Description
_‘ __— __— _— _— CIRRUS LOGIC” Register Address Bit Label Default Description R785 (0X0311) 9 INiVU See Input Signai Paths Volume and Mute Update. Writing 1 to this bit causes the Input 8 IN1L7MUTE 1 Input Path 1 (Lell) Digital Mute 7:0 IN1L7VOL[7:0] 0X80 Input Path 1 (Left) Digital Voiurne (See Table 475 for Volume register definition). R789 (0X0315) 9 INiVU See Input Signai Paths Volume and Mute Update 8 IN1R7MUTE 1 Input Path 1 (Right) Digitai Mute 7:0 IN1R7VOL[7:0] 0X80 Input Path 1 (Right) Digitai Volume (see Tabie 475 for voiurne register definition), R793 (0X0319) 9 INiVU See Input Signai Paths Volume and Mute Update. Writing 1 to this bit causes the Input 8 INZLJVIUTE 1 Input Path 2 (Lell) Digital Mute 7:0 IN2L7VOL[7:0] 0X80 Input Path 2 (Left) Digital Voiurne (See Table 475 for Volume register definition). R797 (0X031D) 9 INiVU See Input Signai Paths Volume and Mute Update. Writing 1 to this bit causes the Input 8 INZRiMUTE 1 Input Path 2 (Right) Digitai Mute 7:0 IN2R7VOL[7:0] 0X80 Input Path 2 (Right) Digitai Volume (see Tabie 475 for voiurne register definition), R801 (0X0321) 9 INiVU See Input Signai Paths Volume and Mute Update. Writing 1 to this bit causes the Input 8 INSLJVIUTE 1 Input Path 3 (Lell) Digital Mute 7:0 IN3L7VOL[7:0] 0X80 Input Path 3 (Left) Digital Voiurne (See Table 475 for Volume register definition).
DS1162F1 41
CS42L92
4.2 Input Signal Path
R785 (0x0311)
ADC_Digital_
Volume_1L
9 IN_VU See
Footnote 1
Input Signal Paths Volume and Mute Update. Writing 1 to this bit causes the Input
Signal Paths Volume and Mute settings to be updated simultaneously
8 IN1L_MUTE 1 Input Path 1 (Left) Digital Mute
0 = Unmute
1 = Mute
7:0 IN1L_VOL[7:0] 0x80 Input Path 1 (Left) Digital Volume (see Table 4-5 for volume register definition).
–64 dB to +31.5 dB in 0.5-dB steps
0x00 = –64 dB
0x01 = –63.5 dB
… (0.5-dB steps)
0x80 = 0 dB
… (0.5-dB steps)
0xBF = +31.5 dB
0xC0 to 0xFF = Reserved
R789 (0x0315)
ADC_Digital_
Volume_1R
9 IN_VU See
Footnote 1
Input Signal Paths Volume and Mute Update
Writing 1 to this bit causes the Input Signal Paths Volume and Mute settings to be
updated simultaneously
8 IN1R_MUTE 1 Input Path 1 (Right) Digital Mute
0 = Unmute
1 = Mute
7:0 IN1R_VOL[7:0] 0x80 Input Path 1 (Right) Digital Volume (see Table 4-5 for volume register definition).
–64 dB to +31.5 dB in 0.5-dB steps
0x00 = –64 dB
0x01 = –63.5 dB
… (0.5-dB steps)
0x80 = 0 dB
… (0.5-dB steps)
0xBF = +31.5 dB
0xC0 to 0xFF = Reserved
R793 (0x0319)
ADC_Digital_
Volume_2L
9 IN_VU See
Footnote 1
Input Signal Paths Volume and Mute Update. Writing 1 to this bit causes the Input
Signal Paths Volume and Mute settings to be updated simultaneously
8 IN2L_MUTE 1 Input Path 2 (Left) Digital Mute
0 = Unmute
1 = Mute
7:0 IN2L_VOL[7:0] 0x80 Input Path 2 (Left) Digital Volume (see Table 4-5 for volume register definition).
–64 dB to +31.5 dB in 0.5-dB steps
0x00 = –64 dB
0x01 = –63.5 dB
… (0.5-dB steps)
0x80 = 0 dB
… (0.5-dB steps)
0xBF = +31.5 dB
0xC0 to 0xFF = Reserved
R797 (0x031D)
ADC_Digital_
Volume_2R
9 IN_VU See
Footnote 1
Input Signal Paths Volume and Mute Update. Writing 1 to this bit causes the Input
Signal Paths Volume and Mute settings to be updated simultaneously
8 IN2R_MUTE 1 Input Path 2 (Right) Digital Mute
0 = Unmute
1 = Mute
7:0 IN2R_VOL[7:0] 0x80 Input Path 2 (Right) Digital Volume (see Table 4-5 for volume register definition).
–64 dB to +31.5 dB in 0.5-dB steps
0x00 = –64 dB
0x01 = –63.5 dB
… (0.5-dB steps)
0x80 = 0 dB
… (0.5-dB steps)
0xBF = +31.5 dB
0xC0 to 0xFF = Reserved
R801 (0x0321)
ADC_Digital_
Volume_3L
9 IN_VU See
Footnote 1
Input Signal Paths Volume and Mute Update. Writing 1 to this bit causes the Input
Signal Paths Volume and Mute settings to be updated simultaneously
8 IN3L_MUTE 1 Input Path 3 (Left) Digital Mute
0 = Unmute
1 = Mute
7:0 IN3L_VOL[7:0] 0x80 Input Path 3 (Left) Digital Volume (see Table 4-5 for volume register definition).
–64 dB to +31.5 dB in 0.5-dB steps
0x00 = –64 dB
0x01 = –63.5 dB
… (0.5-dB steps)
0x80 = 0 dB
… (0.5-dB steps)
0xBF = +31.5 dB
0xC0 to 0xFF = Reserved
Table 4-4. Input Signal Path Digital Volume Control (Cont.)
Register Address Bit Label Default Description
_‘ __— __— _— _— CIRRUS LOGIC” Register Address Bit Label Default Description R805 (0X0325) 9 INiVU See Input Signal Paths Volume and Mute Update. Writing 1 to this bit causes the Input 8 IN3R7MUTE 1 Input Path 3 (Right) Digital Mute 7.0 IN3R7VOL[7:0] 0X80 Input Path 3 (Right) Volume (See Table 475 lor Volume register delinition). R809 (0X0329) 9 INiVU See Input Signal Paths Volume and Mute Update. Writing 1 to this bit causes the Input 8 IN4L7MUTE 1 Input Path 4 (Lell) Digital Mute 7.0 IN4L7VOL[7:0] 0X80 Input Path 4 (Left) Digital Volume (See Table 475 lor Volume register definition). R813 (0X032D) 9 INiVU See Input Signal Paths Volume and Mute Update. Writing 1 to this bit causes the Input 8 IN4R7MUTE 1 Input Path 4 (Right) Digital Mute 7.0 IN4R7VOL[7:0] 0X80 Input Path 4 (Right) Digital Volume (see Table 475 for volume register definition), 1. Delault is not applicable to these writeroniy pits Input Volume Input Volume Input Volume Input Volume 0x00 $4.0 0x31 $9.5 0x62 0x93 9.5 0x01 $3.5 0x32 $9.0 0x63 0x94 10.0 0x02 $3.0 0x33 $0.5 0x64 0x95 10.5 0x03 $2.5 0x34 $0.0 0x65 0x96 11.0 0x04 $2.0 0x35 $7.5 0x66 0x97 11.5 0x05 $1.5 0x36 $7.0 0x67 0x98 12.0 0x06 $1.0 0x37 $6.5 0x68 0x99 12.5 0x07 $0.5 0x38 $6.0 0x69 0x9A 13.0 0x08 $0.0 0x39 $5.5 OXSA 0x93 13.5 0x09 $9.5 0st $50 0x65 0x90 14.0 0on $9.0 0x33 $4.5 0x60 0x90 14.5 0x03 $8.5 0x30 $4.0 OXGD OXQE 15.0 0x00 $8.0 0x30 $3.5 OXSE 0x91: 15.5 0x00 $7.5 0x3E $3.0 OXGF 0on 16.0 0x05 $7.0 0x31: $2.5 0x70 OXA‘i 16.5 0on $6.5 0x40 $2.0 0x71 OXAZ 17.0 0x10 $6.0 0x41 $1.5 0x72 0an 17.5 0x11 $5.5 0x42 $1.0 0x73 0xA4 10.0
42 DS1162F1
CS42L92
4.2 Input Signal Path
Table 4-5 lists the input signal path digital volume settings.
R805 (0x0325)
ADC_Digital_
Volume_3R
9 IN_VU See
Footnote 1
Input Signal Paths Volume and Mute Update. Writing 1 to this bit causes the Input
Signal Paths Volume and Mute settings to be updated simultaneously
8 IN3R_MUTE 1 Input Path 3 (Right) Digital Mute
0 = Unmute
1 = Mute
7:0 IN3R_VOL[7:0] 0x80 Input Path 3 (Right) Volume (see Table 4-5 for volume register definition).
–64 dB to +31.5 dB in 0.5-dB steps
0x00 = –64 dB
0x01 = –63.5 dB
… (0.5-dB steps)
0x80 = 0 dB
… (0.5-dB steps)
0xBF = +31.5 dB
0xC0 to 0xFF = Reserved
R809 (0x0329)
ADC_Digital_
Volume_4L
9 IN_VU See
Footnote 1
Input Signal Paths Volume and Mute Update. Writing 1 to this bit causes the Input
Signal Paths Volume and Mute settings to be updated simultaneously
8 IN4L_MUTE 1 Input Path 4 (Left) Digital Mute
0 = Unmute
1 = Mute
7:0 IN4L_VOL[7:0] 0x80 Input Path 4 (Left) Digital Volume (see Table 4-5 for volume register definition).
–64 dB to +31.5 dB in 0.5-dB steps
0x00 = –64 dB
0x01 = –63.5 dB
… (0.5-dB steps)
0x80 = 0 dB
… (0.5-dB steps)
0xBF = +31.5 dB
0xC0 to 0xFF = Reserved
R813 (0x032D)
ADC_Digital_
Volume_4R
9 IN_VU See
Footnote 1
Input Signal Paths Volume and Mute Update. Writing 1 to this bit causes the Input
Signal Paths Volume and Mute settings to be updated simultaneously
8 IN4R_MUTE 1 Input Path 4 (Right) Digital Mute
0 = Unmute
1 = Mute
7:0 IN4R_VOL[7:0] 0x80 Input Path 4 (Right) Digital Volume (see Table 4-5 for volume register definition).
–64 dB to +31.5 dB in 0.5-dB steps
0x00 = –64 dB
0x01 = –63.5 dB
… (0.5-dB steps)
0x80 = 0 dB
… (0.5-dB steps)
0xBF = +31.5 dB
0xC0 to 0xFF = Reserved
1. Default is not applicable to these write-only bits
Table 4-5. Input Signal Path Digital Volume Range
Input Volume
Register Volume (dB) Input Volume
Register Volume (dB) Input Volume
Register Volume (dB) Input Volume
Register Volume (dB)
0x00 –64.0 0x31 39.5 0x62 –15.0 0x93 9.5
0x01 –63.5 0x32 39.0 0x63 –14.5 0x94 10.0
0x02 –63.0 0x33 38.5 0x64 –14.0 0x95 10.5
0x03 –62.5 0x34 38.0 0x65 –13.5 0x96 11.0
0x04 –62.0 0x35 37.5 0x66 –13.0 0x97 11.5
0x05 –61.5 0x36 37.0 0x67 –12.5 0x98 12.0
0x06 –61.0 0x37 36.5 0x68 –12.0 0x99 12.5
0x07 –60.5 0x38 36.0 0x69 11.5 0x9A 13.0
0x08 –60.0 0x39 35.5 0x6A 11.0 0x9B 13.5
0x09 –59.5 0x3A 35.0 0x6B –10.5 0x9C 14.0
0x0A –59.0 0x3B 34.5 0x6C –10.0 0x9D 14.5
0x0B –58.5 0x3C 34.0 0x6D 9.5 0x9E 15.0
0x0C –58.0 0x3D 33.5 0x6E 9.0 0x9F 15.5
0x0D –57.5 0x3E 33.0 0x6F 8.5 0xA0 16.0
0x0E –57.0 0x3F 32.5 0x70 8.0 0xA1 16.5
0x0F –56.5 0x40 32.0 0x71 7.5 0xA2 17.0
0x10 –56.0 0x41 31.5 0x72 7.0 0xA3 17.5
0x11 –55.5 0x42 31.0 0x73 6.5 0xA4 18.0
Table 4-4. Input Signal Path Digital Volume Control (Cont.)
Register Address Bit Label Default Description
_‘ __— __— _— _— CIRRUS LOGIC” lnpul Volume Input Volume lnpul Volume Input Volume 0X12 755.0 0x43 7305 0X74 0XA5 18.5 0X13 754.5 0x44 7300 0X75 0XA6 19.0 0X14 754.0 0x45 7295 0X76 0XA7 19.5 0X15 753.5 0x46 7290 0X77 0XAE 20.0 0X16 753.0 0x47 7285 0X78 0XA9 20.5 0X17 752.5 0x48 7280 0X79 0XAA 21.0 0X18 752.0 0x49 7275 0X7A 0XAB 21.5 0X19 751.5 0X4A 7270 0x78 0XAC 22.0 0X1A 751.0 0x43 7265 0x70 0XAD 22.5 0X1B 750.5 0X4C 726,0 0X7D 0XAE 23.0 0X1C 750.0 0X4D 725,5 0X7E 0XAF 23.5 0X1D 749.5 0X4E 725,0 0X7F 0x80 24.0 0X1 E 749.0 0X4F 724.5 0X80 0XB1 24.5 0X1F 748.5 0x50 724.0 0X81 0XB2 25.0 0X20 748.0 0x51 723.5 0X82 0x83 25.5 0X21 747.5 0x52 723.0 0X83 0XB4 26.0 0X22 747.0 0x53 722.5 0X84 0XB5 26.5 0X23 746.5 0x54 722.0 0X85 0x86 27.0 0X24 746.0 0x55 721.5 0X86 0x87 27.5 0X25 745.5 0x56 721.0 0X87 0x88 28.0 0X26 745.0 0x57 720.5 0X88 0x89 28.5 0X27 744.5 0x58 720.0 0X89 0XBA 29.0 0X28 744.0 0x59 719.5 0X8A 0XBB 29.5 0X29 743.5 0x5A 719.0 0X88 0XBC 30.0 0X2A 743.0 0x53 718.5 0x80 0XBD 30.5 0X2B 742.5 0X5C 718.0 0x8D 0XBE 31.0 0X20 742.0 0X5D 717.5 0X8E OXBF 31.5 0X2D 741.5 0x5E 717,0 0X8F OXCO70XFF Reserved 0X2E 741.0 0X5F 716,5 0X90 0X2F 740.5 0x60 7160 0X91 0X30 740.0 0x61 7155 0X92
DS1162F1 43
CS42L92
4.2 Input Signal Path
4.2.8 Input Signal Path Signal-Detect Control
The CS42L92 provides a digital signal-detect function for the input signal path. This enables system actions to be triggered
by signal detection and allows the device to remain in a low-power state until a valid audio signal is detected. A mute
function is integrated with the signal-detect circuit, ensuring the respective digital audio path remains at zero until the
detection threshold level is reached. Signal detection is also indicated via the interrupt controller.
The signal-detect function is supported on input paths IN1–IN4 in analog and digital configurations. (For input paths IN1
and IN2, digital input is selected by setting the respective INn_MODE bit.) Note that the valid operating conditions for this
function vary, depending on the applicable signal-path configuration.
The signal-detect function is supported on analog input paths for sample rates up to 16 kHz.
The signal-detect function is supported on digital input paths for sample rates up to 16 kHz (if DMICCLKn768kHz)
and up to 48 kHz (if DMICCLKn2.8224 MHz).
For each input path, the signal-detect function is enabled by setting the respective INnx_SIG_DET_ENA bit. The detection
threshold level is set using IN_SIG_DET_THR—this applies to all input paths.
If the signal-detect function is enabled, the respective input channel is muted if the signal level is below the configured
threshold. If the input signal exceeds the threshold level, the respective channel is immediately unmuted.
0x12 –55.0 0x43 30.5 0x74 6.0 0xA5 18.5
0x13 –54.5 0x44 30.0 0x75 5.5 0xA6 19.0
0x14 –54.0 0x45 29.5 0x76 5.0 0xA7 19.5
0x15 –53.5 0x46 29.0 0x77 4.5 0xA8 20.0
0x16 –53.0 0x47 28.5 0x78 4.0 0xA9 20.5
0x17 –52.5 0x48 28.0 0x79 3.5 0xAA 21.0
0x18 –52.0 0x49 27.5 0x7A 3.0 0xAB 21.5
0x19 –51.5 0x4A 27.0 0x7B 2.5 0xAC 22.0
0x1A –51.0 0x4B 26.5 0x7C 2.0 0xAD 22.5
0x1B –50.5 0x4C 26.0 0x7D 1.5 0xAE 23.0
0x1C –50.0 0x4D 25.5 0x7E 1.0 0xAF 23.5
0x1D –49.5 0x4E 25.0 0x7F 0.5 0xB0 24.0
0x1E –49.0 0x4F 24.5 0x80 0.0 0xB1 24.5
0x1F –48.5 0x50 24.0 0x81 0.5 0xB2 25.0
0x20 –48.0 0x51 23.5 0x82 1.0 0xB3 25.5
0x21 –47.5 0x52 23.0 0x83 1.5 0xB4 26.0
0x22 –47.0 0x53 22.5 0x84 2.0 0xB5 26.5
0x23 –46.5 0x54 22.0 0x85 2.5 0xB6 27.0
0x24 –46.0 0x55 21.5 0x86 3.0 0xB7 27.5
0x25 –45.5 0x56 21.0 0x87 3.5 0xB8 28.0
0x26 –45.0 0x57 20.5 0x88 4.0 0xB9 28.5
0x27 –44.5 0x58 20.0 0x89 4.5 0xBA 29.0
0x28 –44.0 0x59 19.5 0x8A 5.0 0xBB 29.5
0x29 –43.5 0x5A 19.0 0x8B 5.5 0xBC 30.0
0x2A –43.0 0x5B 18.5 0x8C 6.0 0xBD 30.5
0x2B –42.5 0x5C 18.0 0x8D 6.5 0xBE 31.0
0x2C –42.0 0x5D 17.5 0x8E 7.0 0xBF 31.5
0x2D –41.5 0x5E 17.0 0x8F 7.5 0xC0–0xFF Reserved
0x2E –41.0 0x5F 16.5 0x90 8.0
0x2F –40.5 0x60 16.0 0x91 8.5
0x30 –40.0 0x61 15.5 0x92 9.0
Table 4-5. Input Signal Path Digital Volume Range (Cont.)
Input Volume
Register Volume (dB) Input Volume
Register Volume (dB) Input Volume
Register Volume (dB) Input Volume
Register Volume (dB)
_‘ __— __— _— _— CIRRUS LOGIC” Register Address Bit Label Default Description R786 (0X0312) 15 IN1L7$IGiDET7 0 Input Path 1 (Left) SIgnaIrDetecl Enable R790 (0X0316) 15 IN1R75IC37DET7 0 Input Path 1 (Right) SignaIrDeIeCt EnabIe R794 (0X031A) 15 IN2L7$IGiDET7 0 Input Path 2 (Left) SIgnaIrDetecl Enable R798 (0X031E) 15 IN2R75IC37DET7 0 Input Path 2 (Right) SignaIrDeIeCt EnabIe R802 (0X0320) 15 INSLislGiDETi 0 Input Path 3 (Left) SIgnaIrDetecl Enable R806 (0X0326) 15 IN3R75IC37DET7 0 Input Path 3 (Right) SignaIrDeIeCt EnabIe R810 (0X032A) 15 IN4L7$IGiDET7 0 Input Path 4 (Left) SIgnaIrDetecl Enable R814 (0X032E) 15 IN4R75IC37DET7 0 Input Path 4 (Right) SignaIrDeIeCt EnabIe R832 (0X0340) 8:4 INislGiDETi 0X00 Input SIgnaI Patn SignaereIeCt Threshold 3:0 INislGiDETi 0001 Input Signal Path SignaereteCt HoId TIme (deIay before sIgnaI detect IndIcation
44 DS1162F1
CS42L92
4.2 Input Signal Path
If the input signal falls below the threshold level, the mute is applied. To prevent erroneous behavior, a time delay is applied
before muting the input signal—the channel is only muted if the signal level remains below the threshold level for longer
than the hold time. The hold time is set using IN_SIG_DET_HOLD.
Note that the signal-level detection is performed in the digital domain, after the ADC, PGA, digital mute and digital volume
controls—the respective input channel must be enabled and unmuted when using the signal-detect function.
The signal-detect function is an input to the interrupt control circuit and can be used to trigger an interrupt event; see
Section 4.15. Note that the respective interrupt event represents the logic OR of the signal detection on all input channels
and does not provide indication of which input channel caused the interrupt. To avoid multiple interrupts, the signal-detect
interrupt can be reasserted only after all input channels have fallen below the trigger threshold level.
The input path signal-detection control registers are described in Table 4-6.
4.2.9 Ultrasonic Signal Demodulation
The CS42L92 provides ultrasonic signal-processing functions on the input signal paths. Configurable filters and
demodulator functions enable ultrasonic signals to be translated down to the audio band and routed through the digital
mixer core. Two ultrasonic processing blocks are incorporated, with independent configuration controls for each.
Table 4-6. Input Signal Path Signal-Detect Control
Register Address Bit Label Default Description
R786 (0x0312)
DMIC1L_Control
15 IN1L_SIG_DET_
ENA
0 Input Path 1 (Left) Signal-Detect Enable
0 = Disabled
1 = Enabled
R790 (0x0316)
DMIC1R_Control
15 IN1R_SIG_DET_
ENA
0 Input Path 1 (Right) Signal-Detect Enable
0 = Disabled
1 = Enabled
R794 (0x031A)
DMIC2L_Control
15 IN2L_SIG_DET_
ENA
0 Input Path 2 (Left) Signal-Detect Enable
0 = Disabled
1 = Enabled
R798 (0x031E)
DMIC2R_Control
15 IN2R_SIG_DET_
ENA
0 Input Path 2 (Right) Signal-Detect Enable
0 = Disabled
1 = Enabled
R802 (0x0320)
DMIC3L_Control
15 IN3L_SIG_DET_
ENA
0 Input Path 3 (Left) Signal-Detect Enable
0 = Disabled
1 = Enabled
R806 (0x0326)
DMIC3R_Control
15 IN3R_SIG_DET_
ENA
0 Input Path 3 (Right) Signal-Detect Enable
0 = Disabled
1 = Enabled
R810 (0x032A)
DMIC4L_Control
15 IN4L_SIG_DET_
ENA
0 Input Path 4 (Left) Signal-Detect Enable
0 = Disabled
1 = Enabled
R814 (0x032E)
DMIC4R_Control
15 IN4R_SIG_DET_
ENA
0 Input Path 4 (Right) Signal-Detect Enable
0 = Disabled
1 = Enabled
R832 (0x0340)
Signal_Detect_Globals
8:4 IN_SIG_DET_
THR[4:0]
0x00 Input Signal Path Signal-Detect Threshold
0x00 = –30.1 dB
0x01 = –36.1 dB
0x02 = –42.1 dB
0x03 = –48.2 dB
0x04 = –50.7 dB
0x05 = –54.2 dB
0x06 = –56.7 dB
0x07 = –60.2 dB
0x08 = –66.2 dB
0x09 = –68.7 dB
0x0A = –72.2 dB
0x0B = –74.7 dB
0x0C = –78.3 dB
0x0D = –80.8 dB
All other codes are reserved
3:0 IN_SIG_DET_
HOLD[3:0]
0001 Input Signal Path Signal-Detect Hold Time (delay before signal detect indication
is deasserted)
0000 = Reserved
0001 = 4–8 ms
0010 = 8–12 ms
0011 = 12–16 ms
... (4-ms steps)
1001 = 36–40 ms
1010 = 40–44 ms
1011 = 48–52 ms
1100 = 96–100 ms
1101 = 192–196 ms
1110 = 384–388 ms
1111 = 768–772 ms
__- __— __— _— _— CIRRUS LOGIC" F = F 7F Demodulalor Folding US iFREQ = 000 24.5—40.5 KHZ 32 KHZ 40.42 kHZ US iFREQ = 001 18722 kHZ 8 KHZ 18.29 kHZ US iFREQ = 010 16724 kHZ 15 KHZ 16 KHZ US iFREQ = 011 20728 kHZ 15 KHZ 20.21 kHZ
DS1162F1 45
CS42L92
4.2 Input Signal Path
The input source for the ultrasonic blocks is configured using the USn_SRC fields (where n identifies the applicable block
US1 or US2). The input signal gain is set using USn_GAIN. The input frequency range is selected by USn_FREQ.
The ultrasonic functions can be supported on any of the input signal paths (IN1–IN4). The inputs to the ultrasonic functions
are independent of the enable, mute, and digital-volume settings of the respective input signal paths—the ultrasonic
functions do not require the selected input signal paths to be enabled, and the mute/digital-volume settings of the input
signal paths have no effect on the ultrasonic functions.
The system clock, SYSCLK, must be present and enabled when using the ultrasonic functions. The SYSCLK frequency
must be a multiple of 6.144 MHz (SYSCLK_FRAC =0) in this case. See Section 4.16 for details of SYSCLK and the
associated registers.
The ultrasonic demodulator function is enabled by setting USn_ENA. The frequency band and signal gain are selected
using USn_FREQ and USn_GAIN respectively.
The output from the ultrasonic demodulator is a frequency-modulated image of the selected input frequency range. The
folding frequency that characterizes the frequency modulation is set according to the USn_FREQ setting—see Table 4-7.
The relationship between input and output frequencies is described in Eq. 4-1.
Equation 4-1. Ultrasonic Demodulator Characteristic
Note that, depending on the input frequency range and the folding frequency, FFOLD, the modulated output in respect of
certain input frequencies may overlap others. This effect arises if the folding frequency lies within the input frequency
range, with the result that two different input frequencies will each be modulated to the same output frequency. This effect
is limited to the outer edges of the input frequency range in all cases. Amplitude response across the input frequency range
is flat to within 1.5 dB in all cases.
The demodulated ultrasonic outputs can be selected as input to the digital mixers or signal-processing functions within the
digital core by setting the respective x_SRCn fields as described in Section 4.3.1.
The sample rate for the demodulated ultrasonic output is configured using USn_RATE—see Table 4-26. The selected
sample rate must be one of the SYSCLK-related rates, and must be equal to the output rate set by USn_FREQ (see
Table 4-7). Note that sample-rate conversion is required when routing the ultrasonic signals to any signal chain that is
asynchronous or configured for a different sample rate.
The characteristics associated with the USn_FREQ field setting are shown in Table 4-7.
The ultrasonic demodulation control registers are described in Table 4-8.
Table 4-7. Ultrasonic Frequency Control
Condition Input Frequency Band Output Sample Rate Demodulator Folding
Frequency (FFOLD)
USn_FREQ = 000 24.5–40.5 kHz 32 kHz 40.42 kHz
USn_FREQ = 001 18–22 kHz 8 kHz 18.29 kHz
USn_FREQ = 010 16–24 kHz 16 kHz 16 kHz
USn_FREQ = 011 20–28 kHz 16 kHz 20.21 kHz
FOUT FIN FFOLD
=
_‘ __— __— _— _— CIRRUS LOGIC” Register Address Bit Label Deiauit Description R4224 (0x1080) 13,12 US‘LGAINU .0] 1o Uitrasonic Demodulator1 Gain 11 :8 USLSRC[3:0] 0x0 Uitrasonic Demodulator1 Source 64 US‘LFREQRO] 011 Uitrasonic Demodulator 1 Frequency 0 US‘LENA o Uitrasonic Demodulator1 Enabie R4226 (0x1082) 13,12 USZ,GAIN[1,0] 1o Uitrasonic Demodulator 2 Gain 11 :8 USZ,SRC[3:0] 0x0 Uitrasonic Demodulator 2 Source 64 us2,FREQ[2.01 011 Uitrasonic Demodulator 2 Frequency 0 U527ENA o Uitrasonic Demodulator 2 Enabie CLK DAT
46 DS1162F1
CS42L92
4.2 Input Signal Path
4.2.10 Auxiliary PDM Interface
The auxiliary PDM interface supports a one-channel digital output derived from one of the CS42L92 analog input paths.
This can be used to provide an audio path between an analog microphone connected to the CS42L92 and a digital input
to an external audio processor.
The auxiliary PDM interface signal path is shown in Fig. 4-13.
Figure 4-13. Auxiliary PDM Interface
The input source for the auxiliary PDM interface is selected using AUXPDM1_SRC. Note that the selected input path must
be configured for analog input—the auxiliary PDM function is not supported for the DMICDATn inputs.
Table 4-8. Ultrasonic Signal Demodulation Control
Register Address Bit Label Default Description
R4224 (0x1080)
US1_Ctrl_0
13:12 US1_GAIN[1:0] 10 Ultrasonic Demodulator 1 Gain
00 = Disabled (no signal)
01 = –5 dB
10 = 1 dB
11 = 7 dB
11:8 US1_SRC[3:0] 0x0 Ultrasonic Demodulator 1 Source
0x0 = IN1L
0x1 = IN1R
0x2 = IN2L
0x3 = IN2R
0x4 = IN3L
0x5 = IN3R
0x6 = IN4L
0x7 = IN4R
All other codes are
reserved
6:4 US1_FREQ[2:0] 011 Ultrasonic Demodulator 1 Frequency
000 = 24.5–40.5 kHz
001 = 18–22 kHz
010 = 16–24 kHz
011 = 20–28 kHz
All other codes are
reserved
0 US1_ENA 0 Ultrasonic Demodulator 1 Enable
0 = Disabled
1 = Enabled
R4226 (0x1082)
US2_Ctrl_0
13:12 US2_GAIN[1:0] 10 Ultrasonic Demodulator 2 Gain
00 = Disabled (no signal)
01 = –5 dB
10 = 1 dB
11 = 7 dB
11:8 US2_SRC[3:0] 0x0 Ultrasonic Demodulator 2 Source
0x0 = IN1L
0x1 = IN1R
0x2 = IN2L
0x3 = IN2R
0x4 = IN3L
0x5 = IN3R
0x6 = IN4L
0x7 = IN4R
All other codes are
reserved
6:4 US2_FREQ[2:0] 011 Ultrasonic Demodulator 2 Frequency
000 = 24.5–40.5 kHz
001 = 18–22 kHz
010 = 16–24 kHz
011 = 20–28 kHz
All other codes are
reserved
0 US2_ENA 0 Ultrasonic Demodulator 2 Enable
0 = Disabled
1 = Enabled
+
-
ADC
IN1xLN
IN1xLP
IN1L
Auxiliary PDM
interface
IN1R
IN2L
IN2R
CLK
DAT
GPIO
configuration
GPIO3/GPIO10
GPIO4/GPIO9
The Auxiliary PDM interface takes one of the analog
input paths as its signal source. The signal path
(e.g., IN1L) does not need to be enabled.
In Master Mode, CLK is output from the CS42L92.
In Slave Mode, CLK is input to the CS42L92.
In Slave Mode, the GPIO9 and GPIO10 pins must be used.
AUXPDM1_SRC[3:0] p. 48
__- __— __— _— _— CIRRUS LOGIC"
DS1162F1 47
CS42L92
4.2 Input Signal Path
Note: The input to the auxiliary PDM interface is independent of the enable, mute, and digital-volume settings of the
respective input signal path—the auxiliary PDM function does not require the selected input signal paths to be
enabled, and the mute/digital-volume settings of the input signal paths have no effect on the auxiliary PDM
function.
The auxiliary PDM interface is enabled by setting AUXPDM1_ENA. Note that the other auxiliary PDM control fields should
be configured before enabling the interface. The external connections (GPIO pins) should also be configured before
enabling the interface; the AUXPDM1_ENA bit should be set as the final step of the enable sequence. The AUXPDM1_
ENA bit should be cleared before changing the interface configuration.
The output signal can be muted and unmuted using AUXPDM1_MUTE.
The interface operates in master or slave modes, selected using the AUXPDM1_MSTR bit. In Master Mode, the clock
(CLK) signal is generated by the CS42L92; in Slave Mode, the CLK signal is an input to the CS42L92.
The CLK frequency is selected using the AUXPDM1_CLK_FREQ field. For each setting of this field, the actual frequency
depends on whether SYSCLK is configured for 48- or 44.1-kHz related sample rates. See Section 4.16 for details of the
system clocks. Note that the CLK frequency must be configured in master and slave modes, using the AUXPDM1_CLK_
FREQ field.
The timing of the data (DAT) output signal can be controlled using AUXPDM1_TXEDGE. This selects whether the DAT
output changes on the rising or falling edge of CLK.
The auxiliary PDM interface timing is shown in Fig. 4-14. In Master Mode, the clock and data outputs are driven
synchronously by the CS42L92. In Slave Mode, the timing of the output data is controlled by the external clock input.
In Slave Mode, the CS42L92 system clock (SYSCLK) must be synchronized to the CLK input. This is achieved by using
one of the FLLs to generate the system clock, with AIF2BCLK configured as the FLL clock reference. (If the auxiliary PDM
interface is configured in Slave Mode, the CLK input is supported on the AIF2BCLK/GPIO10 pin.) Further details of the
FLLs are provided in Section 4.16.8.
Figure 4-14. Auxiliary PDM Interface Timing
The external connections associated with the auxiliary PDM interface are implemented on GPIO pins, which must be
configured for the respective CLK and DAT functions. The auxiliary PDM signals are alternative functions available on
specific GPIO pins only. See Section 4.14 to configure the GPIO pins for the auxiliary PDM interface. Note that the output
pins (including the CLK function, if Master Mode is selected) must be configured as outputs using the respective GPn_DIR
fields.
In Master Mode, the CLK output can be configured on the GPIO3 or GPIO10 pins. The DAT output can be
configured on GPIO4 or GPIO9.
In Slave Mode, the CLK input is supported on GPIO10 only. The DAT output is supported on GPIO9.
The auxiliary PDM interface control registers are described in Table 4-9.
Aux PDM clock
Aux PDM data
(AUXPDM1_TXEDGE = 0)
Aux PDM data
(AUXPDM1_TXEDGE = 1)
_‘ __— __— _— _— CIRRUS LOGIC” Register Address Bit Label Default Description R4288 (OX10C0) 11 :8 AUXPDM17$RC[3:0] OX0 Auxlliary PDM1 Source 4 AUXPDM17TXEDGE 0 Auxlliary PDM 1 Tlrnlng 3 AUXPDM17MSTR 1 Auxlliary PDM 1 Master Mode Select 2 AUXPDM17MUTE O Auxlliary PDM 1 Mule O AUXPDM17ENA O Auxlliary PDM 1 Enable R4281 (OX10C1) 15:14 AUXPDM17FREQ[1:O] O1 Auxlliary PDM 1 CLK Rate Register Address Bit Label Default Description R840 (0X034E) 3 DMICDATILPD 0 DMICDAT4 Pulerown Control 2 DMICDATILPD 0 DMICDAT3 Pulerown Control 1 DMICDAT27PD 0 DMICDAT2 Pulerown Control O DMICDAT17PD 0 DMICDAT1 Pulerown Control
48 DS1162F1
CS42L92
4.2 Input Signal Path
4.2.11 DMIC Pin Configuration
DMIC operation on input paths IN1–IN4 is selected using INn_MODE, as described in Table 4-3. If DMIC is selected, the
respective DMICCLKn and DMICDATn pins are configured as digital outputs and inputs, respectively.
The CS42L92 provides integrated pull-down resistors on each DMICDATn pin. This provides a flexible capability for
interfacing with other devices.
The DMICDATn pull-down resistors can be configured independently using the bits described in Table 4-10. Note that, if
the DMICDATn DMIC input paths are disabled, the pull-down is disabled on the respective pin.
Table 4-9. Auxiliary PDM Interface Control
Register Address Bit Label Default Description
R4288 (0x10C0)
AUXPDM1_Ctrl_0
11:8 AUXPDM1_SRC[3:0] 0x0 Auxiliary PDM 1 Source
0x0 = IN1L
0x1 = IN1R
0x2 = IN2L
0x3 = IN2R
All other codes are reserved
Note that the selected input source must be configured for analog input—
digital input paths are not supported. The Auxiliary PDM interface must be
disabled when updating this field.
4 AUXPDM1_TXEDGE 0 Auxiliary PDM 1 Timing
0 = Output data is driven on rising edge of AUXPDM1_CLK
1 = Output data is driven on falling edge of AUXPDM1_CLK
The Auxiliary PDM interface must be disabled when updating this field.
3 AUXPDM1_MSTR 1 Auxiliary PDM 1 Master Mode select
0 = AUXPDM1_CLK Slave Mode (input)
1 = AUXPDM1_CLK Master mode (output)
The Auxiliary PDM interface must be disabled when updating this field.
2 AUXPDM1_MUTE 0 Auxiliary PDM 1 Mute
0 = Unmute
1 = Mute
0 AUXPDM1_ENA 0 Auxiliary PDM 1 Enable
0 = Disabled
1 = Enabled
R4281 (0x10C1)
AUXPDM1_Ctrl_1
15:14 AUXPDM1_FREQ[1:0] 01 Auxiliary PDM 1 CLK Rate
00 = 3.072 MHz (2.8824 MHz)
01 = 2.048 MHz (1.8816 MHz)
10 = 1.536 MHz (1.4112 MHz)
11 = 768 kHz (705.6 kHz)
The frequencies in brackets apply for 44.1 kHz–related sample rates only
(i.e., if SYSCLK_FRAC = 1). The Auxiliary PDM interface must be disabled
when updating this field.
Table 4-10. DMIC Interface Pull-Down Control
Register Address Bit Label Default Description
R840 (0x0348)
Dig_Mic_Pad_Ctrl
3 DMICDAT4_PD 0 DMICDAT4 Pull-Down Control
0 = Disabled
1 = Enabled
2 DMICDAT3_PD 0 DMICDAT3 Pull-Down Control
0 = Disabled
1 = Enabled
1 DMICDAT2_PD 0 DMICDAT2 Pull-Down Control
0 = Disabled
1 = Enabled
0 DMICDAT1_PD 0 DMICDAT1 Pull-Down Control
0 = Disabled
1 = Enabled
__- __— __— _— _— CIRRUS LOGIC"
DS1162F1 49
CS42L92
4.3 Digital Core
4.3 Digital Core
The CS42L92 digital core provides extensive mixing and processing capabilities for multiple signal paths. The
configuration is highly flexible and supports virtually every conceivable input/output connection between the available
processing blocks.
The digital core provides parametric equalization (EQ) functions, DRC, and low-/high-pass filters (LHPF).
The CS42L92 supports multiple signal paths through the digital core. Stereo full-duplex sample-rate conversion is provided
to allow digital audio to be routed between input (ADC) paths, output (DAC) paths, digital audio interfaces (AIF1–AIF3)
and SLIMbus paths operating at different sample rates or referenced to asynchronous clock domains. Data-format
conversion (DFC) functions are available to support different interface standards on the input and output signal paths.
The integrated DSP provides a general-purpose signal processing capability; this is supported by general-purpose timer
and event-logger functions. Note that the DSP configuration data is lost whenever the DCVDD power domain is removed;
the DSP configuration data must be downloaded to the CS42L92 each time the device is powered up.
The digital core incorporates a S/PDIF transmitter that can provide a stereo S/PDIF output on a GPIO pin. Standard
sample rates of 32–192 kHz can be supported. The CS42L92 incorporates a tone generator that can be used for beep
functions through any of the audio signal paths. A white-noise generator is incorporated, to provide comfort noise in cases
where silence (digital mute) is not desirable.
A haptic signal generator is provided, for use with external haptic devices (e.g., mechanical vibration actuators). Two
pulse-width modulation (PWM) signal generators are also provided; the PWM waveforms can be modulated by an audio
source within the digital core and can be output on a GPIO pin.
An overview of the digital-core mixing and signal-processing functions is provided in Fig. 4-15. The control registers
associated with the digital-core signal paths are shown in Fig. 4-16 through Fig. 4-33. The full list of digital mixer control
registers (R1600–R3576) is provided in Section 6. Generic register field definitions are provided in Table 4-11.
The digital audio core is predominantly a 24-bit architecture, but also provides support for 32-bit signal paths. Audio data
samples of up to 32 bits can be received via the AIF1, AIF3, and SLIMbus input channels and routed to the AIF1, AIF3,
SLIMbus, S/PDIF, and DAC output paths. The respective output mixers provide full support for 32-bit data words.
Note that all other signal paths and signal-processing blocks within the digital core are limited to 24-bit data length; data
samples are truncated to 24-bit length if they are routed through any function that does not support 32-bit data words.
CIRRUS LOGIC” _‘ __— __— _— _— Qg g
50 DS1162F1
CS42L92
4.3 Digital Core
Figure 4-15. Digital Core
+
(GPIO pin)
PWM
PWM1
PWM2
(GPIO pin)
S/PDIF
Tone Generator 1
Tone Generator
Tone Generator 2
Noise Generator
White Noise
Generator
Haptic Output
Haptic Signal
Generator
+
EQn
EQ
EQ1
EQ2
EQ3
EQ4
+
LHPFn
LHPF
LHPF1
LHPF2
LHPF3
LHPF4
DRCn
Left
DRCn
Right
DRC
DRC1
DRC2
+
+
DFCn
DFC
DFC1
DFC2
DFC3
DFC4
DFCn
DFC
DFC5
DFC6
DFC7
DFC8
ASRC1 Left
ASRC1 Right
Asynchronous
Sample Rate
Converter (ASRC)
ASRC1
ASRC1 Right
ASRC1 Left
ISRCn DEC1
ISRCn DEC2
ISRC2
Isochronous
Sample Rate
Converter (ISRC)
ISRC1
ISRCn INT2
ISRCn INT1
SLIMbus
SLIMbus = 8 input , 8 output
+
AIFn TX1 output
+
AIFn TX2 output
+
AIFn TX... output
+
AIFn TX... output
AIFn RX...
AIFn RX...
AIFn RX2
AIFn RX1
etc...
AIF1 = 8 input , 8 output
AIF2 = 8 input , 8 output
AIF3 = 8 input , 8 output
AIF2
AIF3
AIF1
DSP1 Ch 1
DSP1 Ch 2
DSP1 Ch 3
DSP1 Ch 4
DSP1 Ch 5
DSP1 Ch 6
DSP Core
+
+
DSP1
OUT5
OUT3
OUT2
+
OUTnL output
+
OUTnR output
Stereo
Output
Paths
OUT1
IN1L signal path
IN1R signal path
IN2L signal path
IN2R signal path
IN3L signal path
IN3R signal path
IN4L signal path
IN4R signal path
Silence (mute)
Ultrasonic 1 path
AEC1 Loopback
AEC2 Loopback
Ultrasonic 2 path
__- __— __— _— _— CIRRUS LOGIC"
DS1162F1 51
CS42L92
4.3 Digital Core
4.3.1 Digital-Core Mixers
The CS42L92 provides an extensive digital mixing capability. The digital-core mixing and signal-processing blocks are
shown in Fig. 4-15. A four-input digital mixer is associated with many of these functions, as shown. The digital mixer circuit
is identical in each instance, providing up to four selectable input sources, with independent volume control on each input.
The control registers associated with the digital-core signal paths are shown in Fig. 4-16Fig. 4-33. The full list of digital
mixer control registers (R1600–R3576) is provided in Section 6.
Further description of the associated control registers is provided throughout Section 4.3. Generic register field definitions
are provided in Table 4-11.
The digital mixer input sources are selected using the associated x_SRCn fields; the volume control is implemented via
the associated x_VOLn fields.
The ASRC, ISRC, DFC, and DSP auxiliary input functions support selectable input sources, but do not incorporate any
digital mixing. The respective input source (x_SRCn) fields are identical to those of the digital mixers.
The x_SRCn fields select the input sources for the respective mixer or signal-processing block. Note that the selected input
sources must be configured for the same sample rate as the blocks to which they are connected. Sample-rate conversion
functions are available to support flexible interconnectivity; see Section 4.3.15 and Section 4.3.16. The DFCs provide
support for different data types, including floating point formats. Note that, if unsigned or floating point data is present within
the digital core, some restrictions on the valid signal routing options apply—see Section 4.3.13.
A status bit is associated with each configurable input source. If an underclocked error condition occurs, these bits indicate
which signal paths have been enabled.
The generic register field definition for the digital mixers is provided in Table 4-11.
_‘ __— __— _— _— CIRRUS LOGIC” RegisterAddress Bit Label Default Description R1600(0x0640) 15 LSTS o [DwgwtalCoreluncuon]\nput status 7:1 LVOL 0x40 [Dwgwtal Core rmxer] mpm volume.(732dBlo +16dBm1rstteps) 7:0 LSRC 0x00 [DwgwtalCoreluncuonhnput sourceselecl
52 DS1162F1
CS42L92
4.3 Digital Core
4.3.2 Digital-Core Inputs
The digital core comprises multiple input paths, as shown in Fig. 4-16. Any of these inputs may be selected as a source
to the digital mixers or signal-processing functions within the CS42L92 digital core.
Note that the outputs from other blocks within the digital core may also be selected as input to the digital mixers or
signal-processing functions within the CS42L92 digital core. Those input sources, which are not shown in Fig. 4-16, are
described separately throughout Section 4.3.
The hexadecimal numbers in Fig. 4-16 indicate the corresponding x_SRCn setting for selection of that signal as an input
to another digital-core function.
The sample rate for the input signal paths is configured by using the applicable IN_RATE, AIFn_RATE, SLIMRXn_RATE,
or USn_RATE field; see Table 4-26. Note that sample-rate conversion is required when routing the input signal paths to
any signal chain that is asynchronous or configured for a different sample rate.
Table 4-11. Digital-Core Mixer Control Registers
Register Address Bit Label Default Description
R1600 (0x0640)
to
R3576 (0x0DF8)
15 x_STSn0 [Digital Core function] input n status
0 = Disabled
1 = Enabled
7:1 x_VOLn0x40 [Digital Core mixer] input n volume. (32 dB to +16 dB in 1-dB steps)
0x00 to 0x20 = –32 dB
0x21 = –31 dB
0x22 = –30 dB
... (1-dB steps)
0x40 = 0 dB
... (1-dB steps)
0x50 = +16 dB
0x51 to 0x7F = +16 dB
7:0 x_SRCn0x00 [Digital Core function] input n source select
0x00 = Silence (mute)
0x04 = Tone generator 1
0x05 = Tone generator 2
0x06 = Haptic generator
0x08 = AEC Loop-Back 1
0x09 = AEC Loop-Back 2
0x0D = Noise generator
0x10 = IN1L signal path
0x11 = IN1R signal path
0x12 = IN2L signal path
0x13 = IN2R signal path
0x14 = IN3L signal path
0x15 = IN3R signal path
0x16 = IN4L signal path
0x17 = IN4R signal path
0x20 = AIF1 RX1
0x21 = AIF1 RX2
0x22 = AIF1 RX3
0x23 = AIF1 RX4
0x24 = AIF1 RX5
0x25 = AIF1 RX6
0x26 = AIF1 RX7
0x27 = AIF1 RX8
0x28 = AIF2 RX1
0x29 = AIF2 RX2
0x2A = AIF2 RX3
0x2B = AIF2 RX4
0x2C = AIF2 RX5
0x2D = AIF2 RX6
0x2E = AIF2 RX7
0x2F = AIF2 RX8
0x30 = AIF3 RX1
0x31 = AIF3 RX2
0x32 = AIF3 RX3
0x33 = AIF3 RX4
0x34 = AIF3 RX5
0x35 = AIF3 RX6
0x36 = AIF3 RX7
0x37 = AIF3 RX8
0x38 = SLIMbus RX1
0x39 = SLIMbus RX2
0x3A = SLIMbus RX3
0x3B = SLIMbus RX4
0x3C = SLIMbus RX5
0x3D = SLIMbus RX6
0x3E = SLIMbus RX7
0x3F = SLIMbus RX8
0x50 = EQ1
0x51 = EQ2
0x52 = EQ3
0x53 = EQ4
0x58 = DRC1 Left
0x59 = DRC1 Right
0x5A = DRC2 Left
0x5B = DRC2 Right
0x60 = LHPF1
0x61 = LHPF2
0x62 = LHPF3
0x63 = LHPF4
0x68 = DSP1 Channel 1
0x69 = DSP1 Channel 2
0x6A = DSP1 Channel 3
0x6B = DSP1 Channel 4
0x6C = DSP1 Channel 5
0x6D = DSP1 Channel 6
0x90 = ASRC1 IN1 Left
0x91 = ASRC1 IN1 Right
0x92 = ASRC1 IN2 Left
0x93 = ASRC1 IN2 Right
0xA0 = ISRC1 INT1
0xA1 = ISRC1 INT2
0xA4 = ISRC1 DEC1
0xA5 = ISRC1 DEC2
0xA8 = ISRC2 INT1
0xA9 = ISRC2 INT2
0xAC = ISRC2 DEC1
0xAD = ISRC2 DEC2
0xF0 = US1
0xF1 = US2
0xF8 = DFC1
0xF9 = DFC2
0xFA = DFC3
0xFB = DFC4
0xFC = DFC5
0xFD = DFC6
0xFE = DFC7
0xFF = DFC8
_‘ __— __— _— _— CIRRUS LOGIC”
DS1162F1 53
CS42L92
4.3 Digital Core
Figure 4-16. Digital-Core Inputs
4.3.3 Digital-Core Output Mixers
The digital core comprises multiple output paths. The output paths associated with AIF1–AIF3 are shown in Fig. 4-17. The
output paths associated with OUT1–OUT5 are shown in Fig. 4-18. The output paths associated with the SLIMbus interface
are shown in Fig. 4-19.
A four-input mixer is associated with each output. The four input sources are selectable in each case, and independent
volume control is provided for each path.
Silence (mute) (0x00)
AEC1 Loopback (0x08)
AEC2 Loopback (0x09)
IN1L signal path (0x10)
IN1R signal path (0x11)
IN2L signal path (0x12)
IN2R signal path (0x13)
IN3L signal path (0x14)
IN3R signal path (0x15)
IN4L signal path (0x16)
IN4R signal path (0x17)
AIF1 RX1 (0x20)
AIF1 RX2 (0x21)
AIF1 RX3 (0x22)
AIF1 RX4 (0x23)
AIF1 RX5 (0x24)
AIF1 RX6 (0x25)
AIF1 RX7 (0x26)
AIF1 RX8 (0x27)
AIF2 RX1 (0x28)
AIF2 RX2 (0x29)
AIF2 RX3 (0x2A)
AIF2 RX4 (0x2B)
AIF2 RX5 (0x2C)
AIF2 RX6 (0x2D)
AIF2 RX7 (0x2E)
AIF2 RX8 (0x2F)
AIF3 RX1 (0x30)
AIF3 RX2 (0x31)
AIF3 RX3 (0x32)
AIF3 RX4 (0x33)
AIF3 RX5 (0x34)
AIF3 RX6 (0x35)
AIF3 RX7 (0x36)
AIF3 RX8 (0x37)
SLIMbus RX1 (0x38)
SLIMbus RX2 (0x39)
SLIMbus RX3 (0x3A)
SLIMbus RX4 (0x3B)
SLIMbus RX5 (0x3C)
SLIMbus RX6 (0x3D)
SLIMbus RX7 (0x3E)
SLIMbus RX8 (0x3F)
Ultrasonic 1 (0xF0)
Ultrasonic 2 (0xF1)
__- __— __— _— _— CIRRUS LOGIC"
54 DS1162F1
CS42L92
4.3 Digital Core
The AIF1–AIF3 output mixer control fields (see Fig. 4-17) are located at register addresses R1792–R1983
(0x0700–0x07BF). The OUT1–OUT5 output mixer control fields (see Fig. 4-18) are located at addresses R1664–R1743
(0x0680–0x06CF). The SLIMbus output mixer control fields (see Fig. 4-19) are located at addresses R1984–R2047
(0x07C0–0x07FF).
The full list of digital mixer control registers (R1600–R3576) is provided in Section 6. Generic register field definitions are
provided in Table 4-11.
The x_SRCn fields select the input sources for the respective mixers. Note that the selected input sources must be
configured for the same sample rate as the mixer to which they are connected. Sample-rate conversion functions are
available to support flexible interconnectivity; see Section 4.3.15 and Section 4.3.16.
The sample rate for the output signal paths is configured using the applicable OUT_RATE, AIFn_RATE, or SLIMTXn_
RATE fields; see Table 4-26. Note that sample-rate conversion is required when routing the output signal paths to any
signal chain that is asynchronous or configured for a different sample rate.
The OUT_RATE, AIFn_RATE, or SLIMTXn_RATE fields must not be changed if any of the respective x_SRCn fields is
nonzero. The associated x_SRCn fields must be cleared before writing new values to OUT_RATE, AIFn_RATE, or
SLIMTXn_RATE. A minimum delay of 125 s must be allowed between clearing the x_SRCn fields and writing to the
associated OUT_RATE, AIFn_RATE, or SLIMTXn_RATE fields. See Table 4-26 for details.
The AIF1, AIF3, SLIMbus, and DAC (OUT1–OUT3) output mixers provide full support for 32-bit data words. Audio data
samples up to 32 bits are supported on the AIF1, AIF3, and SLIMbus input channels, which can be routed to the AIF1,
AIF3, SLIMbus, and DAC (OUT1–OUT3) output paths. Note that other signal paths and signal-processing blocks within
the digital core are limited to 24-bit data length; data samples are truncated to 24-bit length if they are routed through any
function that does not support 32-bit data words.
The CS42L92 performs automatic checks to confirm that the SYSCLK frequency is high enough to support the output
mixer paths. If the frequency is too low, an attempt to enable an output mixer path fails. Note that active signal paths are
not affected under such circumstances.
The status bits in registers R1600–R3576 indicate the status of each digital mixer. If an underclocked error condition
occurs, these bits indicate which mixers have been enabled.
_‘ __— __— _— _— CIRRUS LOGIC” XanXfiVOU XanXfiVOLZ XanXfiVOLS XanXfiVOU XanXfiVOLZ XanXfiVOLS
DS1162F1 55
CS42L92
4.3 Digital Core
Figure 4-17. Digital-Core AIF Outputs
AIF3TXnMIX_SRC1
AIF3TXnMIX_SRC3
AIF3TXnMIX_SRC4
AIF3TXnMIX_SRC2
AIF3 TXn
AIF2TXnMIX_SRC1
AIF2TXnMIX_SRC3
AIF2TXnMIX_SRC4
AIF2TXnMIX_SRC2
AIF2 TXn
AIF3TXnMIX_VOL2
AIF3TXnMIX_VOL3
AIF3TXnMIX_VOL4
AIF3TXnMIX_VOL1
AIF2TXnMIX_VOL2
AIF2TXnMIX_VOL3
AIF2TXnMIX_VOL4
AIF2TXnMIX_VOL1
+
+
AIF1TXnMIX_SRC1
AIF1TXnMIX_SRC3
AIF1TXnMIX_SRC4
AIF1TXnMIX_SRC2
AIF1 TXn
AIF1TXnMIX_VOL2
AIF1TXnMIX_VOL3
AIF1TXnMIX_VOL4
AIF1TXnMIX_VOL1
+
CS42L92 supports eight AIF1 output mixers, i.e., n = 1–8
CS42L92 supports eight AIF2 output mixers, i.e., n = 1–8
CS42L92 supports eight AIF3 output mixers, i.e., n = 1–8
x_SRCn p. 52
x_VOLn p. 52
_‘ __— __— _— _— CIRRUS LOGIC” nLMIXiVOU nLMIXiVOLZ nLMIXiVOLS
56 DS1162F1
CS42L92
4.3 Digital Core
Figure 4-18. Digital-Core OUTn Outputs
Figure 4-19. Digital-Core SLIMbus Outputs
4.3.4 Five-Band Parametric Equalizer (EQ)
The digital core provides four EQ processing blocks as shown in Fig. 4-20. A four-input mixer is associated with each EQ.
The four input sources are selectable in each case, and independent volume control is provided for each path. Each EQ
block supports one output.
The EQ provides selective control of five frequency bands as follows:
The low-frequency band (Band 1) filter can be configured as a peak filter or as a shelving filter. If configured as a
shelving filter, it provides adjustable gain below the Band 1 cut-off frequency. As a peak filter, it provides adjustable
gain within a defined frequency band that is centered on the Band 1 frequency.
OUTnLMIX_SRC1
OUTnLMIX_SRC3
OUTnLMIX_SRC4
OUTnLMIX_SRC2
OUTn Left
OUTnRMIX_SRC1
OUTnRMIX_SRC3
OUTnRMIX_SRC4
OUTnRMIX_SRC2
OUTn Right
OUTnLMIX_VOL2
OUTnLMIX_VOL3
OUTnLMIX_VOL4
OUTnLMIX_VOL1
OUT nRMIX_VOL 2
OUT nRMIX_VOL 3
OUT nRMIX_VOL 4
OUT nRMIX_VOL 1
+
+
CS42L92 supports four stereo output mixer pairs, i.e., n = 1, 2, 3, or 5
x_SRCn p. 52
x_VOLn p. 52
SLIMTXnMIX_SRC1
SLIMTXnMIX_SRC3
SLIMTXnMIX_SRC4
SLIMTXnMIX_SRC2
SLIMbus TXn
SLIMTXnMIX_VOL2
SLIMTXnMIX_VOL3
SLIMTXnMIX_VOL4
SLIMTXnMIX_VOL1
+
CS42L92 supports eight SLIMbus output mixers, i.e., n = 1–8
x_SRCn p. 52
x_VOLn p. 52
_‘ __— __— _— _— CIRRUS LOGIC” EQ Register Addresses EQ1 R3602(0x0E10)to R3620 (0)0524) EQZ R3624 (0XOE28) to R3642 (OXOE3A) EQ3 R3646 (OXOESE) to R3664 (OXOE53) EQ4 R3668 (0x0E54) to R3686 (OXOEGS)
DS1162F1 57
CS42L92
4.3 Digital Core
The midfrequency bands (Band 2–Band 4) filters are peak filters that provide adjustable gain around the respective
center frequency.
The high-frequency band (Band 5) filter is a shelving filter that provides adjustable gain above the Band 5 cut-off
frequency.
Figure 4-20. Digital-Core EQ Blocks
The EQ1–EQ4 mixer control fields (see Fig. 4-20) are located at register addresses R2176–R2207 (0x0880–0x089F).
The full list of digital-mixer control registers (R1600–R3576) is provided in Section 6. Generic register field definitions are
provided in Table 4-11.
The x_SRCn fields select the input sources for the respective EQ processing blocks. Note that the selected input sources
must be configured for the same sample rate as the EQ to which they are connected. Sample-rate conversion functions
are available to support flexible interconnectivity; see Section 4.3.15 and Section 4.3.16.
The hexadecimal numbers in Fig. 4-20 indicate the corresponding x_SRCn setting for selection of that signal as an input
to another digital-core function.
The sample rate for the EQ function is configured using FX_RATE; see Table 4-26. Note that the EQ, DRC, and LHPF
functions must be configured for the same sample rate. Sample-rate conversion is required when routing the EQ signal
paths to any signal chain that is asynchronous or configured for a different sample rate.
The FX_RATE field must not be changed if any of the associated x_SRCn fields is nonzero. The associated x_SRCn fields
must be cleared before writing a new value to FX_RATE. A minimum delay of 125 s must be allowed between clearing
the x_SRCn fields and writing to FX_RATE. See Table 4-26 for details.
The cut-off or center frequencies for the five-band EQ are set by using the coefficients held in the registers identified in
Table 4-12. These coefficients are derived using tools provided in Cirrus Logic’s WISCE™ evaluation-board control
software; please contact your Cirrus Logic representative for details.
The control registers associated with the EQ functions are described in Table 4-13.
Table 4-12. EQ Coefficient Registers
EQ Register Addresses
EQ1 R3602 (0x0E10) to R3620 (0x0E24)
EQ2 R3624 (0x0E28) to R3642 (0x0E3A)
EQ3 R3646 (0x0E3E) to R3664 (0x0E53)
EQ4 R3668 (0x0E54) to R3686 (0x0E66)
EQnMIX_VOL2
EQnMIX_VOL3
EQnMIX_VOL4
EQnMIX_VOL1
EQnMIX_SRC1
EQnMIX_SRC3
EQnMIX_SRC4
EQnMIX_SRC2
EQ1 (0x50)
EQ2 (0x51)
EQ3 (0x52)
EQ4 (0x53)
Five-band Equalizer
+EQ
CS42L92 supports four EQ blocks, i.e., n = 1–4
x_SRCn p. 52
x_VOLn p. 52
_‘ __— __— _— _— CIRRUS LOGIC” Regisler Address Bil Label Default Description R3585 (0XOEO1) 15:4 FX,STS[11:0] 0X00 LHPF. DRC‘ EQ Enab1e Status. 1ndwcates the Status 01 each respective R3600 (0XOE10) 15:11 EQ1iB1iGAIN[4:0] 0X00 EQ1 Band 1 Gain 1 (712 dB Io +12 dB m 1rdE steps) 10:6 EQ1,BZ,GAIN[4:0] 0X00 EQ1 Band 2 Gain 1 (712 dB Io +12 dB m 1rdE steps) 5:1 EQ1,B37GA|N[4:0] 0X00 EQ1 Band 3 Gain 1 (712 dB Io +12 dB m 1rdE steps) 0 EQ17ENA 0 EQ1 Enab1e R3601 (0XOE11) 15:11 EQ1iB4iGAIN[4:0] 0X00 EQ1 Band4 Gain 1 (712 dB Io +12 dB m 1rdE steps) 10:6 EQ1,BS,GAIN[4:0] 0X00 EQ1 Band 5 Gain 1 (712 dB Io +12 dB m 1rdE steps) 0 EQ1iB17MODE 0 EQ1 Band1 Mode R3602 (0XOE12) to 15:0 EQ1iB17' 7 EQ1 Frequency Coe"1€1ents,Reierto WISCE eva1uat10n board Control soflware [or R3622 (0XOE26) 15:11 EQ27B1iGAIN[4:0] 0X00 EQ2 Band 1 Gain 1 10:6 EQ27BZ,GAIN[4:0] 0X00 EQ2 Band 2 Gain 1 5:1 EQ2iB3iGAIN[4:0] 0X00 EQ2 Band 3 Gain 1 0 EQ27ENA 0 EQ2 Enab1e R3623 (0XOE27) 15:11 EQ27B4iGAIN[4:0] 0X00 EQ2 Band 4 Gain 1 (712 dB Io +12 dB m 1rdE steps) 10:6 EQ27BS,GAIN[4:0] 0X00 EQ2 Band 5 Gain 1 (712 dB Io +12 dB m 1rdE steps) 0 EQ2iB17MODE 0 EQ2 Band 1 Mode R3624 (0XOE28) to 15:0 EQ27B17' 7 EQ2 Frequency Coe"1€1ents,Reierto WISCE eva1uat10n board Control soflware [or R3644 (0XOE3C) 15:11 EQ3iB1iGAIN[4:0] 0X00 EQ3 Band 1 Gain 1 (712 dB Io +12 dB m 1rdE steps) 10:6 EQ3,BZ,GAIN[4:0] 0X00 EQ3 Band 2 Gain 1 (712 dB Io +12 dB m 1rdE steps) 5:1 EQ3,B37GA|N[4:0] 0X00 EQ3 Band 3 Gain 1 (712 dB Io +12 dB m 1rdE steps) 0 EQ37ENA 0 EQ3 Enab1e R3645 (0XOE3D) 15:11 EQ3iB4iGAIN[4:0] 0X00 EQ3 Band 4 Gain1 (712 dB Io +12 dB m 1rdB steps) 10:6 EQ3,BS,GAIN[4:0] 0X00 EQ3 Band 5 Gain 1 (712 dB Io +12 dB m 1rdE steps) 0 EQ3iB17MODE 0 EQ3 Band 1 Mode
58 DS1162F1
CS42L92
4.3 Digital Core
Table 4-13. EQ Enable and Gain Control
Register Address Bit Label Default Description
R3585 (0x0E01)
FX_Ctrl2
15:4 FX_STS[11:0] 0x00 LHPF, DRC, EQ Enable Status. Indicates the status of each respective
signal-processing function. Each bit is coded as follows:
0 = Disabled
1 = Enabled
[11] = EQ4
[10] = EQ3
[9] = EQ2
[8] = EQ1
[7] = DRC2 (Right)
[6] = DRC2 (Left)
[5] = DRC1 (Right)
[4] = DRC1 (Left)
[3] = LHPF4
[2] = LHPF3
[1] = LHPF2
[0] = LHPF1
R3600 (0x0E10)
EQ1_1
15:11 EQ1_B1_GAIN[4:0] 0x0C EQ1 Band 1 Gain 1 (–12 dB to +12 dB in 1-dB steps)
10:6 EQ1_B2_GAIN[4:0] 0x0C EQ1 Band 2 Gain 1 (–12 dB to +12 dB in 1-dB steps)
5:1 EQ1_B3_GAIN[4:0] 0x0C EQ1 Band 3 Gain 1 (–12 dB to +12 dB in 1-dB steps)
0 EQ1_ENA 0 EQ1 Enable
0 = Disabled
1 = Enabled
R3601 (0x0E11)
EQ1_2
15:11 EQ1_B4_GAIN[4:0] 0x0C EQ1 Band 4 Gain 1 (–12 dB to +12 dB in 1-dB steps)
10:6 EQ1_B5_GAIN[4:0] 0x0C EQ1 Band 5 Gain 1 (–12 dB to +12 dB in 1-dB steps)
0 EQ1_B1_MODE 0 EQ1 Band 1 Mode
0 = Shelving filter
1 = Peak filter
R3602 (0x0E12) to
R3620 (0x0E24)
15:0 EQ1_B1_*
EQ1_B2_*
EQ1_B3_*
EQ1_B4_*
EQ1_B5_*
EQ1 Frequency Coefficients. Refer to WISCE evaluation board control software for
the derivation of these field values.
R3622 (0x0E26)
EQ2_1
15:11 EQ2_B1_GAIN[4:0] 0x0C EQ2 Band 1 Gain 1
–12 dB to +12 dB in 1-dB steps
10:6 EQ2_B2_GAIN[4:0] 0x0C EQ2 Band 2 Gain 1
–12 dB to +12 dB in 1-dB steps
5:1 EQ2_B3_GAIN[4:0] 0x0C EQ2 Band 3 Gain 1
–12 dB to +12 dB in 1-dB steps
0 EQ2_ENA 0 EQ2 Enable
0 = Disabled
1 = Enabled
R3623 (0x0E27)
EQ2_2
15:11 EQ2_B4_GAIN[4:0] 0x0C EQ2 Band 4 Gain 1 (–12 dB to +12 dB in 1-dB steps)
10:6 EQ2_B5_GAIN[4:0] 0x0C EQ2 Band 5 Gain 1 (–12 dB to +12 dB in 1-dB steps)
0 EQ2_B1_MODE 0 EQ2 Band 1 Mode
0 = Shelving filter
1 = Peak filter
R3624 (0x0E28) to
R3642 (0x0E3A)
15:0 EQ2_B1_*
EQ2_B2_*
EQ2_B3_*
EQ2_B4_*
EQ2_B5_*
EQ2 Frequency Coefficients. Refer to WISCE evaluation board control software for
the derivation of these field values.
R3644 (0x0E3C)
EQ3_1
15:11 EQ3_B1_GAIN[4:0] 0x0C EQ3 Band 1 Gain 1 (–12 dB to +12 dB in 1-dB steps)
10:6 EQ3_B2_GAIN[4:0] 0x0C EQ3 Band 2 Gain 1 (–12 dB to +12 dB in 1-dB steps)
5:1 EQ3_B3_GAIN[4:0] 0x0C EQ3 Band 3 Gain 1 (–12 dB to +12 dB in 1-dB steps)
0 EQ3_ENA 0 EQ3 Enable
0 = Disabled
1 = Enabled
R3645 (0x0E3D)
EQ3_2
15:11 EQ3_B4_GAIN[4:0] 0x0C EQ3 Band 4 Gain1 (12 dB to +12 dB in 1-dB steps)
10:6 EQ3_B5_GAIN[4:0] 0x0C EQ3 Band 5 Gain 1 (–12 dB to +12 dB in 1-dB steps)
0 EQ3_B1_MODE 0 EQ3 Band 1 Mode
0 = Shelving filter
1 = Peak filter
_‘ __— __— _— _— CIRRUS LOGIC” Regisler Address Bil Label Default Description R3646 (0XOE3E) Io 15:0 EQ3iB1: 7 EQS Frequency Coefficients, Reier to WISCE eva1uation board Control soflware [or R3666 (0XOE52) 15:11 EQ4iB1iGAIN[4:0] 0X00 EQ4 Band 1 Gain 1 (712 dB Io +12 dB in 1rdE steps) 10:6 EQ47327GA|N[4:0] 0X00 EQ4 Band 2 Gain 1 (712 dB Io +12 dB in 1rdE steps) 5:1 EQ47BS,GAIN[4:0] 0X00 EQ4 Band 3 Gain 1 (712 dB Io +12 dB in 1rdE steps) 0 EQALENA 0 EQ4 Enab1e R3667 (0XOE53) 15:11 EQ4iB4iGAIN[4:0] 0X00 EQ4 Band 4 Gain 1 (712 dB Io +12 dB in 1rdE steps) 10:6 EQ47357GA|N[4:0] 0X00 EQ4 Band 5 Gain 1 (712 dB Io +12 dB in 1rdB steps 0 EQ47B17MODE 0 EQ4 Band 1 Mode R3668 (0XOE54) to 15:0 EQ4iB1: 7 EQ4 Frequency Coefficients, Reier to WISCE eva1uation board Control soflware [or EQ Gain Setting Gain (dB) EQ Gain Setting Gain (dB) 00000 ,12 01101 +1 00001 41 01110 +2 00010 ,10 01111 +3 00011 79 10000 +4 00100 43 10001 +5 00101 ,7 10010 +6 00110 49 10011 +7 00111 75 10100 +8 01000 44 10101 +9 01001 73 10110 +10 01010 72 10111 +11 01011 ,1 11000 +12 01100 0 11001711111 Reserved
DS1162F1 59
CS42L92
4.3 Digital Core
Table 4-14 lists the EQ gain control settings.
The CS42L92 automatically checks to confirm whether the SYSCLK frequency is high enough to support the commanded
EQ and digital mixing functions. If an attempt is made to enable an EQ signal path, and there are insufficient SYSCLK
cycles to support it, the attempt does not succeed. Note that any signal paths that are already active are not affected under
such circumstances.
The FX_STS field in register R3585 indicates the status of each EQ, DRC, and LHPF signal path. If an underclocked error
condition occurs, this field indicates which EQ, DRC, or LHPF signal paths have been enabled.
The status bits in registers R1600–R3576 indicate the status of each digital mixer. If an underclocked error condition
occurs, these bits indicate which mixers have been enabled.
R3646 (0x0E3E) to
R3664 (0x0E50)
15:0 EQ3_B1_*
EQ3_B2_*
EQ3_B3_*
EQ3_B4_*
EQ3_B5_*
EQ3 Frequency Coefficients. Refer to WISCE evaluation board control software for
the derivation of these field values.
R3666 (0x0E52)
EQ4_1
15:11 EQ4_B1_GAIN[4:0] 0x0C EQ4 Band 1 Gain 1 (–12 dB to +12 dB in 1-dB steps)
10:6 EQ4_B2_GAIN[4:0] 0x0C EQ4 Band 2 Gain 1 (–12 dB to +12 dB in 1-dB steps)
5:1 EQ4_B3_GAIN[4:0] 0x0C EQ4 Band 3 Gain 1 (–12 dB to +12 dB in 1-dB steps)
0 EQ4_ENA 0 EQ4 Enable
0 = Disabled
1 = Enabled
R3667 (0x0E53)
EQ4_2
15:11 EQ4_B4_GAIN[4:0] 0x0C EQ4 Band 4 Gain 1 (–12 dB to +12 dB in 1-dB steps)
10:6 EQ4_B5_GAIN[4:0] 0x0C EQ4 Band 5 Gain 1 (–12 dB to +12 dB in 1-dB steps
0 EQ4_B1_MODE 0 EQ4 Band 1 Mode
0 = Shelving filter
1 = Peak filter
R3668 (0x0E54) to
R3686 (0x0E66)
15:0 EQ4_B1_*
EQ4_B2_*
EQ4_B3_*
EQ4_B4_*
EQ4_B5_*
EQ4 Frequency Coefficients. Refer to WISCE evaluation board control software for
the derivation of these field values.
1.See Table 4-14 for gain range.
Table 4-14. EQ Gain-Control Range
EQ Gain Setting Gain (dB) EQ Gain Setting Gain (dB)
00000 –12 01101 +1
00001 –11 01110 +2
00010 –10 01111 +3
00011 9 10000 +4
00100 8 10001 +5
00101 7 10010 +6
00110 6 10011 +7
00111 5 10100 +8
01000 4 10101 +9
01001 3 10110 +10
01010 2 10111 +11
01011 1 11000 +12
01100 0 11001–11111 Reserved
Table 4-13. EQ Enable and Gain Control (Cont.)
Register Address Bit Label Default Description
_‘ __— __— _— _— CIRRUS LOGIC” nLMIX7VOL1 nLMIX7VOL2 :% nLMIX7VOL3 DY
60 DS1162F1
CS42L92
4.3 Digital Core
4.3.5 Dynamic Range Control (DRC)
The digital core provides two stereo DRC processing blocks, as shown in Fig. 4-21. A four-input mixer is associated with
each DRC input channel. The input sources are selectable in each case, and independent volume control is provided for
each path. The stereo DRC blocks support two outputs each.
The function of the DRC is to adjust the signal gain in conditions where the input amplitude is unknown or varies over a
wide range, for example, when recording from microphones built into a handheld system or to restrict the dynamic range
of an output signal path.
To improve intelligibility in the presence of loud impulsive noises, the DRC can apply compression and automatic level
control to the signal path. It incorporates anticlip and quick-release features for handling transients.
The DRC also incorporates a noise-gate function that provides additional attenuation of very low-level input signals. This
means that the signal path is quiet when no signal is present, giving an improvement in background noise level under these
conditions.
A signal-detect function is provided within the DRC; this can be used to detect the presence of an audio signal and to
trigger other events. It can also be used as an interrupt event or to trigger the control-write sequencer. Note that DRC
triggering of the control-write sequencer is supported for DRC1 only.
Figure 4-21. Dynamic Range Control (DRC) Block
The DRC1 and DRC2 mixer control fields (see Fig. 4-21) are located at register addresses R2240–R2271
(0x08C0–0x08DF).
The full list of digital mixer control registers (R1600–R3576) is provided in Section 6. Generic register field definitions are
provided in Table 4-11.
The x_SRCn fields select the input sources for the respective DRC processing blocks. Note that the selected input sources
must be configured for the same sample rate as the DRC to which they are connected. Sample-rate conversion functions
are available to support flexible interconnectivity; see Section 4.3.15 and Section 4.3.16.
DRCnLMIX_VOL2
DRCnLMIX_VOL3
DRCnLMIX_VOL4
DRCnLMIX_VOL1
DRCnLMIX_SRC1
DRCnLMIX_SRC3
DRCnLMIX_SRC4
DRCnLMIX_SRC2
DRC1 Left (0x58)
DRC2 Left (0x5A)
Dynamic Range
Controller
DRCnRMIX_VOL2
DRCnRMIX_VOL3
DRCnRMIX_VOL4
DRCnRMIX_VOL1
DRCnRMIX_SRC1
DRCnRMIX_SRC3
DRCnRMIX_SRC4
DRCnRMIX_SRC2
DRC1 Right (0x59)
DRC2 Right (0x5B)
Dynamic Range
Controller
+
+
DRC
DRC
CS42L92 supports two stereo DRC blocks, i.e., n = 1 or 2
x_SRCn p. 52
x_VOLn p. 52
__- __— __— _— _— CIRRUS LOGIC" Regisler Address Bit Label Defaull R3712 (OXOESO) 1 DRC1L7ENA 0 DRC‘l (lefl) enable 0 DRC1R7ENA O DRC‘l (fight) enable R3720 (0XOE88) 1 DRCZLiENA 0 DRCZ (lefl) enable 0 DRCZRiENA O DRCZ (fight) enable
DS1162F1 61
CS42L92
4.3 Digital Core
The hexadecimal numbers in Fig. 4-21 indicate the corresponding x_SRCn setting for selection of that signal as an input
to another digital-core function.
The sample rate for the DRC function is configured using FX_RATE; see Table 4-26. Note that the EQ, DRC, and LHPF
functions must all be configured for the same sample rate. Sample-rate conversion is required when routing the DRC
signal paths to any signal chain that is asynchronous or configured for a different sample rate.
The FX_RATE field must not be changed if any of the associated x_SRCn fields is nonzero. The associated x_SRCn fields
must be cleared before writing a new value to FX_RATE. A minimum delay of 125 s must be allowed between clearing
the x_SRCn fields and writing to FX_RATE. See Table 4-26 for details.
The DRC functions are enabled using the control registers described in Table 4-15.
The following description of the DRC is applicable to each DRC. The associated control fields are described in Table 4-17
and Table 4-18 for DRC1 and DRC2 respectively.
4.3.5.1 DRC Compression, Expansion, and Limiting
The DRC supports two different compression regions, separated by a knee at a specific input amplitude. In the region
above the knee, the compression slope DRCn_HI_COMP applies; in the region below the knee, the compression slope
DRCn_LO_COMP applies. Note that n identifies the applicable DRC 1 or 2.
The DRC also supports a noise-gate region, where low-level input signals are heavily attenuated. This function can be
enabled or disabled according to the application requirements. The DRC response in this region is defined by the
expansion slope DRCn_NG_EXP.
For additional attenuation of signals in the noise-gate region, an additional knee can be defined (shown as Knee 2 in
Fig. 4-22). When this knee is enabled, this introduces an infinitely steep drop-off in the DRC response pattern between the
DRCn_LO_COMP and DRCn_NG_EXP regions.
The overall DRC compression characteristic in steady state (i.e., where the input amplitude is near constant) is shown in
Fig. 4-22.
Table 4-15. DRC Enable
Register Address Bit Label Default Description
R3712 (0x0E80)
DRC1_ctrl1
1 DRC1L_ENA 0 DRC1 (left) enable
0 = Disabled
1 = Enabled
0 DRC1R_ENA 0 DRC1 (right) enable
0 = Disabled
1 = Enabled
R3720 (0x0E88)
DRC2_ctrl1
1 DRC2L_ENA 0 DRC2 (left) enable
0 = Disabled
1 = Enabled
0 DRC2R_ENA 0 DRC2 (right) enable
0 = Disabled
1 = Enabled
_‘ __— __— _— _— CIRRUS LOGIC” Parameters Parameter Description 1 DRC ,KNEEJP Input \eve\ at Knee1 (dB) 2 DRC ,KNEEpP Output \eve\ at Knee 2 (dB) 3 DRC ,HLCOMP Compresswon ram above Knee 1 4 DRC ,Loicomp Compresswon ram be‘ow Knee 1 5 DRC ,KNEEUP Input \eve\ at Knee 2 (dB) 6 DRC ,Nejxp Expanswon ram be‘ow Knee 2 7 DRC iKNEEZfiOP Output \eve\ at Knee 2 (dB)
62 DS1162F1
CS42L92
4.3 Digital Core
Figure 4-22. DRC Response Characteristic
The slope of the DRC response is determined by DRCn_HI_COMP and DRCn_LO_COMP. A slope of 1 indicates constant
gain in this region. A slope less than 1 represents compression (i.e., a change in input amplitude produces only a smaller
change in output amplitude). A slope of 0 indicates that the target output amplitude is the same across a range of input
amplitudes; this is infinite compression.
When the noise gate is enabled, the DRC response in this region is determined by DRCn_NG_EXP. A slope of 1 indicates
constant gain in this region. A slope greater than 1 represents expansion (i.e., a change in input amplitude produces a
larger change in output amplitude).
When the DRCn_KNEE2_OP knee is enabled (Knee 2 in Fig. 4-22), this introduces the vertical line in the response pattern
shown, resulting in infinitely steep attenuation at this point in the response.
The DRC parameters are listed in Table 4-16.
The noise gate is enabled by setting DRCn_NG_ENA. When the noise gate is not enabled, Parameters 5–7 (see
Table 4-16) are ignored, and the DRCn_LO_COMP slope applies to all input signal levels below Knee 1.
The DRCn_KNEE2_OP knee is enabled by setting DRCn_KNEE2_OP_ENA. If this bit is not set, Parameter 7 is ignored
and the Knee 2 position always coincides with the low end of the DRCn_LO_COMP region.
The Knee 1 point in Fig. 4-22 is determined by DRCn_KNEE_IP and DRCn_KNEE_OP.
Table 4-16. DRC Response Parameters
Parameters Parameter Description
1 DRCn_KNEE_IP Input level at Knee 1 (dB)
2 DRCn_KNEE_OP Output level at Knee 2 (dB)
3 DRCn_HI_COMP Compression ratio above Knee 1
4 DRCn_LO_COMP Compression ratio below Knee 1
5 DRCn_KNEE2_IP Input level at Knee 2 (dB)
6 DRCn_NG_EXP Expansion ratio below Knee 2
7 DRCn_KNEE2_OP Output level at Knee 2 (dB)
DRCn_KNEE_IP
(Y0)
0dB
DRCn_HI_COMP
DRCn_LO_COMP
DRCn Input Amplitude (dB)
DRCn Output Amplitude (dB)
DRCn_KNEE_OP
Knee 1
Knee 2
DRCn_KNEE2_IP
DRCn_NG_EXP
DRCn_KNEE2_OP
__- __— __— _— _— CIRRUS LOGIC"
DS1162F1 63
CS42L92
4.3 Digital Core
Parameter Y0, the output level for a 0 dB input, is not specified directly but can be calculated from the other parameters
using Eq. 4-2.
Equation 4-2. DRC Compression Calculation
4.3.5.2 Gain Limits
The minimum and maximum gain applied by the DRC is set by DRCn_MINGAIN, DRCn_MAXGAIN, and DRCn_NG_
MINGAIN. These limits can be used to alter the DRC response from that shown in Fig. 4-22. If the range between
maximum and minimum gain is reduced, the extent of the dynamic range control is reduced.
The minimum gain in the compression regions of the DRC response is set by DRCn_MINGAIN. The minimum gain in the
noise-gate region is set by DRCn_NG_MINGAIN. The minimum gain limit prevents excessive attenuation of the signal
path.
The maximum gain limit set by DRCn_MAXGAIN prevents quiet signals (or silence) from being excessively amplified.
4.3.5.3 Dynamic Characteristics
The dynamic behavior determines how quickly the DRC responds to changing signal levels. Note that the DRC responds
to the average (RMS) signal amplitude over a period of time.
The DRCn_ATK determines how quickly the DRC gain decreases when the signal amplitude is high. The DRCn_DCY
determines how quickly the DRC gain increases when the signal amplitude is low.
These fields are described in Table 4-17 and Table 4-18. The register defaults are suitable for general-purpose
microphone use.
4.3.5.4 Anticlip Control
The DRC includes an anticlip function to avoid signal clipping when the input amplitude rises very quickly. This function
uses a feed-forward technique for early detection of a rising signal level. Signal clipping is avoided by dynamically
increasing the gain attack rate when required.
The anticlip function is enabled using the DRCn_ANTICLIP bit. Note that the feed-forward processing increases the
latency in the input signal path.
The anticlip feature operates entirely in the digital domain; it cannot be used to prevent signal clipping in the analog domain
nor in the source signal. Analog clipping can only be prevented by reducing the analog signal gain or by adjusting the
source signal.
It is recommended to disable the anticlip function if the quick-release function (see Section 4.3.5.5) is enabled.
4.3.5.5 Quick Release Control
The DRC includes a quick-release function to handle short transient peaks that are not related to the intended source
signal. For example, in handheld microphone recording, transient signal peaks sometimes occur due to user handling, key
presses or accidental tapping against the microphone. The quick-release function ensures that these transients do not
cause the intended signal to be masked by the longer time constant of DRCn_DCY.
The quick-release function is enabled by setting the DRCn_QR bit. When this bit is enabled, the DRC measures the crest
factor (peak to RMS ratio) of the input signal. A high crest factor is indicative of a transient peak that may not be related
to the intended source signal. If the crest factor exceeds the level set by DRCn_QR_THR, the normal decay rate (DRCn_
DCY) is ignored and a faster decay rate (DRCn_QR_DCY) is used instead.
It is recommended to disable the quick-release function if the anticlip function (see Section 4.3.5.4) is enabled.
Y0 DRCn_KNEE_OP DRCn_KNEE_IP DRCn_HI_COMP=
__- __— __— _— _— CIRRUS LOGIC" Register Address Bit Label Default Description R3585 (0XOEO1) 15:4 FX,STS[11 :0] 0X00 LHPF, DRC, EQ enable status, Indicates the Status of each respective
64 DS1162F1
CS42L92
4.3 Digital Core
4.3.5.6 Signal Activity Detect
The DRC incorporates a configurable signal-detect function, allowing the signal level at the DRC input to be monitored
and to be used to trigger other events. This can be used to detect the presence of a microphone signal on an ADC or DMIC
channel or to detect an audio signal received over the digital audio interface.
The DRC signal-detect function is enabled by setting DRCn_SIG_DET. Note that the respective DRCn must also be
enabled. The detection threshold is either a peak level (crest factor) or an RMS level, depending on DRCn_SIG_DET_
MODE. When peak level is selected, the threshold is determined by DRCn_SIG_DET_PK, which defines the applicable
crest factor (peak-to-RMS ratio) threshold. If RMS level is selected, the threshold is set using DRCn_SIG_DET_RMS.
The DRC signal-detect function is an input to the interrupt control circuit and can be used to trigger an interrupt event; see
Section 4.15.
The control-write sequencer can be triggered by the DRC1 signal-detect function. This is enabled by setting DRC1_
WSEQ_SIG_DET_ENA. See Section 4.18.
Note that signal detection is supported on DRC1 and DRC2, but the triggering of the control-write sequencer is available
on DRC1 only.
4.3.5.7 DRC Register Controls
The DRC1 control registers are described in Table 4-17.
Table 4-17. DRC1 Control Registers
Register Address Bit Label Default Description
R3585 (0x0E01)
FX_Ctrl2
15:4 FX_STS[11:0] 0x00 LHPF, DRC, EQ enable status. Indicates the status of each respective
signal-processing function. Each bit is coded as follows:
0 = Disabled
1 = Enabled
[11] = EQ4
[10] = EQ3
[9] = EQ2
[8] = EQ1
[7] = DRC2 (Right)
[6] = DRC2 (Left)
[5] = DRC1 (Right)
[4] = DRC1 (Left)
[3] = LHPF4
[2] = LHPF3
[1] = LHPF2
[0] = LHPF1
_‘ __— __— _— _— CIRRUS LOGIC” Register Address Bit Label Default Description R3712 (OXOEEO) 15:11 DRC1,S|G, 0X00 DRC1 SignairDetect RMS anesnoid. RMS signai level lorsignalrdetect to be indicated 10:9 DRC1,S|G, 00 DRC1 Signaeretect Peak Thresnoid. This is the Peak/RMS ratio, or Crest Factor, ievel E DRC17NGiENA 0 DRC1 NoiseGate Enable 7 DRC1,S|G, 0 DRC1 Signaeretect Mode 6 DRC175|GiDET 0 DRC1 Signaeretect Enable 5 DRC17KNEE27 0 DRC1 KNEE27OP Enabie 4 DRC17QR 1 DRC1 QuicKrreiease Enabie 3 DRC17ANTICLIP 1 DRC1 Anticiip Enabie 2 DRC17WSE07 0 DRC1 Signaeretect Write Sequencer Select R3713 (0XOEE1) 12:9 DRC17ATK[3:O] 0100 DRC1 Gain attack rate (seconds/6 dB) 8:5 DRC17DCY[3:O] 1001 DRC1 Gain decay rate (seconds/6 dB) 4:2 DRC1, 100 DRC1 Minimum gain to attenuate audio Signais 1:0 DRC1, 11 DRC1 Maximum gain to boost audio signais (dB)
DS1162F1 65
CS42L92
4.3 Digital Core
R3712 (0x0E80)
DRC1_ctrl1
15:11 DRC1_SIG_
DET_RMS[4:0]
0x00 DRC1 Signal-Detect RMS Threshold. RMS signal level for signal-detect to be indicated
when DRC1_SIG_DET_MODE = 1.
0x00 = –30 dB
0x01 = –31.5 dB
…. (1.5-dB steps)
0x1E = –75 dB
0x1F = –76.5 dB
10:9 DRC1_SIG_
DET_PK[1:0]
00 DRC1 Signal-Detect Peak Threshold. This is the Peak/RMS ratio, or Crest Factor, level
for signal-detect to be indicated when DRC1_SIG_DET_MODE = 0.
00 = 12 dB
01 = 18 dB
10 = 24 dB
11 = 30 dB
8 DRC1_NG_ENA 0 DRC1 Noise-Gate Enable
0 = Disabled
1 = Enabled
7 DRC1_SIG_
DET_MODE
0 DRC1 Signal-Detect Mode
0 = Peak threshold mode
1 = RMS threshold mode
6 DRC1_SIG_DET 0 DRC1 Signal-Detect Enable
0 = Disabled
1 = Enabled
5 DRC1_KNEE2_
OP_ENA
0 DRC1 KNEE2_OP Enable
0 = Disabled
1 = Enabled
4 DRC1_QR 1 DRC1 Quick-release Enable
0 = Disabled
1 = Enabled
3 DRC1_ANTICLIP 1 DRC1 Anticlip Enable
0 = Disabled
1 = Enabled
2 DRC1_WSEQ_
SIG_DET_ENA
0 DRC1 Signal-Detect Write Sequencer Select
0 = Disabled
1 = Enabled
R3713 (0x0E81)
DRC1_ctrl2
12:9 DRC1_ATK[3:0] 0100 DRC1 Gain attack rate (seconds/6 dB)
0000 = Reserved
0001 = 181 s
0010 = 363 s
0011 = 726 s
0100 = 1.45 ms
0101 = 2.9 ms
0110 = 5.8 ms
0111 = 11.6 ms
1000 = 23.2 ms
1001 = 46.4 ms
1010 = 92.8 ms
1011 = 185.6 ms
1100 to 1111 = Reserved
8:5 DRC1_DCY[3:0] 1001 DRC1 Gain decay rate (seconds/6 dB)
0000 = 1.45 ms
0001 = 2.9 ms
0010 = 5.8 ms
0011 = 11.6 ms
0100 = 23.25 ms
0101 = 46.5 ms
0110 = 93 ms
0111 = 186 ms
1000 = 372 ms
1001 = 743 ms
1010 = 1.49 s
1011 = 2.97 s
1100 to 1111 = Reserved
4:2 DRC1_
MINGAIN[2:0]
100 DRC1 Minimum gain to attenuate audio signals
000 = 0 dB
001 = –12 dB
010 = –18 dB
011 = –24 dB
100 = –36 dB
101 = Reserved
11X = Reserved
1:0 DRC1_
MAXGAIN[1:0]
11 DRC1 Maximum gain to boost audio signals (dB)
00 = 12 dB
01 = 18 dB
10 = 24 dB
11 = 36 dB
Table 4-17. DRC1 Control Registers (Cont.)
Register Address Bit Label Default Description
_‘ __— __— _— _— CIRRUS LOGIC” Register Address Bit Label Default Description R3714 (own) 1512 DRCLNG, 0000 DRC1 Minimum gain to attenuate audio signals wnen the Noise Gate is active. 11:10 DRCLNG, 00 DRC1 NoiserGate slope 9:0 DRCLQR, 00 DRC1 Quickrrelease tnresnold (crest factor in dB) 7:6 DRCLQR, 00 DRC1 Quickrrelease decay rate (seconds/6 dB) 53 DRCLHL 011 DRC1 Compressor slope (upper region) 2:0 DRCLLO, 000 DRC1 Compressor slope (lower region) R3715 (0onas) 10:5 DRCLKNEE, 0x00 DRC1 input signal level at the compressor knee. 4:0 DRCLKNEE, 0x00 DRC1 Output signal at the compressor knee. R3716 (OXOEEA) 9:5 DRC17KNEE27 0X00 DRC1 Input signal level at the noisergate threshold, Knee 2. 4:0 DRC17KNEE27 0X00 DRC1 Output signal at the noisergate threshold. Knee 2. RegisterAddress Bit Label Default Descrip on R3585 (0XOEO1) 15:4 FX,STS[11 :0] 0X00 LHPF, DRC, EQ Enable Status, Indicates the status at each respective
66 DS1162F1
CS42L92
4.3 Digital Core
The DRC2 control registers are described in Table 4-18.
R3714 (0x0E82)
DRC1_ctrl3
15:12 DRC1_NG_
MINGAIN[3:0]
0000 DRC1 Minimum gain to attenuate audio signals when the Noise Gate is active.
0000 = –36 dB
0001 = –30 dB
0010 = –24 dB
0011 = –18 dB
0100 = –12 dB
0101 = –6 dB
0110 = 0 dB
0111 = 6 dB
1000 = 12 dB
1001 = 18 dB
1010 = 24 dB
1011 = 30 dB
1100 = 36 dB
1101 to 1111 = Reserved
11:10 DRC1_NG_
EXP[1:0]
00 DRC1 Noise-Gate slope
00 = 1 (no expansion)
01 = 2
10 = 4
11 = 8
9:8 DRC1_QR_
THR[1:0]
00 DRC1 Quick-release threshold (crest factor in dB)
00 = 12 dB
01 = 18 dB
10 = 24 dB
11 = 30 dB
7:6 DRC1_QR_
DCY[1:0]
00 DRC1 Quick-release decay rate (seconds/6 dB)
00 = 0.725 ms
01 = 1.45 ms
10 = 5.8 ms
11 = Reserved
5:3 DRC1_HI_
COMP[2:0]
011 DRC1 Compressor slope (upper region)
000 = 1 (no compression)
001 = 1/2
010 = 1/4
011 = 1/8
100 = 1/16
101 = 0
11X = Reserved
2:0 DRC1_LO_
COMP[2:0]
000 DRC1 Compressor slope (lower region)
000 = 1 (no compression)
001 = 1/2
010 = 1/4
011 = 1/8
100 = 0
101 = Reserved
11X = Reserved
R3715 (0x0E83)
DRC1_ctrl4
10:5 DRC1_KNEE_
IP[5:0]
0x00 DRC1 Input signal level at the compressor knee.
0x00 = 0 dB
0x01 = –0.75 dB
0x02 = –1.5 dB
… (–0.75-dB steps)
0x3C = –45 dB
0x3D–0x3F = Reserved
4:0 DRC1_KNEE_
OP[4:0]
0x00 DRC1 Output signal at the compressor knee.
0x00 = 0 dB
0x01 = –0.75 dB
0x02 = –1.5 dB
… (–0.75 dB steps)
0x1E = –22.5 dB
0x1F = Reserved
R3716 (0x0E84)
DRC1_ctrl5
9:5 DRC1_KNEE2_
IP[4:0]
0x00 DRC1 Input signal level at the noise-gate threshold, Knee 2.
0x00 = –36 dB
0x01 = –37.5 dB
0x02 = –39 dB
… (-1.5-dB steps)
0x1E = –81 dB
0x1F = –82.5 dB
Applicable if DRC1_NG_ENA = 1
4:0 DRC1_KNEE2_
OP[4:0]
0x00 DRC1 Output signal at the noise-gate threshold, Knee 2.
0x00 = –30 dB
0x01 = –31.5 dB
0x02 = –33 dB
… (–1.5dB steps)
0x1E = –75 dB
0x1F = –76.5 dB
Applicable only if DRC1_KNEE2_OP_ENA = 1
Table 4-18. DRC2 Control Registers
Register Address Bit Label Default Description
R3585 (0x0E01)
FX_Ctrl2
15:4 FX_STS[11:0] 0x00 LHPF, DRC, EQ Enable Status. Indicates the status of each respective
signal-processing function. Each bit is coded as follows:
0 = Disabled
1 = Enabled
[11] = EQ4
[10] = EQ3
[9] = EQ2
[8] = EQ1
[7] = DRC2 (Right)
[6] = DRC2 (Left)
[5] = DRC1 (Right)
[4] = DRC1 (Left)
[3] = LHPF4
[2] = LHPF3
[1] = LHPF2
[0] = LHPF1
Table 4-17. DRC1 Control Registers (Cont.)
Register Address Bit Label Default Description
_‘ __— __— _— _— CIRRUS LOGIC” Register Address Bit Label Default Descrip on R3720 (OXOEES) 15:11 DRC27SIGi 0X00 DRCZ SlgnaereIeCt RMS Threshold, This ls the RMS signal level lor Signalrdetect to 10:9 DRC27SIGi 00 DRCZ Signaeretect Peak Threshold. Peak/RMS ratlo‘ or Crest Factor. level for E DR027NGiENA 0 DRCZ NoiserGate Enable 7 DRC27SIGi 0 DRCZ Signaeretect Mode 6 DRC27SIGiDET 0 DRCZ Signaeretect Enable 5 DRC27KNEE27 0 DRCZ KNEE27OP Enable 4 DR027QR 1 DRCZ Quickrrelease Enable 3 DRC27ANTICLIP 1 DRCZ Anticlip Enable R3721 (OXOEEQ) 12:9 DRCZ,ATK[3:O] 0100 DRCZ Gain attack rate (Seconds/6 dB) 8:5 DR027DCY[3:0] 1001 DRCZ Gain decay rate (seconds/6 dB) 4:2 DRC27 100 DRCZ Mlnimum gain to attenuate audio Slgnals 1:0 DRC27 11 DRCZ Maxlmum gain Io boost audio slgnals (dB)
DS1162F1 67
CS42L92
4.3 Digital Core
R3720 (0x0E88)
DRC2_ctrl1
15:11 DRC2_SIG_
DET_RMS[4:0]
0x00 DRC2 Signal-Detect RMS Threshold. This is the RMS signal level for signal-detect to
be indicated when DRC2_SIG_DET_MODE = 1.
0x00 = –30 dB
0x01 = –31.5 dB
…. (1.5-dB steps) 0x1E = –75 dB
0x1F = –76.5 dB
10:9 DRC2_SIG_
DET_PK[1:0]
00 DRC2 Signal-Detect Peak Threshold. Peak/RMS ratio, or Crest Factor, level for
signal-detect to be indicated when DRC2_SIG_DET_MODE = 0.
00 = 12 dB
01 = 18 dB
10 = 24 dB
11 = 30 dB
8 DRC2_NG_ENA 0 DRC2 Noise-Gate Enable
0 = Disabled
1 = Enabled
7 DRC2_SIG_
DET_MODE
0 DRC2 Signal-Detect Mode
0 = Peak threshold mode
1 = RMS threshold mode
6 DRC2_SIG_DET 0 DRC2 Signal-Detect Enable
0 = Disabled
1 = Enabled
5 DRC2_KNEE2_
OP_ENA
0 DRC2 KNEE2_OP Enable
0 = Disabled
1 = Enabled
4 DRC2_QR 1 DRC2 Quick-release Enable
0 = Disabled
1 = Enabled
3 DRC2_ANTICLIP 1 DRC2 Anticlip Enable
0 = Disabled
1 = Enabled
R3721 (0x0E89)
DRC2_ctrl2
12:9 DRC2_ATK[3:0] 0100 DRC2 Gain attack rate (seconds/6 dB)
0000 = Reserved
0001 = 181 s
0010 = 363 s
0011 = 726 s
0100 = 1.45 ms
0101 = 2.9 ms
0110 = 5.8 ms
0111 = 11.6 ms
1000 = 23.2 ms
1001 = 46.4 ms
1010 = 92.8 ms
1011 = 185.6 ms
1100 to 1111 = Reserved
8:5 DRC2_DCY[3:0] 1001 DRC2 Gain decay rate (seconds/6 dB)
0000 = 1.45 ms
0001 = 2.9 ms
0010 = 5.8 ms
0011 = 11.6 ms
0100 = 23.25 ms
0101 = 46.5 ms
0110 = 93 ms
0111 = 186 ms
1000 = 372 ms
1001 = 743 ms
1010 = 1.49 s
1011 = 2.97 s
1100 to 1111 = Reserved
4:2 DRC2_
MINGAIN[2:0]
100 DRC2 Minimum gain to attenuate audio signals
000 = 0 dB
001 = –12 dB (default)
010 = –18 dB
011 = –24 dB
100 = –36 dB
101 = Reserved
11X = Reserved
1:0 DRC2_
MAXGAIN[1:0]
11 DRC2 Maximum gain to boost audio signals (dB)
00 = 12 dB
01 = 18 dB
10 = 24 dB
11 = 36 dB
Table 4-18. DRC2 Control Registers (Cont.)
Register Address Bit Label Default Description
_‘ __— __— _— _— CIRRUS LOGIC” Register Address Bit Label Default Descrip on R3722 (OXOEEA) 15:12 DRC27NG, 0000 DRcz Minimum gain to attenuate audio signals when the Noise Gate is active. 11:10 DRC27NG, 00 [mm NoiserGate slope 9:8 DRCLQR, 00 [mm Quickrrelease threshold (crest (actor in dB) 7:6 DRCLQR, 00 DRcz Quickrrelease decay rate (seconds/6 dB) 5:3 DRcziHL 011 DRcz Compressor slope (upper region) 2:0 DRCLLO, 000 DRcz Compressor slope (lower region) R3723 (0XOEEB) 10:5 DRC27KNEE7 000000 DRCZ Input signal level at the compressor knee. 4:0 DRC27KNEE7 00000 DRCZ Output signal at the Compressor knee. R3724 (0XOEEC) 9:5 DR027KNEE27 00000 DRCZ Input signal level at the noisergate threshold, Knee 2. 4:0 DR027KNEE27 00000 DRCZ Output Signal at the noisergate threshold. Knee 2:
68 DS1162F1
CS42L92
4.3 Digital Core
The CS42L92 performs automatic checks to confirm that the SYSCLK frequency is high enough to support the
commanded DRC and digital mixing functions. If the frequency is too low, an attempt to enable a DRC signal path fails.
Note that active signal paths are not affected under such circumstances.
The FX_STS field in register R3585 indicates the status of each EQ, DRC, and LHPF signal path. If an underclocked error
condition occurs, this field indicates which EQ, DRC, or LHPF signal paths have been enabled.
The status bits in registers R1600–R3576 indicate the status of each digital mixer. If an underclocked error condition
occurs, these bits indicate which mixers have been enabled.
4.3.6 Low-/High-Pass Digital Filter (LHPF)
The digital core provides four LHPF processing blocks as shown in Fig. 4-23. A four-input mixer is associated with each
filter. The four input sources are selectable in each case, and independent volume control is provided for each path. Each
LHPF block supports one output.
The LHPF /HPF can be used to remove unwanted out-of-band noise from a signal path. Each filter can be configured either
as a low-pass filter (LPF) or a high-pass filter (HPF).
R3722 (0x0E8A)
DRC2_ctrl3
15:12 DRC2_NG_
MINGAIN[3:0]
0000 DRC2 Minimum gain to attenuate audio signals when the Noise Gate is active.
0000 = –36 dB
0001 = –30 dB
0010 = –24 dB
0011 = –18 dB
0100 = –12 dB
0101 = –6 dB
0110 = 0 dB
0111 = 6 dB
1000 = 12 dB
1001 = 18 dB
1010 = 24 dB
1011 = 30 dB
1100 = 36 dB
1101 to 1111 = Reserved
11:10 DRC2_NG_
EXP[1:0]
00 DRC2 Noise-Gate slope
00 = 1 (no expansion)
01 = 2
10 = 4
11 = 8
9:8 DRC2_QR_
THR[1:0]
00 DRC2 Quick-release threshold (crest factor in dB)
00 = 12 dB
01 = 18 dB
10 = 24 dB
11 = 30 dB
7:6 DRC2_QR_
DCY[1:0]
00 DRC2 Quick-release decay rate (seconds/6 dB)
00 = 0.725 ms
01 = 1.45 ms
10 = 5.8 ms
11 = Reserved
5:3 DRC2_HI_
COMP[2:0]
011 DRC2 Compressor slope (upper region)
000 = 1 (no compression)
001 = 1/2
010 = 1/4
011 = 1/8
100 = 1/16
101 = 0
11X = Reserved
2:0 DRC2_LO_
COMP[2:0]
000 DRC2 Compressor slope (lower region)
000 = 1 (no compression)
001 = 1/2
010 = 1/4
011 = 1/8
100 = 0
101 = Reserved
11X = Reserved
R3723 (0x0E8B)
DRC2_ctrl4
10:5 DRC2_KNEE_
IP[5:0]
000000 DRC2 Input signal level at the compressor knee.
0x00 = 0 dB
0x01 = –0.75 dB
0x02 = –1.5 dB
… (–0.75-dB steps)
0x3C = –45 dB
0x3D–0x3F = Reserved
4:0 DRC2_KNEE_
OP[4:0]
00000 DRC2 Output signal at the compressor knee.
0x00 = 0 dB
0x01 = –0.75 dB
0x02 = –1.5 dB
… (–0.75 dB steps)
0x1E = –22.5 dB
0x1F = Reserved
R3724 (0x0E8C)
DRC2_ctrl5
9:5 DRC2_KNEE2_
IP[4:0]
00000 DRC2 Input signal level at the noise-gate threshold, Knee 2.
0x00 = –36 dB
0x01 = –37.5 dB
0x02 = –39 dB
… (-1.5-dB steps)
0x1E = –81 dB
0x1F = –82.5 dB
Applicable only if DRC2_NG_ENA = 1.
4:0 DRC2_KNEE2_
OP[4:0]
00000 DRC2 Output signal at the noise-gate threshold, Knee 2.
0x00 = –30 dB
0x01 = –31.5 dB
0x02 = –33 dB
… (–1.5dB steps)
0x1E = –75 dB
0x1F = –76.5 dB
Applicable only if DRC2_KNEE2_OP_ENA = 1.
Table 4-18. DRC2 Control Registers (Cont.)
Register Address Bit Label Default Description
_‘ __— __— _— _— CIRRUS LOGIC” nMIX7VOL1 nMIX7VOL2 > nMIX7VOL3 Register Address Bit Label Default Description R3585 (0XOEO1) 15:4 FX,STS[11 :0] 0X00 LHPF, DRC, EQ Enable Status. Indicates the slams ol the respective
DS1162F1 69
CS42L92
4.3 Digital Core
Figure 4-23. Digital-Core LPF/HPF Blocks
The LHPF1–LHPF4 mixer control fields, shown in Fig. 4-23, are located at register addresses R2304–R2335
(0x0900–0x091F).
The full list of digital mixer control registers (R1600–R3576) is provided in Section 6. Generic register field definitions are
provided in Table 4-11.
The x_SRCn fields select the input sources for the respective LHPF processing blocks. Note that the selected input
sources must be configured for the same sample rate as the LHPF to which they are connected. Sample-rate conversion
functions are available to support flexible interconnectivity; see Section 4.3.15 and Section 4.3.16.
The hexadecimal numbers in Fig. 4-23 indicate the corresponding x_SRCn setting for selection of that signal as an input
to another digital-core function.
The sample rate for the LHPF function is configured using FX_RATE; see Table 4-26. Note that the EQ, DRC, and LHPF
functions must all be configured for the same sample rate. Sample-rate conversion is required when routing the LHPF
signal paths to any signal chain that is asynchronous or configured for a different sample rate.
The FX_RATE field must not be changed if any of the associated x_SRCn fields is nonzero. The associated x_SRCn fields
must be cleared before writing a new value to FX_RATE. A minimum delay of 125 s must be allowed between clearing
the x_SRCn fields and writing to FX_RATE. See Table 4-26 for details.
The control registers associated with the LHPF functions are described in Table 4-19.
The cut-off frequencies for the LHPF blocks are set by using the coefficients held in registers R3777, R3781, R3785, and
R3789 for LHPF1, LHPF2, LHPF3 and LHPF4 respectively. These coefficients are derived using tools provided in Cirrus
Logic’s WISCE evaluation board control software; please contact your Cirrus Logic representative for details.
Table 4-19. Low-Pass Filter/High-Pass Filter
Register Address Bit Label Default Description
R3585 (0x0E01)
FX_Ctrl2
15:4 FX_STS[11:0] 0x00 LHPF, DRC, EQ Enable Status. Indicates the status of the respective
signal-processing functions. Each bit is coded as follows:
0 = Disabled
1 = Enabled
[11] = EQ4
[10] = EQ3
[9] = EQ2
[8] = EQ1
[7] = DRC2 (Right)
[6] = DRC2 (Left)
[5] = DRC1 (Right)
[4] = DRC1 (Left)
[3] = LHPF4
[2] = LHPF3
[1] = LHPF2
[0] = LHPF1
LHPFnMIX_SRC1
LHPFnMIX_SRC3
LHPFnMIX_SRC4
LHPFnMIX_SRC2
LHPF1 (0x60)
LHPF2 (0x61)
LHPF3 (0x62)
LHPF4 (0x63)
Low-Pass filter (LPF) /
High-Pass filter (HPF)
LHPFnMIX_VOL2
LHPFnMIX_VOL3
LHPFnMIX_VOL4
LHPFnMIX_VOL1
+LHPF
CS42L92 supports four LHPF blocks, i.e., n = 1–4
x_SRCn p. 52
x_VOLn p. 52
_‘ __— __— _— _— CIRRUS LOGIC” Register Address Bit Label Default Description R3776 (OXOECO) 1 LHPF17MDDE 0 LowV/Higanass Fiiter1 Mode 0 LHPF17ENA 0 LowV/Higanass Fiiter1 Enabie R3777 (OXOEC1) 15:0 LHPF1700EFF[15:0] 0x000!) LowV/Higanass Fiiter1 Frequency Coefficient R3780 (OXOEC4) 1 LHPF27MDDE 0 LowV/Higanass Fiiter 2 Mode 0 LHPF27ENA 0 LowV/Higanass Fiiter 2 Enabie R3781 (OXOECS) 15:0 LHPF27COEFF[15:0] 0X0000 LowV/Higanass Fiiter2 Frequency Coefficient R3784 (OXOECB) 1 LHPFCLMDDE 0 LoleHiganass Fiiter 3 Mode 0 LHPFCLENA 0 LowV/Higanass Fiiter 3 Enabie R3785 (OXOECQ) 15:0 LHPFCLCOEFFH 5:0] 0X0000 LowV/Higanass Fiiter 3 Frequency Coefficient R3788 (OXOECC) 1 LHPFILMDDE 0 LoleHiganass Fiiter 4 Mode 0 LHPFILENA 0 LowV/Higanass Fiiter 4 Enabie R3789 (OXOECD) 15:0 LHPFILCOEFFH 5:0] 0X0000 LowV/Higanass Fiiter 4 Frequency Coefficient
70 DS1162F1
CS42L92
4.3 Digital Core
The CS42L92 performs automatic checks to confirm whether the SYSCLK frequency is high enough to support the
commanded LHPF and digital mixing functions. If the frequency is too low, an attempt to enable an LHPF signal path fails.
Note that active signal paths are not affected under such circumstances.
The FX_STS field in register R3585 indicates the status of each EQ, DRC, and LHPF signal path. If an underclocked error
condition occurs, this field indicates which EQ, DRC, or LHPF signal paths have been enabled.
The status bits in registers R1600–R3576 indicate the status of each digital mixer. If an underclocked error condition
occurs, these bits indicate which mixers have been enabled.
4.3.7 Digital-Core DSP
The digital core provides one programmable DSP processing block as shown in Fig. 4-24. The DSP block supports eight
inputs (Left, Right, Aux1, Aux2, … Aux6). A four-input mixer is associated with the left and right inputs, providing further
expansion of the number of input paths. Each of the input sources is selectable, and independent volume control is
provided for left and right input mixer channels. The DSP block supports six outputs.
The functionality of the DSP processing block is not fixed; application-specific algorithms can be implemented according
to different customer requirements. The procedure for configuring the CS42L92 DSP functions is tailored to each
customer’s application; please contact your Cirrus Logic representative for details.
R3776 (0x0EC0)
HPLPF1_1
1 LHPF1_MODE 0 Low-/High-Pass Filter 1 Mode
0 = Low Pass
1 = High Pass
0 LHPF1_ENA 0 Low-/High-Pass Filter 1 Enable
0 = Disabled
1 = Enabled
R3777 (0x0EC1)
HPLPF1_2
15:0 LHPF1_COEFF[15:0] 0x0000 Low-/High-Pass Filter 1 Frequency Coefficient
Refer to WISCE evaluation board control software for the derivation of this field
value.
R3780 (0x0EC4)
HPLPF2_1
1 LHPF2_MODE 0 Low-/High-Pass Filter 2 Mode
0 = Low Pass
1 = High Pass
0 LHPF2_ENA 0 Low-/High-Pass Filter 2 Enable
0 = Disabled
1 = Enabled
R3781 (0x0EC5)
HPLPF2_2
15:0 LHPF2_COEFF[15:0] 0x0000 Low-/High-Pass Filter 2 Frequency Coefficient
Refer to WISCE evaluation board control software for the derivation of this field
value.
R3784 (0x0EC8)
HPLPF3_1
1 LHPF3_MODE 0 Low-/High-Pass Filter 3 Mode
0 = Low Pass
1 = High Pass
0 LHPF3_ENA 0 Low-/High-Pass Filter 3 Enable
0 = Disabled
1 = Enabled
R3785 (0x0EC9)
HPLPF3_2
15:0 LHPF3_COEFF[15:0] 0x0000 Low-/High-Pass Filter 3 Frequency Coefficient
Refer to WISCE evaluation board control software for the derivation of this field
value.
R3788 (0x0ECC)
HPLPF4_1
1 LHPF4_MODE 0 Low-/High-Pass Filter 4 Mode
0 = Low Pass
1 = High Pass
0 LHPF4_ENA 0 Low-/High-Pass Filter 4 Enable
0 = Disabled
1 = Enabled
R3789 (0x0ECD)
HPLPF4_2
15:0 LHPF4_COEFF[15:0] 0x0000 Low-/High-Pass Filter 4 Frequency Coefficient
Refer to WISCE evaluation board control software for the derivation of this field
value.
Table 4-19. Low-Pass Filter/High-Pass Filter (Cont.)
Register Address Bit Label Default Description
_‘ __— __— _— _— CIRRUS LOGIC” VlVVVV
DS1162F1 71
CS42L92
4.3 Digital Core
For details of the DSP firmware requirements relating to clocking, register access, and code execution, refer to
Section 4.4.3.
Figure 4-24. Digital-Core DSP Block
The DSP mixer input control fields (see Fig. 4-24) are located at register addresses R2368–R2424 (0x0940–0x0978).
The full list of digital mixer control registers (R1600–R3576) is provided in Section 6. Generic register field definitions are
provided in Table 4-11.
The x_SRCn fields select the input sources for the DSP processing block. Note that the selected input sources must be
configured for the same sample rate as the DSP. Sample-rate conversion functions are available to support flexible
interconnectivity; see Section 4.3.16.
The hexadecimal numbers in Fig. 4-24 indicate the corresponding x_SRCn setting for selection of that signal as an input
to another digital-core function.
The sample rate for the DSP functions is configured using the DSP1_RATE field; see Table 4-26. Sample-rate conversion
is required when routing the DSP signal paths to any signal chain that is configured for a different sample rate.
The DSP1_RATE field must not be changed if any of the respective x_SRCn fields is nonzero. The associated x_SRCn
fields must be cleared before writing new values to DSP1_RATE. A minimum delay of 125 s must be allowed between
clearing the x_SRCn fields and writing to the DSP1_RATE field. See Table 4-26 for details.
The CS42L92 performs automatic checks to confirm that the SYSCLK frequency is high enough to support the required
DSP mixing functions. If the frequency is too low, an attempt to enable a DSP mixer path fails. Note that active signal paths
are not affected under such circumstances.
DSP
DSP1 Channel 1 (0x68)
DSP1 Channel 2 (0x69)
DSP1 Channel 3 (0x6A)
DSP1 Channel 4 (0x6B)
DSP1 Channel 5 (0x6C)
DSP1 Channel 6 (0x6D)
DSP1LMIX_SRC1
DSP1LMIX_SRC3
DSP1LMIX_SRC4
DSP1LMIX_SRC2
DSP1RMIX_SRC1
DSP1RMIX_SRC3
DSP1RMIX_SRC4
DSP1RMIX_SRC2
DSP1LMIX_VOL2
DSP1LMIX_VOL3
DSP1LMIX_VOL4
DSP1LMIX_VOL1
DSP1RMIX_VOL2
DSP1RMIX_VOL3
DSP1RMIX_VOL4
DSP1RMIX_VOL1
+
+
DSP1AUX1_SRC
DSP1AUX3_SRC
DSP1AUX4_SRC
DSP1AUX2_SRC
DSP1AUX5_SRC
DSP1AUX6_SRC
x_SRCn p. 52
x_VOLn p. 52
_‘ __— __— _— _— CIRRUS LOGIC”
72 DS1162F1
CS42L92
4.3 Digital Core
The status bits in registers R1600–R3576 indicate the status of each digital mixer. If an underclocked error condition
occurs, these bits indicate which mixers have been enabled.
4.3.8 S/PDIF Output Generator
The CS42L92 incorporates an IEC-60958-3–compatible S/PDIF output generator, as shown in Fig. 4-25; this provides a
stereo S/PDIF output on a GPIO pin. The S/PDIF transmitter allows full control over the S/PDIF validity bits and channel
status information.
The input sources to the S/PDIF transmitter are selectable for each channel, and independent volume control is provided
for each path. The *TX1 and *TX2 fields control Channels A and B (respectively) of the S/PDIF output.
The S/PDIF signal can be output directly on a GPIO pin. See Section 4.14 to configure a GPIO pin for this function.
Note that the S/PDIF signal cannot be selected as input to the digital mixers or signal-processing functions within the
CS42L92 digital core.
Figure 4-25. Digital-Core S/PDIF Output Generator
The S/PDIF input control fields (see Fig. 4-25) are located at register addresses R2048–R2057 (0x0800–0x0809).
The full list of digital mixer control registers (R1600–R3576) is provided in Section 6. Generic register field definitions are
provided in Table 4-11.
The x_SRCn fields select the input sources for the two S/PDIF channels. Note that the selected input sources must be
synchronized to the SYSCLK clocking domain, and configured for the same sample rate as the S/PDIF generator.
Sample-rate conversion functions are available to support flexible interconnectivity; see Section 4.3.15 and
Section 4.3.16.
The sample rate of the S/PDIF generator is configured using SPD1_RATE; see Table 4-26. The S/PDIF transmitter
supports sample rates in the range 32–192 kHz. Note that sample-rate conversion is required when linking the S/PDIF
generator to any signal chain that is asynchronous or configured for a different sample rate.
The SPD1_RATE field must not be changed if any of the associated x_SRCn fields is nonzero. The associated x_SRCn
fields must be cleared before writing a new value to SPD1_RATE. A minimum delay of 125 s must be allowed between
clearing the x_SRCn fields and writing to SPD1_RATE. See Table 4-26 for details.
The S/PDIF generator is enabled by setting SPD1_ENA, as described in Table 4-20.
The S/PDIF output contains audio data derived from the selected sources. Audio samples up to 24-bit width can be
accommodated. The validity bits and the channel status bits in the S/PDIF data are configured using the corresponding
fields in registers R1474 (0x5C2) to R1477 (0x5C5).
Refer to the S/PDIF specification (IEC60958-3 Digital Audio Interface - Consumer) for full details of the S/PDIF protocol
and configuration parameters.
SPDIF1TX1_VOL
SPDIF1TX2_VOL
SPDIF1TX2_SRC
SPDIF1TX1_SRC
GPIO
(GPn_FN = 0x04C)
S/PDIF
Channel A
Channel B
SPD1_ENA p. 73
SPD1_RATE[4:0] p. 86
x_SRCn p. 52
x_VOLn p. 52
_‘ __— __— _— _— CIRRUS LOGIC” Register Address Bit Label Deiault Description R1474 (OXOSCZ) 13 SPDLVALZ 0 S/PDlF Validity (Supirame E) 12 SPDLVAL‘l 0 S/PDlF Validity (Supirame A) 0 SPDLENA 0 S/PDlF Generator Enable R1475 (0x05C3) 15:0 SPDLCATCODEirol 0x00 S/PDlF Category code 7:6 SPDLCHSTMODE[1:O] 00 S/PDlF Channel Status mode 5:3 SPDLPREEMRHim] 000 S/PDlF Preemphasis mode 2 SPDLNOCDPY 0 S/PDlF Copyright status 1 SPDLNOAUDIO 0 S/PDlF Audio/nonaudlo indication 0 SPDLPRO 0 S/PDlF Consumer Mode/Prolessional Mode R1476 (OXOSC4) 15:12 SPD1,FREQ[3:0] 0000 S/PDlF lndicated sample ireduency 11:8 SPDLCHNUM2[3:O] 1011 S/PDlF Channel number (Supirame B) 7:4 SPD1,CHNUM1[3:O] 0000 S/PDlF Channel number (Supirame A) 3:0 SPDLSRCNLJMiszol 0001 S/PDlF Source numper R1477 (OXOSCS) 11 :8 SPDLORCSAMPiam 0000 S/PDlF Original sample lrequency 7:5 SPD1,TXWL[2:0] 000 S/PDlF Audio sample word length 4 SPDLMAXWL 0 S/PDlF Maximum audio sample word length 3:2 SPDLSCSLSOH :0] 00 S/PDlF Channel Status [31 :30] 1:0 SPD1,CLKACU[1:O] 00 Transmitted Clock accuracy 4»
DS1162F1 73
CS42L92
4.3 Digital Core
The S/PDIF output generator provides full support for 32-bit data words. Audio data samples up to 32 bits are supported
on the AIF1, AIF3, and SLIMbus input channels, which can be routed to the S/PDIF output. Note that other signal paths
and signal-processing blocks within the digital core are limited to 24-bit data length; data samples are truncated to 24-bit
length if they are routed through any function that does not support 32-bit data words.
The CS42L92 automatically checks to confirm whether the SYSCLK frequency is high enough to support the digital mixer
paths. If an attempt is made to enable the S/PDIF generator, and there are insufficient SYSCLK cycles to support it, the
attempt does not succeed. Note that any active signal paths are unaffected under such circumstances.
The status bits in registers R1600–R3576 indicate the status of each digital mixer. If an underclocked error condition
occurs, these bits indicate which mixers have been enabled.
4.3.9 Tone Generator
The CS42L92 incorporates a tone generator that can be used for beep functions through any of the audio signal paths.
The tone generator provides two 1-kHz outputs, with configurable phase relationship, offering flexibility to create
differential signals or test scenarios.
Figure 4-26. Digital-Core Tone Generator
The tone generator outputs can be selected as input to any of the digital mixers or signal-processing functions within the
CS42L92 digital core. The hexadecimal numbers in Fig. 4-26 indicate the corresponding x_SRCn setting for selection of
that signal as an input to another digital-core function.
Table 4-20. S/PDIF Output Generator Control
Register Address Bit Label Default Description
R1474 (0x05C2)
SPD1_TX_Control
13 SPD1_VAL2 0 S/PDIF Validity (Subframe B)
12 SPD1_VAL1 0 S/PDIF Validity (Subframe A)
0 SPD1_ENA 0 S/PDIF Generator Enable
0 = Disabled
1 = Enabled
R1475 (0x05C3)
SPD1_TX_
Channel_Status_1
15:8 SPD1_CATCODE[7:0] 0x00 S/PDIF Category code
7:6 SPD1_CHSTMODE[1:0] 00 S/PDIF Channel Status mode
5:3 SPD1_PREEMPH[2:0] 000 S/PDIF Preemphasis mode
2 SPD1_NOCOPY 0 S/PDIF Copyright status
1 SPD1_NOAUDIO 0 S/PDIF Audio/nonaudio indication
0 SPD1_PRO 0 S/PDIF Consumer Mode/Professional Mode
R1476 (0x05C4)
SPD1_TX_
Channel_Status_2
15:12 SPD1_FREQ[3:0] 0000 S/PDIF Indicated sample frequency
11:8 SPD1_CHNUM2[3:0] 1011 S/PDIF Channel number (Subframe B)
7:4 SPD1_CHNUM1[3:0] 0000 S/PDIF Channel number (Subframe A)
3:0 SPD1_SRCNUM[3:0] 0001 S/PDIF Source number
R1477 (0x05C5)
SPD1_TX_
Channel_Status_3
11:8 SPD1_ORGSAMP[3:0] 0000 S/PDIF Original sample frequency
7:5 SPD1_TXWL[2:0] 000 S/PDIF Audio sample word length
4 SPD1_MAXWL 0 S/PDIF Maximum audio sample word length
3:2 SPD1_SC31_30[1:0] 00 S/PDIF Channel Status [31:30]
1:0 SPD1_CLKACU[1:0] 00 Transmitted Clock accuracy
Tone Generator 1 (0x04)
Tone Generator 2 (0x05)
1-kHz
Tone Generator
TONE1_ENA p. 74
TONE2_ENA p. 74
TONE_OFFSET[1:0] p. 74
TONE_RATE[4:0] p. 85
TONE1_OVD p. 74
TONE1_LVL[23:8] p. 74
TONE2_OVD p. 74
TONE2_LVL[23:8] p. 74
_‘ __— __— _— _— CIRRUS LOGIC” Register Address Bit Label Default Description R32 (0X0020) 9:8 TONE, 00 Tone Generator Phase Dflset. Sets the phase ol Tone Generator 2 relative Io Tone 5 TONE27 0 Tone Generator 2 Override 4 TONE17 0 Tone Generator 1 Override 1 TONE27ENA 0 Tone Generator 2 Enable O TONE17ENA 0 Tone Generator 1 Enable R33 (0X0021) 15:0 TONE17 0X1000 Tone Generator 1 DC output ievei R34 (0X0022) 7:0 TONE17 0X00 Tone Generator 1 DC output ievei R35 (0X0023) 15:0 TONE27 0X1000 Tone Generator 2 DC output ievei R36 (0X0024) 7:0 TONE27 0X00 Tone Generator 2 DC output ievei
74 DS1162F1
CS42L92
4.3 Digital Core
The sample rate for the tone generator is configured using TONE_RATE. See Table 4-26. Note that sample-rate
conversion is required when routing the tone generator outputs to any signal chain that is asynchronous or configured for
a different sample rate.
The tone generator outputs are enabled by setting the TONE1_ENA and TONE2_ENA bits as described in Table 4-21.
The phase relationship is configured using TONE_OFFSET.
The tone generator outputs can also provide a configurable DC signal level, for use as a test signal. The DC output is
selected using the TONEn_OVD bits, and the DC signal amplitude is configured using the TONEn_LVL fields, as
described in Table 4-21.
4.3.10 Noise Generator
The CS42L92 incorporates a white-noise generator that can be routed within the digital core. The main purpose of the
noise generator is to provide comfort noise in cases where silence (digital mute) is not desirable.
Table 4-21. Tone Generator Control
Register Address Bit Label Default Description
R32 (0x0020)
Tone_Generator_1
9:8 TONE_
OFFSET[1:0]
00 Tone Generator Phase Offset. Sets the phase of Tone Generator 2 relative to Tone
Generator 1
00 = 0° (in phase)
01 = 90° ahead
10 = 180° ahead
11 = 270° ahead
5TONE2_
OVD
0 Tone Generator 2 Override
0 = Disabled (1-kHz tone output)
1 = Enabled (DC signal output)
The DC signal level, when selected, is configured using TONE2_LVL[23:0]
4TONE1_
OVD
0 Tone Generator 1 Override
0 = Disabled (1-kHz tone output)
1 = Enabled (DC signal output)
The DC signal level, when selected, is configured using TONE1_LVL[23:0]
1 TONE2_ENA 0 Tone Generator 2 Enable
0 = Disabled
1 = Enabled
0 TONE1_ENA 0 Tone Generator 1 Enable
0 = Disabled
1 = Enabled
R33 (0x0021)
Tone_Generator_2
15:0 TONE1_
LVL[23:8]
0x1000 Tone Generator 1 DC output level
TONE1_LVL[23:8] is coded as 2’s complement. Bits [23:20] contain the integer portion; bits
[19:0] contain the fractional portion.
The digital core 0 dBFS level corresponds to 0x10_0000 (+1) or 0xF0_0000 (–1).
R34 (0x0022)
Tone_Generator_3
7:0 TONE1_
LVL[7:0]
0x00 Tone Generator 1 DC output level
TONE1_LVL[23:8] is coded as 2’s complement. Bits [23:20] contain the integer portion; bits
[19:0] contain the fractional portion.
The digital core 0 dBFS level corresponds to 0x10_0000 (+1) or 0xF0_0000 (–1).
R35 (0x0023)
Tone_Generator_4
15:0 TONE2_
LVL[23:8]
0x1000 Tone Generator 2 DC output level
TONE2_LVL[23:8] is coded as 2’s complement. Bits [23:20] contain the integer portion; bits
[19:0] contain the fractional portion.
The digital core 0 dBFS level corresponds to 0x10_0000 (+1) or 0xF0_0000 (–1).
R36 (0x0024)
Tone_Generator_5
7:0 TONE2_
LVL[7:0]
0x00 Tone Generator 2 DC output level
TONE2_LVL[23:8] is coded as 2’s complement. Bits [23:20] contain the integer portion; bits
[19:0] contain the fractional portion.
The digital core 0 dBFS level corresponds to 0x10_0000 (+1) or 0xF0_0000 (–1).
_‘ __— __— _— _— CIRRUS LOGIC” Register Address Bil Label Defaull Descriplion R160 (OXOOAO) 5 NOISEiGENi O Norse Generator Enab‘e 4:0 NOISEiGENi 0X00 Norse generator swgnal level
DS1162F1 75
CS42L92
4.3 Digital Core
Figure 4-27. Digital-Core Noise Generator
The noise generator can be selected as input to any of the digital mixers or signal-processing functions within the CS42L92
digital core. The hexadecimal number (0x0D) in Fig. 4-27 indicates the corresponding x_SRCn setting for selection of the
noise generator as an input to another digital-core function.
The sample rate for the noise generator is configured using NOISE_GEN_RATE. See Table 4-26. Note that sample-rate
conversion is required when routing the noise generator output to any signal chain that is asynchronous or configured for
a different sample rate.
The noise generator is enabled by setting NOISE_GEN_ENA, described in Table 4-22. The signal level is configured using
NOISE_GEN_GAIN.
4.3.11 Haptic Signal Generator
The CS42L92 incorporates a signal generator for use with haptic devices (e.g., mechanical vibration actuators). The haptic
signal generator is compatible with both eccentric rotating mass (ERM) and linear resonant actuator (LRA) haptic devices.
The haptic signal generator is highly configurable, and includes the capability to execute a programmable event profile
comprising three distinct operating phases.
The resonant frequency of the haptic signal output (for LRA devices) is selectable, providing support for many different
actuator components.
The haptic signal generator is a digital signal generator, which is incorporated within the digital core of the CS42L92. In a
typical use case the haptic signal may be routed, via one of the digital-core output mixers, to the digital PDM output. An
external amplifier can be used to drive the haptic device, as shown in Fig. 4-28.
Table 4-22. Noise Generator Control
Register Address Bit Label Default Description
R160 (0x00A0)
Comfort_Noise_
Generator
5 NOISE_GEN_
ENA
0 Noise Generator Enable
0 = Disabled
1 = Enabled
4:0 NOISE_GEN_
GAIN[4:0]
0x00 Noise generator signal level
0x00 = –114 dBFS
0x01 = –108 dBFS
0x02 = –102 dBFS
…(6-dB steps)
0x11 = –6 dBFS
0x12 = 0 dBFS
All other codes are reserved
Noise Generator (0x0D)
White Noise
Generator
NOISE_GEN_ENA p. 75
NOISE_GEN_GAIN[4:0] p. 75
NOISE_GEN_RATE[4:0] p. 85
_‘ __— __— _— _— CIRRUS LOGIC” Register Address Bit Label Default Descriplion R144 (OXOOQO) 4 ONESHOT, O Haptwc OnerShot Tngger. WHting 1 sfians the onershot profi‘e (i.e,. Phase 1. Phase 2, 3:2 HAP,CTRL[1:0] oo Haptic Signa‘ Generator Control 1 HAP7ACT O Haptwc Actuator Se‘ect
76 DS1162F1
CS42L92
4.3 Digital Core
Figure 4-28. Digital-Core Haptic Signal Generator
The hexadecimal number (0x06) in Fig. 4-28 indicates the corresponding x_SRCn setting for selection of the haptic signal
generator as an input to another digital-core function.
The haptic signal generator is selected as input to one of the digital-core output mixers by setting the x_SRCn field of the
applicable output mixer to 0x06.
The sample rate for the haptic signal generator is configured using the HAP_RATE field. See Table 4-26. Note that
sample-rate conversion is required when routing the haptic signal generator output to any signal chain that is
asynchronous or configured for a different sample rate.
The haptic signal generator is configured for an ERM or LRA actuator using the HAP_ACT bit. The required resonant
frequency is configured using the LRA_FREQ field. Note that the resonant frequency is only applicable to LRA actuators.
The signal generator can be enabled in continuous mode or configured for one-shot mode using the HAP_CTRL field, as
described in Table 4-23. In one-shot mode, the output is triggered by writing to the ONESHOT_TRIG bit.
In one-shot mode, the signal generator profile comprises the distinct phases (1, 2, 3). The duration and intensity of each
output phase is programmable.
In continuous mode, the signal intensity is controlled using the PHASE2_INTENSITY field only.
In the case of an ERM actuator (HAP_ACT = 0), the haptic output is a DC signal level, which may be positive or negative,
as selected by the x_INTENSITY fields.
For an LRA actuator (HAP_ACT = 1), the haptic output is an AC signal; selecting a negative signal level corresponds to a
180° phase inversion. In some applications, phase inversion may be desirable during the final phase, to halt the physical
motion of the haptic device.
Table 4-23. Haptic Signal Generator Control
Register Address Bit Label Default Description
R144 (0x0090)
Haptics_Control_1
4ONESHOT_
TRIG
0 Haptic One-Shot Trigger. Writing 1 starts the one-shot profile (i.e., Phase 1, Phase 2,
Phase 3)
3:2 HAP_CTRL[1:0] 00 Haptic Signal Generator Control
00 = Disabled
01 = Continuous
10 = One-Shot
11 = Reserved
1 HAP_ACT 0 Haptic Actuator Select
0 = Eccentric rotating mass (ERM)
1 = Linear resonant actuator (LRA)
Haptic Output
(06h)
Haptic Signal
Generator +
Digital Core Output Mixer Output
Volume
PDM
Output
OUTnxMIX_SRCn
OUTnxMIX_VOLn
Haptic
Device
External
Amplifier
HAP_ACT p. 76
HAP_CTRL[1:0] p. 76
ONESHOT_TRIG p. 76
LRA_FREQ[14:0] p. 77
HAP_RATE[4:0] p. 85 x_SRCn p. 52
x_VOLn p. 52
_‘ __— __— _— _— CIRRUS LOGIC” Register Address Bit Label Default Description R145 (0X009‘l) 14:0 LRA, 0X7FFF Haptlc Resonant Frequency. Selects the hapllc signal lrequehcy (LRA actuator only, R146 (0X0092) 7:0 PHASE17 0X00 Haptlc Output Level (Phase 1): Selects the slgnal intehslty cl Phase 1 in onershot mode. R147 (0X0093) 8:0 PHASE17 0X000 Haptlc Output Duration (Phase 1): Selects the duration cl Phase 1 ln chershol mode. R148 (0X0094) 7:0 PHASEZ, 0X00 Haptlc Output Level (Phase 2) R149 (0X0095) 10:0 PHASEZ, 0X000 Haptlc Output Duration (Phase 2): Selects the duration cl Phase 2 ln chershol mode. R150 (0X0096) 7:0 PHASES, 0X00 Haptlc Output Level (Phase 3): Selects the slgnal intehslty cl Phase 3 in onershot mode. R151 (0X0097) 8:0 PHASES, 0X000 Haptlc Output Duration (Phase 3): Selects the duration cl Phase 3 ln chershol mode. R152 (0X0098) 0 ONESHOTisTS O Haptlc OnerShot status
DS1162F1 77
CS42L92
4.3 Digital Core
4.3.12 PWM Generator
The CS42L92 incorporates two PWM signal generators as shown in Fig. 4-29. The duty cycle of each PWM signal can be
modulated by an audio source, or can be set to a fixed value using a control register setting.
A four-input mixer is associated with each PWM generator. The four input sources are selectable in each case, and
independent volume control is provided for each path.
PWM signal generators can be output directly on a GPIO pin. See Section 4.14 to configure a GPIO pin for this function.
Note that the PWM signal generators cannot be selected as input to the digital mixers or signal-processing functions within
the CS42L92 digital core.
R145 (0x0091)
Haptics_Control_2
14:0 LRA_
FREQ[14:0]
0x7FFF Haptic Resonant Frequency. Selects the haptic signal frequency (LRA actuator only,
HAP_ACT = 1)
Haptic Frequency (Hz) = System Clock/(2 x (LRA_FREQ+1)), where System Clock =
6.144 MHz or 5.6448 MHz, derived by division from SYSCLK or ASYNCCLK.
If HAP_RATE < 1000, SYSCLK is the clock source, and the applicable System Clock
frequency is determined by SYSCLK.
If HAP_RATE 1000, ASYNCCLK is the clock source, and the applicable System Clock
frequency is determined by ASYNCCLK.
Valid for haptic frequency in the range 100–250 Hz
For 6.144-MHz System Clock:
0x77FF = 100 Hz
0x4491 = 175 Hz
0x2FFF = 250 Hz
For 5.6448-MHz System Clock:
0x6E3F = 100 Hz
0x3EFF = 175 Hz
0x2C18 = 250 Hz
R146 (0x0092)
Haptics_phase_1_
intensity
7:0 PHASE1_
INTENSITY[7:0]
0x00 Haptic Output Level (Phase 1). Selects the signal intensity of Phase 1 in one-shot mode.
Coded as 2’s complement. Range is ± Full Scale (FS).
For ERM actuator, this selects the DC signal level for the haptic output.
For LRA actuator, this selects the AC peak amplitude; negative values correspond to a
180° phase shift.
R147 (0x0093)
Haptics_Control_
phase_1_duration
8:0 PHASE1_
DURATION[8:0]
0x000 Haptic Output Duration (Phase 1). Selects the duration of Phase 1 in one-shot mode.
0x000 = 0 ms
0x001 = 0.625 ms
0x002 = 1.25 ms
… (0.625-ms steps)
0x1FF = 319.375 ms
R148 (0x0094)
Haptics_phase_2_
intensity
7:0 PHASE2_
INTENSITY[7:0]
0x00 Haptic Output Level (Phase 2)
Selects the signal intensity in Continuous mode or Phase 2 of one-shot mode.
Coded as 2’s complement. Range is ± Full Scale (FS).
For ERM actuator, this selects the DC signal level for the haptic output.
For LRA actuator, this selects the AC peak amplitude; Negative values correspond to a
180° phase shift.
R149 (0x0095)
Haptics_phase_2_
duration
10:0 PHASE2_
DURATION[10:0]
0x000 Haptic Output Duration (Phase 2). Selects the duration of Phase 2 in one-shot mode.
0x000 = 0 ms
0x001 = 0.625 ms
0x002 = 1.25 ms
… (0.625-ms steps)
0x7FF = 1279.375 ms
R150 (0x0096)
Haptics_phase_3_
intensity
7:0 PHASE3_
INTENSITY[7:0]
0x00 Haptic Output Level (Phase 3). Selects the signal intensity of Phase 3 in one-shot mode.
Coded as 2’s complement.
Range is ± Full Scale (FS).
For ERM actuator, this selects the DC signal level for the haptic output.
For LRA actuator, this selects the AC peak amplitude; Negative values correspond to a
180° phase shift.
R151 (0x0097)
Haptics_phase_3_
duration
8:0 PHASE3_
DURATION[8:0]
0x000 Haptic Output Duration (Phase 3). Selects the duration of Phase 3 in one-shot mode.
0x000 = 0 ms
0x001 = 0.625 ms
0x002 = 1.25 ms
… (0.625-ms steps)
0x1FF = 319.375 ms
R152 (0x0098)
Haptics_Status
0 ONESHOT_STS 0 Haptic One-Shot status
0 = One-Shot event not in progress
1 = One-Shot event in progress
Table 4-23. Haptic Signal Generator Control (Cont.)
Register Address Bit Label Default Description
_‘ __— __— _— _— CIRRUS LOGIC”
78 DS1162F1
CS42L92
4.3 Digital Core
Figure 4-29. Digital-Core PWM Generator
The PWM1 and PWM2 mixer control fields (see Fig. 4-29) are located at register addresses R1600–R1615
(0x0640–0x064F).
The full list of digital mixer control registers (R1600–R3576) is provided in Section 6. Generic register field definitions are
provided in Table 4-11.
The x_SRCn fields select the input sources for the respective mixers. Note that the selected input sources must be
configured for the same sample rate as the mixer to which they are connected. Sample-rate conversion functions are
available to support flexible interconnectivity; see Section 4.3.15 and Section 4.3.16.
The PWM sample rate (cycle time) is configured using PWM_RATE. See Table 4-26. Note that sample-rate conversion is
required when linking the PWM generators to any signal chain that is asynchronous or configured for a different sample
rate.
The PWM_RATE field must not be changed if any of the associated x_SRCn fields is nonzero. The associated x_SRCn
fields must be cleared before writing a new value to PWM_RATE. A minimum delay of 125 s must be allowed between
clearing the x_SRCn fields and writing to PWM_RATE. See Table 4-26 for details.
The PWM generators are enabled by setting PWM1_ENA and PWM2_ENA, respectively, as described in Table 4-24.
Under default conditions (PWMn_OVD = 0), the duty cycle of the PWM generators is controlled by an audio signal path;
a 4-input mixer is associated with each PWM generator, as shown in Fig. 4-29.
When the PWMn_OVD bit is set, the duty cycle of the respective PWM generator is set to a fixed ratio; in this case, the
duty cycle ratio is configurable using the PWMn_LVL fields.
The PWM generator clock frequency is selected using PWM_CLK_SEL. For best performance, the highest available
setting should be used. Note that the PWM generator clock must not be set to a higher frequency than SYSCLK (if PWM_
RATE < 1000) or ASYNCCLK (if PWM_RATE 1000).
PWM1MIX_VOL2
PWM1MIX_VOL3
PWM1MIX_VOL4
PWM1MIX_VOL1
GPIO
(GPn_FN = 0x048)
PWM1
PWM2MIX_VOL2
PWM2MIX_VOL3
PWM2MIX_VOL4
PWM2MIX_VOL1
GPIO
(GPn_FN = 0x049)
PWM2
When PWMn_OVD = 0, the PWM duty cycle is controlled by the respective digital audio mixer .
When PWMn_OVD = 1, the PWM duty cycle is set by PWMn _LVL.
PWM sample rate and clocking frequency are selected using PWM _RATE and PWM_CLK_SEL.
+
+
PWM1MIX_SRC1
PWM1MIX_SRC3
PWM1MIX_SRC4
PWM1MIX_SRC2
PWM2MIX_SRC1
PWM2MIX_SRC3
PWM2MIX_SRC4
PWM2MIX_SRC2
x_SRCn p. 52
x_VOLn p. 52
PWM_RATE[4:0] p. 85
PWM_CLK_SEL[2:0] p. 79
PWM1_ENA p. 79
PWM1_OVD p. 79
PWM1_LVL[9:0] p. 79
PWM2_ENA p. 79
PWM2_OVD p. 79
PWM2_LVL[9:0] p. 79
_‘ __— __— _— _— CIRRUS LOGIC” Register Address Bit Label Default Description R48 (OXOOSO) 10:8 PWMicLKi 000 FWM Clock Select 5 PWM27OVD 0 FWM2 Generator Override 4 PWM170VD 0 FWM1 Generator Override 1 PWM27ENA 0 FWM2 Generator Enabie 0 PWM17ENA 0 FWM1 Generator Enabie R49 (0X0031) 9:0 PWM17LVL[9:0] 0x100 PWM1 Override Level. Sets the PWM1 duty cycle when PWM‘LOVD = 1. R50 (0X0032) 9:0 PWM27LVL[9:O] 0x100 PWMZ Override Level. Sets the PWM2 duty cycle when PWM27OVD = 1.
DS1162F1 79
CS42L92
4.3 Digital Core
The CS42L92 automatically checks to confirm that the SYSCLK frequency is high enough to support the digital mixer
paths. If an attempt is made to enable a PWM signal mixer path, without sufficient SYSCLK cycles to support it, the attempt
fails. Note that any signal paths that are already active are not affected under such circumstances.
The status bits in registers R1600–R3576 indicate the status of each digital mixer. If an underclocked error condition
occurs, these bits indicate which mixers have been enabled.
4.3.13 Data Format Conversion
The digital mixing and signal-processing functions on the CS42L92 are designed to route audio data in signed fixed point
format. Data format converter (DFC) blocks are incorporated in the digital core, with the capability to convert audio data
between signed, unsigned, and floating-point formats. The DFCs enable the flexibility to support many different interface
standards on the input and output signal paths. They can also be used to apply dithering to digital audio data.
The digital core provides eight DFC blocks as shown in Fig. 4-30. Each DFC supports one input and one output path only.
Table 4-24. PWM Generator Control
Register Address Bit Label Default Description
R48 (0x0030)
PWM_Drive_1
10:8 PWM_CLK_
SEL[2:0]
000 PWM Clock Select
000 = 6.144 MHz (5.6448 MHz)
001 = 12.288 MHz (11.2896 MHz)
010 = 24.576 MHz (22.5792 MHz)
All other codes are reserved.
The frequencies in brackets apply for 44.1 kHz–related sample rates only.
PWM_CLK_SEL controls the resolution of the PWM generator; higher settings
correspond to higher resolution.
The PWM Clock must be less than or equal to SYSCLK (if PWM_RATE < 1000)
or less than or equal to ASYNCCLK (if PWM_RATE 1000).
5 PWM2_OVD 0 PWM2 Generator Override
0 = Disabled (PWM duty cycle is controlled by audio source)
1 = Enabled (PWM duty cycle is controlled by PWM2_LVL).
4 PWM1_OVD 0 PWM1 Generator Override
0 = Disabled (PWM1 duty cycle is controlled by audio source)
1 = Enabled (PWM1 duty cycle is controlled by PWM1_LVL).
1 PWM2_ENA 0 PWM2 Generator Enable
0 = Disabled
1 = Enabled
0 PWM1_ENA 0 PWM1 Generator Enable
0 = Disabled
1 = Enabled
R49 (0x0031)
PWM_Drive_2
9:0 PWM1_LVL[9:0] 0x100 PWM1 Override Level. Sets the PWM1 duty cycle when PWM1_OVD = 1.
Coded as 2’s complement.
0x000 = 50% duty cycle
0x200 = 0% duty cycle
R50 (0x0032)
PWM_Drive_3
9:0 PWM2_LVL[9:0] 0x100 PWM2 Override Level. Sets the PWM2 duty cycle when PWM2_OVD = 1.
Coded as 2’s complement.
0x000 = 50% duty cycle
0x200 = 0% duty cycle
_‘ __— __— _— _— CIRRUS LOGIC”
80 DS1162F1
CS42L92
4.3 Digital Core
Figure 4-30. Digital-Core DFC Blocks
The DFC1–DFC8 input control fields (see Fig. 4-30) are located at register addresses R3520–R3576 (0x0DC0–0x0DF8).
The full list of digital-mixer control registers (R1600–R3576) is provided in Section 6. Generic register field definitions are
provided in Table 4-11.
The x_SRCn fields select the input sources for the respective DFCs. Note that the selected input sources must be
configured for the same sample rate as the DFC to which they are connected. Sample-rate conversion functions are
available to support flexible interconnectivity; see Section 4.3.15 and Section 4.3.16.
The hexadecimal numbers in Fig. 4-30 indicate the corresponding x_SRCn setting for selection of that signal as an input
to another digital-core function.
The sample rate for each converter DFCn is configured using the respective DFCn_RATE field; see Table 4-26. Note that
sample-rate conversion is required when routing the DFC paths to any signal chain that is asynchronous or configured for
a different sample rate.
The DFCn_RATE fields must not be changed if the associated x_SRCn field is nonzero. The associated x_SRCn field
must be cleared before writing a new value to DFCn_RATE. A minimum delay of 125 s must be allowed between clearing
the x_SRCn field and writing to the associated DFCn_RATE field. See Table 4-26 for details.
The DFC is enabled by setting DFCn_ENA.
The input data format is configured using the DFCn_RX_DATA_TYPE and DFCn_RX_DATA_WIDTH fields. Valid data
types are signed fixed point, unsigned fixed point, and three different floating point configurations. If a fixed point data type
is selected, the data width (number of data bits) is selected using DFCn_RX_DATA_WIDTH.
The DFC input can be any of the digital core inputs or signal processing blocks. If the input data type is unsigned or floating
point format, one of the AIF or SLIMbus RX channels must be selected as the DFC input source—unsigned and floating
point data types are not valid selections with any other source within the digital core.
The output data format is configured using the DFCn_TX_DATA_TYPE and DFCn_TX_DATA_WIDTH fields. Valid data
types are signed fixed point, unsigned fixed point, and floating point formats. If a fixed point data type is selected, the data
width (number of data bits) is selected using DFCn_TX_DATA_WIDTH.
The DFC output can be selected as input to any of the digital mixers or signal-processing functions within the CS42L92
digital core. If the DFC output data type is unsigned fixed point or floating point format, it must be routed directly to the AIF
or SLIMbus TX channels using the respective digital-core output mixers—unsigned fixed point or floating point data is not
valid as input to any other digital core functions.
Note: If unsigned fixed point or floating point data is routed from a DFC output to an AIF or SLIMbus TX channel, the
DFC must be the only enabled signal path in the respective output mixer, and the associated volume selection
must be 0 dB.
DFCn_SRC
DFC1 (0xF8)
DFC2 (0xF9)
DFC3 (0xFA)
DFC4 (0xFB)
DFC5 (0xFC)
DFC6 (0xFD)
DFC7 (0xFE)
DFC8 (0xFF)
Data Format Converter
DFC
DFCn_ENA
DFCn_RATE
DFCn_DITH_ENA
DFCn_RX_DATA_TYPE
DFCn_RX_DATA_WIDTH
DFCn_TX_DATA_TYPE
DFCn_TX_DATA_WIDTH
CS42L92 supports eight DFC blocks, i.e., n = 1–8
x_SRCn p. 52
_‘ __— __— _— _— CIRRUS LOGIC” Regisler Address Eil Label Default Description R5248 (0x1480) 1 DFC iDlTHiENA o DFC dither enable (valid lor fixed point output data only) 0 DFC ,ENA o DFC enable R5250 (0x1482) 12:8 DFC iniDATAi 0x1F DFC input data width (valid lor fixed pointdata types only) 2:0 DFC iniDATAi 000 DFC input data type R5252 (muss) 12:8 DFC iTxiDATAi 0X1F DFC output data width (valid forllxed point data lypesoniy) 2:0 DFC iTxiDATAi 000 DFC outpumalalype
DS1162F1 81
CS42L92
4.3 Digital Core
The DFC can apply dithering to its output data; this is enabled by setting DFCn_DITH_ENA. Note that dithering is only
valid if the output data is in fixed point format (signed or unsigned). If the output data type is floating point, the DFCn_
DITH_ENA bit must be cleared.
The dither function can be used to improve the noise characteristics of signals routed in the digital core. Dithering is
particularly recommended if truncating audio data (e.g., from 32- to 24-bit format) as it converts the truncation/quantization
errors into benign background noise.
The DFCs provide input to the interrupt control circuit and can be used to trigger an interrupt event if saturation (arithmetic
error) is detected; see Section 4.15.
The control registers associated with the DFCs are described in Table 4-25.
Table 4-25. Digital-Core DFC Control
Register Address Bit Label Default Description
R5248 (0x1480)
DFC1_CTRL_W0
R5254 (0x1486)
DFC2_CTRL_W0
R5260 (0x148C)
DFC3_CTRL_W0
R5266 (0x1492)
DFC4_CTRL_W0
R5272 (0x1498)
DFC5_CTRL_W0
R5278 (0x149E)
DFC6_CTRL_W0
R5284 (0x14A4)
DFC7_CTRL_W0
R5290 (0x14AA)
DFC8_CTRL_W0
1DFCn_DITH_ENA 0 DFCn dither enable (valid for fixed point output data only)
0 = Disabled
1 = Enabled
0DFCn_ENA 0 DFCn enable
0 = Disabled
1 = Enabled
R5250 (0x1482)
DFC1_RX_W0
R5256 (0x1488)
DFC2_RX_W0
R5262 (0x148E)
DFC3_RX_W0
R5268 (0x1494)
DFC4_RX_W0
R5274 (0x149A)
DFC5_RX_W0
R5280 (0x14A0)
DFC6_RX_W0
R5286 (0x14A6)
DFC7_RX_W0
R5292 (0x14AC)
DFC8_RX_W0
12:8 DFCn_RX_DATA_
WIDTH[4:0]
0x1F DFCn input data width (valid for fixed point data types only)
0x00 to 0x06 = Reserved
0x07 = 8 bits
0x08 = 9 bits
0x09 = 10 bits
...
0x1F = 32 bits
2:0 DFCn_RX_DATA_
TYPE[2:0]
000 DFCn input data type
000 = Signed, fixed point
001 = Unsigned, fixed point
010 = Single-precision floating point (binary32)
100 = Half-precision floating point (binary16)
101 = ARM-alternative half-precision floating point
All other codes are reserved.
R5252 (0x1488)
DFC1_TX_W0
R5258 (0x148A)
DFC2_TX_W0
R5264 (0x1490)
DFC3_TX_W0
R5270 (0x1494)
DFC4_TX_W0
R5276 (0x149C)
DFC5_TX_W0
R5282 (0x14A2)
DFC6_TX_W0
R5288 (0x14A8)
DFC7_TX_W0
R5294 (0x14AE)
DFC8_TX_W0
12:8 DFCn_TX_DATA_
WIDTH[4:0]
0x1F DFCn output data width (valid for fixed point data types only)
0x00 to 0x06 = Reserved
0x07 = 8 bits
0x08 = 9 bits
0x09 = 10 bits
...
0x1F = 32 bits
2:0 DFCn_TX_DATA_
TYPE[2:0]
000 DFCn output data type
000 = Signed, fixed point
001 = Unsigned, fixed point
010 = Single-precision floating point (binary32)
100 = Half-precision floating point (binary16)
101 = ARM-alternative half-precision floating point
All other codes are reserved.
__- __— __— _— _— CIRRUS LOGIC"
82 DS1162F1
CS42L92
4.3 Digital Core
The CS42L92 automatically checks to confirm whether the SYSCLK frequency is high enough to support the commanded
DFC and digital mixing functions. If an attempt is made to enable DFC signal path, and there are insufficient SYSCLK
cycles to support it, the attempt does not succeed. Note that any signal paths that are already active are not affected under
such circumstances.
The status bits in registers R1600–R3576 indicate the status of each digital mixer. If an underclocked error condition
occurs, these bits indicate which mixers have been enabled.
4.3.14 Sample-Rate Control
The CS42L92 supports multiple signal paths through the digital core. Stereo full-duplex sample-rate conversion is provided
to allow digital audio to be routed between interfaces operating at different sample rates and/or referenced to
asynchronous clock domains.
Two independent clock domains are supported for the audio signal paths, referenced to SYSCLK and ASYNCCLK
respectively, as described in Section 4.16. Every digital signal path must be synchronized either to SYSCLK or to
ASYNCCLK.
Up to five different sample rates may be in use at any time on the CS42L92. Three of these sample rates must be
synchronized to SYSCLK; the remaining two, where required, must be synchronized to ASYNCCLK.
Sample-rate conversion is required when routing any audio path between digital functions that are asynchronous or
configured for different sample rates.
The asynchronous sample-rate converter (ASRC) supports two-way stereo conversion paths between the SYSCLK and
ASYNCCLK domains. The ASRC is described in Section 4.3.15.
There are two isochronous sample-rate converters (ISRCs). Each ISRC supports two-way, two-channel conversion paths
between sample rates on the SYSCLK domain, or between sample rates on the ASYNCCLK domain. The ISRCs are
described in Section 4.3.16.
The sample rate of different blocks within the CS42L92 digital core are controlled as shown in Fig. 4-31. The x_RATE fields
select the applicable sample rate for each respective group of digital functions.
The x_RATE fields must not be changed if any of the x_SRCn fields associated with the respective functions is nonzero.
The associated x_SRCn fields must be cleared before writing new values to the x_RATE fields. A minimum delay of 125 s
must be allowed between clearing the x_SRCn fields and writing to the associated x_RATE fields. See Table 4-26 for
details.
CIRRUS LOGIC” _‘ __— __— _— _— >3 8%
DS1162F1 83
CS42L92
4.3 Digital Core
Figure 4-31. Digital-Core Sample-Rate Control
The input signal paths may be selected as input to the digital mixers or signal-processing functions. The sample rate for
the input signal paths can either be set globally (using IN_RATE), or can be configured independently for each input
channel (using the respective INnx_RATE fields). The applicable mode depends on IN_RATE_MODE, as described in
FX_RATE
+
(GPIO pin)
PWM
PWM1
PWM2
(GPIO pin)
S/PDIF
PWM_RATE
SPD1_RATE
Tone Generator 1
Tone Generator
Tone Generator 2
TONE_RATE
Noise Generator
White Noise
Generator
NOISE_GEN_RATE
HAP_RATE
Haptic Output
Haptic Signal
Generator
SLIMRXn_RATE (n = 1..8)
SLIMTXn_RATE (n = 1..8)
+
EQn
EQ
EQ1
EQ2
EQ3
EQ4
+
LHPFn
LHPF
LHPF1
LHPF2
LHPF3
LHPF4
DRCn
Left
DRCn
Right
DRC
DRC1
DRC2
+
+
OUT_RATE
OUT_RATE
IN_RATE, or IN nx_RATE
ASRC1_RATE1 ASRC1_RATE2
DFCn
DFC
DFC1 DFC1_RATE
DFC2 DFC2_RATE
DFC3 – DFC3_RATE
DFC4 – DFC4_RATE
DFCn
DFC
DFC5 – DFC5_RATE
DFC6DFC6_RATE
DFC7 DFC7_RATE
DFC8 DFC8_RATE
ASRC1 Left
ASRC1 Right
Asynchronous
Sample Rate
Converter (ASRC)
ASRC1
ASRC1 Right
ASRC1 Left
ISRCn_FSL ISRCn_FSH
ISRCn DEC1
ISRCn DEC2
ISRC2
Isochronous
Sample Rate
Converter (ISRC)
ISRC1
ISRCn INT2
ISRCn INT1
SLIMbus
SLIMbus = 8 input , 8 output
+
AIFn TX1 output
+
AIFn TX2 output
+
AIFn TX... output
+
AIFn TX... output
AIFn RX...
AIFn RX...
AIFn RX2
AIFn RX1
etc...
AIF1 = 8 input , 8 output
AIF2 = 8 input , 8 output
AIF3 = 8 input , 8 output
AIF2 AIF2_RATE
AIF3 AIF3_RATE
AIF1 AIF1_RATE
DSP1 Ch 1
DSP1 Ch 2
DSP1 Ch 3
DSP1 Ch 4
DSP1 Ch 5
DSP1 Ch 6
DSP Core
+
+
DSP1DSP1_RATE
OUT5
OUT3
OUT2
+
OUTnL output
+
OUTnR output
Stereo
Output
Paths
OUT1
IN1L signal path
IN1R signal path
IN2L signal path
IN2R signal path
IN3L signal path
IN3R signal path
IN4L signal path
IN4R signal path
US1_RATE
US2_RATE
Silence (mute)
Ultrasonic 1 path
AEC1 Loopback
AEC2 Loopback
Ultrasonic 2 path
__- __— __— _— _— CIRRUS LOGIC"
84 DS1162F1
CS42L92
4.3 Digital Core
Table 4-3.
The ultrasonic demodulator circuits can be selected as input to the digital mixers or signal-processing functions. The
sample rate for these signals are configured using US1_RATE and US2_RATE. The selected sample rate must be equal
to the output rate of the demodulator function, set by the respective USn_FREQ field—see Section 4.2.9.
The output signal paths are derived from the respective output mixers. The sample rate for the output signal paths is
configured using OUT_RATE. The sample rate of the AEC loop-back path is also set by OUT_RATE. Clocking for the
DACs and output signal path circuits must also be configured using the OUT_CLK_SRC field—see Section 4.11.2.
The AIFn RX inputs may be selected as input to the digital mixers or signal-processing functions. The AIFn TX outputs are
derived from the respective output mixers. The sample rates for digital audio interfaces (AIF1–AIF3) are configured using
the AIFn_RATE fields (where n identifies the applicable AIF 1, 2, or 3) respectively.
The SLIMbus interface supports up to eight input channels and eight output channels. The sample rate of each channel
can be configured independently, using SLIMTXn_RATE and SLIMRXn_RATE.
Note that the SLIMbus interface provides simultaneous support for SYSCLK-referenced and ASYNCCLK-referenced
sample rates on different channels. For example, 48-kHz and 44.1-kHz SLIMbus audio paths can be simultaneously
supported.
The EQ, DRC, and LHPF functions can be enabled in any signal path within the digital core. The sample rate for these
functions is configured using FX_RATE. Note that the EQ, DRC, and LHPF functions must all be configured for the same
sample rate.
The DSP functions can be enabled in any signal path within the digital core. The applicable sample rate is configured using
the DSP1_RATE field.
The S/PDIF transmitter can be enabled on a GPIO pin. Stereo inputs to this function can be configured from any of the
digital-core inputs, mixers, or signal-processing functions. The sample rate of the S/PDIF transmitter is configured using
SPD1_RATE.
The tone generator and noise generator can be selected as input to any of the digital mixers or signal-processing functions.
The sample rates for these sources are configured using the TONE_RATE and NOISE_GEN_RATE fields, respectively.
The haptic signal generator can be used to control an external vibe actuator. In a typical use case the haptic signal may
be routed, via one of the digital-core output mixers, to the digital PDM output (OUT5). The sample rate for the haptic signal
generator is configured using HAP_RATE.
The PWM signal generators can be modulated by an audio source, derived from the associated signal mixers. The sample
rate (cycle time) for the PWM signal generators is configured using PWM_RATE.
The DFCn blocks can be enabled in signal paths within the digital core. The applicable sample rates are configured using
the DFCn_RATE fields (where n identifies the applicable DFC block).
The sample-rate control registers are described in Table 4-26. Refer to the field descriptions for details of the valid
selections in each case—note that the input (ADC) and output (DAC) signal paths must always be associated with the
SYSCLK clocking domain; different sample rates may be selected concurrently, but both these rates must be synchronized
to SYSCLK.
The control registers associated with the ASRC and ISRCs are described in Table 4-27 and Table 4-28.
Note that 32-bit register addressing is used from R12888 (0x3000) upwards; 16-bit format is used otherwise. The registers
noted in Table 4-26 contain a mixture of 16-bit and 32-bit register addresses.
_‘ __— __— _— _— CIRRUS LOGIC” Register Address Bil Label Delaull Description R32 (exoozo) 15:11 TONE,RATE[4:O] 0x00 Tone Generator Samp‘e Rate R48 (exooso) 15:11 PWM,RATE[4:0] 0x00 PWM Frequency (sample rate) R144(0x0090) 15:11 HAP,RATE[4:O] 0x00 HapucsgnalGeneratorSampIe Rate R160 (OXOOAO) 15:11 NOISEiC‘zENi 0X00 Nowse Generator Samp‘e Rate R776 (OXOSOB) 15:11 |N7RATE[4:O] 0X00 |npulSwgna1Palhs Samp‘e Rate(on1y Vahd N INiRATEiMODE = 0)
DS1162F1 85
CS42L92
4.3 Digital Core
Table 4-26. Digital-Core Sample-Rate Control
Register Address Bit Label Default Description
R32 (0x0020)
Tone_Generator_1
15:11 TONE_RATE[4:0] 0x00 Tone Generator Sample Rate
0x00 = SAMPLE_RATE_1
0x01 = SAMPLE_RATE_2
0x02 = SAMPLE_RATE_3
0x08 = ASYNC_SAMPLE_RATE_1
0x09 = ASYNC_SAMPLE_RATE_2
All other codes are reserved.
The selected sample rate is valid in the range 8–192 kHz.
R48 (0x0030)
PWM_Drive_1
15:11 PWM_RATE[4:0] 0x00 PWM Frequency (sample rate)
0x00 = SAMPLE_RATE_1
0x01 = SAMPLE_RATE_2
0x02 = SAMPLE_RATE_3
0x08 = ASYNC_SAMPLE_RATE_1
0x09 = ASYNC_SAMPLE_RATE_2
All other codes are reserved.
The selected sample rate is valid in the range 8–192 kHz.
All PWMnMIX_SRCm fields must be cleared before changing PWM_RATE.
R144 (0x0090)
Haptics_Control_1
15:11 HAP_RATE[4:0] 0x00 Haptic Signal Generator Sample Rate
0x00 = SAMPLE_RATE_1
0x01 = SAMPLE_RATE_2
0x02 = SAMPLE_RATE_3
0x08 = ASYNC_SAMPLE_RATE_1
0x09 = ASYNC_SAMPLE_RATE_2
All other codes are reserved.
The selected sample rate is valid in the range 8–192 kHz.
R160 (0x00A0)
Comfort_Noise_
Generator
15:11 NOISE_GEN_
RATE[4:0]
0x00 Noise Generator Sample Rate
0x00 = SAMPLE_RATE_1
0x01 = SAMPLE_RATE_2
0x02 = SAMPLE_RATE_3
0x08 = ASYNC_SAMPLE_RATE_1
0x09 = ASYNC_SAMPLE_RATE_2
All other codes are reserved.
The selected sample rate is valid in the range 8–192 kHz.
R776 (0x0308)
Input_Rate
15:11 IN_RATE[4:0] 0x00 Input Signal Paths Sample Rate (only valid if IN_RATE_MODE = 0)
0x00 = SAMPLE_RATE_1
0x01 = SAMPLE_RATE_2
0x02 = SAMPLE_RATE_3
All other codes are reserved.
The selected sample rate is valid in the range 8–192 kHz.
If 384 kHz/768 kHz DMIC rate is selected on any of the input paths (INn_
OSR = 01X), the input paths sample rate is valid up to 48 kHz/96 kHz respectively.
_‘ __— __— _— _— CIRRUS LOGIC” Register Address Bil Label Delaull Description R787(0x0313) 15:11IN1L7RATE[4:O] 0x00 Inpmpam (Lefl/Right)SampleRale(onlyvalidiHNiRATEiMODE=1) R791 (0x0317) 15:11 IN1R7RATE[4:0] 0x00 R795(0x031E) 15:11IN2L7RATE[4:O] 0x00 R799 (0x031F) 15:11 IN2R7RATE[4:0] 0x00 R803 (0X0323) 15:11 |N3L7RATE[4:O] 0X00 R807 (0X0327) 15:11 |N3R7RATE[4:0] 0X00 R811 (OXOSZB) 15:11 |N4L7RATE[4:O] 0X00 R815 (0x032F) 15:11 IN4R7RATE[4:0] 0x00 R1032 (0X0408) 15:11 OUT,RATE[4:O] 0X00 Output Signai Paths Sample Rate R1283 (0X0503) 15:11 A|F17RATE[4:O] 0X00 AIF Audio Inteflace Sampie Rate R1347 (0X0543) 15:11 A|F27RATE[4:O] 0X00 R1411 (OXOSES) 15:11 AIFCLRATEMZO] 0X00 R1474 (OXOSCZ) 8:4 SPD17RATE[4:O] 0X00 S/PDIF Transmitter Sampie Rate
86 DS1162F1
CS42L92
4.3 Digital Core
R787 (0x0313)
IN1L_Rate_
Control
15:11 IN1L_RATE[4:0] 0x00 Input Path n (Left/Right) Sample Rate (only valid if IN_RATE_MODE = 1)
0x00 = SAMPLE_RATE_1
0x01 = SAMPLE_RATE_2
0x02 = SAMPLE_RATE_3
All other codes are reserved.
The selected sample rate is valid in the range 8–192 kHz.
If 384 kHz/768 kHz DMIC rate is selected (INn_OSR = 01X), the INnL/INnR sample
rate is valid up to 48 kHz/96 kHz respectively.
R791 (0x0317)
IN1R_Rate_
Control
15:11 IN1R_RATE[4:0] 0x00
R795 (0x031B)
IN2L_Rate_
Control
15:11 IN2L_RATE[4:0] 0x00
R799 (0x031F)
IN2R_Rate_
Control
15:11 IN2R_RATE[4:0] 0x00
R803 (0x0323)
IN3L_Rate_
Control
15:11 IN3L_RATE[4:0] 0x00
R807 (0x0327)
IN3R_Rate_
Control
15:11 IN3R_RATE[4:0] 0x00
R811 (0x032B)
IN4L_Rate_
Control
15:11 IN4L_RATE[4:0] 0x00
R815 (0x032F)
IN4R_Rate_
Control
15:11 IN4R_RATE[4:0] 0x00
R1032 (0x0408)
Output_Rate_1
15:11 OUT_RATE[4:0] 0x00 Output Signal Paths Sample Rate
0x00 = SAMPLE_RATE_1
0x01 = SAMPLE_RATE_2
0x02 = SAMPLE_RATE_3
0x08 = ASYNC_SAMPLE_RATE_1
0x09 = ASYNC_SAMPLE_RATE_2
All other codes are reserved.
The selected sample rate is valid in the range 8–384 kHz.
All OUTnxMIX_SRCm fields must be cleared before changing OUT_RATE.
R1283 (0x0503)
AIF1_Rate_Ctrl
15:11 AIF1_RATE[4:0] 0x00 AIFn Audio Interface Sample Rate
0x00 = SAMPLE_RATE_1
0x01 = SAMPLE_RATE_2
0x02 = SAMPLE_RATE_3
0x08 = ASYNC_SAMPLE_RATE_1
0x09 = ASYNC_SAMPLE_RATE_2
All other codes are reserved.
The selected sample rate is valid in the range 8–384 kHz.
All AIFnTXMIX_SRCm fields must be cleared before changing AIFn_RATE.
R1347 (0x0543)
AIF2_Rate_Ctrl
15:11 AIF2_RATE[4:0] 0x00
R1411 (0x0583)
AIF3_Rate_Ctrl
15:11 AIF3_RATE[4:0] 0x00
R1474 (0x05C2)
SPD1_TX_Control
8:4 SPD1_RATE[4:0] 0x00 S/PDIF Transmitter Sample Rate
0x00 = SAMPLE_RATE_1
0x01 = SAMPLE_RATE_2
0x02 = SAMPLE_RATE_3
0x08 = ASYNC_SAMPLE_RATE_1
0x09 = ASYNC_SAMPLE_RATE_2
All other codes are reserved.
The selected sample rate is valid in the range 32–192 kHz.
All SPDIF1TXn_SRC fields must be cleared before changing SPD1_RATE.
Table 4-26. Digital-Core Sample-Rate Control (Cont.)
Register Address Bit Label Default Description
_‘ __— __— _— _— CIRRUS LOGIC” Register Address Bil Label Delaull Description R1509 (OXOSES) 15:11 SLIMRXZ, 0X00 SLIMbLAs RX Channel Sampie Rate 7:3 SLIMRX17 0X00 R1510 (OXOSES) 15:11 SLIMRX‘L 0X00 7:3 SLIMRXCL 0X00 R1511 (OX05E7) 15:11 SLIMRXG, 0X00 7:3 SLIMRXS, 0X00 R1512 (OXOSES) 14:15 SLIMRXB, 0X00 7:3 SLIMRX77 0X00 R1513 (OXOSEQ) 15:11 SLIMTX27 0X00 SLIMbLAs TX Channei Sampie Rate 7:3 SLIMTX17 0X00 R1514 (OXOSEA) 15:11 SLIMTXLL 0X00 7:3 SLIMTXS, 0X00 R1515 (OXOSEB) 15:11 SLIMTXG, 0X00 7:3 SLIMTX57 0X00 R1516 (OXOSEC) 15:11 SLIMTXE, 0X00 7:3 SLIMTX77 0X00 R3584 (OXOEOO) 15:11 FX7RATE[4:0] 0X00 FX Sampie Rate (E0, LHPF, DRC) R4225 (0X1081) 15:11 US17RATE[4:O] 0X00 Uitrasomc Demodulator1 Sampie Rate R4227 (0X1083) 15:11 U527RATE[4:O] 0X00 Uitrasomc Demodulator 2 Sampie Rate
DS1162F1 87
CS42L92
4.3 Digital Core
R1509 (0x05E5)
SLIMbus_Rates_1
15:11 SLIMRX2_
RATE[4:0]
0x00 SLIMbus RX Channel n Sample Rate
0x00 = SAMPLE_RATE_1
0x01 = SAMPLE_RATE_2
0x02 = SAMPLE_RATE_3
0x08 = ASYNC_SAMPLE_RATE_1
0x09 = ASYNC_SAMPLE_RATE_2
All other codes are reserved.
The selected sample rate is valid in the range 8–384 kHz.
7:3 SLIMRX1_
RATE[4:0]
0x00
R1510 (0x05E6)
SLIMbus_Rates_2
15:11 SLIMRX4_
RATE[4:0]
0x00
7:3 SLIMRX3_
RATE[4:0]
0x00
R1511 (0x05E7)
SLIMbus_Rates_3
15:11 SLIMRX6_
RATE[4:0]
0x00
7:3 SLIMRX5_
RATE[4:0]
0x00
R1512 (0x05E8)
SLIMbus_Rates_4
14:15 SLIMRX8_
RATE[4:0]
0x00
7:3 SLIMRX7_
RATE[4:0]
0x00
R1513 (0x05E9)
SLIMbus_Rates_5
15:11 SLIMTX2_
RATE[4:0]
0x00 SLIMbus TX Channel n Sample Rate
0x00 = SAMPLE_RATE_1
0x01 = SAMPLE_RATE_2
0x02 = SAMPLE_RATE_3
0x08 = ASYNC_SAMPLE_RATE_1
0x09 = ASYNC_SAMPLE_RATE_2
All other codes are reserved.
The selected sample rate is valid in the range 8–384 kHz.
All SLIMTXnMIX_SRCm fields must be cleared before changing SLIMTXn_RATE.
7:3 SLIMTX1_
RATE[4:0]
0x00
R1514 (0x05EA)
SLIMbus_Rates_6
15:11 SLIMTX4_
RATE[4:0]
0x00
7:3 SLIMTX3_
RATE[4:0]
0x00
R1515 (0x05EB)
SLIMbus_Rates_7
15:11 SLIMTX6_
RATE[4:0]
0x00
7:3 SLIMTX5_
RATE[4:0]
0x00
R1516 (0x05EC)
SLIMbus_Rates_8
15:11 SLIMTX8_
RATE[4:0]
0x00
7:3 SLIMTX7_
RATE[4:0]
0x00
R3584 (0x0E00)
FX_Ctrl1
15:11 FX_RATE[4:0] 0x00 FX Sample Rate (EQ, LHPF, DRC)
0x00 = SAMPLE_RATE_1
0x01 = SAMPLE_RATE_2
0x02 = SAMPLE_RATE_3
0x08 = ASYNC_SAMPLE_RATE_1
0x09 = ASYNC_SAMPLE_RATE_2
All other codes are reserved.
The selected sample rate is valid in the range 8–192 kHz.
All EQnMIX_SRCm, DRCnxMIX_SRCm, and LHPFnMIX_SRCm fields must be
cleared before changing FX_RATE.
R4225 (0x1081)
US1_Ctrl_1
15:11 US1_RATE[4:0] 0x00 Ultrasonic Demodulator 1 Sample Rate
0x00 = SAMPLE_RATE_1
0x01 = SAMPLE_RATE_2
0x02 = SAMPLE_RATE_3
All other codes are reserved. The selected sample rate must be the same as the
output rate set by US1_FREQ (i.e., 8, 16, or 32 kHz).
R4227 (0x1083)
US2_Ctrl_1
15:11 US2_RATE[4:0] 0x00 Ultrasonic Demodulator 2 Sample Rate
0x00 = SAMPLE_RATE_1
0x01 = SAMPLE_RATE_2
0x02 = SAMPLE_RATE_3
All other codes are reserved. The selected sample rate must be the same as the
output rate set by US2_FREQ (i.e., 8, 16, or 32 kHz).
Table 4-26. Digital-Core Sample-Rate Control (Cont.)
Register Address Bit Label Default Description
_‘ __— __— _— _— CIRRUS LOGIC” Register Address Bil Label Delaull Descriplion R5248(0X1480) 6:2 DFC17RATE[4:O] 0X00 DFCn Sample Rate R5254 (0X1486) 6:2 DFC27RATE[4:O] 0X00 R5260 (OX‘MEC) 6:2 DFCS,RATE[4:O] 0X00 R5266 (0X1492) 6:2 DFCILRATE[4:O] 0X00 R5272 (0X1498) 6:2 DFCS,RATE[4:O] 0X00 R5278(0X149E) 6:2 DFC67RATE[4:O] 0X00 R5284(0X14A4) 6:2 DFC77RATE[4:O] 0X00 R5290(0X14AA) 6:2 DFCS,RATE[4:O] 0X00 12104806410“, 15:11 DSP17RATE[4:0] 0x00 DSP1SampleRale
88 DS1162F1
CS42L92
4.3 Digital Core
4.3.15 Asynchronous Sample-Rate Converter (ASRC)
The CS42L92 supports multiple signal paths through the digital core. Two independent clock domains are supported for
the audio signal paths, referenced to SYSCLK and ASYNCCLK respectively, as described in Section 4.16. Every digital
signal path must be synchronized either to SYSCLK or to ASYNCCLK.
The ASRC provides stereo, two-way signal paths between two sample rates, as shown in Fig. 4-32. Each of the sample
rates may be referenced to the SYSCLK or ASYNCCLK domain. The clock domains and sample rates associated with the
ASRC signal paths are selected using the ASRC1_RATE1 and ASRC1_RATE2 fields.
ASRC1_RATE1 selects the clock domain and sample rate of the inputs to the ASRC1 IN1x paths, and the outputs
from the ASRC1 IN2x paths.
ASRC1_RATE2 selects the clock domain and sample rate of the inputs to the ASRC1 IN2x paths, and the outputs
from the ASRC1 IN1x paths.
Note that it is possible to select two sample rates for the ASRC that are each referenced to the same clock domain. This
provides flexibility to switch between synchronous and asynchronous use cases without changing the signal routing
configuration of the affected audio paths.
See Section 4.16 for details of the sample-rate control registers.
The ASRC supports sample rates from 8–192 kHz. The ratio of the applicable SAMPLE_RATE_n and ASYNC_SAMPLE_
RATE_n fields must not exceed 6.
The ASRC1_RATE1 and ASRC1_RATE2 fields must not be changed if any of the respective x_SRCn fields is nonzero.
The associated x_SRCn fields must be cleared before writing new values to ASRC1_RATE1 or ASRC1_RATE2. A
minimum delay of 125 s must be allowed between clearing the x_SRCn fields and writing to the associated ASRC1_
RATE1 or ASRC1_RATE2 fields. See Table 4-27 for details.
R5248 (0x1480)
DFC1_CTRL_W0
6:2 DFC1_RATE[4:0] 0x00 DFCn Sample Rate
0x00 = SAMPLE_RATE_1
0x01 = SAMPLE_RATE_2
0x02 = SAMPLE_RATE_3
0x08 = ASYNC_SAMPLE_RATE_1
0x09 = ASYNC_SAMPLE_RATE_2
All other codes are reserved.
The selected sample rate is valid in the range 8–192 kHz.
The DFCn_SRC field must be cleared before changing DFCn_RATE.
R5254 (0x1486)
DFC2_CTRL_W0
6:2 DFC2_RATE[4:0] 0x00
R5260 (0x148C)
DFC3_CTRL_W0
6:2 DFC3_RATE[4:0] 0x00
R5266 (0x1492)
DFC4_CTRL_W0
6:2 DFC4_RATE[4:0] 0x00
R5272 (0x1498)
DFC5_CTRL_W0
6:2 DFC5_RATE[4:0] 0x00
R5278 (0x149E)
DFC6_CTRL_W0
6:2 DFC6_RATE[4:0] 0x00
R5284 (0x14A4)
DFC7_CTRL_W0
6:2 DFC7_RATE[4:0] 0x00
R5290 (0x14AA)
DFC8_CTRL_W0
6:2 DFC8_RATE[4:0] 0x00
R1048064 (0xF_
FE00)
DSP1_Config_1
15:11 DSP1_RATE[4:0] 0x00 DSP1 Sample Rate
0x00 = SAMPLE_RATE_1
0x01 = SAMPLE_RATE_2
0x02 = SAMPLE_RATE_3
0x08 = ASYNC_SAMPLE_RATE_1
0x09 = ASYNC_SAMPLE_RATE_2
All other codes are reserved.
The selected sample rate is valid in the range 8–384 kHz.
All DSP1xMIX_SRCm fields must be cleared before changing DSP1_RATE.
Table 4-26. Digital-Core Sample-Rate Control (Cont.)
Register Address Bit Label Default Description
_‘ __— __— _— _— CIRRUS LOGIC”
DS1162F1 89
CS42L92
4.3 Digital Core
The ASRC signal paths are enabled using the ASRC1_INnx_ENA bits, as follows:
The ASRC1 IN1 (left and right) paths convert from the ASRC1_RATE1 sample rate to the ASRC1_RATE2 sample
rate. These paths are enabled by setting the ASRC1_IN1L_ENA and ASRC1_IN1R_ENA bits, respectively.
The ASRC1 IN2 (left and right) paths convert from the ASRC1_RATE2 sample rate to the ASRC1_RATE1 sample
rate. These paths are enabled by setting the ASRC1_IN2L_ENA and ASRC1_IN2R_ENA bits, respectively.
Synchronization (lock) between different clock domains is not instantaneous when the clocking or sample rate
configurations are updated. The lock status of each ASRC path is an input to the interrupt control circuit and can be used
to trigger an interrupt event; see Section 4.15.
The ASRC lock status of each ASRC path can be output directly on a GPIO pin as an external indication of ASRC lock.
See Section 4.14 to configure a GPIO pin for this function.
The CS42L92 performs automatic checks to confirm that the SYSCLK or ASYNCCLK frequency is high enough to support
the commanded ASRC and digital mixing functions. If the frequency is too low, an attempt to enable an ASRC signal path
fails. Note that active signal paths are not affected under such circumstances.
The status bits in register R3809 indicate the status of each ASRC signal path. If an underclocked error condition occurs,
these bits indicate which ASRC signal paths have been enabled.
The status bits in registers R1600–R3576 indicate the status of each digital mixer. If an underclocked error condition
occurs, these bits indicate which mixers have been enabled.
The ASRC signal paths and control registers are shown in Fig. 4-32.
Figure 4-32. Asynchronous Sample-Rate Converters (ASRCs)
The ASRC1 input control fields (see Fig. 4-32) are located at register addresses R2688–R2712 (0x0A80–0x0A98).
ASRC1IN1L_SRC
ASRC1IN1R_SRC
ASRC1 IN1L (0x90)
ASRC1 IN1R (0x91)
ASRC1IN2L_SRC
ASRC1IN2R_SRC
ASRC1 IN2L (0x92)
ASRC1 IN2R (0x93)
ASRC1_RATE1 ASRC1_RATE2
The ASRC provides asynchronous conversion between the SYSCLK and ASYNCCLK clock domains.
ASRC1_RATE1 selects the sample rate of the ASRC1 IN1x inputs, and the ASRC1 IN2x outputs.
ASRC1_RATE2 selects the sample rate of the ASRC1 IN2x inputs, and the ASRC1 IN1x outputs.
Each sample rate may be referenced to either the SYSCLK or ASYNCCLK clock domain..
x_SRCn p. 52
ASRC1_IN1L_ENA p. 90
ASRC1_IN1R_ENA p. 90
ASRC1_IN2R_ENA p. 90
ASRC1_IN2L_ENA p. 90
_‘ __— __— _— _— CIRRUS LOGIC” Register Address Bit Label Defaull Description R3808 (OXOEEO) 3 ASRC‘LINZL, O ASRC‘l IN2 (lefl) enable 2 ASRC17IN2R7 O ASRC‘l INZ (right) enable 1 ASRC‘LIN1L, O ASRC‘l IN1 (lefl) enable O ASRC17IN1R7 O ASRC‘l lN‘l (right) enable
90 DS1162F1
CS42L92
4.3 Digital Core
The full list of digital mixer control registers (R1600–R3576) is provided in Section 6. Generic register field definitions are
provided in Table 4-11.
The x_SRCn fields select the input sources for the ASRC paths. Note that the selected input sources must be configured
for the same sample rate as the ASRC to which they are connected.
The hexadecimal numbers in Fig. 4-32 indicate the corresponding x_SRCn setting for selection of that signal as an input
to another digital-core function.
The fields associated with the ASRC are described in Table 4-27.
Table 4-27. Digital-Core ASRC Control
Register Address Bit Label Default Description
R3808 (0x0EE0)
ASRC1_ENABLE
3 ASRC1_IN2L_
ENA
0 ASRC1 IN2 (left) enable
(Left channel from ASRC1_RATE2 sample rate to ASRC1_RATE1 sample rate)
0 = Disabled
1 = Enabled
2 ASRC1_IN2R_
ENA
0 ASRC1 IN2 (right) enable
(Right channel from ASRC1_RATE2 sample rate to ASRC1_RATE1 sample rate)
0 = Disabled
1 = Enabled
1 ASRC1_IN1L_
ENA
0 ASRC1 IN1 (left) enable
(Left channel from ASRC1_RATE1 sample rate to ASRC1_RATE2 sample rate)
0 = Disabled
1 = Enabled
0 ASRC1_IN1R_
ENA
0 ASRC1 IN1 (right) enable
(Right channel from ASRC1_RATE1 sample rate to ASRC1_RATE2 sample rate)
0 = Disabled
1 = Enabled
_‘ __— __— _— _— CIRRUS LOGIC” Register Address Bit Label Default Descrip on R3809 (0XOEE1) 3 ASRC‘LINZL, 0 ASRC‘l IN2 (lefl) enable status 2 ASRC17IN2R7 0 ASRC‘l IN2 (fight) enable status 1 ASRC17IN1L7 0 ASRC‘l IN1 (lefl) enable status 0 ASRC17IN1R7 0 ASRC‘l IN1 (fight) enable status R3810 (OXOEEZ) 15:11 ASRC17 0X00 ASRC‘l Sample Rate select for ASRC‘l IN1X mpuls and ASRC‘l INZX outputs R3811 (OXOEES) 15:11 ASRC17 0X08 ASRC‘l Sample Rate select for ASRC‘l IN2X mpuls and ASRC‘l IN1X outputs
DS1162F1 91
CS42L92
4.3 Digital Core
4.3.16 Isochronous Sample-Rate Converter (ISRC)
The CS42L92 supports multiple signal paths through the digital core. The ISRCs provide sample-rate conversion between
synchronized sample rates on the SYSCLK clock domain, or between synchronized sample rates on the ASYNCCLK clock
domain.
There are two ISRCs on the CS42L92. Each ISRC provides two stereo signal paths between two different sample rates,
as shown in Fig. 4-33.
The sample rates associated with each ISRC can be set independently. Note that the two sample rates associated with
any single ISRC must both be referenced to the same clock domain (SYSCLK or ASYNCCLK).
When an ISRC is used on the SYSCLK domain, the associated sample rates may be selected from SAMPLE_
RATE_1, SAMPLE_RATE_2, or SAMPLE_RATE_3.
When an ISRC is used on the ASYNCCLK domain, the associated sample rates are ASYNC_SAMPLE_RATE_1
and ASYNC_SAMPLE_RATE_2.
See Section 4.16 for details of the sample-rate control registers.
Each ISRC converts between a sample rate selected by ISRCn_FSL and a sample rate selected by ISRCn_FSH, (where
n identifies the applicable ISRC 1 or 2). The higher of the two sample rates must be selected by ISRCn_FSH in each case.
R3809 (0x0EE1)
ASRC1_STATUS
3 ASRC1_IN2L_
ENA_STS
0 ASRC1 IN2 (left) enable status
(Left channel from ASRC1_RATE2 sample rate to ASRC1_RATE1 sample rate)
0 = Disabled
1 = Enabled
2 ASRC1_IN2R_
ENA_STS
0 ASRC1 IN2 (right) enable status
(Right channel from ASRC1_RATE2 sample rate to ASRC1_RATE1 sample rate)
0 = Disabled
1 = Enabled
1 ASRC1_IN1L_
ENA_STS
0 ASRC1 IN1 (left) enable status
(Left channel from ASRC1_RATE1 sample rate to ASRC1_RATE2 sample rate)
0 = Disabled
1 = Enabled
0 ASRC1_IN1R_
ENA_STS
0 ASRC1 IN1 (right) enable status
(Right channel from ASRC1_RATE1 sample rate to ASRC1_RATE2 sample rate)
0 = Disabled
1 = Enabled
R3810 (0x0EE2)
ASRC1_RATE1
15:11 ASRC1_
RATE1[4:0]
0x00 ASRC1 Sample Rate select for ASRC1 IN1x inputs and ASRC1 IN2x outputs
0x00 = SAMPLE_RATE_1
0x01 = SAMPLE_RATE_2
0x02 = SAMPLE_RATE_3
0x08 = ASYNC_SAMPLE_RATE_1
0x09 = ASYNC_SAMPLE_RATE_2
All other codes are reserved.
The selected sample rate is valid in the range 8–192 kHz.
All ASRC1_IN1x_SRC fields must be cleared before changing ASRC1_RATE1.
R3811 (0x0EE3)
ASRC1_RATE2
15:11 ASRC1_
RATE2[4:0]
0x08 ASRC1 Sample Rate select for ASRC1 IN2x inputs and ASRC1 IN1x outputs
0x00 = SAMPLE_RATE_1
0x01 = SAMPLE_RATE_2
0x02 = SAMPLE_RATE_3
0x08 = ASYNC_SAMPLE_RATE_1
0x09 = ASYNC_SAMPLE_RATE_2
All other codes are reserved.
The selected sample rate is valid in the range 8–192 kHz.
All ASRC1_IN1x_SRC fields must be cleared before changing ASRC1_RATE1.
Table 4-27. Digital-Core ASRC Control (Cont.)
Register Address Bit Label Default Description
_‘ __— __— _— _— CIRRUS LOGIC”
92 DS1162F1
CS42L92
4.3 Digital Core
The ISRCs support sample rates in the range 8–384 kHz. For each ISRC, the ratio of the applicable SAMPLE_RATE_n
or ASYNC_SAMPLE_RATE_n fields must not exceed 24. The sample-rate conversion ratio must be an integer (1–24) or
equal to 1.5.
The ISRCn_FSL and ISRCn_FSH fields must not be changed if any of the respective x_SRCn fields is nonzero. The
associated x_SRCn fields must be cleared before writing new values to ISRCn_FSL or ISRCn_FSH. A minimum delay of
125 s must be allowed between clearing the x_SRCn fields and writing to the associated ISRCn_FSL or ISRCn_FSH
fields. See Table 4-28 for details.
The ISRC signal paths are enabled using the ISRCn_INTm_ENA and ISRCn_DECm_ENA bits, as follows:
•The ISRCn interpolation paths (increasing sample rate) are enabled by setting the ISRCn_INTm_ENA bits, (where
m identifies the applicable channel).
•The ISRCn decimation paths (decreasing sample rate) are enabled by setting the ISRCn_DECm_ENA bits.
The CS42L92 performs automatic checks to confirm that the SYSCLK or ASYNCCLK frequency is high enough to support
the commanded ISRC and digital mixing functions. If the frequency is too low, an attempt to enable an ISRC signal path
fails. Note that active signal paths are not affected under such circumstances.
The status bits in registers R1600–R3576 indicate the status of each digital mixer. If an underclocked error condition
occurs, these bits indicate which mixers have been enabled.
The ISRC signal paths and control registers are shown in Fig. 4-33.
Figure 4-33. Isochronous Sample-Rate Converters (ISRCs)
The ISRC input control fields (see Fig. 4-33) are located at register addresses R2816–R2920 (0x0B00–0x0B68).
The full list of digital mixer control registers (R1600–R3576) is provided in Section 6. Generic register field definitions are
provided in Table 4-11.
ISRCn_INT2_ENA
ISRCn_INT1_ENA
ISRCnINT1_SRC
ISRCnINT2_SRC
ISRC1 INT1 (0xA0)
ISRC2 INT1 (0xA8)
ISRC1 INT2 (0xA1)
ISRC2 INT2 (0xA9)
ISRCn_DEC2_ENA
ISRCn_DEC1_ENA ISRCnDEC1_SRC
ISRCnDEC2_SRC
ISRC1 DEC1 (0xA4)
ISRC2 DEC1 (0xAC)
ISRC1 DEC2 (0xA5)
ISRC2 DEC2 (0xAD)
ISRCn_FSL ISRCn_FSH
ISRC provides sample-rate conversions between synchronized sample rates on the SYSCLK or ASYNCCLK
domain. Both sample rates must be referenced to the same clock domain (SYSCLK or AYSNCCLK).
ISRCn_FSL identifies the lower of the two sample rates.
ISRCn_FSH identifies the higher of the two sample rates.
CS42L92 supports two ISRC blocks, i.e., n = 1–2
_‘ __— __— _— _— CIRRUS LOGIC” Register Address Eit Label Default Description R3824 (OXOEFO) 15:11 |SRC17FSH[4:0] 0X00 |SRC1 High Sample Rate (Sets the higher ol the ISRC1 sampie rates) R3825 (0XOEF1) 15:11 |SRC17FSL[4:O] 0X00 ISRC1 Low Sampie Rate (Sets the iower oi the ISRC1 Sample rates) R3826 (OXOEFZ) 15 |SRC17INT17ENA 0 ISRC1 |NT1 Enabie (Interpolation Chanhei 1 path from ISRC17FSL rate to ISRC17 14 |SRC17INT27ENA 0 ISRC1 |NT2 Enabie (Interpolation Chanhei 2 path from ISRC17FSL rate to ISRC17 9 |SRC17DEC17 0 |SRC1 DEC1 Enabie (Decimatioh Chanhei 1 path lrom ISRC17FSH rale Io ISRC17 E |SRC17DE027 0 |SRC1 DECZ Enabie (Decimatioh Chanhei 2 path lrom ISRC17FSH rale Io ISRC17 R3827 (OXOEFS) 15:11 ISR027FSH[4:0] 0X00 ISRCZ High Sample Rate (Sets the higher ol the ISRCZ sampie rates)
DS1162F1 93
CS42L92
4.3 Digital Core
The x_SRC fields select the input sources for the respective ISRC processing blocks. Note that the selected input sources
must be configured for the same sample rate as the ISRC to which they are connected.
The hexadecimal numbers in Fig. 4-33 indicate the corresponding x_SRC setting for selection of that signal as an input to
another digital-core function.
The fields associated with the ISRCs are described in Table 4-28.
Table 4-28. Digital-Core ISRC Control
Register Address Bit Label Default Description
R3824 (0x0EF0)
ISRC1_CTRL_1
15:11 ISRC1_FSH[4:0] 0x00 ISRC1 High Sample Rate (Sets the higher of the ISRC1 sample rates)
0x00 = SAMPLE_RATE_1
0x01 = SAMPLE_RATE_2
0x02 = SAMPLE_RATE_3
0x08 = ASYNC_SAMPLE_RATE_1
0x09 = ASYNC_SAMPLE_RATE_2
All other codes are reserved.
The selected sample rate is valid in the range 8–192 kHz.
The ISRC1_FSH and ISRC1_FSL fields must both select sample rates referenced to
the same clock domain (SYSCLK or ASYNCCLK).
All ISRC1_DECn_SRC fields must be cleared before changing ISRC1_FSH.
R3825 (0x0EF1)
ISRC1_CTRL_2
15:11 ISRC1_FSL[4:0] 0x00 ISRC1 Low Sample Rate (Sets the lower of the ISRC1 sample rates)
0x00 = SAMPLE_RATE_1
0x01 = SAMPLE_RATE_2
0x02 = SAMPLE_RATE_3
0x08 = ASYNC_SAMPLE_RATE_1
0x09 = ASYNC_SAMPLE_RATE_2
All other codes are reserved.
The selected sample rate is valid in the range 8–192 kHz.
The ISRC1_FSH and ISRC1_FSL fields must both select sample rates referenced to
the same clock domain (SYSCLK or ASYNCCLK).
All ISRC1_INTn_SRC fields must be cleared before changing ISRC1_FSL.
R3826 (0x0EF2)
ISRC1_CTRL_3
15 ISRC1_INT1_ENA 0 ISRC1 INT1 Enable (Interpolation Channel 1 path from ISRC1_FSL rate to ISRC1_
FSH rate)
0 = Disabled
1 = Enabled
14 ISRC1_INT2_ENA 0 ISRC1 INT2 Enable (Interpolation Channel 2 path from ISRC1_FSL rate to ISRC1_
FSH rate)
0 = Disabled
1 = Enabled
9 ISRC1_DEC1_
ENA
0 ISRC1 DEC1 Enable (Decimation Channel 1 path from ISRC1_FSH rate to ISRC1_
FSL rate)
0 = Disabled
1 = Enabled
8 ISRC1_DEC2_
ENA
0 ISRC1 DEC2 Enable (Decimation Channel 2 path from ISRC1_FSH rate to ISRC1_
FSL rate)
0 = Disabled
1 = Enabled
R3827 (0x0EF3)
ISRC2_CTRL_1
15:11 ISRC2_FSH[4:0] 0x00 ISRC2 High Sample Rate (Sets the higher of the ISRC2 sample rates)
0x00 = SAMPLE_RATE_1
0x01 = SAMPLE_RATE_2
0x02 = SAMPLE_RATE_3
0x08 = ASYNC_SAMPLE_RATE_1
0x09 = ASYNC_SAMPLE_RATE_2
All other codes are reserved.
The selected sample rate is valid in the range 8–192 kHz.
The ISRC2_FSH and ISRC2_FSL fields must both select sample rates referenced to
the same clock domain (SYSCLK or ASYNCCLK).
All ISRC2_DECn_SRC fields must be cleared before changing ISRC2_FSH.
_‘ __— __— _— _— CIRRUS LOGIC” Register Address Eit Label Default Description R3828 (OXOEFA) 15:11 ISR027FSL[4:O] 0X00 ISRCZ Low Sample Rate (Sets the lower of the ISRC2 Sample rates) R3829 (OXOEFS) 15 ISR027INT17ENA O ISRCZ |NT1 Enable (Interpolation Channel 1 path from ISR027FSL rate to |SRCZi 14 ISR027INT27ENA O ISRCZ |NT2 Enable (Interpolation Channel 2 path from ISR027FSL rate to |SRCZi 9 ISR027DEC17 O ISRCZ DEC1 Enabie (Decimation Channel 1 path lrom ISR027FSH rate to |SRCZi E ISR027DEC27 O ISRCZ DECZ Enabie (Decimation Channel 2 path lrom ISR027FSH rate to |SRCZi
94 DS1162F1
CS42L92
4.4 DSP Firmware Control
4.4 DSP Firmware Control
The CS42L92 digital core incorporates one programmable DSP processing block, capable of running a range of
application-specific algorithms. Different firmware configurations can be loaded onto the DSP, enabling the CS42L92 to
be customized for specific application requirements. Full read/write access to the device register map is supported from
the DSP core.
The DSP can be clocked at up to 75 MHz, corresponding to 75 MIPS. A software programming guide can be provided to
assist users in developing their own software algorithmsplease contact your Cirrus Logic representative for further
information.
To use the programmable DSP, the required firmware configuration must first be loaded onto the device by writing the
appropriate files to the CS42L92 register map. The firmware configuration comprises program, data, and coefficient
content.
Details of the DSP firmware memory registers are provided in Section 4.4.1. Note that the WISCE evaluation board control
software provides support for easy loading of program, data, and coefficient content onto the CS42L92. Please contact
your Cirrus Logic representative for more details of the WISCE evaluation board control software.
After loading the DSP firmware, the DSP functions must be enabled using the associated control fields.
The audio signal paths to and from the DSP processing block are configured as described in Section 4.3. Note that the
DSP firmware must be loaded and enabled before audio signal paths can be enabled.
4.4.1 DSP Firmware Memory and Register Mapping
The DSP firmware memory is programmed by writing to the registers referenced in Table 4-29. Note that clocking is not
required for access to the firmware registers by the host processor.
R3828 (0x0EF4)
ISRC2_CTRL_2
15:11 ISRC2_FSL[4:0] 0x00 ISRC2 Low Sample Rate (Sets the lower of the ISRC2 sample rates)
0x00 = SAMPLE_RATE_1
0x01 = SAMPLE_RATE_2
0x02 = SAMPLE_RATE_3
0x08 = ASYNC_SAMPLE_RATE_1
0x09 = ASYNC_SAMPLE_RATE_2
All other codes are reserved.
The selected sample rate is valid in the range 8–192 kHz.
The ISRC2_FSH and ISRC2_FSL fields must both select sample rates referenced to
the same clock domain (SYSCLK or ASYNCCLK).
All ISRC2_INTn_SRC fields must be cleared before changing ISRC2_FSL.
R3829 (0x0EF5)
ISRC2_CTRL_3
15 ISRC2_INT1_ENA 0 ISRC2 INT1 Enable (Interpolation Channel 1 path from ISRC2_FSL rate to ISRC2_
FSH rate)
0 = Disabled
1 = Enabled
14 ISRC2_INT2_ENA 0 ISRC2 INT2 Enable (Interpolation Channel 2 path from ISRC2_FSL rate to ISRC2_
FSH rate)
0 = Disabled
1 = Enabled
9 ISRC2_DEC1_
ENA
0 ISRC2 DEC1 Enable (Decimation Channel 1 path from ISRC2_FSH rate to ISRC2_
FSL rate)
0 = Disabled
1 = Enabled
8 ISRC2_DEC2_
ENA
0 ISRC2 DEC2 Enable (Decimation Channel 2 path from ISRC2_FSH rate to ISRC2_
FSL rate)
0 = Disabled
1 = Enabled
Table 4-28. Digital-Core ISRC Control (Cont.)
Register Address Bit Label Default Description
_‘ __— __— _— _— CIRRUS LOGIC” DSP Number Descriplion Register Address Number of Registers DSP Memory Size DSP1 Program memory 0X087000070X0872FFE 6144 4k X 407M! words XrData memory OXOA7000070X0A71FFE 4095 4k X 24rbit words YrDaIa memory 0X007000070X0071FFE 4096 4k X 24mm words Coefficient memory OXOE7000070X0E71FFE 4096 4k X 24mm words
DS1162F1 95
CS42L92
4.4 DSP Firmware Control
The CS42L92 program, data, and coefficient register memory space is described in Table 4-29. The full register map
listing is provided in Section 6.
The program firmware parameters are formatted as 40-bit words. For this reason, 3 x 32-bit register addresses are
required for every 2 x 40-bit words.
The X-memory on the DSP supports read/write access to all register fields throughout the device, including the codec
control registers, and the other firmware-memory regions of DSP core itself. Access to the register address space is
supported using a number of register windows within the X-memory on the DSP.
Note that the register window space is additional to the X-data memory size described in Table 4-29.
Addresses 0xC000 to 0xDFFF in X-memory map directly to addresses 0x0000 to 0x1FFF in the device register space.
This fixed register window contains primarily the codec control registers; it also includes the virtual DSP control registers
(described in Section 4.4.7). Each X-memory address within this window maps onto one 16-bit register in the codec
memory space.
Four movable register windows are also provided, starting at X-memory addresses 0xF000, 0xF400, 0xF800, and 0xFC00
respectively. Each window represents 1024 addresses in the X-memory space. The start address, within the
corresponding device register space, for each window is configured using DSP1_EXT_[A/B/C/D]_PAGE (where A defines
the first window, B defines the second window, etc.).
Two mapping modes are supported and are selected using the DSP1_EXT_[A/B/C/D]_PSIZE16 bits for the respective
window. In 16-Bit Mode, each address within the window maps onto one 16-bit register in the device memory space; the
window equates to 1024 x 16-bit registers. In 32-Bit Mode, each address within the window maps onto two 16-bit registers
in the device memory space; the window equates to 1024 x 32-bit registers.
Note that the X-memory is only 24-bits wide; as a result, the upper 8 bits of the odd-numbered register addresses are not
mapped, and cannot be accessed, in 32-Bit Mode.
The DSP1_EXT_[A/B/C/D]_PAGE fields are defined with an LSB = 512. Accordingly, the base address of each window
must be aligned with 512-word boundaries. Note that the base addresses are entirely independent of each other; for
example, overlapping windows are permissible if required, and there is no requirement for the A/B/C/D windows to be at
incremental locations.
The register map window functions are shown in Fig. 4-34. Further information on the definition and usage of the DSP
firmware memories is provided in the software programming guide; contact your Cirrus Logic representative if required.
Table 4-29. DSP Program, Data, and Coefficient Registers
DSP Number Description Register Address Number of Registers DSP Memory Size
DSP1 Program memory 0x08_0000–0x08_2FFE 6144 4k x 40-bit words
X-Data memory 0x0A_0000–0x0A_1FFE 4096 4k x 24-bit words
Y-Data memory 0x0C_0000–0x0C_1FFE 4096 4k x 24-bit words
Coefficient memory 0x0E_0000–0x0E_1FFE 4096 4k x 24-bit words
g.
96 DS1162F1
CS42L92
4.4 DSP Firmware Control
Figure 4-34. X-Data Memory Map
Note that the full CS42L92 register space is shown here as 16-bit width. (SPI/I2C register access uses 32-bit data width
at 0x3000 and above.) However, the window base address fields (DSP1_EXT_[A/B/C/D]_PAGE) are referenced to 16-bit
width, and 16-bit register mapping is shown. Hence, the device register map is shown here entirely as 16-bit width for ease
of explanation.
The control registers associated with the register map window functions are described in Table 4-30.
24-bits
16-bits
DSP X-Memory Map
X Data Memory
16-bits
Internal DSP Control
X Data Memory
(shared DSP2/DSP3)
0x2000
Register
Window A
Register
Window B
Register
Window C
Register
Window D
0x0000
0x3000
0x0000
0xC000
0xD000
0xE000
0xF000
0xF400
0xF800
0xF C0 0
0xFFFF
Virtual DSP Ctrl
Audio Hub Register Map
Moveable
Register
W i ndow A
Moveable
Register
W i ndow B
Moveable
Register
W i ndow C
Moveable
Register
W i ndow D
Fixed codec
Register W indow
Page A Base Address
Page B Base Address
Page C Base Address
Page D Base Address
Write Sequencer, DSP Peripherals, and DSP Firmware Address Space
CODEC Register
Address Space
_‘ __— __— _— _— CIRRUS LOGIC” Register Address Bit Label Default Description R1048148 (0XF7FE54) 31 DSPLEXLAjSIZEw Register Window A page mam seiect 15:0 DSP17EXT7A7PAGE[15:O] 0X0000 Sets the Base Address of Register Window A in erriemory. R1048150 (0XF7FE56) 31 DSP1 EXT737PSIZE16 0 Register Window B page width seiect 15:0 DSP17EXT737PAGE[15:O] 0X0000 Sets the Base Address of Register Window B in erriemory. R1048152 (0XF7FE58) 31 DSP17EXT707PSIZE16 0 Register Window C page width seiect 15:0 DSP17EXT707PAGE[15:0] 0X0000 Sets the Base Address of Register Window C in erriemory. R1048154 (OXFiFESA) 31 DSP17EXT7D7PSIZE16 0 Register Window D page width seiect 15:0 DSP17EXT7D7PAGE[15:0] 0X0000 Sets the Base Address of Register Window D in erriemory.
DS1162F1 97
CS42L92
4.4 DSP Firmware Control
4.4.2 DSP Memory Locking
The DSP core has the capability for read/write access to all register fields throughout the device, including the codec
control registers, DSP peripheral control registers, and the virtual DSP control registers. Access to these registers is
supported via the DSP’s X-memory (using the register windows), as described in Section 4.4.1.
The CS42L92 provides a register-locking feature that blocks DSP register-write attempts to invalid register regions,
preventing the firmware from making unintentional changes to register and memory contents. An interrupt event and
associated debug information are generated if any write-access attempt is blocked; this can be used to assist software
development and debug.
The register map and DSP firmware memories are partitioned into four regions; each region can be locked independently.
This allows full flexibility to lock different register/memory regions according to the applicable DSP firmware configuration.
The DSP has direct access to its own X-, Y-, Z-, and P- memories; this is always enabled and cannot be locked. Access
to the codec registers, DSP peripheral registers, and the virtual DSP registers is effected using the X-memory register
windows (fixed codec window, and four configurable windows)—write access to these locations is governed by the
register-locking configuration settings.
The virtual DSP registers occupy addresses within the codec register space; these registers represent one of the lockable
regions within the register map—two independent locks are provided for the codec and virtual DSP registers.
Note: A DSP register window can be mapped onto the X-, Y-, Z-, or P- memory region of the DSP. In this event, write
access via that window is governed by the register locks, potentially blocking the DSP from accessing its own
memory. This is not the intended use of the register lock, however.
The lockable register/memory regions are defined in Table 4-31.
Table 4-30. X-Data Memory and Clocking Control
Register Address Bit Label Default Description
R1048148 (0xF_FE54)
DSP1_Ext_window_A
31 DSP1_EXT_A_PSIZE16 0 Register Window A page width select
0 = 32-bit
1 = 16-bit
Note that, in 32-Bit Mode, only the lower 24 bits can be accessed.
15:0 DSP1_EXT_A_PAGE[15:0] 0x0000 Sets the Base Address of Register Window A in X-memory.
Coded as LSB = 512 (0x200)
R1048150 (0xF_FE56)
DSP1_Ext_window_B
31 DSP1_EXT_B_PSIZE16 0 Register Window B page width select
0 = 32-bit
1 = 16-bit
Note that, in 32-Bit Mode, only the lower 24 bits can be accessed.
15:0 DSP1_EXT_B_PAGE[15:0] 0x0000 Sets the Base Address of Register Window B in X-memory.
Coded as LSB = 512 (0x200)
R1048152 (0xF_FE58)
DSP1_Ext_window_C
31 DSP1_EXT_C_PSIZE16 0 Register Window C page width select
0 = 32-bit
1 = 16-bit
Note that, in 32-Bit Mode, only the lower 24 bits can be accessed.
15:0 DSP1_EXT_C_PAGE[15:0] 0x0000 Sets the Base Address of Register Window C in X-memory.
Coded as LSB = 512 (0x200)
R1048154 (0xF_FE5A)
DSP1_Ext_window_D
31 DSP1_EXT_D_PSIZE16 0 Register Window D page width select
0 = 32-bit
1 = 16-bit
Note that, in 32-Bit Mode, only the lower 24 bits can be accessed.
15:0 DSP1_EXT_D_PAGE[15:0] 0x0000 Sets the Base Address of Register Window D in X-memory.
Coded as LSB = 512 (0x200)
_‘ __— __— _— _— CIRRUS LOGIC” Region Description Register Address Notes Region 0 Virtual DSP registers 0X007100070X0072FFF Excludes memory lock and watchdog reset registers Region 1 Codee registers 0X007000040X037FFFE Excludes virtual DSP registers Region 2 DSP peripheral control registers 0X047000040X077F FFE 7 Region 3 DSP1 memory 0X087000040X097F FFE 7 Register Address Bit Label Default Description R1048164(OXF7FE64) 3 DSP1icTRLfREGIONSfLOCKfiSTS o DSP‘imemoryreglon lockstatus 2 DSP1iCTRLiREGIONLLOCKisTS o 1 DSP1iCTRLiREGIONLLOCKisTS o o DSP1iCTRLiREGIONtLLOCKisTS o R1048166(OXF7FE66) 31:16 DSPLCTRLiREGIONLLOCKH5:0] See DSP‘imemoryregion lock. 15:0 DSPLCTRLiREGIONoiLOCKH5:0] See R1048168 (mamas) 31:16 DSPLCTRLiREGIONLLOCKH5:0] See 15:0 DSP1iCTRLiREGIONLLOCKHEO] See 1. Delaull is not applicable Io these writeroniy llelds
98 DS1162F1
CS42L92
4.4 DSP Firmware Control
The register locks are controlled using the DSP1_CTRL_REGIONm_LOCK fields (where m identifies the register/memory
region). The associated lock determines whether the DSP core is granted write access to region m. To change the lock
status, two writes must be made to the respective register field:
Writing 0x5555, followed by 0xAAAA, sets the respective lock
Writing 0xCCCC, followed by 0x3333, clears the respective lock
The status of each lock can be read from the DSP1_CTRL_REGIONm_LOCK_STS bits.
Write access to the DSP1_CTRL_REGIONm_LOCK fields is always possible. This means that the DSP core always has
write access for configuring the memory-access locks.
The DSP memory locking function is an input to the interrupt control circuit and can be used to trigger an interrupt event
if an invalid register write is attempted—see Section 4.4.5. Additional status and control fields are provided for debug
purposes, as described in Section 4.4.6.
The control registers associated with the DSP memory locking functions are described in Table 4-32.
4.4.3 DSP Firmware Control
The configuration and control of the DSP firmware is described in the following subsections.
4.4.3.1 DSP Memory
The DSP memory (program, X-data, Y-data, and coefficient) is enabled by setting DSP1_MEM_ENA. This memory must
be enabled (DSP1_MEM_ENA = 1) for read/write access, code execution, and DMA functions. The DSP memory is
disabled, and the contents lost, whenever the DSP1_MEM_ENA bit is cleared.
The DSP1_RAM_RDY status bit indicates whether the DSP memory is ready for read/write access. The DSP memory
should not be accessed until this bit has been set.
The DSP1_MEM_ENA bit is not affected by software reset; it remains in its previous state under software reset conditions.
Accordingly, the DSP memory contents are maintained through software reset, provided DCVDD is held above its reset
threshold.
The DSP firmware memory is always cleared under power-on reset, hardware reset, and Sleep Mode conditions. See
Section 5.2 for a summary of the CS42L92 reset behavior.
Table 4-31. DSP Memory Locking Regions
Region Description Register Address Notes
Region 0 Virtual DSP registers 0x00_1000–0x00_2FFF Excludes memory lock and watchdog reset registers
Region 1 Codec registers 0x00_0000–0x03_FFFE Excludes virtual DSP registers
Region 2 DSP peripheral control registers 0x04_0000–0x07_FFFE
Region 3 DSP1 memory 0x08_0000–0x09_FFFE
Table 4-32. DSP Memory Locking Control
Register Address Bit Label Default Description
R1048164 (0xF_FE64)
DSP1_Region_lock_sts_0
3 DSP1_CTRL_REGION3_LOCK_STS 0 DSP1 memory region m lock status
0 = Unlocked
1 = Locked (write access is blocked)
2 DSP1_CTRL_REGION2_LOCK_STS 0
1 DSP1_CTRL_REGION1_LOCK_STS 0
0 DSP1_CTRL_REGION0_LOCK_STS 0
R1048166 (0xF_FE66)
DSP1_Region_lock_1___
DSP1_Region_lock_0
31:16 DSP1_CTRL_REGION1_LOCK[15:0] See
Footnote 1
DSP1 memory region m lock.
Write 0x5555, then 0xAAAA, to set the lock.
Write 0xCCCC, then 0x3333, to clear the lock.
15:0 DSP1_CTRL_REGION0_LOCK[15:0] See
Footnote 1
R1048168 (0xF_FE68)
DSP1_Region_lock_3___
DSP1_Region_lock_2
31:16 DSP1_CTRL_REGION3_LOCK[15:0] See
Footnote 1
15:0 DSP1_CTRL_REGION2_LOCK[15:0] See
Footnote 1
1. Default is not applicable to these write-only fields
__- __— __— _— _— CIRRUS LOGIC"
DS1162F1 99
CS42L92
4.4 DSP Firmware Control
4.4.3.2 DSP Clocking
Clocking is required for the DSP processing block, when executing software or when supporting DMA functions. (Note that
clocking is not required for access to the firmware registers by the host processor.) Clocking within the DSP is enabled
and disabled automatically, as required by the DSP core and DMA channel status.
The clock source for each DSP is derived from DSPCLK. See Section 4.16 for details of how to configure DSPCLK.
The clock frequency for the DSP is selected using DSP1_CLK_FREQ_SEL. The DSP clock frequency must be less than
or equal to the DSPCLK frequency.
The DSP1_CLK_FREQ_STS field indicates the clock frequency for the DSP core. This can be used to confirm the clock
frequency, in cases where code execution has a minimum clock frequency requirement. The DSP1_CLK_FREQ_STS
field is only valid when the core is running code; typical usage of this field would be for the DSP core itself to read the clock
status and to take action as applicable, in particular, if the available clock does not meet the application requirements.
Note that, depending on the DSPCLK frequency and the available clock dividers, the DSP1 clock frequency may differ
from the selected clock. In most cases, the DSP1 clock frequency equals or exceeds the requested frequency. A lower
frequency is implemented if limited by either the DSPCLK frequency or the maximum DSP1 clocking frequency.
The DSPCLK configuration provides input to the interrupt control circuit and can be used to trigger an interrupt event when
the DSP1 clock frequency is less than the requested frequency; see Section 4.15.
4.4.3.3 DSP Code Execution
After the DSP firmware has been loaded, and the clocks configured, the DSP block is enabled by setting DSP1_CORE_
ENA. When the DSP is configured and enabled, the firmware execution can be started by writing 1 to DSP1_START.
Alternative methods to trigger the firmware execution can also be configured using the DSP1_START_IN_SEL field.
Using the DSP1_START_IN_SEL field, the DSP firmware execution can be linked to the respective DMA function, the
IRQ2 status, or to the FIFO status in the event logger:
DMA function: firmware execution commences when all enabled DSP input (WDMA) channel buffers have been
filled, and all enabled DSP output (RDMA) channel buffers have been emptied
IRQ2: firmware execution commences when one or more of the unmasked IRQ2 events has occurred
Event logger status: firmware execution commences when the FIFO not-empty status is asserted within the event
logger
To enable firmware execution on the DSP block, the DSP1_CORE_ENA bit must be set. Note that the usage of the DSP1_
START bit may vary depending on the particular firmware that is being executed: in some applications (e.g., when an
alternative trigger is selected using DSP1_START_IN_SEL), writing to the DSP1_START bit is not required.
4.4.3.4 DSP Watchdog Timer
A watchdog timer is provided for the DSP, which can be used to detect software lock-ups, and other conditions that require
corrective action in order to resume the intended DSP behavior.
The DSP1 watchdog is enabled using DSP1_WDT_ENA. The timeout period is configured using DSP1_WDT_MAX_
COUNT.
In normal operation, the watchdog should be reset regularly—this action is used to confirm that the DSP code is running
correctly. The watchdog is reset by writing 0x5555, followed by 0xAAAA, to the DSP1_WDT_RESET field.
The watchdog status bit, DSP1_WDT_TIMEOUT_STS, is set if the timeout period elapses before the watchdog is reset;
this event typically signals that a lock-up or other error condition has occurred.
The DSP watchdog is an input to the interrupt control circuit and can be used to trigger an interrupt event if the timeout
period elapses—see Section 4.4.5.
Note that write access to the DSP1_WDT_RESET field is not affected by the register locking mechanism (see
Section 4.4.2). This means that the DSP core always has write access to reset the watchdog.
_‘ __— __— _— _— CIRRUS LOGIC” Register Address Bit Label Default Description R1048064 (OXFi 4 DSP17MEM7ENA 0 DSF1 memory control 1 DSP1700RE7ENA 0 DSF1 enable, Controls the DSF1 firmware execution 0 DSP17$TART 7 DSF1 start R1048066 (OXFi 15:0 DSP170LK7FREQ, 0X0000 DSF1 clock lrequency select R1048070 (OXFi 0 DSP170LK7AVAIL 0 DSF1 clock availab‘lily (read only) R1048072 (OXFi 15:0 DSP170LK7FREQ, 0X0000 DSF1 clock frequency (read only). Valid only when the respective DSP core R1048074 (OXFi 4:1 DSP17WDT7MAX7 0X0 DSF1 watchdog I‘meoul value. 0 DSP17WDT7ENA 0 DSF1 watchdog enable R1048120 (OXFi 4:0 DSP17$TART7IN7 0X00 DSF1 firmware execution control. Selects the trigger lor DSF1 firmware R1048158 (OXFi 15:0 DSP17WDT7 0X0000 DSF1 watchdog reSeI. R1048186 (OXFi 13 DSP17WDT7 0 DSF1 watchdog I‘meoul status
100 DS1162F1
CS42L92
4.4 DSP Firmware Control
4.4.3.5 DSP Control Registers
The DSP memory, clocking, code-execution, and watchdog control registers are described in Table 4-33.
The audio signal paths connecting to/from the DSP processing block are configured as described in Section 4.3. Note that
the DSP firmware must be loaded and enabled before audio signal paths can be enabled.
4.4.4 DSP Direct Memory Access (DMA) Control
The DSP provides a multichannel DMA function; this is configured using the registers described in Table 4-34.
Table 4-33. DSP Control Registers
Register Address Bit Label Default Description
R1048064 (0xF_
FE00)
DSP1_Config_1
4 DSP1_MEM_ENA 0 DSP1 memory control
0 = Disabled
1 = Enabled
The DSP1 memory contents are lost when DSP1_MEM_ENA =0. Note that
this bit is not affected by software reset; it remains in its previous condition.
1 DSP1_CORE_ENA 0 DSP1 enable. Controls the DSP1 firmware execution
0 = Disabled
1 = Enabled
0 DSP1_START DSP1 start
Write 1 to start DSP1 firmware execution
R1048066 (0xF_
FE02)
DSP1_Config_2
15:0 DSP1_CLK_FREQ_
SEL[15:0]
0x0000 DSP1 clock frequency select
Coded as LSB = 1/64 MHz, Valid from 5.6 to 75 MHz.
The DSP1 clock must be less than or equal to the DSPCLK frequency. The
DSP1 clock is generated by division of DSPCLK, and may differ from the
selected frequency. The DSP1 clock frequency can be read from DSP1_
CLK_FREQ_STS.
R1048070 (0xF_
FE06)
DSP1_Status_2
0 DSP1_CLK_AVAIL 0 DSP1 clock availability (read only)
0 = No Clock
1 = Clock Available
This bit exists for legacy software support only; it is not recommended for
future designs—it may be unreliable on the latest device architectures.
R1048072 (0xF_
FE08)
DSP1_Status_3
15:0 DSP1_CLK_FREQ_
STS[15:0]
0x0000 DSP1 clock frequency (read only). Valid only when the respective DSP core
is enabled.
Coded as LSB = 1/64 MHz.
R1048074 (0xF_
FE0A)
DSP1_Watchdog_1
4:1 DSP1_WDT_MAX_
COUNT[3:0]
0x0 DSP1 watchdog timeout value.
0x0 = 2 ms
0x1 = 4 ms
0x2 = 8 ms
0x3 = 16 ms
0x4 = 32 ms
0x5 = 64 ms
0x6 = 128 ms
0x7 = 256 ms
0x8 = 512 ms
0x9 = 1 s
0xA = 2 s
0xB = 4 s
0xC = 8 s
0xD–0xF = reserved
0 DSP1_WDT_ENA 0 DSP1 watchdog enable
0 = Disabled
1 = Enabled
R1048120 (0xF_
FE38)
DSP1_External_Start
4:0 DSP1_START_IN_
SEL[4:0]
0x00 DSP1 firmware execution control. Selects the trigger for DSP1 firmware
execution.
0x00 = DMA 0x0B = IRQ2 0x10 = Event Logger 1
All other codes are reserved.
Note that the DSP1_START bit also starts the DSP1 firmware execution,
regardless of this field setting.
R1048158 (0xF_
FE5E)
DSP1_Watchdog_2
15:0 DSP1_WDT_
RESET[15:0]
0x0000 DSP1 watchdog reset.
Write 0x5555, followed by 0xAAAA, to reset the watchdog.
R1048186 (0xF_
FE7A)
DSP1_Region_lock_
ctrl_0
13 DSP1_WDT_
TIMEOUT_STS
0 DSP1 watchdog timeout status
This bit, when set, indicates that the watchdog timeout has occurred. This bit
is latched when set; it is cleared when the watchdog is disabled or reset.
__- __— __— _— _— CIRRUS LOGIC"
DS1162F1 101
CS42L92
4.4 DSP Firmware Control
There are eight WDMA (DSP input) and six RDMA (DSP output) channels; these are enabled using the DSP1_WDMA_
CHANNEL_ENABLE and DSP1_RDMA_CHANNEL_ENABLE fields. The status of each WDMA channel is indicated in
DSP1_WDMA_ACTIVE_CHANNELS.
The DMA can access the X-data memory or Y-data memory associated with the DSP block. The applicable memory is
selected using bit [15] of the respective x_START_ADDRESS field for each DMA channel.
The start address of each DMA channel is configured as described in Table 4-34. Note that the required address is defined
relative to the base address of the selected (X-data or Y-data) memory.
The buffer length of the DMA channels is configured using the DSP1_DMA_BUFFER_LENGTH field. The selected buffer
length applies to all enabled DMA channels.
Note that the start-address fields and buffer-length fields are defined in 24-bit DSP data word units. This means that the
LSB of these fields represents one 24-bit DSP memory word. This differs from the CS42L92 register map layout described
in Table 4-29.
The parameters of a DMA channel (i.e., start address or offset address) must not be changed while the respective DMA
is enabled. All of the DMA channels must be disabled before changing the DMA buffer length.
Each DMA channel uses a twin buffer mechanism to support uninterrupted data flow through the DSP. The buffers are
called ping and pong, and are of configurable size, as noted above. Data is transferred to/from each of the buffers in turn.
When the ping input data buffer is full, the DSP1_PING_FULL bit is set, and a DSP start signal is generated. The start
signal from the DMA is typically used to start firmware execution, as noted in Table 4-33. Meanwhile, further DSP input
data fills up the pong buffer.
When the pong input buffer is full, the DSP1_PONG_FULL bit is set, and another DSP start signal is generated. The DSP
firmware must take care to read the input data from the applicable buffer, in accordance with the DSP1_PING_FULL and
DSP1_PONG_FULL status bits.
Twin buffers are also used on the DSP output (RDMA) channels. The output ping buffers are emptied at the same time as
the input ping buffers are filled; the output pong buffers are emptied at the same time that the input pong buffers are filled.
The DSP core supports 24-bit signal processing. Under default conditions, the DSP audio data is in 2’s complement Q3.20
format (i.e., 0xF00000 corresponds to the –1.0 level, and 0x100000 corresponds to the +1.0 level; a sine wave with peak
values of ±1.0 corresponds to the 0 dBFS level). If DSP1_DMA_WORD_SEL is set, audio data is transferred to and from
the DSP in Q0.23 format. The applicable format should be set according to the requirements of the specific DSP firmware.
Note that the DSP core is optimized for Q3.20 audio data processing; Q0.23 data can be supported, but the firmware
implementation may incur a reduction in power efficiency due to the higher MIPS required for arithmetic operations in
non-native data word format.
The DMA function is an input to the interrupt control circuit—see Section 4.4.5. The respective interrupt event is triggered
if all enabled input (WDMA) channel buffers have been filled and all enabled output (RDMA) channel buffers have been
emptied.
Further details of the DMA are provided in the software programming guide; contact your Cirrus Logic representative if
required.
_‘ __— __— _— _— CIRRUS LOGIC” Register Address Bil Label Default Description R1048068 (0XF7FE04) 31 DSF17P|NGiFULL O DSF1 WDMA Ping Buller Status 30 DSF17PON67FULL O DSP1 WDMA Pong Bufler Status 23:16 DSF17WDMA7ACTIVE, 0X00 DSF1 WDMA Channel Status R1048080 (0XF7FE10) 31:16 DSF17START7ADDRESS, 0X0000 DSF1 WDMA Channel 1 Start Address 15:0 DSF17START7ADDRESS, 0X0000 DSF1 WDMA Channel 0 Start Address R1048082 (0XF7FE12) 31:16 DSF17START7ADDRESS, 0X0000 DSF1 WDMA Channel 3 Start Address 15:0 DSF17START7ADDRESS, 0X0000 DSF1 WDMA Channel 2 Start Address R1048084 (0XF7FE14) 31:16 DSF17START7ADDRESS, 0X0000 DSF1 WDMA Channel 5 Start Address 15:0 DSF17START7ADDRESS, 0X0000 DSF1 WDMA Channel 4 Start Address R1048086 (0XF7FE16) 31:16 DSF17START7ADDRESS, 0X0000 DSF1 WDMA Channel 7 Start Address 15:0 DSF17START7ADDRESS, 0X0000 DSF1 WDMA Channel 6 Start Address R1048096 (0XF7FE20) 31:16 DSF17START7ADDRESS, 0X0000 DSF1 RDMA Channel 1 Start Address 15:0 DSF17START7ADDRESS, 0X0000 DSF1 RDMA Channel 0 Start Address R1048098 (0XF7FE22) 31:16 DSF17START7ADDRESS, 0X0000 DSF1 RDMA Channel 3 Start Address 15:0 DSF17START7ADDRESS, 0X0000 DSF1 RDMA Channel 2 Start Address R1048100 (0XF7FE24) 31:16 DSF17START7ADDRESS, 0X0000 DSF1 RDMA Channel 5 Start Address 15:0 DSF17START7ADDRESS, 0X0000 DSF1 RDMA Channel 4 Start Address
102 DS1162F1
CS42L92
4.4 DSP Firmware Control
Table 4-34. DMA Control
Register Address Bit Label Default Description
R1048068 (0xF_FE04)
DSP1_Status_1
31 DSP1_PING_FULL 0 DSP1 WDMA Ping Buffer Status
0 = Not Full
1 = Full
30 DSP1_PONG_FULL 0 DSP1 WDMA Pong Buffer Status
0 = Not Full
1 = Full
23:16 DSP1_WDMA_ACTIVE_
CHANNELS[7:0]
0x00 DSP1 WDMA Channel Status
There are eight WDMA channels; each bit of this field indicates
the status of the respective WDMA channel.
Each bit is coded as follows:
0 = Inactive
1 = Active
R1048080 (0xF_FE10)
DSP1_WDMA_Buffer_1
31:16 DSP1_START_ADDRESS_
WDMA_BUFFER_1[15:0]
0x0000 DSP1 WDMA Channel 1 Start Address
Bit [15] = Memory select
0 = X-data memory
1 = Y-data memory
Bits [14:0] = Address select
The address is defined relative to the base address of the
applicable data memory. The LSB represents one 24-bit DSP
memory word.
Note that the start address is also controlled by the respective
DSP1_WDMA_CHANNEL_OFFSET bit.
15:0 DSP1_START_ADDRESS_
WDMA_BUFFER_0[15:0]
0x0000 DSP1 WDMA Channel 0 Start Address
Field description is as above.
R1048082 (0xF_FE12)
DSP1_WDMA_Buffer_2
31:16 DSP1_START_ADDRESS_
WDMA_BUFFER_3[15:0]
0x0000 DSP1 WDMA Channel 3 Start Address
Field description is as above.
15:0 DSP1_START_ADDRESS_
WDMA_BUFFER_2[15:0]
0x0000 DSP1 WDMA Channel 2 Start Address
Field description is as above.
R1048084 (0xF_FE14)
DSP1_WDMA_Buffer_3
31:16 DSP1_START_ADDRESS_
WDMA_BUFFER_5[15:0]
0x0000 DSP1 WDMA Channel 5 Start Address
Field description is as above.
15:0 DSP1_START_ADDRESS_
WDMA_BUFFER_4[15:0]
0x0000 DSP1 WDMA Channel 4 Start Address
Field description is as above.
R1048086 (0xF_FE16)
DSP1_WDMA_Buffer_4
31:16 DSP1_START_ADDRESS_
WDMA_BUFFER_7[15:0]
0x0000 DSP1 WDMA Channel 7 Start Address
Field description is as above.
15:0 DSP1_START_ADDRESS_
WDMA_BUFFER_6[15:0]
0x0000 DSP1 WDMA Channel 6 Start Address
Field description is as above.
R1048096 (0xF_FE20)
DSP1_RDMA_Buffer_1
31:16 DSP1_START_ADDRESS_
RDMA_BUFFER_1[15:0]
0x0000 DSP1 RDMA Channel 1 Start Address
Bit [15] = Memory select
0 = X-data memory
1 = Y-data memory
Bits [14:0] = Address select
The address is defined relative to the base address of the
applicable data memory. The LSB represents one 24-bit DSP
memory word.
Note that the start address is also controlled by the respective
DSP1_RDMA_CHANNEL_OFFSET bit.
15:0 DSP1_START_ADDRESS_
RDMA_BUFFER_0[15:0]
0x0000 DSP1 RDMA Channel 0 Start Address
Field description is as above.
R1048098 (0xF_FE22)
DSP1_RDMA_Buffer_2
31:16 DSP1_START_ADDRESS_
RDMA_BUFFER_3[15:0]
0x0000 DSP1 RDMA Channel 3 Start Address
Field description is as above.
15:0 DSP1_START_ADDRESS_
RDMA_BUFFER_2[15:0]
0x0000 DSP1 RDMA Channel 2 Start Address
Field description is as above.
R1048100 (0xF_FE24)
DSP1_RDMA_Buffer_3
31:16 DSP1_START_ADDRESS_
RDMA_BUFFER_5[15:0]
0x0000 DSP1 RDMA Channel 5 Start Address
Field description is as above.
15:0 DSP1_START_ADDRESS_
RDMA_BUFFER_4[15:0]
0x0000 DSP1 RDMA Channel 4 Start Address
Field description is as above.
_‘ __— __— _— _— CIRRUS LOGIC” Register Address Bil Label Default Description R1048112 (0XF7FE30) 23:16 DSF‘LWDMAJDHANNEL, 0X00 DSF1 WDMA Channel Enable 13:0 DSF17DMA7EUFFER, 0X0000 DSF1 DMA Bulfer Length R1048114 (OXFiFESZ) 7:0 DSF‘LWDMAJDHANNEL, 0X00 DSF1 WDMA Channel Dflset R1048116 (0XF7FE34) 21:16 DSF17RDMA70HANNEL, 0X00 DSF1 RDMA Channel Ollset 5:0 DSF17RDMA70HANNEL, 0X00 DSF1 RDMA Channel Enable R1048118 (0XF7FE36) 0 DSF17DMA7WORD75EL O DSF1 Dala Word Format Register Address Bit Label Default Description R5632 (OX1600) 1 DSFJRQZ O DSP IRQZ. Wnte 1 to tngger the DSP7|R027EINTI7 interrupt, 0 DSFilRQ1 O DSP IRQ1. Wnte 1 to tngger the DSPJRQ17EINTI7 interrupt, R5633 (OX1601) 1 DSFilRQ4 O DSP IRQ4. Wnte 1 to tngger the DSPJRQILEINTH interrupt, 0 DSFJRQS O DSP IRQS. Wnte 1 to tngger the DSPJRQZLEINTH interrupt,
DS1162F1 103
CS42L92
4.4 DSP Firmware Control
4.4.5 DSP Interrupts
The DSP core provides inputs to the interrupt circuit and can be used to trigger an interrupt event when the associated
conditions occur. The following interrupts are provided for DSP core:
DMA interrupt—Asserted when all enabled DSP input (WDMA) channel buffers have been filled, and all enabled
DSP output (RDMA) channel buffers have been emptied
DSP Start 1, DSP Start 2 interrupts—Asserted when the respective start signal is triggered
DSP Busy interruptAsserted when the DSP is busy (i.e., when firmware execution or DMA processes are started)
DSP Bus Error interrupt—Asserted when a locked register address, invalid memory address, or watchdog timeout
error is detected
The CS42L92 also provides 16 control bits that allow the DSP core to generate programmable interrupt events. When a
1 is written to these bits (see Table 4-35), the respective DSP interrupt (DSP_IRQn_EINTx) is triggered. The associated
interrupt bits are latched once set; they can be polled at any time or used to control the IRQ signal.
See Section 4.15 for further details.
R1048112 (0xF_FE30)
DSP1_DMA_Config_1
23:16 DSP1_WDMA_CHANNEL_
ENABLE[7:0]
0x00 DSP1 WDMA Channel Enable
There are eight WDMA channels; each bit of this field enables
the respective WDMA channel.
Each bit is coded as follows:
0 = Disabled
1 = Enabled
13:0 DSP1_DMA_BUFFER_
LENGTH[13:0]
0x0000 DSP1 DMA Buffer Length
Selects the amount of data transferred in each DMA channel.
The LSB represents one 24-bit DSP memory word.
R1048114 (0xF_FE32)
DSP1_DMA_Config_2
7:0 DSP1_WDMA_CHANNEL_
OFFSET[7:0]
0x00 DSP1 WDMA Channel Offset
There are eight WDMA channels; each bit of this field offsets the
start Address of the respective WDMA channel.
Each bit is coded as follows:
0 = No offset
1 = Offset by 0x8000
R1048116 (0xF_FE34)
DSP1_DMA_Config_3
21:16 DSP1_RDMA_CHANNEL_
OFFSET[5:0]
0x00 DSP1 RDMA Channel Offset
There are six RDMA channels; each bit of this field offsets the
start Address of the respective RDMA channel.
Each bit is coded as follows:
0 = No offset
1 = Offset by 0x8000
5:0 DSP1_RDMA_CHANNEL_
ENABLE[5:0]
0x00 DSP1 RDMA Channel Enable
There are six RDMA channels; each bit of this field enables the
respective RDMA channel.
Each bit is coded as follows:
0 = Disabled
1 = Enabled
R1048118 (0xF_FE36)
DSP1_DMA_Config_4
0 DSP1_DMA_WORD_SEL 0 DSP1 Data Word Format
0 = Q3.20 format (4 integer bits, 20 fractional bits)
1 = Q0.23 format (1 integer bit, 23 fractional bits)
The data word format should be set according to the
requirements of the applicable DSP firmware.
Table 4-35. DSP Interrupts
Register Address Bit Label Default Description
R5632 (0x1600)
ADSP2_IRQ0
1 DSP_IRQ2 0 DSP IRQ2. Write 1 to trigger the DSP_IRQ2_EINTn interrupt.
0 DSP_IRQ1 0 DSP IRQ1. Write 1 to trigger the DSP_IRQ1_EINTn interrupt.
R5633 (0x1601)
ADSP2_IRQ1
1 DSP_IRQ4 0 DSP IRQ4. Write 1 to trigger the DSP_IRQ4_EINTn interrupt.
0 DSP_IRQ3 0 DSP IRQ3. Write 1 to trigger the DSP_IRQ3_EINTn interrupt.
Table 4-34. DMA Control (Cont.)
Register Address Bit Label Default Description
_‘ __— __— _— _— CIRRUS LOGIC” Register Address Bit Label Default Description R5634 (0X1602) 1 DSFJRQG 0 DSP IROS. Wnte 1 to tngger the DSP7IR067EINTH interrupt, 0 DSFJRQS 0 DSP IROS. Wnte 1 to tngger the DSP7IR057EINTH interrupt, R5635 (0X1603) 1 DSFJRQE 0 DSP IROS. Wnte 1 to tngger the DSP7IR087EINTH interrupt, 0 DSFilRQ7 0 DSP IRO7. Wnte 1 to tngger the DSP7IRO77EINTH interrupt, R5636 (0X1604) 1 DSFilRQ10 O DSP |RQ10, Write 1 to trigger the DSFJRQ107EINT interrupt, 0 DSFJRQS O DSP IROQ. Wnte 1 to tngger the DSP7IR097EINTH interrupt, R5637 (0X1605) 1 DSFilRQ12 O DSP |RQ12, Write 1 to trigger the DSFJRQ127EINT interrupt, 0 DSFilRQ11 O DSP |RO11. Wnte 1 to trigger the DSP7IRQ117EINT interrupt. R5638 (0X1606) 1 DSFilRQ14 0 DSP |RQ14, Write 1 to trigger the DSFJRQ147EINT interrupt, 0 DSFilRQ13 0 DSP |RQ13, Write 1 to trigger the DSFJRQ137EINT interrupt, R5639 (0X1607) 1 DSFilRQ16 0 DSP |RQ16, Write 1 to trigger the DSFJRQ167EINT interrupt, 0 DSFilRQ15 0 DSP |RQ15, Write 1 to trigger the DSFJRQ157EINT interrupt,
104 DS1162F1
CS42L92
4.4 DSP Firmware Control
4.4.6 DSP Debug Support
General-purpose registers are provided for the DSP. These have no assigned function and can be used to assist in
algorithm development.
The JTAG interface provides test and debug access to the CS42L92, as described in Section 4.20. The JTAG interface
clock can be enabled for the DSP core using DSP1_DBG_CLK_ENA. Note that, when the JTAG interface is used to
access the DSP core, the DSP1_CORE_ENA bit must also be set.
The DSP1_LOCK_ERR_STS bit indicates that the DSP attempted to write to a locked register address. The DSP1_
ADDR_ERR_STS bit indicates that the DSP attempted to access an invalid memory address (i.e., an address whose
contents are undefined). Once set, these bits remain set until a 1 is written to DSP1_ERR_CLEAR.
The DSP1_PMEM_ERR_ADDR and DSP1_XMEM_ERR_ADDR fields contain the program memory and X-data memory
addresses associated with a locked register address error condition. If DSP1_LOCK_ERR_STS is set, these fields
correspond to the first-detected locked register address error. Note that no subsequent error event can be reported in
these fields until the DSP1_LOCK_ERR_STS is cleared.
Note: The DSP1_PMEM_ERR_ADDR value is the prefetched address of a code instruction that has not yet been
executed; it does not point directly to the instruction that caused the error.
The DSP1_BUS_ERR_ADDR field indicates the register/memory address that resulted in a register-access error. The
field relates either to a locked register address error or to an invalid memory address error, as follows:
If DSP1_LOCK_ERR_STS is set, the DSP1_BUS_ERR_ADDR value corresponds to the first-detected locked
register address error. Note that no subsequent error event can be reported in this field until DSP1_LOCK_ERR_
STS is cleared.
If DSP1_ADDR_ERR_STS is set, and DSP1_LOCK_ERR_STS is clear, the DSP1_BUS_ERR_ADDR field
corresponds to the most recent invalid memory address error.
If the DSP1_LOCK_ERR_STS and DSP1_ADDR_ERR_STS are both clear, the DSP1_BUS_ERR_ADDR field is
undefined.
Note: The DSP1_BUS_ERR_ADDR value is coded using a byte-referenced address, so the actual register address is
equal to DSP1_BUS_ERR_ADDR / 2. If the register-access error is the result of an attempt to access the virtual
DSP registers, a register address of 0 is reported.
If the DSP1_ERR_PAUSE bit is set, the DSP code execution stops immediately on detection of a locked register address
error. This enables debug information to be retrieved from the DSP core during code development. In this event, code
execution can be restarted by clearing the DSP1_ERR_PAUSE bit. Alternatively, the DSP core can restarted by clearing
and setting DSP1_CORE_ENA (described in Section 4.4.3.3).
R5634 (0x1602)
ADSP2_IRQ2
1 DSP_IRQ6 0 DSP IRQ6. Write 1 to trigger the DSP_IRQ6_EINTn interrupt.
0 DSP_IRQ5 0 DSP IRQ5. Write 1 to trigger the DSP_IRQ5_EINTn interrupt.
R5635 (0x1603)
ADSP2_IRQ3
1 DSP_IRQ8 0 DSP IRQ8. Write 1 to trigger the DSP_IRQ8_EINTn interrupt.
0 DSP_IRQ7 0 DSP IRQ7. Write 1 to trigger the DSP_IRQ7_EINTn interrupt.
R5636 (0x1604)
ADSP2_IRQ4
1 DSP_IRQ10 0 DSP IRQ10. Write 1 to trigger the DSP_IRQ10_EINTn interrupt.
0 DSP_IRQ9 0 DSP IRQ9. Write 1 to trigger the DSP_IRQ9_EINTn interrupt.
R5637 (0x1605)
ADSP2_IRQ5
1 DSP_IRQ12 0 DSP IRQ12. Write 1 to trigger the DSP_IRQ12_EINTn interrupt.
0 DSP_IRQ11 0 DSP IRQ11. Write 1 to trigger the DSP_IRQ11_EINTn interrupt.
R5638 (0x1606)
ADSP2_IRQ6
1 DSP_IRQ14 0 DSP IRQ14. Write 1 to trigger the DSP_IRQ14_EINTn interrupt.
0 DSP_IRQ13 0 DSP IRQ13. Write 1 to trigger the DSP_IRQ13_EINTn interrupt.
R5639 (0x1607)
ADSP2_IRQ7
1 DSP_IRQ16 0 DSP IRQ16. Write 1 to trigger the DSP_IRQ16_EINTn interrupt.
0 DSP_IRQ15 0 DSP IRQ15. Write 1 to trigger the DSP_IRQ15_EINTn interrupt.
Table 4-35. DSP Interrupts (Cont.)
Register Address Bit Label Default Description
_‘ __— __— _— _— CIRRUS LOGIC” Register Address Bit Label Default Description R1048064 (OXFiFE00) 3 DSP17DBG,CLK7ENA 0 DSP1 Debug Clock Enable R1048128 (OXFiFE40) 31:16 DSP17SCRATCH71[15:0] 0X0000 DSP1 Scratch Register 1 15:0 DSP17SCRATCH70[1 0X0000 DSP1 Scratch Register 0 R1048130 (OXFiFE42) 31:16 DSP17SCRATCH73[15:0] 0X0000 DSP1 Scratch Register 3 15:0 DSP17SCRATCH72[15:0] 0X0000 DSP1 Scratch Register 2 R1048146 (OXFiFESZ) 23:0 DSP175US,ERR7ADDR[23:O] 0x0070000 Contams the regrster address ol 3 memory regron lock R1048186 (0XF7FE7A) 15 DSP17LDCK7ERR75TS 0 DSP1 memory regrori lock error status. 14 DSP17ADDR7ERR7STS 0 DSP1 memory address error status. 1 DSP17ERR7FAUSE 0 DSP1 bus address error control. 0 DSP17ERR7CLEAR 0 Wnle 1 to clear the memory region lock error arid R1048188 (OXFiFE7C) 30:16 DSP17PMEM7ERR7ADDR[14:0] OXOOOO Conlarns the program memory address of a memory 15:0 DSP17XMEM7ERR7ADDR[15:O] 0X0000 Contams Ihe erata memory address ol a memory
DS1162F1 105
CS42L92
4.4 DSP Firmware Control
4.4.7 Virtual DSP Registers
The DSP control registers are described throughout Section 4.4. Each control register has a unique location within the
CS42L92 register map.
An additional set of DSP control registers is also defined, which can be used in firmware to access the DSP control fields:
the virtual DSP (or DSP 0) registers are defined at address R4096 (0x1000) in the device register map. The full register
map listing is provided in Section 6.
Note that read/write access to the virtual DSP registers is only possible via firmware running on the integrated DSP core.
When DSP firmware accesses the virtual registers, the registers are automatically mapped onto the DSP1 control
registers. The virtual DSP registers are designed to allow software to be transferable across different DSPs (e.g., on
multicore devices) without modification to the software code.
The virtual DSP registers are defined at register addresses R4096–R4192 (0x1000–0x1060) in the device register map.
Note that these registers cannot be accessed directly at the addresses shown; they can be only accessed through DSP
firmware code, using the register window function shown in Fig. 4-34. The virtual DSP registers are located at address
0xD000 in the X-data memory map.
Table 4-36. DSP Debug Support
Register Address Bit Label Default Description
R1048064 (0xF_FE00)
DSP1_Config_1
3 DSP1_DBG_CLK_ENA 0 DSP1 Debug Clock Enable
0 = Disabled
1 = Enabled
R1048128 (0xF_FE40)
DSP1_Scratch_1
31:16 DSP1_SCRATCH_1[15:0] 0x0000 DSP1 Scratch Register 1
15:0 DSP1_SCRATCH_0[15:0] 0x0000 DSP1 Scratch Register 0
R1048130 (0xF_FE42)
DSP1_Scratch_2
31:16 DSP1_SCRATCH_3[15:0] 0x0000 DSP1 Scratch Register 3
15:0 DSP1_SCRATCH_2[15:0] 0x0000 DSP1 Scratch Register 2
R1048146 (0xF_FE52)
DSP1_Bus_Error_Addr
23:0 DSP1_BUS_ERR_ADDR[23:0] 0x00_0000 Contains the register address of a memory region lock
or memory address error event.
Note the associated register address is equal to DSP1_
BUS_ERR_ADDR / 2.
R1048186 (0xF_FE7A)
DSP1_Region_lock_ctrl_0
15 DSP1_LOCK_ERR_STS 0 DSP1 memory region lock error status.
This bit, when set, indicates that DSP1 attempted to
write to a locked register address.
This bit is latched when set; it is cleared when a 1 is
written to DSP1_ERR_CLEAR.
14 DSP1_ADDR_ERR_STS 0 DSP1 memory address error status.
This bit, when set, indicates that DSP1 attempted to
access an undefined locked register address.
This bit is latched when set; it is cleared when a 1 is
written to DSP1_ERR_CLEAR.
1 DSP1_ERR_PAUSE 0 DSP1 bus address error control.
Configures the DSP1 response to a memory region lock
error event.
0 = No action
1 = Pause DSP1 code execution
0 DSP1_ERR_CLEAR 0 Write 1 to clear the memory region lock error and
memory address error status bits.
R1048188 (0xF_FE7C)
DSP1_PMEM_Err_Addr___
XMEM_ERR_Addr
30:16 DSP1_PMEM_ERR_ADDR[14:0] 0x0000 Contains the program memory address of a memory
region lock error event. Note this is the prefetched
address of a subsequent instruction; it does not point
directly to the address that caused the error.
15:0 DSP1_XMEM_ERR_ADDR[15:0] 0x0000 Contains the X-data memory address of a memory
region lock error event.
__- __— __— _— _— CIRRUS LOGIC"
106 DS1162F1
CS42L92
4.5 DSP Peripheral Control
4.5 DSP Peripheral Control
The CS42L92 incorporates a suite of DSP peripheral functions that can be integrated together to provide an enhanced
capability for DSP applications. Configurable event log functions provide multichannel monitoring of internal and external
signals. The general-purpose timer provides time-stamp data for the event logger; it also supports the watchdog and other
miscellaneous time-based functions. Maskable GPIO provides an efficient mechanism for the DSP core to access the
required input and output signals.
The DSP peripherals are designed to provide a comprehensive DSP capability, operating with a high degree of autonomy
from the host processor.
4.5.1 Event Logger
The CS42L92 provides an event log function, supporting multichannel, edge-sensitive monitoring and recording of internal
or external signals.
4.5.1.1 Overview
The event logger allows status information to be captured from a large number of sources, to be prioritized and acted upon
as required. For the purposes of the event logger, an event is recorded when a logic transition (edge) is detected on a
selected signal source.
The logged events are held in a FIFO buffer, which is managed by the application software. A 32-bit time stamp, derived
from the general-purpose timer, is associated and recorded with each FIFO index, to provide a comprehensive record of
the detected events.
The event logger must be associated with the general-purpose timer. The timer is the source of time stamp data for any
logged events. If DSPCLK is disabled, the timer also provides the clock source for the event logger. (If DSPCLK is enabled,
DSPCLK is used as the clock source instead.)
A maximum of one event per cycle of the clock source can be logged. If more than one event occurs within the cycle time,
the highest priority (lowest channel number) event is logged at the rising edge of the clock. In this case, any lower priority
events are queued, and are logged as soon as no higher priority events are pending. It is possible for recurring events on
a high-priority channel to be logged, while low-priority ones remain queued. Note that recurring instances of queued events
are not logged.
The event logger can use a slow clock (e.g., 32 kHz), but higher clock frequencies may also be commonly used, depending
on the application and use case. The clock frequency determines the maximum possible event logging rate.
4.5.1.2 Event Logger Control
The event logger is enabled by setting EVENTLOG1_ENA. The event logger can be reset by writing 1 to EVENTLOG1_
RST—executing this function clears all the event logger status flags and clears the contents of the FIFO buffer.
The associated timer (and time-stamp source) is selected using EVENTLOG1_TIME_SEL. Note that the event logger
must be disabled (EVENTLOG1_ENA = 0) when selecting the timer source.
4.5.1.3 Input Channel Configuration
The event logger allows up to 16 input channels to be configured for detection and logging. The EVENTLOG1_CHx_SEL
field selects the applicable input source for each channel (where x identifies the channel number, 1 to 16). The polarity
selection and debounce options are configured using the EVENTLOG1_CHx_POL and EVENTLOG1_CHx_DB bits
respectively.
To avoid filling the FIFO buffer with repeated instances of any event, a selectable filter is provided for each input channel.
If the EVENTLOG1_CHx_FILT bit is set, new events on the respective channel are ignored by the event logger if the
unread entries in the FIFO buffer indicate a previous event of the same type (i.e., same input source and same polarity).
The read/write pointers of the FIFO buffer (see Section 4.5.1.4) are used to determine which FIFO entries are unread (i.e.,
have not yet been read by the host processor).
__- __— __— _— _— CIRRUS LOGIC"
DS1162F1 107
CS42L92
4.5 DSP Peripheral Control
The input channels can be enabled or disabled freely, using EVENTLOG1_CHx_ENA, without having to disable the event
logger entirely. An input channel must be disabled whenever the associated x_SEL, x_FILT, x_POL, or x_DB fields are
written. It is possible to reconfigure input channels while the event logger is enabled, provided the channels being
reconfigured are disabled when doing so.
The available input sources include GPIO inputs, external accessory status (jack, mic, sensors), and signals generated by
the integrated DSP core. A list of the valid input sources for the event logger is provided in Table 4-38. Note that, to log
both rising and falling events from any source, two separate input channels must be configuredone for each polarity.
If an input channel is configured for rising edge detection (EVENTLOG1_CHx_POL = 0), and the corresponding input
signal is asserted (Logic 1) at the time when the event logger is enabled, an event is logged in respect of this initial state.
Similarly, if an input channel is configured for falling edge detection, and is deasserted (Logic 0) when the event logger is
enabled, a corresponding event is logged. If rising and falling edges are both configured for detection, an event is always
logged in respect of the initial condition.
4.5.1.4 FIFO Buffer
Each event (signal transition) that meets the criteria of an enabled channel is written to the 16-stage FIFO buffer. The
buffer is filled cyclically, but does not overwrite unread data when full. A status bit is provided to indicate if the buffer fills
up completely.
Note that the FIFO behavior is not enforced or fully implemented in the device hardware, but assumes that a compatible
software implementation is in place. New events are written to the buffer in a cyclic manner, but the data can be read out
in any order, if desired. The designed FIFO behavior requires the software to update the read pointer (RPTR) in the
intended manner for smooth operation.
The entire contents of the 16-stage FIFO buffer can be accessed directly in the register map. Each FIFO index (y = 0 to
15) comprises the EVENTLOG1_FIFOy_ID (identifying the source signal of the associated log event), the EVENTLOG1_
FIFOy_POL (the polarity of the respective event transition), and the EVENTLOG1_FIFOy_TIME field (containing the 32-bit
time stamp from the timer).
The FIFO buffer is managed using EVENTLOG1_FIFO_WPTR and EVENTLOG1_FIFO_RPTR. The write pointer
(WPTR) field identifies the index location (0 to 15) in which the next event is logged. The read pointer (RPTR) field
identifies the index location of the first set of unread data, if any exists. Both of these fields are initialized to 0 when the
event logger is reset.
•If RPTRWPTR, the buffer contains new data. The number of new events is equal to the difference between the
two pointer values (WPTR – RPTR, allowing for wraparound beyond Index 15). For example, if WPTR = 12 and
RPTR = 8, this means that there are four unread data sets in the buffer, at index locations 8, 9, 10, and 11.
After reading the new data from the buffer, the RPTR value should be incremented by the corresponding amount
(e.g., increment by 4, in the example described above). Note that the RPTR value can either be incremented once
for each read, or can be incremented in larger steps after a batch read.
If RPTR = WPTR, the buffer is either empty (0 events) or full (16 events). In this case, the status bits described in
Section 4.5.1.5 confirm the current status of the buffer.
4.5.1.5 Status Bits
The EVENTLOG1_CHx_STS bits indicate the status of the source signal for the respective input channel. Note that the
status indication is not valid for all input source selections—it is not possible to provide indication of transitory events (e.g.,
microphone accessory detection).
The EVENTLOG1_NOT_EMPTY bit indicates whether the FIFO buffer is empty. If this bit is set, it indicates one or more
new sets of data in the FIFO.
The EVENTLOG1_WMARK_STS bit indicates when the number of FIFO index locations available for new events reaches
a configurable threshold, known as the watermark level. The watermark level is held in the EVENTLOG1_FIFO_WMARK
field.
_‘ __— __— _— _— CIRRUS LOGIC” Register Address Bit Label Default Description R294912 (0X478000) 1 EVENTLOG17RST 0 Event Log Reset 0 EVENTLOG17ENA 0 Event Log EnabIe R294916 (0x47230011) 1:0 EVENTLOG17TIMER7 00 Event Log Timer Source Select R294924 (0X478000) 3:0 EVENTLOG17FIFO7 0X1 Event Log FIFO Watermark, Tne watermark status output Is R294926 (0X47800E) 18 EVENTLOG17FULL 0 Event Log FIFO FuII Status. This bit. when set, indicates that 17 EVENTLOG17WMARK7STS 0 Event Log FIFO Watermark Status. This bit, when set. 16 EVENTLOG17NOT7EMPTY 0 Event Log FIFO NotrEmpIy Status. This bit. when set, 11:8 EVENTLOG17FIFO7 0X0 Event Log FIFO Wrile Pointer. Indicates the FIFO Index 3:0 EVENTLOG17FIFO7 0X0 Event Log FIFO Read Pointer. Indicates the FIFO index
108 DS1162F1
CS42L92
4.5 DSP Peripheral Control
The EVENTLOG1_FULL bit indicates when the FIFO buffer is full. If this bit is set, it indicates that there are 16 sets of new
event data in the FIFO. Note that this does not mean that a buffer overflow condition has occurred, but further events are
not logged or indicated until the buffer has been cleared.
Note: Following a buffer full condition, the FIFO operation resumes as soon as the RPTR field has been updated to a
new value. Writing the same value to RPTR does not restart the FIFO operation, even if the entire buffer contents
have been read. After all of the required data has been read from the buffer, the RPTR value should be set equal
to the WPTR value; an intermediate (different) value must also be written to the RPTR field in order to clear the
buffer full status and restart the FIFO operation.
4.5.1.6 Interrupts, GPIO, Write Sequencer, and DSP Firmware Control
The control-write sequencer is automatically triggered whenever the NOT_EMPTY status of the event log buffer is
asserted. See Section 4.18 for further details.
The event log status flags are inputs to the interrupt control circuit and can be used to trigger an interrupt event when the
respective FIFO condition (full, not empty, or watermark level) occurs; see Section 4.15.
The event log status can be output directly on a GPIO pin as an external indication of the event logger; see Section 4.14
to configure a GPIO pin for this function.
The event log NOT_EMPTY status can also be selected as a start trigger for DSP firmware execution; see Section 4.4.
4.5.1.7 Event Logger Control Registers
The event logger control registers are described in Table 4-37.
Table 4-37. Event Logger (EVENTLOG1) Control
Register Address Bit Label Default Description
R294912 (0x4_8000)
EVENTLOG1_CONTROL
1 EVENTLOG1_RST 0 Event Log Reset
Write 1 to reset the status outputs and clear the FIFO buffer.
0 EVENTLOG1_ENA 0 Event Log Enable
0 = Disabled
1 = Enabled
R294916 (0x4_8004)
EVENTLOG1_TIMER_SEL
1:0 EVENTLOG1_TIMER_
SEL[1:0]
00 Event Log Timer Source Select
00 = Timer 1
All other codes are reserved. Note that the event log must be
disabled when updating this field.
R294924 (0x4_800C)
EVENTLOG1_FIFO_
CONTROL1
3:0 EVENTLOG1_FIFO_
WMARK[3:0]
0x1 Event Log FIFO Watermark. The watermark status output is
asserted when the number of FIFO locations available for new
events is less than or equal to the FIFO watermark.
Valid from 0 to 15.
R294926 (0x4_800E)
EVENTLOG1_FIFO_
POINTER1
18 EVENTLOG1_FULL 0 Event Log FIFO Full Status. This bit, when set, indicates that
the FIFO buffer is full. It is cleared when a new value is written
to the FIFO read pointer, or when the event log is Reset.
17 EVENTLOG1_WMARK_STS 0 Event Log FIFO Watermark Status. This bit, when set,
indicates that the FIFO space available for new events to be
logged is less than or equal to the watermark threshold.
16 EVENTLOG1_NOT_EMPTY 0 Event Log FIFO Not-Empty Status. This bit, when set,
indicates one or more new sets of logged event data in the
FIFO.
11:8 EVENTLOG1_FIFO_
WPTR[3:0]
0x0 Event Log FIFO Write Pointer. Indicates the FIFO index
location in which the next event is logged.
This is a read-only field.
3:0 EVENTLOG1_FIFO_
RPTR[3:0]
0x0 Event Log FIFO Read Pointer. Indicates the FIFO index
location of the first set of unread data, if any exists. For the
intended FIFO behavior, this field must be incremented after
the respective data has been read.
_‘ __— __— _— _— CIRRUS LOGIC” Register Address Bit Label Default Description R294944 (0X478020) 15 EVENTLOG17CH167ENA 0 Event Log Channel 16 Enable 14 EVENTLOG17CH157ENA 0 Event Log Channel 15 Enable 13 EVENTLOG17CH147ENA 0 Event Log Channel 14 Enable 12 EVENTLOG17CH137ENA 0 Event Log Channel 13 Enable 11 EVENTLOG17CH127ENA 0 Event Log Channel 12 Enable 10 EVENTLOG17CH117ENA 0 Event Log Channel 11 Enable 9 EVENTLOG17CH107ENA 0 Event Log Channel 10 Enable 8 EVENTLOG17CH97ENA 0 Event Log Channel 9 Enable 7 EVENTLOG17CH87ENA 0 Event Log Channel 8 Enable 6 EVENTLOG17CH77ENA 0 Event Log Channel 7 Enable 5 EVENTLOG17CH67ENA 0 Event Log Channel 6 Enable 4 EVENTLOG17CH57ENA 0 Event Log Channel 5 Enable 3 EVENTLOG17CH47ENA 0 Event Log Channel 4 Enable 2 EVENTLOG17CH37ENA 0 Event Log Channel 3 Enable 1 EVENTLOG17CH27ENA 0 Event Log Channel 2 Enable 0 EVENTLOG17CH17ENA 0 Event Log Channel 1 Enable R294948 (0x47230213) 15 EVENTLOG17CH1675TS 0 Event Log Channel 16 Status 14 EVENTLOG17CH157STS 0 Event Log Channel 15 Status 13 EVENTLOG17CH147STS 0 Event Log Channel 14 Status 12 EVENTLOG17CH137STS 0 Event Log Channel 13 Status 11 EVENTLOG17CH12iSTS 0 Event Log Channel 12 Status 10 EVENTLOG17CH117STS 0 Event Log Channel 11 Status 9 EVENTLOG17CH1075TS 0 Event Log Channel 10 Status 8 EVENTLOG17CH97STS 0 Event Log Channel 9 Status 7 EVENTLOG17CH87STS 0 Event Log Channel 8 Status 6 EVENTLOG17CH77STS 0 Event Log Channel 7 Status 5 EVENTLOG17CH67STS 0 Event Log Channel 6 Status 4 EVENTLOG17CH57STS 0 Event Log Channel 5 Status 3 EVENTLOG17CH47STS 0 Event Log Channel 4 Status 2 EVENTLOG17CH37STS 0 Event Log Channel 3 Status 1 EVENTLOG17CH27STS 0 Event Log Channel 2 Status 0 EVENTLOG17CH17STS 0 Event Log Channel 1 Status
DS1162F1 109
CS42L92
4.5 DSP Peripheral Control
R294944 (0x4_8020)
EVENTLOG1_CH_ENABLE
15 EVENTLOG1_CH16_ENA 0 Event Log Channel 16 Enable
0 = Disabled, 1 = Enabled
14 EVENTLOG1_CH15_ENA 0 Event Log Channel 15 Enable
0 = Disabled, 1 = Enabled
13 EVENTLOG1_CH14_ENA 0 Event Log Channel 14 Enable
0 = Disabled, 1 = Enabled
12 EVENTLOG1_CH13_ENA 0 Event Log Channel 13 Enable
0 = Disabled, 1 = Enabled
11 EVENTLOG1_CH12_ENA 0 Event Log Channel 12 Enable
0 = Disabled, 1 = Enabled
10 EVENTLOG1_CH11_ENA 0 Event Log Channel 11 Enable
0 = Disabled, 1 = Enabled
9 EVENTLOG1_CH10_ENA 0 Event Log Channel 10 Enable
0 = Disabled, 1 = Enabled
8 EVENTLOG1_CH9_ENA 0 Event Log Channel 9 Enable
0 = Disabled, 1 = Enabled
7 EVENTLOG1_CH8_ENA 0 Event Log Channel 8 Enable
0 = Disabled, 1 = Enabled
6 EVENTLOG1_CH7_ENA 0 Event Log Channel 7 Enable
0 = Disabled, 1 = Enabled
5 EVENTLOG1_CH6_ENA 0 Event Log Channel 6 Enable
0 = Disabled, 1 = Enabled
4 EVENTLOG1_CH5_ENA 0 Event Log Channel 5 Enable
0 = Disabled, 1 = Enabled
3 EVENTLOG1_CH4_ENA 0 Event Log Channel 4 Enable
0 = Disabled, 1 = Enabled
2 EVENTLOG1_CH3_ENA 0 Event Log Channel 3 Enable
0 = Disabled, 1 = Enabled
1 EVENTLOG1_CH2_ENA 0 Event Log Channel 2 Enable
0 = Disabled, 1 = Enabled
0 EVENTLOG1_CH1_ENA 0 Event Log Channel 1 Enable
0 = Disabled, 1 = Enabled
R294948 (0x4_8024)
EVENTLOG1_CH_STATUS
15 EVENTLOG1_CH16_STS 0 Event Log Channel 16 Status
14 EVENTLOG1_CH15_STS 0 Event Log Channel 15 Status
13 EVENTLOG1_CH14_STS 0 Event Log Channel 14 Status
12 EVENTLOG1_CH13_STS 0 Event Log Channel 13 Status
11 EVENTLOG1_CH12_STS 0 Event Log Channel 12 Status
10 EVENTLOG1_CH11_STS 0 Event Log Channel 11 Status
9 EVENTLOG1_CH10_STS 0 Event Log Channel 10 Status
8 EVENTLOG1_CH9_STS 0 Event Log Channel 9 Status
7 EVENTLOG1_CH8_STS 0 Event Log Channel 8 Status
6 EVENTLOG1_CH7_STS 0 Event Log Channel 7 Status
5 EVENTLOG1_CH6_STS 0 Event Log Channel 6 Status
4 EVENTLOG1_CH5_STS 0 Event Log Channel 5 Status
3 EVENTLOG1_CH4_STS 0 Event Log Channel 4 Status
2 EVENTLOG1_CH3_STS 0 Event Log Channel 3 Status
1 EVENTLOG1_CH2_STS 0 Event Log Channel 2 Status
0 EVENTLOG1_CH1_STS 0 Event Log Channel 1 Status
Table 4-37. Event Logger (EVENTLOG1) Control (Cont.)
Register Address Bit Label Default Description
_‘ __— __— _— _— CIRRUS LOGIC” Register Address Bit Label Default Description R294976 (0x478040) 15 EVENTLOG17CH iDE 0 Event Log Cnannei n debounce 14 EVENTLOG17CH 7PDL 0 Event Log Cnannei n polarity 13 EVENTLOG17CH iFILT 0 Event Log Cnannei n liIter 9:0 EVENTLOG17CH iSEL[9.0] 0x000 Event Log Cnannei I! Source 1 R295040 (0x47230230) 12 EVENTLOG17FIFO07FOL 0 Event Log FIFO Index 0 polarity 9:0 EVENTLOG17FIFO07ID[9.O] 0x000 Event Log FIFO Index 0 Source1 R295042 (0x47230232) 31 :0 EVENTLOG17FIFO07 0x0000 Event Log FIFO Index 0 Time R295044 (0x47230234) 12 EVENTLOG17FIFO17FOL 0 Event Log FIFO Index 1 polarity 9:0 EVENTLOG17FIFO17ID[9.O] 0x000 Event Log FIFO Index 1 Source1 R295046 (0x47230236) 31 :0 EVENTLOG17FIFO17 0x0000 Event Log FIFO Index 1 Time R295048 (0x47230238) 12 EVENTLOG17FIFO27FOL 0 Event Log FIFO Index 2 polarity 9:0 EVENTLOG17FIFO27ID[9.O] 0x000 Event Log FIFO Index 2 Source1 R295050 (0x4780EA) 31 :0 EVENTLOG17FIFO27 0x0000 Event Log FIFO Index 2 Time R295052 (0x4780EC) 12 EVENTLOG17FIFO37FOL 0 Event Log FIFO Index 3 polarity 9:0 EVENTLOG17FIFO37ID[9.O] 0x000 Event Log FIFO Index 3 Source1 R295054 (0x4780EE) 31 :0 EVENTLOG17FIFO37 0x0000 Event Log FIFO Index 3 Time R295056 (0x47230530) 12 EVENTLOG17FIFO47FOL 0 Event Log FIFO Index 4 polarity 9:0 EVENTLOG17FIFO47ID[9.O] 0x000 Event Log FIFO Index 4 Source1 R295058 (0x47230532) 31 :0 EVENTLOG17FIFO47 0x0000 Event Log FIFO Index 4 Time R295060 (0x47230913) 12 EVENTLOG17FIFO57FOL 0 Event Log FIFO Index 5 polarity 9:0 EVENTLOG17FIFO57ID[9.O] 0x000 Event Log FIFO Index 5 Source1 R295062 (0x47230536) 31 :0 EVENTLOG17FIFO57 0x0000 Event Log FIFO Index 5 Time R295064 (0x47230538) 12 EVENTLOG17FIFO67FOL 0 Event Log FIFO Index 6 polarity 9:0 EVENTLOG17FIFO67ID[9.O] 0x000 Event Log FIFO Index 6 Source1 R295066 (0x47809A) 31 :0 EVENTLOG17FIFO67 0x0000 Event Log FIFO Index 6 Time R295068 (0x47809C) 12 EVENTLOG17FIFO77FOL 0 Event Log FIFO Index 7 polarity 9:0 EVENTLOG17FIFO77ID[9.O] 0x000 Event Log FIFO Index 7 Source1 R295070 (0x47809E) 31 :0 EVENTLOG17FIFO77 0x0000 Event Log FIFO Index 7 Time R295072 (0x4780A0) 12 EVENTLOG17FIFO87FOL 0 Event Log FIFO Index 8 polarity 9:0 EVENTLOG17FIFO87ID[9.O] 0x000 Event Log FIFO Index 8 Source1
110 DS1162F1
CS42L92
4.5 DSP Peripheral Control
R294976 (0x4_8040)
EVENTLOG1_CH1_DEFINE
to
R295006 (0x4_805E)
EVENTLOG1_CH16_DEFINE
15 EVENTLOG1_CHn_DB 0 Event Log Channel n debounce
0 = Disabled, 1 = Enabled
Note that channel must be disabled when updating this field.
14 EVENTLOG1_CHn_POL 0 Event Log Channel n polarity
0 = Rising edge triggered, 1 = Falling edge triggered
Note that channel must be disabled when updating this field.
13 EVENTLOG1_CHn_FILT 0 Event Log Channel n filter
0 = Disabled, 1 = Enabled
If the filter is enabled, the channel is ignored if the FIFO
contains unread events of the same source/polarity.
Note that channel must be disabled when updating this field.
9:0 EVENTLOG1_CHn_SEL[9:0] 0x000 Event Log Channel n source 1
Note that channel must be disabled when updating this field.
R295040 (0x4_8080)
EVENTLOG1_FIFO0_READ
12 EVENTLOG1_FIFO0_POL 0 Event Log FIFO Index 0 polarity
0 = Rising edge, 1 = Falling edge
9:0 EVENTLOG1_FIFO0_ID[9:0] 0x000 Event Log FIFO Index 0 source 1
R295042 (0x4_8082)
EVENTLOG1_FIFO0_TIME
31:0 EVENTLOG1_FIFO0_
TIME[31:0]
0x0000
_0000
Event Log FIFO Index 0 Time
R295044 (0x4_8084)
EVENTLOG1_FIFO1_READ
12 EVENTLOG1_FIFO1_POL 0 Event Log FIFO Index 1 polarity
0 = Rising edge, 1 = Falling edge
9:0 EVENTLOG1_FIFO1_ID[9:0] 0x000 Event Log FIFO Index 1 source 1
R295046 (0x4_8086)
EVENTLOG1_FIFO1_TIME
31:0 EVENTLOG1_FIFO1_
TIME[31:0]
0x0000
_0000
Event Log FIFO Index 1 Time
R295048 (0x4_8088)
EVENTLOG1_FIFO2_READ
12 EVENTLOG1_FIFO2_POL 0 Event Log FIFO Index 2 polarity
0 = Rising edge, 1 = Falling edge
9:0 EVENTLOG1_FIFO2_ID[9:0] 0x000 Event Log FIFO Index 2 source 1
R295050 (0x4_808A)
EVENTLOG1_FIFO2_TIME
31:0 EVENTLOG1_FIFO2_
TIME[31:0]
0x0000
_0000
Event Log FIFO Index 2 Time
R295052 (0x4_808C)
EVENTLOG1_FIFO3_READ
12 EVENTLOG1_FIFO3_POL 0 Event Log FIFO Index 3 polarity
0 = Rising edge, 1 = Falling edge
9:0 EVENTLOG1_FIFO3_ID[9:0] 0x000 Event Log FIFO Index 3 source 1
R295054 (0x4_808E)
EVENTLOG1_FIFO3_TIME
31:0 EVENTLOG1_FIFO3_
TIME[31:0]
0x0000
_0000
Event Log FIFO Index 3 Time
R295056 (0x4_8090)
EVENTLOG1_FIFO4_READ
12 EVENTLOG1_FIFO4_POL 0 Event Log FIFO Index 4 polarity
0 = Rising edge, 1 = Falling edge
9:0 EVENTLOG1_FIFO4_ID[9:0] 0x000 Event Log FIFO Index 4 source 1
R295058 (0x4_8092)
EVENTLOG1_FIFO4_TIME
31:0 EVENTLOG1_FIFO4_
TIME[31:0]
0x0000
_0000
Event Log FIFO Index 4 Time
R295060 (0x4_8094)
EVENTLOG1_FIFO5_READ
12 EVENTLOG1_FIFO5_POL 0 Event Log FIFO Index 5 polarity
Field description is as above.
9:0 EVENTLOG1_FIFO5_ID[9:0] 0x000 Event Log FIFO Index 5 source 1
R295062 (0x4_8096)
EVENTLOG1_FIFO5_TIME
31:0 EVENTLOG1_FIFO5_
TIME[31:0]
0x0000
_0000
Event Log FIFO Index 5 Time
R295064 (0x4_8098)
EVENTLOG1_FIFO6_READ
12 EVENTLOG1_FIFO6_POL 0 Event Log FIFO Index 6 polarity
0 = Rising edge, 1 = Falling edge
9:0 EVENTLOG1_FIFO6_ID[9:0] 0x000 Event Log FIFO Index 6 source 1
R295066 (0x4_809A)
EVENTLOG1_FIFO6_TIME
31:0 EVENTLOG1_FIFO6_
TIME[31:0]
0x0000
_0000
Event Log FIFO Index 6 Time
R295068 (0x4_809C)
EVENTLOG1_FIFO7_READ
12 EVENTLOG1_FIFO7_POL 0 Event Log FIFO Index 7 polarity
0 = Rising edge, 1 = Falling edge
9:0 EVENTLOG1_FIFO7_ID[9:0] 0x000 Event Log FIFO Index 7 source 1
R295070 (0x4_809E)
EVENTLOG1_FIFO7_TIME
31:0 EVENTLOG1_FIFO7_
TIME[31:0]
0x0000
_0000
Event Log FIFO Index 7 Time
R295072 (0x4_80A0)
EVENTLOG1_FIFO8_READ
12 EVENTLOG1_FIFO8_POL 0 Event Log FIFO Index 8 polarity
0 = Rising edge, 1 = Falling edge
9:0 EVENTLOG1_FIFO8_ID[9:0] 0x000 Event Log FIFO Index 8 source 1
Table 4-37. Event Logger (EVENTLOG1) Control (Cont.)
Register Address Bit Label Default Description
_‘ __— __— _— _— CIRRUS LOGIC” Register Address Bit Label Default Description R295074(0x4,00A2) 31:0 EVENTLOGLFIFOEL 0x0000 Event Log FlFOIndexBTime R295076(0x4,00A4) 12 EVENTLOGLFIFOSLPOL 0 EvenILog FIFO Index9polarily 9:0 EVENTLOGLFIFOEUDKBO] 0x000 Event Log FIFO Index 9 source1 R295078(0x4780A6) 31:0 EVENTLOGLFIFOEL 0x0000 Event Log FlFOInderTime R295000(0x4,00As) 12 EVENTLOG17EIE0107POL 0 EventLog FIEOIndex1opoianty 9:0 EVENTLOG17FIF0107ID[9:O] 0x000 EventLog FIFO index10source1 R295002(0x4,00AA) 31:0 EVENTLOGLFIFOWO, 0x0000 Event Log FIEOIndex10 Tlme R295084(0x4780AC) 12 EVENTLOGLFIFOWLPOL 0 EvenILog FIFO index11poiarity 9:0 EVENTLOGLFIFO‘HJDKBD} 0x000 EventLogFiEOindex11source1 R295006(0x4,00AE) 31:0 EVENTLOGLFIFOWL 0x0000 Event Log FlFOlndex‘HTime R295088(0x4780B0) 12 EVENTLOGLFIFOWLPOL 0 EventLog FIEOIndex12poianty 9:0 EVENTLOG17FIF0127ID[9:O] 0x000 EventLog FIFO index12source1 R295090(0x4,00i32) 31:0 EVENTLOGLFIFOWL 0x0000 Event Log FIEOIndex12 Tlme R295092(0x4,00i34) 12 EVENTLOGLFIFOWLPOL 0 EventLog FIEOIndex1spoianty 9:0 EVENTLOG17FIF0137ID[9:O] 0x000 EventLog FIFO index13source1 R295094(0x4,00i36) 31:0 EVENTLOGLFIFO‘KL 0x0000 Event Log FIEOIndex13 Tlme R295096(0x4,00i38) 12 EVENTLOGLFIFOWLPOL 0 EventLog FlFOlndexM poianty 9:0 EVENTLOGLFIFOMJDBB] 0x000 EventLog FIFO index14source1 R295098(0x47EOBA) 31:0 EVENTLOGLFIFOWL 0x0000 Event Log FlFOlndexM Time R295100(0x4,00i30) 12 EVENTLOGLFIFOWLPOL 0 EventLog FIEOIndex1spoianty 9:0 EVENTLOG17FIF0157ID[9:O] 0x000 EventLog FIFO index15source1 R295102(0x4,00i3E) 31:0 EVENTLOGLFIFOWL 0x0000 Event Log FIEOIndex15 Tlme ID Description Edge ID Description Edge ID Description Edge 3 irq1 D 137 asrcLinZJDck D 25s gpioa D 4 irq2 D 160 dspiirq‘i s 259 gpio4 D 9 sysciigaii s 161 dspiirq2 s 260 gpioS D 24 VliLiock D 162 dspiirqii s 261 gpioG D 25 Vliziiock D 163 dspiirq4 s 262 gpio7 D
DS1162F1 111
CS42L92
4.5 DSP Peripheral Control
4.5.1.8 Event Logger Input Sources
A list of the valid input sources for the event logger is provided in Table 4-38.
The EDGE type noted is coded as S (single edge) or D (dual edge). Note that a single-edge input source only provides
valid input to the event logger in the default (rising edge triggered) polarity.
Take care when enabling IRQ1 or IRQ2 as an input source for the event logger; a recursive loop, where the IRQn signal
is also an output from the event logger, must be avoided.
R295074 (0x4_80A2)
EVENTLOG1_FIFO8_TIME
31:0 EVENTLOG1_FIFO8_
TIME[31:0]
0x0000
_0000
Event Log FIFO Index 8 Time
R295076 (0x4_80A4)
EVENTLOG1_FIFO9_READ
12 EVENTLOG1_FIFO9_POL 0 Event Log FIFO Index 9 polarity
0 = Rising edge, 1 = Falling edge
9:0 EVENTLOG1_FIFO9_ID[9:0] 0x000 Event Log FIFO Index 9 source 1
R295078 (0x4_80A6)
EVENTLOG1_FIFO9_TIME
31:0 EVENTLOG1_FIFO9_
TIME[31:0]
0x0000
_0000
Event Log FIFO Index 9 Time
R295080 (0x4_80A8)
EVENTLOG1_FIFO10_READ
12 EVENTLOG1_FIFO10_POL 0 Event Log FIFO Index 10 polarity
0 = Rising edge, 1 = Falling edge
9:0 EVENTLOG1_FIFO10_ID[9:0] 0x000 Event Log FIFO Index 10 source 1
R295082 (0x4_80AA)
EVENTLOG1_FIFO10_TIME
31:0 EVENTLOG1_FIFO10_
TIME[31:0]
0x0000
_0000
Event Log FIFO Index 10 Time
R295084 (0x4_80AC)
EVENTLOG1_FIFO11_READ
12 EVENTLOG1_FIFO11_POL 0 Event Log FIFO Index 11 polarity
0 = Rising edge, 1 = Falling edge
9:0 EVENTLOG1_FIFO11_ID[9:0] 0x000 Event Log FIFO Index 11 source 1
R295086 (0x4_80AE)
EVENTLOG1_FIFO11_TIME
31:0 EVENTLOG1_FIFO11_
TIME[31:0]
0x0000
_0000
Event Log FIFO Index 11 Time
R295088 (0x4_80B0)
EVENTLOG1_FIFO12_READ
12 EVENTLOG1_FIFO12_POL 0 Event Log FIFO Index 12 polarity
0 = Rising edge, 1 = Falling edge
9:0 EVENTLOG1_FIFO12_ID[9:0] 0x000 Event Log FIFO Index 12 source 1
R295090 (0x4_80B2)
EVENTLOG1_FIFO12_TIME
31:0 EVENTLOG1_FIFO12_
TIME[31:0]
0x0000
_0000
Event Log FIFO Index 12 Time
R295092 (0x4_80B4)
EVENTLOG1_FIFO13_READ
12 EVENTLOG1_FIFO13_POL 0 Event Log FIFO Index 13 polarity
0 = Rising edge, 1 = Falling edge
9:0 EVENTLOG1_FIFO13_ID[9:0] 0x000 Event Log FIFO Index 13 source 1
R295094 (0x4_80B6)
EVENTLOG1_FIFO13_TIME
31:0 EVENTLOG1_FIFO13_
TIME[31:0]
0x0000
_0000
Event Log FIFO Index 13 Time
R295096 (0x4_80B8)
EVENTLOG1_FIFO14_READ
12 EVENTLOG1_FIFO14_POL 0 Event Log FIFO Index 14 polarity
0 = Rising edge, 1 = Falling edge
9:0 EVENTLOG1_FIFO14_ID[9:0] 0x000 Event Log FIFO Index 14 source 1
R295098 (0x4_80BA)
EVENTLOG1_FIFO14_TIME
31:0 EVENTLOG1_FIFO14_
TIME[31:0]
0x0000
_0000
Event Log FIFO Index 14 Time
R295100 (0x4_80BC)
EVENTLOG1_FIFO15_READ
12 EVENTLOG1_FIFO15_POL 0 Event Log FIFO Index 15 polarity
0 = Rising edge, 1 = Falling edge
9:0 EVENTLOG1_FIFO15_ID[9:0] 0x000 Event Log FIFO Index 15 source 1
R295102 (0x4_80BE)
EVENTLOG1_FIFO15_TIME
31:0 EVENTLOG1_FIFO15_
TIME[31:0]
0x0000
_0000
Event Log FIFO Index 15 Time
1.See Table 4-38 for valid channel source selections
Table 4-38. Event Logger Input Sources
ID Description Edge ID Description Edge ID Description Edge
3 irq1 D 137 asrc1_in2_lock D 258 gpio3 D
4 irq2 D 160 dsp_irq1 S 259 gpio4 D
9 sysclk_fail S 161 dsp_irq2 S 260 gpio5 D
24 fll1_lock D 162 dsp_irq3 S 261 gpio6 D
25 fll2_lock D 163 dsp_irq4 S 262 gpio7 D
Table 4-37. Event Logger (EVENTLOG1) Control (Cont.)
Register Address Bit Label Default Description
_‘ __— __— _— _— CIRRUS LOGIC” ID Description Edge ID Description Edge ID Deseripiion Edge 28 sysclkierr D 164 dspiirq5 s 263 gpioE D 29 asynccikierr D 165 dspiirqe s 264 gpioQ D 30 dspcikierr D 166 dspiirq7 s 265 gpio10 D 32 Vrameislartig‘ir‘i s 167 dspiirqE s 266 gpio11 D 33 Vrameislartig‘irZ s 168 dspiirqg s 267 gpio12 D 34 Vrameislartig‘irik s 169 dspiirq‘iO s 268 gpio13 D 40 VrameislartingLsys s 170 dspiirqfl s 269 gpio14 D 41 Vrameislan792r27sys s 171 dspiirq‘iZ s 270 gpio15 D 00 hpdet s 172 dspiirq‘iS s 271 gpio16 D as mode” 5 173 dspiiqu s 320 Timer1 6 a9 micdetZ s 174 dspiirq‘iS s 336 eventhoLempty s 96 jdLrise s 175 dspiirq‘is s 352 eveniuuii s 97 jdLlail s 176 hp‘ilisc s 368 eventhmark s 98 jd2Jise s 177 np1risc s 304 dsp‘iidma s 99 ju2Jaii s 178 hpzlisc s 416 dsp‘iistam s 100 micdiclampirise s 179 hp2risc s 432 dsp‘iistartz s 101 micdiclampjail s 100 hpSLsc s 448 dsp‘iistart s 104 jd3Jise s 101 np3risc s 464 dsp‘iibusy D 105 ju3Jaii s 104 hpALsc s 512 dsp‘iibusierr s 120 drc‘iisigidet D 105 np4risc s 560 alarm‘iich‘i s 129 dro2,sug,dei D 236 dicisaturate s 561 alarmLchZ s 130 inputsisigidet D 256 96101 D 562 alarmLchS s 136 asrcLinLiock D 257 gpioZ D 563 alarmLcM s
112 DS1162F1
CS42L92
4.5 DSP Peripheral Control
4.5.2 Alarm Generators
The CS42L92 provides four alarm-generator circuits are associated with the general-purpose timer. These can be used
to generate interrupt events according to the count value of the timer. The alarm interrupts can be either one-off events,
or can be configured for cyclic (repeated) triggers.
4.5.2.1 Alarm Control
The alarm is enabled by writing 1 to the ALM1_CHn_START bit (where n identifies the respective alarm, 1–4). The alarm
is disabled by writing 1 to ALM1_CHn_STOP.
The operating mode of each alarm is configured using ALM1_CHn_TRIG_MODE. In each mode, the alarm events are
controlled by the alarm-trigger value, ALM1_CHn_TRIG_VAL.
In Absolute Mode, the alarm output is triggered when the timer count value is equal to the alarm trigger value.
In Relative Mode, the alarm output is triggered when the timer count value has incremented by a number equal to
the alarm trigger value—this mode counts the number of clock cycles after the ALM1_CHn_START bit is written.
In Combination Mode, the alarm output is initially triggered as described for the Absolute Mode; the alarm then
operates as described for the Relative Mode.
When the alarm output is triggered, an output signal is asserted for the respective alarm. The output is asserted for a
duration that is configured using ALM1_CHn_PULSE_DUR. The resulting signal can be output directly on a GPIO pin.
If an alarm is enabled and an update is written to ALM1_CHn_TRIG_VAL or ALM1_CHn_PULSE_DUR, the new value is
loaded into the respective control register, but does not reconfigure the alarm immediately. If the ALM1_CHn_UPD bit is
set, the alarm-trigger and pulse-duration values are updated when the alarm is next triggered. The alarm-trigger and
pulse-duration settings can also be updated by writing 1 to ALM1_CHn_START.
Note that, if an alarm is enabled, the general-purpose timer must be configured for continuous, count-up operation. The
TIMER1_MAX_COUNT value must be greater than the respective ALM1_CHn_TRIG_VAL setting.
28 sysclk_err D 164 dsp_irq5 S 263 gpio8 D
29 asyncclk_err D 165 dsp_irq6 S 264 gpio9 D
30 dspclk_err D 166 dsp_irq7 S 265 gpio10 D
32 frame_start_g1r1 S 167 dsp_irq8 S 266 gpio11 D
33 frame_start_g1r2 S 168 dsp_irq9 S 267 gpio12 D
34 frame_start_g1r3 S 169 dsp_irq10 S 268 gpio13 D
40 frame_start_g2r1_sys S 170 dsp_irq11 S 269 gpio14 D
41 frame_start_g2r2_sys S 171 dsp_irq12 S 270 gpio15 D
80 hpdet S 172 dsp_irq13 S 271 gpio16 D
88 micdet1 S 173 dsp_irq14 S 320 Timer1 S
89 micdet2 S 174 dsp_irq15 S 336 event1_not_empty S
96 jd1_rise S 175 dsp_irq16 S 352 event1_full S
97 jd1_fall S 176 hp1l_sc S 368 event1_wmark S
98 jd2_rise S 177 hp1r_sc S 384 dsp1_dma S
99 jd2_fall S 178 hp2l_sc S 416 dsp1_start1 S
100 micd_clamp_rise S 179 hp2r_sc S 432 dsp1_start2 S
101 micd_clamp_fall S 180 hp3l_sc S 448 dsp1_start S
104 jd3_rise S 181 hp3r_sc S 464 dsp1_busy D
105 jd3_fall S 184 hp4l_sc S 512 dsp1_bus_err S
128 drc1_sig_det D 185 hp4r_sc S 560 alarm1_ch1 S
129 drc2_sig_det D 236 dfc_saturate S 561 alarm1_ch2 S
130 inputs_sig_det D 256 gpio1 D 562 alarm1_ch3 S
136 asrc1_in1_lock D 257 gpio2 D 563 alarm1_ch4 S
Table 4-38. Event Logger Input Sources (Cont.)
ID Description Edge ID Description Edge ID Description Edge
_‘ __— __— _— _— CIRRUS LOGIC” Register Address Bit Label Default Description R303104 (0X4A000) 0 ALM‘LTIMER, 0 Alarm block ALM1 Iimer Source select R303120 (0X4A010) 4 ALM17CH17 0 Channel 1 continuous mode Select 1:0 ALM17CH17 00 Channel 1 trigger mode Select R303122 (0X4A012) 15 ALM17CH17UFD 0 Channel1 updatecontroliwrite1toindicatea newtriggervalueorpulseduralion 4 ALM17CH17 7 Channel 1 Stop controliwrite 1 to disable Channel 1 0 ALM17CH17 7 Channel 1 slart Controliwrite‘l to enable or restart Channel 1 R303124 (0X4A014) 31:0 ALM17CH17 0X0000 Channel 1 alarm trigger value R303126 (0X4A016) 31:0 ALM17CH17 0X0000 Channel 1 alarm output pulse duration R303128 (0X4A018) 0 ALM17CH175TS 0 Channel 1 Slams
DS1162F1 113
CS42L92
4.5 DSP Peripheral Control
4.5.2.2 Interrupts and GPIO Output
The alarm generators provide input to the interrupt control circuit and can be used to trigger an interrupt event when the
alarm-trigger conditions are met. An interrupt event is triggered on the rising edge of the alarm output signal.
The alarm output status bits, TIMER_ALM1_CHn_STSx, are asserted for a duration that is configured using ALM1_CHn_
PULSE_DUR. Note that the TIMER_ALM1_CHn_STS1 and TIMER_ALM1_CHn_STS2 bits provide the same information.
See Section 4.15 for details of the CS42L92 interrupt controller.
The alarm status can be output directly on a GPIO pin as an external indication of the alarm events. See Section 4.14 to
configure a GPIO pin for this function.
4.5.2.3 Alarm Control Registers
The alarm control registers are described in Table 4-39.
Table 4-39. Alarm (ALM1) Control
Register Address Bit Label Default Description
R303104 (0x4A000)
ALM1_CFG
0 ALM1_TIMER_
SEL
0 Alarm block ALM1 timer source select
0 = Timer 1
All other codes are reserved.
All ALM1 channels must be disabled when updating this register.
R303120 (0x4A010)
ALM1_CONFIG1
4 ALM1_CH1_
CONT
0 Channel 1 continuous mode select
0 = Single mode
1 = Continuous mode
Channel 1 must be disabled (ALM1_CH1_STS = 0) when updating this field.
1:0 ALM1_CH1_
TRIG_MODE[1:0]
00 Channel 1 trigger mode select
00 = Absolute Mode: Alarm is triggered when the count value of the timer source
is equal to ALM1_CH1_TRIG_VAL.
01 = Relative Mode: Alarm is triggered when the count value has incremented by
a number equal to ALM1_CH1_TRIG_VAL.
10 = Combination Mode: Alarm is initially triggered as described for Absolute
Mode; the alarm then operates as described for Relative Mode.
11 = Reserved
Channel 1 must be disabled (ALM1_CH1_STS = 0) when updating this field.
R303122 (0x4A012)
ALM1_CTRL1
15 ALM1_CH1_UPD 0 Channel 1 update controlWrite 1 to indicate a new trigger value or pulse duration
is ready to be applied.
If Channel 1 is enabled and ALM1_CH1_UPD is set, the ALM1_CH1_TRIG_VAL
and ALM1_CH1_PULSE_DUR settings are updated when the alarm is next
triggered or by writing 1 to ALM1_CH1_START.
If Channel 1 is disabled, the ALM1_CH1_UPD bit has no effect, and the ALM1_
CH1_TRIG_VAL and ALM1_CH1_PULSE_DUR settings are updated
immediately when writing to the respective fields.
4 ALM1_CH1_
STOP
Channel 1 stop controlWrite 1 to disable Channel 1
0 ALM1_CH1_
START
Channel 1 start control—Write 1 to enable or restart Channel 1
R303124 (0x4A014)
ALM1_TRIG_VAL1
31:0 ALM1_CH1_
TRIG_VAL[31:0]
0x0000
_0000
Channel 1 alarm trigger value
R303126 (0x4A016)
ALM1_PULSE_DUR1
31:0 ALM1_CH1_
PULSE_
DUR[31:0]
0x0000
_0000
Channel 1 alarm output pulse duration
The pulse duration is referenced to the count rate of the selected timer source
R303128 (0x4A018)
ALM1_STATUS1
0 ALM1_CH1_STS 0 Channel 1 status
0 = Disabled
1 = Enabled
_‘ __— __— _— _— CIRRUS LOGIC” Register Address Bit Label Default Descrip on R303136 (0X4A020) 4 ALM17CH27 0 Channel 2 continuous mode select 1:0 ALM17CH27 00 Channel 2 trigger mode select R303138 (0X4A022) 15 ALM17CH27UFD 0 Channel2 updatecontrol7Write1tolndlcatea newtrlggervalueorpulseduratlon 4 ALM17CH27 7 Channel 2 stop contr0l7Wnte 1 to disable Channel 2 0 ALM17CH27 7 Channel 2 start Control7erte 1 to enable or restart Channel 2 R303140 (0X4A024) 31:0 ALM17CH27 0X0000 Channel 2 alarm trigger value R303142 (0X4A026) 31:0 ALM17CH27 0X0000 Channel 2 alarm output pulse duration R303144 (0X4A028) 0 ALM17CH27STS 0 Channel 2 status R303152 (0X4A030) 4 ALM17CH37 0 Channel 3 continuous mode select 1:0 ALM17CH37 00 Channel 3 trigger mode select R303154 (0X4A032) 15 ALM17CH37UFD 0 Channel 3 updatecontrol7Write1tolndlcatea newtrlggervalueorpulseduratlon 4 ALM17CH37 7 Channel 3 stop contr0l7Wnte 1 to disable Channel 3 0 ALM17CH37 7 Channel 3 start Control7erte 1 to enable or restart Channel 3 R303156 (0X4A034) 31:0 ALM17CH37 0X0000 Channel 3 alarm trigger value
114 DS1162F1
CS42L92
4.5 DSP Peripheral Control
R303136 (0x4A020)
ALM1_CONFIG2
4 ALM1_CH2_
CONT
0 Channel 2 continuous mode select
0 = Single mode
1 = Continuous mode
Channel 2 must be disabled (ALM1_CH2_STS = 0) when updating this field.
1:0 ALM1_CH2_
TRIG_MODE[1:0]
00 Channel 2 trigger mode select
00 = Absolute Mode: Alarm is triggered when the count value of the timer source
is equal to ALM1_CH2_TRIG_VAL.
01 = Relative Mode: Alarm is triggered when the count value has incremented by
a number equal to ALM1_CH2_TRIG_VAL.
10 = Combination Mode: Alarm is initially triggered as described for Absolute
Mode; the alarm then operates as described for Relative Mode.
11 = Reserved
Channel 2 must be disabled (ALM1_CH2_STS = 0) when updating this field.
R303138 (0x4A022)
ALM1_CTRL2
15 ALM1_CH2_UPD 0 Channel 2 update controlWrite 1 to indicate a new trigger value or pulse duration
is ready to be applied.
If Channel 2 is enabled and ALM1_CH2_UPD is set, the ALM1_CH2_TRIG_VAL
and ALM1_CH2_PULSE_DUR settings are updated when the alarm is next
triggered or by writing 1 to ALM1_CH2_START.
If Channel 2 is disabled, the ALM1_CH2_UPD bit has no effect, and the ALM1_
CH2_TRIG_VAL and ALM1_CH2_PULSE_DUR settings are updated
immediately when writing to the respective fields.
4 ALM1_CH2_
STOP
Channel 2 stop controlWrite 1 to disable Channel 2
0 ALM1_CH2_
START
Channel 2 start control—Write 1 to enable or restart Channel 2
R303140 (0x4A024)
ALM1_TRIG_VAL2
31:0 ALM1_CH2_
TRIG_VAL[31:0]
0x0000
_0000
Channel 2 alarm trigger value
R303142 (0x4A026)
ALM1_PULSE_DUR2
31:0 ALM1_CH2_
PULSE_
DUR[31:0]
0x0000
_0000
Channel 2 alarm output pulse duration
The pulse duration is referenced to the count rate of the selected timer source
R303144 (0x4A028)
ALM1_STATUS2
0 ALM1_CH2_STS 0 Channel 2 status
0 = Disabled
1 = Enabled
R303152 (0x4A030)
ALM1_CONFIG3
4 ALM1_CH3_
CONT
0 Channel 3 continuous mode select
0 = Single mode
1 = Continuous mode
Channel 3 must be disabled (ALM1_CH3_STS = 0) when updating this field.
1:0 ALM1_CH3_
TRIG_MODE[1:0]
00 Channel 3 trigger mode select
00 = Absolute Mode: Alarm is triggered when the count value of the timer source
is equal to ALM1_CH3_TRIG_VAL.
01 = Relative Mode: Alarm is triggered when the count value has incremented by
a number equal to ALM1_CH3_TRIG_VAL.
10 = Combination Mode: Alarm is initially triggered as described for Absolute
Mode; the alarm then operates as described for Relative Mode.
11 = Reserved
Channel 3 must be disabled (ALM1_CH3_STS = 0) when updating this field.
R303154 (0x4A032)
ALM1_CTRL3
15 ALM1_CH3_UPD 0 Channel 3 update controlWrite 1 to indicate a new trigger value or pulse duration
is ready to be applied.
If Channel 3 is enabled and ALM1_CH3_UPD is set, the ALM1_CH3_TRIG_VAL
and ALM1_CH3_PULSE_DUR settings are updated when the alarm is next
triggered or by writing 1 to ALM1_CH3_START.
If Channel 3 is disabled, the ALM1_CH3_UPD bit has no effect, and the ALM1_
CH3_TRIG_VAL and ALM1_CH3_PULSE_DUR settings are updated
immediately when writing to the respective fields.
4 ALM1_CH3_
STOP
Channel 3 stop controlWrite 1 to disable Channel 3
0 ALM1_CH3_
START
Channel 3 start control—Write 1 to enable or restart Channel 3
R303156 (0x4A034)
ALM1_TRIG_VAL3
31:0 ALM1_CH3_
TRIG_VAL[31:0]
0x0000
_0000
Channel 3 alarm trigger value
Table 4-39. Alarm (ALM1) Control (Cont.)
Register Address Bit Label Default Description
_‘ __— __— _— _— CIRRUS LOGIC” Register Address Bit Label Default Descrip on R303158 (OX4A036) 31:0 ALM‘LCHCL 0X0000 Channel 3 alarm output pulse duration R303160 (OX4A038) 0 ALM‘LCHCLSTS 0 Channel 3 5181113 R303168 (OX4A040) 4 ALM17CH47 0 Channel 4 continuous mode Select 1:0 ALM‘LCHLL 00 Channel 4 trigger mode Select R303170 (OX4A042) 15 ALM‘LCHLLUFD 0 Channel4 updatecontroliwrite1tolndlcatea newtnggervalueorpulsedurallon 4 ALM17CH47 7 Channel 4 Stop controliwnte 1 to disable Channel 4 0 ALM17CH47 7 Channel 4 slan Controliwnte‘l to enable or restart Channel 4 R303172 (OX4A044) 31:0 ALM‘LCHLL 0X0000 Channel 4 alarm trigger value R303174 (OX4A046) 31:0 ALM‘LCHLL 0X0000 Channel 4 alarm output pulse duration R303176 (OX4A048) 0 ALM‘LCHLLSTS 0 Channel 4 5181113
DS1162F1 115
CS42L92
4.5 DSP Peripheral Control
4.5.3 General-Purpose Timer
The CS42L92 incorporates a general-purpose timer, which supports a wide variety of uses. The general-purpose timer
provides time-stamp data for the event logger; it also supports the watchdog and other miscellaneous time-based
functions, providing additional capability for signal-processing applications.
4.5.3.1 Overview
The timer allows time-stamp information to be associated with external signal detection, and other system events, enabling
real-time data to be more easily integrated into user applications. The timer allows many advanced functions to be
implemented with a high degree of autonomy from a host processor.
The timer can use either internal system clocks, or external clock signals, as a reference. The selected reference is scaled
down, using configurable dividers, to the required clock count frequency.
4.5.3.2 Timer Control
The reference clock for the timer is selected using TIMER1_REFCLK_SRC.
R303158 (0x4A036)
ALM1_PULSE_DUR3
31:0 ALM1_CH3_
PULSE_
DUR[31:0]
0x0000
_0000
Channel 3 alarm output pulse duration
The pulse duration is referenced to the count rate of the selected timer source
R303160 (0x4A038)
ALM1_STATUS3
0 ALM1_CH3_STS 0 Channel 3 status
0 = Disabled
1 = Enabled
R303168 (0x4A040)
ALM1_CONFIG4
4 ALM1_CH4_
CONT
0 Channel 4 continuous mode select
0 = Single mode
1 = Continuous mode
Channel 4 must be disabled (ALM1_CH4_STS = 0) when updating this field.
1:0 ALM1_CH4_
TRIG_MODE[1:0]
00 Channel 4 trigger mode select
00 = Absolute Mode: Alarm is triggered when the count value of the timer source
is equal to ALM1_CH4_TRIG_VAL.
01 = Relative Mode: Alarm is triggered when the count value has incremented by
a number equal to ALM1_CH4_TRIG_VAL.
10 = Combination Mode: Alarm is initially triggered as described for Absolute
Mode; the alarm then operates as described for Relative Mode.
11 = Reserved
Channel 4 must be disabled (ALM1_CH4_STS = 0) when updating this field.
R303170 (0x4A042)
ALM1_CTRL4
15 ALM1_CH4_UPD 0 Channel 4 update controlWrite 1 to indicate a new trigger value or pulse duration
is ready to be applied.
If Channel 4 is enabled and ALM1_CH4_UPD is set, the ALM1_CH4_TRIG_VAL
and ALM1_CH4_PULSE_DUR settings are updated when the alarm is next
triggered or by writing 1 to ALM1_CH4_START.
If Channel 4 is disabled, the ALM1_CH4_UPD bit has no effect, and the ALM1_
CH4_TRIG_VAL and ALM1_CH4_PULSE_DUR settings are updated
immediately when writing to the respective fields.
4 ALM1_CH4_
STOP
Channel 4 stop controlWrite 1 to disable Channel 4
0 ALM1_CH4_
START
Channel 4 start control—Write 1 to enable or restart Channel 4
R303172 (0x4A044)
ALM1_TRIG_VAL4
31:0 ALM1_CH4_
TRIG_VAL[31:0]
0x0000
_0000
Channel 4 alarm trigger value
R303174 (0x4A046)
ALM1_PULSE_DUR4
31:0 ALM1_CH4_
PULSE_
DUR[31:0]
0x0000
_0000
Channel 4 alarm output pulse duration
The pulse duration is referenced to the count rate of the selected timer source
R303176 (0x4A048)
ALM1_STATUS4
0 ALM1_CH4_STS 0 Channel 4 status
0 = Disabled
1 = Enabled
Table 4-39. Alarm (ALM1) Control (Cont.)
Register Address Bit Label Default Description
__- __— __— _— _— CIRRUS LOGIC"
116 DS1162F1
CS42L92
4.5 DSP Peripheral Control
If SYSCLK, ASYNCCLK, or DSPCLK is selected, a lower clock frequency, derived from the applicable system clock, can
be selected using the TIMER1_REFCLK_FREQ_SEL field (for SYSCLK or ASYNCCLK source) or the TIMER1_
DSPCLK_FREQ_SEL field (for DSPCLK source). The applicable division ratio is determined automatically, assuming the
respective clock source has been correctly configured as described in Section 4.16.
Note that, depending on the DSPCLK frequency and the available clock dividers, the timer reference clock may differ from
the selected clock if DSPCLK is the selected source. In most cases, the reference clock frequency equals or exceeds the
requested frequency. A lower frequency is implemented if limited by either the DSPCLK frequency or the maximum
TIMER1 clocking frequency.
If any source other than DSPCLK is selected, the clock can be further divided using TIMER1_REFCLK_DIV. Division ratios
in the range 1 to 128 can be selected.
Note that, if DSPCLK is enabled, the CS42L92 synchronizes the selected reference clock to DSPCLK. As a result of this,
if a non-DSPCLK is selected as source, the following additional constraints must be observed: the reference clock
frequency (after TIMER1_REFCLK_FREQ_SEL and after TIMER1_REFCLK_DIV) must be less than DSPCLK / 3, and
must be less than 12 MHz; it must also be close to 50% duty cycle. The TIMER1_REFCLK_DIV field can be used to ensure
that these criteria are met.
One final division, controlled by TIMER1_PRESCALE, determines the timer count frequency. This field is valid for all clock
reference sources; division ratios in the range 1 to 128 can be selected. The output from this division corresponds to the
frequency at which the TIMER1_COUNT field is incremented (or decremented).
The maximum count value of the timer is determined by the TIMER1_MAX_COUNT field. This is the final count value
(when counting up), or the initial count value (when counting down). The current value of the timer counter can be read
from the TIMER1_CUR_COUNT field.
The timer is started by writing 1 to TIMER1_START. Note that, if the timer is already running, it restarts from its initial value.
The timer is stopped by writing 1 to TIMER1_STOP. The count direction (up or down) is selected using the TIMER1_DIR
bit.
The TIMER1_CONTINUOUS bit selects whether the timer automatically restarts after the end-of-count condition has been
reached. The TIMER1_RUNNING_STS indicates whether the timer is running, or if it has stopped.
Note that the timer should be stopped before making any changes to the timer control registers. The timer configuration
should only be changed if TIMER1_RUNNING_STS = 0.
4.5.3.3 Interrupts and GPIO Output
The timer status is an input to the interrupt control circuit and can be used to trigger an interrupt event after the final count
value is reached; see Section 4.15. Note that the interrupt does not occur immediately when the final count value is
reached; the interrupt is triggered at the point when the next update to the timer count value would be due.
The timer status can be output directly on a GPIO pin as an external indication of the timer activity. See Section 4.14 to
configure a GPIO pin for this function.
_‘ __— __— _— _— CIRRUS LOGIC”
DS1162F1 117
CS42L92
4.5 DSP Peripheral Control
4.5.3.4 Timer Block Diagram and Control Registers
The timer block is shown in Fig. 4-35.
Figure 4-35. General-Purpose Timer
The timer control registers are described in Table 4-40.
f = TIMER
count rate
If DSPCLK is enabled, and a clock
source other than DSPCLK is selected,
f DSPCLK/3, f 12MHz
Divider
Divide by 1, 2, 4, 8 … 64
except DSPCLK
Divider
Divide by 1, 2, 4, 8 … 128
Divider
SYSCLK / ASYNCCLK only
DSPCLK only
DSPCLK
32k Clock
MCLK1
MCLK2
SYSCLK
ASYNCCLK
GPIO1
GPIO2
GPIO3
GPIO4
TIMER1_REFCLK_SRC[3:0] p. 118
TIMER1_REFCLK_FREQ_SEL[2:0] p. 118
TIMER1_DSPCLK_FREQ_SEL[15:0] p. 119
TIMER1_REFCLK_DIV[2:0] p. 118 TIMER1_PRESCALE[2:0] p. 118
_‘ __— __— _— _— CIRRUS LOGIC” Register Address Bit Label Default Descrip on R311296 (OX470000) 21 T|MER17 0 Timer Continuous Mode Seiect 20 TIMER‘LDIR 0 Timer Count Direction 18:16 TIMER‘L 000 Timer Count Rate Prescaie 14:12 TIMER‘L 000 Timer Reierence Clock Divide (Not vaiid [or DSFCLK Source). 1028 TIMER‘L 000 Timer Reierence Frequency Seieot (SYSCLK or ASYNCCLK Source) 3:0 TIMER‘L 0000 Timer Reierence Source Select. R311298 (OX470002) 31:0 TIMER‘LMAxi 0X0000 Timer Maximum Count. R311302 (OX470006) 4 TIMER‘LSTOP 0 Timer Stop Conlroi O TIMER‘LSTART 0 Timer Stan Control R311304 (OX470008) O TIMER‘L 0 Timer Running Status
118 DS1162F1
CS42L92
4.5 DSP Peripheral Control
Table 4-40. General-Purpose Timer (TIMER1) Control
Register Address Bit Label Default Description
R311296 (0x4_C000)
Timer1_Control
21 TIMER1_
CONTINUOUS
0 Timer Continuous Mode select
0 = Single mode
1 = Continuous mode
Timer must be stopped (TIMER1_RUNNING_STS = 0) when updating this field
20 TIMER1_DIR 0 Timer Count Direction
0 = Down
1 = Up
Timer must be stopped (TIMER1_RUNNING_STS = 0) when updating this field
18:16 TIMER1_
PRESCALE[2:0]
000 Timer Count Rate Prescale
000 = Divide by 1
001 = Divide by 2
010 = Divide by 4
011 = Divide by 8
100 = Divide by 16
101 = Divide by 32
110 = Divide by 64
111 = Divide by 128
Timer must be stopped (TIMER1_RUNNING_STS = 0) when updating this field
14:12 TIMER1_
REFCLK_DIV[2:0]
000 Timer Reference Clock Divide (Not valid for DSPCLK source).
000 = Divide by 1
001 = Divide by 2
010 = Divide by 4
011 = Divide by 8
100 = Divide by 16
101 = Divide by 32
110 = Divide by 64
111 = Divide by 128
If DSPCLK is enabled, and DSPCLK is not selected as source, the output
frequency from this divider must be set less than or equal to DSPCLK / 3, and less
than or equal to 12 MHz.
If DSPCLK is disabled, the output of this divider is used as clock reference for the
event logger. In this case, the divider output corresponds to the frequency of event
logging opportunities on the respective modules.
Timer must be stopped (TIMER1_RUNNING_STS = 0) when updating this field
10:8 TIMER1_
REFCLK_FREQ_
SEL[2:0]
000 Timer Reference Frequency Select (SYSCLK or ASYNCCLK source)
000 = 6.144 MHz (5.6448 MHz)
001 = 12.288 MHz (11.2896 MHz)
010 = 24.576 MHz (22.5792 MHz)
011 = 49.152 MHz (45.1584 MHz)
All other codes are reserved.
The selected frequency must be less than or equal to the frequency of the source.
Timer must be stopped (TIMER1_RUNNING_STS = 0) when updating this field.
3:0 TIMER1_
REFCLK_
SRC[3:0]
0000 Timer Reference Source Select.
Timer must be stopped (TIMER1_RUNNING_STS=0) when updating this field.
0000 = DSPCLK
0001 = 32-kHz clock
0100 = MCLK1
0101 = MCLK2
1000 = SYSCLK
1001 = ASYNCCLK
1100 = GPIO1
1101 = GPIO2
1110 = GPIO3
1111 = GPIO4
All other codes are
reserved.
R311298 (0x4_C002)
Timer1_Count_Preset
31:0 TIMER1_MAX_
COUNT[31:0]
0x0000
_0000
Timer Maximum Count.
Final count value (when counting up). Starting count value (when counting down).
Timer must be stopped (TIMER1_RUNNING_STS = 0) when updating this field.
R311302 (0x4_C006)
Timer1_Start_and_
Stop
4 TIMER1_STOP 0 Timer Stop Control
Write 1 to stop.
0 TIMER1_START 0 Timer Start Control
Write 1 to start.
If the timer is already running, it restarts from its initial value.
R311304 (0x4_C008)
Timer1_Status
0TIMER1_
RUNNING_STS
0 Timer Running Status
0 = Timer stopped
1 = Timer running
_‘ __— __— _— _— CIRRUS LOGIC” Regisler Address Bit Label Default Descrip on R311306 (OX47000A) 31:0 TIMER‘LCURi OXOOOO Timer Current Count value R311308 (OX4,COOC) 15:0 T|MER17 OXOOOO Timer Relerence Frequency Seiect (DSPCLK source) R31131O (OX47000E) 15:0 TIMER‘L OXOOOO Timer Relerence Frequency (Read oniy)
DS1162F1 119
CS42L92
4.5 DSP Peripheral Control
4.5.4 DSP GPIO
The DSP GPIO function provides an advanced I/O capability, supporting enhanced flexibility for signal-processing
applications.
4.5.4.1 Overview
The CS42L92 supports up to 16 GPIO pins, which can be assigned to application-specific functions. There are 2 dedicated
GPIO pins; the remaining 14 GPIOs are implemented as alternate functions to a pin-specific capability.
The GPIOs can be used to provide status outputs and control signals to external hardware; the supported functions include
interrupt output, FLL clock output, accessory detection status, and S/PDIF or PWM-coded audio channels; see
Section 4.14.
The GPIOs can support miscellaneous logic input and output, interfacing directly with the integrated DSPs, or with the host
application software. A basic level of I/O functionality is described in Section 4.14, under the configuration where GPn_
FN = 0x001. The GPn_FN field selects the functionality for the respective pin, GPIOn.
The DSP GPIO pins are accessed using maskable sets of I/O control registers; this allows the selected combinations of
GPIOs to be controlled with ease, regardless of how the allocation of GPIO pins has been implemented in hardware. In a
typical use case, one GPIO mask is defined for each DSP function; this provides a highly efficient mechanism for the DSP
to independently access the respective input and output signals.
4.5.4.2 DSP GPIO Control
The DSP GPIO function is selected by setting GPn_FN = 0x002 for the respective GPIO pin (where n identifies the
applicable GPIOn pin).
Each DSP GPIO is controlled using bits that determine the direction (input/output) and the logic state (0/1) of the pin. These
bits are replicated in eight control sets; each which can determine the logic level of any DSP GPIO.
Mask bits are provided within each control set, to determine which of the control sets has control of each DSP GPIO. To
avoid logic contention, a DSP GPIO output must be controlled (unmasked) in a maximum of one control set at any time.
Note that write access to the direction control bits (DSPGPn_SETx_DIR) and level control bits (DSPGPn_SETx_LVL) is
only valid when the channel (DSPGPn) is unmasked in the respective control set. Writes to these fields are implemented
for the unmasked DSP GPIOs, and are ignored in respect of the masked DSP GPIOs. Note that the level control bits
(DSPGPn_SETx_LVL) provide output level control only—they cannot be used to read the status of DSP GPIO inputs.
The logic level of the unmasked DSP GPIO outputs in any control set can be configured using a single register write.
Writing to the output level control registers determines the logic level of the unmasked DSP GPIOs in that set only; all other
outputs are unaffected.
R311306 (0x4_C00A)
Timer1_Count_
Readback
31:0 TIMER1_CUR_
COUNT[31:0]
0x0000 Timer Current Count value
R311308 (0x4_C00C)
Timer1_DSP_Clock_
Config
15:0 TIMER1_
DSPCLK_FREQ_
SEL[15:0]
0x0000 Timer Reference Frequency Select (DSPCLK source)
Coded as LSB = 1/64 MHz, Valid from 5.6 MHz to 148 MHz.
The timer reference frequency must be less than or equal to the DSPCLK
frequency. The timer reference is generated by division of DSPCLK, and may
differ from the selected frequency. The timer reference frequency can be read from
TIMER1_DSPCLK_FREQ_STS.
Timer must be stopped (TIMER1_RUNNING_STS=0) when updating this field.
R311310 (0x4_C00E)
Timer1_DSP_Clock_
Status
15:0 TIMER1_
DSPCLK_FREQ_
STS[15:0]
0x0000 Timer Reference Frequency (Read only)
Only valid when DSPCLK is the selected clock source.
Coded as LSB = 1/64 MHz.
Table 4-40. General-Purpose Timer (TIMER1) Control (Cont.)
Register Address Bit Label Default Description
__- __— __— _— _— CIRRUS LOGIC"
120 DS1162F1
CS42L92
4.5 DSP Peripheral Control
DSP GPIO status bits are provided, indicating the logic level of every input or output pin that is configured as a DSP GPIO.
The DSPGPn_STS bits also provide logic-level indication for any pin that is configured as a GPIO input, with GPn_
FN = 0x001.Note that there is only one set of DSP GPIO status bits.
The status bits indicate the logic level of the DSP GPIO outputs. The respective pins are driven as outputs if configured
as a DSP GPIO output, and unmasked in one of the control sets. Note that a DSP GPIO continues to be driven as an
output, even if the mask bit is subsequently asserted in that set. The pin only ceases to be driven if it is configured as a
DSP GPIO input and is unmasked in one of the control sets, or if the pin is configured as an input under a different GPn_
FN field selection.
4.5.4.3 Common Functions to Standard GPIOs
The DSP GPIO functions are implemented alongside the standard GPIO capability, providing an alternative method of
maskable I/O control for all of the GPIO pins. The DSP GPIO control bits in the register map are implemented in a manner
that supports efficient read/write access for multiple GPIOs at once.
The DSP GPIO logic is shown in Fig. 4-36, which also shows the control fields relating to the standard GPIO.
The DSP GPIO function is selected by setting GPn_FN = 0x002 for the respective GPIO pin. Integrated pull-up and
pull-down resistors are provided on each GPIO pin, which are also valid for DSP GPIO function. A bus keeper function is
supported on the GPIO pins; this is enabled using the respective pull-up and pull-down control bits. The bus keeper
function holds the logic level unchanged whenever the pin is undriven (e.g., if the signal is tristated). See Table 4-93 for
details of the GPIO pull-up and pull-down control bits.
_‘ __— __— _— _— CIRRUS LOGIC” 0‘
DS1162F1 121
CS42L92
4.5 DSP Peripheral Control
4.5.4.4 DSP GPIO Block Diagram and Control Registers
Figure 4-36. DSP GPIO Control
The control registers associated with the DSP GPIO are described in Table 4-41.
Input / Output control
Logic Level control Mask control
DSPGPn_SET2_LVL
DSPGPn_SET2_DIR
DSPGPn_SET2_MASK
Input / Output control
Logic Level control Mask control
DSPGPn_SET3_LVL
DSPGPn_SET3_DIR
DSPGPn_SET3_MASK
Input / Output control
Logic Level control Mask control
DSPGPn_SET4_LVL
DSPGPn_SET4_DIR
DSPGPn_SET4_MASK
Input / Output control
Logic Level control Mask control
DSPGPn_SET1_LVL
DSPGPn_SET1_DIR
DSPGPn_SET1_MASK
DSP GPIO
Readback
DSPGPn_STS
GPn_FN = 0x002
GPIO Control
& Readback
GPn_FN = 0x001
Pin-Specific
Function
GPn_FN = 0x000
Other GPIO
functions
GPIOn
GPn_FN > 0x002
Input / Output control
Logic Level control Mask control
DSPGPn_SET6_LVL
DSPGPn_SET6_DIR
DSPGPn_SET6_MASK
Input / Output control
Logic Level control Mask control
DSPGPn_SET7_LVL
DSPGPn_SET7_DIR
DSPGPn_SET7_MASK
Input / Output control
Logic Level control Mask control
DSPGPn_SET8_LVL
DSPGPn_SET8_DIR
DSPGPn_SET8_MASK
Input / Output control
Logic Level control Mask control
DSPGPn_SET5_LVL
DSPGPn_SET5_DIR
DSPGPn_SET5_MASK
These bits have no effect if GPn_FN = 0x000 or 0x002.
Valid for GPn_LVL readback and GPIO IRQ event trigger only.
These bits have no effect if GPn_FN = 0x000 or 0x002.
If GPn_FN = 0x000, pin direction is set automatically .
If GPn_FN = 0x002, pin direction is set by DSPGPn _SETx_DIR.
GPn_LVL p. 192
GPn_FN[9:0] p. 192
GPn_DB p. 192
GPn_DIR p. 193
GPn_PU p. 193
GPn_PD p. 193
GPn_POL p. 192
GPn_OP_CFG p. 192
_‘ __— __— _— _— CIRRUS LOGIC” Register Address Bit Label Default Description R315392 (0x47D000) 15 DSFGP167STS 0 DSPGP16 Status 14 DSFGP157STS 0 DSPGP15 Status 13 DSFGP147STS 0 DSPGP14 Status 12 DSFGP137STS 0 DSPGP13 Status 11 DSPGP127STS 0 DSPGP12 Status 10 DSPGP1175TS 0 DSPGF11 Status 9 DSPGP107STS 0 DSPGF10 Status 8 DSPGP975TS 0 DSPGP9 Status 7 DSPGP875TS 0 DSPGPS Status 6 DSPGP775TS 0 DSPGPT Status 5 DSPGP675TS 0 DSPGPS Status 4 DSPGP575TS 0 DSPGP5 Status 3 DSPGPLLSTS 0 DSPGP4 Status 2 DSPGPCLSTS 0 DSPGP3 Status 1 DSPGP275TS 0 DSPGP2 Status 0 DSPGP175TS 0 DSPGP1 Status R315424 (0x47D020) 15 DSPGP167SETH7MASK 1 DSP SETH GFiO16 Mask Control 14 DSPGP157SETH7MASK 1 DSP SETH GFiO15 Mask Control 13 DSPGP147SETniMASK 1 DSP SETH GFiO14 Mask Control 12 DSPGP137SETH7MASK 1 DSP SETH GFiO13 Mask Control 11 DSPGP127SETniMASK 1 DSP SETn GFiO12 Mask Control 10 DSPGP1175ETH7MASK 1 DSP SETn GFiO11 Mask CoHtrol 9 DSPGP107SETniMASK 1 BS? SETH GFiO10 Mask Control 8 DSPGP975ETH7MASK 1 DSP SETH GFiOQ Mask CoHtroi 7 DSPGP875ETH7MASK 1 DSP SETH GFiOB Mask CoHtroi 6 DSPGP775ETH7MASK 1 DSP SETH GFiO7 Mask CoHtroi 5 DSPGP675ETH7MASK 1 DSP SETH GFiOS Mask CoHtroi 4 DSPGP575ETH7MASK 1 DSP SETH GFiOS Mask CoHtroi 3 DSPGPALSETHiMASK 1 DSP SETH GFiO4 Mask CoHtroi 2 DSPGPCLSETHiMASK 1 DSP SETH GFiOS Mask CoHtroi 1 DSPGP275ETH7MASK 1 DSP SETH GFiO2 Mask CoHtroi 0 DSPGP175ETH7MASK 1 DSP SETH GFiO1 Mask CoHtroi R315432 (0x47D028) 15 DSPGP167SETn7DiR 1 BS? SETH GPiO16 DirectioH Controi 14 DSPGP157SETn7DiR DSP SETH GPiO15 DirectioH Controi 13 DSPGP147SETniDiR DSP SETH GPiO14 DirectioH Controi 12 DSPGP137SETn7DiR DSP SETH GPiO13 DirectioH Controi 11 DSPGP127SETn7DiR DSP SETH GPiO12 DirectioH Controi 10 DSPGP1175ETH7DIR DSP SETH GFiO11 Direction Control 9 DSPGP107SETniDiR DSP SETH GPiO10 DirectioH Controi DspGPefiETrLDIR DSP SETH GPiO9 Direction Control DSPGP875ETH7DIR DSP SETH GPiOS Direction Control DSPGPLSETniDIR DSP SETH GPiOT Direction Control DspGPefiETrLDIR DSP SETH GPiOS Direction Control DspGPsfiETrLDIR DSP SETH GPiO5 Direction Control DSPGPLSETniDIR DSP SETH GPiO4 Direction Control DSPGP375ETH7DIR DSP SETH GPiO3 Direction Control DSPGPLSETniDIR DSP SETH GPiO2 Direction Control O‘wau‘mum DSPGPLSETniDIR DSP SETH GPiO1 Direction Control
122 DS1162F1
CS42L92
4.5 DSP Peripheral Control
Table 4-41. DSP GPIO Control
Register Address Bit Label Default Description
R315392 (0x4_D000)
DSPGP_Status_1
15 DSPGP16_STS 0 DSPGP16 Status
Valid for DSPGP input and output
14 DSPGP15_STS 0 DSPGP15 Status
13 DSPGP14_STS 0 DSPGP14 Status
12 DSPGP13_STS 0 DSPGP13 Status
11 DSPGP12_STS 0 DSPGP12 Status
10 DSPGP11_STS 0 DSPGP11 Status
9 DSPGP10_STS 0 DSPGP10 Status
8 DSPGP9_STS 0 DSPGP9 Status
7 DSPGP8_STS 0 DSPGP8 Status
6 DSPGP7_STS 0 DSPGP7 Status
5 DSPGP6_STS 0 DSPGP6 Status
4 DSPGP5_STS 0 DSPGP5 Status
3 DSPGP4_STS 0 DSPGP4 Status
2 DSPGP3_STS 0 DSPGP3 Status
1 DSPGP2_STS 0 DSPGP2 Status
0 DSPGP1_STS 0 DSPGP1 Status
R315424 (0x4_D020)
DSPGP_SET1_Mask_1
R315456 (0x4_D040)
DSPGP_SET2_Mask_1
R315488 (0x4_D060)
DSPGP_SET3_Mask_1
R315520 (0x4_D080)
DSPGP_SET4_Mask_1
R315552 (0x4_D0A0)
DSPGP_SET5_Mask_1
R315584 (0x4_D0C0)
DSPGP_SET6_Mask_1
R315616 (0x4_D0E0)
DSPGP_SET7_Mask_1
R315648 (0x4_D100)
DSPGP_SET8_Mask_1
15 DSPGP16_SETn_MASK 1 DSP SETn GPIO16 Mask Control
0 = Unmasked, 1 = Masked
A GPIO pin should be unmasked in a maximum of one SET at any time.
14 DSPGP15_SETn_MASK 1 DSP SETn GPIO15 Mask Control
13 DSPGP14_SETn_MASK 1 DSP SETn GPIO14 Mask Control
12 DSPGP13_SETn_MASK 1 DSP SETn GPIO13 Mask Control
11 DSPGP12_SETn_MASK 1 DSP SETn GPIO12 Mask Control
10 DSPGP11_SETn_MASK 1 DSP SETn GPIO11 Mask Control
9 DSPGP10_SETn_MASK 1 DSP SETn GPIO10 Mask Control
8 DSPGP9_SETn_MASK 1 DSP SETn GPIO9 Mask Control
7 DSPGP8_SETn_MASK 1 DSP SETn GPIO8 Mask Control
6 DSPGP7_SETn_MASK 1 DSP SETn GPIO7 Mask Control
5 DSPGP6_SETn_MASK 1 DSP SETn GPIO6 Mask Control
4 DSPGP5_SETn_MASK 1 DSP SETn GPIO5 Mask Control
3 DSPGP4_SETn_MASK 1 DSP SETn GPIO4 Mask Control
2 DSPGP3_SETn_MASK 1 DSP SETn GPIO3 Mask Control
1 DSPGP2_SETn_MASK 1 DSP SETn GPIO2 Mask Control
0 DSPGP1_SETn_MASK 1 DSP SETn GPIO1 Mask Control
R315432 (0x4_D028)
DSPGP_SET1_Direction_1
R315464 (0x4_D048)
DSPGP_SET2_Direction_1
R315496 (0x4_D068)
DSPGP_SET3_Direction_1
R315528 (0x4_D088)
DSPGP_SET4_Direction_1
R315560 (0x4_D0A8)
DSPGP_SET5_Direction_1
R315592 (0x4_D0C8)
DSPGP_SET6_Direction_1
R315624 (0x4_D0E8)
DSPGP_SET7_Direction_1
R315656 (0x4_D108)
DSPGP_SET8_Direction_1
15 DSPGP16_SETn_DIR 1 DSP SETn GPIO16 Direction Control
0 = Output, 1 = Input
14 DSPGP15_SETn_DIR 1 DSP SETn GPIO15 Direction Control
13 DSPGP14_SETn_DIR 1 DSP SETn GPIO14 Direction Control
12 DSPGP13_SETn_DIR 1 DSP SETn GPIO13 Direction Control
11 DSPGP12_SETn_DIR 1 DSP SETn GPIO12 Direction Control
10 DSPGP11_SETn_DIR 1 DSP SETn GPIO11 Direction Control
9 DSPGP10_SETn_DIR 1 DSP SETn GPIO10 Direction Control
8 DSPGP9_SETn_DIR 1 DSP SETn GPIO9 Direction Control
7 DSPGP8_SETn_DIR 1 DSP SETn GPIO8 Direction Control
6 DSPGP7_SETn_DIR 1 DSP SETn GPIO7 Direction Control
5 DSPGP6_SETn_DIR 1 DSP SETn GPIO6 Direction Control
4 DSPGP5_SETn_DIR 1 DSP SETn GPIO5 Direction Control
3 DSPGP4_SETn_DIR 1 DSP SETn GPIO4 Direction Control
2 DSPGP3_SETn_DIR 1 DSP SETn GPIO3 Direction Control
1 DSPGP2_SETn_DIR 1 DSP SETn GPIO2 Direction Control
0 DSPGP1_SETn_DIR 1 DSP SETn GPIO1 Direction Control
_‘ __— __— _— _— CIRRUS LOGIC” Register Address Bit Label Default Description R315440 (0X47D030) 15 DSPGP167SETH7LVL 0 D8? SETH GPIO16 Output Levei 14 DSPGP157SETH7LVL 0 D8? SETH GPIO15 Output Levei 13 DSPGP147$ETH7LVL 0 D8? SETH GPIO14 Output Levei 12 DSPGP137SETH7LVL 0 D8? SETH GPIO13 Output Levei 11 DSFGP127SETH7LVL 0 D8? SETH GPIO12 Output Levei 10 DSPGP117SETH7LVL O DSP SETH GPIO11 Output Level 9 DSPGP1075ETH7LVL O DSP SETH GPIO10 Output Levei 8 DSPGPgiSETHiLVL O DSP SETH GPIOQ Output Level 7 DSPGP87SETH7LVL O DSP SETH GPIOS Output Level 6 DSPGP77SETH7LVL O DSP SETH GPIO7 Output Level 5 DSPGPeiSETHiLVL O DSP SETH GPIOS Output Level 4 DSPGPiiSETHiLVL O DSP SETH GPIOS Output Level 3 DSPGPALSETHiLVL O DSP SETH GPIOA Output Level 2 DSPGPCLSETHiLVL O DSP SETH GPIOS Output Level 1 DSPGP27SETH7LVL O DSP SETH GPIOZ Output Level 0 DSPGP17SETH7LVL O DSP SETH GPIO1 Output Level
DS1162F1 123
CS42L92
4.6 Digital Audio Interface
4.6 Digital Audio Interface
The CS42L92 provides three audio interfaces, AIF1–AIF3. Each interface is independently configurable on the respective
transmit (TX) and receive (RX) paths. Each AIF supports up to eight channels of input and output signal paths.
The data sources for the audio interface transmit (TX) paths can be selected from any of the CS42L92 input signal paths,
or from the digital-core processing functions. The audio interface receive (RX) paths can be selected as inputs to any of
the digital-core processing functions or digital-core outputs. See Section 4.3 for details of the digital-core routing options.
The digital audio interfaces provide flexible connectivity for multiple processors and other audio devices. Typical
connections include applications processor, baseband processor, and wireless transceiver. Note that the SLIMbus
interface also provides digital audio input/output paths, providing options for additional interfaces. A typical configuration
is shown in Fig. 4-37.
R315440 (0x4_D030)
DSPGP_SET1_Level_1
R315472 (0x4_D050)
DSPGP_SET2_Level_1
R315504 (0x4_D070)
DSPGP_SET3_Level_1
R315536 (0x4_D090)
DSPGP_SET4_Level_1
R315568 (0x4_D0B0)
DSPGP_SET5_Level_1
R315600 (0x4_D0D0)
DSPGP_SET6_Level_1
R315632 (0x4_D0F0)
DSPGP_SET7_Level_1
R315664 (0x4_D110)
DSPGP_SET8_Level_1
15 DSPGP16_SETn_LVL 0 DSP SETn GPIO16 Output Level
0 = Logic 0, 1 = Logic 1
14 DSPGP15_SETn_LVL 0 DSP SETn GPIO15 Output Level
13 DSPGP14_SETn_LVL 0 DSP SETn GPIO14 Output Level
12 DSPGP13_SETn_LVL 0 DSP SETn GPIO13 Output Level
11 DSPGP12_SETn_LVL 0 DSP SETn GPIO12 Output Level
10 DSPGP11_SETn_LVL 0 DSP SETn GPIO11 Output Level
9 DSPGP10_SETn_LVL 0 DSP SETn GPIO10 Output Level
8 DSPGP9_SETn_LVL 0 DSP SETn GPIO9 Output Level
7 DSPGP8_SETn_LVL 0 DSP SETn GPIO8 Output Level
6 DSPGP7_SETn_LVL 0 DSP SETn GPIO7 Output Level
5 DSPGP6_SETn_LVL 0 DSP SETn GPIO6 Output Level
4 DSPGP5_SETn_LVL 0 DSP SETn GPIO5 Output Level
3 DSPGP4_SETn_LVL 0 DSP SETn GPIO4 Output Level
2 DSPGP3_SETn_LVL 0 DSP SETn GPIO3 Output Level
1 DSPGP2_SETn_LVL 0 DSP SETn GPIO2 Output Level
0 DSPGP1_SETn_LVL 0 DSP SETn GPIO1 Output Level
Table 4-41. DSP GPIO Control (Cont.)
Register Address Bit Label Default Description
_‘ __— __— _— _— CIRRUS LOGIC”
124 DS1162F1
CS42L92
4.6 Digital Audio Interface
Figure 4-37. Typical AIF Connections
In the general case, the digital audio interface uses four pins:
TXDAT: data output
RXDAT: data input
BCLK: bit clock, for synchronization
LRCLK: left/right data-alignment clock
In Master Mode, the clock signals BCLK and LRCLK are outputs from the CS42L92. In Slave Mode, these signals are
inputs, as shown in Section 4.6.1.
The following interface formats are supported on AIF1–AIF3:
DSP Mode A
DSP Mode B
•I
2S
• Left-justified
The left-justified and DSP-B formats are valid in Master Mode only (i.e., BCLK and LRCLK are outputs from the CS42L92).
These modes cannot be supported in Slave Mode.
The audio interface formats are described in Section 4.6.2. The bit order is MSB-first in each case. Mono PCM operation
can be supported using the DSP modes. Refer to Table 3-16 through Table 3-18 for signal timing information.
For typical applications, AIF data is encoded in 2’s complement (signed, fixed-point) format. This format is compatible with
all of the digital mixing and signal-processing functions on the CS42L92. Other data types, including floating point formats,
can be supported using the DFCs. Note that, if unsigned or floating point data is present within the digital core, some
restrictions on the valid signal routing options apply—see Section 4.3.13.
Audio Interface 1
Audio Interface 2
Audio Interface 3
HDMI
Device
Baseband
Processor
Wireless
Transceiver
SLIMbus interface
Applications
Processor
CS42L92
_‘ __— __— _— _— CIRRUS LOGIC”
DS1162F1 125
CS42L92
4.6 Digital Audio Interface
4.6.1 Master and Slave Mode Operation
The CS42L92 digital audio interfaces can operate as a master or slave, as shown in Fig. 4-38 and Fig. 4-39. The
associated control bits are described in Section 4.7.
4.6.2 Audio Data Formats
The CS42L92 digital audio interfaces can be configured to operate in I2S, left-justified, DSP-A, or DSP-B interface modes.
Note that left-justified and DSP-B modes are valid in Master Mode only (i.e., BCLK and LRCLK are outputs from the
CS42L92).
The digital audio interfaces also provide flexibility to support multiple slots of audio data within each LRCLK frame. This
flexibility allows multiple audio channels to be supported within a single LRCLK frame.
The data formats described in this section are generic descriptions, assuming only one stereo pair of audio samples per
LRCLK frame. In these cases, the AIF is configured to transmit (or receive) in the first available position in each frame (i.e.,
the Slot 0 position).
The options for multichannel operation are described in Section 4.6.3.
The audio data modes supported by the CS42L92 are described as follows. Note that the polarity of the BCLK and LRCLK
signals can be inverted if required; the following descriptions all assume the default, noninverted polarity of these signals.
In DSP modes, the left channel MSB is available on either the first (Mode B) or second (Mode A) rising edge of
BCLK following a rising edge of LRCLK. Right-channel data immediately follows left channel data. Depending on
word length, BCLK frequency, and sample rate, there may be unused BCLK cycles between the LSB of the right
channel data and the next sample.
In Master Mode, the LRCLK output resembles the frame pulse shown in Fig. 4-40 and Fig. 4-41. In Slave Mode, it
is possible to use any length of frame pulse less than 1/Fs, providing the falling edge of the frame pulse occurs at
least one BCLK period before the rising edge of the next frame pulse.
PCM operation is supported in DSP interface mode. CS42L92 data that is output on the left channel is read as mono
data by the receiving equipment. Mono PCM data received by the CS42L92 is treated as left-channel data. This
may be routed to the left/right playback paths using the control fields described in Section 4.3.
Figure 4-38. Master Mode Figure 4-39. Slave Mode
TXDAT
LRCLK
RXDAT
BCLK
Processor
CS42L92
TXDAT
LRCLK
RXDAT
BCLK
Processor
CS42L92
_‘ __— __— _— _— CIRRUS LOGIC” EH LSE
126 DS1162F1
CS42L92
4.6 Digital Audio Interface
DSP Mode A data format is shown in Fig. 4-40.
Figure 4-40. DSP Mode A Data Format
DSP Mode B data format is shown in Fig. 4-41.
Figure 4-41. DSP Mode B Data Format
•In I
2S Mode, the MSB is available on the second rising edge of BCLK following a LRCLK transition. The other bits
up to the LSB are then transmitted in order. Depending on word length, BCLK frequency, and sample rate, there
may be unused BCLK cycles between the LSB of one sample and the MSB of the next.
I2S Mode data format is shown in Fig. 4-42.
Figure 4-42. I2S Data Format (Assuming n-Bit Word Length)
In Left-Justified Mode, the MSB is available on the first rising edge of BCLK following a LRCLK transition. The other
bits up to the LSB are then transmitted in order. Depending on word length, BCLK frequency, and sample rate, there
may be unused BCLK cycles before each LRCLK transition.
Left-Justified Mode data format is shown in Fig. 4-43.
Figure 4-43. Left-Justified Data Format (Assuming n-Bit Word Length)
nn-1n-2321 nn-1n-2321
LEFT CHANNEL RIGHT CHANNEL
MSB LSB
Input W or d Length ( WL)
1/Fs
LRCLK
BCLK
RXDAT/
TXDAT
1 BCLK
In Slave M ode , the fall i ng edge can occur any w here in thi s area
1 BCLK
nn-1n-2321 nn-1n- 2321
LEFT CHANNEL RIGHT CHANNEL
MSB LSB
Input W ord Length (WL)
1/Fs
LRCLK
BCLK
RXDAT/
TXDAT
1 BCLK 1 BCLK
In Slave M ode , the fall i ng edge can occ ur anyw here in thi s area
nn-1n-2321 nn-1n-2321
LEFT CHANNEL RIGHT CHANNEL
MSB LSB
Input W ord Length ( W L)
1/Fs
LRCLK
BCLK
RXDAT/
TXDAT
1 BCLK 1 BCLK
nn-1n-2321 nn-1n-2321
LEFT CHANNEL RIGHT CHANNEL
MSB LSB
Input W or d Length ( WL)
1/Fs
LRCLK
BCLK
RXDAT/
TXDAT
__- __— __— _— _— CIRRUS LOGIC"
DS1162F1 127
CS42L92
4.6 Digital Audio Interface
4.6.3 AIF Time-Slot Configuration
Multichannel operation is supported on AIF1–AIF3, with up to eight channels of input and output on each. A high degree
of flexibility is provided to define the position of the audio samples within each LRCLK frame; the audio channel samples
may be arranged in any order within the frame. Note that, on each interface, all input and output channels must operate
at the same sample rate (Fs).
Each audio channel can be enabled or disabled independently on the transmit (TX) and receive (RX) signal paths. For
each enabled channel, the audio samples are assigned to one time slot within the LRCLK frame.
In DSP modes, the time slots are ordered consecutively from the start of the LRCLK frame. In I2S and left-justified modes,
the even-numbered time slots are arranged in the first half of the LRCLK frame, and the odd-numbered time slots are
arranged in the second half of the frame.
The time slots are assigned independently for the transmit (TX) and receive (RX) signal paths. There is no requirement to
assign every available time slot to an audio sample; slots may be left unused, if desired. Care is required, however, to
ensure that no time slot is allocated to more than one audio channel.
The number of BCLK cycles within a slot is configurable; this is the slot length. The number of valid data bits within a slot
is also configurable; this is the word length. The number of BCLK cycles per LRCLK frame must be configured; it must be
ensured that there are enough BCLK cycles within each LRCLK frame to transmit or receive all of the enabled audio
channels.
Examples of the AIF time-slot configurations are shown in Fig. 4-44 through Fig. 4-47. One example is shown for each of
the four possible data formats.
Fig. 4-44 shows an example of DSP Mode A format. Four enabled audio channels are shown, allocated to time slots 0
through 3.
Figure 4-44. DSP Mode A Example
LRCLK
Slot 0 Slot 1 Slot 2 Slot 3 Slot 4 Slot 5 Slot 6 Slot 7 ...
Slot 0
Slot 3
AIF1[TX1/RX1]_SLOT = 0Channel 1
Channel 2
Channel 3
Channel 4
BCLK
TXDAT/
RXDAT
Slot 1
Slot 2
AIF1[TX2/RX2]_SLOT = 1
AIF1[TX3/RX3]_SLOT = 2
AIF1[TX4/RX4]_SLOT = 3
_‘ __— __— _— _— CIRRUS LOGIC” J L — mm mm \ \ \ \ \ \ \ \ \ 74: 7—: 7: 74: 7—: 7—:
128 DS1162F1
CS42L92
4.6 Digital Audio Interface
Fig. 4-45 shows an example of DSP Mode B format. Six enabled audio channels are shown, with time slots 4 and 5
unused.
Figure 4-45. DSP Mode B Example
Fig. 4-46 shows an example of I2S format. Four enabled channels are shown, allocated to time slots 0 through 3.
Figure 4-46. I2S Example
Fig. 4-47 shows an example of left-justified format. Six enabled channels are shown.
Figure 4-47. Left-Justified Example
LRCLK
Slot 0 Slot 1 Slot 2 Slot 3 Slot 4 Slot 5 Slot 6 Slot 7 ...
Slot 0
Slot 2
Slot 1
Slot 3
Channel 1
Channel 2
Channel 3
Channel 4
BCLK
TXDAT/
RXDAT
Slot 6
Slot 7
Channel 5
Channel 6
AIF1[TX1/RX1]_SLOT = 2
AIF1[TX2/RX2]_SLOT = 3
AIF1[TX3/RX3]_SLOT = 0
AIF1[TX4/RX4]_SLOT = 1
AIF1[TX5/RX5]_SLOT = 6
AIF1[TX6/RX6]_SLOT = 7
LRCLK
Slot 0 Slot 2 Slot 4 ... Slot 1 Slot 3 Slot 5 ...
Slot 3
Slot 0
Slot 1
Channel 1
Channel 2
Channel 3
Channel 4
BCLK
TXDAT/
RXDAT
Slot 2
AIF1[TX1/RX1]_SLOT = 0
AIF1[TX3/RX3]_SLOT = 2
AIF1[TX2/RX2]_SLOT = 1
AIF1[TX4/RX4]_SLOT = 3
LRCLK
Slot 0 Slot 2 Slot 4 ... Slot 1 Slot 3 Slot 5 ...
Slot 0
Channel 1
Channel 4
BCLK
TXDAT/
RXDAT
Channel 2
Slot 4
Channel 3
Slot 3
Channel 6
Slot 1
Slot 2
Channel 5
Slot 5
AIF1[TX5/RX5]_SLOT = 0
AIF1[TX6/RX6]_SLOT = 2
AIF1[TX2/RX2]_SLOT = 4
AIF1[TX3/RX3]_SLOT = 1
AIF1[TX1/RX1]_SLOT = 5
AIF1[TX4/RX4]_SLOT = 3
_‘ __— __— _— _— CIRRUS LOGIC”
DS1162F1 129
CS42L92
4.6 Digital Audio Interface
4.6.4 TDM Operation Between Three or More Devices
The AIF operation described in Section 4.6.3 illustrates how multiple audio channels can be interleaved on a single TXDAT
or RXDAT pin. The interface uses TDM to allocate time periods to each audio channel in turn.
This form of TDM is implemented between two devices, using the electrical connections shown Fig. 4-38 or Fig. 4-39.
It is also possible to implement TDM between three or more devices. This allows one codec to receive audio data from
two other devices simultaneously on a single audio interface, as shown in Fig. 4-48, Fig. 4-49, and Fig. 4-50.
The CS42L92 provides full support for TDM operation. The TXDAT pin can be tristated when not transmitting data, in order
to allow other devices to transmit on the same wire. The behavior of the TXDAT pin is configurable, to allow maximum
flexibility to interface with other devices in this way.
Typical configurations of TDM operation between three devices are shown in Fig. 4-48, Fig. 4-49, and Fig. 4-50.
Figure 4-48. TDM with CS42L92 as Master Figure 4-49. TDM with Other Codec as Master
Processor
TXDAT
LRCLK
RXDAT
BCLK
TXDAT
LRCLK
RXDAT
BCLK
CS42L92
CS42L92
or similar
CODEC
TXDAT
LRCLK
RXDAT
BCLK
TXDAT
LRCLK
RXDAT
BCLK
Processor
CS42L92
CS42L92
or similar
CODEC
_‘ __— __— _— _— CIRRUS LOGIC”
130 DS1162F1
CS42L92
4.7 Digital Audio Interface Control
4.7 Digital Audio Interface Control
This section describes the configuration of the CS42L92 digital audio interface paths.
Each AIF supports up to eight input signal paths and up to eight output signal paths. The digital audio interfaces can be
configured as master or slave interfaces; mixed master/slave configurations are also possible.
Each input and output signal path can be independently enabled or disabled. The AIF output (TX) and AIF input (RX) paths
use shared BCLK and LRCLK control signals.
The digital audio interface supports flexible data formats, selectable word length, configurable time-slot allocations, and
TDM tristate control.
The AIF1 and AIF3 interfaces provide full support for 32-bit data words (input and output). Audio data samples up to 32 bits
can be routed to the AIF1, AIF3, SLIMbus, S/PDIF, and DAC output paths. Note that other signal paths and
signal-processing blocks within the digital core are limited to 24-bit data length; data samples are truncated to 24-bit length
if they are routed through any function that does not support 32-bit data words.
The audio interfaces can be reconfigured while enabled, including changes to the LRCLK frame length and the channel
time-slot configurations. Care is required to ensure that any on-the-fly reconfiguration does not cause corruption to the
active signal paths. Wherever possible, it is recommended to disable all channels before changing the AIF configuration.
4.7.1 AIF Sample-Rate Control
The AIF RX inputs may be selected as input to the digital mixers or signal-processing functions within the CS42L92 digital
core. The AIF TX outputs are derived from the respective output mixers.
The sample rate for each digital audio interface AIFn is configured using the respective AIFn_RATE fieldsee Table 4-26.
Note that sample-rate conversion is required when routing the AIF paths to any signal chain that is asynchronous or
configured for a different sample rate.
Figure 4-50. TDM with Processor as Master
TXDAT
LRCLK
RXDAT
BCLK
TXDAT
LRCLK
RXDAT
BCLK
Processor
CS42L92
CS42L92
or similar
CODEC
_‘ __— __— _— _— CIRRUS LOGIC” Register Address Bit Label Default Description R1280 (OXOSOO) 7 AIF‘I, O AIF‘I Audio Interface ECLK Invert 6 AIF‘I, O AIF‘I Audio Interface BCLK Output Control 5 AIF‘I, O AIF‘I Audio Interface ECLK Master Select
DS1162F1 131
CS42L92
4.7 Digital Audio Interface Control
4.7.2 AIF Pin Configuration
The external connections associated with each digital audio interface (AIF) are implemented on multifunction GPIO pins,
which must be configured for the respective AIF functions when required. The AIF connections are pin-specific alternative
functions available on specific GPIO pins. See Section 4.14 to configure the GPIO pins for AIF operation.
Integrated pull-up and pull-down resistors can be enabled on the AIFnLRCLK, AIFnBCLK and AIFnRXDAT pins. This is
provided as part of the GPIO functionality, and provides a flexible capability for interfacing with other devices. Each pull-up
and pull-down resistor can be configured independently using the fields described in Table 4-93.
If the pull-up and pull-down resistors are both enabled, the CS42L92 provides a bus keeper function on the respective pin.
The bus-keeper function holds the logic level unchanged whenever the pin is undriven (e.g., if the signal is tristated).
4.7.3 AIF Master/Slave Control
The digital audio interfaces can operate in master or slave modes and also in mixed master/slave configurations. In Master
Mode, the BCLK and LRCLK signals are generated by the CS42L92 when any of the respective digital audio interface
channels is enabled. In Slave Mode, these outputs are disabled by default to allow another device to drive these pins.
Master Mode is selected on the AIFnBCLK pin by setting AIFn_BCLK_MSTR. In Master Mode, the AIFnBCLK signal is
generated by the CS42L92 when one or more AIFn channels is enabled.
If the AIFn_BCLK_FRC bit is set in BCLK Master Mode, the AIFnBCLK signal is output at all times, including when none
of the AIFn channels is enabled.
The AIFnBCLK signal can be inverted in master or slave modes using the AIFn_BCLK_INV bit.
Master Mode is selected on the AIFnLRCLK pin by setting AIFn_LRCLK_MSTR. In Master Mode, the AIFnLRCLK signal
is generated by the CS42L92 when one or more AIFn channels is enabled.
If AIFn_LRCLK_FRC is set in LRCLK Master Mode, the AIFnLRCLK signal is output at all times, including when none of
the AIFn channels is enabled. Note that AIFnLRCLK is derived from AIFnBCLK, and an internal or external AIFnBCLK
signal must be present to generate AIFnLRCLK.
The AIFnLRCLK signal can be inverted in master or slave modes using the AIFn_LRCLK_INV bit.
The timing of the AIFnLRCLK signal is selectable using AIFn_LRCLK_ADV. If this bit is set, the LRCLK signal transition
is advanced to the previous BCLK phase (as compared with the default behavior). Further details of this option, and
conditions for valid use cases, are described in Section 4.7.3.1.
The AIF1 master/slave control registers are described in Table 4-42.
Table 4-42. AIF1 Master/Slave Control
Register Address Bit Label Default Description
R1280 (0x0500)
AIF1_BCLK_Ctrl
7AIF1_
BCLK_INV
0 AIF1 Audio Interface BCLK Invert
0 = AIF1BCLK not inverted
1 = AIF1BCLK inverted
6AIF1_
BCLK_FRC
0 AIF1 Audio Interface BCLK Output Control
0 = Normal
1 = AIF1BCLK always enabled in Master Mode
5AIF1_
BCLK_
MSTR
0 AIF1 Audio Interface BCLK Master Select
0 = AIF1BCLK Slave Mode
1 = AIF1BCLK Master Mode
_‘ __— __— _— _— CIRRUS LOGIC” Register Address Bit Label Default Description R1282 (0X0502) 4 AlF17 O AIF1 Audio Interlace LRCLK Advance 2 AlF17 O AIF1 Audio Interlace LRCLK Invert 1 AlF17 O AIF1 Audio Interlace LRCLK Output Control 0 AlF17 O AIF1 Audio Interlace LRCLK Master Select Register Address Bit Label Default Description R1344 (0X0540) 7 AlF27ECLK7 O AIFZ Audio Interlace ECLK Invert 6 AlF27ECLK7 O AIFZ Audio Interlace BCLK Output Control 5 AlF27ECLK7 O AIFZ Audio Interlace ECLK Master Select R1346 (0X0542) 4 AlFZ, O AIFZ Audio Interlace LRCLK Advance 2 AlFZ, O AIFZ Audio Interlace LRCLK Invert 1 AlFZ, O AIFZ Audio Interlace LRCLK Output Control 0 AlFZ, O AIFZ Audio Interlace LRCLK Master Select Register Address Bit Label Default Description R1408 (OXOSBO) 7 AlFCLECLK, O AIF3 Audio Interlace ECLK Invert 6 AlFCLECLK, O AIF3 Audio Interlace BCLK Output Control 5 AlFCLECLK, O AIF3 Audio Interlace ECLK Master Select
132 DS1162F1
CS42L92
4.7 Digital Audio Interface Control
The AIF2 master/slave control registers are described in Table 4-43.
The AIF3 master/slave control registers are described in Table 4-44.
R1282 (0x0502)
AIF1_Rx_Pin_Ctrl
4AIF1_
LRCLK_
ADV
0 AIF1 Audio Interface LRCLK Advance
0 = Normal
1 = AIF1LRCLK transition is advanced to the previous BCLK phase
2AIF1_
LRCLK_INV
0 AIF1 Audio Interface LRCLK Invert
0 = AIF1LRCLK not inverted
1 = AIF1LRCLK inverted
1AIF1_
LRCLK_
FRC
0 AIF1 Audio Interface LRCLK Output Control
0 = Normal
1 = AIF1LRCLK always enabled in Master Mode
0AIF1_
LRCLK_
MSTR
0 AIF1 Audio Interface LRCLK Master Select
0 = AIF1LRCLK Slave Mode
1 = AIF1LRCLK Master Mode
Table 4-43. AIF2 Master/Slave Control
Register Address Bit Label Default Description
R1344 (0x0540)
AIF2_BCLK_Ctrl
7AIF2_BCLK_
INV
0 AIF2 Audio Interface BCLK Invert
0 = AIF2BCLK not inverted
1 = AIF2BCLK inverted
6AIF2_BCLK_
FRC
0 AIF2 Audio Interface BCLK Output Control
0 = Normal
1 = AIF2BCLK always enabled in Master Mode
5AIF2_BCLK_
MSTR
0 AIF2 Audio Interface BCLK Master Select
0 = AIF2BCLK Slave Mode
1 = AIF2BCLK Master Mode
R1346 (0x0542)
AIF2_Rx_Pin_Ctrl
4AIF2_
LRCLK_ADV
0 AIF2 Audio Interface LRCLK Advance
0 = Normal
1 = AIF2LRCLK transition is advanced to the previous BCLK phase
2AIF2_
LRCLK_INV
0 AIF2 Audio Interface LRCLK Invert
0 = AIF2LRCLK not inverted
1 = AIF2LRCLK inverted
1AIF2_
LRCLK_FRC
0 AIF2 Audio Interface LRCLK Output Control
0 = Normal
1 = AIF2LRCLK always enabled in Master Mode
0AIF2_
LRCLK_
MSTR
0 AIF2 Audio Interface LRCLK Master Select
0 = AIF2LRCLK Slave Mode
1 = AIF2LRCLK Master Mode
Table 4-44. AIF3 Master/Slave Control
Register Address Bit Label Default Description
R1408 (0x0580)
AIF3_BCLK_Ctrl
7AIF3_BCLK_
INV
0 AIF3 Audio Interface BCLK Invert
0 = AIF3BCLK not inverted
1 = AIF3BCLK inverted
6AIF3_BCLK_
FRC
0 AIF3 Audio Interface BCLK Output Control
0 = Normal
1 = AIF3BCLK always enabled in Master Mode
5AIF3_BCLK_
MSTR
0 AIF3 Audio Interface BCLK Master Select
0 = AIF3BCLK Slave Mode
1 = AIF3BCLK Master Mode
Table 4-42. AIF1 Master/Slave Control (Cont.)
Register Address Bit Label Default Description
_‘ __— __— _— _— CIRRUS LOGIC” Register Address Bit Label Default Descrip ion R1410 (OXOSBZ) 4 AIFCL O AIF3 Audio Interface LRCLK Advance 2 AIFCL O AIF3 Audio Interface LRCLK Invert ‘I AIFCL O AIF3 Audio Interface LRCLK Output Control 0 AIFCL O AIF3 Audio Interface LRCLK Master Select
DS1162F1 133
CS42L92
4.7 Digital Audio Interface Control
4.7.3.1 LRCLK Advance
The timing of the AIFnLRCLK signal can be adjusted using AIFn_LRCLK_ADV. If this bit is set, the LRCLK signal transition
is advanced to the previous BCLK phase (as compared with the default behavior).
The LRCLK-advance option (AIFn_LRCLK_ADV = 1) is valid for DSP-A mode only, operating in Master Mode.
Note: BCLK inversion must be enabled (AIFn_BCLK_INV = 1) if the LRCLK-advance option is enabled.
The adjusted interface timing (AIFn_LRCLK_ADV = 1), is shown in Fig. 4-51. The left-channel MSB is available on the
second rising edge of BCLK, 1.5 BCLK cycles after the LRCLK rising edge—assuming the BCLK output is inverted.
Figure 4-51. LRCLK advance—DSP-A Master Mode
4.7.4 AIF Signal Path Enable
The AIF1–AIF3 interfaces support up to eight input (RX) channels and up to eight output (TX) channels. Each channel is
enabled or disabled using the bits defined in Table 4-45, Table 4-46 and Table 4-47.
The system clock, SYSCLK, must be configured and enabled before any audio path is enabled. The ASYNCCLK may also
be required, depending on the path configuration. See Section 4.16 for details of the system clocks.
The audio interfaces can be reconfigured if enabled, including changes to the LRCLK frame length and the channel
time-slot configurations. Care is required to ensure that this on-the-fly reconfiguration does not cause corruption to the
active signal paths. Wherever possible, it is recommended to disable all channels before changing the AIF configuration.
The CS42L92 performs automatic checks to confirm that the SYSCLK and ASYNCCLK frequencies are high enough to
support the commanded signal paths and processing functions. If the frequency is too low, an attempt to enable an AIF
signal path fails. Note that active signal paths are not affected under such circumstances.
R1410 (0x0582)
AIF3_Rx_Pin_Ctrl
4AIF3_
LRCLK_ADV
0 AIF3 Audio Interface LRCLK Advance
0 = Normal
1 = AIF3LRCLK transition is advanced to the previous BCLK phase
2AIF3_
LRCLK_INV
0 AIF3 Audio Interface LRCLK Invert
0 = AIF3LRCLK not inverted
1 = AIF3LRCLK inverted
1AIF3_
LRCLK_FRC
0 AIF3 Audio Interface LRCLK Output Control
0 = Normal
1 = AIF3LRCLK always enabled in Master Mode
0AIF3_
LRCLK_
MSTR
0 AIF3 Audio Interface LRCLK Master Select
0 = AIF3LRCLK Slave Mode
1 = AIF3LRCLK Master Mode
Table 4-44. AIF3 Master/Slave Control (Cont.)
Register Address Bit Label Default Description
nn-1n-2321 nn-1n-2321
LEFT CHANNEL RIGHT CHANNEL
MSB LSB
Input W or d Length ( WL)
1/Fs
LRCLK
BCLK
RXDAT/
TXDAT
1.5 BCLK
_‘ __— __— _— _— CIRRUS LOGIC” Register Address Bil Label Default Description R1305(0x0519) AIF‘T TXELENA AiF1 Audio Interlace TX Channel Ii Enabie A|F1TX77ENA A|F1TX67ENA A|F1TX57ENA AIF‘T TX47ENA AIF‘T TXCLENA A|F1TX27ENA AIF‘TTX‘LENA R1306 (OXOS‘iA) AIF‘T RXELENA AiF1 Audio Interlace RX Channel Enabie A|F1RX77ENA A|F1RX67ENA A|F1RX57ENA AIF‘T RXALENA AIF‘T RXCLENA cemweuouoemweumu A|F1RX27ENA AIF‘TRX‘LENA ooooooooooooooo Register Address Bit Label Defaull Description R1369 (0x0559) A|F2TX87ENA A|F2TX77ENA A|F2TX67ENA A|F2TX57ENA A|F2TX47ENA A|F2TX37ENA A|F2TX27ENA A|F2TX17ENA AiFZ Audio Interlace TX Channel Enabie R1370 (moss/t) A| F2 RXILENA A|F2RX77ENA A| F2 RX67ENA A|F2RX57ENA A| F2 RXALENA A|F2RX37ENA A| F2 RX27ENA oemweuouoemweumu A|F2RX17ENA ooooooooooooooo AiFZ Audio Interlace RX Channel Enabie Register Address Bil Label Default Description R1433 (0)0599) AIFSTXELENA A|F3TX77ENA A|F3TX67ENA A|F3TX57ENA A|F3TX47ENA AIFSTXCLENA A|F3TX27ENA O‘wauou AIFSTX‘LENA ooooooo AiFS Audio Interlace TX Chahnel Ii Enabie
134 DS1162F1
CS42L92
4.7 Digital Audio Interface Control
The AIF1 signal-path-enable bits are described in Table 4-45.
The AIF2 signal-path-enable bits are described in Table 4-46.
The AIF3 signal-path-enable bits are described in Table 4-47.
Table 4-45. AIF1 Signal Path Enable
Register Address Bit Label Default Description
R1305 (0x0519)
AIF1_Tx_Enables
7 AIF1TX8_ENA 0 AIF1 Audio Interface TX Channel n Enable
0 = Disabled
1 = Enabled
6 AIF1TX7_ENA 0
5 AIF1TX6_ENA 0
4 AIF1TX5_ENA 0
3 AIF1TX4_ENA 0
2 AIF1TX3_ENA 0
1 AIF1TX2_ENA 0
0 AIF1TX1_ENA 0
R1306 (0x051A)
AIF1_Rx_Enables
7 AIF1RX8_ENA 0 AIF1 Audio Interface RX Channel n Enable
0 = Disabled
1 = Enabled
6AIF1RX7_ENA 0
5AIF1RX6_ENA 0
4AIF1RX5_ENA 0
3AIF1RX4_ENA 0
2AIF1RX3_ENA 0
1AIF1RX2_ENA 0
0AIF1RX1_ENA 0
Table 4-46. AIF2 Signal Path Enable
Register Address Bit Label Default Description
R1369 (0x0559)
AIF2_Tx_Enables
7 AIF2TX8_ENA 0 AIF2 Audio Interface TX Channel n Enable
0 = Disabled
1 = Enabled
6AIF2TX7_ENA 0
5AIF2TX6_ENA 0
4AIF2TX5_ENA 0
3AIF2TX4_ENA 0
2AIF2TX3_ENA 0
1AIF2TX2_ENA 0
0AIF2TX1_ENA 0
R1370 (0x055A)
AIF2_Rx_Enables
7 AIF2RX8_ENA 0 AIF2 Audio Interface RX Channel n Enable
0 = Disabled
1 = Enabled
6 AIF2RX7_ENA 0
5 AIF2RX6_ENA 0
4 AIF2RX5_ENA 0
3 AIF2RX4_ENA 0
2 AIF2RX3_ENA 0
1 AIF2RX2_ENA 0
0 AIF2RX1_ENA 0
Table 4-47. AIF3 Signal Path Enable
Register Address Bit Label Default Description
R1433 (0x0599)
AIF3_Tx_Enables
7 AIF3TX8_ENA 0 AIF3 Audio Interface TX Channel n Enable
0 = Disabled
1 = Enabled
6 AIF3TX7_ENA 0
5 AIF3TX6_ENA 0
4 AIF3TX5_ENA 0
3 AIF3TX4_ENA 0
2 AIF3TX3_ENA 0
1 AIF3TX2_ENA 0
0 AIF3TX1_ENA 0
_‘ __— __— _— _— CIRRUS LOGIC” Register Address Bil Label Defaulr Description R1434 (0x059A) 7 AIFSRXELENA o AIF3 Audio lnlerlace RX Channel Enable 6 AlFaRxLENA o 5 AIFSRX67ENA o 4 AlFaRxstA o 3 AIFSRXLLENA o 2 AIFSRXLENA o 1 AlFaszjNA o o AIFSRXLENA 0 Register R1280 4:0 AIFL 0x00 AIF1BCLK Rate. The AIF1BCLK rate must be less than or equal to svscwz, R1286 12:0 AIFL 0x004!) AIF‘lLRCLK Rate. Selects the number ol ECLK cycles per AIF1LRCLK lrarne. AIF1LRCLK clock :
DS1162F1 135
CS42L92
4.7 Digital Audio Interface Control
4.7.5 AIF BCLK and LRCLK Control
The AIFnBCLK frequency is selected using the AIFn_BCLK_FREQ field. For each setting of this field, the actual frequency
depends on whether AIFn is configured for a 48-kHz-related sample rate, as described in Table 4-48 through Table 4-50.
If AIFn_RATE < 1000 (Table 4-26), AIFn is referenced to the SYSCLK clocking domain and the applicable
frequency depends upon the SAMPLE_RATE_1, SAMPLE_RATE_2 or SAMPLE_RATE_3 fields.
If AIFn_RATE 1000, AIFn is referenced to the ASYNCCLK clocking domain and the applicable frequency
depends upon the ASYNC_SAMPLE_RATE_1 or ASYNC_SAMPLE_RATE_2 fields.
The selected AIFnBCLK rate must be less than or equal to SYSCLK/2, or ASYNCCLK/2, as applicable. See Section 4.16
for details of SYSCLK and ASYNCCLK clock domains, and the associated control registers.
The AIFnLRCLK frequency is controlled relative to AIFnBCLK by the AIFn_BCPF divider.
Note that the BCLK rate must be configured in master and slave modes, using the AIFn_BCLK_FREQ fields. The LRCLK
rates only require to be configured in Master Mode.
The AIF1 BCLK/LRCLK control fields are described in Table 4-48.
R1434 (0x059A)
AIF3_Rx_Enables
7 AIF3RX8_ENA 0 AIF3 Audio Interface RX Channel n Enable
0 = Disabled
1 = Enabled
6AIF3RX7_ENA 0
5AIF3RX6_ENA 0
4AIF3RX5_ENA 0
3AIF3RX4_ENA 0
2AIF3RX3_ENA 0
1AIF3RX2_ENA 0
0AIF3RX1_ENA 0
Table 4-48. AIF1 BCLK and LRCLK Control
Register
Address Bit Label Default Description
R1280
(0x0500)
AIF1_
BCLK_Ctrl
4:0 AIF1_
BCLK_
FREQ[4:0]
0x0C AIF1BCLK Rate. The AIF1BCLK rate must be less than or equal to SYSCLK/2.
0x00–0x01 = Reserved
0x02 = 64 kHz (58.8 kHz)
0x03 = 96 kHz (88.2 kHz)
0x04 = 128 kHz (117.6 kHz)
0x05 = 192 kHz (176.4 kHz)
0x06 = 256 kHz (235.2 kHz)
0x07 = 384 kHz (352.8 kHz)
0x08 = 512 kHz (470.4 kHz)
0x09 = 768 kHz (705.6 kHz)
0x0A = 1.024 MHz (940.8 kHz)
0x0B = 1.536 MHz (1.4112 MHz)
0x0C = 2.048 MHz (1.8816 MHz)
0x0D = 3.072 MHz (2.8824 MHz)
0x0E = 4.096 MHz (3.7632 MHz)
0x0F = 6.144 MHz (5.6448 MHz)
0x10 = 8.192 MHz (7.5264 MHz)
0x11 = 12.288 MHz (11.2896 MHz)
0x12 = 24.576 MHz (22.5792 MHz)
The frequencies in brackets apply for 44.1 kHz–related sample rates only.
If AIF1_RATE < 1000, AIF1 is referenced to the SYSCLK clock domain. In this case, the
44.1 kHz–related frequencies apply if SAMPLE_RATE_n = 01XXX.
If AIF1_RATE 1000, AIF1 is referenced to the ASYNCCLK clock domain. In this case, the
44.1 kHz–related frequencies apply if ASYNC_SAMPLE_RATE_n = 01XXX.
R1286
(0x0506)
AIF1_Rx_
BCLK_Rate
12:0 AIF1_
BCPF[12:0]
0x0040 AIF1LRCLK Rate. Selects the number of BCLK cycles per AIF1LRCLK frame. AIF1LRCLK clock =
AIF1BCLK/AIF1_BCPF.
Integer (LSB = 1), Valid from 8 to 8191.
Table 4-47. AIF3 Signal Path Enable (Cont.)
Register Address Bit Label Default Description
_‘ __— __— _— _— CIRRUS LOGIC” Register R1344 4:0 Ale, 0x00 AIFZBCLK Rate. The AIFZBCLK rate must be less than or equal to svscwz, R1350 12:0 Ale, 0x0040 AIFZLRCLK Rate. Selects the number 01 ECLK cycles per AIF2LRCLK lrame. AIFZLRCLK clock : Register R1408 4:0 AIFCL 0x00 AIFSBCLK Rate. The AIFSBCLK rate must be less than or equal to svscwz, R1414 12:0 AIFCL 0x0040 AIFSLRCLK Rate. Selects the number 01 ECLK cycles per AIFSLRCLK lrame. AIFSLRCLK clock :
136 DS1162F1
CS42L92
4.7 Digital Audio Interface Control
The AIF2 BCLK/LRCLK control fields are described in Table 4-49.
The AIF3 BCLK/LRCLK control fields are described in Table 4-50.
4.7.6 AIF Digital Audio Data Control
The fields controlling the audio data format, word length, and slot configurations for AIF1–AIF3 are described in Table 4-51
through Table 4-53 respectively.
Note that left-justified and DSP-B modes are valid in Master Mode only (i.e., BCLK and LRCLK are outputs from the
CS42L92).
The AIFn slot length is the number of BCLK cycles in one time slot within the overall LRCLK frame. The word length is the
number of valid data bits within each time slot. If the word length is less than the slot length, there are unused BCLK cycles
at the end of each time slot. The AIFn word length and slot length are independently selectable for the input (RX) and
output (TX) paths.
For each AIF input (RX) and AIF output (TX) channel, the position of the audio data sample within the LRCLK frame is
configurable. The x_SLOT fields define the time-slot position of the audio sample for the associated audio channel. Valid
selections are Slot 0 upwards. The time slots are numbered as shown in Fig. 4-44 through Fig. 4-47.
Table 4-49. AIF2 BCLK and LRCLK Control
Register
Address Bit Label Default Description
R1344
(0x0540)
AIF2_
BCLK_Ctrl
4:0 AIF2_
BCLK_
FREQ[4:0]
0x0C AIF2BCLK Rate. The AIF2BCLK rate must be less than or equal to SYSCLK/2.
0x00–0x01 = Reserved
0x02 = 64 kHz (58.8 kHz)
0x03 = 96 kHz (88.2 kHz)
0x04 = 128 kHz (117.6 kHz)
0x05 = 192 kHz (176.4 kHz)
0x06 = 256 kHz (235.2 kHz)
0x07 = 384 kHz (352.8 kHz)
0x08 = 512 kHz (470.4 kHz)
0x09 = 768 kHz (705.6 kHz)
0x0A = 1.024 MHz (940.8 kHz)
0x0B = 1.536 MHz (1.4112 MHz)
0x0C = 2.048 MHz (1.8816 MHz)
0x0D = 3.072 MHz (2.8824 MHz)
0x0E = 4.096 MHz (3.7632 MHz)
0x0F = 6.144 MHz (5.6448 MHz)
0x10 = 8.192 MHz (7.5264 MHz)
0x11 = 12.288 MHz (11.2896 MHz)
0x12 = 24.576 MHz (22.5792 MHz)
The frequencies in brackets apply for 44.1 kHz–related sample rates only.
If AIF2_RATE < 1000, AIF2 is referenced to the SYSCLK clock domain. In this case, the
44.1 kHz–related frequencies apply if SAMPLE_RATE_n = 01XXX.
If AIF2_RATE 1000, AIF2 is referenced to the ASYNCCLK clock domain. In this case, the
44.1 kHz–related frequencies apply if ASYNC_SAMPLE_RATE_n = 01XXX.
R1350
(0x0546)
AIF2_Rx_
BCLK_Rate
12:0 AIF2_
BCPF[12:0]
0x0040 AIF2LRCLK Rate. Selects the number of BCLK cycles per AIF2LRCLK frame. AIF2LRCLK clock =
AIF2BCLK/AIF2_BCPF.
Integer (LSB = 1), Valid from 8 to 8191.
Table 4-50. AIF3 BCLK and LRCLK Control
Register
Address Bit Label Default Description
R1408
(0x0580)
AIF3_
BCLK_Ctrl
4:0 AIF3_
BCLK_
FREQ[4:0]
0x0C AIF3BCLK Rate. The AIF3BCLK rate must be less than or equal to SYSCLK/2.
0x00–0x01 = Reserved
0x02 = 64 kHz (58.8 kHz)
0x03 = 96 kHz (88.2 kHz)
0x04 = 128 kHz (117.6 kHz)
0x05 = 192 kHz (176.4 kHz)
0x06 = 256 kHz (235.2 kHz)
0x07 = 384 kHz (352.8 kHz)
0x08 = 512 kHz (470.4 kHz)
0x09 = 768 kHz (705.6 kHz)
0x0A = 1.024 MHz (940.8 kHz)
0x0B = 1.536 MHz (1.4112 MHz)
0x0C = 2.048 MHz (1.8816 MHz)
0x0D = 3.072 MHz (2.8824 MHz)
0x0E = 4.096 MHz (3.7632 MHz)
0x0F = 6.144 MHz (5.6448 MHz)
0x10 = 8.192 MHz (7.5264 MHz)
0x11 = 12.288 MHz (11.2896 MHz)
0x12 = 24.576 MHz (22.5792 MHz)
The frequencies in brackets apply for 44.1 kHz–related sample rates only.
If AIF3_RATE < 1000, AIF3 is referenced to the SYSCLK clock domain. In this case, the
44.1 kHz–related frequencies apply if SAMPLE_RATE_n = 01XXX.
If AIF3_RATE 1000, AIF3 is referenced to the ASYNCCLK clock domain. In this case, the
44.1 kHz–related frequencies apply if ASYNC_SAMPLE_RATE_n = 01XXX.
R1414
(0x0586)
AIF3_Rx_
BCLK_Rate
12:0 AIF3_
BCPF[12:0]
0x0040 AIF3LRCLK Rate. Selects the number of BCLK cycles per AIF3LRCLK frame. AIF3LRCLK clock =
AIF3BCLK/AIF3_BCPF.
Integer (LSB = 1), Valid from 8 to 8191.
_‘ __— __— _— _— CIRRUS LOGIC” Register Address Bit Label Default Description R1284 (0X0504) 2:0 AIF17FMT[2:0] 000 AIF1 Audlo lnterlace Format R1287 (0X0507) 13:8 AIF1TX7WL[5:0] 0X18 AlF1 TX Word Length (Number 0! valid data blts per slot) 7:0 AIF1TX75LDT7 0X18 AIF1 TX Slot Length (Number oi ECLK cycles per slot) R1288 (0X0508) 13:8 AIF1RX7WL[5:0] 0X18 AlF1 RX Word Length (Number 0! valid data blts per slot) 7:0 AIF1RX75LOT7 0X18 AIF1 RX Slot Length (Number oi ECLK Cycles per slot) R1289 (0X0509) 5:0 AIF1TX17$LOT[5:0] 0X0 AlF1 TX Channel rI Slot positlon 5:0 AIF1TX27SLOT[5:0] 0X1 5:0 AIF1TX375LOT[5:0] 0X2 5:0 AIF1TX475LOT[5:0] 0X3 5:0 AIF1TX575LOT[5:0] 0X4 5:0 AIF1TX675LOT[5:0] 0X5 5:0 AIF1TX775LOT[5:0] 0X6 5:0 AIF1TX875LOT[5:0] 0X7 R1297 (0X0511) 5:0 AIF1RX175LOT[5:O] 0XO AlF1 RX Channel n Slot posillon 5:0 AIF1RX27SLOT[5:O] OX1 5:0 AIF1RX37$LOT[5:O] OX2 5:0 AIF1RX47$LOT[5:O] OX3 5:0 AIF1RX57SLOT[5:O] OX4 5:0 AIF1RX67$LOT[5:O] OX5 5:0 AIF1RX77$LOT[5:O] OX6 5:0 AIF1RX87SLOT[5:O] OX7 Register Address Bit Label Default Description R1348 (0X0544) 2:0 AIF27FMT[2:0] 000 AIFZ Audio lnterface Format R1351 (0X0547) 13:8 AIFZTX7WL[5:O] 0X18 AIFZ TX Word Length 7:0 AIFZTXisLOTi 0X18 AIFZ TX Slot Length
DS1162F1 137
CS42L92
4.7 Digital Audio Interface Control
Note that, in DSP modes, the time slots are ordered consecutively from the start of the LRCLK frame. In I2S and
left-justified modes, the even-numbered time slots are arranged in the first half of the LRCLK frame, and the odd-numbered
time slots are arranged in the second half of the frame.
The AIF1 data control fields are described in Table 4-51.
The AIF2 data control fields are described in Table 4-52.
Table 4-51. AIF1 Digital Audio Data Control
Register Address Bit Label Default Description
R1284 (0x0504)
AIF1_Format
2:0 AIF1_FMT[2:0] 000 AIF1 Audio Interface Format
000 = DSP Mode A
001 = DSP Mode B
010 = I2S mode
011 = Left-Justified mode
Other codes are reserved.
R1287 (0x0507)
AIF1_Frame_Ctrl_1
13:8 AIF1TX_WL[5:0] 0x18 AIF1 TX Word Length (Number of valid data bits per slot)
Integer (LSB = 1); Valid from 16 to 32
7:0 AIF1TX_SLOT_
LEN[7:0]
0x18 AIF1 TX Slot Length (Number of BCLK cycles per slot)
Integer (LSB = 1); Valid from 16 to 128
R1288 (0x0508)
AIF1_Frame_Ctrl_2
13:8 AIF1RX_WL[5:0] 0x18 AIF1 RX Word Length (Number of valid data bits per slot)
Integer (LSB = 1); Valid from 16 to 32
7:0 AIF1RX_SLOT_
LEN[7:0]
0x18 AIF1 RX Slot Length (Number of BCLK cycles per slot)
Integer (LSB = 1); Valid from 16 to 128
R1289 (0x0509)
to
R1296 (0x0510)
5:0 AIF1TX1_SLOT[5:0] 0x0 AIF1 TX Channel n Slot position
Defines the TX time slot position of the Channel n audio sample
Integer (LSB=1); Valid from 0 to 63
5:0 AIF1TX2_SLOT[5:0] 0x1
5:0 AIF1TX3_SLOT[5:0] 0x2
5:0 AIF1TX4_SLOT[5:0] 0x3
5:0 AIF1TX5_SLOT[5:0] 0x4
5:0 AIF1TX6_SLOT[5:0] 0x5
5:0 AIF1TX7_SLOT[5:0] 0x6
5:0 AIF1TX8_SLOT[5:0] 0x7
R1297 (0x0511)
to
R1304 (0x0518)
5:0 AIF1RX1_SLOT[5:0] 0x0 AIF1 RX Channel n Slot position
Defines the RX time slot position of the Channel n audio sample
Integer (LSB=1); Valid from 0 to 63
5:0 AIF1RX2_SLOT[5:0] 0x1
5:0 AIF1RX3_SLOT[5:0] 0x2
5:0 AIF1RX4_SLOT[5:0] 0x3
5:0 AIF1RX5_SLOT[5:0] 0x4
5:0 AIF1RX6_SLOT[5:0] 0x5
5:0 AIF1RX7_SLOT[5:0] 0x6
5:0 AIF1RX8_SLOT[5:0] 0x7
Table 4-52. AIF2 Digital Audio Data Control
Register Address Bit Label Default Description
R1348 (0x0544)
AIF2_Format
2:0 AIF2_FMT[2:0] 000 AIF2 Audio Interface Format
000 = DSP Mode A
001 = DSP Mode B
010 = I2S mode
011 = Left-Justified mode
Other codes are reserved.
R1351 (0x0547)
AIF2_Frame_Ctrl_1
13:8 AIF2TX_WL[5:0] 0x18 AIF2 TX Word Length
(Number of valid data bits per slot)
Integer (LSB = 1); Valid from 16 to 32
7:0 AIF2TX_SLOT_
LEN[7:0]
0x18 AIF2 TX Slot Length
(Number of BCLK cycles per slot)
Integer (LSB = 1); Valid from 16 to 128
_‘ __— __— _— _— CIRRUS LOGIC” Register Address Bit Label Default Description R1352 (0X0548) 13:8 AIFZRX7WL[5:0] 0X18 AIFZ RX Word Length 7:0 AIFZRXisLDTi 0X18 AIFZ RX Slot Length R1353 (0X0549) 5:0 AIFZTX17$LOT[5:0] 0X0 AIFZ TX Channel n Slot posllion 5:0 AIFZTX27SLOT[5:0] 0X1 5:0 AIFZTX37SLOT[5:0] 0X2 5:0 AIFZTX47$LOT[5:0] 0X3 5:0 AIFZTX57$LOT[5:0] 0X4 5:0 AIFZTX67SLOT[5:0] 0X5 5:0 AIFZTX77$LOT[5:0] 0X6 5:0 AIFZTX87SLOT[5:0] 0X7 R1361 (0X0551) 5:0 AIFZRX17$LOT[5:0] 0X0 AIFZ RX Channel n Slot posltion 5:0 AIFZ RX27SLOT[5:0] 0X1 5:0 AIFZ RX37$LOT[5:0] 0X2 5:0 AIFZ RX47$LOT[5:0] 0X3 5:0 AIFZ RX57$LOT[5:0] 0X4 5:0 AIFZ RXG,SLOT[5:0] 0X5 5:0 AIFZ RX77$LOT[5:0] 0X6 5:0 AIFZ RXE,SLOT[5:0] 0X7 Register Address Bit Label Default Description R1412 (0x0584) 220 AlF37FMT[2:O] 000 AIF3 Audio lhterlace Format R1415 (0X0587) 13:8 AlF3TX7WL[5:0] 0X18 AIF3 TX Word Length (Number oi Valld data blts per slot) 720 AlF3TX7$LOT7 0X18 AIF3 TX Slot Length (Number oi ECLK cycles per slot) R1416 (0X0588) 13:8 AlF3RX7WL[5:0] 0X18 AIF3 RX Word Length (Number oi Valld data blts per slot) 720 AlF3RX7$LOT7 0X18 AIF3 RX Slot Length (Number oi ECLK Cycles per slot) R1417 (0x0589) 520 AlF3TX17$LOT[5:0] 0X0 AIF3 TX Channel n Slot bositloh 5:0 AlF3TX27SLOT[5:0] 0X1 520 AlF3TX37$LOT[5:0] 0X2 520 AlF3TX47$LOT[5:0] 0X3 520 AlF3TX57SLOT[5:0] 0X4 520 AlF3TX67$LOT[5:0] 0X5 520 AlF3TX77$LOT[5:0] 0X6 520 AlF3TX87SLOT[5:0] 0X7
138 DS1162F1
CS42L92
4.7 Digital Audio Interface Control
The AIF3 data control fields are described in Table 4-53.
R1352 (0x0548)
AIF2_Frame_Ctrl_2
13:8 AIF2RX_WL[5:0] 0x18 AIF2 RX Word Length
(Number of valid data bits per slot)
Integer (LSB = 1); Valid from 16 to 32
7:0 AIF2RX_SLOT_
LEN[7:0]
0x18 AIF2 RX Slot Length
(Number of BCLK cycles per slot)
Integer (LSB = 1); Valid from 16 to 128
R1353 (0x0549)
to
R1360 (0x0550)
5:0 AIF2TX1_SLOT[5:0] 0x0 AIF2 TX Channel n Slot position
Defines the TX time slot position of the Channel n audio sample
Integer (LSB=1); Valid from 0 to 63
5:0 AIF2TX2_SLOT[5:0] 0x1
5:0 AIF2TX3_SLOT[5:0] 0x2
5:0 AIF2TX4_SLOT[5:0] 0x3
5:0 AIF2TX5_SLOT[5:0] 0x4
5:0 AIF2TX6_SLOT[5:0] 0x5
5:0 AIF2TX7_SLOT[5:0] 0x6
5:0 AIF2TX8_SLOT[5:0] 0x7
R1361 (0x0551)
to
R1368 (0x0558)
5:0 AIF2RX1_SLOT[5:0] 0x0 AIF2 RX Channel n Slot position
Defines the RX time slot position of the Channel n audio sample
Integer (LSB=1); Valid from 0 to 63
5:0 AIF2RX2_SLOT[5:0] 0x1
5:0 AIF2RX3_SLOT[5:0] 0x2
5:0 AIF2RX4_SLOT[5:0] 0x3
5:0 AIF2RX5_SLOT[5:0] 0x4
5:0 AIF2RX6_SLOT[5:0] 0x5
5:0 AIF2RX7_SLOT[5:0] 0x6
5:0 AIF2RX8_SLOT[5:0] 0x7
Table 4-53. AIF3 Digital Audio Data Control
Register Address Bit Label Default Description
R1412 (0x0584)
AIF3_Format
2:0 AIF3_FMT[2:0] 000 AIF3 Audio Interface Format
000 = DSP Mode A
001 = DSP Mode B
010 = I2S mode
011 = Left-Justified mode
Other codes are reserved.
R1415 (0x0587)
AIF3_Frame_Ctrl_1
13:8 AIF3TX_WL[5:0] 0x18 AIF3 TX Word Length (Number of valid data bits per slot)
Integer (LSB = 1); Valid from 16 to 32
7:0 AIF3TX_SLOT_
LEN[7:0]
0x18 AIF3 TX Slot Length (Number of BCLK cycles per slot)
Integer (LSB = 1); Valid from 16 to 128
R1416 (0x0588)
AIF3_Frame_Ctrl_2
13:8 AIF3RX_WL[5:0] 0x18 AIF3 RX Word Length (Number of valid data bits per slot)
Integer (LSB = 1); Valid from 16 to 32
7:0 AIF3RX_SLOT_
LEN[7:0]
0x18 AIF3 RX Slot Length (Number of BCLK cycles per slot)
Integer (LSB = 1); Valid from 16 to 128
R1417 (0x0589)
to
R1424 (0x0590)
5:0 AIF3TX1_SLOT[5:0] 0x0 AIF3 TX Channel n Slot position
Defines the TX time slot position of the Channel n audio sample
Integer (LSB=1); Valid from 0 to 63
5:0 AIF3TX2_SLOT[5:0] 0x1
5:0 AIF3TX3_SLOT[5:0] 0x2
5:0 AIF3TX4_SLOT[5:0] 0x3
5:0 AIF3TX5_SLOT[5:0] 0x4
5:0 AIF3TX6_SLOT[5:0] 0x5
5:0 AIF3TX7_SLOT[5:0] 0x6
5:0 AIF3TX8_SLOT[5:0] 0x7
Table 4-52. AIF2 Digital Audio Data Control (Cont.)
Register Address Bit Label Default Description
_‘ __— __— _— _— CIRRUS LOGIC” Register Address Bit Label Default Description R1425 (0X0591) 5:0 AlF3RX17$LDT[5:0] OX0 AlF3 RX Channel n Slot positlon 5:0 AlF3RX27SLDT[5:0] 0X1 520 AlF3RX375LDT[5:0] 0X2 520 AlF3RX475LDT[5:0] 0X3 520 AlF3RX57SLDT[5:0] 0X4 520 AlF3RX675LDT[S:0] 0X5 520 AlF3RX775LDT[5:0] 0X6 520 AlF3RX87SLDT[5:0] 0X7 Register Address Bit Label Default Description R1281 (0X0501) 5 AIF1TX7DAT7TRI 0 AlF1TXDAT Tristate Control R1283 (0X0503) 6 AIF17TR| 0 AIF1 Audlo Interface Tristate Control Register Address Bit Label Default Description R1345 (0X0541) 5 AlFZTxiDATiTRI 0 AIFZTXDAT Trlstate Control R1347 (0X0543) 6 AlF27TR| 0 AIF2 Audlo Interface Tristate Control Register Address Bit Label Default Description R1409 (0X0581) 5 AIF3TX7DAT7TRI O AIFSTXDAT Tristate Control R1411 (OX0583) 6 AIF37TR| O AIF3 Audlo lnterlace Trlstate Control
DS1162F1 139
CS42L92
4.7 Digital Audio Interface Control
4.7.7 AIF TDM and Tristate Control
The AIFn output pins are tristated when the AIFn_TRI bit is set. Note that this function only affects output pins configured
for the respective AIFn function—a GPIO pin that is configured for a different function is not affected by AIFn_TRI. See
Section 4.14 to configure the GPIO pins.
Under default conditions, the AIFnTXDAT output is held at Logic 0 when the CS42L92 is not transmitting data (i.e., during
time slots that are not enabled for output by the CS42L92). If the AIFnTX_DAT_TRI bit is set, the CS42L92 tristates the
respective AIFnTXDAT pin when not transmitting data, allowing other devices to drive the AIFnTXDAT connection.
The AIF1 TDM and tristate control fields are described in Table 4-54.
The AIF2 TDM and tristate control fields are described in Table 4-55.
The AIF3 TDM and tristate control fields are described in Table 4-56.
R1425 (0x0591)
to
R1432 (0x0598)
5:0 AIF3RX1_SLOT[5:0] 0x0 AIF3 RX Channel n Slot position
Defines the RX time slot position of the Channel n audio sample
Integer (LSB=1); Valid from 0 to 63
5:0 AIF3RX2_SLOT[5:0] 0x1
5:0 AIF3RX3_SLOT[5:0] 0x2
5:0 AIF3RX4_SLOT[5:0] 0x3
5:0 AIF3RX5_SLOT[5:0] 0x4
5:0 AIF3RX6_SLOT[5:0] 0x5
5:0 AIF3RX7_SLOT[5:0] 0x6
5:0 AIF3RX8_SLOT[5:0] 0x7
Table 4-54. AIF1 TDM and Tristate Control
Register Address Bit Label Default Description
R1281 (0x0501)
AIF1_Tx_Pin_Ctrl
5 AIF1TX_DAT_TRI 0 AIF1TXDAT Tristate Control
0 = Logic 0 during unused time slots
1 = Tristated during unused time slots
R1283 (0x0503)
AIF1_Rate_Ctrl
6 AIF1_TRI 0 AIF1 Audio Interface Tristate Control
0 = Normal
1 = AIF1 Outputs are tristated
Note that this bit only affects output pins configured for the respective AIF1 function.
Table 4-55. AIF2 TDM and Tristate Control
Register Address Bit Label Default Description
R1345 (0x0541)
AIF2_Tx_Pin_Ctrl
5 AIF2TX_DAT_TRI 0 AIF2TXDAT Tristate Control
0 = Logic 0 during unused time slots
1 = Tristated during unused time slots
R1347 (0x0543)
AIF2_Rate_Ctrl
6 AIF2_TRI 0 AIF2 Audio Interface Tristate Control
0 = Normal
1 = AIF2 Outputs are tristated
Note that this bit only affects output pins configured for the respective AIF2 function.
Table 4-56. AIF3 TDM and Tristate Control
Register Address Bit Label Default Description
R1409 (0x0581)
AIF3_Tx_Pin_Ctrl
5 AIF3TX_DAT_TRI 0 AIF3TXDAT Tristate Control
0 = Logic 0 during unused time slots
1 = Tristated during unused time slots
R1411 (0x0583)
AIF3_Rate_Ctrl
6 AIF3_TRI 0 AIF3 Audio Interface Tristate Control
0 = Normal
1 = AIF3 Outputs are tristated
Note that this bit only affects output pins configured for the respective AIF3 function.
Table 4-53. AIF3 Digital Audio Data Control (Cont.)
Register Address Bit Label Default Description
__- __— __— _— _— CIRRUS LOGIC"
140 DS1162F1
CS42L92
4.8 SLIMbus Interface
4.8 SLIMbus Interface
The SLIMbus protocol is highly configurable and adaptable, supporting multiple audio signal paths, and mixed sample
rates simultaneously. It also supports control messaging and associated communications between devices.
4.8.1 SLIMbus Devices
The SLIMbus components comprise different device classes (manager, framer, interface, generic). Each component on
the bus has an interface device, which provides bus management services for the respective component. One or more
components on the bus provide manager and framer device functions; the manager has the capabilities to administer the
bus, although the framer is responsible for driving the CLK line and for driving the DATA required to establish the frame
structure on the bus. Note that only one manager and one framer device is active at any time. The framer function can be
transferred between devices when required. Generic devices provide the basic SLIMbus functionality for the associated
ports, and for the transport protocol by which audio signal paths are established on the bus.
4.8.2 SLIMbus Frame Structure
The SLIMbus bit stream is formatted within a defined structure of cells, slots, subframes, frames, and superframes:
A single data bit is known as a cell.
Four cells make a slot.
A frame consists of 192 slots.
Eight frames make a superframe.
The bit stream structure is configurable to some extent, but the superframe definition always comprises 1536 slots. The
transmitted/received bit rate can be configured according to system requirements and can be changed dynamically without
interruption to active audio paths.
The SLIMbus CLK frequency (also the bus bit rate) is defined by a root frequency (RF) and a clock gear (CG). In the top
clock gear (Gear 10), the CLK frequency is equal to the root frequency. Each reduction in the clock gear halves the CLK
frequency, and doubles the duration of the superframe.
The SLIMbus bandwidth typically comprises control space (for bus messages, synchronization, etc.) and data space (for
audio paths). The precise allocation is configurable and can be entirely control space, if required.
The subframe definition comprises the number of slots per subframe (6, 8, 24 or 32) and the number of these slots per
subframe allocated as control space. The applicable combination of subframe length and control space width are defined
by the Subframe Mode (SM) parameter.
The SLIMbus frame always comprises 192 slots, regardless of the subframe definition. A number of slots are allocated to
control space, as noted above; the remaining slots are allocated to data space. Some of the control space is required for
framing information and for the guide channel (see Section 4.8.3); the remainder of the control space are allocated to the
message channel.
Multiline SLIMbus comprises one or more secondary data line, supporting additional bandwidth and flexibility for data
transfer over the bus. All data lines are synchronized to the bus clock; the RF and CG parameters are common to all data
lines. Note that control space is allocated on the primary data line only—secondary lines are used exclusively for data
space. Accordingly, the SM parameter is defined for the primary line only.
4.8.3 Control Space
Framing information is provided in slots 0 and 96 of every frame. Slot 0 contains a 4-bit synchronization code; slot 96
contains the 32-bit framing information, transmitted 4 bits at a time over the eight frames that make up the SLIMbus
superframe. The clock gear, root frequency, subframe configuration, along with some other parameters, are encoded
within the framing information.
__- __— __— _— _— CIRRUS LOGIC"
DS1162F1 141
CS42L92
4.8 SLIMbus Interface
The guide channel occupies two slots within Frame 0. This provides the necessary information for a SLIMbus component
to acquire and verify the frame synchronization. The guide channel occupies the first two control space slots within the first
frame of the bit stream, excluding the framing information slots. Note that the exact slot allocation depends upon the
applicable subframe mode.
The message channel is allocated all of the control space not used by the framing information or the guide channel. The
message channel enables SLIMbus devices to communicate with each other, using a priority-based mechanism defined
in the MIPI specification.
Messages may be broadcast to all devices on the bus, or can be addressed to specific devices using their allocated logical
address (LA) or enumeration address (EA). Note that, device-specific messages are directed to a particular device (i.e.,
manager, framer, interface, or generic) within a component on the bus.
4.8.4 Data Space
The data space can be organized into a maximum of 256 data channels. Each channel, identified by a unique channel
number (CN), is a stream of one or more contiguous slots, organized in a consistent data structure that repeats at a fixed
interval.
A data channel is defined by its segment length (SL), (number of contiguous slots allocated), segment interval (spacing
between the first slots of successive segments), and segment offset (the slot number of the first allocated slot within the
superframe). The segment interval and segment offset are collectively defined by a segment distribution (SD), by which
the SLIMbus manager may configure or reconfigure any data channel.
Each segment may comprise TAG, AUX, and DATA portions. Any of these portions may have a length of zero; the exact
composition depends on the transport protocol (TP) for the associated channel. The DATA portion must be wide enough
to accommodate one full word of the data channel contents. Data words cannot be spread across multiple segments.
The segment interval for each data channel represents the minimum spacing between consecutive data samples for that
channel. (Note that the minimum spacing applies if every allocated segment is populated with new data; in many cases,
additional bandwidth is allocated and not every allocated segment is used.)
The segment interval gives rise to segment windows for each data channel, aligned to the start of every superframe. The
segment window boundaries define the times within which each new data sample must be buffered, ready for
transmission—adherence to these fixed boundaries allows slot allocations to be moved within a segment window, without
altering the signal latency. The segment interval may be either shorter or longer than the frame length, but there is always
an integer number of segment windows per superframe.
To transfer data between devices on the SLIMbus interface, a data channel connection is established between a source
and one or more destination (sink) ports. A unique port number (PN) address is defined for every active TX/RX port.
Multiple data channels can share the same port address by assigning different end point (EP) values to each channel.
The TP defines the flow control or handshaking method used by the ports associated with a data channel. The applicable
flow control modes depend on the relationship between the audio sample rate (flow rate) and the SLIMbus CLK frequency.
If the two rates are synchronized and integer related, no flow control is needed. In other cases, the flow may be regulated
by the use of a presence bit, which can be set by the source device (pushed protocol) or by the sink device (pulled
protocol).
The data-channel structure is defined in terms of the TP, SD, SL, and data line (LN) parameters. For multiline operation,
the LN value identifies the data line on which the channel is present. Note that the mapping of secondary data lines (1–7)
with respect to the secondary data pins is configurable on each multiline SLIMbus component, using value elements
associated with the respective interface device. See Section 4.9.3 for details of value elements.
The data-channel content definition includes a presence rate (PR) parameter (describing the nominal sample rate for the
audio channel) and a frequency locked (FL) bit (identifying whether the data source is synchronized to the SLIMbus CLK).
The data length (DL) parameter defines the size of each data sample (number of slots). The auxiliary bits format (AF) and
data type (DT) parameters provide support for non-PCM encoded data channels; the channel link (CL) parameter is an
indicator that channel CN is related to the previous channel, CN-1.
__- __— __— _— _— CIRRUS LOGIC"
142 DS1162F1
CS42L92
4.9 SLIMbus Control Sequences
For a given root frequency and clock gear, the SL and SD parameters define the amount of SLIMbus bandwidth that is
allocated to a given data channel. The minimum bandwidth requirements of a data channel are represented by the
presence rate (PR) and data length (DL) parameters. The allocated SLIMbus bandwidth must be equal to or greater than
the bandwidth of the data to be transferred.
The segment interval defines the repetition rate of the SLIMbus slots allocated to consecutive data samples for a given
data channel. The presence rate (PR) is the nominal sample rate of the audio path. The segment rate (determined by the
segment interval value) must be equal to or greater than the presence rate for a given data channel. The following
constraints must be observed when configuring a SLIMbus channel:
If pushed or pulled transport protocol is selected, the segment rate must be greater than the presence rate to ensure
that samples are not dropped as a result of clock drift.
If isochronous transport protocol is selected, the segment rate must be equal to the presence rate. Isochronous
transport protocol should be selected only if the data source is frequency locked to the SLIMbus CLK (i.e., the data
source is synchronized to the SLIMbus framer device).
4.9 SLIMbus Control Sequences
This section describes the messages and general protocol associated with the SLIMbus system.
Note: The SLIMbus specification permits flexibility in core message support for different components. See Section 4.10
for details regarding which messages are supported on each of the SLIMbus devices present on the CS42L92.
4.9.1 Device Management and Configuration
This section describes the SLIMbus messages associated with configuring all devices on the SLIMbus interface.
When the SLIMbus interface starts up, it is required that only one component provides the manager and framer device
functions. Other devices can request connection to the bus after they have gained synchronization.
The REPORT_PRESENT (DC, DCV) message may be issued by devices attempting to connect to the bus. The payload
of this message contains the device class (DC) and device class version (DCV) parameters, describing the type of device
that is attempting to connect. This message may be issued autonomously by the connecting device, or else in response
to a REQUEST_SELF_ANNOUNCEMENT message from the manager device.
After positively acknowledging the REPORT_PRESENT message, the manager device then issues the ASSIGN_
LOGICAL_ADDRESS (LA) message to allow the other device to connect to the bus. The payload of this message contains
the logical address (LA) parameter only; this is the unique address by which the connected device sends and receives
SLIMbus messages. The device is then said to be enumerated.
Once a device has been successfully connected to the bus, the logical address (LA) parameter can be changed at any
time using the CHANGE_LOGICAL_ADDRESS (LA) message.
The RESET_DEVICE message commands an individual SLIMbus device to perform its reset procedure. As part of the
reset, all associated ports are reset, and any associated data channels are canceled. Note that, if the RESET_DEVICE
command is issued to an interface device, it causes a component reset (i.e., all devices within the associated component
are reset). Under a component reset, every associated device releases its logical address, and the component becomes
disconnected from the bus.
4.9.2 Information Management
A memory map of information elements is defined for each device. This is arranged in 3 x 1-kB blocks, comprising core
value elements, device class-specific value elements, and user value elements respectively, as described in the MIPI
specification. Note that the contents of the user information portion for each CS42L92 SLIMbus device are reserved.
Read/write access is implemented using the messages described as follows. Specific elements within the information map
are identified using the element code (EC) parameter. In the case of read access, a unique transaction ID (TID) is assigned
to each message relating to a particular read/write request.
__- __— __— _— _— CIRRUS LOGIC"
DS1162F1 143
CS42L92
4.9 SLIMbus Control Sequences
The REQUEST_INFORMATION (TID, EC) message is used to instruct a device to respond with the indicated
information. The payload of this message contains the transaction ID (TID) and the element code (EC).
The REQUEST_CLEAR_INFORMATION (TID, EC, CM) message is used to instruct a device to respond with the
indicated information, and also to clear all, or parts, of the same information slice. The payload of this message
contains the transaction ID (TID), element code (EC), and clear mask (CM). The clear mask field is used to select
which elements are to be cleared as part of the instruction.
The REPLY_INFORMATION (TID, IS) message is used to provide output of a requested parameter. The payload
of this message contains the transaction ID (TID) and the information slice (IS). The information slice bytes contain
the value of the requested parameter.
The CLEAR_INFORMATION (EC, CM) message is used to clear all, or parts, of the indicated information slice. The
payload of this message contains the element code (EC) and clear mask (CM). The clear mask field is used to select
which elements are to be cleared as part of the instruction.
The REPORT_INFORMATION (EC, IS) message is used to inform other devices about a change in a specified
element in the information map. The payload of this message contains the element code (EC) and the information
slice (IS). The information slice bytes contain the new value of the applicable parameter.
4.9.3 Value Management (Including Register Access)
A memory map of value elements is defined for each device. This is arranged in 3 x 1-kB blocks, comprising core value
elements, device class-specific value elements, and user value elements respectively, as described in the MIPI
specification. These elements are typically parameters used to configure device behavior.
The user value elements of the interface device are used on CS42L92 to support read/write access to the register map.
Details of how to access specific registers are described in Section 4.10. Note that, with the exception of the user value
elements of the interface device, the contents of the user value portion for each CS42L92 SLIMbus device are reserved.
Read/write access is implemented using the messages described as follows. Specific elements within the value map are
identified using the element code (EC) parameter. In the case of read access, a unique transaction ID (TID) is assigned
to each message relating to a particular read/write request.
The REQUEST_VALUE (TID, EC) message is used to instruct a device to respond with the indicated information.
The payload of this message contains the transaction ID (TID) and the element code (EC).
The REPLY_VALUE (TID, VS) message is used to provide output of a requested parameter. The payload of this
message contains the transaction ID (TID) and the value slice (VS). The value slice bytes contain the value of the
requested parameter.
The CHANGE_VALUE (EC, VU) message is used to write data to a specified element in the value map. The payload
of this message contains the element code (EC) and the value update (VU). The value update bytes contain the
new value of the applicable parameter.
4.9.4 Frame and Clocking Management
This section describes the SLIMbus messages associated with changing the frame or clocking configuration. One or more
configuration messages may be issued as part of a reconfiguration sequence; all of the updated parameters become
active at once, when the reconfiguration boundary is reached.
The BEGIN_RECONFIGURATION message is issued to define a reconfiguration boundary point: subsequent
NEXT_* messages become active at the first valid superframe boundary following receipt of the RECONFIGURE_
NOW message. (A valid boundary must be at least two slots after the end of the RECONFIGURE_NOW message.)
Both of these messages have no payload content.
The NEXT_ACTIVE_FRAMER (LAIF, NCo, NCi) message is used to select a new device as the active framer. The
payload of this message includes the logical address, incoming framer (LAIF). Two other fields (NCo, NCi) define
the number of clock cycles for which the CLK line shall be inactive during the handover.
The NEXT_SUBFRAME_MODE (SM) and NEXT_CLOCK_GEAR (CG) messages are used to reconfigure the
SLIMbus clocking or framing definition. The payload of each is the respective subframe mode (SM) or clock gear
(CG) respectively.
__- __— __— _— _— CIRRUS LOGIC"
144 DS1162F1
CS42L92
4.10 SLIMbus Interface Control
The NEXT_PAUSE_CLOCK (RT) message instructs the active framer to pause the bus. The payload of the
message contains the restart time (RT), which indicates whether the interruption is to be of a specified time and/or
phase duration.
The NEXT_RESET_BUS message instructs all components on the bus to be reset. In this case, all devices on the
bus are reset and are disconnected from the bus. Subsequent reconnection to the bus follows the same process as
when the bus is first initialized.
The NEXT_SHUTDOWN_BUS message instructs all devices that the bus is to be shut down.
4.9.5 Data Channel Configuration
This section describes the SLIMbus messages associated with configuring a SLIMbus data channel. Note that the
manager device is responsible for allocating the available bandwidth as required for each data channel.
The CONNECT_SOURCE (PN, EP, CN) and CONNECT_SINK (PN, EP, CN) messages are issued to the
respective devices, defining the ports between which a data channel is to be established. The end point parameter
allows up to eight channels to share the same port number. Multiple destinations (sinks) can be configured for a
channel, if required. The payload of each message contains the port number (PN), end point (EP), and the channel
number (CN) parameters.
The BEGIN_RECONFIGURATION message is issued to define a Reconfiguration Boundary point: subsequent
NEXT_* messages become active at the first valid superframe boundary following receipt of the RECONFIGURE_
NOW message. A valid boundary must be at least two slots after the end of the RECONFIGURE_NOW message.
The NEXT_DEFINE_CHANNEL (CN, TP, SD, SL, LN) message informs the associated devices of the structure of
the data channel. The payload of this message contains the channel number (CN), TP, SD, SL, and LN parameters
for the data channel.
The NEXT_DEFINE_CONTENT (CN, FL, PR, AF, DT, CL, DL), or CHANGE_CONTENT (CN, FL, PR, AF, DT, CL,
DL) message provides more detailed information about the data channel contents. The payload of this message
contains the channel number (CN), frequency locked (FL), presence rate (PR), auxiliary bits format (AF), data type
(DT), channel link (CL), and data length (DL) parameters.
The NEXT_ACTIVATE_CHANNEL (CN) message instructs the channel to be activated at the next reconfiguration
boundary. The payload of this message contains the channel number (CN) only.
The RECONFIGURE_NOW message completes the reconfiguration sequence, causing all of the NEXT_
messages since the BEGIN_RECONFIGURATION to become active at the next valid superframe boundary. (A
valid boundary must be at least two slots after the end of the RECONFIGURE_NOW message.)
Active channels can be reconfigured using the CHANGE_CONTENT, NEXT_DEFINE_CONTENT, or NEXT_
DEFINE_CHANNEL messages. Note that these changes can be effected without interrupting the data channel; the
NEXT_DEFINE_CHANNEL, for example, may be used to change a segment distribution, in order to reallocate the
SLIMbus bandwidth.
An active channel can be paused using the NEXT_DEACTIVATE_CHANNEL message and reinstated using the
NEXT_ACTIVATE_CHANNEL message.
Data channels can be disconnected using the DISCONNECT_PORT or NEXT_REMOVE_CHANNEL messages.
These messages provide equivalent functionality, but use different parameters (PN or CN respectively) to identify
the affected signal path.
4.10 SLIMbus Interface Control
The CS42L92 features a MIPI-compliant SLIMbus interface. It supports multichannel audio input/output and control
register read/write access.
The SLIMbus interface on CS42L92 comprises a generic device, framer device, interface device, and 16 data ports,
providing up to 8 input (RX) channels and up to 8 output (TX) channels. Multiline capability is supported, offering additional
bandwidth and system-level flexibility.
The interface supports up to eight audio input channels and up to eight audio output channels. Mixed sample rates can be
supported simultaneously. The audio signal paths associated with the SLIMbus interface are described in Section 4.3.
_‘ __— __— _— _— CIRRUS LOGIC” Description Manufacturer ID Product Code Device ID Instance Value Enumeration Address Generic 0X01 FA 0X6371 0X00 0X00 01FA7637170000 Framer 0X01 FA 0X6371 0X55 0X00 O1FA7637175500 Interiace 0X01 FA 0X6371 OX7F 0X00 01FA7637‘L7F00 Category Message Code MC[6:0] Description Generic Framer Interface Device Management 0X01 REPORTipRESENT (DC. DCV) S S 5 0X02 ASSIGNiLOGiCALiADDRESS (LA) D D D 0X04 RESETiDEVICE () D D D 0X08 CHANGEiLOGICALiADDRESS (LA) D D D 0X09 CHANGEiARBITRATIONiPRIORiTY (AP) 7 7 OXOC REQUESTisELFiANNDUNCEMENT () D D D OXOF REPORTiAESENT () 7 7 7 Data Channel 0X10 CONNECT750URCE (PN. EF. CN) D 7 7 0X11 CONNECTislNK (PN. EP. CN) D 7 7 0X14 DISCONNECTiPORT (PM) D 7 7 0X18 CHANGE,CDNTENT(CN. FL, PR, AF, DT. CL‘ DL) D 7 7 iniormalion 0X20 REQUESTJNFORMATION (TID. EC) D D D 0X21 REQUEST7CLEAR7INFORMATiON (TID‘ EC‘ CM) D D D 0X24 REPLYilNFDRMATiON (TiD‘ IS) 5 S 5 0X28 CLEARJNFDRMATION (EC, CM) D D D 0X29 REPORTilNFDRMATiON (EC, IS) 7 7 S
DS1162F1 145
CS42L92
4.10 SLIMbus Interface Control
The SLIMbus interface also supports read/write access to the CS42L92 control registers via the value map of the interface
device, as described in Section 4.10.5.
The SLIMbus clocking rate and channel allocations are controlled by the manager device. The message channel and data
channel bandwidth may be dynamically adjusted according to the application requirements. Note that the manager device
functions are not implemented on the CS42L92, and these bandwidth allocation requirements are outside the scope of
this data sheet.
The SLIMbus interface provides full support for 32-bit data words (input and output). Audio data samples up to 32 bits can
be routed to the AIF1, AIF3, SLIMbus, S/PDIF, and DAC output paths. Note that other signal paths and signal-processing
blocks within the digital core are limited to 24-bit data length; data samples are truncated to 24-bit length if they are routed
through any function that does not support 32-bit data words.
4.10.1 SLIMbus Device Parameters
The SLIMbus interface on the CS42L92 comprises three devices. The enumeration address of each device within the
SLIMbus interface is derived from the parameters noted in Table 4-57.
4.10.2 SLIMbus Message Support
The SLIMbus interface on the CS42L92 supports bus messages as described in Table 4-58 and Table 4-59.
Table 4-57. SLIMbus Device Parameters
Description Manufacturer ID Product Code Device ID Instance Value Enumeration Address
Generic 0x01FA 0x6371 0x00 0x00 01FA_6371_0000
Framer 0x01FA 0x6371 0x55 0x00 01FA_6371_5500
Interface 0x01FA 0x6371 0x7F 0x00 01FA_6371_7F00
Table 4-58. SLIMbus Message Support
Category Message Code MC[6:0] Description Generic Framer Interface
Device Management
Messages
0x01 REPORT_PRESENT (DC, DCV) S S S
0x02 ASSIGN_LOGICAL_ADDRESS (LA) D D D
0x04 RESET_DEVICE () D D D
0x08 CHANGE_LOGICAL_ADDRESS (LA) D D D
0x09 CHANGE_ARBITRATION_PRIORITY (AP)
0x0C REQUEST_SELF_ANNOUNCEMENT () D D D
0x0F REPORT_ABSENT ()
Data Channel
Management
Messages
0x10 CONNECT_SOURCE (PN, EP, CN) D
0x11 CONNECT_SINK (PN, EP, CN) D
0x14 DISCONNECT_PORT (PN) D
0x18 CHANGE_CONTENT (CN, FL, PR, AF, DT, CL, DL) D
Information
Management
Messages
0x20 REQUEST_INFORMATION (TID, EC) D D D
0x21 REQUEST_CLEAR_INFORMATION (TID, EC, CM) D D D
0x24 REPLY_INFORMATION (TID, IS) S S S
0x28 CLEAR_INFORMATION (EC, CM) D D D
0x29 REPORT_INFORMATION (EC, IS) S
_‘ __— __— _— _— CIRRUS LOGIC” Category Message Code MC[6:0] Description Generic Framer Interface Reconiiguralion 0x40 BEGINiRECONFIGURATION 0 D D D 0x44 NEXTiACTlVEiFRAMER (LAlF, NCo. NCi) 7 D 7 0x45 NEXT75UBFRAME7MODE (SM) 7 D D 0x46 NEXTicLOCKiGEAR (CG) 7 D 7 0x47 NEXTiROOTiFREQUENCY (RF) 7 D 7 0x4A NEXTJ’AUSEicLOCK (RT) 7 D 7 0x48 NEXT,RESET,BUS () 7 D 7 0x40 NEXT,SHUTDDWN,BUS () 7 D 7 0x50 NEXTiDEFlNEicHANNEL (CNi TR SD, SL, LN) D 7 7 0x51 NEXT,DEFlNE,CONTENT (CN, FL, PR, AF. DT CL, DL) D 7 7 0x54 NEXTiACTlVATEicHANNEL (CN) D 7 7 0x55 NEXTiDEACTlVATEicHANNEL (CN) D 7 7 0x58 NEXT,REMDVE,CHANNEL (CN) D 7 7 OXSF RECONFIGUREiNOW () D D D Value Management 0x60 REQUESTJALUE (TID, EC) 7 7 D 0x61 REQUEST,CHANCE,VALUE (TID, EC. VU) 7 7 7 0x64 REPLLVALUE (TID. VS) 7 7 S 0x68 CHANCEJALUE (EC, VU) 7 7 D Notes: Parameter Code Descrip on Comments AF Auxiliary Bits Formal 7 CG Clock Gear 7 CL Channel Link 7 CM Clear Mask CS42L92 does not lully support this lunction. The CM bytes of the REQUEST, CN Channel Numoer 7 DC Device Class 7 DCV Device Class Variation 7 DL Data Length 7 DT Data Type CS42L92 supports tne lollcwmg DT codes. EC Element Code 7 EP End Point 7 FL Frequency Locked 7 is Information Slice 7 LA Logical Address 7 LAlF Logical Address. incoming Framer 7 LN Data Line All LN codes (077) are supported, The LN value must be equal to one DHhe NCi Numoer cl incoming Framer Clock Cycles 7 NCo Numoer cl Outgoing Framer Clock Cycles 7
146 DS1162F1
CS42L92
4.10 SLIMbus Interface Control
The CS42L92 SLIMbus component must be reset prior to scheduling a hardware reset or power-on reset. This can be
achieved using the RESET_DEVICE message (issued to the CS42L92 interface device), or else using the NEXT_RESET_
BUS message.
Additional notes on specific SLIMbus parameters are described in Table 4-59.
Reconfiguration
Messages
0x40 BEGIN_RECONFIGURATION () D D D
0x44 NEXT_ACTIVE_FRAMER (LAIF, NCo, NCi) D
0x45 NEXT_SUBFRAME_MODE (SM) D D
0x46 NEXT_CLOCK_GEAR (CG) D
0x47 NEXT_ROOT_FREQUENCY (RF) D
0x4A NEXT_PAUSE_CLOCK (RT) D
0x4B NEXT_RESET_BUS () D
0x4C NEXT_SHUTDOWN_BUS () D
0x50 NEXT_DEFINE_CHANNEL (CN, TP, SD, SL, LN) D
0x51 NEXT_DEFINE_CONTENT (CN, FL, PR, AF, DT, CL, DL) D
0x54 NEXT_ACTIVATE_CHANNEL (CN) D
0x55 NEXT_DEACTIVATE_CHANNEL (CN) D
0x58 NEXT_REMOVE_CHANNEL (CN) D
0x5F RECONFIGURE_NOW () D D D
Value Management
Messages
0x60 REQUEST_VALUE (TID, EC) D
0x61 REQUEST_CHANGE_VALUE (TID, EC, VU)
0x64 REPLY_VALUE (TID, VS) S
0x68 CHANGE_VALUE (EC, VU) D
Notes:
S = Supported as a source device only.
D = Supported as a destination device only.
Table 4-59. SLIMbus Parameter Support
Parameter Code Description Comments
AF Auxiliary Bits Format
CG Clock Gear
CL Channel Link
CM Clear Mask CS42L92 does not fully support this function. The CM bytes of the REQUEST_
CLEAR_INFORMATION or CLEAR_INFORMATION messages must not be
sent to CS42L92 Devices. When either of these messages is received, all bits
within the specified Information Slice are cleared.
CN Channel Number
DC Device Class
DCV Device Class Variation
DL Data Length
DT Data Type CS42L92 supports the following DT codes:
0x0 = Not indicated
0x1 = LPCM audio
Note that 2’s complement PCM can be supported with DT = 0x0.
EC Element Code
EP End Point
FL Frequency Locked
IS Information Slice
LA Logical Address
LAIF Logical Address, Incoming Framer
LN Data Line All LN codes (0–7) are supported. The LN value must be equal to one of the
data lines that is mapped to one of the CS42L92 SLIMDATn pins.
The mapping of the secondary SLIMDATn pins onto the SLIMbus data lines is
configurable, using the value elements of the interface device. (Note that the
primary data pin, SLIMDAT1, is always mapped to SLIMbus data line DATA0.)
NCi Number of Incoming Framer Clock Cycles
NCo Number of Outgoing Framer Clock Cycles
Table 4-58. SLIMbus Message Support (Cont.)
Category Message Code MC[6:0] Description Generic Framer Interface
_‘ __— __— _— _— CIRRUS LOGIC” Parameter Code Descrip on Comments PN Port Number Note that the Port Numbers ol the CS42L92 SLleuS paths are PR Presence Rate Note that the Presence Rate must be the same as the sample rate selected for RF Root Frequency CS42L92 supports tne lolloWing RF codes as Active Framer: RT Restart Time CS42L92 supports tne lolloWing RT codes: SD Segment Distribution Note that any audio channels that are assigned the same SAMPLEiRATEin or SL Segment Length Note that any active data cnanhels tnat are assigned tne same Port Number SM Subtrame Mode 7 TID Transaction ID 7 TP Transport Protocol C842L92 supports the lollowing TP codes, according lo the applicable audio VS Value Slice 7 vu Value Update 7 Clock Gear Description SLIMCLK Frequency 1 10 Divlde by 1 24.576 MHZ 9 Divlde by 2 12.288 MHZ 8 Divlde by 4 6,144 MHZ 7 Divlde by 8 3,072 MHZ
DS1162F1 147
CS42L92
4.10 SLIMbus Interface Control
4.10.3 SLIMbus Clocking Control
The clock frequency of the SLIMbus interface is not fixed, and may be set according to the application requirements. The
clock frequency can be reconfigured dynamically as required.
The CS42L92 SLIMbus interface includes a framer device. When configured as the active framer, the SLIMbus clock
(SLIMCLK) is an output from the CS42L92. At other times, SLIMCLK is an input. The framer function can be transferred
from one device to another; this is known as framer handover, and is controlled by the manager device.
The supported root frequencies in active framer mode are 24.576 or 22.5792 MHz only. At other times, the supported root
frequencies are as defined in the MIPI Alliance specification for SLIMbus.
Under normal operating conditions, the SLIMbus interface operates with a fixed root frequency (RF); dynamic updates to
the bus rate are applied using a selectable clock gear (CG) function. The root frequency and the clock gear setting are
controlled by the manager device; these parameters are transmitted in every SLIMbus superframe to all devices on the
bus.
In Gear 10 (the highest clock gear setting), the SLIMCLK input (or output) frequency is equal to the root frequency. In lower
gears, the SLIMCLK frequency is reduced by increasing powers of 2.
The clock gear definition is shown in Table 4-60.
Note: The 24.576MHz root frequency is an example only; other frequencies are also supported.
PN Port Number Note that the Port Numbers of the CS42L92 SLIMbus paths are
register-configurable, as described in Table 4-62.
PR Presence Rate Note that the Presence Rate must be the same as the sample rate selected for
the associated CS42L92 SLIMbus path.
RF Root Frequency CS42L92 supports the following RF codes as Active Framer:
0x1 = 24.576 MHz
0x2 = 22.5792 MHz
All codes are supported when CS42L92 is not the Active Framer.
RT Restart Time CS42L92 supports the following RT codes:
0x0 = Fast Recovery
0x2 = Unspecified Delay
When either of these values is specified, the CS42L92 resumes toggling the
CLK line within four cycles of the CLK line frequency.
SD Segment Distribution Note that any audio channels that are assigned the same SAMPLE_RATE_n or
ASYNC_SAMPLE_RATE_n value must also be assigned the same Segment
Interval.
SL Segment Length Note that any active data channels that are assigned the same Port Number
must also be assigned the same Segment Length.
SM Subframe Mode
TID Transaction ID
TP Transport Protocol CS42L92 supports the following TP codes, according to the applicable audio
channel port:
Audio TX channel ports: 0x0 (Isochronous Protocol) or 0x1 (Pushed Protocol)
Audio RX channel ports: 0x0 (Isochronous Protocol) or 0x2 (Pulled Protocol)
Note that any active data channels that are assigned the same Port Number
must also be assigned the same Transport Protocol.
VS Value Slice
VU Value Update
Table 4-60. SLIMbus Clock Gear Selection
Clock Gear Description SLIMCLK Frequency 1
10 Divide by 1 24.576 MHz
9 Divide by 2 12.288 MHz
8 Divide by 4 6.144 MHz
7 Divide by 8 3.072 MHz
Table 4-59. SLIMbus Parameter Support (Cont.)
Parameter Code Description Comments
_‘ __— __— _— _— CIRRUS LOGIC” Clock Gear Descripiion SLIMCLK Frequency 1 6 Divide by 16 1.536 MHz 5 Divide by 32 768 KHz 4 Divide by 64 384 KHz 3 Divide by 128 192 KHz 2 Divide by 256 96 kHz 1 Divide by 512 48 kHz Register Address Bil Label Deiauli Deseriplion R1507 (0x0523) 4 SLlMCLKisRC 0 SLleus Clock source 3:0 SLlMCLKiREFi 0x0 SLleus Clock Relerence control. Sels me SLleus reference clock relative to RegisierAddress Bil Label Deiauli Descripiion R1490 (OXOSDZ) 15:8 SLIMRX27PDRT7ADDR[7:O] 0x01 SLIMbus Rx Channel n Port number 7:0 SLIMRXLRDRLADDRUD] 0x00 R1491 (OXOSDS) 15:8 SLIMRX47PDRT7ADDR[7:O] 0x03 7:0 SLIMRXLRDRLADDRUD] 0x02 R1492 (0x05D4) 15:8 SLIMRxejDRLADDan] 0x05 7:0 SLIMRX57PDRT7ADDR[7:O] 0x04 R1493 (OXOSDS) 15:8 SLIMRXLRDRLADDRUD] 0x07 7:0 SLIMRXLRDRLADDRUD] 0x06
148 DS1162F1
CS42L92
4.10 SLIMbus Interface Control
If the CS42L92 is the active framer, the SLIMCLK output is synchronized to the SYSCLK or ASYNCCLK system clock, as
selected by the SLIMCLK_SRC bit. The applicable system clock must be enabled and configured at the SLIMbus root
frequency, whenever the CS42L92 is the active framer.
If the CS42L92 is not the active framer, the SLIMCLK input can be used to provide a reference source for the FLLs. The
frequency of this reference is controlled using SLIMCLK_REF_GEAR, as described in Table 4-61.
The input clock reference for the FLLs is selected by using FLLn_REFCLK_SRC. If SLIMbus is selected as the clock
source, the reference signal is generated using an adaptive divider on the SLIMCLK input. The divider automatically
adapts to the SLIMbus clock gear (CG). If the clock gear on the bus is lower than the SLIMCLK_REF_GEAR, the selected
reference frequency cannot be supported, and the SLIMbus clock reference is disabled.
See Section 4.16 for details of system clocking and the FLLs.
4.10.4 SLIMbus Audio Channel Control
4.10.4.1 Port Number Control
The CS42L92 SLIMbus interface supports up to eight audio input (RX) channels and up to eight audio output (TX)
channels. The port number and end point number for each channel is configurable using the fields described in Table 4-62.
6 Divide by 16 1.536 MHz
5 Divide by 32 768 kHz
4 Divide by 64 384 kHz
3 Divide by 128 192 kHz
2 Divide by 256 96 kHz
1 Divide by 512 48 kHz
1.Assuming 24.576-MHz root frequency
Table 4-61. SLIMbus Clock Reference Control
Register Address Bit Label Default Description
R1507 (0x05E3)
SLIMbus_Framer_
Ref_Gear
4 SLIMCLK_SRC 0 SLIMbus Clock source
Selects the SLIMbus reference clock in Active Framer mode.
0 = SYSCLK
1 = ASYNCCLK
Note that the applicable clock must be enabled, and configured at the SLIMbus
Root Frequency, in Active Framer mode.
3:0 SLIMCLK_REF_
GEAR[3:0]
0x0 SLIMbus Clock Reference control. Sets the SLIMbus reference clock relative to
the SLIMbus Root Frequency (RF).
0x0 = Clock stopped
0x1 = Gear 1. (RF/512)
0x2 = Gear 2. (RF/256)
0x3 = Gear 3. (RF/128)
0x4 = Gear 4. (RF/64)
0x5 = Gear 5. (RF/32)
0x6 = Gear 6. (RF/16)
0x7 = Gear 7. (RF/8)
0x8 = Gear 8. (RF/4)
0x9 = Gear 9. (RF/2)
0xA = Gear 10. (RF)
All other codes are reserved
Table 4-62. SLIMbus Audio Port Number Control
Register Address Bit Label Default Description
R1490 (0x05D2)
SLIMbus_RX_Ports0
15:8 SLIMRX2_PORT_ADDR[7:0] 0x01 SLIMbus RX Channel n Port number
Bits [7:5] specify the End Point (valid from
0–7). Bits [4:0] specify the Port Number
(valid from 0–31)
7:0 SLIMRX1_PORT_ADDR[7:0] 0x00
R1491 (0x05D3)
SLIMbus_RX_Ports1
15:8 SLIMRX4_PORT_ADDR[7:0] 0x03
7:0 SLIMRX3_PORT_ADDR[7:0] 0x02
R1492 (0x05D4)
SLIMbus_RX_Ports2
15:8 SLIMRX6_PORT_ADDR[7:0] 0x05
7:0 SLIMRX5_PORT_ADDR[7:0] 0x04
R1493 (0x05D5)
SLIMbus_RX_Ports3
15:8 SLIMRX8_PORT_ADDR[7:0] 0x07
7:0 SLIMRX7_PORT_ADDR[7:0] 0x06
Table 4-60. SLIMbus Clock Gear Selection (Cont.)
Clock Gear Description SLIMCLK Frequency 1
_‘ __— __— _— _— CIRRUS LOGIC” RegisterAddress Bil Label Default Description R1494 (0X05D6) 15:8 SLIMszjoRLADDan 0X09 7'0 SLIMTXLPORLADDan 0X08 R1495 (0X05D7) 15:8 SLIMTX47PORT7ADDR[7:0 0X03 7'0 SLIMTXCLPORTiADDR 7: 0XOA R1496 (0X05D8) 15:8 SLIMTX67FORT7ADDR OXOD 7'0 OXOC R1497 (0X05D9) 15:8 SLIMTXl‘LFORTiADDR OXOF 7:0 ] l [ 0] [7:0] SLIMTX57PORT7ADDR[7:0] [7:0] [7:0] SLIMTX77PORT7ADDR 0XOE SLleuS TX Channel n Port number RegisterAddress Bil Label Default Description R1525 (OXOSFS) SLIMRXl‘LENA 0 SLIMRX77ENA SLIMRX67ENA SLIMRX57ENA SLIMRXILENA SLIMRXCLENA SLIMRX27ENA SLIMRX‘LENA SLleuS RX Channel n Enable R1526 (OXOSFG) SLIMTXl‘LENA SLIMTX77ENA SLIMTX67ENA SLIMTX57ENA SLIMTXILENA SLIMTXCLENA SLIMTX27ENA ogmwsmmuogmwsmmw ooooooooooooooo SLIMTX‘LENA SLleuS TX Channel n Enable
DS1162F1 149
CS42L92
4.10 SLIMbus Interface Control
4.10.4.2 Sample-Rate Control
The SLIMbus audio inputs may be selected as input to the digital mixers or signal-processing functions within the CS42L92
digital core. The SLIMbus audio outputs are derived from the respective output mixers.
The sample rate for each SLIMbus channel is configured using SLIMRXn_RATE and SLIMTXn_RATEsee Table 4-26.
Note that the SLIMbus interface provides simultaneous support for SYSCLK-referenced and ASYNCCLK-referenced
sample rates on different channels. For example, 48-kHz and 44.1-kHz SLIMbus audio paths can be simultaneously
supported.
Sample-rate conversion is required when routing the SLIMbus paths to any signal chain that is asynchronous or configured
for a different sample rate.
4.10.4.3 Signal Path Enable
The SLIMbus interface supports up to eight audio input (RX) channels and up to eight audio output (TX) channels. Each
channel can be enabled or disabled using the fields defined in Table 4-63.
Note: SLIMbus audio channels can be supported only when the corresponding ports have been enabled by the manager
device (i.e., in addition to setting the respective enable bits). The status bits in Registers R1527 and R1528
indicate the status of each SLIMbus port.
The system clock, SYSCLK, must be configured and enabled before any audio path is enabled. The ASYNCCLK may also
be required, depending on the path configuration. See Section 4.16 for details of the system clocks.
R1494 (0x05D6)
SLIMbus_TX_Ports0
15:8 SLIMTX2_PORT_ADDR[7:0] 0x09 SLIMbus TX Channel n Port number
Valid from 0–31
Bits [7:5] specify the End Point (valid from
0–7). Bits [4:0] specify the Port Number
(valid from 0–31)
7:0 SLIMTX1_PORT_ADDR[7:0] 0x08
R1495 (0x05D7)
SLIMbus_TX_Ports1
15:8 SLIMTX4_PORT_ADDR[7:0] 0x0B
7:0 SLIMTX3_PORT_ADDR[7:0] 0x0A
R1496 (0x05D8)
SLIMbus_TX_Ports2
15:8 SLIMTX6_PORT_ADDR[7:0] 0x0D
7:0 SLIMTX5_PORT_ADDR[7:0] 0x0C
R1497 (0x05D9)
SLIMbus_TX_Ports3
15:8 SLIMTX8_PORT_ADDR[7:0] 0x0F
7:0 SLIMTX7_PORT_ADDR[7:0] 0x0E
Table 4-63. SLIMbus Signal Path Enable
Register Address Bit Label Default Description
R1525 (0x05F5)
SLIMbus_RX_
Channel_Enable
7 SLIMRX8_ENA 0 SLIMbus RX Channel n Enable
0 = Disabled
1 = Enabled
6 SLIMRX7_ENA 0
5 SLIMRX6_ENA 0
4 SLIMRX5_ENA 0
3 SLIMRX4_ENA 0
2 SLIMRX3_ENA 0
1 SLIMRX2_ENA 0
0 SLIMRX1_ENA 0
R1526 (0x05F6)
SLIMbus_TX_
Channel_Enable
7 SLIMTX8_ENA 0 SLIMbus TX Channel n Enable
0 = Disabled
1 = Enabled
6SLIMTX7_ENA 0
5SLIMTX6_ENA 0
4SLIMTX5_ENA 0
3SLIMTX4_ENA 0
2SLIMTX3_ENA 0
1SLIMTX2_ENA 0
0SLIMTX1_ENA 0
Table 4-62. SLIMbus Audio Port Number Control (Cont.)
Register Address Bit Label Default Description
_‘ __— __— _— _— CIRRUS LOGIC” RegisterAddress Bil Label Default Description R1527 (0x05F7) SLIMRXELFORTisTS 0 SLIMbuS RX ChanneI n Port Status SLIM RX77FD RTisTS SLIM RX67FD RTisTS SLIM RX57FD RTisTS SLIM RXALFD RTisTS SLIM RXCLFD RTisTS SLIM RX27FD RTisTS SLIMRX‘LFDRTisTS R1528 (OXOSFE) SLIMTXELFORTisTS SLIMbus TX ChanneI n Port Status SLIMTX77FORT7$TS SLIMTX67FORT7$TS SLIMTX57FORT7$TS SLIMTXILFORTisTS SLIMTXCLFORTisTS SLIMTX27FORT7$TS cemmemmuoemmemmu ooooooooooooooo SLIMTX‘IiFORTisTS Parameter Value Description Source Address OXSS SS is the 87bit iogical address olthe message source, This could be any active device on the bus, Destination Address OXLL LL is the 87bit logicai address ol the message destination (i.e., the 0542L92 SLleus interlace Access Mode 0b1 Selects byteabased acoess mode. Byte Address 0x800 identities the user value element lor selecting the controi register page address, Siice Size 0b001 Selects zebyte slice size Vaiue Update OXYYYY YYYY is bits [23:3] of the applicable control register address. Parameter Value Descrip ion Source Address 0xSS SS is the {Elm logical address oi the message source. This could be any active device on the bust Destination Address OxLL LL is the {Elm iogical address oi the message destination (Let the CS42L92 SLleus interiace Access Mode Obi Seiects byterbased access mode,
150 DS1162F1
CS42L92
4.10 SLIMbus Interface Control
4.10.5 SLIMbus Control Register Access
The SLIMbus interface supports read/write access to the CS42L92 control registers via the value map of the interface
device. Full read/write access to all registers is possible, via the user value elements portion of the value map.
Note that if multibyte transfers of more than 8 bytes are scheduled (see Section 4.10.5.3), system clocking constraints
must be observed to ensure control interface limits are not exceeded. Full details of the applicable clocking requirements
are provided in Section 4.16.7.
4.10.5.1 Control Register Write
Register write operations are implemented using the CHANGE_VALUE message. A maximum of two messages may be
required, depending on circumstances: the first CHANGE_VALUE message selects the register page (bits [23:8] of the
control register address); the second message contains the data and bits [7:0] of the register address. The first message
may be omitted if the register page is unchanged from the previous read or write operation.
The required SLIMbus parameters are described in Table 4-64 and Table 4-65, for the generic case of writing the value
0xVVVV to control register address 0xYYYYZZ. Note that it is also possible to write blocks of up to 16 bytes (to consecutive
register addresses), as described in Section 4.10.5.3.
R1527 (0x05F7)
SLIMbus_RX_
Port_Status
7 SLIMRX8_PORT_STS 0 SLIMbus RX Channel n Port Status
(Read only)
0 = Disabled
1 = Configured and active
6 SLIMRX7_PORT_STS 0
5 SLIMRX6_PORT_STS 0
4 SLIMRX5_PORT_STS 0
3 SLIMRX4_PORT_STS 0
2 SLIMRX3_PORT_STS 0
1 SLIMRX2_PORT_STS 0
0 SLIMRX1_PORT_STS 0
R1528 (0x05F8)
SLIMbus_TX_
Port_Status
7 SLIMTX8_PORT_STS 0 SLIMbus TX Channel n Port Status
(Read only)
0 = Disabled
1 = Configured and active
6SLIMTX7_PORT_STS 0
5SLIMTX6_PORT_STS 0
4SLIMTX5_PORT_STS 0
3SLIMTX4_PORT_STS 0
2SLIMTX3_PORT_STS 0
1SLIMTX2_PORT_STS 0
0SLIMTX1_PORT_STS 0
Table 4-64. Register Write Message (1)—CHANGE_VALUE
Parameter Value Description
Source Address 0xSS SS is the 8-bit logical address of the message source. This could be any active device on the bus,
but is typically the manager device (0xFF).
Destination Address 0xLL LL is the 8-bit logical address of the message destination (i.e., the CS42L92 SLIMbus interface
device). The value is assigned by the SLIMbus manager device.
Access Mode 0b1 Selects byte-based access mode.
Byte Address 0x800 Identifies the user value element for selecting the control register page address.
Slice Size 0b001 Selects 2-byte slice size
Value Update 0xYYYY YYYY is bits [23:8] of the applicable control register address.
Table 4-65. Register Write Message (2)—CHANGE_VALUE
Parameter Value Description
Source Address 0xSS SS is the 8-bit logical address of the message source. This could be any active device on the bus,
but is typically the manager device (0xFF).
Destination Address 0xLL LL is the 8-bit logical address of the message destination (i.e., the CS42L92 SLIMbus interface
device). The value is assigned by the SLIMbus manager device.
Access Mode 0b1 Selects byte-based access mode.
Table 4-63. SLIMbus Signal Path Enable (Cont.)
Register Address Bit Label Default Description
_‘ __— __— _— _— CIRRUS LOGIC” Parameter Value Descrip on Byte Address 0xuuu Specilies the value rnap address. calculated as Slice Size ObOO‘l Selects Zrbyte slice size Value Update 0xvvw vvvv is the 167blt data to be written. Parameter Value Description Source Address 0xSS SS is the 87bit logical address ol the message source, This could be any active device on the bus. but is Destination Address OxLL LL is the Erbit logical address of the message destination (i.e.. the 0542L92 SLIMbuS lnterface device). The Access Mode Ob1 Selects bylerbased access mode. Byte Address 0x800 identities the user value element for selecting the control register page address. Slice Size Ob001 Selects 27!)er slice size Value Update omrw YYYY is bits [23:8] oi the applicable control register address. Parameter Value Description Source Address OXSS SS is the 87bit logical address of the message source. This could be any active deVice on the bus, but is typically Destination Address OXLL LL is the 87bit logical address of the message destination (i.e., the CS42L92 SLleus interlace device). The Access Mode 0b1 Selects byterbased access mode. Byte Address exuuu Specifies the value map address, calculated as Slice Size 0b001 Selects zebyte slice size Transaction lD 0xTTTT TTTT is the 16bit transaction lD for the message. The value is assigned by the SLleuS manager device.
DS1162F1 151
CS42L92
4.10 SLIMbus Interface Control
Note: The first message may be omitted if its contents are unchanged from the previous CHANGE_VALUE message
sent to the CS42L92.
4.10.5.2 Control Register Read
Register read operations are implemented using the CHANGE_VALUE and REQUEST_VALUE messages. A maximum
of two messages may be required, depending on circumstances: the CHANGE_VALUE message selects the register page
(bits [23:8] of the control register address); the REQUEST_VALUE message contains bits [7:0] of the register address.
The first message may be omitted if the register page is unchanged from the previous read or write operation.
The required SLIMbus parameters are described in Table 4-66 and Table 4-67, for the generic case of reading the
contents of control register address 0xYYYYZZ. Note that it is also possible to read blocks of up to 8 bytes (to consecutive
register addresses), as described in Section 4.10.5.3.
Note: The first message may be omitted if its contents are unchanged from the previous CHANGE_VALUE message
sent to the CS42L92.
The CS42L92 responds to the register read commands in accordance with the normal SLIMbus protocols.
Note that the CS42L92 assumes that sufficient control space slots are available in which to provide its response before
the next REQUEST_VALUE message is received. The CS42L92 response is made using a REPLY_VALUE message; the
SLIMbus manager should wait until the REPLY_VALUE message has been received before sending the next REQUEST_
VALUE message. If additional REQUEST_VALUE messages are received before the CS42L92 response has been made,
the earlier REQUEST_VALUE messages are ignored (i.e., only the last REQUEST_VALUE message is serviced).
4.10.5.3 Multibyte Control Register Access
Register data transfers of up to 16 bytes can be configured using the slice size parameter in the second message of the
applicable protocol (see Table 4-65 or Table 4-67). Additional value update words are appended to respective data
message in this case, with the applicable data contents.
Byte Address 0xUUU Specifies the value map address, calculated as
0xA00 + (2 x 0xZZ), where ZZ is bits [7:0] of the applicable control register address.
Slice Size 0b001 Selects 2-byte slice size
Value Update 0xVVVV VVVV is the 16-bit data to be written.
Table 4-66. Register Read Message (1)—CHANGE_VALUE
Parameter Value Description
Source Address 0xSS SS is the 8-bit logical address of the message source. This could be any active device on the bus, but is
typically the manager device (0xFF).
Destination Address 0xLL LL is the 8-bit logical address of the message destination (i.e., the CS42L92 SLIMbus interface device). The
value is assigned by the SLIMbus manager device.
Access Mode 0b1 Selects byte-based access mode.
Byte Address 0x800 Identifies the user value element for selecting the control register page address.
Slice Size 0b001 Selects 2-byte slice size
Value Update 0xYYYY YYYY is bits [23:8] of the applicable control register address.
Table 4-67. Register Read Message (2)—REQUEST_VALUE
Parameter Value Description
Source Address 0xSS SS is the 8-bit logical address of the message source. This could be any active device on the bus, but is typically
the manager device (0xFF).
Destination Address 0xLL LL is the 8-bit logical address of the message destination (i.e., the CS42L92 SLIMbus interface device). The
value is assigned by the SLIMbus manager device.
Access Mode 0b1 Selects byte-based access mode.
Byte Address 0xUUU Specifies the value map address, calculated as
0xA00 + (2 x 0xZZ), where ZZ is bits [7:0] of the applicable control register address.
Slice Size 0b001 Selects 2-byte slice size
Transaction ID 0xTTTT TTTT is the 16-bit transaction ID for the message. The value is assigned by the SLIMbus manager device.
Table 4-65. Register Write Message (2)—CHANGE_VALUE (Cont.)
Parameter Value Description
_‘ __— __— _— _— CIRRUS LOGIC” Register Address Base address (omrwzz; Bytes 2 and 1 (0xva) Base address +1 By1es 4 and 3 Base address + 2 By1es 6 and 5 Base address + 3 By1es a and 7 Base address + 4 Bytes 10 and 9 Base address + 5 Bytes 12 and 11 Base address + s Bytes 14 and 13 Base address + 7 Bytes 1e and 15 Register Address Base address (OXYYYYZZ) Bytes 4. 3, 2, 1 Base address + 2 Bytes 8. 7. 6, 5 Base address + 4 Bytes 12. 11. 1o, 9 Base address + s Bytes 16. 15,14. 13 Signal Palh Descriplions Outpul Pins OUT1L. OUT1R Groundrrelerenced headphone/earpiece output HFOUT1 L. HFOUT1 R OUTZL. OUTZR Groundrrelerenced headphone/earpiece output HFOUTZL. HFOUTZR OUT3L. OUTER Groundrrelerenced headphone/earpiece output HFOUTSL. HFOUTSR or OUTSL. OUTSR D1g1ta| Speaker (FDM) output SPKDAT. SPKCLK
152 DS1162F1
CS42L92
4.11 Output Signal Path
Multibyte register read/write access is supported with slice size of 2, 4, 8, 12, or 16 bytes. Note that if multibyte transfers
of more than 8 bytes are scheduled, system clocking constraints must be observed to ensure control interface limits are
not exceeded. See Section 4.16.7.
When a 2-byte transfer is selected, the register address 0xYYYYZZ is used (using the same naming conventions as
above). When more than 2 bytes are transferred, the register address is automatically incremented as described in
Table 4-68.
Note: Register addresses from R12288 (0x3000) upwards are formatted as 32-bit words. When accessing these
addresses, the slice size should be a multiple of 4 bytes and the byte address should be aligned with the 32-bit
data word boundaries (i.e., an even number). The byte ordering for these register addresses is described in
Table 4-69.
4.11 Output Signal Path
The CS42L92 provides four stereo pairs of audio output signal paths. These outputs comprise ground-referenced
headphone drivers, and a digital output interface suitable for external speaker drivers. The output signal paths are
summarized in Table 4-70.
The analog output paths incorporate high performance 32-bit sigma-delta DACs.
Under default conditions, the headphone drivers provide a stereo, single-ended output. A mono mode is also supported,
providing a differential (BTL) output configuration. The ground-referenced headphone output paths incorporate a common
mode feedback path for rejection of system-related noise. These outputs support direct connection to headphone loads,
with no requirement for AC coupling capacitors.
The OUT1 and OUT2 paths can be configured in High Performance Mode, offering exceptional performance on the
respective headphone outputs. Balanced stereo headphone loads can be supported by assigning the OUT1 and OUT2
signal paths for the left and right channels respectively, with the associated drivers configured for differential output.
Table 4-68. SLIMbus Register Read/Write Sequence—16-Bit Register Space (< 0x3000)
Register Address
(<0x3000) Byte Sequence
Base address (0xYYYYZZ) Bytes 2 and 1 (0xVVVV)
Base address + 1 Bytes 4 and 3
Base address + 2 Bytes 6 and 5
Base address + 3 Bytes 8 and 7
Base address + 4 Bytes 10 and 9
Base address + 5 Bytes 12 and 11
Base address + 6 Bytes 14 and 13
Base address + 7 Bytes 16 and 15
Table 4-69. SLIMbus Register Read/Write Sequence—32-Bit Register Space (0x3000)
Register Address
(0x3000) Byte Sequence
Base address (0xYYYYZZ) Bytes 4, 3, 2, 1
Base address + 2 Bytes 8, 7, 6, 5
Base address + 4 Bytes 12, 11, 10, 9
Base address + 6 Bytes 16, 15, 14, 13
Table 4-70. Output Signal Path Summary
Signal Path Descriptions Output Pins
OUT1L, OUT1R Ground-referenced headphone/earpiece output HPOUT1L, HPOUT1R
OUT2L, OUT2R Ground-referenced headphone/earpiece output HPOUT2L, HPOUT2R
OUT3L, OUT3R Ground-referenced headphone/earpiece output HPOUT3L, HPOUT3R or
HPOUT4L, HPOUT4R
OUT5L, OUT5R Digital speaker (PDM) output SPKDAT, SPKCLK
__- __— __— _— _— CIRRUS LOGIC"
DS1162F1 153
CS42L92
4.11 Output Signal Path
The digital output path provides a stereo pulse-density modulation (PDM) output interface, for connection to external audio
devices. A total of two digital output channels are provided.
Digital filters can be enabled in the output signal paths, supporting audiophile-quality DAC playback options. These hi-fi
filters allow user selection of the preferred characteristics, (e.g., linear phase, antialiasing, or apodizing filter responses).
Digital volume control is available on all outputs (analog and digital), with programmable ramp control for smooth,
glitch-free operation. A configurable noise-gate function is available on each output signal path. Any two of the output
signal paths may be selected as input to the AEC loop-back paths.
The CS42L92 provides short-circuit detection on the headphone output paths. See Section 4.21 for further details.
The CS42L92 output signal paths are shown in Fig. 4-52. Note that the OUT4 path is not implemented on this device.
_‘ __— __— _— _— CIRRUS LOGIC” VVVVVV E4 E4 E4 E4 E4 E4 MW .7
154 DS1162F1
CS42L92
4.11 Output Signal Path
Figure 4-52. Output Signal Paths
Digital Core
OUT5L output
OUT5R output
AEC
Loop-Back
inputs
OUT1L output
OUT1R output
HPOUT1L
HPOUT1R
DAC
HPOUTFB4
HPOUTFB5
HPOUTFB3
HPOUTFB2
HPOUTFB1
SPKCLK
SPKDAT
Mute Sequence
OUT2L output
OUT2R output
HPOUT2L
HPOUT2R
DAC
OUT3L output
OUT3R output
HPOUT3L
HPOUT3R
HPOUT4L
HPOUT4R
DAC
DAC
DAC
DAC
PDM Output
Driver
OUT1L_VOL[7:0] p. 162
OUT1L_MUTE p. 162
OUT1R_VOL[7:0] p. 162
OUT1R_MUTE p. 162
OUT2L_VOL[7:0] p. 162
OUT2L_MUTE p. 162
OUT2R_VOL[7:0] p. 162
OUT2R_MUTE p. 162
OUT3L_VOL[7:0] p. 163
OUT3L_MUTE p. 163
OUT3R_VOL[7:0] p. 163
OUT3R_MUTE p. 163
OUT5L_VOL[7:0] p. 163
OUT5L_MUTE p. 163
OUT5R_VOL[7:0] p. 163
OUT5R_MUTE p. 163
AEC1_LOOPBACK_ENA p. 166
AEC1_LOOPBACK_SRC[3:0] p. 166
AEC2_LOOPBACK_ENA p. 166
AEC2_LOOPBACK_SRC[3:0] p. 166
SPK1_MUTE_ENDIAN p. 169
SPK1_MUTE_SEQ[7:0] p. 169
HIFI_FIR_TYPE[3:0] p. 161
OUT2_MONO
p. 159
OUT3_MONO
p. 159 OUT3R_HIFI p. 160
OUT3L_HIFI p. 160
OUT2R_HIFI p. 160
OUT2L_HIFI p. 160
OUT1R_HIFI p. 160
OUT1L_HIFI p. 160
OUT1_MONO
p. 159
OUT5L_HIFI p. 161
OUT5R_HIFI p. 161
SPK1L_MUTE p. 169
SPK1R_MUTE p. 169
OUT5_OSR p. 159
SPK1_FMT p. 169
OUT5L_ENA p. 156
OUT5R_ENA p. 156
HP1L_ENA p. 156
HP1R_ENA p. 156
HP2L_ENA p. 156
HP2R_ENA p. 156
HP3L_ENA
p. 156
HP3R_ENA
p. 156
HP3L_ENA p. 156
HP3R_ENA p. 156
EP_SEL p. 159
__- __— __— _— _— CIRRUS LOGIC"
DS1162F1 155
CS42L92
4.11 Output Signal Path
4.11.1 Output Signal Path Enable
The output signal paths are enabled using the bits described in Table 4-71. The respective bits must be enabled for analog
or digital output on the respective output paths.
The OUT3 path is associated with the HPOUT3 and HPOUT4 output drivers. The HP3L_ENA and HP3R_ENA bits control
either the HPOUT3 or HPOUT4 drivers, depending on the EP_SEL register bit selection. See Table 4-74 for details of the
EP_SEL register bit.
The output signal paths are muted by default. It is recommended that deselecting the mute should be the final step of the
path enable control sequence. Similarly, the mute should be selected as the first step of the path disable control sequence.
The output signal path mute functions are controlled using the bits described in Table 4-71.
The supply rails for the analog outputs (HPOUT1–HPOUT4) are generated using an integrated dual-mode charge pump,
CP1. The charge pump is enabled automatically by the CS42L92 when required by the output drivers; see Section 4.19.
The CS42L92 schedules a pop-suppressed control sequence to enable or disable the HPOUT1–HPOUT4 signal paths.
This is automatically managed by the control-write sequencer in response to setting the respective HPnx_ENA bits; see
Section 4.18 for further details.
The output signal path enable/disable control sequences are inputs to the interrupt circuit and can be used to trigger an
interrupt event when a sequence completes; see Section 4.15.
The system clock, SYSCLK, must be configured and enabled before any audio path is enabled. The ASYNCCLK may also
be required, depending on the path configuration. See Section 4.16 for details of the system clocks.
The CS42L92 performs automatic checks to confirm that the SYSCLK frequency is high enough to support the output
signal paths and associated DACs. If the frequency is too low, an attempt to enable an output signal path fails. Note that
active signal paths are not affected under such circumstances.
The status bits in Register R1025 and R1030 indicate the status of each output signal path. If an underclocked error
condition occurs, these bits indicate which signal paths have been enabled.
_‘ __— __— _— _— CIRRUS LOGIC” RegisterAddress Bit Label Detault Description R102410x0400) 9 OUTSLiENA o OutputPathstIevt)ehab1e s OUTSRiENA o OutputPathstright)ename 5 HP3L7ENA o OutputPath3tIen)ehapIe 4 HP3R7ENA o OutputPath3thght)ename 3 HP2L7ENA o OutputPath2tIen)ehapIe 2 HP2R7ENA o OutputPath2thght)ename 1 HP1L7ENA o OutputPath1tIen)ehapIe o HP1R7ENA o OutputPath1thght)ename R102510x0401) 9 OUTSLiENAisTS o OutputPathstlevt)ehab1estatus s OUTSRiEN/LSTS 0 Output Path 5 (right) ename status R1030 (0x0406) 5 OUTSLiENAisTS 0 Output Path 3 (lefl) ehaple status 4 OUTERiEN/LSTS 0 Output Path 3 (right) ename status 3 OUT2L7ENA75TS 0 Output Path 2 (lefl) ehaple status 2 OUTZRiEN/LSTS 0 Output Path 2 (right) ename status 1 OUTWLiENAisTS 0 Output Path 1 (lefl) ehaple status 0 0UT1 RiEN/LSTS 0 Output Path 1 (right) ename status
156 DS1162F1
CS42L92
4.11 Output Signal Path
Table 4-71. Output Signal Path Enable
Register Address Bit Label Default Description
R1024 (0x0400)
Output_Enables_1
9 OUT5L_ENA 0 Output Path 5 (left) enable
0 = Disabled
1 = Enabled
8 OUT5R_ENA 0 Output Path 5 (right) enable
0 = Disabled
1 = Enabled
5 HP3L_ENA 0 Output Path 3 (left) enable
If EP_SEL = 0, this bit controls the HPOUT3L output driver.
If EP_SEL = 1, this bit controls the HPOUT4L output driver.
0 = Disabled
1 = Enabled
4 HP3R_ENA 0 Output Path 3 (right) enable
If EP_SEL = 0, this bit controls the HPOUT3R output driver.
If EP_SEL = 1, this bit controls the HPOUT4R output driver.
0 = Disabled
1 = Enabled
3 HP2L_ENA 0 Output Path 2 (left) enable
0 = Disabled
1 = Enabled
2 HP2R_ENA 0 Output Path 2 (right) enable
0 = Disabled
1 = Enabled
1 HP1L_ENA 0 Output Path 1 (left) enable
0 = Disabled
1 = Enabled
0 HP1R_ENA 0 Output Path 1 (right) enable
0 = Disabled
1 = Enabled
R1025 (0x0401)
Output_Status_1
9 OUT5L_ENA_STS 0 Output Path 5 (left) enable status
0 = Disabled
1 = Enabled
8 OUT5R_ENA_STS 0 Output Path 5 (right) enable status
0 = Disabled
1 = Enabled
R1030 (0x0406)
Raw_Output_Status_1
5 OUT3L_ENA_STS 0 Output Path 3 (left) enable status
0 = Disabled
1 = Enabled
4 OUT3R_ENA_STS 0 Output Path 3 (right) enable status
0 = Disabled
1 = Enabled
3 OUT2L_ENA_STS 0 Output Path 2 (left) enable status
0 = Disabled
1 = Enabled
2 OUT2R_ENA_STS 0 Output Path 2 (right) enable status
0 = Disabled
1 = Enabled
1 OUT1L_ENA_STS 0 Output Path 1 (left) enable status
0 = Disabled
1 = Enabled
0 OUT1R_ENA_STS 0 Output Path 1 (right) enable status
0 = Disabled
1 = Enabled
_‘ __— __— _— _— CIRRUS LOGIC”
DS1162F1 157
CS42L92
4.11 Output Signal Path
4.11.2 Output Signal Path Sample-Rate Control
The output signal paths are derived from the respective output mixers within the CS42L92 digital core. The sample rate
for the output signal paths is configured using OUT_RATEsee Table 4-26.
Note that sample-rate conversion is required when routing the output signal paths to any signal chain that is asynchronous
or configured for a different sample rate.
A clocking signal is required by the DACs and output signal path circuits. This clock can be provided internally from the
SYSCLK or ASYNCCLK system clocks, or can be provided externally via the MCLKn pins. The clock source is selected
using OUT_CLK_SRC.
The output signal path clock must be synchronized with whichever clock domain is associated with the OUT_RATE setting.
If OUT_RATE is configured for one of the SYSCLK-related sample rates (SAMPLE_RATE_n), then ASYNCCLK is
not a valid selection for OUT_CLK_SRC.
If OUT_RATE is configured for one of the ASYNCCLK-related sample rates (ASYNC_SAMPLE_RATE_n), then
SYSCLK is not a valid selection for OUT_CLK_SRC.
•If MCLKn is selected as the clock source (OUT_CLK_SRC = 100–110), the respective MCLK frequency must be
an integer multiple of the sample rate selected by OUT_RATE. The required clock frequency is either 6.144 MHz
(for 48-kHz-related sample rates) or 5.6448 MHz (44.1-kHz-related sample rates). A configurable divider is provided
in order to provide flexibility in matching the MCLK input with the required frequency.
If a suitable external MCLK source is available, then the choice exists between selecting the internal SYSCLK/ASYNCCLK
or the external MCLK as the output path clock. If the external MCLK source is high quality, then MCLK is the recommended
source. If the MCLK source is not high quality, then the SYSCLK/ASYNCCLK source (generated by one of the FLLs) may
provide a better clock.
The clocking configuration for the output signal path is shown in Fig. 4-53.
Figure 4-53. Output Signal Path Clocking Control
The output signal path clocking control registers are defined in Table 4-72. The OUT_RATE field is defined in Table 4-26.
Divider
Divide by 1, 2, 4, 8 (MCLK only)
SYSCLK
ASYNCCLK
MCLK1
MCLK2
MCLK3
DACs and Output Circuits
OUT_CLK_SRC p. 158 OUT_EXT_CLK_DIV p. 158
_‘ __— __— _— _— CIRRUS LOGIC” Register Address Bit Label Default Description R1032 (0X0408) 5:4 OUTiEXTicLKiDIV 00 Output S‘gnal Path Clock Dw‘der 2:0 OUTiCLKisRC 000 Output S‘gna‘ Path Clock Source Condit n SPKCLK Frequency OUT57OSR = 0 3,072 MHZ OUT57OSR =1 6,144 MHZ
158 DS1162F1
CS42L92
4.11 Output Signal Path
4.11.3 Output Signal Path Control
The OUT1 and OUT2 paths support selectable configuration for low-power or high-performance operation. The applicable
mode is selected using the CP_DAC_MODE bit, as described in Table 4-74. The High Performance Mode is configured
by default.
Under default register conditions, the headphone output (HPOUT1–HPOUT4) paths are configured for stereo output. The
headphone paths can be configured for mono differential (BTL) output using the OUTn_MONO bits; this is ideal for driving
an earpiece or hearing aid coil.
If the OUTn_MONO bit is set, the respective right channel output is an inverted copy of the left channel output signal; this
creates a differential output between the respective outputs. The left and right channel output drivers must both be enabled
in Mono Mode; both channels should be enabled simultaneously using the bits described in Table 4-71.
The mono (BTL) signal paths are shown in Fig. 4-52. Note that, in Mono Mode, the effective gain of the signal path is
increased by 6 dB.
Note that the EP_SEL and OUT3_MONO bits should not be changed if the HPOUT3 or HPOUT4 drivers are enabled.
These bits should be configured before enabling the respective drivers, and should remain unchanged until after the
drivers have been disabled. The HPOUT3 and HPOUT4 drivers are enabled using the HP3L_ENA and HP3R_ENA bits,
as described in Table 4-71.
The SPKCLK frequency of the PDM output path (OUT5) is controlled by OUT5_OSR, as described in Table 4-73. When
the OUT5_OSR bit is set, the audio performance is improved, but power consumption is also increased.
Note that the SPKCLK frequencies noted in Table 4-73 assume that the SYSCLK frequency is a multiple of 6.144 MHz
(SYSCLK_FRAC=0). If the SYSCLK frequency is a multiple of 5.6448 MHz (SYSCLK_FRAC = 1), the SPKCLK frequency
is scaled accordingly.
The output signal path control registers are defined in Table 4-74.
Table 4-72. Output Signal Path Clocking Control
Register Address Bit Label Default Description
R1032 (0x0408)
Output_Rate_1
5:4 OUT_EXT_CLK_DIV 00 Output Signal Path Clock Divider
(only valid if OUT_CLK_SRC selects MCLKn as the clock source)
00 = Divide by 1
01 = Divide by 2
10 = Divide by 4
11 = Divide by 8
2:0 OUT_CLK_SRC 000 Output Signal Path Clock Source
000 = SYSCLK
001 = ASYNCCLK
100 = MCLK1
101 = MCLK2
110 = MCLK3
All other codes are reserved
Note that the selected clock must be synchronized with whichever
clock domain is associated with the OUT_RATE setting.
Table 4-73. SPKCLK Frequency
Condition SPKCLK Frequency
OUT5_OSR = 0 3.072 MHz
OUT5_OSR = 1 6.144 MHz
_‘ __— __— _— _— CIRRUS LOGIC” Register Address Bit Label Default Description R1024 (0X0400) 15 EPisEL 0 Output Path 3 Output Driver select R1032 (0x408) 6 CFiDAciMODE 1 Output Path 1 and 2 Perlormance Mode select R1040 (0X0410) 12 OUT17MONO 0 Output Path 1 Mono Mode R1048 (0X0418) 12 OUT27MONO 0 Output Path 2 Mono Mode R1056 (0X0420) 12 OUT37MONO 0 Output Path 3 Mono Mode R1072 (0X0430) 13 OUT570$R 0 Output Path 5 Oversample Rate Passband Stopband 0 48 KHZ. 96 kHz, Deep Stopband. linear phase 0,454 fs 0.546 is 0.001 dB 120 dB 1 Deep stopband. minimum phase 0.454 fs 0,546 is 0.001 dB 120 dB 2 48 kHz, 44.1 KHZ Antialias, linear phase 0,417 fs 0.5 fs 0.001 dB 110 dB 3 AhtialiaS. minimum phase 0.417 ls 0.5 ls 0.001 dB 110 dB 4 96 kHZ, 192 kHz. Nonrapodizing. linear phase 0,227 fs 0.5 fs 0.001 dB 120 dB 5 Nonrapodizing. minimum phase 0.227 ls 0.5 ls 0.001 dB 120 dB 6 Apodizmg, linear phase 0.227 fs 0,454 is 0.001 dB 120 dB 7 Apodlzmg. minimum phase 0.227 fs 0.454 is 0.001 dB 120 dB
DS1162F1 159
CS42L92
4.11 Output Signal Path
4.11.4 Output Signal Path Digital Filter Control
An integrated signal-processing engine on the CS42L92 supports digital filter requirements for range of hi-fi applications.
Preset filter coefficients are held in on-board ROM, and can be configured and enabled as required. The hi-fi filters are
tailored to specific sample rates, and provide options relating to passband frequency, stopband attenuation, and
phase-response characteristics.
The filter type is selected using the HIFI_FIR_TYPE field. The available filters are each described in Table 4-75. The digital
filter can be enabled in any output path, using the respective OUTnx_HIFI bits.
Note that only one filter type can be selected at any time, but the applicable filter can be enabled on any number of output
paths simultaneously. The supported sample rates for each filter type are noted in Table 4-75—the selected filter must be
consistent with the output sample rate (OUT_RATE) setting.
The digital filter can be enabled or disabled independently in any output path. A short interruption to the playback if the
filter type is changed while the hi-fi filters are enabled on any output path.
The hi-fi digital filters are described in Table 4-75.
Table 4-74. Output Signal Path Control
Register Address Bit Label Default Description
R1024 (0x0400)
Output_Enables_1
15 EP_SEL 0 Output Path 3 Output Driver select
0 = HPOUT3L and HPOUT3R
1 = HPOUT4L and HPOUT4R
R1032 (0x408)
Output_Rate_1
6 CP_DAC_MODE 1 Output Path 1 and 2 Performance Mode select
0 = Low Power Mode
1 = High Performance Mode
R1040 (0x0410)
Output_Path_
Config_1L
12 OUT1_MONO 0 Output Path 1 Mono Mode
(Configures HPOUT1L and HPOUT1R as a mono differential output.)
0 = Disabled
1 = Enabled
The gain of the signal path is increased by 6 dB in differential (mono) mode.
R1048 (0x0418)
Output_Path_
Config_2L
12 OUT2_MONO 0 Output Path 2 Mono Mode
(Configures HPOUT2L and HPOUT2R as a mono differential output.)
0 = Disabled
1 = Enabled
The gain of the signal path is increased by 6 dB in differential (mono) mode.
R1056 (0x0420)
Output_Path_
Config_3L
12 OUT3_MONO 0 Output Path 3 Mono Mode
(Configures HPOUT3 and HPOUT4 as a mono differential output.)
0 = Disabled
1 = Enabled
The gain of the signal path is increased by 6 dB in differential (mono) mode.
R1072 (0x0430)
Output_Path_
Config_5L
13 OUT5_OSR 0 Output Path 5 Oversample Rate
0 = Normal mode
1 = High Performance mode
Table 4-75. Output Signal Path Digital Filter Types
Type Sample Rate Description Passband Stopband Passband
Ripple
Stopband
Attenuation
0 48 kHz, 96 kHz,
192 kHz, 44.1 kHz,
88.2 kHz, 176.4 kHz
Deep stopband, linear phase 0.454 fs 0.546 fs 0.001 dB 120 dB
1 Deep stopband, minimum phase 0.454 fs 0.546 fs 0.001 dB 120 dB
2 48 kHz, 44.1 kHz Antialias, linear phase 0.417 fs 0.5 fs 0.001 dB 110 dB
3 Antialias, minimum phase 0.417 fs 0.5 fs 0.001 dB 110 dB
4 96 kHz, 192 kHz,
384 kHz, 88.2 kHz,
176.4 kHz,
352.8 kHz
Non-apodizing, linear phase 0.227 fs 0.5 fs 0.001 dB 120 dB
5 Non-apodizing, minimum phase 0.227 fs 0.5 fs 0.001 dB 120 dB
6 Apodizing, linear phase 0.227 fs 0.454 fs 0.001 dB 120 dB
7 Apodizing, minimum phase 0.227 fs 0.454 fs 0.001 dB 120 dB
_‘ __— __— _— _— CIRRUS LOGIC” Passband Stopband 8 192 KHZ. 384 KHZ. Nonrapodizing. linear phase 0.114 is 0.5 fs 0.001 dB 125 dB 9 Nonrapodizing‘ minimum phase 0.114 is 0.5 ls 0.001 dB 125 dB 10 Apodizing, linear phase 0.114 is 0,454 is 0.001 dB 125 dB 11 ApodiZing, minimum phase 0.114 is 0.454 is 0.001 dB 125 dB 12 192 KHZ‘ 384 KHZ. Nonrapodizing, nonrihterpolating linear phase 0.114 is 0.499 is 0.001 dB 125 dB 13 Nonrapodizihg, nonrinterpolatihg minimum phase 0.114 is 0.499 is 0.001 dB 125 dB 14 ApodiZing, nonrinterpolating linear phase 0.114 is 0.4991s 0.001 dB 125 dB 15 Apodizing. nonrinterpolating minimum phase 0.114 is 0.499 is 0.001 dB 125 dB Register Address Bit Label Default Description R1040 (0X0410) 14 OUT1L7HlF| 0 Output Path 1 (Left) HirFi Filter Enable R1044 (0X0414) 14 OUT1R7HlFl 0 Output Path 1 (Right) HirFi Filter Enable R1048 (0X0418) 14 OUT2L7HlF| 0 Output Path 2 (Left) HirFi Filter Enable R1052 (0X041C) 14 OUT2R7HlFl 0 Output Path 2 (Right) HirFi Filter Enable R1056 (0X0420) 14 OUT3L7HlF| 0 Output Path 3 (Left) HirFi Filter Enable R1060 (0X0424) 14 OUT3R7HlFl 0 Output Path 3 (Right) HirFi Filter Enable
160 DS1162F1
CS42L92
4.11 Output Signal Path
At 48 kHz (or 44.1 kHz) sample rate, the key parameters of the hi-fi digital filters are the stopband attenuation and phase
response. The stopband characteristics are noted in Table 4-75.
The choice between linear phase and minimum phase filters determines time-domain effects of the filter transfer function.
Linear phase offers zero group delay, and equal levels of pre- and postringing. Minimum phase offers minimum preringing
and latency, but higher levels of postringing and group delay distortion.
For sample rates above 48kHz, a choice between apodizing and non-apodizing filters is available. Apodizing filters have
the capability to reduce time-domain distortion—this can be used to eliminate time smear effects introduced by other filters
in the signal chain, provided the other filters have a flat frequency response throughout the apodizing filter’s cut-off region.
The cut-off (stopband) frequency of the apodizing filters are slightly lower than the respective non-apodizing filter
response.
The hi-fi digital filter control registers are described in Table 4-76.
8 192 kHz, 384 kHz,
176.4 kHz,
352.8 kHz
Non-apodizing, linear phase 0.114 fs 0.5 fs 0.001 dB 125 dB
9 Non-apodizing, minimum phase 0.114 fs 0.5 fs 0.001 dB 125 dB
10 Apodizing, linear phase 0.114 fs 0.454 fs 0.001 dB 125 dB
11 Apodizing, minimum phase 0.114 fs 0.454 fs 0.001 dB 125 dB
12 192 kHz, 384 kHz,
176.4 kHz,
352.8 kHz
Non-apodizing, non-interpolating linear phase 0.114 fs 0.499 fs 0.001 dB 125 dB
13 Non-apodizing, non-interpolating minimum phase 0.114 fs 0.499 fs 0.001 dB 125 dB
14 Apodizing, non-interpolating linear phase 0.114 fs 0.499 fs 0.001 dB 125 dB
15 Apodizing, non-interpolating minimum phase 0.114 fs 0.499 fs 0.001 dB 125 dB
Table 4-76. Output Signal Path Digital Filter Control
Register Address Bit Label Default Description
R1040 (0x0410)
Output_Path_
Config_1L
14 OUT1L_HIFI 0 Output Path 1 (Left) Hi-Fi Filter Enable
0 = Disabled
1 = Enabled
R1044 (0x0414)
Output_Path_
Config_1R
14 OUT1R_HIFI 0 Output Path 1 (Right) Hi-Fi Filter Enable
0 = Disabled
1 = Enabled
R1048 (0x0418)
Output_Path_
Config_2L
14 OUT2L_HIFI 0 Output Path 2 (Left) Hi-Fi Filter Enable
0 = Disabled
1 = Enabled
R1052 (0x041C)
Output_Path_
Config_2R
14 OUT2R_HIFI 0 Output Path 2 (Right) Hi-Fi Filter Enable
0 = Disabled
1 = Enabled
R1056 (0x0420)
Output_Path_
Config_3L
14 OUT3L_HIFI 0 Output Path 3 (Left) Hi-Fi Filter Enable
0 = Disabled
1 = Enabled
R1060 (0x0424)
Output_Path_
Config_3R
14 OUT3R_HIFI 0 Output Path 3 (Right) Hi-Fi Filter Enable
0 = Disabled
1 = Enabled
Table 4-75. Output Signal Path Digital Filter Types (Cont.)
Type Sample Rate Description Passband Stopband Passband
Ripple
Stopband
Attenuation
_‘ __— __— _— _— CIRRUS LOGIC” Register Address Bit Label Default Description R1072 (0X0430) 14 OUT5L7H|F| 0 Output Path 5 (Lefl) HirFl Fllter Enable R1076 (0X0434) 14 OUT5R7H|F| 0 Output Path 5 (nght) HirFl Fllter Enable R1102 (OXOIME) 3:0 HlFliFlRi 0X0 Output Path leFl Fllter Select
DS1162F1 161
CS42L92
4.11 Output Signal Path
4.11.5 Output Signal Path Digital Volume Control
A digital volume control is provided on each output signal path, providing –64 to +31.5 dB gain control in 0.5-dB steps. An
independent mute control is also provided for each output signal path.
Whenever the gain or mute setting is changed, the signal path gain is ramped up or down to the new settings at a
programmable rate. For increasing gain (or unmute), the rate is controlled by OUT_VI_RAMP. For decreasing gain (or
mute), the rate is controlled by OUT_VD_RAMP.
Note: The OUT_VI_RAMP and OUT_VD_RAMP fields should not be changed while a volume ramp is in progress.
The OUT_VU bits control the loading of the output signal path digital volume and mute controls. When OUT_VU is cleared,
the digital volume and mute settings are loaded into the respective control register, but do not change the signal path gain.
The digital volume and mute settings on all of the output signal paths are updated when a 1 is written to OUT_VU. This
makes it possible to update the gain of multiple signal paths simultaneously.
Note that, although the digital-volume controls provide 0.5-dB steps, the internal circuits provide signal gain adjustment in
0.125-dB steps. This allows a very high degree of gain control—smooth volume ramping under all operating conditions.
Note: The 0 dBFS level of the OUT5 digital output path is not equal to the 0 dBFS level of the CS42L92 digital core. The
maximum digital output level is –6 dBFS (see Table 3-8). Under 0 dB gain conditions, a 0 dBFS output from the
digital core corresponds to a –6 dBFS level in the PDM output.
The digital volume control registers are described in Table 4-77 and Table 4-78.
R1072 (0x0430)
Output_Path_
Config_5L
14 OUT5L_HIFI 0 Output Path 5 (Left) Hi-Fi Filter Enable
0 = Disabled
1 = Enabled
R1076 (0x0434)
Output_Path_
Config_5R
14 OUT5R_HIFI 0 Output Path 5 (Right) Hi-Fi Filter Enable
0 = Disabled
1 = Enabled
R1102 (0x044E)
Filter_Control
3:0 HIFI_FIR_
TYPE[3:0]
0x0 Output Path Hi-Fi Filter Select
0x0 = 192 kHz deep stopband, linear phase
0x1 = 192 kHz deep stopband, minimum phase
0x2 = 48 kHz antialias, linear phase
0x3 = 48 kHz antialias, minimum phase
0x4 = 384 kHz non-apodizing, linear phase
0x5 = 384 kHz non-apodizing, minimum phase
0x6 = 384 kHz apodizing, linear phase
0x7 = 384 kHz apodizing, minimum phase
0x8 = 384 kHz non-apodizing, linear phase
0x9 = 384 kHz non-apodizing, minimum phase
0xA = 384 kHz apodizing, linear phase
0xB = 384 kHz apodizing, minimum phase
0xC = 384 kHz non-apodizing, non-interpolating linear phase
0xD = 384 kHz non-apodizing, non-interpolating minimum phase
0xE = 384 kHz apodizing, non-interpolating linear phase
0xF = 384 kHz apodizing, non-interpolating minimum phase
Table 4-76. Output Signal Path Digital Filter Control (Cont.)
Register Address Bit Label Default Description
_‘ __— __— _— _— CIRRUS LOGIC” Register Address Bit Label Default Description R1033 (0x0409) 6:4 ouLVD, 010 Output Volume Decreasing Ramp Rate (seconds/6 dB) 2:0 ouLVl, 010 Output Volume increasing Ramp Rate (Seconds/6 dB) R1041 (0x0411) 9 ouLVU See Output Signal Paths Volume Update. Writing 1 to this bit causes the OutputSignal s OUT1L7MUTE 1 Output Path 1 (Lert) Digital Mute 7:0 OUT1L7VOL[7:0] 0x80 Output Path 1 (Left) Digital Volume (see Taple 477810r volume register delinition). R1045 (0x0415) 9 ouLVU See Output Signal Paths Volume Update. Writing 1 to this bit causes the OutputSignal s OUTtRJiAUTE 1 Output Path 1 (Right) Digital Mute 7:0 OUT1R7VOL[7:0] 0x80 OulputPth1(Right)DlgilalVolume(seeTableAJSlorvolumeregister R1049 (0x0419) 9 ouLVU See Output Signal Paths Volume Update. Writing 1 to this bit causes the OutputSignal s OUT2L7MUTE 1 Output Path 2 (Lert) Digital Mute 7:0 OUT2L7VOL[7:0] 0x80 Output Path 2 (Left) Digital Volume (see Taple 477810r volume register delinition). R1053 (0x041D) 9 ouLVU See Output Signal Paths Volume Update. Writing 1 to this bit causes the OutputSignal s OUTZRiMUTE 1 Output Path 2 (Right) Digital Mute 7:0 OUT2R7VOL[7:0] 0x80 Output Path2(Right) Digital Volume (see Table 4778 lorvolume register
162 DS1162F1
CS42L92
4.11 Output Signal Path
Table 4-77. Output Signal Path Digital Volume Control
Register Address Bit Label Default Description
R1033 (0x0409)
Output_Volume_
Ramp
6:4 OUT_VD_
RAMP[2:0]
010 Output Volume Decreasing Ramp Rate (seconds/6 dB)
This field should not be changed while a volume ramp is in progress.
000 = 0 ms
001 = 0.5 ms
010 = 1 ms
011 = 2 ms
100 = 4 ms
101 = 8 ms
110 = 15 ms
111 = 30 ms
2:0 OUT_VI_
RAMP[2:0]
010 Output Volume Increasing Ramp Rate (seconds/6 dB)
This field should not be changed while a volume ramp is in progress.
000 = 0 ms
001 = 0.5 ms
010 = 1 ms
011 = 2 ms
100 = 4 ms
101 = 8 ms
110 = 15 ms
111 = 30 ms
R1041 (0x0411)
DAC_Digital_
Volume_1L
9 OUT_VU See
Footnote 1
Output Signal Paths Volume Update. Writing 1 to this bit causes the Output Signal
Paths Volume and Mute settings to be updated simultaneously
8 OUT1L_MUTE 1 Output Path 1 (Left) Digital Mute
0 = Unmute
1 = Mute
7:0 OUT1L_VOL[7:0] 0x80 Output Path 1 (Left) Digital Volume (see Tab l e 4- 7 8 for volume register definition).
–64 dB to +31.5 dB in 0.5-dB steps
0x00 = –64dB
0x01 = –63.5dB
… (0.5-dB steps)
0x80 = 0 dB
… (0.5-dB steps)
0xBF = +31.5 dB
0xC0 to 0xFF = Reserved
R1045 (0x0415)
DAC_Digital_
Volume_1R
9 OUT_VU See
Footnote 1
Output Signal Paths Volume Update. Writing 1 to this bit causes the Output Signal
Paths Volume and Mute settings to be updated simultaneously
8 OUT1R_MUTE 1 Output Path 1 (Right) Digital Mute
0 = Unmute
1 = Mute
7:0 OUT1R_VOL[7:0] 0x80 Output Path 1 (Right) Digital Volume (see Table 4-78 for volume register
definition).
–64 dB to +31.5 dB in 0.5-dB steps
0x00 = –64 dB
0x01 = –63.5 dB
… (0.5-dB steps)
0x80 = 0 dB
… (0.5-dB steps)
0xBF = +31.5 dB
0xC0 to 0xFF = Reserved
R1049 (0x0419)
DAC_Digital_
Volume_2L
9 OUT_VU See
Footnote 1
Output Signal Paths Volume Update. Writing 1 to this bit causes the Output Signal
Paths Volume and Mute settings to be updated simultaneously
8 OUT2L_MUTE 1 Output Path 2 (Left) Digital Mute
0 = Unmute
1 = Mute
7:0 OUT2L_VOL[7:0] 0x80 Output Path 2 (Left) Digital Volume (see Tab l e 4- 7 8 for volume register definition).
–64 dB to +31.5 dB in 0.5-dB steps
0x00 = –64 dB
0x01 = –63.5 dB
… (0.5-dB steps)
0x80 = 0 dB
… (0.5-dB steps)
0xBF = +31.5 dB
0xC0 to 0xFF = Reserved
R1053 (0x041D)
DAC_Digital_
Volume_2R
9 OUT_VU See
Footnote 1
Output Signal Paths Volume Update. Writing 1 to this bit causes the Output Signal
Paths Volume and Mute settings to be updated simultaneously
8 OUT2R_MUTE 1 Output Path 2 (Right) Digital Mute
0 = Unmute
1 = Mute
7:0 OUT2R_VOL[7:0] 0x80 Output Path 2 (Right) Digital Volume (see Table 4-78 for volume register
definition).
–64 dB to +31.5 dB in 0.5-dB steps
0x00 = –64 dB
0x01 = –63.5 dB
… (0.5-dB steps)
0x80 = 0 dB
… (0.5-dB steps)
0xBF = +31.5 dB
0xC0 to 0xFF = Reserved
_‘ __— __— _— _— CIRRUS LOGIC” Register Address Bit Label Default Description R1057 (0x0421) 9 ouLVU See Output Signal Paths Volume Update. Writing 1 to this bit causes the OutputSignal s OUTSLiMUTE 1 Output Path 3 (Len) Digital Mute 7:0 OUT3L7VOL[7:0] 0x80 Output Path 3 (Left) Digital Volume (see Taple 4778 VOr volume register delinition). R1061 (0x0425) 9 ouLVU See Output Signal Paths Volume Update. Writing 1 to this bit causes the OutputSignal s OUTSRiMUTE 1 Output Path 3 (Right) Digital Mute 7:0 OUT3R7VOL[7:0] 0x80 Output Path 3 (Right) Digital Volume (see Table 4778 lor volume register R1073 (0x0431) 9 ouLVU See Output Signal Paths Volume Update. Writing 1 to this bit causes the OutputSignal s OUTSLiMUTE 1 Output Path 5 (Len) Digital Mute 7:0 OUT5L7VOL[7:0] 0x80 Output Path 5 (Left) Digital Volume (see Taple 477810r volume register delinition). R1077 (0x0435) 9 ouLVU See Output Signal Paths Volume Update. Writing 1 to this bit causes the OutputSignal s OUTSRiMUTE 1 Output Path 5 (Right) Digital Mute 7:0 OUT5R7VOL[7:0] 0x80 Output Path 5 (Right) Digital Volume (see Table 4778 lor volume register 1. Deiaull is not applicable Io these writeronly bifis Output Volume Output Volume Output Volume Output Volume 0x00 764.0 0x31 739.5 0x62 715.0 0x93 9.5 0x01 763.5 0x32 739.0 0x63 714.5 0x94 10.0 0x02 763.0 0x33 738.5 0x64 714.0 0x95 10.5 0x03 762.5 0x34 738.0 0x65 713.5 0x96 11.0 0x04 762.0 0x35 737.5 0x66 713.0 0x97 11.5 0x05 761.5 0x36 737.0 0x67 712.5 0x98 12.0 0x06 761.0 0x37 736.5 0x68 712.0 0x99 12.5 0x07 760.5 0x38 736.0 0x69 7115 0x9A 13.0
DS1162F1 163
CS42L92
4.11 Output Signal Path
Table 4-78 lists the output signal path digital volume settings.
R1057 (0x0421)
DAC_Digital_
Volume_3L
9 OUT_VU See
Footnote 1
Output Signal Paths Volume Update. Writing 1 to this bit causes the Output Signal
Paths Volume and Mute settings to be updated simultaneously
8 OUT3L_MUTE 1 Output Path 3 (Left) Digital Mute
0 = Unmute
1 = Mute
7:0 OUT3L_VOL[7:0] 0x80 Output Path 3 (Left) Digital Volume (see Tab l e 4- 7 8 for volume register definition).
–64 dB to +31.5 dB in 0.5-dB steps
0x00 = –64 dB
0x01 = –63.5 dB
… (0.5-dB steps)
0x80 = 0 dB
… (0.5-dB steps)
0xBF = +31.5 dB
0xC0 to 0xFF = Reserved
R1061 (0x0425)
DAC_Digital_
Volume_3R
9 OUT_VU See
Footnote 1
Output Signal Paths Volume Update. Writing 1 to this bit causes the Output Signal
Paths Volume and Mute settings to be updated simultaneously
8 OUT3R_MUTE 1 Output Path 3 (Right) Digital Mute
0 = Unmute
1 = Mute
7:0 OUT3R_VOL[7:0] 0x80 Output Path 3 (Right) Digital Volume (see Table 4-78 for volume register
definition).
–64 dB to +31.5 dB in 0.5-dB steps
0x00 = –64 dB
0x01 = –63.5 dB
… (0.5-dB steps)
0x80 = 0 dB
… (0.5-dB steps)
0xBF = +31.5 dB
0xC0 to 0xFF = Reserved
R1073 (0x0431)
DAC_Digital_
Volume_5L
9 OUT_VU See
Footnote 1
Output Signal Paths Volume Update. Writing 1 to this bit causes the Output Signal
Paths Volume and Mute settings to be updated simultaneously
8 OUT5L_MUTE 1 Output Path 5 (Left) Digital Mute
0 = Unmute
1 = Mute
7:0 OUT5L_VOL[7:0] 0x80 Output Path 5 (Left) Digital Volume (see Tab l e 4- 7 8 for volume register definition).
–64 dB to +31.5 dB in 0.5-dB steps
0x00 = –64 dB
0x01 = –63.5 dB
… (0.5-dB steps)
0x80 = 0 dB
… (0.5-dB steps)
0xBF = +31.5 dB
0xC0 to 0xFF = Reserved
R1077 (0x0435)
DAC_Digital_
Volume_5R
9 OUT_VU See
Footnote 1
Output Signal Paths Volume Update. Writing 1 to this bit causes the Output Signal
Paths Volume and Mute settings to be updated simultaneously
8 OUT5R_MUTE 1 Output Path 5 (Right) Digital Mute
0 = Unmute
1 = Mute
7:0 OUT5R_VOL[7:0] 0x80 Output Path 5 (Right) Digital Volume (see Table 4-78 for volume register
definition).
–64 dB to +31.5 dB in 0.5-dB steps
0x00 = –64 dB
0x01 = –63.5 dB
… (0.5-dB steps)
0x80 = 0 dB
… (0.5-dB steps)
0xBF = +31.5 dB
0xC0 to 0xFF = Reserved
1. Default is not applicable to these write-only bits
Table 4-78. Output Signal Path Digital Volume Range
Output Volume
Register Volume (dB) Output Volume
Register Volume (dB) Output Volume
Register Volume (dB) Output Volume
Register Volume (dB)
0x00 64.0 0x31 39.5 0x62 –15.0 0x93 9.5
0x01 63.5 0x32 39.0 0x63 –14.5 0x94 10.0
0x02 63.0 0x33 38.5 0x64 –14.0 0x95 10.5
0x03 62.5 0x34 38.0 0x65 –13.5 0x96 11.0
0x04 62.0 0x35 37.5 0x66 –13.0 0x97 11.5
0x05 61.5 0x36 37.0 0x67 –12.5 0x98 12.0
0x06 61.0 0x37 36.5 0x68 –12.0 0x99 12.5
0x07 60.5 0x38 36.0 0x69 –11.5 0x9A 13.0
Table 4-77. Output Signal Path Digital Volume Control (Cont.)
Register Address Bit Label Default Description
_‘ __— __— _— _— CIRRUS LOGIC” Output Volume Output Volume Output Volume Output Volume 0x08 760.0 0x39 435.5 0x6A 4110 0x98 13.5 0x09 459.5 0x3A 435.0 0x68 410.5 0x90 14.0 0on 459.0 0x35 434.5 0x60 410.0 0x90 14.5 OXOB 758.5 0x30 434.0 0x60 495 0x95 15.0 0x00 758.0 0x30 433.5 0er 49.0 ()ng 15.5 0x00 457.5 0x3E 433.0 0x6F 41.5 0on 16.0 0x05 457.0 0x3F 432.5 0x70 410 OxA1 16.5 0on 756.5 0x40 432.0 0x71 475 0xA2 17.0 0x10 756.0 0x41 431.5 0x72 470 0xA3 17.5 0x11 455.5 0x42 431.0 0x73 455 0xA4 18.0 0x12 455.0 0x43 430.5 0x74 450 0xA5 18.5 0x13 454.5 0x44 430.0 0x75 455 0xA6 19.0 0x14 454.0 0x45 429.5 0x76 450 0xA7 19.5 0x15 453.5 0x46 429.0 0x77 45 0xA8 20.0 0x16 453.0 0x47 428.5 0x78 40 0er 20.5 0x17 452.5 0x48 428.0 0x79 435 OxAA 21.0 0x18 452.0 0x49 427.5 Ox7A 43.0 0xA8 21.5 0x19 451.5 0x4A 427.0 OX7B 42.5 OXAC 22.0 0x1A 451.0 0x45 726.5 0x70 42.0 OXAD 22.5 0x18 450.5 0x40 726.0 0x7D ,1 5 0er 23.0 0x10 450.0 Ox4D 425.5 Ox7E 41.0 OXAF 23.5 0x1D 49.5 0x4E 425.0 0X7F 41.5 OXBO 24.0 Ox‘lE 49.0 0x4F 424.5 0x80 00 OXB1 24.5 0x1F 48.5 0x50 424.0 0x81 05 0x82 25.0 0x20 48.0 0x51 423.5 0x82 10 0x33 25.5 0x21 47.5 0x52 423.0 0x83 15 0x54 26.0 0x22 47.0 0x53 422.5 0x84 20 0x35 26.5 0x23 46.5 0x54 422.0 0x85 25 0x56 27.0 0x24 46.0 0x55 421.5 0x86 30 0x37 27.5 0x25 45.5 0x56 421.0 0x87 35 0x58 28.0 0x26 45.0 0x57 420.5 0x88 40 0x39 28.5 0x27 44.5 0x58 420.0 0x89 45 OXBA 29.0 0x28 44.0 0x59 419.5 0st 5,0 OXBB 29.5 0x29 43.5 0x5A 419.0 cm: 5,5 OXBC 30,0 OXZA 43.0 0x55 718.5 0x80 60 OXBD 30.5 0x28 42.5 0x50 718.0 0x80 65 OXBE 31.0 0x20 42.0 0x50 417.5 Ox8E 7,0 OXBF 31.5 0x2D 41.5 0x5E 417.0 OXBF 7,5 excowaF Reserved 0x25 41.0 OXSF 716.5 0x90 80 0sz 40.5 0x60 716.0 0x91 85 0x30 40.0 0x61 415.5 0x92 90
164 DS1162F1
CS42L92
4.11 Output Signal Path
4.11.6 Output Signal Path Noise-Gate Control
The CS42L92 provides a digital noise-gate function for each output signal path. The noise gate ensures best noise
performance when the signal path is idle. When the noise gate is enabled, and the applicable signal level is below the
noise-gate threshold, the noise gate is activated, causing the signal path to be muted.
The noise-gate function is enabled by setting NGATE_ENA, as described in Table 4-79.
For each output path, the noise gate may be associated with one or more of the signal path threshold detection functions
using the x_NGATE_SRC fields. When more than one signal threshold is selected, the output-path noise gate is only
activated (i.e., muted) when all of the respective signal thresholds are satisfied.
0x08 60.0 0x39 35.5 0x6A –11.0 0x9B 13.5
0x09 59.5 0x3A 35.0 0x6B –10.5 0x9C 14.0
0x0A 59.0 0x3B 34.5 0x6C –10.0 0x9D 14.5
0x0B 58.5 0x3C –34.0 0x6D –9.5 0x9E 15.0
0x0C 58.0 0x3D –33.5 0x6E –9.0 0x9F 15.5
0x0D 57.5 0x3E 33.0 0x6F –8.5 0xA0 16.0
0x0E 57.0 0x3F 32.5 0x70 –8.0 0xA1 16.5
0x0F 56.5 0x40 32.0 0x71 –7.5 0xA2 17.0
0x10 56.0 0x41 31.5 0x72 –7.0 0xA3 17.5
0x11 55.5 0x42 31.0 0x73 –6.5 0xA4 18.0
0x12 55.0 0x43 30.5 0x74 –6.0 0xA5 18.5
0x13 54.5 0x44 30.0 0x75 –5.5 0xA6 19.0
0x14 54.0 0x45 29.5 0x76 –5.0 0xA7 19.5
0x15 53.5 0x46 29.0 0x77 –4.5 0xA8 20.0
0x16 53.0 0x47 28.5 0x78 –4.0 0xA9 20.5
0x17 52.5 0x48 28.0 0x79 –3.5 0xAA 21.0
0x18 52.0 0x49 27.5 0x7A –3.0 0xAB 21.5
0x19 51.5 0x4A 27.0 0x7B –2.5 0xAC 22.0
0x1A 51.0 0x4B 26.5 0x7C –2.0 0xAD 22.5
0x1B 50.5 0x4C 26.0 0x7D –1.5 0xAE 23.0
0x1C 50.0 0x4D 25.5 0x7E –1.0 0xAF 23.5
0x1D 49.5 0x4E 25.0 0x7F –0.5 0xB0 24.0
0x1E –49.0 0x4F 24.5 0x80 0.0 0xB1 24.5
0x1F –48.5 0x50 24.0 0x81 0.5 0xB2 25.0
0x20 –48.0 0x51 23.5 0x82 1.0 0xB3 25.5
0x21 –47.5 0x52 23.0 0x83 1.5 0xB4 26.0
0x22 –47.0 0x53 22.5 0x84 2.0 0xB5 26.5
0x23 –46.5 0x54 22.0 0x85 2.5 0xB6 27.0
0x24 –46.0 0x55 21.5 0x86 3.0 0xB7 27.5
0x25 –45.5 0x56 21.0 0x87 3.5 0xB8 28.0
0x26 –45.0 0x57 20.5 0x88 4.0 0xB9 28.5
0x27 –44.5 0x58 20.0 0x89 4.5 0xBA 29.0
0x28 –44.0 0x59 19.5 0x8A 5.0 0xBB 29.5
0x29 –43.5 0x5A 19.0 0x8B 5.5 0xBC 30.0
0x2A 43.0 0x5B 18.5 0x8C 6.0 0xBD 30.5
0x2B 42.5 0x5C 18.0 0x8D 6.5 0xBE 31.0
0x2C 42.0 0x5D 17.5 0x8E 7.0 0xBF 31.5
0x2D 41.5 0x5E 17.0 0x8F 7.5 0xC0–0xFF Reserved
0x2E –41.0 0x5F 16.5 0x90 8.0
0x2F –40.5 0x60 16.0 0x91 8.5
0x30 –40.0 0x61 15.5 0x92 9.0
Table 4-78. Output Signal Path Digital Volume Range (Cont.)
Output Volume
Register Volume (dB) Output Volume
Register Volume (dB) Output Volume
Register Volume (dB) Output Volume
Register Volume (dB)
_‘ __— __— _— _— CIRRUS LOGIC” Register Address Bit Label Default Description R1043 (0X0413) 11 :0 OUT1L7NGATE7 OX001 Output Signal Path NoiSeVGate Source. Enables one of more Signal paths as R1047 (0X0417) 11:0 OUT1R7NGATE, OX002 R1051 (0X041B) 11:0 OUT2L7NGATE7 OX004 R1055 (0x041 F) 11 :0 OUTZRiNGATEi OXOOE R1059 (0X0423) 11 :0 OUT3L7NGATE7 OXO1O R1063 (0X0427) 11 :0 OUT3R7NGATE, OXOZO R1075 (0X0433) 11:0 OUTSLiNGATEi OX100 R1079 (0X0437) 11 :0 OUT5R7NGATE7 OX200 R1112 (0X0458) 5:4 NGATE, 00 Output Signal Path NoiserGate Hold Time (delay before noise gate is activated) 3:1 NGATE,THR[2:0] 000 Output Signal Path NoiSeVGate Threshold 0 NGATEiENA 0 Output Signal Path NoiserGate Enable
DS1162F1 165
CS42L92
4.11 Output Signal Path
For example, if the OUT1L noise gate is associated with the OUT1L and OUT1R signal paths, the OUT1L signal path is
only muted if both the OUT1L and OUT1R signal levels are below the respective thresholds.
The noise-gate threshold (the signal level below which the noise gate is activated) is set using NGATE_THR. Note that,
for each output path, the noise-gate threshold represents the signal level at the respective output pins; the threshold is
therefore independent of the digital volume and PGA gain settings.
Note that, although there is only one noise-gate threshold level (NGATE_THR), each output-path noise gate may be
activated independently, according to the respective signal content and the associated threshold configurations.
To prevent erroneous triggering, a time delay is applied before the gate is activated; the noise gate is only activated (i.e.,
muted) when the output levels are below the applicable signal level thresholds for longer than the noise-gate hold time.
The hold time is set using the NGATE_HOLD field.
When the noise gate is activated, the CS42L92 gradually attenuates the respective signal path at the rate set by OUT_
VD_RAMP (see Table 4-77). When the noise gate is deactivated, the output volume increases at the rate set by OUT_VI_
RAMP.
4.11.7 Output Signal Path AEC Loop-Back
The CS42L92 incorporates two loop-back signal paths, which are ideally suited as a reference for AEC processing. Any
two of the output signal paths may be selected as the AEC loop-back sources.
When configured with suitable DSP firmware, the CS42L92 can provide an integrated AEC capability. The AEC loop-back
feature also enables convenient hook-up to an external device for implementing the required signal-processing algorithms.
The AEC loop-back source is connected after the respective digital volume controls, as shown in Fig. 4-52. The AEC
loop-back signals can be selected as input to any of the digital mixers within the CS42L92 digital core. The sample rate
for the AEC loop-back paths is configured using OUT_RATE—see Table 4-26.
Table 4-79. Output Signal Path Noise-Gate Control
Register Address Bit Label Default Description
R1043 (0x0413)
Noise_Gate_Select_1L
11:0 OUT1L_NGATE_
SRC[11:0]
0x001 Output Signal Path Noise-Gate Source. Enables one of more signal paths as
inputs to the respective noise gate. If more than one signal path is enabled as
an input, the noise gate is only activated (i.e., muted) when all of the respective
signal thresholds are satisfied.
Each bit is coded as 0 = Disabled, 1 = Enabled
[11] = Reserved
[10] = Reserved
[9] = OUT5R
[8] = OUT5L
[7] = Reserved
[6] = Reserved
[5] = OUT3R
[4] = OUT3L
[3] = OUT2R
[2] = OUT2L
[1] = OUT1R
[0] = OUT1L
R1047 (0x0417)
Noise_Gate_Select_1R
11:0 OUT1R_NGATE_
SRC[11:0]
0x002
R1051 (0x041B)
Noise_Gate_Select_2L
11:0 OUT2L_NGATE_
SRC[11:0]
0x004
R1055 (0x041F)
Noise_Gate_Select_2R
11:0 OUT2R_NGATE_
SRC[11:0]
0x008
R1059 (0x0423)
Noise_Gate_Select_3L
11:0 OUT3L_NGATE_
SRC[11:0]
0x010
R1063 (0x0427)
Noise_Gate_Select_3R
11:0 OUT3R_NGATE_
SRC[11:0]
0x020
R1075 (0x0433)
Noise_Gate_Select_5L
11:0 OUT5L_NGATE_
SRC[11:0]
0x100
R1079 (0x0437)
Noise_Gate_Select_5R
11:0 OUT5R_NGATE_
SRC[11:0]
0x200
R1112 (0x0458)
Noise_Gate_Control
5:4 NGATE_
HOLD[1:0]
00 Output Signal Path Noise-Gate Hold Time (delay before noise gate is activated)
00 = 30 ms
01 = 120 ms
10 = 250 ms
11 = 500 ms
3:1 NGATE_THR[2:0] 000 Output Signal Path Noise-Gate Threshold
000 = –78 dB
001 = –84 dB
010 = –90 dB
011 = –96 dB
100 = –102 dB
101 = –108 dB
110 = –114 dB
111 = –120 dB
0 NGATE_ENA 0 Output Signal Path Noise-Gate Enable
0 = Disabled
1 = Enabled
_‘ __— __— _— _— CIRRUS LOGIC” Register Address Bit Label Delaull Description R1104 (0X0450) 5:2 AEC17LOOFEACK, 0000 Input Source for TX AEC1 lunction 1 AEC17ENA78TS O Transmit (TX) Patn AEC1 Control Status 0 AEC17LOOFEACK, O Transmit (TX) Patn AEC1 Control R1105 (0X0451) 5:2 AE027LOOFEACK7 0000 Input Source for TX AECZ lunction 1 AE027ENA7$TS O Transmit (TX) Patn AECZ Control Status 0 AE027LOOFEACK7 O Transmit (TX) Patn AECZ Control
166 DS1162F1
CS42L92
4.11 Output Signal Path
The AEC loop-back function is enabled using the AECn_LOOPBACK_ENA bits (where n identifies the applicable path,
AEC1 or AEC2). The source signals for the Transmit Path AEC function are selected using the AECn_LOOPBACK_SRC
bits.
The CS42L92 performs automatic checks to confirm that the SYSCLK frequency is high enough to support the AEC
loop-back function. If the frequency is too low, an attempt to enable this function fails. Note that active signal paths are not
affected under such circumstances.
The AECn_ENA_STS bits indicate the status of the AEC loop-back functions. If an underclocked error condition occurs,
these bits indicate whether the AEC loop-back function has been enabled.
4.11.8 Headphone Outputs
The headphone/earpiece driver outputs, HPOUT1–HPOUT4, are suitable for direct connection to external headphones
and earpieces. The outputs are ground referenced, eliminating any requirement for AC coupling capacitors.
The headphone outputs incorporate a common mode, or ground loop, feedback path that provides rejection of
system-related ground noise. The feedback connection is configurable for each output path. Five feedback pins are
provided (HPOUTFBn). The selected feedback pins must be connected to ground for normal operation of the headphone
outputs.
Note that the feedback pins should be connected to GND as close as possible to the respective headphone jack ground
pin, as shown in Fig. 4-54. In mono (differential) mode, the feedback pins should be connected to the ground plane that is
closest to the earpiece output PCB tracks.
The ground feedback path for HPOUT1 and HPOUT2 headphone outputs is selected using the HP1_GND_SEL and HP2_
GND_SEL register fields respectively—see Table 4-81. The ground feedback path for HPOUT3 and HPOUT4 headphone
outputs is selected using the HP3_GND_SEL field.
If none of the HPOUTFBn pins are available for use as a ground feedback connection, an internal ground (AGND) can be
selected by setting the respective HPn_GND_SEL field to 101.
Table 4-80. Output Signal Path AEC Loop-Back Control
Register Address Bit Label Default Description
R1104 (0x0450)
DAC_AEC_
Control_1
5:2 AEC1_LOOPBACK_
SRC[3:0]
0000 Input source for Tx AEC1 function
0000 = OUT1L
0001 = OUT1R
0010 = OUT2L
0011 = OUT2R
0100 = OUT3L
0101 = OUT3R
1000 = OUT5L
1001 = OUT5R
All other codes are reserved
1 AEC1_ENA_STS 0 Transmit (Tx) Path AEC1 Control Status
0 = Disabled
1 = Enabled
0 AEC1_LOOPBACK_
ENA
0 Transmit (Tx) Path AEC1 Control
0 = Disabled
1 = Enabled
R1105 (0x0451)
DAC_AEC_
Control_2
5:2 AEC2_LOOPBACK_
SRC[3:0]
0000 Input source for Tx AEC2 function
0000 = OUT1L
0001 = OUT1R
0010 = OUT2L
0011 = OUT2R
0100 = OUT3L
0101 = OUT3R
1000 = OUT5L
1001 = OUT5R
All other codes are reserved
1 AEC2_ENA_STS 0 Transmit (Tx) Path AEC2 Control Status
0 = Disabled
1 = Enabled
0 AEC2_LOOPBACK_
ENA
0 Transmit (Tx) Path AEC2 Control
0 = Disabled
1 = Enabled
_‘ __— __— _— _— CIRRUS LOGIC” Register Address Bil Label Default Descriplion R1042 (0X0412) 2:0 HP176ND7 000 HPOUT1 ground feedback pin Select R1050 (0X041A) 2:0 HP27GND7 010 HPOUT2 ground feedback pin Select R1058 (0X0422) 2:0 HPCLGND, 010 HPOUTS/HFDUT4 ground leedback pin Se‘ect
DS1162F1 167
CS42L92
4.11 Output Signal Path
The headphone and earpiece connections are shown in Fig. 4-54.
Figure 4-54. Headphone and Earpiece Connection
Table 4-81. Headphone Output (HPOUT) Ground Feedback Control
Register Address Bit Label Default Description
R1042 (0x0412)
Output_Path_
Config_1
2:0 HP1_GND_
SEL[2:0]
000 HPOUT1 ground feedback pin select
000 = HPOUTFB1
001 = HPOUTFB2
010 = HPOUTFB3
011 = HPOUTFB4
100 = HPOUTFB5
101 = AGND (internal connection)
All other codes are reserved
R1050 (0x041A)
Output_Path_
Config_2
2:0 HP2_GND_
SEL[2:0]
010 HPOUT2 ground feedback pin select
000 = HPOUTFB1
001 = HPOUTFB2
010 = HPOUTFB3
011 = HPOUTFB4
100 = HPOUTFB5
101 = AGND (internal connection)
All other codes are reserved
R1058 (0x0422)
Output_Path_
Config_3
2:0 HP3_GND_
SEL[2:0]
010 HPOUT3/HPOUT4 ground feedback pin select
000 = HPOUTFB1
001 = HPOUTFB2
010 = HPOUTFB3
011 = HPOUTFB4
100 = HPOUTFB5
101 = AGND (internal connection)
All other codes are reserved
Earpiece
Each headphone output can support stereo (single-ended) or mono (differential)
output. The illustration shows the configuration for a typical application .
HPOUT1L
HPOUT1R
HPOUTFB1
HPOUTFB2
HPOUT2L
HPOUT2R
HPOUTFB3
HPOUT4L
HPOUT4R
HPOUTFB5
HPOUTFB4
The HPOUT outputs can use any of the
HPOUTFBnpins for ground feedback.
The feedback pins are configured using
HP1_GND_SEL, HP2_GND_SEL and
HP2_GND_SEL.
NC
NC
HPOUT3L
HPOUT3R Line Output (Aux/Dock)
CS42L92
_‘ __— __— _— _— CIRRUS LOGIC” 1 ou15705R Description SPKCLK Frequency Normal mode 3.072 MHZ ngh Performance mode 6.144 MHZ
168 DS1162F1
CS42L92
4.11 Output Signal Path
4.11.9 Speaker Outputs (Digital PDM)
The CS42L92 supports a two-channel pulse-density modulation (PDM) digital speaker interface; the PDM outputs are
associated with the OUT5L and OUT5R output signal paths.
The external connections associated with the PDM outputs are implemented on multifunction GPIO pins, which must be
configured for the respective PDM functions when required. The PDM output connections are pin-specific alternative
functions available on specific GPIO pins. See Section 4.14 to configure the GPIO pins for the PDM output.
The PDM digital speaker interface is a stereo interface; the OUT5L and OUT5R output signal paths are interleaved on the
SPKDAT output, and clocked using SPKCLK.
Note that the PDM interface supports two different operating modes; these are selected using SPK1_FMT. See Table 3-15
for detailed timing information in both modes.
If SPK1_FMT = 0 (Mode A), the Left PDM channel is valid at the rising edge of SPKCLK; the Right PDM channel is
valid at the falling edge of SPKCLK.
If SPK1_FMT = 1 (Mode B), the Left PDM channel is valid during the low phase of SPKCLK; the Right PDM channel
is valid during the high phase of SPKCLK.
The PDM interface timing is shown in Fig. 4-55.
Figure 4-55. Digital Speaker (PDM) Interface Timing
Clocking for the PDM interface is derived from SYSCLK. Note that SYSCLK_ENA must also be set. See Section 4.16 for
further details of the system clocks and control registers.
If the OUT5L or OUT5R output signal path is enabled, the PDM interface clock signal is output on the SPKCLK pin.
The output signal paths support normal and high performance operating modes, as described in Section 4.11.3. The
SPKCLK frequency is set according to the operating mode of the relevant output path, as described in Table 4-82. The
OUT5_OSR bit is defined in Table 4-74.
Note that the SPKCLK frequencies noted in Table 4-82 assume that the SYSCLK frequency is a multiple of 6.144 MHz
(SYSCLK_FRAC = 0). If the SYSCLK frequency is a multiple of 5.6448 MHz (SYSCLK_FRAC=1), the SPKCLK frequency
is scaled accordingly.
The PDM output channels can be independently muted. When muted, the default output on each channel is a
DSD-compliant silent stream (0110_1001b). The mute output code can be programmed to other values if required, using
the SPK1_MUTE_SEQ field. The mute output code can be transmitted MSB-first or LSB-first; this is selectable using the
SPK1_MUTE_ENDIAN bit.
Table 4-82. SPKCLK Frequency
OUT5_OSR Description SPKCLK Frequency
0 Normal mode 3.072 MHz
1 High Performance mode 6.144 MHz
SPKCLK output (Mode A)
SPKDAT output
(left & right channels interleaved) 1 2 1 2 1 2
Left channel output 1 1 1
Right channel output 2 2 2
SPKCLK output (Mode B)
_‘ __— __— _— _— CIRRUS LOGIC” Register Address Bii Label Default Description R1168(Ox0490) 13 SPK1R7MUTE o PDM Speaker OutpuH (Right)Mute 12 SPK1L7MUTE o PDM Speaker OutpuH (Len) Mute s SPKLMUTE, o PDM SpeakerOutpuHMuteSequenceConlroi 7:0 SPKLMUTE, 0x69 PDM Speaker OutpuH Mute Sequence R1169(Ox0491) o SPKLFMT o PDM SpeakerDutpuHIiminglormat
DS1162F1 169
CS42L92
4.12 External Accessory Detection
Note that the PDM Mute function is not a soft-mute; the audio output is interrupted immediately when the PDM mute is
asserted. It is recommended to use the output signal path mute function before applying the PDM mute. See Table 4-77
for details of the OUT5L_MUTE and OUT5R_MUTE bits.
The PDM output interface registers are described in Table 4-83.
The digital speaker (PDM) outputs SPKDAT and SPKCLK are intended for direct connection to a compatible external
speaker driver. A typical configuration is shown in Fig. 4-56.
Figure 4-56. Digital Speaker (PDM) Connection
4.12 External Accessory Detection
The CS42L92 provides external accessory detection functions that can sense the presence and impedance of external
components. This can be used to detect the insertion or removal of an external headphone or headset, and to provide an
indication of key/button push events.
Jack insertion is detected using the JACKDETn pins (where n= 1, 2, or 3), which are typically connected to a switch
contact within the jack sockets. An interrupt event is generated whenever a jack insertion or jack removal event is detected.
Suppression of pops and clicks caused by jack insertion or removal is provided using the MICDET clamp function. (The
CS42L92 incorporates two MICDET clamps.) This function can also be used to trigger interrupt events, and to trigger the
control-write sequencer. The integrated general-purpose switches can be synchronized with the MICDET clamps, to
provide additional pop-suppression capability.
Microphones, push buttons and other accessories can be detected via the MICDETn pins. The presence of a microphone,
and the status of a hook switch can be detected. This feature can also be used to detect push-button operation. (Note that
accessory detection is also possible via the HPDETn and JACKDETn pins, subject to some additional constraints.)
Table 4-83. Digital Speaker (PDM) Output Control
Register Address Bit Label Default Description
R1168 (0x0490)
PDM_SPK1_
CTRL_1
13 SPK1R_MUTE 0 PDM Speaker Output 1 (Right) Mute
0 = Audio output (OUT5R)
1 = Mute Sequence output
12 SPK1L_MUTE 0 PDM Speaker Output 1 (Left) Mute
0 = Audio output (OUT5L)
1 = Mute Sequence output
8 SPK1_MUTE_
ENDIAN
0 PDM Speaker Output 1 Mute Sequence Control
0 = Mute sequence is LSB first
1 = Mute sequence output is MSB first
7:0 SPK1_MUTE_
SEQ[7:0]
0x69 PDM Speaker Output 1 Mute Sequence
Defines the 8-bit code that is output on SPKDAT (left) or SPKDAT (right) when muted.
R1169 (0x0491)
PDM_SPK1_
CTRL_2
0 SPK1_FMT 0 PDM Speaker Output 1 timing format
0 = Mode A (PDM data is valid at the rising/falling edges of SPKCLK)
1 = Mode B (PDM data is valid during the high/low phase of SPKCLK)
Speaker Driver
Speaker Driver
Right
Left
SPKCLK
SPKDAT
CS42L92
_‘ __— __— _— _— CIRRUS LOGIC” Register Address Bil Label Default Description R723 (OXOZDS) 2 JDCLENA 0 JACKDETS enable 1 JD27ENA 0 JACKDETZ enable 0 JD‘LENA 0 JACKDET1 enable
170 DS1162F1
CS42L92
4.12 External Accessory Detection
Headphone impedance can be measured via the HPDET1 and HPDET2 pins; this can be used to set different gain levels
or other configuration settings according to the type of load connected. For example, different settings may be applicable
to headphone or line output loads. (Note that impedance measurement is also possible via the MICDETn and JACKDETn
pins, subject to some additional constraints.)
The MICVDD power domain must be enabled when using the microphone detect function. (Note that MICVDD is not
required for the jack detect or headphone detect functions.) The MICVDD power domain is provided using an internal
charge pump (CP2) and LDO regulator (LDO2). See Section 4.19 for details of these circuits.
The internal 32-kHz clock must be present and enabled when using the microphone detect or headphone detect functions;
the 32-kHz clock is also required for the jack detect function, assuming input debounce is enabled. See Section 4.16 for
details of the internal 32-kHz clock and associated control fields.
4.12.1 Jack Detect
The CS42L92 provides support for jack insertion switch detection. The jack insertion status can be read using the relevant
register status bits. A jack insertion or removal can also be used to trigger an interrupt event.
The jack-detect interrupt (IRQ) functionality is maintained in Sleep Mode (see Section 4.13). This enables a jack insertion
event to be used to trigger a wake-up of the CS42L92.
Jack insertion and removal is detected using the JACKDETn pins. The recommended external connections are shown in
Fig. 4-57. Note that the logic thresholds associated with the JACKDETn pins differ from each other, as described in
Table 3-11—this provides support for different jack switch configurations.
The jack detect feature is enabled using the JDn_ENA bits (where n= 1, 2, or 3 for JACKDET1, JACKDET2, or JACKDET3
respectively); the jack insertion status can be read using JDn_STSx. Note that the JDn_STS1 and JDn_STS2 bits provide
the same information in respect of the applicable JACKDETn input.
The jack detect input debounce is selected using the JDn_DB bits, as described in Table 4-84. Note that, under normal
operating conditions, the debounce circuit uses the 32-kHz clock, which must be enabled whenever input debounce
functions are required. Input debounce is not provided in Sleep Mode; the JDn_DB bits have no effect in Sleep Mode.
Note that the jack detect signals (JDn) can be used as inputs to the MICDET clamp function—this provides additional
functionality relating to jack insertion and removal events.
An interrupt request (IRQ) event is generated whenever a jack insertion or jack removal is detected (see Section 4.15).
Separate mask bits are provided, to allow IRQ events on the rising and/or falling edges of the JDn signals.
The control registers associated with the jack detect function are described in Table 4-84.
Table 4-84. Jack Detect Control
Register Address Bit Label Default Description
R723 (0x02D3)
Jack_detect_
analog
2 JD3_ENA 0 JACKDET3 enable
0 = Disabled
1 = Enabled
1 JD2_ENA 0 JACKDET2 enable
0 = Disabled
1 = Enabled
0 JD1_ENA 0 JACKDET1 enable
0 = Disabled
1 = Enabled
_‘ __— __— _— _— CIRRUS LOGIC” Register Address Bit Label Default Description R6278 (0X1886) 8 JD37STS1 0 JACKDETS input status 2 JD27STS1 0 JACKDET2 input status 0 JD‘LSTS1 0 JACKDET1 input status R6534(0X1986) 8 JD37STS2 0 JACKDETS input status 2 JD27STS2 0 JACKDET2 input status 0 JD‘LSTS2 0 JACKDET1 input status R6662(0X1A06) 8 JDCLDB 0 JACKDETS input debounce 2 JD27DB 0 JACKDET2 input debounce 0 JD‘LDB 0 JACKDET1 input debounce
DS1162F1 171
CS42L92
4.12 External Accessory Detection
A recommended connection circuit, including headphone output on HPOUT1 and microphone connections, is shown in
Fig. 4-57. See Section 5.1 for details of recommended external components.
R6278 (0x1886)
IRQ1_Raw_
Status_7
8 JD3_STS1 0 JACKDET3 input status
0 = Jack not detected
1 = Jack is detected
(Assumes the JACKDET3 pin is pulled low on jack insertion.)
2 JD2_STS1 0 JACKDET2 input status
0 = Jack not detected
1 = Jack is detected
(Assumes the JACKDET2 pin is pulled low on jack insertion.)
0 JD1_STS1 0 JACKDET1 input status
0 = Jack not detected
1 = Jack is detected
(Assumes the JACKDET1 pin is pulled low on jack insertion.)
R6534 (0x1986)
IRQ2_Raw_
Status_7
8 JD3_STS2 0 JACKDET3 input status
0 = Jack not detected
1 = Jack is detected
(Assumes the JACKDET3 pin is pulled low on jack insertion.)
2 JD2_STS2 0 JACKDET2 input status
0 = Jack not detected
1 = Jack is detected
(Assumes the JACKDET2 pin is pulled low on jack insertion.)
0 JD1_STS2 0 JACKDET1 input status
0 = Jack not detected
1 = Jack is detected
(Assumes the JACKDET1 pin is pulled low on jack insertion.)
R6662 (0x1A06)
Interrupt_
Debounce_7
8 JD3_DB 0 JACKDET3 input debounce
0 = Disabled
1 = Enabled
2 JD2_DB 0 JACKDET2 input debounce
0 = Disabled
1 = Enabled
0 JD1_DB 0 JACKDET1 input debounce
0 = Disabled
1 = Enabled
Table 4-84. Jack Detect Control (Cont.)
Register Address Bit Label Default Description
_‘ __— __— _— _— CIRRUS LOGIC”
172 DS1162F1
CS42L92
4.12 External Accessory Detection
Figure 4-57. Jack Detect and External Accessory Connections
The internal comparator circuit used to detect the JACKDETn status is shown in Fig. 4-58. The threshold voltages for the
jack detect circuit are noted in Table 3-11. Note that separate thresholds are defined for jack insertion and removal.
Figure 4-58. Jack Detect Comparator
4.12.2 Jack Pop Suppression (MICDET Clamp and GP Switch)
Under typical configuration of a 3.5-mm headphone/accessory jack connection, there is a risk of pops and clicks arising
from jack insertion or removal. This can occur if the headphone load makes momentary contact with the MICBIAS output
when the jack is not fully inserted.
The CS42L92 provides a MICDET clamp function to suppress pops and clicks caused by jack insertion or removal. Two
MICDET clamps are incorporated; each clamp can be controlled directly, or can be activated by a logic function derived
from the JACKDETn inputs. The clamp status can be read using the relevant register status bits. The clamp status can
also be used to trigger an interrupt (IRQ) event or to trigger the control-write sequencer.
Two general-purpose analog switches are incorporated; these can be configured to augment the MICDET clamp functions
and used to support the pop-suppression circuits, as described in Section 4.12.2.3.
HPOUT1L
HPOUT1R
HPOUTFB2
JACKDETn
MICDET1
Note: The illustrated circuit
assumes the jack insertion
switch contacts are closed
when the jack is inserted.
* Note that the IN1ALx, IN1BLx, or IN1BR
analog mic channels are recommended
with the external accessory detect function
(jack insertion switch )
MICBIASnx
2.2 k2%)
C
* IN1ALx, IN1BLx,
IN1BR
CS42L92
JACKDETn
+
-
reference
AVDD
Jack Detect logic 1M
(jack insertion switch)
Note: The illustrated circuit
assumes the jack insertion
switch contacts are closed
when the jack is inserted.
__- __— __— _— _— CIRRUS LOGIC"
DS1162F1 173
CS42L92
4.12 External Accessory Detection
Note that, due to control logic that is shared between the two MICDET clamps, some restrictions regarding the operation
of the clamps must be observed, as described in Section 4.12.2.1.
4.12.2.1 MICDET Clamp Control
The MICDET clamp function can be configured using the MICD_CLAMPn_MODE fields (where n= 1 or 2 for Clamp 1 or
Clamp 2 respectively). Selectable logic conditions (derived from the JD1, JD2, or JD3 signals—see Table 4-84) provide
support for different jack detect circuit configurations. Setting the MICD_CLAMPn_OVD bit enables the respective
MICDET clamp, regardless of other conditions.
Note: The MICD_CLAMPn_OVD bits are set by default. Accordingly, the MICDET clamps are always enabled following
power-on reset, hardware reset, or software reset.
The MICDET clamp functionality (including the external IRQ) is maintained in Sleep Mode (see Section 4.13). This enables
a jack insertion event to be used to trigger a wake-up of the CS42L92. The recommended control sequence for the jack
detect and MICDET clamp control is described in Section 4.12.2.5.
The MICDET clamps are effective on pins MICDET1–MICDET4, as follows:
If MICDET Clamp 1 is enabled, the MICDET1/HPOUTFB1 and MICDET2/HPOUTFB2 pins are shorted together.
If MICDET Clamp 2 is enabled, the MICDET3/HPOUTFB3 and MICDET4/HPOUTFB4 pins are shorted together.
If either clamp is enabled, the grounding of the applicable MICDET is achieved via the HPOUTFB function of the other pin
associated with the respective clamp. It is assumed that the HPOUTFB connection is grounded externally, as shown in
Fig. 4-59.
The selectable logic conditions supported by the MICD_CLAMPn_MODE fields provide flexibility in selecting the
appropriate conditions for controlling each MICDET clamp. The MICD_CLAMP1_MODE field allows Clamp 1 to be
controlled by the JD1 or JD2 signals. The MICD_CLAMP2_MODE field allows Clamp 2 to be controlled by the JD3 signal.
Note that, due to control logic that is shared between the two clamps, the option to control both clamps in response to the
JDn signals cannot be supported at the same time. If automatic (JACKDET-triggered) operation is selected on one of the
clamps, the other clamp must be held in a fixed state. It is recommended that the unused clamp should be enabled by
setting the respective MICD_CLAMPn_OVD bit.
The status of the clamps can be read using the MICD_CLAMP_STSx bits. Note that the MICD_CLAMP_STS1 and MICD_
CLAMP_STS2 bits provide the same information. The MICD_CLAMP_STSx bits indicate the status of the active clamp
only (i.e., the clamp that is not in the overridden state). The status of a clamp in the overridden (MICD_CLAMPn_OVD = 1)
state is not indicated. It is assumed that a maximum of one clamp is active at any time.
The MICDET clamp debounce is selected by setting MICD_CLAMP_DB bit, as described in Table 4-85. Note that, under
normal operating conditions, the debounce circuit uses the 32-kHz clock, which must be enabled whenever input
debounce functions are required. Input debounce is not provided in Sleep Mode; the MICD_CLAMP_DB bit has no effect
in Sleep Mode.
The MICDET clamp function is shown in Fig. 4-59. Note that the jack plug is shown partially removed, with the MICDET1
pin in contact with the headphone load.
CIRRUS LOGIC” _‘ __— __— _— _— —HE
174 DS1162F1
CS42L92
4.12 External Accessory Detection
Figure 4-59. MICDET Clamp Circuit
4.12.2.2 Interrupts and Write-Sequencer Control
An interrupt request (IRQ) event can be generated in response to the MICDET clamp status. A MICDET clamp interrupt
is generated whenever the logic condition of the JDn signals cause a change in the clamp status. Separate maskable
interrupts are provided for the rising and falling edges of the MICDET clamp status—see Section 4.15.
The control-write sequencer can be triggered by the MICDET clamp status. This is enabled using the WSEQ_ENA_MICD_
CLAMP_FALL and WSEQ_ENA_MICD_CLAMP_RISE bits. Note that these control-sequencer events are only valid if the
clamp status changed in response to the JDn signals. See Section 4.18 for details of the control-write sequencer.
Note that, due to control logic that is shared between the two MICDET clamps, the option to control both clamps in
response to the JDn signals cannot be supported at the same time. It is assumed that a maximum of one clamp is active
at any time. Accordingly, only the active clamp is capable of generating an interrupt event or triggering the control-write
sequencer.
4.12.2.3 Pop Suppression using General-Purpose Switch
In applications where a large decoupling capacitance is present on the MICBIAS output, the MICDET clamp function may
be unable to discharge the capacitor sufficiently to eliminate pops and clicks associated with jack insertion and removal.
In this case, it may be desirable to use one of the general-purpose switches on the CS42L92 to provide isolation from the
MICBIAS output.
There are two general-purpose switches, configured using the respective SWn_MODE fields (where n = 1 or 2). The
SWn_MODE fields allow the switches to be disabled, enabled, or synchronized to the MICDET clamp status, as described
in Table 4-85.
For jack pop suppression, it is recommended to set SWn_MODE = 11 for the applicable switch. In this case, the switch
contacts are open whenever the MICDET clamp status bits are set (clamp enabled), and the switch contacts are closed
whenever the MICDET clamp status bits are clear (clamp disabled).
Note that the MICDET clamp status (MICD_CLAMP_STSx) is shared between the two clamps. Under recommended
operating conditions, a maximum of one clamp should be active at any time (see Section 4.12.2.1). In this case, the MICD_
CLAMP_STSx bits indicate the status of the active clamp only.
MICD_CLAMP_OVD
MICD_CLAMP_MODE
MICD_CLAMP_STSx
MICD_CLAMP_DB
MICDET2/
HPOUTFB2
MICDET1/
HPOUTFB1
MICBIASnx
C
* IN1ALx, IN1BLx,
IN1BR
2.2 k2%)
* Note: The Jack plug is shown
partially removed, with the MICDET1
pin in contact with the headphone load.
* see note
MICDET
Clamp Control When the MICDET Clamp is active in the configuration
shown, the MICDET1 pin is grounded via the
headphone jack ground connection.
* Note that the IN1ALx, IN1BLx, or IN1BR
analog mic channels are recommended
with the external accessory detect function
CS42L92
MICD_CLAMP1_OVD p. 176
MICD_CLAMP1_MODE[3:0] p. 176
MICD_CLAMP_STS1 p. 176
MICD_CLAMP_STS2 p. 176
MICD_CLAMP_DB p. 176
_‘ __— __— _— _— CIRRUS LOGIC” GPsww ‘ I ‘— \ I i %L’, T J; Register Address Bit Label Delaull Description R65 (0X0041) 7 WSEQiENA, 0 MICDET Clamp (Fa‘ling) Write Sequencer Se‘ect s WSEQiENAi o MICDET Clamp(R\sing)Wnte Sequencer Se‘ect
DS1162F1 175
CS42L92
4.12 External Accessory Detection
A typical pop-suppression circuit, incorporating the general-purpose switch and MICDET clamp function, is shown in
Fig. 4-60. Normal accessory functions are supported when the switch contacts (GPSWnP and GPSWnN) are closed, and
the MICDET clamp is disabled. Ground clamping of MICDET, and isolation of MICBIAS, are achieved when the switch
contacts are open and the MICDET clamp is enabled.
Note that the MICDET clamp function must also be configured appropriately if using this method of pop-suppression
control.
Figure 4-60. General-Purpose Switch Circuit
4.12.2.4 MICDET Clamp Control Registers
The control registers associated with the MICDET clamp and general-purpose switch functions are described in
Table 4-85.
Table 4-85. MICDET Clamp and General-Purpose Switch Control
Register Address Bit Label Default Description
R65 (0x0041)
Sequence_control
7 WSEQ_ENA_
MICD_CLAMP_
FALL
0 MICDET Clamp (Falling) Write Sequencer Select
0 = Disabled
1 = Enabled
6 WSEQ_ENA_
MICD_CLAMP_
RISE
0 MICDET Clamp (Rising) Write Sequencer Select
0 = Disabled
1 = Enabled
SW1_MODE
MICD_CLAMP_OVD
MICD_CLAMP_MODE
MICD_CLAMP_STSx
MICD_CLAMP_DB
MICDET2/
HPOUTFB2
MICDET1/
HPOUTFB1
MICBIASnx
C
* IN1ALx, IN1BLx,
IN1BR
R1+R2 = 2.2 k2%)
GPSW1P
GPSW 1N
R1
R2
C
* Note: The Jack plug is shown
partially removed, with the MICDET1
pin in contact with the headphone load.
* see note
General-Purpose
Switch Control
MICDET
Clamp Control When the MICDET Clamp is active in the configuration
shown, the MICDET1 pin is grounded via the
headphone jack ground connection.
* Note that the IN1ALx, IN1BLx, or IN1BR
analog mic channels are recommended
with the external accessory detect function
CS42L92
MICD_CLAMP1_OVD p. 176
MICD_CLAMP1_MODE[3:0] p. 176
MICD_CLAMP_STS1 p. 176
MICD_CLAMP_STS2 p. 176
MICD_CLAMP_DB p. 176
SW1_MODE[1:0] p. 176
_‘ __— __— _— _— CIRRUS LOGIC” Register Address Bit Label Delaull Descriplion R710 (OXOZCG) 9 men, 1 MICDET Clamp 2 Overrlde 8:6 won, 000 MICDET Clamp 2 Mode 4 men, 1 MICDET Clamp 10verrlde 3:0 MlCD, 0000 MICDET Clamp 1 Mode R712 (exozca) 3:2 SW2, 00 Generalrpurpose Switch 2 Control 1:0 SW1, 00 Generalrpurpose Switch 1 Control R6278 (0x1886) 4 MlCLLCLAMP, o MICDET Clamp slams R6534(0x1986) 4 MlCLLCLAMP, o MICDET Clamp slams R6662 (0x1A06) 4 MlCLLCLAMP, o MICDET Clamp depaunca
176 DS1162F1
CS42L92
4.12 External Accessory Detection
4.12.2.5 Control Sequence for Jack Detect and MICDET Clamp
A summary of the jack detect and MICDET clamp functionality, and the recommended usage in typical applications, is
described as follows:
On device power-up, and following reset, the MICDET clamps are enabled due to the default setting of the MICD_
CLAMPn_OVD bits; this ensures no spurious output can occur during jack insertion. It is recommended to keep the
MICDET clamps enabled (MICD_CLAMPn_OVD = 1) until after a jack insertion has been detected.
To control MICDET Clamp 1 according to the JD1/JD2 signals, the MICDET_CLAMP1_MODE field should be set
according to the required logic condition (configured to enable the clamp when jack is removed).
To control MICDET Clamp 2 according to the JD3 signal, the MICDET_CLAMP2_MODE field should be set
according to the required logic condition (configured to enable the clamp when jack is removed).
Note that, due to control logic that is shared between the two MICDET clamps, the option to control both clamps in
response to the JDn signals cannot be supported at the same time. It is assumed that a maximum of one clamp is
active at any time.
R710 (0x02C6)
Micd_Clamp_
control
9MICD_
CLAMP2_OVD
1 MICDET Clamp 2 Override
0 = Disabled (clamp is controlled by MICD_CLAMP2_MODE)
1 = Enabled (clamp is enabled)
8:6 MICD_
CLAMP2_
MODE[2:0]
000 MICDET Clamp 2 Mode
0x0 = Disabled
0x
1 = Enabled (MICDET3/MICDET4 shorted together)
0x2 =
Enabled
if JD3=0
0x3 =
Enabled
if JD3=1
4MICD_
CLAMP1_OVD
1 MICDET Clamp 1Override
0 = Disabled (clamp is controlled by MICD_CLAMP1_MODE)
1 = Enabled (clamp is enabled)
3:0 MICD_
CLAMP1_
MODE[3:0]
0000 MICDET Clamp 1 Mode
0x0 = Disabled
0x
1 = Enabled (MICDET1/MICDET2 shorted together)
0x2–0x3 = Reserved
0x4 =
Enabled
if JD1=0
0x5 =
Enabled
if JD1=1
0x6 =
Enabled
if JD2=0
0x7 =
Enabled
if JD2=1
0x8 =
Enabled
if JD1=0 or JD2=0
0x
9 = Enabled if JD1=0 or JD2=1
0x
A = Enabled if JD1=1 or JD2=0
0x
B = Enabled if JD1=1 or JD2=1
0x
C = Enabled if JD1=0 and JD2=0
0x
D = Enabled if JD1=0 and JD2=1
0x
E = Enabled if JD1=1 and JD2=0
0x
F = Enabled if JD1=1 and JD2=1
R712 (0x02C8)
GP_Switch_1
3:2 SW2_
MODE[1:0]
00 General-purpose Switch 2 control
00 = Disabled (switch open)
01 = Enabled (switch closed)
10 = Enabled if MICDET clamp status is
set
11 = Enabled if MICDET clamp status is clear
1:0 SW1_
MODE[1:0]
00 General-purpose Switch 1 control
00 = Disabled (switch open)
01 = Enabled (switch closed)
10 = Enabled if MICDET clamp status is
set
11 = Enabled if MICDET clamp status is clear
R6278 (0x1886)
IRQ1_Raw_Status_
7
4 MICD_CLAMP_
STS1
0 MICDET Clamp status
0 = Clamp disabled
1 = Clamp
enabled
Note: Separate _STS bits are not provided for each clamp—it is assumed that a
maximum of one clamp is active at any time. The clamp override condition (MICD_
CLAMPn_OVD = 1) is not indicated.
R6534 (0x1986)
IRQ2_Raw_Status_
7
4 MICD_CLAMP_
STS2
0 MICDET Clamp status
0 = Clamp disabled
1 = Clamp
enabled
Note: Separate _STS bits are not provided for each clamp—it is assumed that a
maximum of one clamp is active at any time. The clamp override condition (MICD_
CLAMPn_OVD = 1) is not indicated.
R6662 (0x1A06)
Interrupt_
Debounce_7
4 MICD_CLAMP_
DB
0 MICDET Clamp debounce
0 = Disabled
1 = Enabled
Table 4-85. MICDET Clamp and General-Purpose Switch Control (Cont.)
Register Address Bit Label Default Description
__- __— __— _— _— CIRRUS LOGIC" Event Device Actions Recommended User Aclions Initial Condillon Clamp enabled by default Configure MICDicLAMP iMODE Jack lnsertion Jack insemon slgnaled vla IRQ For headphoneronly operation: Jack removal Jack removal slgnaled via IRQ, Disable MICBIAS and MICDET
DS1162F1 177
CS42L92
4.12 External Accessory Detection
Jack insertion is indicated using the JDn signals or MICDET clamp interrupts (assuming that the MICD_CLAMPn_
MODE field has been correctly set for the applicable JDn signal configuration); the associated status bits can be
read directly, or associated signals can be unmasked as inputs to the interrupt controller.
After jack insertion has been detected, the applicable headset functions (headphone, microphone, accessory
detect) may then be enabled.
If the headset function requires MICBIAS to be enabled on the respective jack, the associated MICDET clamp
should be disabled (MICD_CLAMPn_OVD = 0) immediately before enabling the MICBIAS (or immediately before
enabling MICDn_ENA). Note that, if MICBIAS is not required on the respective jack, the clamp should not be
disabled (e.g., for headphone-only operation).
Jack removal is also indicated using the JDn signals or MICDET clamp interrupts. The associated status bits can
be read directly, or can be unmasked as inputs to the interrupt controller. The MICDET clamp ensures fast and
automatic silencing of the jack outputs.
Under typical use cases, the respective MICBIAS generator and headset audio paths should all be disabled
following jack removal.
After jack removal has been detected, the MICDET clamp override bit (MICD_CLAMPn_OVD) should be set, to
make the system ready for a jack insertion.
The recommended control sequence for jack detect and MICDET clamp is summarized in Table 4-86.
4.12.3 Microphone Detect
The CS42L92 microphone detection circuit measures the impedance of an external load connected to one of the MICDET
pins. This feature can be used to detect the presence of a microphone, and the status of the associated hook switch. It
can also be used to detect push-button status or the connection of other external accessories.
4.12.3.1 Microphone Detect Control
The microphone detection circuit measures the external impedance connected to the MICDETn pins. In the discrete
measurement mode, the function reports whether the measured impedance lies within one of eight predefined levels. In
the ADC measurement mode, a more specific result is provided in the form of a 7-bit ADC output.
Note that microphone/accessory detection is also possible via the HPDETn and JACKDETn pins, subject to some
additional constraints. If the measurement (sense) pin is connected to MICVDD or MICBIASnx (typically via a 2.2-k bias
resistor), MICDETn must always be used.
The microphone detection circuit typically uses one of the MICBIAS outputs as a reference. The CS42L92 automatically
enables the appropriate MICBIAS output when required in order to perform the detection function; this allows the detection
function to be supported in low-power standby operating conditions.
The MICVDD power domain must be enabled when using the microphone detection function. This power domain is
provided using an internal charge pump (CP2) and LDO regulator (LDO2). See Section 4.19 for details of these circuits.
The internal 32-kHz clock must be present and enabled when using the microphone detection function; see Section 4.16
for details.
Table 4-86. Control Sequence for Jack Detect and MICDET Clamp
Event Device Actions Recommended User Actions
Initial condition Clamp enabled by default Configure MICD_CLAMPn_MODE
Jack insertion Jack insertion signaled via IRQ For headphone-only operation:
Enable output signal paths
For other use cases:
Disable clamp, MICD_CLAMPn_OVD = 0
Enable MICBIAS and MICDET
Enable I/O signal paths
Jack removal Jack removal signaled via IRQ,
Clamp enabled automatically
Disable MICBIAS and MICDET
Disable I/O signal paths
Enable clamp MICD_CLAMPn_OVD = 1
__- __— __— _— _— CIRRUS LOGIC"
178 DS1162F1
CS42L92
4.12 External Accessory Detection
The CS42L92 provides two microphone detection circuits, which are independently configurable. Detection can be
enabled on both circuits simultaneously.
To configure the microphone detection circuit, the applicable pin connections for the intended measurement must be
written to the MICDn_SENSE_SEL and MICDn_GND_SEL fields (where n identifies the respective detection circuit, 1 or
2). The respective detection circuit measures the external impedance between the pins selected by these two fields; the
valid selections for each are defined in Table 4-87.
Note: There is no requirement for the SENSE and GND pin selections to be uniquely assigned between the microphone
detect and headphone detect functions—the same pin may be used as a SENSE or GND connection for more
than one of the detection functions. If multiple microphone/headphone detections are enabled, the respective
measurements are automatically scheduled in isolation to each other. See Section 4.12.4 for details of the
headphone detect function.
The microphone detection circuit uses MICVDD, or any one of the MICBIASxy sources, as a reference. The applicable
source is configured using the MICDn_BIAS_SRC field. If HPDETn or JACKDETn is selected as the measurement pin,
MICDn_BIAS_SRC should be set to 1111.
The microphone detection function is enabled by setting MICDn_ENA.
When microphone detection is enabled, the CS42L92 performs a number of measurements in order to determine the
external impedance between the selected pins. The measurement process is repeated at a cyclic rate controlled by
MICDn_RATE. The MICDn_RATE field selects the delay between completion of one measurement and the start of the
next. When the microphone detection result has settled, the CS42L92 indicates valid data by setting MICDn_VALID.
The discrete measurement mode and ADC measurement mode provide different capabilities for microphone detection.
The control requirements and the measurement indication mechanisms differ according to the selected mode, as follows:
In the discrete measurement mode (MICDn_ADC_MODE = 0), the measured impedance is only deemed valid after
more than one successive measurement has produced the same result. The MICDn_DBTIME field provides control
of the debounce period; this can be either two measurements or four measurements.
When the microphone detection result has settled (i.e., after the applicable debounce period), the CS42L92
indicates valid data by setting the MICDn_VALID bit. The measured impedance is indicated using the MICDn_LVL
and MICDn_STS bits, as described in Table 4-87.
The MICDn_VALID bit, when set, remains asserted for as long as the microphone detection function is enabled (i.e.,
while MICDn_ENA = 1). If the detected impedance changes, the MICDn_LVL and MICDn_STS fields change, but
the MICDn_VALID bit remains set, indicating valid data at all times.
The detection circuit supports up to eight impedance levels (including the no-accessory-detected level), enabling
detection of a typical microphone and up to six push buttons. Each measurement level can be enabled or disabled
independently; this provides flexibility according to the required thresholds, and offers a faster measurement time
in some applications. The MICDn_LVL_SEL field is described in Section 4.12.3.3. The default configuration
supports a maximum of four push buttons, in accordance with the Android™ wired headset specification.
Note that, for typical headset detection, the choice of external resistance values must take into account the
impedance of the microphone—the detected impedance corresponds to the combined parallel resistance of the
microphone and any asserted push button. Examples of suitable external components are described in
Section 5.1.7.
In the ADC measurement mode (MICDn_ADC_MODE = 1), the detection function generates two output results,
contained within the MICDn_ADCVAL and MICDn_ADCVAL_DIFF fields. These fields contain the most recent
measurement value (MICDn_ADCVAL) and the measurement difference value (MICDn_ADCVAL_DIFF). The
difference value indicates the difference between the latest measurement and the previous measurement; this can
be used to determine whether the measurement is stable and reliable.
In ADC measurement mode, the detection function must be disabled before the measurement can be read. When
the CS42L92 indicates valid data (MICDn_VALID = 1), the detection must be disabled by setting MICDn_ENA = 0.
Note that MICDn_ADCVAL and MICDn_ADCVAL_DIFF do not follow a linear coding. The appropriate test condition
for accepting the measurement value (or for rescheduling the measurement) varies depending on the application
requirements, and depending on the expected impedance value.
_‘ __— __— _— _— CIRRUS LOGIC” Register Address Bit Label Default Description R674 (0X02A2) 15 MICD17ADC, 0 Mic Detect 1 Measurement Mode 7:4 M|CD175ENSE7 0001 Mic Delect1 Sense Seiect 2:0 M|CD1iGND7 000 Mic Detect 1 Ground Select R675 (0X02A3) 15:12 M|CD17EIA57 0001 Mic Delect1 Eias Startrup Deiay (selects the delay time between enabling the 11 :8 M|CD17 0001 Mic Detect 1 Rate (Selects the deiay between successive MICDET measurements.) 7:4 M|CD1iBIA57 0000 Mic Delect1 Relerence Seiect 1 M|CD17DBTIME 1 Mic Detect 1 Debounce 0 M|CD17ENA 0 Mic Detect 1 Enabie R676 (0X02A4) 7:0 M|CD17LVL7 10017 Mic Delect1 Level Select(enabies mic/accessory delection in Speci impedance ranges)
DS1162F1 179
CS42L92
4.12 External Accessory Detection
The microphone detection functions are inputs to the interrupt control circuit and can be used to trigger an interrupt event
every time an accessory insertion, removal, or impedance change is detected; see Section 4.15.
The fields associated with microphone detection (or other accessories) are described in Table 4-87. The external circuit
configuration is shown in Fig. 4-61.
Table 4-87. Microphone Detect Control
Register Address Bit Label Default Description
R674 (0x02A2)
Mic_Detect_1_
Control_0
15 MICD1_ADC_
MODE
0 Mic Detect 1 Measurement Mode
0 = Discrete Mode
1 = ADC Mode
7:4 MICD1_SENSE_
SEL[3:0]
0001 Mic Detect 1 Sense Select
0000 = MICDET1
0001 = MICDET2
0010 = MICDET3
0011 = MICDET4
0100 = HPDET1
0101 = HPDET2
0110 = JACKDET1
0111 = JACKDET2
1000 = MICDET5
1001 = JACKDET3
All other codes are
reserved
2:0 MICD1_GND_
SEL[2:0]
000 Mic Detect 1 Ground Select
000 = MICDET1/HPOUTFB1
001 = MICDET2/HPOUTFB2
010 = MICDET3/HPOUTFB3
011 = MICDET4/HPOUTFB4
100 = MICDET5/HPOUTFB5
All other codes are reserved
R675 (0x02A3)
Mic_Detect_1_
Control_1
15:12 MICD1_BIAS_
STARTTIME[3:0]
0001 Mic Detect 1 Bias Start-up Delay (Selects the delay time between enabling the
MICBIASnx reference and performing the MICDET function.)
0000 = 0 ms (continuous)
0001 = 0.25 ms
0010 = 0.5 ms
0011 = 1 ms
0100 = 2 ms
0101 = 4 ms
0110 = 8 ms
0111 = 16 ms
1000 = 32 ms
1001 = 64 ms
1010 = 128 ms
1011 = 256 ms
1100 = 512 ms
1101 = 24 ms
1110 to 1111 = 512 ms
11:8 MICD1_
RATE[3:0]
0001 Mic Detect 1 Rate (Selects the delay between successive MICDET measurements.)
0000 = 0 ms (continuous)
0001 = 0.25 ms
0010 = 0.5 ms
0011 = 1 ms
0100 = 2 ms
0101 = 4 ms
0110 = 8 ms
0111 = 16 ms
1000 = 32 ms
1001 = 64 ms
1010 = 128 ms
1011 = 256 ms
1100 = 512 ms
1101 = 24 ms
1110 to 1111 = 512 ms
7:4 MICD1_BIAS_
SRC[3:0]
0000
Mic Detect
1 Reference Select
0000 = MICBIAS1A
0001 = MICBIAS1B
0010 = MICBIAS1C
0011 = MICBIAS1D
0100 = MICBIAS2A
0101 = MICBIAS2B
1111 = MICVDD
All other codes are
reserved
1 MICD1_DBTIME 1 Mic Detect 1 Debounce
0 = 2 measurements
1 = 4 measurements
Only valid when MICD1_ADC_MODE = 0.
0 MICD1_ENA 0 Mic Detect 1 Enable
0 = Disabled
1 = Enabled
R676 (0x02A4)
Mic_Detect_1_
Control_2
7:0 MICD1_LVL_
SEL[7:0]
1001_
1111
Mic Detect 1 Level Select (enables mic/accessory detection in specific impedance ranges)
[7] = Enable 1–30 k detection
[6] = Not used
[5] = Not used
[4] = Not used
[3] = Not used
[2] = Enable 360–680 detection
[1] = Enable 210–290 detection
[0] = Enable 110–180 detection
Only valid when MICD1_ADC_MODE = 0.
_‘ __— __— _— _— CIRRUS LOGIC” Register Address Bit Label Default Description R677 (0x02A5) 10:2 MICDLLVL[8:O] 0,0000, M10 Delect1 Leve1 (indmates the measured impedance) 1 MICDLVALID 0 M10 Detect 1 Data Vahd 0 MICDLSTS 0 M10 Detect 1 Status R683 (0x02AE) 15:0 MICDL 0x00 M10 Detect 1 ADC Level (D1fference) 6:0 MICDL 0x00 M10 DetecH ADC Leve1 R690 (0)0252) 15 MICD27AD07 0 M10 Detect 2 Measurement Mode 7:4 MICD27SENSE7 0001 M10 Detect 2 Sense Se1eet 2:0 MICD27GND7 000 M10 Detect 2 Ground Selem
180 DS1162F1
CS42L92
4.12 External Accessory Detection
R677 (0x02A5)
Mic_Detect_1_
Control_3
10:2 MICD1_LVL[8:0] 0_0000_
0000
Mic Detect 1 Level (indicates the measured impedance)
[8] = 1–30 k
[7] = Not used
[6] = Not used
[5] = Not used
[4] = Not used
[3] = 360–680
[2] = 210–290
[1] = 110–180
[0] = 0–70
Accessory detection is assured within the specified impedance limits. Note that other
impedance conditions, including loads >30 k, may also be indicated using these
bits. Only valid when MICD1_ADC_MODE = 0.
1 MICD1_VALID 0 Mic Detect 1 Data Valid
0 = Not Valid
1 = Valid
0 MICD1_STS 0 Mic Detect 1 Status
0 = Mic/accessory not detected
1 = Mic/accessory detected
Mic/accessory detection is assured for load impedance up to 30 k.
Only valid when MICD1_ADC_MODE = 0.
R683 (0x02AB)
Mic_Detect_1_
Control_4
15:8 MICD1_
ADCVAL_
DIFF[7:0]
0x00 Mic Detect 1 ADC Level (Difference)
Only valid when MICD1_ADC_MODE = 1.
6:0 MICD1_
ADCVAL[6:0]
0x00 Mic Detect 1 ADC Level
Only valid when MICD1_ADC_MODE = 1.
R690 (0x02B2)
Mic_Detect_2_
Control_0
15 MICD2_ADC_
MODE
0 Mic Detect 2 Measurement Mode
0 = Discrete Mode
1 = ADC Mode
7:4 MICD2_SENSE_
SEL[3:0]
0001 Mic Detect 2 Sense Select
0000 = MICDET1
0001 = MICDET2
0010 = MICDET3
0011 = MICDET4
0100 = HPDET1
0101 = HPDET2
0110 = JACKDET1
0111 = JACKDET2
1000 = MICDET5
1001 = JACKDET3
All other codes are
reserved
2:0 MICD2_GND_
SEL[2:0]
000 Mic Detect 2 Ground Select
000 = MICDET1/HPOUTFB1
001 = MICDET2/HPOUTFB2
010 = MICDET3/HPOUTFB3
011 = MICDET4/HPOUTFB4
100 = MICDET5/HPOUTFB5
All other codes are reserved
Table 4-87. Microphone Detect Control (Cont.)
Register Address Bit Label Default Description
_‘ __— __— _— _— CIRRUS LOGIC” Register Address Bit Label Default Description R691 (0x0253) 15:12 MICD27EIA57 0001 Mic Detect 2 Bias Startrup Delay (Selects llie delay time between enabling the 11 :0 Mlcoz, 0001 Mic Detect 2 Rate (Selects the delay between successlve MICDET measuremems.) 7:4 MICD27BIA87 0000 Mic Detect 2 Releience Select 1 MICD27DBTIME 1 Mic Detect 2 Debeunce 0 MICD27ENA 0 Mic Detect 2 Enable R692 (0x0254) 7:0 MICD27LVL7 1001, Mic Detect 2 Level Select (enables mic/accessory delecllon in specilic impedance ranges) R693 (0x0255) 10:2 MICD27LVL[8:O] 0,0000, Mic Delect2 Level (indicates the measured impedance) 1 MICD27VALID 0 Mic Detect 2 Data Valid 0 MICD27STS 0 Mic Detect 2 Status R699 (exozsa) 15:0 Mlcoz, 0x00 Mic Detect 2 ADC Level (Dilrerence) 6:0 Mlcoz, 0x00 Mic Detect 2 ADC Level
DS1162F1 181
CS42L92
4.12 External Accessory Detection
The external connections for the microphone detect circuit are shown in Fig. 4-61. In typical applications, it can be used
to detect a microphone or button press.
Note that, when using the microphone detect circuit, it is recommended to use the IN1ALx, IN1BLx, or IN1BR analog
microphone input paths to ensure best immunity to electrical transients arising from the external accessory.
R691 (0x02B3)
Mic_Detect_2_
Control_1
15:12 MICD2_BIAS_
STARTTIME[3:0]
0001 Mic Detect 2 Bias Start-up Delay (Selects the delay time between enabling the
MICBIASnx reference and performing the MICDET function.)
0000 = 0 ms (continuous)
0001 = 0.25 ms
0010 = 0.5 ms
0011 = 1 ms
0100 = 2 ms
0101 = 4 ms
0110 = 8 ms
0111 = 16 ms
1000 = 32 ms
1001 = 64 ms
1010 = 128 ms
1011 = 256 ms
1100 = 512 ms
1101 = 24 ms
1110 to 1111 = 512 ms
11:8 MICD2_
RATE[3:0]
0001 Mic Detect 2 Rate (Selects the delay between successive MICDET measurements.)
0000 = 0 ms (continuous)
0001 = 0.25 ms
0010 = 0.5 ms
0011 = 1 ms
0100 = 2 ms
0101 = 4 ms
0110 = 8 ms
0111 = 16 ms
1000 = 32 ms
1001 = 64 ms
1010 = 128 ms
1011 = 256 ms
1100 = 512 ms
1101 = 24 ms
1110 to 1111 = 512 ms
7:4 MICD2_BIAS_
SRC[3:0]
0000
Mic Detect
2 Reference Select
0000 = MICBIAS1A
0001 = MICBIAS1B
0010 = MICBIAS1C
0011 = MICBIAS1D
0100 = MICBIAS2A
0101 = MICBIAS2B
1111 = MICVDD
All other codes are
reserved
1 MICD2_DBTIME 1 Mic Detect 2 Debounce
0 = 2 measurements
1 = 4 measurements
Only valid when MICD2_ADC_MODE = 0.
0 MICD2_ENA 0 Mic Detect 2 Enable
0 = Disabled
1 = Enabled
R692 (0x02B4)
Mic_Detect_2_
Control_2
7:0 MICD2_LVL_
SEL[7:0]
1001_
1111
Mic Detect 2 Level Select (enables mic/accessory detection in specific impedance ranges)
[7] = Enable 1–30 k detection
[6] = Not used
[5] = Not used
[4] = Not used
[3] = Not used
[2] = Enable 360–680 detection
[1] = Enable 210–290 detection
[0] = Enable 110–180 detection
Only valid when MICD2_ADC_MODE = 0.
R693 (0x02B5)
Mic_Detect_2_
Control_3
10:2 MICD2_LVL[8:0] 0_0000_
0000
Mic Detect 2 Level (indicates the measured impedance)
[8] = 1–30 k
[7] = Not used
[6] = Not used
[5] = Not used
[4] = Not used
[3] = 360–680
[2] = 210–290
[1] = 110–180
[0] = 0–70
Accessory detection is assured within the specified impedance limits. Note that other
impedance conditions, including loads >30 k, may also be indicated using these
bits. Only valid when MICD2_ADC_MODE = 0.
1 MICD2_VALID 0 Mic Detect 2 Data Valid
0 = Not Valid
1 = Valid
0 MICD2_STS 0 Mic Detect 2 Status
0 = Mic/accessory not detected
1 = Mic/accessory detected
Mic/accessory detection is assured for load impedance up to 30 k.
Only valid when MICD2_ADC_MODE = 0.
R699 (0x02BB)
Mic_Detect_2_
Control_4
15:8 MICD2_
ADCVAL_
DIFF[7:0]
0x00 Mic Detect 2 ADC Level (Difference)
Only valid when MICD2_ADC_MODE = 1.
6:0 MICD2_
ADCVAL[6:0]
0x00 Mic Detect 2 ADC Level
Only valid when MICD2_ADC_MODE = 1.
Table 4-87. Microphone Detect Control (Cont.)
Register Address Bit Label Default Description
um CIRRUS LOGIC”
182 DS1162F1
CS42L92
4.12 External Accessory Detection
Figure 4-61. Microphone- and Accessory-Detect Interface
4.12.3.2 MICBIAS Reference Control
The voltage reference for the microphone detection is configured using the MICDn_BIAS_SRC field, as described in
Table 4-87. The microphone detection function automatically enables the applicable reference when required for
impedance measurement.
If the selected reference (MICBIASxy) is not already enabled, the microphone detect circuit automatically enables the
respective MICBIAS output for short periods of time only, every time the impedance measurement is scheduled. To allow
time for the associated circuitry to stabilize, a time delay is applied before the measurement is performed; this is configured
using MICDn_BIAS_STARTTIME, as described in Table 4-87. If the measurement rate setting (MICDn_RATE) is greater
than 0x0, the delay (MICDn_BIAS_STARTTIME) should be set to 0.25 ms or more.
Note: The microphone detection automatically enables the applicable MICBIASxy output switch, every time the
impedance measurement is scheduled. The respective MICBIAS generator (MICBIAS1 or MICBIAS2) is not
controlled automatically—the applicable generators must be enabled using the MICB1_ENA and MICB2_ENA
bits, as described in Table 4-124.
The timing of the microphone detect function is shown in Fig. 4-62. Two different cases are shown, according to whether
MICBIASxy is enabled periodically by the impedance measurement function, or is enabled at all times.
If the selected reference (MICBIASxy) is not enabled continuously, the respective MICBIASxy discharge bits should be
cleared. The MICBIAS control registers are described in Section 4.19.
Accessory /
Button Detect
MICDETn
Analog Input
C
INnx
MICBIAS1B
MICBIAS1A
MICVDD LDO2
Regulator
External accessories
Microphone
Hookswitch
/ Button 1
Button 2
Accessory-detect reference supply
selected by MICD1_BIAS_SRC -
(MICVDD or MICBIASnx)
MICBIAS1D
MICBIAS1C
MICBIAS2B
MICBIAS2A
Sense pin selected by
MICD1_SENSE_SEL
Ground pin selected
by MICD1_GND_SEL
MICDETn
HPDETn
JACKDETn
Note that the IN1ALx, IN1BLx, or IN1BR analog mic
channels are recommended for use with the external
accessory detect function.
If measuring the impedance on a MICBIAS-powered
pin, one of the MICDETn inputs must always be used
as the sense pin, as shown.
2.2 k
2%)
__- __— __— _— _— CIRRUS LOGIC"
DS1162F1 183
CS42L92
4.12 External Accessory Detection
Figure 4-62. Microphone- and Accessory-Detect Timing
4.12.3.3 Measurement Range Control
When the discrete measurement mode is selected (MICDn_ADC_MODE = 0), the MICDn_LVL_SEL[7:0] bits allow each
impedance measurement level to be enabled or disabled independently. This allows the function to be tailored to the
particular application requirements.
If one or more bits within MICDn_LVL_SEL is cleared, the corresponding impedance level is disabled. Any measured
impedance which lies in a disabled level is reported as the next lowest, enabled level.
For example, the MICDn_LVL_SEL[2] bit enables the detection of a 360–680 impedance. If MICDn_LVL_SEL[2] = 0,
an external impedance in this range is indicated in the next lowest detection range (210–290 ); this would be reported in
the MICDn_LVL field as MICDn_LVL[2] = 1.
With default register configuration, and all measurement levels enabled, the CS42L92 can detect the presence of a typical
microphone and up to four push buttons. It is possible to configure the detection circuit for up to eight push buttons, by
adjusting the impedance detection thresholds. However, adjustment of the detection thresholds is outside the scope of
this data sheet—please contact your local Cirrus Logic representative for further information, if required.
The measurement time varies between 100–500 s, depending on the impedance of the external load, and depending on
how many impedance measurement levels are enabled. A high impedance is measured faster than a low impedance.
4.12.3.4 External Components
The external connections for the microphone detect circuit are shown in Fig. 4-61. Examples of suitable external
components are described in Section 5.1.7.
The accuracy of the microphone detect function is assured whenever the connected load is within the applicable limits
specified in Table 3-11. It is required that a 2.2-k (2%) resistor must also be connected between the measurement
(SENSE) pin and the selected MICBIAS reference—different resistor values lead to inaccuracy in the impedance
measurement.
Note that, for typical headset detection, the choice of external resistance values must take into account the impedance of
the microphone—the detected impedance corresponds to the combined parallel resistance of the microphone and any
asserted push button.
MICBx_ENA = 1, MICBxy_ENA = 0:
MICBIASxy is enabled periodically for
measurement function
MICDn_RATE
(0 ms to 512 ms; 0.25 ms default)MICDn_BIAS_STARTTIME
(0 ms to 512 ms; 0.25 ms default)
time
MICBx_ENA = 1, MICBxy_ENA = 1:
MICBIASxy is enabled constantly
MICDn_RATE
(0 ms to 512 ms; 0.25 ms default)
time
Measurement time
(100 s to 500 s)
Measurement time
(100 s to 500 s)
__- __— __— _— _— CIRRUS LOGIC" Description Requirement HPOUT1L impedance measurement HPDiovDiENA . HPD70UT78EL 00. HP1L7ENA : o HPOUT1R impedance measurement HPD70VD7ENA ,HPDQULSEL = 001, HP1R7ENA = o HPOUT2L impedance measurement HPDiovDiENA . HPD70UT78EL : 010. HP2L7ENA : o HPOUTZR impedance measurement HPD70VD7ENA ‘ HPD70UT78EL = 011. HP2R7ENA = o HPOUTSL or HPOUTAL impedance measurement HPDiovDiENA . HPDpULSEL : 100. HPSLiENA : o HPOUTSR or HPOUT4R Impedance measurement HPD70VD7ENA — Mole: The appiicabie neadpnone outputs coniiguration must be maintained until aner the headphone detection has rHPDioUTisEL = 101, HP3R7ENA = O
184 DS1162F1
CS42L92
4.12 External Accessory Detection
4.12.4 Headphone Detect
The CS42L92 headphone detection circuit measures the impedance of an external headphone load. This feature can be
used to set different gain levels or to apply other configuration settings according to the type of load connected. Separate
monitor pins are provided for headphone detection on the left and right channels of HPOUTn.
4.12.4.1 Headphone Detection Control
The headphone detection circuit measures the external impedance connected to the HPDETn pins. In typical usage, this
provides measurement of the load impedance on one or more of the headphone outputs (HPOUT1–4).
Note that impedance measurement is also possible via the MICDETn and JACKDETn pins, subject to some additional
constraints. If the measurement (sense) pin is connected to one of the headphone outputs, then HPDET1, HPDET2, or
JACKDET1 must always be used. The valid measurement range and the measurement accuracy are reduced, if using the
MICDETn or JACKDETn pins.
To configure the headphone detection circuit, the applicable pin connections for the intended measurement must be
written to the HPD_SENSE_SEL and HPD_GND_SEL fields. The headphone detection circuit measures the external
impedance between the pins selected by these two fields; the valid selections for each are defined in Table 4-90.
When measuring the load impedance on one the HPOUTn output paths, the HPD_GND_SEL selection should be the
same MICDETn/HPOUTFBn pin as the ground feedback pin for the applicable headphone output. See Section 4.11.8 to
configure the ground feedback pin for the HPOUTn outputs.
The HPD_FRC_SEL field must also be configured, to select where the measurement current is applied. As a general rule,
this should be the same as the HPD_SENSE_SEL pin. Other configurations can be used if required—for example, to
improve measurement accuracy in cases where the SENSE input path includes significant unwanted resistance.
Note: There is no requirement for the SENSE and GND pin selections to be uniquely assigned between the microphone
detect and headphone detect functions—the same pin may be used as a SENSE or GND connection for more
than one of the detection functions. If multiple microphone/headphone detections are enabled, the respective
measurements are automatically scheduled in isolation to each other. See Section 4.12.3 for details of the
microphone detect function.
Headphone detection is commanded by writing 1 to HPD_POLL.
The impedance measurement range is configured using HPD_IMPEDANCE_RANGE. This field should be set in
accordance with the expected load impedance. Note that a number of separate measurements are typically required to
determine the load impedance; the recommended control requirements are described in Section 4.12.4.2.
Note: Setting HPD_IMPEDANCE_RANGE is not required for detection on the MICDETn or JACKDETn pins. The
impedance measurement range, and measurement accuracy, in these cases are different to the HPDET1 and
HPDET2 measurements.
If headphone detection is performed using a measurement pin connected to one of the headphone outputs, the respective
output driver must be disabled before the measurement is commanded. The required settings are shown in Table 4-88.
If headphone detection is performed using a measurement pin that is not connected to one of the headphone outputs, the
HPD_OVD_ENA bit should be cleared.
Table 4-88. Output Configuration for Headphone Detect
Description Requirement
HPOUT1L Impedance measurement HPD_OVD_ENA = 1, HPD_OUT_SEL = 000, HP1L_ENA = 0
HPOUT1R Impedance measurement HPD_OVD_ENA = 1, HPD_OUT_SEL = 001, HP1R_ENA = 0
HPOUT2L Impedance measurement HPD_OVD_ENA = 1, HPD_OUT_SEL = 010, HP2L_ENA = 0
HPOUT2R Impedance measurement HPD_OVD_ENA = 1, HPD_OUT_SEL = 011, HP2R_ENA = 0
HPOUT3L or HPOUT4L Impedance measurement HPD_OVD_ENA = 1, HPD_OUT_SEL = 100, HP3L_ENA = 0
HPOUT3R or HPOUT4R Impedance measurement HPD_OVD_ENA = 1, HPD_OUT_SEL = 101, HP3R_ENA = 0
Note: The applicable headphone outputs configuration must be maintained until after the headphone detection has
completed. See Table 4-71 for details of the HPnx_ENA bits.
_‘ __— __— _— _— CIRRUS LOGIC” HFDJMFEDANCE, HFDJMFEDANCE, HFDJMFEDANCE, HFDJMFEDANCE, c 1.007 1.007 9,744 100,684 0 70.0072 70.0072 70.0795 70.9494 c 4005 7975 7300 7300 c 69.3 69.6 62.9 63.2 0 0.0055 0.0055 0.0055 0.0055 c 0.6 0,6 0,6 0,6 Oflset HPioFFSETioo HP,OFFSET701 HPioFFSETJO HPioFFSETifl Gradwent HPiGRADIENTiox HPisRADIENTiox HPiGRADIENTJX HPiGRADIENTJX
DS1162F1 185
CS42L92
4.12 External Accessory Detection
If headphone detection is performed using a measurement pin that is also connected to one of the MICBIAS outputs, the
respective MICBIAS output must be disabled and floating (MICBnx_ENA = 0, MICBnx_DISCH = 0).
When headphone detection is commanded, the CS42L92 uses an adjustable current source to determine the connected
impedance. A sweep of measurement currents is applied. The rate of this sweep can be adjusted using HPD_CLK_DIV
and HPD_RATE.
4.12.4.2 Measurement Output
The headphone detection process typically comprises a number of separate measurements (for different impedance
ranges). Completion of each measurement is indicated by HPD_DONE. When this bit is set, the measurement result can
be read from the HPD_DACVAL field, and decoded as described in Eq. 4-3.
Equation 4-3. Headphone Impedance Calculation
The associated parameters for decoding the measurement result are defined Table 4-89. The applicable values are
dependent on the HPD_IMPEDANCE_RANGE setting in each case. The Offset and Gradient values are derived from
register fields that are factory-calibrated for each device.
Note that, to achieve the specified measurement accuracy, the above equation must be calculated to an accuracy of at
least 5 decimal places throughout.
The impedance measurement result is valid if 169 HPD_DACVAL 1019. (In case of any contradiction with the HPD_
IMPEDANCE_RANGE description, the HPD_DACVAL validity takes precedence.)
If the external impedance is entirely unknown (i.e., it could lie in any of the HPD_IMPEDANCE_RANGE regions), it is
recommended to test initially with HPD_IMPEDANCE_RANGE = 00. If the resultant HPD_DACVAL is < 169, the
impedance is higher than the selected measurement range, so the test should be scheduled again, after incrementing
HPD_IMPEDANCE_RANGE.
Each measurement is triggered by writing 1 to HPD_POLL. Completion of each measurement is indicated by HPD_DONE.
Note that, after HPD_DONE bit has been asserted, it remains asserted until the next measurement has been commanded.
Note: A simpler, but less accurate, procedure for headphone impedance measurement is also supported, using the
HPD_LVL field. When the HPD_DONE bit is set, indicating completion of a measurement, the impedance can be
read directly from the HPD_LVL field, provided that the value lies within the range of the applicable HPD_
IMPEDANCE_RANGE setting.
Note that, for detection using the MICDETn or JACKDETn pins, the HPD_LVL field is the only supported
measurement output option. The HPD_IMPEDANCE_RANGE field is not valid for detection on the MICDETn or
JACKDETn pins. See Tabl e 4 -90 for further description of the HPD_LVL field.
The headphone detection function is an input to the interrupt control circuit and can be used to trigger an interrupt event
on completion of the headphone detection; see Section 4.15.
Table 4-89. Headphone Measurement Decode Parameters
Parameter HPD_IMPEDANCE_
RANGE = 00
HPD_IMPEDANCE_
RANGE = 01
HPD_IMPEDANCE_
RANGE = 10
HPD_IMPEDANCE_
RANGE = 11
C01.007 1.007 9.744 100.684
C1–0.0072 0.0072 0.0795 0.9494
C24005 7975 7300 7300
C369.3 69.6 62.9 63.2
C40.0055 0.0055 0.0055 0.0055
C50.60.60.60.6
Offset HP_OFFSET_00 HP_OFFSET_01 HP_OFFSET_10 HP_OFFSET_11
Gradient HP_GRADIENT_0X HP_GRADIENT_0X HP_GRADIENT_1X HP_GRADIENT_1X
Impedance  C0C1Offset
+
HPD_DACVAL 0.5+
C2
--------------------------------------------- 1
C31C
4Gradient
+
-------------------------------------------------------
-----------------------------------------------------------------------------------------------------------------------C5
=
_‘ __— __— _— _— CIRRUS LOGIC” Register Address Bit Label Default Description R665 (0x0299) 15 HPDiovDiENA o Headonone Detect Output Override Enable 14:12 HPD,0UT,SEL[2:0] 000 Headonone Detect Output Channel Select 11 :8 HPDJRQSEle] 0000 Headpnone Detect Measurement Current Pin Select 7:4 HPD,SENSE,SEL[3:0] 0000 Headpnone Detect Sense Pin Select 2:0 HPD,GND,SEL[2:0] 000 Headonone Detect Ground Pin Select
186 DS1162F1
CS42L92
4.12 External Accessory Detection
The fields associated with headphone detection are described in Table 4-90. The external circuit configuration is shown
Fig. 4-63.
Note that 32-bit register addressing is used from R12888 (0x3000) upwards; 16-bit format is used otherwise. The registers
noted in Table 4-90 contain a mixture of 16- and 32-bit register addresses.
Table 4-90. Headphone Detect Control
Register Address Bit Label Default Description
R665 (0x0299)
Headphone_
Detect_0
15 HPD_OVD_ENA 0 Headphone Detect Output Override Enable
This bit, when set, causes the HPD_OUT_SEL headphone output
channel to be automatically configured for headphone detection each
time headphone detection is scheduled. Note that the respective output
driver must also be disabled (HPnx_ENA = 0) for the duration of a
headphone output impedance measurement.
0 = Disabled
1 = Enabled
14:12 HPD_OUT_SEL[2:0] 000 Headphone Detect Output Channel Select
000 = HPOUT1L
001 = HPOUT1R
010 = HPOUT2L
011 = HPOUT2R
100 = HPOUT3L
101 = HPOUT3R
All other codes are reserved
11:8 HPD_FRC_SEL[3:0] 0000 Headphone Detect Measurement Current Pin Select
0000 = MICDET1
0001 = MICDET2
0010 = MICDET3
0011 = MICDET4
0100 = HPDET1
0101 = HPDET2
0110 = JACKDET1
0111 = JACKDET2
1000 = MICDET5
1001 = JACKDET3
All other codes are reserved
7:4 HPD_SENSE_SEL[3:0] 0000 Headphone Detect Sense Pin Select
0000 = MICDET1
0001 = MICDET2
0010 = MICDET3
0011 = MICDET4
0100 = HPDET1
0101 = HPDET2
0110 = JACKDET1
0111 = JACKDET2
1000 = MICDET5
1001 = JACKDET3
All other codes are reserved
2:0 HPD_GND_SEL[2:0] 000 Headphone Detect Ground Pin Select
000 = MICDET1/HPOUTFB1
001 = MICDET2/HPOUTFB2
010 = MICDET3/HPOUTFB3
011 = MICDET4/HPOUTFB4
100 = MICDET5/HPOUTFB5
All other codes are reserved
_‘ __— __— _— _— CIRRUS LOGIC” Register Address Bit Label Defaull Descriplion R667 (OXOZQE) 10:9 HFDJMFEDANCE, 00 Headphone Detect Range 4:3 HFDicLKiDIVHZO] 00 Headphone Detect Clock Rate (Selects the clocking rate ol the 2:1 HFDiRATEHZO] 00 Headphone Detect Sweep Rate 0 HFDiFOLL 0 Headphone Detect Enable R668 (OXOZQC) 15 HFDiDONE 0 Headphone Detect Status 1420 HFD,LVL[14:0] OXOOOO Headphone Detect Level R669 (OXOZQD) 9:0 HFD,DACVAL[9:0] OXOOO Headphone Detect Level (Coded as \nleger. LSE = 1).
DS1162F1 187
CS42L92
4.12 External Accessory Detection
R667 (0x029B)
Headphone_
Detect_1
10:9 HPD_IMPEDANCE_
RANGE[1:0]
00 Headphone Detect Range
00 = 4 to 30
01 = 8 to 100
10 = 100 to 1 k
11 = 1 k to 10 k
Only valid when HPD_SENSE_SEL = 0100 or 0101.
4:3 HPD_CLK_DIV[1:0] 00 Headphone Detect Clock Rate (Selects the clocking rate of the
headphone detect adjustable current source. Decreasing the clock rate
gives a slower measurement time.)
00 = 32 kHz
01 = 16 kHz
10 = 8 kHz
11 = 4 kHz
2:1 HPD_RATE[1:0] 00 Headphone Detect Sweep Rate
(Selects the step size between successive measurements. Increasing
the step size gives a faster measurement time.)
00 = 1
01 = 2
10 = 4
11 = Reserved
0 HPD_POLL 0 Headphone Detect Enable
Write 1 to start HP Detect function
R668 (0x029C)
Headphone_
Detect_2
15 HPD_DONE 0 Headphone Detect Status
0 = HP Detect not complete
1 = HP Detect done
14:0 HPD_LVL[14:0] 0x0000 Headphone Detect Level
LSB = 0.5
8 = 4 or less
9 = 4.5
10 = 5
11 = 5.5
20,000 = 10 k or more
For HPDET1 or HPDET2 measurement (HPD_SENSE_SEL = 0100 or
0101), HPD_LVL is valid from 4 to10 k, within the range selected by
HPD_IMPEDANCE_RANGE.
For other measurements, HPD_LVL is valid from 400 to 6 k only.
If HPD_LVL reports a value outside the valid range, the range should be
adjusted and the measurement repeated. A 0- result may be reported
if the measurement is less than the minimum value for the selected
range.
R669 (0x029D)
Headphone_
Detect_3
9:0 HPD_DACVAL[9:0] 0x000 Headphone Detect Level (Coded as integer, LSB = 1).
See separate description for full decode information.
Table 4-90. Headphone Detect Control (Cont.)
Register Address Bit Label Default Description
_‘ __— __— _— _— CIRRUS LOGIC” Register Address Bit Label Default Description R131076 31:24 HP,OFFSETJ1[7:O] See Headphone DetecICalmrannVield. 23:16 HP,OFFSETJO[7:O] See Headphone DetecICalmrannVield. 15:8 HP,OFFSET701[7:O] See Headphone DetecICalmrannVield. 7:0 HP,OFFSET700[7:O] See Headphone DetecICalmrannVield. R131078 15:8 HP,GRADIENT,1><[7:0] see="" headphone="" detecicalmrannvield.="" 7:0="" hp,gradient,0=""><[7:0] see="" headphone="" detecicalmrannvield.="" 1.="" deiaull="" value="" 1slactoryrsetperdev1ce,="">
188 DS1162F1
CS42L92
4.12 External Accessory Detection
The external connections for the headphone detect circuit are shown in Fig. 4-63.
Figure 4-63. Headphone Detect Interface
Note that, where external resistors are connected in series with the headphone load, as shown, it is recommended that
the HPDETn connection is to the headphone side of the resistors. If the HPDETn connection is made to the CS42L92 end
of these resistors, this leads to a corresponding offset in the measured impedance.
Under default conditions, the measurement time varies between 17–244 ms, depending on the impedance of the external
load. A high impedance is measured faster than a low impedance.
R131076
(0x20004)
OTP_HPDET_Cal_
1
31:24 HP_OFFSET_11[7:0] See
Footnote 1
Headphone Detect Calibration field.
Signed number, LSB = 0.25.
Range is –31.75 to +31.75.
Default value is factory-set per device.
23:16 HP_OFFSET_10[7:0] See
Footnote 1
Headphone Detect Calibration field.
Signed number, LSB = 0.25.
Range is –31.75 to +31.75.
Default value is factory-set per device.
15:8 HP_OFFSET_01[7:0] See
Footnote 1
Headphone Detect Calibration field.
Signed number, LSB = 0.25.
Range is –31.75 to +31.75.
Default value is factory-set per device.
7:0 HP_OFFSET_00[7:0] See
Footnote 1
Headphone Detect Calibration field.
Signed number, LSB = 0.25.
Range is –31.75 to +31.75.
Default value is factory-set per device.
R131078
(0x20006)
OTP_HPDET_Cal_
2
15:8 HP_GRADIENT_1X[7:0] See
Footnote 1
Headphone Detect Calibration field.
Signed number, LSB = 0.25.
Range is –31.75 to +31.75.
Default value is factory-set per device.
7:0 HP_GRADIENT_0X[7:0] See
Footnote 1
Headphone Detect Calibration field.
Signed number, LSB = 0.25.
Range is –31.75 to +31.75.
Default value is factory-set per device.
1. Default value is factory-set per device.
Table 4-90. Headphone Detect Control (Cont.)
Register Address Bit Label Default Description
MICDETn/HPOUTFBn
HPOUT1L
HPOUT1R
(optional
series resistors)
Sense pin selected by
HPD_SENSE_SEL
Ground measurement pin
selected by HPD_GND_SEL
Note that the HPOUTFB ground connection should
be close to headset jack.
If measuring the impedance on a headphone output
path, HPDET1, HPDET2, or JACKDET1 must be
used as the sense pin.
Ground feedback pin
selected by HP1_GND_SEL
HPDETn
MICDETn
JACKDETn
Measurement current pin
selected by HPD _FRC_SEL
_‘ __— __— _— _— CIRRUS LOGIC” Register Address Label Reference R710 (exozce) MICLLCLAMPLOVD See Secuon 4.12 MICDicLAMP27MODE[2:0] MICELCLAMPLOVD MICDicLAMPLMODEBB] R723 (axozm) MICE1A7AOD7ENA See Secuon 4.19 .JDCLENA .JD27ENA .JDLENA See Secflon 4.12 R6150 (0X1806) MI CD70LAMP27FALL7EI NT1 MICDicLAMPLRISEiEINTW .JD37FALL7EINT1 JD37RISE7EINT1 MICD,CLAMF17FALL7EINT1 MICDicLAMPLRISEiEINTW .JD27FALL7EINT1 JD27RISE7EINT1 .JD17FALL7EINT1 JD17RISE7EINT1 R6214 (0X1846) |M7M|CD70LAMP27FALL7EINT1 |M7M|CD70LAMP27RISE7EINT1 |NLJD37FALL7EINT1 |M7JD37RISE7EINT1 INLMICDicLAMPLFALLiEINT1 |NLMICDicLAMPLRISEiEINH INLJD27FALL7EINT1 |M7JD27RISE7EINT1 |NLJD17FALL7EINT1 |M7JDLRISE7EINT1 See Secflon 4.15 RESETiPD R6784(OX1A80) INLIRQ1 IRCLPOL IRCLOPicFG R6864(OX1AD0) RESETiPU SeeSecuonua
DS1162F1 189
CS42L92
4.13 Low Power Sleep Configuration
4.13 Low Power Sleep Configuration
The CS42L92 supports a low-power Sleep Mode, in which most functions are disabled and power consumption is
minimized. The CS42L92 enters Sleep Mode when the DCVDD supply is removed. Note that the AVDD and DBVDD
supplies must be present throughout the Sleep Mode duration.
In Sleep Mode, the CS42L92 can generate an interrupt event in response to a change in voltage on the JACKDET1,
JACKDET2, or JACKDET3 pins. This enables a jack insertion event (or other digital logic transition) to be used to trigger
a wake-up of the CS42L92.
In Sleep Mode, the CS42L92 can provide an unregulated voltage output on the MICBIAS1A pin. This can be used to power
an external microphone during Sleep Mode—see Section 4.19.
The system clocks (SYSCLK, ASYNCCLK, DSPCLK) should be disabled before selecting Sleep Mode. The external clock
input (MCLKn) may also be stopped, if desired.
The functionality and control fields associated with Sleep Mode are supported via an internal always-on supply domain.
The always-on control registers are listed in Table 4-91. These fields are maintained (i.e., not reset) in Sleep Mode.
Note that the control interface is not supported in Sleep Mode; read/write access to the always-on registers is not possible.
Access to the register map using any of the control interfaces should be ceased before selecting Sleep Mode.
The always-on digital I/O pins are listed in Table 4-92. All other digital input pins have no effect in Sleep Mode; all other
digital output pins are undriven (floating).
Table 4-91. Sleep Mode Always-On Control Registers
Register Address Label Reference
R710 (0x02C6) MICD_CLAMP2_OVD See Section 4.12
MICD_CLAMP2_MODE[2:0]
MICD_CLAMP1_OVD
MICD_CLAMP1_MODE[3:0]
R723 (0x02D3) MICB1A_AOD_ENA See Section 4.19
JD3_ENA See Section 4.12
JD2_ENA
JD1_ENA
R6150 (0x1806) MICD_CLAMP2_FALL_EINT1 See Section 4.15
MICD_CLAMP2_RISE_EINT1
JD3_FALL_EINT1
JD3_RISE_EINT1
MICD_CLAMP1_FALL_EINT1
MICD_CLAMP1_RISE_EINT1
JD2_FALL_EINT1
JD2_RISE_EINT1
JD1_FALL_EINT1
JD1_RISE_EINT1
R6214 (0x1846) IM_MICD_CLAMP2_FALL_EINT1
IM_MICD_CLAMP2_RISE_EINT1
IM_JD3_FALL_EINT1
IM_JD3_RISE_EINT1
IM_MICD_CLAMP1_FALL_EINT1
IM_MICD_CLAMP1_RISE_EINT1
IM_JD2_FALL_EINT1
IM_JD2_RISE_EINT1
IM_JD1_FALL_EINT1
IM_JD1_RISE_EINT1
R6784 (0x1A80) IM_IRQ1
IRQ_POL
IRQ_OP_CFG
R6864 (0x1AD0) RESET_PU See Section 4.23
RESET_PD
_‘ __— __— _— _— CIRRUS LOGIC”
190 DS1162F1
CS42L92
4.14 General-Purpose I/O
Note: The INnx/DMICx connections are isolated from the CS42L92 circuits in Sleep Mode. This enables a microphone
that is connected to the CS42L92 to be used by another circuit while Sleep Mode is selected.
The IRQ output is normally deasserted in Sleep Mode. In Sleep Mode, the IRQ output can be asserted only in response
to the JACKDET1, JACKDET2, or JACKDET3 inputs. If the IRQ output is asserted in Sleep Mode, it can be deasserted
only after a wake-up transition.
Output drivers and bus keepers are disabled in Sleep Mode, for all pins not on the always-on domain; this means that the
logic level on these pins is undefined. If a defined logic state is required during Sleep Mode (e.g., as input to another
device), an external pull resistor may be required. If an external pull resistor is connected to a pin that also supports a bus
keeper function, the pull resistance should be chosen carefully, taking into account the resistance of the bus keeper. See
Section 4.14.1 for specific notes concerning the GPIO pins.
The always-on functionality includes the JD1, JD2, and JD3 control signals, which provide support for the low-power Sleep
Mode. The MICDET clamp status signal is also supported; this is controlled by a selectable logic function, derived from
JD1, JD2, or JD3.
The JD1, JD2, JD3, and MICDET clamp status signals are derived from the JACKDET1, JACKDET2, and JACKDET3
inputs, and can be used to trigger the interrupt controller.
The JD1, JD2, and JD3 signals are derived from the jack detect function (see Section 4.12). These inputs can be
used to trigger a response to a jack insertion or jack removal detection.
If these signals are enabled, the JD1, JD2, and JD3 signals indicate the status of the JACKDET1, JACKDET2, and
JACKDET3 input pins respectively. See Table 4-84 for details of the associated control fields.
The MICDET clamp status is controlled by the JD1, JD2, or JD3 signals (see Section 4.12). The configurable logic
provides flexibility in selecting the appropriate conditions for activating the MICDET clamp. The clamp status can
be used to trigger a response to a jack insertion or jack removal detection.
The MICDET clamp function is configured using MICD_CLAMP1_MODE and MICD_CLAMP2_MODE, as
described in Table 4-85. Note that, due to control logic that is shared between the two clamps, the option to control
both clamps in response to the JDn signals cannot be supported at the same time. It is assumed that a maximum
of one clamp is active at any time—the MICDET clamp status provides an indication for the active clamp only.
The interrupt functionality associated with these signals is part of the always-on functionality, enabling the CS42L92 to
provide indication of jack insertion or jack removal to the host processor in Sleep Mode; see Section 4.15.
Note that the JACKDETn inputs do not result in a wake-up transition directly; a wake-up transition only occurs by
reapplication of DCVDD. In a typical application, the JACKDETn inputs provide a signal to the applications processor, via
the IRQ output; if a wake-up transition is required, this is triggered by the applications processor enabling the DCVDD
supply.
4.14 General-Purpose I/O
The CS42L92 supports up to 16 GPIO pins, which can be assigned to application-specific functions. The GPIOs enable
interfacing and detection of external hardware and can provide logic outputs to other devices. The GPIO input functions
can be used to generate an interrupt (IRQ) event.
Table 4-92. Sleep Mode Always-On Digital Input/Output Pins
Pin Name Description Reference
IRQ Interrupt Request output See Section 4.15
JACKDET1 Jack Detect input 1 See Section 4.12
JACKDET2 Jack Detect input 2
JACKDET3 Jack Detect input 3
RESET Digital Reset input (active low) See Section 4.23
__- __— __— _— _— CIRRUS LOGIC"
DS1162F1 191
CS42L92
4.14 General-Purpose I/O
There are 2 dedicated GPIO pins; the remaining 14 GPIOs are implemented as alternate functions to a pin-specific
capability. The GPIO and interrupt circuits support the following functions:
Pin-specific alternative functions for external interfaces (AIF, PDM)
Logic input/button detect (GPIO input)
Logic 1 and Logic 0 output (GPIO output)
Interrupt (IRQ) status output
Clock output
Frequency-locked loop (FLL) status output
FLL clock output
IEC-60958-3–compatible S/PDIF output
Pulse-width modulation (PWM) signal output
ASRC lock status
General-purpose timer status output
Event logger FIFO buffer status output
Alarm generator status output
Auxiliary PDM interface
Logic input and output (GPIO) can be supported in two different ways on the CS42L92. The standard mechanism
described in this section provides a comprehensive suite of options including input debounce, and selectable output drive
configuration. The DSP GPIO circuit is tailored towards more advanced requirements typically demanded by DSP software
features. The DSP GPIO functions are described in Section 4.5.4.
The CS42L92 also incorporates two general-purpose switches; these are analog switches, described in Section 4.14.18.
If the JTAG interface is enabled, the GPIO13–15 pins are configured as a JTAG interface that provides test and debug
access to the CS42L92. The respective GPIO configuration registers have no effect in this case, and the GPIO pins cannot
be assigned any other function. See Section 4.20 for details of the JTAG interface.
4.14.1 GPIO Control
For each GPIO, the selected function is determined by the GPn_FN field, where n identifies the GPIO pin (1–16). The pin
direction, set by GPn_DIR, must be set according to function selected by GPn_FN.
If a pin is configured as a GPIO input (GPn_DIR = 1, GPn_FN = 0x001), the logic level at the pin can be read from the
respective GPn_LVL bit. Note that GPn_LVL is not affected by the GPn_POL bit.
A debounce circuit can be enabled on any GPIO input, to avoid false event triggers. This is enabled on each pin by setting
the respective GPn_DB bit. The debounce circuit uses the 32-kHz clock, which must be enabled whenever input debounce
functions are required. The debounce time is configurable using the GP_DBTIME field. See Section 4.16 for further details
of the CS42L92 clocking configuration.
Each GPIO pin is an input to the interrupt control circuit and can be used to trigger an interrupt event. An interrupt event
is triggered on the rising and falling edges of the GPIO input. The associated interrupt bit is latched once set; it can be
polled at any time or used to control the IRQ signal. See Section 4.15 for details of the interrupt event handling.
Integrated pull-up and pull-down resistors are provided on each GPIO pin; these can be configured independently using
the GPn_PU and GPn_PD fields. When the pull-up and pull-down control bits are both enabled, the CS42L92 provides a
bus keeper function on the respective pin. The bus keeper function holds the logic level unchanged whenever the pin is
undriven (e.g., if the signal is tristated).
Note: The bus keeper is enabled by default on all GPIO pins and, if not actively driven, may result in either a Logic 0 or
Logic 1 at the respective input on start-up. If an external pull resistor is connected (e.g., to control the logic level
in Sleep Mode), the chosen resistance should take account of the bus keeper resistance (see Table 3-10). A
strong pull resistor (e.g., 10 k) is required, if a specific start-up condition is to be forced by the external pull
component.
_‘ __— __— _— _— CIRRUS LOGIC” Register Address Bit Label Default Description R5888 (0x1700) 15 GPrLLVL See GPIO level. Write to (his bit to set a GPIO output. Read from (his bit to read GPIO 14 GPrLOPicFG o GPIO Output Configuration 13 GPrLDB 1 GPIO input Denounce 12 GPrLPOL o GPIO Output Polarity Select 9:0 GPanlem 0x001 GPIO Pin Function
192 DS1162F1
CS42L92
4.14 General-Purpose I/O
If a pin is configured as a GPIO output (GPn_DIR = 0, GPn_FN = 0x001), its level can be set to Logic 0 or Logic 1 using
the GPn_LVL field. Note that the GPn_LVL bits are write-only when the respective GPIO pin is configured as an output.
If a pin is configured as an output (GPn_DIR = 0), the polarity can be inverted using the GPn_POL bit. When GPn_
POL = 1, the selected output function is inverted. In the case of logic level output (GPn_FN = 0x001), the external output
is the opposite logic level to GPn_LVL when GPn_POL = 1. Note that, if GPn_FN = 0x000 or 0x002, the GPn_POL bit has
no effect on the respective GPIO pin.
A GPIO output can be either CMOS driven or open drain. This is selected on each pin using the respective GPn_OP_CFG
bit. Note that if GPn_FN = 0x000 the GPn_OP_CFG bit has no effect on the respective GPIO pin—see Table 4-93 for
further details. If GPn_FN = 0x002, the respective pin output is CMOS.
The register fields that control the GPIO pins are described in Table 4-93.
Table 4-93. GPIO Control
Register Address Bit Label Default Description
R5888 (0x1700)
GPIO1_CTRL_1
to
R5918 (0x171E)
GPIO16_CTRL1
15 GPn_LVL See
Footnote 2
GPIOn level. Write to this bit to set a GPIO output. Read from this bit to read GPIO
input level.
For output functions only, if GPn_POL is set, the GPn_LVL bit is the opposite logic
level to the external pin.
Note that, if GPn_DIR = 0, the GPn_LVL bit is write-only.
14 GPn_OP_CFG 0 GPIOn Output Configuration
0 = CMOS
1 = Open drain
Note that, if GPn_FN = 0x000 or 0x002, this bit has no effect on the GPIOn output.
If GPn_FN = 0x000, the pin configuration is set according to the applicable
pin-specific function (see Table 4-95). If GPn_FN = 0x002, the pin configuration is
CMOS.
13 GPn_DB 1 GPIOn Input Debounce
0 = Disabled
1 = Enabled
12 GPn_POL 0 GPIOn Output Polarity Select
0 = Noninverted (Active High)
1 = Inverted (Active Low)
Note that, if GPn_FN = 0x000 or 0x002, this bit has no effect on the GPIOn output.
9:0 GPn_FN[9:0] 0x001 GPIOn Pin Function
(see Table 4-94 for details)
_‘ __— __— _— _— CIRRUS LOGIC” Register Address Bit Label Default Description R5889 (0X1701) 15 GPILDIR 1 GFlO Pin Direction 14 GPILPU 1 GFlO Pull7Up Enable 13 GPILPD 1 GFlO Pull7Down Enable R6848 (0X1ACO) 3:0 GPiDBTlME[3:0] 0X0 GFlO Input debounce lime 1. is a number (1716) that identifies the individual GFlO. GP iFN Valid On Description Comments OXOOO GPIDS716 only Pirkspeclflc alternate function Alternate functions Supponing digital microphone, digital audio 0X001 All GPIOS (1716) Button7detecl input/loglolevel output GP iDlR = 0: GPIO pm logic level is Set by GPILLVL. OXOOZ All GPIOS (1716) DSP GPIO Low latency input/output lor DSP lunctioris. OXOOS All GPIOS (1716) IRQ1 output Interrupt (IRQ1) output 0X004 All GPIOS (1716) IRQZ output Interrupt (IRQZ) output 0X010 GFID14 only FLL1 Clock Clock output lrom FLL1 0X011 GPID14 only FLL2 Clock Clock output lrom FLL2
DS1162F1 193
CS42L92
4.14 General-Purpose I/O
4.14.2 GPIO Function Select
The available GPIO functions are described in Table 4-94. The function of each GPIO is set using GPn_FN, where n
identifies the GPIO pin (1–16). Note that the respective GPn_DIR must also be set according to whether the function is an
input or output.
R5889 (0x1701)
GPIO1_CTRL_2
to
R5919 (0x171F)
GPIO16_CTRL2
15 GPn_DIR 1 GPIOn Pin Direction
0 = Output
1 = Input
Note that, if GPn_FN = 0x000 or 0x002, this bit has no effect on the GPIOn pin. If
GPn_FN = 0x000, the pin direction is set according to the applicable pin-specific
function (see Tab le 4- 95). If GPn_FN = 0x002, the pin direction is set according to
the DSP GPIO configuration.
14 GPn_PU 1 GPIOn Pull-Up Enable
0 = Disabled
1 = Enabled
Note: If GPn_PD and GPn_PU are both set, a bus keeper function is enabled on
the respective GPIOn pin.
13 GPn_PD 1 GPIOn Pull-Down Enable
0 = Disabled
1 = Enabled
Note: If GPn_PD and GPn_PU are both set, a bus keeper function is enabled on
the respective GPIOn pin.
R6848 (0x1AC0)
GPIO_Debounce_
Config
3:0 GP_DBTIME[3:0] 0x0 GPIO Input debounce time
0x0 = 100 s
0x1 = 1.5 ms
0x2 = 3 ms
0x3 = 6 ms
0x4 = 12 ms
0x5 = 24 ms
0x6 = 48 ms
0x7 = 96 ms
0x8 = 192 ms
0x9 = 384 ms
0xA = 768 ms
0xB to 0xF = Reserved
1. n is a number (1–16) that identifies the individual GPIO.
2. The default value of GPn_LVL depends upon whether the pin is actively driven by another device. If the pin is actively driven, the bus keeper
maintains this logic level. If the pin is not actively driven, the bus keeper may establish either a Logic 1 or Logic 0 as the initial input level.
Table 4-94. GPIO Function Select
GPn_FN Valid On Description Comments
0x000 GPIO3–16 only Pin-specific alternate function Alternate functions supporting digital microphone, digital audio
interface, master control interface, and PDM output functions.
0x001 All GPIOs (1–16) Button-detect input/logic-level output GPn_DIR = 0: GPIO pin logic level is set by GPn_LVL.
GPn_DIR = 1: Button detect or logic level input.
0x002 All GPIOs (1–16) DSP GPIO Low latency input/output for DSP functions.
0x003 All GPIOs (1–16) IRQ1 output Interrupt (IRQ1) output
0 = IRQ1 not asserted
1 = IRQ1 asserted
0x004 All GPIOs (1–16) IRQ2 output Interrupt (IRQ2) output
0 = IRQ2 not asserted
1 = IRQ2 asserted
0x010 GPIO1–4 only FLL1 clock Clock output from FLL1
0x011 GPIO1–4 only FLL2 clock Clock output from FLL2
Table 4-93. GPIO Control (Cont.)
Register Address Bit Label Default Description
_‘ __— __— _— _— CIRRUS LOGIC” GP iFN Valid On Description Comments 0x018 GFID14 only FLL1 lock lndlcates FLL1 lock slalus 0x019 GFID14 only FLL2 lock lndlcates FLL2 lock slalus 0x040 GPID14 only OFCLK Clock output Configurable clock output derived from SYSCLK 0x041 GPID14 only OFCLK async Clock output Configurable clock output derived from ASYNCCLK 0x048 All GPIOS (1716) PWM1 output Configurable PWM output PWM1 0x049 All GPIOS (1716) PWMZ output Configurable PWM output PWMZ 0X04C All GPIOS (1716) S/PDIF output IEC76095873—combatible S/PDlF output 0x088 GFID14 only ASRC1 lN1 lock lndlcates ASRC1 IN1 Lock status 0x089 GPID14 only ASRC1 lNZ lock lndlcates ASRC1 IN2 Lock slalus 0x140 All GPIOS (1716) Tlmer1 Status Timer1 Status 0x150 GFID174 only Event Log 1 FIFO not7emply Status Event Log 1 FlFD NorEmpty Status 0x230 All GPIOS (1716) Alarm 1 Channel 1 Status Alarm 1 Cnannel1 Status 0x231 All GPIOS (1716) Alarm 1 Channel 2 Status Alarm 1 Channel 2 Status 0x232 All GPIOS (1716) Alarm 1 Channel 3 Status Alarm 1 Channel 3 Status 0x233 All GPIOS (1716) Alarm 1 Channel 4 Status Alarm 1 Channel 4 Status 0x280 GFIDS or GPlO10 Auxlllary PDM Clock lnputloulput Auxiliary PDM lnleriace clock 0x281 GFIDA or GPlOQ Auxlliary PDM data output Auxlliary PDM lnleriace data Output Driver AlF1ECLK/GPl06 GF67FN = 0x000 Audio lnterface1 bltclock Digltal l/D CMOS AlF1LRCLK/GPIDS GFELFN X000 Audio Interface 1 leftlngntclock Digital IID CMOS AlF1RXDAT/GFlO7 GF77FN — 0x000 Audio lnterface1 RX dlgilal audlo data Digital lnbul 7
194 DS1162F1
CS42L92
4.14 General-Purpose I/O
4.14.3 Pin-Specific Alternate Function—GPn_FN = 0x000
The CS42L92 provides two dedicated GPIO pins (1–2). The remaining 14 GPIOs are multiplexed with the pin-specific
functions listed in Table 4-95. The alternate functions are selected by setting the respective GPn_FN fields to 0x000, as
described in Section 4.14.1. Note that each function is unique to the associated pin and can be supported only on that pin.
If the alternate function is selected on a GPIO pin, the pin direction (input or output) and the output driver configuration
(CMOS or open drain) are set automatically as described in Table 4-95. The respective GPn_DIR and GPn_OP_CFG bits
have no effect in this case.
0x018 GPIO1–4 only FLL1 lock Indicates FLL1 lock status
0 = Not locked
1 = Locked
0x019 GPIO1–4 only FLL2 lock Indicates FLL2 lock status
0 = Not locked
1 = Locked
0x040 GPIO1–4 only OPCLK clock output Configurable clock output derived from SYSCLK
0x041 GPIO1–4 only OPCLK async clock output Configurable clock output derived from ASYNCCLK
0x048 All GPIOs (1–16) PWM1 output Configurable PWM output PWM1
0x049 All GPIOs (1–16) PWM2 output Configurable PWM output PWM2
0x04C All GPIOs (1–16) S/PDIF output IEC-60958-3compatible S/PDIF output
0x088 GPIO1–4 only ASRC1 IN1 lock Indicates ASRC1 IN1 Lock status
(ASRC IN1 paths convert from the ASRC1_RATE1 sample rate to the
ASRC1_RATE2 sample rate.)
0 = Not locked
1 = Locked
0x089 GPIO1–4 only ASRC1 IN2 lock Indicates ASRC1 IN2 Lock status
(ASRC IN2 paths convert from the ASRC1_RATE2 sample rate to the
ASRC1_RATE1 sample rate.)
0 = Not locked
1 = Locked
0x140 All GPIOs (1–16) Timer 1 status Timer 1 Status
A pulse is output after the respective timer reaches its final count value.
0x150 GPIO1–4 only Event Log 1 FIFO not-empty status Event Log 1 FIFO Not-Empty status
0 = FIFO Empty
1 = FIFO Not Empty
0x230 All GPIOs (1–16) Alarm 1 Channel 1 status Alarm 1 Channel 1 Status
A pulse is output when the respective alarm-trigger conditions are met.
The pulse duration is configurable.
0x231 All GPIOs (1–16) Alarm 1 Channel 2 status Alarm 1 Channel 2 Status
A pulse is output when the respective alarm-trigger conditions are met.
The pulse duration is configurable.
0x232 All GPIOs (1–16) Alarm 1 Channel 3 status Alarm 1 Channel 3 Status
A pulse is output when the respective alarm-trigger conditions are met.
The pulse duration is configurable.
0x233 All GPIOs (1–16) Alarm 1 Channel 4 status Alarm 1 Channel 4 Status
A pulse is output when the respective alarm-trigger conditions are met.
The pulse duration is configurable.
0x280 GPIO3 or GPIO10 Auxiliary PDM clock input/output Auxiliary PDM interface clock
0x281 GPIO4 or GPIO9 Auxiliary PDM data output Auxiliary PDM interface data
Table 4-95. GPIO Alternate Functions
Name Condition Description Direction Output Driver
Configuration
AIF1BCLK/GPIO6 GP6_FN = 0x000 Audio Interface 1 bit clock Digital I/OCMOS
AIF1LRCLK/GPIO8 GP8_FN = 0x000 Audio Interface 1 left/right clock Digital I/O CMOS
AIF1RXDAT/GPIO7 GP7_FN = 0x000 Audio Interface 1 RX digital audio data Digital input
Table 4-94. GPIO Function Select (Cont.)
GPn_FN Valid On Description Comments
_‘ __— __— _— _— CIRRUS LOGIC” Output Driver AlF1TXDAT/GFI05 GF57FN = OXOOO Audio Interface 1 TX digital audio data Digital output CMOS AlF2ECLK/GPIO10 GF‘loiFN = OXOOO Audio Interface 2 bit clock Digital IID CMOS AlF2LRCLK/GPID12 GF127FN = OXOOO Audio Interface 2 left/right clock Digital IID CMOS AlF2RXDAT/GPIO‘l‘l GF‘l17FN = OXOOO Audio Interface 2 RX digital audio data Digital input 7 AlF2TXDAT/GFI09 GFELFN = OXOOO Audio Interface 2 TX digital audio data Digital output CMOS AlFSECLK/GPIO14 GF‘lfiLFN = OXOOO Audio Interface 3 bit clock Digital IID CMOS AlFSLRCLK/GPID16 GF‘leiFN = OXOOO Audio Interface 3 left/right clock Digital IID CMOS AlFSRXDAT/GPIO‘lS GF157FN = OXOOO Audio Interface 3 RX digital audio data Digital input 7 AlFSTXDAT/GFIO‘lS GF137FN = OXOOO Audio Interface 3 TX digital audio data Digital output CMOS SFKCLK/GPIOS GFCLFN OXOOO Digital Speaker (PDM) clock Digital output CMOS SFKDATIGPI04 GFILFN = OXOOO Digital Speaker (PDM) data Digital output CMOS
DS1162F1 195
CS42L92
4.14 General-Purpose I/O
Note that if the JTAG interface is enabled, the GPIO13–15 pins are configured as a JTAG interface. Under these
conditions, the respective GPIO configuration registers have no effect, and the GPIO pins cannot be assigned any other
function. See Section 4.20 for details of the JTAG interface.
4.14.4 Button Detect (GPIO Input)—GPn_FN = 0x001
Button-detect functionality can be selected on a GPIO pin by setting the respective GPIO fields as described in
Section 4.14.1. The same functionality can be used to support a jack-detect input function.
It is recommended to enable the GPIO input debounce feature when using GPIOs as button input or jack-detect input.
The GPn_LVL fields may be read to determine the logic levels on a GPIO input, after the selectable debounce controls.
Note that GPn_LVL is not affected by the GPn_POL bit.
The debounced GPIO signals are also inputs to the interrupt-control circuit. An interrupt event is triggered on the rising
and falling edges of the GPIO input. The associated interrupt bits are latched once set; they can be polled at any time or
used to control the IRQ signal. See Section 4.15 for details of the interrupt event handling.
4.14.5 Logic 1 and Logic 0 Output (GPIO Output)—GPn_FN = 0x001
The CS42L92 can be programmed to drive a logic high or logic low level on a GPIO pin by selecting the GPIO Output
function as described in Section 4.14.1.
The output logic level is selected using the respective GPn_LVL bit. Note that, if a GPIO pin is configured as an output,
the respective GPn_LVL bits are write-only.
The polarity of the GPIO output can be inverted using the GPn_POL bits. If GPn_POL = 1, the external output is the
opposite logic level to GPn_LVL.
4.14.6 DSP GPIO (Low-Latency DSP Input/Output)—GPn_FN = 0x002
The DSP GPIO function provides an advanced I/O capability for signal-processing applications. The DSP GPIO pins are
accessed using maskable sets of I/O control registers; this allows the selected combinations of GPIOs to be controlled
with ease, regardless of how the allocation of GPIO pins has been implemented in hardware.
The DSP GPIO function is selected by setting the respective GPIO fields as described in Section 4.14.1.
A full description of the DSP GPIO function is provided in Section 4.5.4.
Note that, if GPn_FN is set to 0x002, the respective pin direction (input or output) is set according to the DSP GPIO
configuration for that pin—the GPn_DIR control bit has no effect in this case.
AIF1TXDAT/GPIO5 GP5_FN = 0x000 Audio Interface 1 TX digital audio data Digital output CMOS
AIF2BCLK/GPIO10 GP10_FN = 0x000 Audio Interface 2 bit clock Digital I/O CMOS
AIF2LRCLK/GPIO12 GP12_FN = 0x000 Audio Interface 2 left/right clock Digital I/O CMOS
AIF2RXDAT/GPIO11 GP11_FN = 0x000 Audio Interface 2 RX digital audio data Digital input
AIF2TXDAT/GPIO9 GP9_FN = 0x000 Audio Interface 2 TX digital audio data Digital output CMOS
AIF3BCLK/GPIO14 GP14_FN = 0x000 Audio Interface 3 bit clock Digital I/O CMOS
AIF3LRCLK/GPIO16 GP16_FN = 0x000 Audio Interface 3 left/right clock Digital I/O CMOS
AIF3RXDAT/GPIO15 GP15_FN = 0x000 Audio Interface 3 RX digital audio data Digital input
AIF3TXDAT/GPIO13 GP13_FN = 0x000 Audio Interface 3 TX digital audio data Digital output CMOS
SPKCLK/GPIO3 GP3_FN = 0x000 Digital speaker (PDM) clock Digital output CMOS
SPKDAT/GPIO4 GP4_FN = 0x000 Digital speaker (PDM) data Digital outputCMOS
Table 4-95. GPIO Alternate Functions (Cont.)
Name Condition Description Direction Output Driver
Configuration
_‘ __— __— _— _— CIRRUS LOGIC” e IRQ Regisler Address Eil Label Deiauii Description R398 (OXO1EE) 7:1 FLLLGPCLK, 0x02 FLL1 GPIO Ciock Divider 0 FLLLGPCLK, o FLL1 GPIO Ciock Enable R430 (OxO1AE) 7:1 FLL27GPCLK7 0x02 FLL2 GPIO Ciock Divider FLL27GPCLK, FLL2 GPIO Ciock Enable
196 DS1162F1
CS42L92
4.14 General-Purpose I/O
4.14.7 Interrupt (IRQ) Status Output—GPn_FN = 0x003, 0x004
The CS42L92 has an interrupt controller, which can be used to indicate when any selected interrupt events occur.
Individual interrupts may be masked in order to configure the interrupt as required. See Section 4.15 for a full definition of
all supported interrupt events.
The interrupt controller supports two separate interrupt request (IRQ) outputs. The IRQ1 or IRQ2 status may be output
directly on a GPIO pin by setting the respective GPIO fields as described in Section 4.14.1.
Note that the IRQ1 status is output on the IRQ pin at all times.
4.14.8 Frequency-Locked Loop (FLL) Clock Output—GPn_FN = 0x010, 0x011
Clock outputs derived from the FLLs may be output on a GPIO pin. The GPIO output from each FLLn (FLL1 or FLL2) is
controlled by the respective FLLn_GPCLK_DIV and FLLn_GPCLK_ENA fields, as described in Table 4-96.
It is recommended to disable the clock output (FLLn_GPCLK_ENA = 0) before making any change to the respective
FLLn_GPCLK_DIV field.
Note that FLLn_GPCLK_DIV and FLLn_GPCLK_ENA affect the GPIO outputs only; they do not affect the FLL frequency.
The maximum output frequency supported for GPIO output is noted in Table 3-10.
The FLL clock outputs may be output directly on a GPIO pin by setting the respective GPIO fields as described in
Section 4.14.1.
See Section 4.16 for details of the CS42L92 system clocking and how to configure the FLLs.
4.14.9 Frequency-Locked Loop (FLL) Status Output—GPn_FN = 0x018, 0x019
The CS42L92 provides FLL status flags, which may be used to control other events. The FLL lock signals indicate whether
FLL lock has been achieved. See Section 4.16.8 for details of the FLLs.
The FLL lock signals may be output directly on a GPIO pin by setting the respective GPIO fields as described in
Section 4.14.1.
Table 4-96. FLL Clock Output Control
Register Address Bit Label Default Description
R398 (0x018E)
FLL1_GPIO_Clock
7:1 FLL1_GPCLK_
DIV[6:0]
0x02 FLL1 GPIO Clock Divider
0x00 = Reserved
0x01 = Reserved
0x02 = Divide by 2
0x03 = Divide by 3
0x04 = Divide by 4
0x7F = Divide by 127
(FGPIO = FFLL/FLL1_GPCLK_DIV)
0 FLL1_GPCLK_
ENA
0 FLL1 GPIO Clock Enable
0 = Disabled
1 = Enabled
R430 (0x01AE)
FLL2_GPIO_Clock
7:1 FLL2_GPCLK_
DIV[6:0]
0x02 FLL2 GPIO Clock Divider
0x00 = Reserved
0x01 = Reserved
0x02 = Divide by 2
0x03 = Divide by 3
0x04 = Divide by 4
0x7F = Divide by 127
(FGPIO = FFLL/FLL2_GPCLK_DIV)
0 FLL2_GPCLK_
ENA
0 FLL2 GPIO Clock Enable
0 = Disabled
1 = Enabled
_‘ __— __— _— _— CIRRUS LOGIC” Register Address Bit Label Defaull Descrlption R329(0X0149) 15 OPCLKiENA O OPCLK Enab‘e 7:3 OPCLK7D|V[4:O] 0X00 OPCLK DMder 2:0 OPCLK,SEL[2:O] 000 OPCLK Source Frequency
DS1162F1 197
CS42L92
4.14 General-Purpose I/O
The FLL lock signals are inputs to the interrupt controller circuit. An interrupt event is triggered on the rising and falling
edges of these signals. The associated interrupt bits are latched once set; they can be polled at any time or used to control
the IRQ signal. See Section 4.15 for details of the interrupt event handling.
4.14.10 OPCLK and OPCLK_ASYNC Clock Output—GPn_FN = 0x040, 0x041
A clock output (OPCLK) derived from SYSCLK can be output on a GPIO pin. The OPCLK frequency is controlled by
OPCLK_DIV and OPCLK_SEL. The OPCLK output is enabled by setting OPCLK_ENA, as described in Table 4-97.
A clock output (OPCLK_ASYNC) derived from ASYNCCLK can be output on a GPIO pin. The OPCLK_ASYNC frequency
is controlled by OPCLK_ASYNC_DIV and OPCLK_ASYNC_SEL. The OPCLK_ASYNC output is enabled by setting
OPCLK_ASYNC_ENA.
It is recommended to disable the clock output (OPCLK_ENA = 0 or OPCLK_ASYNC_ENA = 0) before making any change
to the respective OPCLK_DIV, OPCLK_SEL, OPCLK_ASYNC_DIV, or OPCLK_ASYNC_SEL fields.
The OPCLK or OPCLK_ASYNC clock can be output directly on a GPIO pin by setting the respective GPIO fields as
described in Section 4.14.1.
Note that the OPCLK source frequency cannot be higher than the SYSCLK frequency. The OPCLK_ASYNC source
frequency cannot be higher than the ASYNCCLK frequency. The maximum output frequency supported for GPIO output
is noted in Table 3-10.
See Section 4.16 for details of the system clocks (SYSCLK and ASYNCCLK).
Table 4-97. OPCLK Control
Register Address Bit Label Default Description
R329 (0x0149)
Output_system_
clock
15 OPCLK_ENA 0 OPCLK Enable
0 = Disabled
1 = Enabled
7:3 OPCLK_DIV[4:0] 0x00 OPCLK Divider
0x02 = Divide by 2
0x04 = Divide by 4
0x06 = Divide by 6
… (even numbers only)
0x1E = Divide by 30
Note that only even numbered divisions (2, 4, 6, etc.) are valid selections.
All other codes are reserved when the OPCLK signal is enabled.
2:0 OPCLK_SEL[2:0] 000 OPCLK Source Frequency
000 = 6.144 MHz (5.6448 MHz)
001 = 12.288 MHz (11.2896 MHz)
010 = 24.576 MHz (22.5792 MHz)
011 = 49.152 MHz (45.1584 MHz)
All other codes are reserved
The frequencies in brackets apply for 44.1 kHz–related SYSCLK rates only (i.e.,
SAMPLE_RATE_n= 01XXX).
The OPCLK Source Frequency must be less than or equal to the SYSCLK frequency.
_‘ __— __— _— _— CIRRUS LOGIC” Register Address Bit Label Defaull Description R330 (OXO‘MA) 15 OPCLKiASYNCi O OPCLKiASYNC Enabie 7:3 OPCLKiASYNCi 0X00 OPCLKiASYNC Divider 2:0 OPCLKiASYNCi 000 OPCLKiASYNC Source Frequency 7a 0
198 DS1162F1
CS42L92
4.14 General-Purpose I/O
4.14.11 Pulse-Width Modulation (PWM) Signal Output—GPn_FN = 0x048, 0x049
The CS42L92 incorporates two PWM signal generators, which can be enabled as GPIO outputs. The duty cycle of each
PWM signal can be modulated by an audio source, or can be set to a fixed value using a control register setting.
The PWM outputs may be output directly on a GPIO pin by setting the respective GPIO fields as described in
Section 4.14.1.
See Section 4.3.12 for details of how to configure the PWM signal generators.
4.14.12 S/PDIF Audio Output—GPn_FN = 0x04C
The CS42L92 incorporates an IEC-60958-3–compatible S/PDIF transmitter, which can be selected as a GPIO output. The
S/PDIF transmitter supports stereo audio channels and allows full control over the S/PDIF validity bits and channel status
information.
The S/PDIF signal may be output directly on a GPIO pin by setting the respective GPIO fields as described in
Section 4.14.1.
See Section 4.3.8 for details of how to configure the S/PDIF output generator.
4.14.13 ASRC Lock Status Output—GPn_FN = 0x088, 0x089
The CS42L92 provides ASRC status flags, which may be used to control other events. The ASRC-lock signals indicate
whether ASRC lock has been achieved. See Section 4.3.15 for details of the ASRCs.
The ASRC lock signals may be output directly on a GPIO pin by setting the respective GPIO fields as described in
Section 4.14.1.
The ASRC lock signals are inputs to the interrupt control circuit. An interrupt event is triggered on the rising and falling
edges of the ASRC lock signals. The associated interrupt bits are latched once set; they can be polled at any time or used
to control the IRQ signal. See Section 4.15 for details of the interrupt event handling.
R330 (0x014A)
Output_async_
lock
15 OPCLK_ASYNC_
ENA
0 OPCLK_ASYNC Enable
0 = Disabled
1 = Enabled
7:3 OPCLK_ASYNC_
DIV[4:0]
0x00 OPCLK_ASYNC Divider
0x02 = Divide by 2
0x04 = Divide by 4
0x06 = Divide by 6
… (even numbers only)
0x1E = Divide by 30
Note that only even numbered divisions (2, 4, 6, etc.) are valid selections.
All other codes are reserved when the OPCLK_ASYNC signal is enabled.
2:0 OPCLK_ASYNC_
SEL[2:0]
000 OPCLK_ASYNC Source Frequency
000 = 6.144 MHz (5.6448 MHz)
001 = 12.288 MHz (11.2896 MHz)
010 = 24.576 MHz (22.5792 MHz)
011 = 49.152 MHz (45.1584 MHz)
All other codes are reserved
The frequencies in brackets apply for 44.1 kHz–related ASYNCCLK rates only (i.e.,
ASYNC_SAMPLE_RATE_n = 01XXX).
The OPCLK_ASYNC Source Frequency must be less than or equal to the ASYNCCLK
frequency.
Table 4-97. OPCLK Control (Cont.)
Register Address Bit Label Default Description
__- __— __— _— _— CIRRUS LOGIC" IRQ
DS1162F1 199
CS42L92
4.14 General-Purpose I/O
4.14.14 General-Purpose Timer Status Output—GPn_FN = 0x140
The general-purpose timer can count up or down, and supports continuous or single count modes. A status output,
indicating the progress of the timer, is provided. See Section 4.5.3 for details of the general-purpose timer.
A logic signal from the general-purpose timer may be output directly on a GPIO pin by setting the respective GPIO fields
as described in Section 4.14.1. This logic signal is pulsed high whenever the timer reaches its final count value.
The general-purpose timer also provides input to the interrupt control circuit. An interrupt event is triggered whenever the
timer reaches its final count value. The associated interrupt bit is latched once set; it can be polled at any time or used to
control the IRQ signal. See Section 4.15 for details of the interrupt event handling.
4.14.15 Event Logger FIFO Buffer Status Output—GPn_FN = 0x150
The event logger incorporates a 16-stage FIFO buffer, in which any detected events (signal transitions) are recorded. A
status output for the FIFO buffer is provided. See Section 4.5.1 for details of the event logger.
A logic signal from the event logger may be output directly on a GPIO pin by setting the respective GPIO fields as
described in Section 4.14.1. This logic signal is set high whenever the FIFO not-empty condition is true.
The event logger also provides input to the interrupt control circuit. An interrupt event is triggered whenever the FIFO
condition occurs. The associated interrupt bit is latched once set; it can be polled at any time or used to control the IRQ
signal. See Section 4.15 for details of the interrupt event handling.
4.14.16 Alarm Generator Status Output—GPn_FN = 0x230, 0x231, 0x232, 0x233
The CS42L92 incorporates four alarm-generator circuits that are associated with the general-purpose timer. A status
output is provided by each alarm; these can be used to indicate one-off events, or can be configured for cyclic (repeated)
triggers. See Section 4.5.2 for details of the alarm-control circuits.
The alarm status may be output directly on a GPIO pin by setting the respective GPIO fields as described in
Section 4.14.1. The alarm status is asserted when the respective alarm-trigger conditions are met. The signal is asserted
for a duration that is configurable as described in Section 4.5.2.1.
The alarm generators also provide input to the interrupt control circuit. An interrupt event is triggered whenever the
alarm-trigger conditions are met. The associated interrupt bit is latched once set; it can be polled at any time or used to
control the IRQ signal. See Section 4.15 for details of the interrupt event handling.
4.14.17 Auxiliary PDM Interface—GPn_FN = 0x280, 0x281
The CS42L92 provides an auxiliary PDM interface that can be used to provide an audio path between an analog
microphone connected to the CS42L92 and a digital input to an external audio processor. The external connections to the
auxiliary PDM interface are supported on GPIO pins as follows:
In Master Mode (AUXPDM1_MSTR = 1), the CLK output can be configured on the GPIO3 or GPIO10 pins. The DAT
output can be configured on GPIO4 or GPIO9.
In Slave Mode (AUXPDM1_MSTR = 0), the CLK input is supported on GPIO10 only. The DAT output is supported
on GPIO9 only.
The applicable GPIO pins are configured by setting the respective GPIO fields as described in Section 4.14.1.
See Section 4.2.10 for details of how to configure the auxiliary PDM interface.
4.14.18 General-Purpose Switch
The CS42L92 provides two general-purpose switches, which can be used as controllable analog switches for external
functions. The switches support bidirectional analog operation, offering flexibility in the potential circuit applications. Refer
to Table 3-2 and Table 3-10 for further details. Note that this feature is entirely independent of the GPIOn pins.
The GP1 switch is implemented between the GPSW1P and GPSW1N pins; it is configured using SW1_MODE.
The GP2 switch is implemented between the GPSW2P and GPSW2N pins; it is configured using SW2_MODE.
__- __— __— _— _— CIRRUS LOGIC" Register Address Eil Label Defaull Description R712 (0)0208) 3:2 SW27MODE[1:O] 00 Generalrpurpose Switch 2 control 1:0 SW‘LMODEH :0] 00 Generalrpurpose Switch 1 control
200 DS1162F1
CS42L92
4.15 Interrupts
The SWn_MODE fields allow the switches to be disabled, enabled, or synchronized to the MICDET clamp status, as
described in Table 4-98.
The switches can be used in conjunction with the MICDET clamp function to suppress pops and clicks associated with
jack insertion and removal. An example circuit is shown in Fig. 4-60 within Section 4.12.2. Note that the MICDET clamp
function must also be configured appropriately when using this method of pop suppression.
4.15 Interrupts
The interrupt controller has multiple inputs. These include the jack detect and GPIO input pins, DSP_IRQn flags,
headphone/accessory detection, FLL/ASRC lock detection, and status flags from DSP peripheral functions. See
Table 4-99 and Table 4-100 for a full definition of the interrupt controller inputs. Any combination of these inputs can be
used to trigger an interrupt request event.
The interrupt controller supports two sets of interrupt registers. This allows two separate interrupt request (IRQ) outputs
to be generated, and for each IRQ to report a different set of input or status conditions.
For each interrupt request (IRQ1 and IRQ2) output, there is an interrupt register field associated with each interrupt input.
These fields are asserted whenever a logic edge is detected on the respective input. Some inputs are triggered on rising
edges only; some are triggered on both edges. Separate rising and falling interrupt bits are provided for the JD1 and JD2
signals. The interrupt register fields for IRQ1 are described in Table 4-99. The interrupt register fields for IRQ2 are
described in Table 4-100. The interrupt flags can be polled at any time or in response to the interrupt request output being
signaled via the IRQ pin or a GPIO pin.
All interrupts are edge triggered, as noted above. Many are triggered on both the rising and falling edges and, therefore,
the interrupt bits cannot indicate which edge has been detected. The raw status fields described in Table 4-99 and
Table 4-100 indicate the current value of the corresponding inputs to the interrupt controller. Note that the raw status bits
associated with IRQ1 and IRQ2 provide the same information. The status of any GPIO (or DSP GPIO) inputs can also be
read using the GPIO (or DSP GPIO) control fields, as described in Table 4-93 and Table 4-41.
Individual mask bits can enable or disable different functions from the interrupt controller. The mask bits are described in
Table 4-99 (for IRQ1) and Table 4-100 (for IRQ2). Note that a masked interrupt input does not assert the corresponding
interrupt register field and does not cause the associated interrupt request output to be asserted.
The interrupt request outputs represent the logical OR of the associated interrupt registers. IRQ1 is derived from the x_
EINT1 registers; IRQ2 is derived from the x_EINT2 registers. The interrupt register fields are latching fields and, once they
are set, they are not reset until a 1 is written to the respective bits. The interrupt request outputs are not reset until each
of the associated interrupts has been reset.
A debounce circuit can be enabled on any GPIO input, to avoid false event triggers. This is enabled on each pin using the
fields described in Table 4-93. The GPIO debounce circuit uses the 32-kHz clock, which must be enabled whenever the
GPIO debounce function is required.
A debounce circuit is always enabled on the FLL status inputs—either the 32-kHz clock or the SYSCLK signal must be
enabled to trigger an interrupt from the FLL status inputs. Note that the raw status fields (described in Table 4-99 and
Table 4-100) are valid without clocking; these fields can be used to provide FLL status readback if system clocks are not
available.
Table 4-98. General-Purpose Switch Control
Register Address Bit Label Default Description
R712 (0x02C8)
GP_Switch_1
3:2 SW2_MODE[1:0] 00 General-purpose Switch 2 control
00 = Disabled (switch open)
01 = Enabled (switch closed)
10 = Enabled if MICDET clamp status is set
11 = Enabled if MICDET clamp status is clear
1:0 SW1_MODE[1:0] 00 General-purpose Switch 1 control
00 = Disabled (switch open)
01 = Enabled (switch closed)
10 = Enabled if MICDET clamp status is set
11 = Enabled if MICDET clamp status is clear
_‘ __— __— _— _— CIRRUS LOGIC”
DS1162F1 201
CS42L92
4.15 Interrupts
The IRQ outputs can be globally masked using the IM_IRQ1 and IM_IRQ2 bits. When not masked, the IRQ status can be
read from IRQ1_STS and IRQ2_STS for the respective IRQ outputs.
The IRQ1 output is provided externally on the IRQ pin. Under default conditions, this output is active low. The polarity can
be inverted using IRQ_POL. The IRQ output can be either CMOS driven or open drain; this is selected using the IRQ_
OP_CFG bit. The IRQ output is active low and is referenced to the DBVDD power domain.
The IRQ2 status can be used to trigger DSP firmware execution; see Section 4.4. This allows the DSP firmware execution
to be linked to external events (e.g., jack detection, or GPIO input), or to any of the status conditions flagged by the
interrupt registers.
The IRQ1 and IRQ2 signals may be output on a GPIO pin; see Section 4.14.
The CS42L92 interrupt controller circuit is shown in Fig. 4-64. (Note that not all interrupt inputs are shown.) The control
fields associated with IRQ1 and IRQ2 are described in Table 4-99 and Table 4-100 respectively. The global interrupt mask
bits, status bits, and output configuration fields are described Table 4-101.
Note that, under default register conditions, the boot done status is the only unmasked interrupt source; a falling edge on
the IRQ pin indicates completion of the boot sequence.
Figure 4-64. Interrupt Controller
IM_xxx_EINT1
IM_xxx_EINT1
IM_GP1_EINT1
IM_FLL1_LOCK_EINT1
IM_DRC1_SIG_DET_EINT1
IM_INPUTS_SIG_DET_EINT1
xxx_EINT1
xxx_EINT1
GP1_EINT1
FLL1_LOCK_EINT1
DRC1_SIG_DET_EINT1
INPUTS_SIG_DET_EINT1
IM_IRQ1
IRQ1_STS
De-bouncing & Edge detection
xxx_STSn
xxx_STSn
GP1_STSn
FLL1_LOCK_STSn
DRC1_SIG_DET_STSn
INPUTS_SIG_DET_STSn
IM_xxx_EINT2
IM_xxx_EINT2
IM_GP1_EINT2
IM_FLL1_LOCK_EINT2
IM_DRC1_SIG_DET_EINT2
IM_INPUTS_SIG_DET_EINT2
xxx_EINT2
xxx_EINT2
GP1_EINT2
FLL1_LOCK_EINT2
DRC1_SIG_DET_EINT2
INPUTS_SIG_DET_EINT2
IM_IRQ2
IRQ2_STS
Note: not all available interrupt sources are shown
_‘ __— __— _— _— CIRRUS LOGIC” Register Address Bit Label Delaull Description R6144 (0x1800) 12 CTRLiFiERRiEINT‘i o Controi interiace Error interrupt (Rising edge triggered) 9 SYSCLKiFAiLiEiNH o SYSCLK Fail interrupt (Rising edge triggered) 7 BOOTiDONEiEINH 0 Boot Dorie interrupt (Rising edge triggered) R6145 (0x1801) 14 DSPCLKiERRiEINH o DSPCLK Error interrupt (Rising edge triggered) 13 ASYNCCLKiERRiEINT‘i o ASYNCCLK Error interrupt (Rising edge triggered) 12 SYSCLKiERRiEINT‘i o SYSCLK Error interrupt (Rising edge triggered) 9 FLL27LOCK7EiNT1 o FLLZ Lock interrupt (Rising and laiiing edge triggered) 8 FLLLLOCKiEiNT1 o FLL‘i Lock interrupt (Rising and laiiing edge triggered) 6 FLL2,REF,L06T,EINT1 o FLL2 Relerence Lost interrupt (Rising edge triggered) 5 FLL17REF7L06T7EINT1 o FLL‘i Relerence Lost interrupt (Rising edge triggered) R6149 (0x1805) 9 MICDETziEiNT1 o Mic/Accessory Detect 2 interrupt (Detection event triggered) 8 MICDETLEiNT1 o Mic/Accessory Detect 1 interrupt (Detection event triggered) o HPDETiEiNT1 o Headphone Detect interrupt (Rising edge triggered) R6150 (0x1806) 11 MICDicLAMPLFALLiEINT‘i o MICDET Clamp 2 interrupt (Eaiiing edge triggered) 1o MICDicLAMPLRISEiEINT‘i o MICDET Clamp 2 interrupt (Rising edge triggered) 9 JD37FALL7EINT1 o JD3 interrupt (Falling edge triggered) 8 JD37RISE7EINT1 o JD3 interrupt (Rising edge triggered) 5 MICDicLAMPLFALLiEINT‘i o MICDET Clamp 1 interrupt (Falling edge triggered) 4 MICDicLAMPLRISEiEINT‘i o MiCDET Clamp 1 interrupt (Rising edge triggered) 3 JD27FALL7EINT1 o JD2 interrupt (Falling edge triggered) 2 JD27RISE7EINT1 o JD2 interrupt (Rising edge triggered) 1 JD17FALL7EINT1 o JD1 interrupt (Falling edge triggered) o JD17RISE7EINT1 o JD1 interrupt (Rising edge triggered)
202 DS1162F1
CS42L92
4.15 Interrupts
The IRQ1 interrupt, mask, and status control registers are described in Table 4-99.
Table 4-99. Interrupt 1 Control Registers
Register Address Bit Label Default Description
R6144 (0x1800)
IRQ1_Status_1
12 CTRLIF_ERR_EINT1 0 Control Interface Error Interrupt (Rising edge triggered)
Note: Cleared when a 1 is written.
9 SYSCLK_FAIL_EINT1 0 SYSCLK Fail Interrupt (Rising edge triggered)
Note: Cleared when a 1 is written.
7 BOOT_DONE_EINT1 0 Boot Done Interrupt (Rising edge triggered)
Note: Cleared when a 1 is written.
R6145 (0x1801)
IRQ1_Status_2
14 DSPCLK_ERR_EINT1 0 DSPCLK Error Interrupt (Rising edge triggered)
Note: Cleared when a 1 is written.
13 ASYNCCLK_ERR_EINT1 0 ASYNCCLK Error Interrupt (Rising edge triggered)
Note: Cleared when a 1 is written.
12 SYSCLK_ERR_EINT1 0 SYSCLK Error Interrupt (Rising edge triggered)
Note: Cleared when a 1 is written.
9 FLL2_LOCK_EINT1 0 FLL2 Lock Interrupt (Rising and falling edge triggered)
Note: Cleared when a 1 is written.
8 FLL1_LOCK_EINT1 0 FLL1 Lock Interrupt (Rising and falling edge triggered)
Note: Cleared when a 1 is written.
6 FLL2_REF_LOST_EINT1 0 FLL2 Reference Lost Interrupt (Rising edge triggered)
Note: Cleared when a 1 is written.
5 FLL1_REF_LOST_EINT1 0 FLL1 Reference Lost Interrupt (Rising edge triggered)
Note: Cleared when a 1 is written.
R6149 (0x1805)
IRQ1_Status_6
9 MICDET2_EINT1 0 Mic/Accessory Detect 2 Interrupt (Detection event triggered)
Note: Cleared when a 1 is written.
8 MICDET1_EINT1 0 Mic/Accessory Detect 1 Interrupt (Detection event triggered)
Note: Cleared when a 1 is written.
0 HPDET_EINT1 0 Headphone Detect Interrupt (Rising edge triggered)
Note: Cleared when a 1 is written.
R6150 (0x1806)
IRQ1_Status_7
11 MICD_CLAMP2_FALL_EINT1 0 MICDET Clamp 2 Interrupt (Falling edge triggered)
Note: Cleared when a 1 is written.
10 MICD_CLAMP2_RISE_EINT1 0 MICDET Clamp 2 Interrupt (Rising edge triggered)
Note: Cleared when a 1 is written.
9 JD3_FALL_EINT1 0 JD3 Interrupt (Falling edge triggered)
Note: Cleared when a 1 is written.
8 JD3_RISE_EINT1 0 JD3 Interrupt (Rising edge triggered)
Note: Cleared when a 1 is written.
5 MICD_CLAMP1_FALL_EINT1 0 MICDET Clamp 1 Interrupt (Falling edge triggered)
Note: Cleared when a 1 is written.
4 MICD_CLAMP1_RISE_EINT1 0 MICDET Clamp 1 Interrupt (Rising edge triggered)
Note: Cleared when a 1 is written.
3 JD2_FALL_EINT1 0 JD2 Interrupt (Falling edge triggered)
Note: Cleared when a 1 is written.
2 JD2_RISE_EINT1 0 JD2 Interrupt (Rising edge triggered)
Note: Cleared when a 1 is written.
1 JD1_FALL_EINT1 0 JD1 Interrupt (Falling edge triggered)
Note: Cleared when a 1 is written.
0 JD1_RISE_EINT1 0 JD1 Interrupt (Rising edge triggered)
Note: Cleared when a 1 is written.
_‘ __— __— _— _— CIRRUS LOGIC” Register Address Bit Label Detauit Description R6152 (0x1808) 9 ASRCLINziLDCKiEINH o ASRC1 IN2 Lock interrupt (Rising and taiiing edge triggered) 8 ASRCLINLLDCKJEINH o ASRC1 IN1 Lock interrupt (Rising and taiiing edge triggered) 2 INPUTsisIGiDETiEiNH 0 input Patn SignairDetect interrupt (Rising and iaiiing edge 1 DRCZ,S|G,DET7EINT1 o DRC2 Signaeretect interrupt (Rising and falling edge 0 DRCLSIGiDETiEINH o DRC1 Signaeretect interrupt (Rising and falling edge R6154 (0x180A) 15 DSPiiRQ167EiNT1 o DSP iRQ16 interrupt (Rising edge triggered) 14 DSPiiRQ157EiNT1 o DSP iRQ15 interrupt (Rising edge triggered) 13 DSPiiRQ147EiNT1 o DSP iRQ14 interrupt (Rising edge triggered) 12 DSPiiRQ137EiNT1 o DSP iRQ13 interrupt (Rising edge triggered) 11 DSPiiRQ127EiNT1 o DSP iRQ12 interrupt (Rising edge triggered) 1o DSPJRQ117EINT1 0 D5? iRQ11 interrupt (Rising edge triggered) 9 DSPiiRQ107EiNT1 o DSP IRQ10 interrupt (Rising edge triggered) 8 DSPJR097EINT1 o DSP iRQe interrupt (Rising edge triggered) 7 DSPJRQLEINT‘) o DSP IRQ8 interrupt (Rising edge triggered) 6 DSPJRQLEINT‘) o DSP IRQ7 interrupt (Rising edge triggered) 5 Dsp,iRas,EiNT1 o DSP IRQ6 interrupt (Rising edge triggered) 4 DSPiiRasiEINT‘i o DSP iRQs interrupt (Rising edge triggered) 3 DSPJRQILEINT‘) o DSP IRQ4 interrupt (Rising edge triggered) 2 DSPJRQLEINTW o DSP IRQ3 interrupt (Rising edge triggered) 1 DSPJRQLEINTW o DSP IRQ2 interrupt (Rising edge triggered) o DSPJRQLEINT‘) o DSP IRQ1 interrupt (Rising edge triggered)
DS1162F1 203
CS42L92
4.15 Interrupts
R6152 (0x1808)
IRQ1_Status_9
9 ASRC1_IN2_LOCK_EINT1 0 ASRC1 IN2 Lock Interrupt (Rising and falling edge triggered)
Note: Cleared when a 1 is written.
8 ASRC1_IN1_LOCK_EINT1 0 ASRC1 IN1 Lock Interrupt (Rising and falling edge triggered)
Note: Cleared when a 1 is written.
2 INPUTS_SIG_DET_EINT1 0 Input Path Signal-Detect Interrupt (Rising and falling edge
triggered)
Note: Cleared when a 1 is written.
1 DRC2_SIG_DET_EINT1 0 DRC2 Signal-Detect Interrupt (Rising and falling edge
triggered)
Note: Cleared when a 1 is written.
0 DRC1_SIG_DET_EINT1 0 DRC1 Signal-Detect Interrupt (Rising and falling edge
triggered)
Note: Cleared when a 1 is written.
R6154 (0x180A)
IRQ1_Status_11
15 DSP_IRQ16_EINT1 0 DSP IRQ16 Interrupt (Rising edge triggered)
Note: Cleared when a 1 is written.
14 DSP_IRQ15_EINT1 0 DSP IRQ15 Interrupt (Rising edge triggered)
Note: Cleared when a 1 is written.
13 DSP_IRQ14_EINT1 0 DSP IRQ14 Interrupt (Rising edge triggered)
Note: Cleared when a 1 is written.
12 DSP_IRQ13_EINT1 0 DSP IRQ13 Interrupt (Rising edge triggered)
Note: Cleared when a 1 is written.
11 DSP_IRQ12_EINT1 0 DSP IRQ12 Interrupt (Rising edge triggered)
Note: Cleared when a 1 is written.
10 DSP_IRQ11_EINT1 0 DSP IRQ11 Interrupt (Rising edge triggered)
Note: Cleared when a 1 is written.
9 DSP_IRQ10_EINT1 0 DSP IRQ10 Interrupt (Rising edge triggered)
Note: Cleared when a 1 is written.
8 DSP_IRQ9_EINT1 0 DSP IRQ9 Interrupt (Rising edge triggered)
Note: Cleared when a 1 is written.
7 DSP_IRQ8_EINT1 0 DSP IRQ8 Interrupt (Rising edge triggered)
Note: Cleared when a 1 is written.
6 DSP_IRQ7_EINT1 0 DSP IRQ7 Interrupt (Rising edge triggered)
Note: Cleared when a 1 is written.
5 DSP_IRQ6_EINT1 0 DSP IRQ6 Interrupt (Rising edge triggered)
Note: Cleared when a 1 is written.
4 DSP_IRQ5_EINT1 0 DSP IRQ5 Interrupt (Rising edge triggered)
Note: Cleared when a 1 is written.
3 DSP_IRQ4_EINT1 0 DSP IRQ4 Interrupt (Rising edge triggered)
Note: Cleared when a 1 is written.
2 DSP_IRQ3_EINT1 0 DSP IRQ3 Interrupt (Rising edge triggered)
Note: Cleared when a 1 is written.
1 DSP_IRQ2_EINT1 0 DSP IRQ2 Interrupt (Rising edge triggered)
Note: Cleared when a 1 is written.
0 DSP_IRQ1_EINT1 0 DSP IRQ1 Interrupt (Rising edge triggered)
Note: Cleared when a 1 is written.
Table 4-99. Interrupt 1 Control Registers (Cont.)
Register Address Bit Label Default Description
_‘ __— __— _— _— CIRRUS LOGIC” Register Address Bit Label Detauit Description R6155 (0xI80I3) 9 HPAR,SC,EINT1 o HPOUTAR snort Circuit Interrupt (Rising edge triggered) 8 HP4L75C7EINT1 o HPOUT4L snort Circuit Interrupt (Rising edge triggered) 5 HPSR,SC,EINT1 o HPOUTSR snort Circuit Interrupt (Rising edge triggered) 4 HP3L75C7EINT1 o HPOUTSL snort Circuit Interrupt (Rising edge triggered) 3 HP2R,SC,EINT1 o HPOUTZR snort Circuit Interrupt (Rising edge triggered) 2 HP2L75C7EINT1 o HPOUTZL snort Circuit Interrupt (Rising edge triggered) I HP1R,SC,EINT1 o HPOUT1R snort Circuit Interrupt (Rising edge triggered) o HP1L75C7EINT1 o HPOUTI L snort Circuit Interrupt (Rising edge triggered) R6156(0x1800) 5 HPSRiENABLEiDONEiEINT‘I o HPOUT3R/HPDUT4R Enabie Interrupt (Rising edge triggered) 4 HPSLiENABLEiDONEiEINH o HPOUTSL/HPOUTAL Enabie Interrupt (Rising edge triggered) 3 HPZRiENABLEiDONEiEINT‘I o HPOUT2R Enapie Interrupt (Rising edge triggered) 2 HP2L7ENABLE7DONE7EINT1 o HPOUTZL Enabie Interrupt (Rising edge triggered) I HP1R7ENABLE7DONE7EINT‘I o HPOUTI R Enapie Interrupt (Rising edge triggered) o HP1L7ENABLE7DONE7EINT1 o HPOUT1L Enabie Interrupt (Rising edge triggered) R6157 (0xIsoD) 5 HPSRiDISAELEiDDNEiEINT‘I o HPOUT3R/HPOUT4R Disable Interrupt (Rising edge triggered) 4 HPSLiDISABLEiDDNEiEINT‘I o HPOUTSL/HPOUTAL Disapie Interrupt (Rising edge triggered) 3 HPZRiDISAELEiDDNEiEINT‘I o HPOUT2R Disable Interrupt (Rising edge triggered) 2 HP2L7DISABLE7DDNE7EINT‘I o HPDUTZL Disapie Interrupt (Rising edge triggered) I HPIRJISABLEJDNLEINTI o HPOUTI R Disable Interrupt (Rising edge triggered) o HPILJISABLEJDNLEINTI o HPDUTI L Disapie Interrupt (Rising edge triggered) R6158 (omoE) 12 DFCjATURATEjINTI o DFC Saturate Interrupt (Rising edge triggered)
204 DS1162F1
CS42L92
4.15 Interrupts
R6155 (0x180B)
IRQ1_Status_12
9 HP4R_SC_EINT1 0 HPOUT4R Short Circuit Interrupt (Rising edge triggered)
Note: Cleared when a 1 is written.
8 HP4L_SC_EINT1 0 HPOUT4L Short Circuit Interrupt (Rising edge triggered)
Note: Cleared when a 1 is written.
5 HP3R_SC_EINT1 0 HPOUT3R Short Circuit Interrupt (Rising edge triggered)
Note: Cleared when a 1 is written.
4 HP3L_SC_EINT1 0 HPOUT3L Short Circuit Interrupt (Rising edge triggered)
Note: Cleared when a 1 is written.
3 HP2R_SC_EINT1 0 HPOUT2R Short Circuit Interrupt (Rising edge triggered)
Note: Cleared when a 1 is written.
2 HP2L_SC_EINT1 0 HPOUT2L Short Circuit Interrupt (Rising edge triggered)
Note: Cleared when a 1 is written.
1 HP1R_SC_EINT1 0 HPOUT1R Short Circuit Interrupt (Rising edge triggered)
Note: Cleared when a 1 is written.
0 HP1L_SC_EINT1 0 HPOUT1L Short Circuit Interrupt (Rising edge triggered)
Note: Cleared when a 1 is written.
R6156 (0x180C)
IRQ1_Status_13
5 HP3R_ENABLE_DONE_EINT1 0 HPOUT3R/HPOUT4R Enable Interrupt (Rising edge triggered)
Note: Cleared when a 1 is written.
4 HP3L_ENABLE_DONE_EINT1 0 HPOUT3L/HPOUT4L Enable Interrupt (Rising edge triggered)
Note: Cleared when a 1 is written.
3 HP2R_ENABLE_DONE_EINT1 0 HPOUT2R Enable Interrupt (Rising edge triggered)
Note: Cleared when a 1 is written.
2 HP2L_ENABLE_DONE_EINT1 0 HPOUT2L Enable Interrupt (Rising edge triggered)
Note: Cleared when a 1 is written.
1 HP1R_ENABLE_DONE_EINT1 0 HPOUT1R Enable Interrupt (Rising edge triggered)
Note: Cleared when a 1 is written.
0 HP1L_ENABLE_DONE_EINT1 0 HPOUT1L Enable Interrupt (Rising edge triggered)
Note: Cleared when a 1 is written.
R6157 (0x180D)
IRQ1_Status_14
5 HP3R_DISABLE_DONE_EINT1 0 HPOUT3R/HPOUT4R Disable Interrupt (Rising edge triggered)
Note: Cleared when a 1 is written.
4 HP3L_DISABLE_DONE_EINT1 0 HPOUT3L/HPOUT4L Disable Interrupt (Rising edge triggered)
Note: Cleared when a 1 is written.
3 HP2R_DISABLE_DONE_EINT1 0 HPOUT2R Disable Interrupt (Rising edge triggered)
Note: Cleared when a 1 is written.
2 HP2L_DISABLE_DONE_EINT1 0 HPOUT2L Disable Interrupt (Rising edge triggered)
Note: Cleared when a 1 is written.
1 HP1R_DISABLE_DONE_EINT1 0 HPOUT1R Disable Interrupt (Rising edge triggered)
Note: Cleared when a 1 is written.
0 HP1L_DISABLE_DONE_EINT1 0 HPOUT1L Disable Interrupt (Rising edge triggered)
Note: Cleared when a 1 is written.
R6158 (0x180E)
IRQ1_Status_15
12 DFC_SATURATE_EINT1 0 DFC Saturate Interrupt (Rising edge triggered)
Note: Cleared when a 1 is written.
Table 4-99. Interrupt 1 Control Registers (Cont.)
Register Address Bit Label Default Description
_‘ __— __— _— _— CIRRUS LOGIC” Register Address Bit Label Detauit Description R6160 (0x1810) 15 GP167EINT1 o GPio16 interrupt (Rising and iaiiing edge triggered) 14 GP157EINT1 o GPio15 interrupt (Rising and iaiiing edge triggered) 13 GP147EINT1 o GPio14 interrupt (Rising and iaiiing edge triggered) 12 GP137EINT1 o GPio13 interrupt (Rising and iaiiing edge triggered) 11 GP127EINT1 o GPio12 interrupt (Rising and iaiiing edge triggered) 1o GP117EINT1 o GPID11 interrupt (Rising and tailing edge triggered) 9 GP107EINT1 o GPio1o interrupt (Rising and iaiiing edge triggered) a GP97EINT1 o GPiOQ interrupt (Rising and falling edge triggered) 7 GPsiEINT‘i o epics interrupt (Rising and falling edge triggered) 6 GPLEINT‘) o GPio7 interrupt (Rising and falling edge triggered) 5 GPsiEINT‘i o epics interrupt (Rising and falling edge triggered) 4 GPsiEINT‘i o GPios interrupt (Rising and falling edge triggered) 3 GPILEINTW o GPio4 interrupt (Rising and falling edge triggered) 2 GP37EINT1 o GPiOB interrupt (Rising and falling edge triggered) 1 GP27EINT1 o GPiOZ interrupt (Rising and falling edge triggered) o GPLEINT‘) o GPio1 interrupt (Rising and falling edge triggered) R6164 (0x1814) o TiMERLEINT‘i o Timer1 interrupt (Rising edge triggered) R6165 (0x1815) o EVENT17NOT7EMPTY7EINT1 0 Event Log 1 FiFo Not Empty interrupt (Rising edge triggered) R6166 (0x1816) o EVENTLFULLiEINT‘i 0 Event Log 1 FIFO Fuii interrupt (Rising edge triggered) R6167 (0x1817) o EVENT1,WMARK,EINT1 0 Event Log 1 FiFo Watermark interrupt (Rising edge triggered) R6168 (0x1818) o DSP17DMA7E1NT1 o DSP1 DMA interrupt (Rising edge triggered) R6170 (0x181A) o DSPLSTARTLEINH o DSP1 start1 interrupt (Rising edge triggered) R6171 (0x181 B) o DSPLSTARTLEINH o DSP1 start 2 interrupt (Rising edge triggered) R6173 (0x181D) o DSPLBUSYiEINT‘i o DSP1 Busy interrupt (Rising edge triggered) R6176 (0x1820) o DSPLBusiERRiEINT‘i o DSP1 Bus Error interrupt (Rising edge triggered)
DS1162F1 205
CS42L92
4.15 Interrupts
R6160 (0x1810)
IRQ1_Status_17
15 GP16_EINT1 0 GPIO16 Interrupt (Rising and falling edge triggered)
Note: Cleared when a 1 is written.
14 GP15_EINT1 0 GPIO15 Interrupt (Rising and falling edge triggered)
Note: Cleared when a 1 is written.
13 GP14_EINT1 0 GPIO14 Interrupt (Rising and falling edge triggered)
Note: Cleared when a 1 is written.
12 GP13_EINT1 0 GPIO13 Interrupt (Rising and falling edge triggered)
Note: Cleared when a 1 is written.
11 GP12_EINT1 0 GPIO12 Interrupt (Rising and falling edge triggered)
Note: Cleared when a 1 is written.
10 GP11_EINT1 0 GPIO11 Interrupt (Rising and falling edge triggered)
Note: Cleared when a 1 is written.
9 GP10_EINT1 0 GPIO10 Interrupt (Rising and falling edge triggered)
Note: Cleared when a 1 is written.
8 GP9_EINT1 0 GPIO9 Interrupt (Rising and falling edge triggered)
Note: Cleared when a 1 is written.
7 GP8_EINT1 0 GPIO8 Interrupt (Rising and falling edge triggered)
Note: Cleared when a 1 is written.
6 GP7_EINT1 0 GPIO7 Interrupt (Rising and falling edge triggered)
Note: Cleared when a 1 is written.
5 GP6_EINT1 0 GPIO6 Interrupt (Rising and falling edge triggered)
Note: Cleared when a 1 is written.
4 GP5_EINT1 0 GPIO5 Interrupt (Rising and falling edge triggered)
Note: Cleared when a 1 is written.
3 GP4_EINT1 0 GPIO4 Interrupt (Rising and falling edge triggered)
Note: Cleared when a 1 is written.
2 GP3_EINT1 0 GPIO3 Interrupt (Rising and falling edge triggered)
Note: Cleared when a 1 is written.
1 GP2_EINT1 0 GPIO2 Interrupt (Rising and falling edge triggered)
Note: Cleared when a 1 is written.
0 GP1_EINT1 0 GPIO1 Interrupt (Rising and falling edge triggered)
Note: Cleared when a 1 is written.
R6164 (0x1814)
IRQ1_Status_21
0 TIMER1_EINT1 0 Timer 1 Interrupt (Rising edge triggered)
Note: Cleared when a 1 is written.
R6165 (0x1815)
IRQ1_Status_22
0 EVENT1_NOT_EMPTY_EINT1 0 Event Log 1 FIFO Not Empty Interrupt (Rising edge triggered)
Note: Cleared when a 1 is written.
R6166 (0x1816)
IRQ1_Status_23
0 EVENT1_FULL_EINT1 0 Event Log 1 FIFO Full Interrupt (Rising edge triggered)
Note: Cleared when a 1 is written.
R6167 (0x1817)
IRQ1_Status_24
0 EVENT1_WMARK_EINT1 0 Event Log 1 FIFO Watermark Interrupt (Rising edge triggered)
Note: Cleared when a 1 is written.
R6168 (0x1818)
IRQ1_Status_25
0 DSP1_DMA_EINT1 0 DSP1 DMA Interrupt (Rising edge triggered)
Note: Cleared when a 1 is written.
R6170 (0x181A)
IRQ1_Status_27
0 DSP1_START1_EINT1 0 DSP1 Start 1 Interrupt (Rising edge triggered)
Note: Cleared when a 1 is written.
R6171 (0x181B)
IRQ1_Status_28
0 DSP1_START2_EINT1 0 DSP1 Start 2 Interrupt (Rising edge triggered)
Note: Cleared when a 1 is written.
R6173 (0x181D)
IRQ1_Status_30
0 DSP1_BUSY_EINT1 0 DSP1 Busy Interrupt (Rising edge triggered)
Note: Cleared when a 1 is written.
R6176 (0x1820)
IRQ1_Status_33
0 DSP1_BUS_ERR_EINT1 0 DSP1 Bus Error Interrupt (Rising edge triggered)
Note: Cleared when a 1 is written.
Table 4-99. Interrupt 1 Control Registers (Cont.)
Register Address Bit Label Default Description
_‘ __— __— _— _— CIRRUS LOGIC” Register Address Bit Label Delault Description R6179 (0X1823) 3 TiMERiALM170H47EINT1 0 Alarm 1 Channei 4 interrupt (Rising edge triggered) 2 TiMERiALM170H37EINT1 0 Alarm 1 Channei 3 interrupt (Rising edge triggered) 1 TiMERiALM170H27EINT1 0 Alarm 1 Channei 2 interrupt (Rising edge triggered) 0 TiMERiALM170H17EINT1 0 Alarm 1 Channei 1 interrupt (Rising edge triggered) R6208 (0X1840) IMi' See For each X7E|NT1 interrupt bit in R6144 to RS179. a R6272 (0X1880) 12 CTRLiFiERRiSTS1 0 Controi Interlace Error Status 7 BOOTiDONEiSTS1 0 Boot Status R6273 (0X1881) 14 DSPCLKiERRisTS1 0 DSPCLK Error Interrupt Status 13 ASYNCCLKiERRiSTS1 O ASYNCCLK Error Interrupt Status 12 SYSCLKiERRisTS1 0 SYSCLK Error interrupt Status 9 FLL27LOCK75TS1 0 FLL2 LOCK Status 8 FLL17LOCK75TS1 0 FLL1 LOCK Status 6 FLL27REF7LOST75TS1 0 FLL2 Relerence Lost Status 5 FLL17REF7LOST75TS1 0 FLL1 Relerence Lost Status
206 DS1162F1
CS42L92
4.15 Interrupts
R6179 (0x1823)
IRQ1_Status_36
3 TIMER_ALM1_CH4_EINT1 0 Alarm 1 Channel 4 Interrupt (Rising edge triggered)
Note: Cleared when a 1 is written.
2 TIMER_ALM1_CH3_EINT1 0 Alarm 1 Channel 3 Interrupt (Rising edge triggered)
Note: Cleared when a 1 is written.
1 TIMER_ALM1_CH2_EINT1 0 Alarm 1 Channel 2 Interrupt (Rising edge triggered)
Note: Cleared when a 1 is written.
0 TIMER_ALM1_CH1_EINT1 0 Alarm 1 Channel 1 Interrupt (Rising edge triggered)
Note: Cleared when a 1 is written.
R6208 (0x1840)
to
R6243 (0x1863)
IM_* See
Footnote 1
For each x_EINT1 interrupt bit in R6144 to R6179, a
corresponding mask bit (IM_*) is provided in R6208 to R6243.
The mask bits are coded as follows:
0 = Do not mask interrupt
1 = Mask interrupt
R6272 (0x1880)
IRQ1_Raw_
Status_1
12 CTRLIF_ERR_STS1 0 Control Interface Error Status
0 = Normal
1 = Control Interface Error
7 BOOT_DONE_STS1 0 Boot Status
0 = Busy (boot sequence in progress)
1 = Idle (boot sequence completed)
Control register writes should not be attempted until Boot
Sequence has completed.
R6273 (0x1881)
IRQ1_Raw_
Status_2
14 DSPCLK_ERR_STS1 0 DSPCLK Error Interrupt Status
0 = Normal
1 = Insufficient DSPCLK cycles for one or more of the
requested DSP1 clock frequencies
13 ASYNCCLK_ERR_STS1 0 ASYNCCLK Error Interrupt Status
0 = Normal
1 = Insufficient ASYNCCLK cycles for the requested signal path
functionality
12 SYSCLK_ERR_STS1 0 SYSCLK Error Interrupt Status
0 = Normal
1 = Insufficient SYSCLK cycles for the requested signal path
functionality
9 FLL2_LOCK_STS1 0 FLL2 Lock Status
0 = Not locked
1 = Locked
8 FLL1_LOCK_STS1 0 FLL1 Lock Status
0 = Not locked
1 = Locked
6 FLL2_REF_LOST_STS1 0 FLL2 Reference Lost Status
0 = Normal
1 = Reference Lost
5 FLL1_REF_LOST_STS1 0 FLL1 Reference Lost Status
0 = Normal
1 = Reference Lost
Table 4-99. Interrupt 1 Control Registers (Cont.)
Register Address Bit Label Default Description
_‘ __— __— _— _— CIRRUS LOGIC” Register Address Bit Label Delaull Description R6278 (0X1886) 8 JD37$TS1 0 JACKDETS input status 4 MICD,CLAMP75TS1 O MICDET Ciamp status 2 JD27STS1 0 JACKDETZ input status 0 JD17$TS1 0 JACKDET1 input status R6280 (0X1888) 9 ASRC‘LIN27LDCK75TS1 O ASRC1 |N2 LOCK Status 8 ASRC‘LIN17LDCK75TS1 O ASRC1 IN‘i LOCK Status 2 INPUTSislGiDETiSTS1 0 Input Path SignairDetect Status 1 DR027SIGiDET7$TS1 O DRCZ Signaeretect Status 0 DRC1,S|G,DET7$TS1 O DRC1 Signaeretect Status
DS1162F1 207
CS42L92
4.15 Interrupts
R6278 (0x1886)
IRQ1_Raw_
Status_7
8 JD3_STS1 0 JACKDET3 input status
0 = Jack not detected
1 = Jack is detected
(Assumes the JACKDET3 pin is pulled low on jack insertion.)
4 MICD_CLAMP_STS1 0 MICDET Clamp status
0 = Clamp disabled
1 = Clamp
enabled
Separate _STS bits are not provided for each clamp—it is
assumed that a maximum of one clamp is active at any time.
The clamp override condition (MICD_CLAMPn_OVD = 1) is not
indicated.
2 JD2_STS1 0 JACKDET2 input status
0 = Jack not detected
1 = Jack is detected
(Assumes the JACKDET2 pin is pulled low on jack insertion.)
0 JD1_STS1 0 JACKDET1 input status
0 = Jack not detected
1 = Jack is detected
(Assumes the JACKDET1 pin is pulled low on jack insertion.)
R6280 (0x1888)
IRQ1_Raw_
Status_9
9 ASRC1_IN2_LOCK_STS1 0 ASRC1 IN2 Lock Status
0 = Not locked
1 = Locked
8 ASRC1_IN1_LOCK_STS1 0 ASRC1 IN1 Lock Status
0 = Not locked
1 = Locked
2 INPUTS_SIG_DET_STS1 0 Input Path Signal-Detect Status
0 = Normal
1 = Signal detected
1 DRC2_SIG_DET_STS1 0 DRC2 Signal-Detect Status
0 = Normal
1 = Signal detected
0 DRC1_SIG_DET_STS1 0 DRC1 Signal-Detect Status
0 = Normal
1 = Signal detected
Table 4-99. Interrupt 1 Control Registers (Cont.)
Register Address Bit Label Default Description
_‘ __— __— _— _— CIRRUS LOGIC” Register Address Bit Label Delaull Description R6283(0X1885) 9 HF4R75C75T51 0 HFOUT4R Short Circuit Status 8 HF4L75C75T51 0 HFOUT4L Short Circuit Status 5 HFSRisCisTSt 0 HFOUTSR Short Circuit Status 4 HFSLisCisTst 0 HFOUTSL Short Circuit Status 3 HFZRisCisTSt 0 HFOUTZR Short Circuit Status 2 HFZLisCisTst 0 HFOUTZL Short Circuit Status 1 HFtRisCisTSt 0 HFOUT‘i R Short Circuit Status 0 HFtLisCisTst 0 HFOUT‘i L Short Circuit Status R6284(0X188C) 5 HFSRiENABLEiDONEisTSt 0 HFOUTSR/HFOUTIlR Enable Status 4 HFSLiENABLEiDONEisTst 0 HFOUTSL/HPOUTAL Enabie Status 3 HFZRiENABLEiDONEisTSt O HFDUTZR Enable Status 2 HFZLiENABLEiDONEiSTS‘i 0 HPOUTZL Ehabie Status 1 HFtRiENABLEiDONEisTSt O HFDUT‘i R Enable Status 0 HFtLiENABLEiDONEiSTS‘i 0 HPOUTtL Ehabie Status
208 DS1162F1
CS42L92
4.15 Interrupts
R6283 (0x188B)
IRQ1_Raw_
Status_12
9 HP4R_SC_STS1 0 HPOUT4R Short Circuit Status
0 = Normal
1 = Short Circuit detected
8 HP4L_SC_STS1 0 HPOUT4L Short Circuit Status
0 = Normal
1 = Short Circuit detected
5 HP3R_SC_STS1 0 HPOUT3R Short Circuit Status
0 = Normal
1 = Short Circuit detected
4 HP3L_SC_STS1 0 HPOUT3L Short Circuit Status
0 = Normal
1 = Short Circuit detected
3 HP2R_SC_STS1 0 HPOUT2R Short Circuit Status
0 = Normal
1 = Short Circuit detected
2 HP2L_SC_STS1 0 HPOUT2L Short Circuit Status
0 = Normal
1 = Short Circuit detected
1 HP1R_SC_STS1 0 HPOUT1R Short Circuit Status
0 = Normal
1 = Short Circuit detected
0 HP1L_SC_STS1 0 HPOUT1L Short Circuit Status
0 = Normal
1 = Short Circuit detected
R6284 (0x188C)
IRQ1_Raw_
Status_13
5 HP3R_ENABLE_DONE_STS1 0 HPOUT3R/HPOUT4R Enable Status
0 = Busy (sequence in progress)
1 = Idle (sequence completed)
4 HP3L_ENABLE_DONE_STS1 0 HPOUT3L/HPOUT4L Enable Status
0 = Busy (sequence in progress)
1 = Idle (sequence completed)
3 HP2R_ENABLE_DONE_STS1 0 HPOUT2R Enable Status
0 = Busy (sequence in progress)
1 = Idle (sequence completed)
2 HP2L_ENABLE_DONE_STS1 0 HPOUT2L Enable Status
0 = Busy (sequence in progress)
1 = Idle (sequence completed)
1 HP1R_ENABLE_DONE_STS1 0 HPOUT1R Enable Status
0 = Busy (sequence in progress)
1 = Idle (sequence completed)
0 HP1L_ENABLE_DONE_STS1 0 HPOUT1L Enable Status
0 = Busy (sequence in progress)
1 = Idle (sequence completed)
Table 4-99. Interrupt 1 Control Registers (Cont.)
Register Address Bit Label Default Description
_‘ __— __— _— _— CIRRUS LOGIC” Register Address Bit Label Delaull Description R6285 (0X18ED) 5 HFSRiDISAELEiDDNEisTS1 0 HFOUTSR/HFDUT4R Disable Status 4 HFSLiDISABLEiDDNEisTS1 0 HFOUTSL/HPOUTAL Disable Status 3 HF2R7DISAELE7DDNE75TS1 0 HPOUT2R Disable Status 2 HF2L7DISABLE7DDNE75TS1 0 HFOUT2L Disable Status 1 HF1R7DISAELE7DDNE75TS1 0 HPOUT1 R Disable Status 0 HF1L7DISABLE7DDNE75TS1 0 HFOUT1L Disable Status R6288 (0X1890) 15 GF1675TS1 0 GFIOn Input status. Reads back the logic level of GFIOn. 14 GF157STS1 0 13 GF1475TS1 0 12 GF137STS1 0 11 GF127STS1 0 10 GF117$TS1 0 9 GF1075TS1 0 8 GPQ,STS1 0 7 GF87STS1 0 6 GF7iSTS1 0 5 GFsiSTS1 0 4 GF57STS1 0 3 GF47STS1 0 2 GF37STS1 0 1 GF2iSTS1 0 0 GF1iSTS1 0 R6293 (0X1895) 0 EVENT17NOT7EMPTY75TS1 0 Event Log 1 FIFO NotrEmpty status R6294 (0X1896) 0 EVENT17FULL7$TS1 0 Event Log 1 FIFO FuII status R6295 (0X1897) 0 EVENT17WMARKiSTS1 0 Event Log 1 FIFO Watermark status R6296 (0X1898) 0 DSP17DMA75TS1 0 DSP1 DMA status R6301 (0X189D) 0 DSP1iBUSYiSTS1 O DSP1 Busy status
DS1162F1 209
CS42L92
4.15 Interrupts
R6285 (0x188D)
IRQ1_Raw_
Status_14
5 HP3R_DISABLE_DONE_STS1 0 HPOUT3R/HPOUT4R Disable Status
0 = Busy (sequence in progress)
1 = Idle (sequence completed)
4 HP3L_DISABLE_DONE_STS1 0 HPOUT3L/HPOUT4L Disable Status
0 = Busy (sequence in progress)
1 = Idle (sequence completed)
3 HP2R_DISABLE_DONE_STS1 0 HPOUT2R Disable Status
0 = Busy (sequence in progress)
1 = Idle (sequence completed)
2 HP2L_DISABLE_DONE_STS1 0 HPOUT2L Disable Status
0 = Busy (sequence in progress)
1 = Idle (sequence completed)
1 HP1R_DISABLE_DONE_STS1 0 HPOUT1R Disable Status
0 = Busy (sequence in progress)
1 = Idle (sequence completed)
0 HP1L_DISABLE_DONE_STS1 0 HPOUT1L Disable Status
0 = Busy (sequence in progress)
1 = Idle (sequence completed)
R6288 (0x1890)
IRQ1_Raw_
Status_17
15 GP16_STS1 0 GPIOn Input status. Reads back the logic level of GPIOn.
Only valid for pins configured as GPIO input (does not include
DSPGPIO inputs).
14 GP15_STS1 0
13 GP14_STS1 0
12 GP13_STS1 0
11 GP12_STS1 0
10 GP11_STS1 0
9 GP10_STS1 0
8GP9_STS1 0
7GP8_STS1 0
6GP7_STS1 0
5GP6_STS1 0
4GP5_STS1 0
3GP4_STS1 0
2GP3_STS1 0
1GP2_STS1 0
0GP1_STS1 0
R6293 (0x1895)
IRQ1_Raw_
Status_22
0 EVENT1_NOT_EMPTY_STS1 0 Event Log 1 FIFO Not-Empty status
0 = FIFO Empty
1 = FIFO Not Empty
R6294 (0x1896)
IRQ1_Raw_
Status_23
0 EVENT1_FULL_STS1 0 Event Log 1 FIFO Full status
0 = FIFO Not Full
1 = FIFO Full
R6295 (0x1897)
IRQ1_Raw_
Status_24
0 EVENT1_WMARK_STS1 0 Event Log 1 FIFO Watermark status
0 = FIFO Watermark not reached
1 = FIFO Watermark reached
R6296 (0x1898)
IRQ1_Raw_
Status_25
0 DSP1_DMA_STS1 0 DSP1 DMA status
0 = Normal
1 = All enabled WDMA buffers filled, and all enabled RDMA
buffers emptied
R6301 (0x189D)
IRQ1_Raw_
Status_30
0 DSP1_BUSY_STS1 0 DSP1 Busy status
0 = DSP Idle
1 = DSP Busy
Table 4-99. Interrupt 1 Control Registers (Cont.)
Register Address Bit Label Default Description
_‘ __— __— _— _— CIRRUS LOGIC” Register Address Bit Label Delaull Description R6307 (0x18A3) 3 TiMER,ALM1,CH4,ST61 0 Alarm 1 Channel 4 status 2 TiMER,ALM1,CH3,ST61 0 Alarm 1 Channel 3 status 1 TiMER,ALM1,CH2,ST61 0 Alarm 1 Channel 2 status 0 TiMER,ALM1,CH1,ST61 0 Alarm 1 Channel 1 status Register Address Bit Label Default Description R6400 (Ox‘iQOO) 12 CTRLiFiERRiEINTZ 0 Control interiace Error interrupt (Rising edge triggered) 9 SYSCLKiFAiLiEiNTZ 0 SYSCLK Fail interrupt (Rising edge triggered) 7 BOOTiDONEiEINTZ 0 Boot Done interrupt (Rising edge triggered) R6401 (0x1901) 14 DSPCLKiERRiEINTZ 0 DSPCLK Error interrupt (Rising edge triggered) 13 ASYNCCLKiERRiEINTZ 0 ASYNCCLK Error interrupt (Rising edge triggered) 12 SYSCLKiERRiEINTZ 0 SYSCLK Error interrupt (Rising edge triggered) 9 FLL27LOCK7EiNT2 0 FLLZ Lock interrupt (Rising and laiiing edge triggered) 0 FLLLLOCKiEiNTZ 0 FLL‘i Lock interrupt (Rising and laiiing edge triggered) 6 FLL27REF7LOST7EINT2 0 FLLZ Reference Lost interrupt (Rising edge triggered) 5 FLL17REF7LOSLEINT2 0 FLL‘i Reference Lost interrupt (Rising edge triggered) R6405 (0x1905) 9 MICDETziEiNTZ 0 Mic/Accessory Detect 2 interrupt (Detection event triggered) 0 MICDETLEiNTZ 0 Mic/Accessory Detect 1 interrupt (Detection event triggered) 0 HPDETiEINTZ 0 Headphone Detect interrupt (Rising edge triggered)
210 DS1162F1
CS42L92
4.15 Interrupts
The IRQ2 interrupt, mask, and status control registers are described in Table 4-100.
R6307 (0x18A3)
IRQ1_Raw_
Status_36
3 TIMER_ALM1_CH4_STS1 0 Alarm 1 Channel 4 status
0 = Alarm idle
1 = Alarm output asserted
2 TIMER_ALM1_CH3_STS1 0 Alarm 1 Channel 3 status
0 = Alarm idle
1 = Alarm output asserted
1 TIMER_ALM1_CH2_STS1 0 Alarm 1 Channel 2 status
0 = Alarm idle
1 = Alarm output asserted
0 TIMER_ALM1_CH1_STS1 0 Alarm 1 Channel 1 status
0 = Alarm idle
1 = Alarm output asserted
1.The BOOT_DONE_EINT1 interrupt is 0 (unmasked) by default; all other interrupts are 1 (masked) by default.
Table 4-100. Interrupt 2 Control Registers
Register Address Bit Label Default Description
R6400 (0x1900)
IRQ2_Status_1
12 CTRLIF_ERR_EINT2 0 Control Interface Error Interrupt (Rising edge triggered)
Note: Cleared when a 1 is written.
9 SYSCLK_FAIL_EINT2 0 SYSCLK Fail Interrupt (Rising edge triggered)
Note: Cleared when a 1 is written.
7 BOOT_DONE_EINT2 0 Boot Done Interrupt (Rising edge triggered)
Note: Cleared when a 1 is written.
R6401 (0x1901)
IRQ2_Status_2
14 DSPCLK_ERR_EINT2 0 DSPCLK Error Interrupt (Rising edge triggered)
Note: Cleared when a 1 is written.
13 ASYNCCLK_ERR_EINT2 0 ASYNCCLK Error Interrupt (Rising edge triggered)
Note: Cleared when a 1 is written.
12 SYSCLK_ERR_EINT2 0 SYSCLK Error Interrupt (Rising edge triggered)
Note: Cleared when a 1 is written.
9 FLL2_LOCK_EINT2 0 FLL2 Lock Interrupt (Rising and falling edge triggered)
Note: Cleared when a 1 is written.
8 FLL1_LOCK_EINT2 0 FLL1 Lock Interrupt (Rising and falling edge triggered)
Note: Cleared when a 1 is written.
6 FLL2_REF_LOST_EINT2 0 FLL2 Reference Lost Interrupt (Rising edge triggered)
Note: Cleared when a 1 is written.
5 FLL1_REF_LOST_EINT2 0 FLL1 Reference Lost Interrupt (Rising edge triggered)
Note: Cleared when a 1 is written.
R6405 (0x1905)
IRQ2_Status_6
9 MICDET2_EINT2 0 Mic/Accessory Detect 2 Interrupt (Detection event triggered)
Note: Cleared when a 1 is written.
8 MICDET1_EINT2 0 Mic/Accessory Detect 1 Interrupt (Detection event triggered)
Note: Cleared when a 1 is written.
0 HPDET_EINT2 0 Headphone Detect Interrupt (Rising edge triggered)
Note: Cleared when a 1 is written.
Table 4-99. Interrupt 1 Control Registers (Cont.)
Register Address Bit Label Default Description
_‘ __— __— _— _— CIRRUS LOGIC” Register Address Bit Label Default Description R6406(0x1906) 3 JD37FALL7EINT2 o JD3 interrupt (Falling edge triggered) 2 JD37RISE7EINT2 0 J03 interrupt (Rising edge triggered) 5 MICDicLAMPiFALLiEINTZ o MICDET Clamp interrupt (Failing edge triggered) 4 MICDicLAMPiRISEiEINTZ o MICDET Clamp interrupt (Rising edge triggered) 3 JD27FALL7EINT2 0 J02 interrupt (Falling edge triggered) 2 JD27RISE7EINT2 0 J02 interrupt (Rising edge triggered) i JDLFALLiEINTZ o JD1 interrupt (Falling edge triggered) o JDLRISEiEINTZ 0 J01 interrupt (Rising edge triggered) R6408(0x1908) 9 ASRCLIN27LOCK7EINT2 o ASRC‘i |N2 Lock interrupt (Rising and laiiing edge triggered) 8 ASRCLINLLOCKiEINTZ o ASRC‘i |N1 Lock interrupt (Rising and laiiing edge triggered) 2 INPUTsisIGiDETiEINTZ 0 input Patn SignairDetect interrupt (Rising and tailing edge 1 DRczislGiDETiEINTZ o DRcz Signaeretect interrupt (Rising arid falling edge 0 DRCLSIGiDETiEINTZ o DRC1 Signaeretect interrupt (Rising arid falling edge
DS1162F1 211
CS42L92
4.15 Interrupts
R6406 (0x1906)
IRQ2_Status_7
3 JD3_FALL_EINT2 0 JD3 Interrupt (Falling edge triggered)
Note: Cleared when a 1 is written.
2 JD3_RISE_EINT2 0 JD3 Interrupt (Rising edge triggered)
Note: Cleared when a 1 is written.
5 MICD_CLAMP_FALL_EINT2 0 MICDET Clamp Interrupt (Falling edge triggered)
Indicates a falling edge transition on MICDET Clamp 1 or
MICDET Clamp 2. Separate x_EINT2 bits are not provided—it
is assumed that a maximum of one clamp is active at any time.
Note: Cleared when a 1 is written.
4 MICD_CLAMP_RISE_EINT2 0 MICDET Clamp Interrupt (Rising edge triggered)
Indicates a rising edge transition on MICDET Clamp 1 or
MICDET Clamp 2. Separate x_EINT2 bits are not provided—it
is assumed that a maximum of one clamp is active at any time.
Note: Cleared when a 1 is written.
3 JD2_FALL_EINT2 0 JD2 Interrupt (Falling edge triggered)
Note: Cleared when a 1 is written.
2 JD2_RISE_EINT2 0 JD2 Interrupt (Rising edge triggered)
Note: Cleared when a 1 is written.
1 JD1_FALL_EINT2 0 JD1 Interrupt (Falling edge triggered)
Note: Cleared when a 1 is written.
0 JD1_RISE_EINT2 0 JD1 Interrupt (Rising edge triggered)
Note: Cleared when a 1 is written.
R6408 (0x1908)
IRQ2_Status_9
9 ASRC1_IN2_LOCK_EINT2 0 ASRC1 IN2 Lock Interrupt (Rising and falling edge triggered)
Note: Cleared when a 1 is written.
8 ASRC1_IN1_LOCK_EINT2 0 ASRC1 IN1 Lock Interrupt (Rising and falling edge triggered)
Note: Cleared when a 1 is written.
2 INPUTS_SIG_DET_EINT2 0 Input Path Signal-Detect Interrupt (Rising and falling edge
triggered)
Note: Cleared when a 1 is written.
1 DRC2_SIG_DET_EINT2 0 DRC2 Signal-Detect Interrupt (Rising and falling edge
triggered)
Note: Cleared when a 1 is written.
0 DRC1_SIG_DET_EINT2 0 DRC1 Signal-Detect Interrupt (Rising and falling edge
triggered)
Note: Cleared when a 1 is written.
Table 4-100. Interrupt 2 Control Registers (Cont.)
Register Address Bit Label Default Description
_‘ __— __— _— _— CIRRUS LOGIC” Register Address Bit Label Default Description R6410(0x190A) 15 DSPiiRQ167EiNT2 o DSP IRQ16 interrupt (Rising edge triggered) 14 DSPiiRQ157EiNT2 o DSP IRQ15 interrupt (Rising edge triggered) 13 DSPJRQVLEiNTZ o DSP IRQ14 interrupt (Rising edge triggered) 12 DSPiiRQ137EiNT2 o DSP IRQ13 interrupt (Rising edge triggered) 11 DSPiiRQ127EiNT2 o DSP IRQ12 interrupt (Rising edge triggered) 1o DSPJRQ117EINT2 0 D5? iRQ11 interrupt (Rising edge triggered) 9 DSPiiRQ107EiNT2 o DSP IRQ10 interrupt (Rising edge triggered) 8 DSPJR097EINT2 0 D8? iRQe interrupt (Rising edge triggered) 7 DSPJRQLEINTZ 0 D8? iRQa interrupt (Rising edge triggered) 6 DSPJRQLEINTZ 0 D8? iRQ7 interrupt (Rising edge triggered) 5 DSPJRQQEINTZ 0 D8? iRQe interrupt (Rising edge triggered) 4 DSPiiRasiEINTZ 0 D8? IRQS interrupt (Rising edge triggered) 3 DSPJRQILEINTZ 0 D8? |RQ4 interrupt (Rising edge triggered) 2 DSPJRQLEINTZ 0 D8? iRQa interrupt (Rising edge triggered) 1 DSPJRQLEINTZ 0 D8? iRQ2 interrupt (Rising edge triggered) o DSPJRQLEINTZ 0 D8? iRQ1 interrupt (Rising edge triggered) R6411 (Ox‘iQOE) 9 HPARisciEiNTZ o HPOUTAR Shorl circuit interrupt (Rising edge triggered) 8 HPALisciEiNTZ o HPOUTAL Shorl circuit interrupt (Rising edge triggered) 5 HPSRisciEiNTZ o HPOUTSR Shorl circuit interrupt (Rising edge triggered) 4 HP3L,sc,EiNT2 o HPOUTSL Shorl circuit interrupt (Rising edge triggered) 3 HP2R,SC,E\NT2 o HPOUTZR Shorl circuit interrupt (Rising edge triggered) 2 HP2L,sc,EiNT2 o HPOUTZL Shorl circuit interrupt (Rising edge triggered) 1 HP1R,SC,E\NT2 o HPOUT1R Shorl circuit interrupt (Rising edge triggered) o HP1L,sc,EiNT2 o HPOUT1L Shorl circuit interrupt (Rising edge triggered)
212 DS1162F1
CS42L92
4.15 Interrupts
R6410 (0x190A)
IRQ2_Status_11
15 DSP_IRQ16_EINT2 0 DSP IRQ16 Interrupt (Rising edge triggered)
Note: Cleared when a 1 is written.
14 DSP_IRQ15_EINT2 0 DSP IRQ15 Interrupt (Rising edge triggered)
Note: Cleared when a 1 is written.
13 DSP_IRQ14_EINT2 0 DSP IRQ14 Interrupt (Rising edge triggered)
Note: Cleared when a 1 is written.
12 DSP_IRQ13_EINT2 0 DSP IRQ13 Interrupt (Rising edge triggered)
Note: Cleared when a 1 is written.
11 DSP_IRQ12_EINT2 0 DSP IRQ12 Interrupt (Rising edge triggered)
Note: Cleared when a 1 is written.
10 DSP_IRQ11_EINT2 0 DSP IRQ11 Interrupt (Rising edge triggered)
Note: Cleared when a 1 is written.
9 DSP_IRQ10_EINT2 0 DSP IRQ10 Interrupt (Rising edge triggered)
Note: Cleared when a 1 is written.
8 DSP_IRQ9_EINT2 0 DSP IRQ9 Interrupt (Rising edge triggered)
Note: Cleared when a 1 is written.
7 DSP_IRQ8_EINT2 0 DSP IRQ8 Interrupt (Rising edge triggered)
Note: Cleared when a 1 is written.
6 DSP_IRQ7_EINT2 0 DSP IRQ7 Interrupt (Rising edge triggered)
Note: Cleared when a 1 is written.
5 DSP_IRQ6_EINT2 0 DSP IRQ6 Interrupt (Rising edge triggered)
Note: Cleared when a 1 is written.
4 DSP_IRQ5_EINT2 0 DSP IRQ5 Interrupt (Rising edge triggered)
Note: Cleared when a 1 is written.
3 DSP_IRQ4_EINT2 0 DSP IRQ4 Interrupt (Rising edge triggered)
Note: Cleared when a 1 is written.
2 DSP_IRQ3_EINT2 0 DSP IRQ3 Interrupt (Rising edge triggered)
Note: Cleared when a 1 is written.
1 DSP_IRQ2_EINT2 0 DSP IRQ2 Interrupt (Rising edge triggered)
Note: Cleared when a 1 is written.
0 DSP_IRQ1_EINT2 0 DSP IRQ1 Interrupt (Rising edge triggered)
Note: Cleared when a 1 is written.
R6411 (0x190B)
IRQ2_Status_12
9 HP4R_SC_EINT2 0 HPOUT4R Short Circuit Interrupt (Rising edge triggered)
Note: Cleared when a 1 is written.
8 HP4L_SC_EINT2 0 HPOUT4L Short Circuit Interrupt (Rising edge triggered)
Note: Cleared when a 1 is written.
5 HP3R_SC_EINT2 0 HPOUT3R Short Circuit Interrupt (Rising edge triggered)
Note: Cleared when a 1 is written.
4 HP3L_SC_EINT2 0 HPOUT3L Short Circuit Interrupt (Rising edge triggered)
Note: Cleared when a 1 is written.
3 HP2R_SC_EINT2 0 HPOUT2R Short Circuit Interrupt (Rising edge triggered)
Note: Cleared when a 1 is written.
2 HP2L_SC_EINT2 0 HPOUT2L Short Circuit Interrupt (Rising edge triggered)
Note: Cleared when a 1 is written.
1 HP1R_SC_EINT2 0 HPOUT1R Short Circuit Interrupt (Rising edge triggered)
Note: Cleared when a 1 is written.
0 HP1L_SC_EINT2 0 HPOUT1L Short Circuit Interrupt (Rising edge triggered)
Note: Cleared when a 1 is written.
Table 4-100. Interrupt 2 Control Registers (Cont.)
Register Address Bit Label Default Description
_‘ __— __— _— _— CIRRUS LOGIC” Register Address Bit Label Default Description R6412 (OX‘IQOC) 5 HPSRiENABLEiDONEiEINTZ 0 HPOUTSR/HFDUT4R Enabie Interrupt (Rising edge triggered) 4 HP3L7ENABLE7DONE7EINT2 0 HFOUTSL/HPOUT4L Enabie Interrupt (Rising edge triggered) 3 HPZRiENABLEiDONEiEINTZ 0 HPOUTZR Enable Interrupt (Rising edge triggered) 2 HP2L7ENABLE7DONE7EINT2 0 HPOUTZL EnabIe Interrupt (Rising edge triggered) ‘I HP1R7ENABLE7DONE7EINT2 0 HPOUT‘I R Enable Interrupt (Rising edge triggered) 0 HP1L7ENABLE7DONE7EINT2 0 HPOUT1L EnabIe Interrupt (Rising edge triggered) R6413 (OX‘IQOD) 5 HPSRiDISABLEiDDNEiEINTZ 0 HPOUTSR/HPOUT4R Disable Interrupt (Rising edge triggered) 4 HP3L7DISABLE7DDNE7EINT2 0 HFOUTSL/HPOUT4L Disable Interrupt (Rising edge triggered) 3 HPZRiDISABLEiDDNEiEINTZ 0 HPOUTZR Disable Interrupt (Rising edge triggered) 2 HP2L7DISABLE7DDNE7EINT2 0 HPOUTZL Disable Interrupt (Rising edge triggered) ‘I HP1R7DISABLE7DDNE7EINT2 0 HPOUT‘I R Disable Interrupt (Rising edge triggered) 0 HP1L7DISABLE7DDNE7EINT2 0 HPOUT1L Disable Interrupt (Rising edge triggered) R6414 (0X190E) 12 DFcisATURATEiEINTZ 0 DFC Saturate Interrupt (Rising edge triggered)
DS1162F1 213
CS42L92
4.15 Interrupts
R6412 (0x190C)
IRQ2_Status_13
5 HP3R_ENABLE_DONE_EINT2 0 HPOUT3R/HPOUT4R Enable Interrupt (Rising edge triggered)
Note: Cleared when a 1 is written.
4 HP3L_ENABLE_DONE_EINT2 0 HPOUT3L/HPOUT4L Enable Interrupt (Rising edge triggered)
Note: Cleared when a 1 is written.
3 HP2R_ENABLE_DONE_EINT2 0 HPOUT2R Enable Interrupt (Rising edge triggered)
Note: Cleared when a 1 is written.
2 HP2L_ENABLE_DONE_EINT2 0 HPOUT2L Enable Interrupt (Rising edge triggered)
Note: Cleared when a 1 is written.
1 HP1R_ENABLE_DONE_EINT2 0 HPOUT1R Enable Interrupt (Rising edge triggered)
Note: Cleared when a 1 is written.
0 HP1L_ENABLE_DONE_EINT2 0 HPOUT1L Enable Interrupt (Rising edge triggered)
Note: Cleared when a 1 is written.
R6413 (0x190D)
IRQ2_Status_14
5 HP3R_DISABLE_DONE_EINT2 0 HPOUT3R/HPOUT4R Disable Interrupt (Rising edge triggered)
Note: Cleared when a 1 is written.
4 HP3L_DISABLE_DONE_EINT2 0 HPOUT3L/HPOUT4L Disable Interrupt (Rising edge triggered)
Note: Cleared when a 1 is written.
3 HP2R_DISABLE_DONE_EINT2 0 HPOUT2R Disable Interrupt (Rising edge triggered)
Note: Cleared when a 1 is written.
2 HP2L_DISABLE_DONE_EINT2 0 HPOUT2L Disable Interrupt (Rising edge triggered)
Note: Cleared when a 1 is written.
1 HP1R_DISABLE_DONE_EINT2 0 HPOUT1R Disable Interrupt (Rising edge triggered)
Note: Cleared when a 1 is written.
0 HP1L_DISABLE_DONE_EINT2 0 HPOUT1L Disable Interrupt (Rising edge triggered)
Note: Cleared when a 1 is written.
R6414 (0x190E)
IRQ2_Status_15
12 DFC_SATURATE_EINT2 0 DFC Saturate Interrupt (Rising edge triggered)
Note: Cleared when a 1 is written.
Table 4-100. Interrupt 2 Control Registers (Cont.)
Register Address Bit Label Default Description
_‘ __— __— _— _— CIRRUS LOGIC” Register Address Bit Label Default Description R6416 (0x1910) 15 GP167EINT2 o GPIO16 Interrupt (Rising and IaIIing edge triggered) 14 GP157EINT2 o GPIO15 interrupt (Rising and IaIIing edge triggered) 13 GP147EINT2 o GPIO14 interrupt (Rising and IaIIing edge triggered) 12 GP137EINT2 o GPIO13 interrupt (Rising and IaIIing edge triggered) 11 GP127EINT2 o GPIO12 interrupt (Rising and IaIIing edge triggered) 1o GP117EINT2 o GPID11 interrupt (Rising and tailing edge triggered) 9 GP107EINT2 o GPIO10 interrupt (Rising and IaIIing edge triggered) a GPQ,EINT2 o GPIDQ interrupt (Rising and tailing edge triggered) 7 GPs,EINT2 o GPIDS interrupt (Rising and tailing edge triggered) 6 ORLEINT2 o GPID7 interrupt (Rising and tailing edge triggered) 5 GPs,EINT2 o GPIDS interrupt (Rising and tailing edge triggered) 4 GPs,EINT2 o GPIDS interrupt (Rising and tailing edge triggered) 3 GPILEINTZ o GPIO4 interrupt (Rising and tailing edge triggered) 2 GPLEINT2 o GPIDS interrupt (Rising and tailing edge triggered) 1 GP2,EINT2 o GPIDZ interrupt (Rising and tailing edge triggered) o GPLEINTZ o GPID1 interrupt (Rising and tailing edge triggered) R6420 (0x1914) o TIMERLEINTZ o Timer 1 Interrupt (Rising edge triggered) R6421 (0x1915) o EVENTLNOTiEMPTYiEINTZ 0 Event Log 1 FIFO Not Empty interrupt (Rising edge triggered) R6422 (0x1916) o EVENTLFULLiEINTZ 0 Event Log 1 FIFO FuII interrupt (Rising edge triggered) R6423 (0x1917) o EVENT1,WMARI<,eint2 0="" event="" log="" 1="" fifo="" watermark="" interrupt="" (rising="" edge="" triggered)="" r6424="" (0x1918)="" o="" dspldmaieintz="" o="" dsr1="" dma="" interrupt="" (rising="" edge="" triggered)="" r6426="" (0x191a)="" o="" dsplstartleintz="" o="" dsp‘i="" start1="" interrupt="" (rising="" edge="" triggered)="" r6427="" (0x191="" b)="" o="" dsplstartzieintz="" o="" dsp‘i="" start="" 2="" interrupt="" (rising="" edge="" triggered)="" r6429="" (0x191d)="" o="" dsplbusyieintz="" o="" dsp1="" busy="" interrupt="" (rising="" edge="" triggered)="" r6432="" (0x1920)="" o="" dsp1,bus,err,eint2="" o="" dsp1="" bus="" error="" interrupt="" (rising="" edge="" triggered)="">
214 DS1162F1
CS42L92
4.15 Interrupts
R6416 (0x1910)
IRQ2_Status_17
15 GP16_EINT2 0 GPIO16 Interrupt (Rising and falling edge triggered)
Note: Cleared when a 1 is written.
14 GP15_EINT2 0 GPIO15 Interrupt (Rising and falling edge triggered)
Note: Cleared when a 1 is written.
13 GP14_EINT2 0 GPIO14 Interrupt (Rising and falling edge triggered)
Note: Cleared when a 1 is written.
12 GP13_EINT2 0 GPIO13 Interrupt (Rising and falling edge triggered)
Note: Cleared when a 1 is written.
11 GP12_EINT2 0 GPIO12 Interrupt (Rising and falling edge triggered)
Note: Cleared when a 1 is written.
10 GP11_EINT2 0 GPIO11 Interrupt (Rising and falling edge triggered)
Note: Cleared when a 1 is written.
9 GP10_EINT2 0 GPIO10 Interrupt (Rising and falling edge triggered)
Note: Cleared when a 1 is written.
8 GP9_EINT2 0 GPIO9 Interrupt (Rising and falling edge triggered)
Note: Cleared when a 1 is written.
7 GP8_EINT2 0 GPIO8 Interrupt (Rising and falling edge triggered)
Note: Cleared when a 1 is written.
6 GP7_EINT2 0 GPIO7 Interrupt (Rising and falling edge triggered)
Note: Cleared when a 1 is written.
5 GP6_EINT2 0 GPIO6 Interrupt (Rising and falling edge triggered)
Note: Cleared when a 1 is written.
4 GP5_EINT2 0 GPIO5 Interrupt (Rising and falling edge triggered)
Note: Cleared when a 1 is written.
3 GP4_EINT2 0 GPIO4 Interrupt (Rising and falling edge triggered)
Note: Cleared when a 1 is written.
2 GP3_EINT2 0 GPIO3 Interrupt (Rising and falling edge triggered)
Note: Cleared when a 1 is written.
1 GP2_EINT2 0 GPIO2 Interrupt (Rising and falling edge triggered)
Note: Cleared when a 1 is written.
0 GP1_EINT2 0 GPIO1 Interrupt (Rising and falling edge triggered)
Note: Cleared when a 1 is written.
R6420 (0x1914)
IRQ2_Status_21
0 TIMER1_EINT2 0 Timer 1 Interrupt (Rising edge triggered)
Note: Cleared when a 1 is written.
R6421 (0x1915)
IRQ2_Status_22
0 EVENT1_NOT_EMPTY_EINT2 0 Event Log 1 FIFO Not Empty Interrupt (Rising edge triggered)
Note: Cleared when a 1 is written.
R6422 (0x1916)
IRQ2_Status_23
0 EVENT1_FULL_EINT2 0 Event Log 1 FIFO Full Interrupt (Rising edge triggered)
Note: Cleared when a 1 is written.
R6423 (0x1917)
IRQ2_Status_24
0 EVENT1_WMARK_EINT2 0 Event Log 1 FIFO Watermark Interrupt (Rising edge triggered)
Note: Cleared when a 1 is written.
R6424 (0x1918)
IRQ2_Status_25
0 DSP1_DMA_EINT2 0 DSP1 DMA Interrupt (Rising edge triggered)
Note: Cleared when a 1 is written.
R6426 (0x191A)
IRQ2_Status_27
0 DSP1_START1_EINT2 0 DSP1 Start 1 Interrupt (Rising edge triggered)
Note: Cleared when a 1 is written.
R6427 (0x191B)
IRQ2_Status_28
0 DSP1_START2_EINT2 0 DSP1 Start 2 Interrupt (Rising edge triggered)
Note: Cleared when a 1 is written.
R6429 (0x191D)
IRQ2_Status_30
0 DSP1_BUSY_EINT2 0 DSP1 Busy Interrupt (Rising edge triggered)
Note: Cleared when a 1 is written.
R6432 (0x1920)
IRQ2_Status_33
0 DSP1_BUS_ERR_EINT2 0 DSP1 Bus Error Interrupt (Rising edge triggered)
Note: Cleared when a 1 is written.
Table 4-100. Interrupt 2 Control Registers (Cont.)
Register Address Bit Label Default Description
_‘ __— __— _— _— CIRRUS LOGIC” Register Address Bit Label Default Description R6435 (0X1923) 3 TiMERiALM170H47EINT2 0 Alarm 1 Channei 4 interrupt (Rising edge triggered) 2 TiMERiALM170H37EINT2 0 Alarm 1 Channei 3 interrupt (Rising edge triggered) 1 TiMERiALM170H27EINT2 0 Alarm 1 Channei 2 interrupt (Rising edge triggered) 0 TiMERiALM170H17EINT2 0 Alarm 1 Channei 1 interrupt (Rising edge triggered) R6464 (0X1940) IMi' 1 For each XiEINTZ interrupt bit in R6400 to RS435. a R6528 (0X1980) 12 CTRLiFiERRiSTSZ 0 Controi Interlace Error Status 7 BOOTiDONEisTSZ 0 Boot Status R6529 (0X1981) 14 DSPCLKiERRisTSZ 0 DSPCLK Error interrupt Status 13 ASYNCCLKiERRiSTSZ 0 ASYNCCLK Error Interrupt Status 12 SYSCLKiERRisTSZ 0 SYSCLK Error interrupt Status 9 FLL27LOCK75TS2 0 FLLZ LOCK Status 8 FLL17LOCK75TS2 0 FLL1 LOCK Status 6 FLL27REF7LOST7STSZ 0 FLL2 Relerence Lost Status 5 FLL17REF7LOST7STSZ 0 FLL1 Relerence Lost Status
DS1162F1 215
CS42L92
4.15 Interrupts
R6435 (0x1923)
IRQ2_Status_36
3 TIMER_ALM1_CH4_EINT2 0 Alarm 1 Channel 4 Interrupt (Rising edge triggered)
Note: Cleared when a 1 is written.
2 TIMER_ALM1_CH3_EINT2 0 Alarm 1 Channel 3 Interrupt (Rising edge triggered)
Note: Cleared when a 1 is written.
1 TIMER_ALM1_CH2_EINT2 0 Alarm 1 Channel 2 Interrupt (Rising edge triggered)
Note: Cleared when a 1 is written.
0 TIMER_ALM1_CH1_EINT2 0 Alarm 1 Channel 1 Interrupt (Rising edge triggered)
Note: Cleared when a 1 is written.
R6464 (0x1940)
to
R6499 (0x1963)
IM_* 1 For each x_EINT2 interrupt bit in R6400 to R6435, a
corresponding mask bit (IM_*) is provided in R6464 to R6499.
The mask bits are coded as follows:
0 = Do not mask interrupt
1 = Mask interrupt
R6528 (0x1980)
IRQ2_Raw_
Status_1
12 CTRLIF_ERR_STS2 0 Control Interface Error Status
0 = Normal
1 = Control Interface Error
7 BOOT_DONE_STS2 0 Boot Status
0 = Busy (boot sequence in progress)
1 = Idle (boot sequence completed)
Control register writes should not be attempted until Boot
Sequence has completed.
R6529 (0x1981)
IRQ2_Raw_
Status_2
14 DSPCLK_ERR_STS2 0 DSPCLK Error Interrupt Status
0 = Normal
1 = Insufficient DSPCLK cycles for one or more of the
requested DSP1 clock frequencies
13 ASYNCCLK_ERR_STS2 0 ASYNCCLK Error Interrupt Status
0 = Normal
1 = Insufficient ASYNCCLK cycles for the requested signal path
functionality
12 SYSCLK_ERR_STS2 0 SYSCLK Error Interrupt Status
0 = Normal
1 = Insufficient SYSCLK cycles for the requested signal path
functionality
9 FLL2_LOCK_STS2 0 FLL2 Lock Status
0 = Not locked
1 = Locked
8 FLL1_LOCK_STS2 0 FLL1 Lock Status
0 = Not locked
1 = Locked
6 FLL2_REF_LOST_STS2 0 FLL2 Reference Lost Status
0 = Normal
1 = Reference Lost
5 FLL1_REF_LOST_STS2 0 FLL1 Reference Lost Status
0 = Normal
1 = Reference Lost
Table 4-100. Interrupt 2 Control Registers (Cont.)
Register Address Bit Label Default Description
_‘ __— __— _— _— CIRRUS LOGIC” Register Address Bit Label Default Description R6534(0X1986) 8 JD37$TSZ 0 JACKDETS input Status 4 MICDicLAMpisTSZ 0 MICDET Ciamp status 2 JD27STSZ 0 JACKDETZ input Status 0 JD17$TSZ 0 JACKDET1 input Status R6536 (0X1988) 9 ASRC17IN27LDCK75TSZ O ASRC1 |N2 LOCK Status 8 ASRC17IN17LDCK75TSZ O ASRC1 IN‘i LOCK Status 2 INFUTsislGiDETisTSZ 0 Input Path SignairDeteCt Status 1 DR027SIGiDET75T52 0 DRCZ Signaeretect Siatus 0 DRC175IGiDET75T52 0 DRC1 Signaeretect Siatus
216 DS1162F1
CS42L92
4.15 Interrupts
R6534 (0x1986)
IRQ2_Raw_
Status_7
8 JD3_STS2 0 JACKDET3 input status
0 = Jack not detected
1 = Jack is detected
(Assumes the JACKDET3 pin is pulled low on jack insertion.)
4 MICD_CLAMP_STS2 0 MICDET Clamp status
0 = Clamp disabled
1 = Clamp
enabled
0 = Clamp disabled
1 = Clamp
enabled
Separate _STS bits are not provided for each clamp—it is
assumed that a maximum of one clamp is active at any time.
The clamp override condition (MICD_CLAMPn_OVD = 1) is not
indicated.
2 JD2_STS2 0 JACKDET2 input status
0 = Jack not detected
1 = Jack is detected
(Assumes the JACKDET2 pin is pulled low on jack insertion.)
0 JD1_STS2 0 JACKDET1 input status
0 = Jack not detected
1 = Jack is detected
(Assumes the JACKDET1 pin is pulled low on jack insertion.)
R6536 (0x1988)
IRQ2_Raw_
Status_9
9 ASRC1_IN2_LOCK_STS2 0 ASRC1 IN2 Lock Status
0 = Not locked
1 = Locked
8 ASRC1_IN1_LOCK_STS2 0 ASRC1 IN1 Lock Status
0 = Not locked
1 = Locked
2 INPUTS_SIG_DET_STS2 0 Input Path Signal-Detect Status
0 = Normal
1 = Signal detected
1 DRC2_SIG_DET_STS2 0 DRC2 Signal-Detect Status
0 = Normal
1 = Signal detected
0 DRC1_SIG_DET_STS2 0 DRC1 Signal-Detect Status
0 = Normal
1 = Signal detected
Table 4-100. Interrupt 2 Control Registers (Cont.)
Register Address Bit Label Default Description
_‘ __— __— _— _— CIRRUS LOGIC” Register Address Bit Label Default Description R6539(0X1985) 9 HP4R7S07STSZ 0 HPOUT4R Short Circuit Status 8 HP4L7SC7STSZ 0 HPOUTAL Short Circuit Status 5 HPSRiSciSTSZ 0 HPOUTSR Short Circuit Status 4 HP3L7SC7STSZ 0 HPOUTSL Short Circuit Status 3 HPZRiSciSTSZ 0 HPOUTZR Short Circuit Status 2 HP2L7SC7STSZ 0 HPOUTZL Short Circuit Status 1 HP1R7S07STSZ 0 HPOUT1 R Short Circuit Status 0 HP1L7SC7STSZ 0 HPOUT1L Short Circuit Status R6540(0X198C) 5 HPSRiENABLEiDONEiSTSZ 0 HPOUTSR/HFOUTAR Enable Status 4 HP3L7ENABLE7DONE7STS2 0 HPOUTSL/HPOUTAL Enabie Status 3 HPZRiENABLEiDONEiSTSZ O HFOUTZR Enable Status 2 HP2L7ENABLE7DONE7STS2 0 HPOUTZL Enabie Status 1 HP1R7ENABLE7DONE7STSZ O HPOUT1 R Enable Status 0 HP1L7ENABLE7DONE7STS2 0 HPOUT1 L Enabie Status
DS1162F1 217
CS42L92
4.15 Interrupts
R6539 (0x198B)
IRQ2_Raw_
Status_12
9 HP4R_SC_STS2 0 HPOUT4R Short Circuit Status
0 = Normal
1 = Short Circuit detected
8 HP4L_SC_STS2 0 HPOUT4L Short Circuit Status
0 = Normal
1 = Short Circuit detected
5 HP3R_SC_STS2 0 HPOUT3R Short Circuit Status
0 = Normal
1 = Short Circuit detected
4 HP3L_SC_STS2 0 HPOUT3L Short Circuit Status
0 = Normal
1 = Short Circuit detected
3 HP2R_SC_STS2 0 HPOUT2R Short Circuit Status
0 = Normal
1 = Short Circuit detected
2 HP2L_SC_STS2 0 HPOUT2L Short Circuit Status
0 = Normal
1 = Short Circuit detected
1 HP1R_SC_STS2 0 HPOUT1R Short Circuit Status
0 = Normal
1 = Short Circuit detected
0 HP1L_SC_STS2 0 HPOUT1L Short Circuit Status
0 = Normal
1 = Short Circuit detected
R6540 (0x198C)
IRQ2_Raw_
Status_13
5 HP3R_ENABLE_DONE_STS2 0 HPOUT3R/HPOUT4R Enable Status
0 = Busy (sequence in progress)
1 = Idle (sequence completed)
4 HP3L_ENABLE_DONE_STS2 0 HPOUT3L/HPOUT4L Enable Status
0 = Busy (sequence in progress)
1 = Idle (sequence completed)
3 HP2R_ENABLE_DONE_STS2 0 HPOUT2R Enable Status
0 = Busy (sequence in progress)
1 = Idle (sequence completed)
2 HP2L_ENABLE_DONE_STS2 0 HPOUT2L Enable Status
0 = Busy (sequence in progress)
1 = Idle (sequence completed)
1 HP1R_ENABLE_DONE_STS2 0 HPOUT1R Enable Status
0 = Busy (sequence in progress)
1 = Idle (sequence completed)
0 HP1L_ENABLE_DONE_STS2 0 HPOUT1L Enable Status
0 = Busy (sequence in progress)
1 = Idle (sequence completed)
Table 4-100. Interrupt 2 Control Registers (Cont.)
Register Address Bit Label Default Description
_‘ __— __— _— _— CIRRUS LOGIC” Register Address Bit Label Default Description R6541 (0X198D) 5 HPSRiDISAELEiDDNEisTSZ 0 HPOUTSR/HFOUT4R Disable Status 4 HP3L7DISABLE7DDNE75TSZ 0 HFOUTSL/HPOUTAL Disabie Status 3 HPZRiDISAELEiDDNEisTSZ 0 HPOUTZR Disable Status 2 HP2L7DISABLE7DDNE75TSZ 0 HPOUTZL Disable Status 1 HP1R7DISAELE7DDNE75TSZ 0 HPOUT1 R Disable Status 0 HP1L7DISABLE7DDNE75TSZ 0 HPOUT1 L Disable Status R6544 (0X1990) 15 GF1675T52 0 GPIOn Input status 14 GF157STSZ 0 13 GF1475T52 0 12 GF137STSZ 0 11 GF127STSZ 0 10 GF117$TSZ 0 9 GF1075T52 0 8 GngSTSZ 0 7 GF87STS2 0 6 GF7iSTS2 0 5 GFsiSTSZ 0 4 GF5iSTS2 0 3 GPILSTSZ 0 2 GF37STS2 0 1 GF27STS2 0 0 GF1iSTS2 0 R6549 (0X1995) 0 EVENT17NOT7EMPTY75TSZ 0 Event Log 1 FIFO NotrEmpty status R6550 (0X1996) 0 EVENT17FULL7$TSZ 0 Event Log n FIFO FuII status R6551 (0X1997) 0 EVENT17WMARKiSTS2 0 Event Log 1 FIFO Watermark status R6552 (0X1998) 0 DSP17DMA7STSZ 0 DSP1 DMA status R6557 (0X199D) 0 DSP1iBUSY7$TSZ 0 DSP1 Busy status
218 DS1162F1
CS42L92
4.15 Interrupts
R6541 (0x198D)
IRQ2_Raw_
Status_14
5 HP3R_DISABLE_DONE_STS2 0 HPOUT3R/HPOUT4R Disable Status
0 = Busy (sequence in progress)
1 = Idle (sequence completed)
4 HP3L_DISABLE_DONE_STS2 0 HPOUT3L/HPOUT4L Disable Status
0 = Busy (sequence in progress)
1 = Idle (sequence completed)
3 HP2R_DISABLE_DONE_STS2 0 HPOUT2R Disable Status
0 = Busy (sequence in progress)
1 = Idle (sequence completed)
2 HP2L_DISABLE_DONE_STS2 0 HPOUT2L Disable Status
0 = Busy (sequence in progress)
1 = Idle (sequence completed)
1 HP1R_DISABLE_DONE_STS2 0 HPOUT1R Disable Status
0 = Busy (sequence in progress)
1 = Idle (sequence completed)
0 HP1L_DISABLE_DONE_STS2 0 HPOUT1L Disable Status
0 = Busy (sequence in progress)
1 = Idle (sequence completed)
R6544 (0x1990)
IRQ2_Raw_
Status_17
15 GP16_STS2 0 GPIOn Input status
Reads back the logic level of GPIOn.
Only valid for pins configured as GPIO input (does not include
DSPGPIO inputs).
14 GP15_STS2 0
13 GP14_STS2 0
12 GP13_STS2 0
11 GP12_STS2 0
10 GP11_STS2 0
9 GP10_STS2 0
8GP9_STS2 0
7GP8_STS2 0
6GP7_STS2 0
5GP6_STS2 0
4GP5_STS2 0
3GP4_STS2 0
2GP3_STS2 0
1GP2_STS2 0
0GP1_STS2 0
R6549 (0x1995)
IRQ2_Raw_
Status_22
0 EVENT1_NOT_EMPTY_STS2 0 Event Log 1 FIFO Not-Empty status
0 = FIFO Empty
1 = FIFO Not Empty
R6550 (0x1996)
IRQ2_Raw_
Status_23
0 EVENT1_FULL_STS2 0 Event Log n FIFO Full status
0 = FIFO Not Full
1 = FIFO Full
R6551 (0x1997)
IRQ2_Raw_
Status_24
0 EVENT1_WMARK_STS2 0 Event Log 1 FIFO Watermark status
0 = FIFO Watermark not reached
1 = FIFO Watermark reached
R6552 (0x1998)
IRQ2_Raw_
Status_25
0 DSP1_DMA_STS2 0 DSP1 DMA status
0 = Normal
1 = All enabled WDMA buffers filled, and all enabled RDMA
buffers emptied
R6557 (0x199D)
IRQ2_Raw_
Status_30
0 DSP1_BUSY_STS2 0 DSP1 Busy status
0 = DSP Idle
1 = DSP Busy
Table 4-100. Interrupt 2 Control Registers (Cont.)
Register Address Bit Label Default Description
_‘ __— __— _— _— CIRRUS LOGIC” Register Address Bit Label Default Description R6563 (0x19A3) 3 TIMERiALMLCHILSTSZ 0 Alarm 1 Channel 4 slatus 2 TIMERiALMLCHLSTSZ 0 Alarm 1 Channel 3 slatus 1 TIMERiALMLCHLSTSZ 0 Alarm 1 Channel 2 slatus o TIMERiALMLCHLSTSZ 0 Alarm Channel 1 slatus Register Address Bit Label Default Description R6784 (OX1AEO) 11 |M7lRQ1 o |RQ1 Output lnlermpt mask, 10 IRQiPOL 1 IRQ Outpul Polarily Select 9 lRQ,oP,Cl=G o IRQ Outpul Conflguratlon R6786 (OX1A82) 11 |M7lRQ2 o |RQ2 Output lnlermpt mask, R6816 (Ox1AAO) 1 IRinsTS o |RQ2 Status, quzisrs is the logical OR cl all unmasked xiEINTZ inlerrupls. o IRQLSTS o |RQ1 Status, IRQLSTS is the logical OR cl all unmasked x7E|NT1 inlerrupls.
DS1162F1 219
CS42L92
4.16 Clocking and Sample Rates
The IRQ output and polarity control registers are described in Table 4-101.
4.16 Clocking and Sample Rates
The CS42L92 requires a clock reference for its internal functions and also for the input (ADC) paths, output (DAC) paths,
and digital audio interfaces. Under typical clocking configurations, all commonly used audio sample rates can be derived
directly from the external reference; for additional flexibility, the CS42L92 incorporates two FLL circuits to perform
frequency conversion and filtering.
External clock signals may be connected via the MCLK1, MCLK2, and MCLK3 input pins. In AIF Slave Modes, the BCLK
signals may be used as a reference for the system clocks. The SLIMbus interface can provide the clock reference, when
used as the input to one of the FLLs. To avoid audible glitches, all clock configurations must be set up before enabling
playback.
4.16.1 System Clocking Overview
The CS42L92 supports three primary clock domains—SYSCLK, ASYNCCLK, and DSPCLK.
The SYSCLK and ASYNCCLK clock domains are the reference clocks for all the audio signal paths on the CS42L92. Up
to five different sample rates may be independently selected for specific audio interfaces and other input/output signal
paths; each selected sample rate must be synchronized either to SYSCLK or to ASYNCCLK, as described in
Section 4.16.2.
R6563 (0x19A3)
IRQ2_Raw_
Status_36
3 TIMER_ALM1_CH4_STS2 0 Alarm 1 Channel 4 status
0 = Alarm idle
1 = Alarm output asserted
2 TIMER_ALM1_CH3_STS2 0 Alarm 1 Channel 3 status
0 = Alarm idle
1 = Alarm output asserted
1 TIMER_ALM1_CH2_STS2 0 Alarm 1 Channel 2 status
0 = Alarm idle
1 = Alarm output asserted
0 TIMER_ALM1_CH1_STS2 0 Alarm 1 Channel 1 status
0 = Alarm idle
1 = Alarm output asserted
Table 4-101. Interrupt Control Registers
Register Address Bit Label Default Description
R6784 (0x1A80)
IRQ1_CTRL
11 IM_IRQ1 0 IRQ1 Output Interrupt mask.
0 = Do not mask interrupt.
1 = Mask interrupt.
10 IRQ_POL 1 IRQ Output Polarity Select
0 = Noninverted (Active High)
1 = Inverted (Active Low)
9 IRQ_OP_CFG 0 IRQ Output Configuration
0 = CMOS
1 = Open drain
R6786 (0x1A82)
IRQ2_CTRL
11 IM_IRQ2 0 IRQ2 Output Interrupt mask.
0 = Do not mask interrupt.
1 = Mask interrupt.
R6816 (0x1AA0)
Interrupt_Raw_
Status_1
1 IRQ2_STS 0 IRQ2 Status. IRQ2_STS is the logical OR of all unmasked x_EINT2 interrupts.
0 = Not asserted
1 = Asserted
0 IRQ1_STS 0 IRQ1 Status. IRQ1_STS is the logical OR of all unmasked x_EINT1 interrupts.
0 = Not asserted
1 = Asserted
Table 4-100. Interrupt 2 Control Registers (Cont.)
Register Address Bit Label Default Description
__- __— __— _— _— CIRRUS LOGIC"
220 DS1162F1
CS42L92
4.16 Clocking and Sample Rates
The SYSCLK and ASYNCCLK clock domains are independent (i.e., not synchronized). Stereo full-duplex sample-rate
conversion is supported, allowing asynchronous audio data to be mixed and to be routed between independent interfaces.
See Section 4.3 for further details.
The DSPCLK clock domain is the reference clock for the programmable DSP core on the CS42L92. A wide range of
DSPCLK frequencies can be supported, and a programmable clock divider is provided for the DSP core, allowing the DSP
clocking (and power consumption) to be optimized according to the applicable processing requirements. See Section 4.3
for further details.
Note that there is no requirement for DSPCLK to be synchronized to SYSCLK or ASYNCCLK. The DSPCLK controls the
software execution in the DSP core; audio outputs from the DSP are synchronized either to SYSCLK or ASYNCCLK,
regardless of the applicable DSPCLK rate.
Excluding the DSP core, each subsystem within the CS42L92 digital core is clocked at a dynamically controlled rate,
limited by the SYSCLK (or ASYNCCLK) frequency, as applicable. For maximum signal mixing and processing capacity, it
is recommended that the highest possible SYSCLK and ASYNCCLK frequencies are configured.
The DSP core is clocked at the DSPCLK rate (or supported divisions of the DSPCLK frequency). The DSPCLK
configuration must ensure that sufficient clock cycles are available for the processing requirements of the DSP core. The
requirements vary, according to the particular software that is in use.
4.16.2 Sample-Rate Control
The CS42L92 supports two independent clock domains for the audio signal paths, referenced to SYSCLK and ASYNCCLK
respectively.
Different sample rates may be selected for each of the audio interfaces (AIF1, AIF2, AIF3, SLIMbus), and for the input
(ADC) and output (DAC) paths. Each of these must be referenced either to SYSCLK or to ASYNCCLK. (Note that the
SLIMbus interface supports multiple sample rates, selected independently for each input or output channel.)
Up to three different sample rates can be selected using SAMPLE_RATE_1, SAMPLE_RATE_2 and SAMPLE_RATE_3.
These must each be numerically related to each other and to the SYSCLK frequency (further details of these requirements
are provided in Table 4-102 and the accompanying text).
The remaining two sample rates can be selected using ASYNC_SAMPLE_RATE_1 and ASYNC_SAMPLE_RATE_2.
These sample rates must be numerically related to each other and to the ASYNCCLK frequency (further details of these
requirements are provided in Table 4-103 and the accompanying text),
Each of the audio interfaces, input paths, and output paths is associated with one of the sample rates selected by the
SAMPLE_RATE_n or ASYNC_SAMPLE_RATE_n fields.
Note that if any two interfaces are operating at the same sample rate, but are not synchronized, one of these must be
referenced to the ASYNCCLK domain, and the other to the SYSCLK domain.
When any of the SAMPLE_RATE_n or ASYNC_SAMPLE_RATE_n fields is written to, the activation of the new setting is
automatically synchronized by the CS42L92 to ensure continuity of all active signal paths. The SAMPLE_RATE_n_STS
and ASYNC_SAMPLE_RATE_n_STS bits provide indication of the sample rate selections that have been implemented.
__- __— __— _— _— CIRRUS LOGIC"
DS1162F1 221
CS42L92
4.16 Clocking and Sample Rates
The following restrictions must be observed regarding the sample-rate control configuration:
Unless otherwise noted, the sample rate selection for all functions is valid from 8–192 kHz.
The input (ADC/DMIC) signal paths must always be associated with the SYSCLK clocking domain.
If 384- or 768-kHz DMICCLK clock rate is selected, the supported sample rate for the respective input paths is
restricted as described in Table 4-1. The sample rate for the input signal paths can be set globally, or can be
configured independently for each input channel—see Section 4.2.5.
The S/PDIF sample rate is valid from 32–192 kHz. The output (DAC), digital audio interface (AIF), DSP core, and
SLIMbus input/output sample rates are valid from 8–384 kHz.
The asynchronous sample-rate converter (ASRC) supports sample rates 8–192 kHz. The ratio of the two sample
rates must not exceed 6.
The isochronous sample-rate converters (ISRCs) support sample rates 8–384 kHz. For each ISRC, the ratio of the
applicable SAMPLE_RATE_n or ASYNC_SAMPLE_RATE_n fields must not exceed 24. The sample-rate
conversion ratio must be an integer (1–24) or equal to 1.5.
All external clock references (MCLK input or Slave Mode AIF input) must be within 1% of the applicable register
field settings.
4.16.3 Automatic Sample-Rate Detection
The CS42L92 supports automatic sample-rate detection on the digital audio interfaces (AIF1–AIF3). Note that this is only
possible when the respective interface is operating in Slave Mode (i.e., when LRCLK and BCLK are inputs to the
CS42L92).
Automatic sample-rate detection is enabled by setting RATE_EST_ENA. The LRCLK input pin selected for sample-rate
detection is set using LRCLK_SRC.
As many as four audio sample rates can be configured for automatic detection; these sample rates are selected using the
SAMPLE_RATE_DETECT_n fields. Note that the function only detects sample rates that match one of the SAMPLE_
RATE_DETECT_n fields.
If one of the selected audio sample rates is detected on the selected LRCLK input, the control-write sequencer is triggered.
A unique sequence of actions may be programmed for each detected sample rate. Note that the applicable control
sequences must be programmed by the user for each detection outcome; see Section 4.18.
The TRIG_ON_STARTUP bit controls whether the sample-rate detection circuit responds to the initial detection of the
applicable interface (i.e., when the AIFn interface starts up).
If TRIG_ON_STARTUP = 0, the detection circuit only responds (i.e., trigger the control-write sequencer) to a
change in the detected sample ratethe initial sample-rate detection is ignored. (Note that the initial sample-rate
detection is the first detection of a sample rate that matches one of the SAMPLE_RATE_DETECT_n fields.)
If TRIG_ON_STARTUP = 1, the detection circuit triggers the control-write sequencer whenever a selected sample
rate is detected, including when the AIF interface starts up, or when the sample-rate detection is first enabled.
As described above, setting TRIG_ON_STARTUP = 0 is designed to inhibit any response to the initial detection of a
sample rate that matches one of the SAMPLE_RATE_DETECT_n fields. Note that, if the LRCLK_SRC setting is changed,
or if the detection function is disabled and reenabled, a subsequent detection of a matching sample rate may trigger the
control-write sequencer, regardless of the TRIG_ON_STARTUP setting.
There are some restrictions to be observed regarding the automatic sample-rate detection configuration, as noted in the
following:
The same sample rate must not be selected on more than one of the SAMPLE_RATE_DETECT_n fields.
Sample rates 384 kHz and 352.8 kHz must not be selected concurrently.
Sample rates 192 kHz and 176.4 kHz must not be selected concurrently.
Sample rates 96 kHz and 88.2 kHz must not be selected concurrently.
The control registers associated with the automatic sample-rate detection function are described in Table 4-104.
_‘ __— __— _— _— CIRRUS LOGIC” SYSCLK Frequency (MHz) SYSCLKiFREQ SYSCLKiFRAC Sample Rate (kHz) SAMPLEiRATEi 6. 1 44 000 O 1 2 0X01 24 0X02 48 0X03 96 0X04 1 92 0X05 384 0X06 8 0X1 1 1 6 0X12 32 0X1 3 56448 000 1 11.025 0X09 22 ,05 OXOA 44.1 OXOE 88.2 OXOC 1 76.4 OXOD 352.8 OXOE Nole: The SAMPLEiRATEi he‘ds must each be set to a value {mm the Same group 01 Samp‘e rates, and from the Same
222 DS1162F1
CS42L92
4.16 Clocking and Sample Rates
4.16.4 System Clock Configuration
The system clocks (SYSCLK, ASYNCCLK and DSPCLK) may be provided directly from external inputs (MCLK, or Slave
Mode BCLK inputs). Alternatively, these clocks can be derived using the integrated FLLs, with MCLK, BCLK, LRCLK or
SLIMCLK as a reference. Each clock is configured independently, as described in the following sections.
The SYSCLK (and ASYNCCLK, when applicable) clocks must be configured and enabled before any audio path is
enabled. The DSPCLK clock must be configured and enabled, if running firmware applications on the DSP core.
4.16.4.1 SYSCLK Configuration
The required SYSCLK frequency is dependent on the SAMPLE_RATE_n fields. Table 4-102 illustrates the valid SYSCLK
frequencies for every supported sample rate.
The SYSCLK frequency must be valid for all of the SAMPLE_RATE_n fields. It follows that all of the SAMPLE_RATE_n
fields must select numerically-related values, that is, all from the same group of sample rates as represented in
Table 4-102.
SYSCLK_SRC is used to select the SYSCLK source, as described in Table 4-104. The source may be MCLKn,
AIFnBCLK, or FLLn. If an FLL circuit is selected as the source, the relevant FLL must be enabled and configured, as
described in Section 4.16.8.
Notes: If FLL1 is selected as SYSCLK source, two different clock frequencies are available. Typical use cases should
select a SYSCLK frequency equal to FFLL1 × 2 (i.e., in the range 90–100 MHz). A lower frequency selection, equal
to FFLL1, is provided to support low-power always-on use cases.
If FLL2 is selected as SYSCLK source, the SYSCLK frequency is FFLL2 × 2 (i.e., 90–100 MHz).
SYSCLK_FREQ and SYSCLK_FRAC must be set according to the frequency of the selected SYSCLK source.
The SYSCLK-referenced circuits within the digital core are clocked at a dynamically controlled rate this is limited by the
SYSCLK frequency. For maximum signal mixing and processing capacity, the highest possible SYSCLK frequency should
be used.
The SAMPLE_RATE_n fields are set according to the sample rates that are required by one or more of the CS42L92 audio
interfaces. The CS42L92 supports sample rates ranging from 8–384kHz. See Section 4.16.2 for further details of the
supported sample rates for each of the digital-core functions.
The SYSCLK signal is enabled by setting SYSCLK_ENA. The applicable clock source (MCLKn, AIFnBCLK, or FLLn) must
be enabled before setting SYSCLK_ENA. This bit should be cleared before stopping or removing the applicable clock
source.
Table 4-102. SYSCLK Frequency Selection
SYSCLK Frequency (MHz) SYSCLK_FREQ SYSCLK_FRAC Sample Rate (kHz) SAMPLE_RATE_n
6.144
12.288
24.576
49.152
98.304
000
001
010
011
100
0120x01
24 0x02
48 0x03
96 0x04
192 0x05
384 0x06
80x11
16 0x12
32 0x13
5.6448
11.2896
22.5792
45.1584
90.3168
000
001
010
011
100
1 11.025 0x09
22.05 0x0A
44.1 0x0B
88.2 0x0C
176.4 0x0D
352.8 0x0E
Note: The SAMPLE_RATE_n fields must each be set to a value from the same group of sample rates, and from the same
group as the SYSCLK frequency.
_‘ __— __— _— _— CIRRUS LOGIC” ASYNCCLK Frequency (MHz) ASYNC7CLK7FREQ Sample Rate (kHz) ASYNC75AMFLE7RATE7 6.144 000 12 0X01 24 0X02 48 0X03 96 0X04 192 0X05 384 0X06 8 0X11 16 0X12 32 0X13 56448 000 11 ,025 0X09 22.05 OXOA 44,1 OXOE 88,2 0X00 176.4 OXOD 352.8 OXOE Note: The ASYNQSAMPLLRATE, fields must each be set to a value lrom the same group 01 samp‘e rates, and
DS1162F1 223
CS42L92
4.16 Clocking and Sample Rates
The CS42L92 supports seamless switching between clock sources. To change the SYSCLK configuration while SYSCLK
is enabled, the SYSCLK_FRAC, SYSCLK_FREQ, and SYSCLK_SRC fields must be updated together in one register
write operation. Note that, if changing the frequency only (not the source), SYSCLK_ENA should be cleared before the
clock frequency is updated. The current SYSCLK frequency and source can be read from the SYSCLK_FREQ_STS and
SYSCLK_SRC_STS fields respectively.
The CS42L92 performs automatic checks to confirm that the SYSCLK frequency is high enough to support the
commanded signal paths and processing functions. If the frequency is too low, an attempt to enable a signal path or
processing function fails. Note that active signal paths are not affected under such circumstances.
The SYSCLK frequency check provides input to the interrupt-control circuit and can be used to trigger an interrupt event
if the frequency is not high enough to support the commanded functionality; see Section 4.15.
4.16.4.2 ASYNCCLK Configuration
The required ASYNCCLK frequency is dependent on the ASYNC_SAMPLE_RATE_n fields. Table 4-103 illustrates the
valid ASYNCCLK frequencies for every supported sample rate.
Note that, if all the sample rates in the system are synchronized to SYSCLK, the ASYNCCLK should be disabled (see
Table 4-104). The associated register field values are not important in this case.
ASYNC_CLK_SRC is used to select the ASYNCCLK source, as described in Table 4-104. The source may be MCLKn,
AIFnBCLK, or FLLn. If an FLL circuit is selected as the source, the relevant FLL must be enabled and configured, as
described in Section 4.16.8.
Notes: If FLL1 is selected as ASYNCCLK source, two different clock frequencies are available. Typical use cases should
select a SYSCLK frequency equal to FFLL1 × 2 (i.e., in the range 90–100 MHz). A lower frequency selection, equal
to FFLL1, is provided to support low-power always-on use cases.
If FLL2 is selected as ASYNCCLK source, the ASYNCCLK frequency is FFLL2 × 2 (i.e., 90–100 MHz).
ASYNC_CLK_FREQ is set according to the frequency of the selected ASYNCCLK source.
The ASYNCCLK-referenced circuits within the digital core are clocked at a dynamically controlled rate that is limited by
the ASYNCCLK frequency. For maximum signal mixing and processing capacity, the highest possible ASYNCCLK
frequency should be used.
The ASYNC_SAMPLE_RATE_n fields are set according to the sample rates of any audio interface that is not
synchronized to the SYSCLK clock domain.
Table 4-103. ASYNCCLK Frequency Selection
ASYNCCLK Frequency (MHz) ASYNC_CLK_FREQ Sample Rate (kHz) ASYNC_SAMPLE_RATE_n
6.144
12.288
24.576
49.152
98.304
000
001
010
011
100
12 0x01
24 0x02
48 0x03
96 0x04
192 0x05
384 0x06
80x11
16 0x12
32 0x13
5.6448
11.2896
22.5792
45.1584
90.3168
000
001
010
011
100
11.025 0x09
22.05 0x0A
44.1 0x0B
88.2 0x0C
176.4 0x0D
352.8 0x0E
Note: The ASYNC_SAMPLE_RATE_n fields must each be set to a value from the same group of sample rates, and
from the same group as the ASYNCCLK frequency.
__- __— __— _— _— CIRRUS LOGIC"
224 DS1162F1
CS42L92
4.16 Clocking and Sample Rates
The ASYNCCLK signal is enabled by setting ASYNC_CLK_ENA. The applicable clock source (MCLKn, AIFnBCLK, or
FLLn) must be enabled before setting ASYNC_CLK_ENA. This bit should be cleared before stopping or removing the
applicable clock source.
The CS42L92 supports seamless switching between clock sources. To change the ASYNCCLK configuration while
ASYNCCLK is enabled, the ASYNC_CLK_FREQ and ASYNC_CLK_SRC fields must be updated together in one register
write operation. Note that, if changing the frequency only (not the source), ASYNC_CLK_ENA should be cleared before
the clock frequency is updated. The current ASYNCCLK frequency and source can be read from the ASYNC_CLK_
FREQ_STS and ASYNC_CLK_SRC_STS fields respectively.
The CS42L92 performs automatic checks to confirm that the ASYNCCLK frequency is high enough to support the
commanded signal paths and processing functions. If the frequency is too low, an attempt to enable a signal path or
processing function fails. Note that active signal paths are not affected under such circumstances.
The ASYNCCLK frequency check provides input to the interrupt-control circuit and can be used to trigger an interrupt event
if the frequency is not high enough to support the commanded functionality; see Section 4.15.
4.16.4.3 DSPCLK Configuration
The required DSPCLK frequency depends on the requirements of firmware loaded on the DSP core. The DSP is clocked
at the DSPCLK rate or at supported divisions of the DSPCLK frequency; the DSPCLK configuration must ensure that
sufficient clock cycles are available for the processing requirements. The requirements vary, according to the particular
firmware that is in use.
A configurable clock divider is provided for the DSP core, allowing the DSP clocking (and power consumption) to be
optimized according to the applicable processing requirements; see Section 4.4 for details.
DSP_CLK_FREQ must be configured for the applicable DSPCLK frequency. This field is coded in LSB units of 1/64 MHz.
Note that, if the field coding cannot represent the DSPCLK frequency exactly, the DSPCLK frequency must be rounded
down in the DSP_CLK_FREQ field.
The suggested method for calculating DSP_CLK_FREQ is to multiply the DSPCLK frequency by 64, round down to the
nearest integer, and use the resulting integer as DSP_CLK_FREQ (LSB = 1).
DSP_CLK_SRC is used to select the DSPCLK source, as described in Table 4-104. The source may be MCLKn,
AIFnBCLK, or FLLn. If an FLL circuit is selected as the source, the relevant FLL must be enabled and configured, as
described in Section 4.16.8.
Notes: If FLL1 is selected as DSPCLK source, two different clock frequencies are available. Typical use cases should
select a DSPCLK frequency equal to FFLL1 × 3 (i.e., in the range 135–150 MHz). A lower frequency selection,
equal to FFLL1, is provided to support low-power always-on use cases.
If FLL2 is selected as DSPCLK source, the DSPCLK frequency is FFLL2 × 3 (i.e., 135–150 MHz).
The DSPCLK signal is enabled by setting DSP_CLK_ENA. The applicable clock source (MCLKn, AIFnBCLK, or FLLn)
must be enabled before setting DSP_CLK_ENA. This bit should be cleared when reconfiguring the clock sources.
The CS42L92 supports seamless switching between clock sources. To change the DSPCLK configuration while DSPCLK
is enabled, the DSP_CLK_FREQ field must be updated before DSP_CLK_SRC. The new configuration becomes effective
when the DSP_CLK_SRC field is written. Note that, if changing the frequency only (not the source), the DSP_CLK_ENA
bit should be cleared before the clock frequency is updated. The current DSPCLK frequency and source can be read from
the DSP_CLK_FREQ_STS and DSP_CLK_SRC_STS fields respectively.
In a typical application, DSPCLK and SYSCLK are derived from a single FLL source. Note that there is no requirement for
DSPCLK to be synchronized to SYSCLK or ASYNCCLK. The DSPCLK controls the software execution in the DSP core;
audio outputs from the DSP core are synchronized either to SYSCLK or ASYNCCLK, regardless of the applicable
DSPCLK rate.
__- __— __— _— _— CIRRUS LOGIC"
DS1162F1 225
CS42L92
4.16 Clocking and Sample Rates
4.16.5 Miscellaneous Clock Controls
The CS42L92 incorporates a 32-kHz clock circuit, which is required for input signal debounce, microphone/accessory
detect, and for the Charge Pump 2 (CP2) circuits. The 32-kHz clock must be configured and enabled whenever any of
these features are used.
The 32-kHz clock can be generated automatically from SYSCLK, or may be provided externally via the MCLK1 or MCLK2
input pins. The 32-kHz clock source is selected using CLK_32K_SRC. The 32-kHz clock is enabled by setting CLK_32K_
ENA.
A clock output (OPCLK) derived from SYSCLK can be output on a GPIO pin. A clock output (OPCLK_ASYNC) derived
from ASYNCCLK can be output on a GPIO pin. See Section 4.14 for details on configuring a GPIO pin for these functions.
The CS42L92 provides integrated pull-down resistors on the MCLK1, MCLK2, and MCLK3 pins. This provides a flexible
capability for interfacing with other devices.
The clocking scheme for the CS42L92 is shown in Fig. 4-65.
__- __— __— _— _— CIRRUS LOGIC”
226 DS1162F1
CS42L92
4.16 Clocking and Sample Rates
Figure 4-65. System Clocking
MCLK3
MCLK2
SYSCLK
AIF1BCLK
AIF2BCLK
AIF3BCLK
32k Clock
Di vi der
(Auto)
Di vi der
OPCLK
Note:
AIFnLRCLK and SLIM C LK can also be
selected as FLLn input reference .
Automatic Clocking Control
DSPCLK
ASYNCCLK
Di vi der
OPCLK_
ASYNC
Di vi der
GPIOFLL1
Di vi der
GPIO
FLL2
x3
x3
(see note )
(see note )
MCLK1
x2
x2
x2
x2
OPCLK_ASYNC_SEL[2:0] p. 231
OPCLK_ASYNC_DIV[4:0] p. 231
OPCLK_SEL[2:0] p. 231
OPCLK_DIV[4:0] p. 231
OPCLK_ENA p. 231
CLK_32K_ENA p. 227
CLK_32K_SRC[1:0] p. 227
SYSCLK_ENA p. 227
ASYNC_CLK_ENA p. 229
DSP_CLK_ENA p. 230
DSP_CLK_SRC[3:0] p. 230
ASYNC_CLK_SRC[3:0] p. 229
SYSCLK_SRC[3:0] p. 227
OPCLK_ASYNC_ENA p. 231
FLL1_REFCLK_SRC[3:0] p. 239 FLL1_GPCLK_DIV[6:0] p. 196
FLL1_GPCLK_ENA p. 196
SYSCLK_FREQ[2:0] p. 227
SYSCLK_FRAC p. 227
ASYNC_CLK_FREQ[2:0] p. 229
DSP_CLK_FREQ[15:0] p. 230
SAMPLE_RATE_1[4:0] p. 228
SAMPLE_RATE_2[4:0] p. 228
SAMPLE_RATE_3[4:0] p. 228
ASYNC_SAMPLE_RATE_1[4:0] p. 229
ASYNC_SAMPLE_RATE_2[4:0] p. 229
FLL2_REFCLK_SRC[3:0] p. 241 FLL2_GPCLK_DIV[6:0] p. 196
FLL2_GPCLK_ENA p. 196
_‘ __— __— _— _— CIRRUS LOGIC” Register Address Bil Label Default Descriplion R256 (0X0100) 6 CLK732K7ENA 0 SZKHZ Clock Enable 1:0 CLK732K7 10 SZKHZ Clock Source R257 (0X0101) 15 SYSCLKiFRAC 0 SYSCLK Frequency 10:8 SYSCLK, 100 SYSCLK Frequency 6 SYSCLKiENA 0 SYSCLK Control 3:0 SYSCLK, 0100 SYSCLK Source
DS1162F1 227
CS42L92
4.16 Clocking and Sample Rates
The CS42L92 clocking control registers are described in Table 4-104.
Table 4-104. Clocking Control
Register Address Bit Label Default Description
R256 (0x0100)
Clock_32k_1
6 CLK_32K_ENA 0 32kHz Clock Enable
0 = Disabled
1 = Enabled
1:0 CLK_32K_
SRC[1:0]
10 32kHz Clock Source
00 = MCLK1 (direct)
01 = MCLK2 (direct)
10 = SYSCLK (automatically divided)
11 = Reserved
R257 (0x0101)
System_Clock_1
15 SYSCLK_FRAC 0 SYSCLK Frequency
0 = SYSCLK is a multiple of 6.144MHz
1 = SYSCLK is a multiple of 5.6448MHz
10:8 SYSCLK_
FREQ[2:0]
100 SYSCLK Frequency
000 = 6.144 MHz (5.6448 MHz)
001 = 12.288 MHz (11.2896 MHz)
010 = 24.576 MHz (22.5792 MHz)
011 = 49.152 MHz (45.1584 MHz)
100 = 98.304 MHz (90.3168 MHz)
All other codes are reserved
The frequencies in brackets apply for 44.1 kHz–related sample rates only (i.e.,
SAMPLE_RATE_n= 01XXX).
6 SYSCLK_ENA 0 SYSCLK Control
0 = Disabled
1 = Enabled
SYSCLK should only be enabled after the applicable clock source has been
configured and enabled.
Clear this bit before stopping the reference clock or changing the reference clock
frequency. Note that the SYSCLK frequency can be changed without disabling,
provided the clock source is also changed at the same time.
3:0 SYSCLK_
SRC[3:0]
0100 SYSCLK Source
0000 = MCLK1
0001 = MCLK2
0010 = MCLK3
0100 = FLL1 × 2
0101 = FLL2 × 2
1000 = AIF1BCLK
1001 = AIF2BCLK
1010 = AIF3BCLK
1111 = FLL1
All other codes are reserved
_‘ __— __— _— _— CIRRUS LOGIC” Register Address Bit Label Default Description R258 (0X0102) 4:0 SAMPLEiRATEi 0X11 Sample Rate 1 Select R259 (0X0103) 4:0 SAMPLEiRATEi 0X11 Sample Rate 2 Select R260 (0X0104) 4:0 SAMPLEiRATEi 0X11 Sample Rate 3 Select R266 (0X0‘lOA) 4:0 SAMPLEiRATEi 0X00 Sample Rate 1 Status (Read only) R267 (0X0‘lOE) 4:0 SAMPLEiRATEi 0X00 Sample Rate 2 Status (Read only) R268 (0XO1OC) 4:0 SAMPLEiRATEi 0X00 Sample Rate 3 Status (Read only)
228 DS1162F1
CS42L92
4.16 Clocking and Sample Rates
R258 (0x0102)
Sample_rate_1
4:0 SAMPLE_RATE_
1[4:0]
0x11 Sample Rate 1 Select
0x00 = None
0x01 = 12 kHz
0x02 = 24 kHz
0x03 = 48 kHz
0x04 = 96 kHz
0x05 = 192 kHz
0x06 = 384 kHz
0x09 = 11.025 kHz
0x0A = 22.05 kHz
0x0B = 44.1 kHz
0x0C = 88.2 kHz
0x0D = 176.4 kHz
0x0E = 352.8 kHz
0x11 = 8 kHz
0x12 = 16 kHz
0x13 = 32 kHz
All other codes are reserved
R259 (0x0103)
Sample_rate_2
4:0 SAMPLE_RATE_
2[4:0]
0x11 Sample Rate 2 Select
Field coding is same as SAMPLE_RATE_1.
R260 (0x0104)
Sample_rate_3
4:0 SAMPLE_RATE_
3[4:0]
0x11 Sample Rate 3 Select
Field coding is same as SAMPLE_RATE_1.
R266 (0x010A)
Sample_rate_1_
status
4:0 SAMPLE_RATE_
1_STS[4:0]
0x00 Sample Rate 1 Status (Read only)
Field coding is same as SAMPLE_RATE_1.
R267 (0x010B)
Sample_rate_2_
status
4:0 SAMPLE_RATE_
2_STS[4:0]
0x00 Sample Rate 2 Status (Read only)
Field coding is same as SAMPLE_RATE_1.
R268 (0x010C)
Sample_rate_3_
status
4:0 SAMPLE_RATE_
3_STS[4:0]
0x00 Sample Rate 3 Status (Read only)
Field coding is same as SAMPLE_RATE_1.
Table 4-104. Clocking Control (Cont.)
Register Address Bit Label Default Description
_‘ __— __— _— _— CIRRUS LOGIC” Register Address Bit Label Default Description R274 (0X0112) 10:8 ASYNCJDLKi 011 ASYNCCLK Frequency 6 ASYNCJDLKi 0 ASYNCCLK Control 3:0 ASYNCJDLKi 0101 ASYNCCLK Source R275 (0X0113) 4:0 ASYNC, 0X11 ASYNC Sample Rate1 Select R276 (0X0114) 4:0 ASYNC, 0X11 ASYNC Sample Rate 2 Select R283 (0X011B) 4:0 ASYNC, 0X00 ASYNC Sample Rate 1 Status (Read only) R284 (0X011C) 4:0 ASYNC, 0X00 ASYNC Sample Rate 2 Status (Read only)
DS1162F1 229
CS42L92
4.16 Clocking and Sample Rates
R274 (0x0112)
Async_clock_1
10:8 ASYNC_CLK_
FREQ[2:0]
011 ASYNCCLK Frequency
000 = 6.144 MHz (5.6448 MHz)
001 = 12.288 MHz (11.2896 MHz)
010 = 24.576 MHz (22.5792 MHz)
011 = 49.152 MHz (45.1584 MHz)
100 = 98.304 MHz (90.3168 MHz)
All other codes are reserved
The frequencies in brackets apply for 44.1 kHz–related sample rates only (i.e.,
ASYNC_SAMPLE_RATE_n = 01XXX).
6 ASYNC_CLK_
ENA
0 ASYNCCLK Control
0 = Disabled
1 = Enabled
ASYNCCLK should only be enabled after the applicable clock source has been
configured and enabled.
Clear this bit before stopping the reference clock or changing the reference clock
frequency. Note that the ASYNCCLK frequency can be changed without disabling,
provided the clock source is also changed at the same time.
3:0 ASYNC_CLK_
SRC[3:0]
0101 ASYNCCLK Source
0000 = MCLK1
0001 = MCLK2
0010 = MCLK3
0100 = FLL1 × 2
0101 = FLL2 × 2
1000 = AIF1BCLK
1001 = AIF2BCLK
1010 = AIF3BCLK
1111 = FLL1
All other codes are reserved
R275 (0x0113)
Async_sample_
rate_1
4:0 ASYNC_
SAMPLE_RATE_
1[4:0]
0x11 ASYNC Sample Rate 1 Select
0x00 = None
0x01 = 12 kHz
0x02 = 24 kHz
0x03 = 48 kHz
0x04 = 96 kHz
0x05 = 192 kHz
0x06 = 384 kHz
0x09 = 11.025 kHz
0x0A = 22.05 kHz
0x0B = 44.1 kHz
0x0C = 88.2 kHz
0x0D = 176.4 kHz
0x0E = 352.8 kHz
0x11 = 8 kHz
0x12 = 16 kHz
0x13 = 32 kHz
All other codes are reserved
R276 (0x0114)
Async_sample_
rate_2
4:0 ASYNC_
SAMPLE_RATE_
2[4:0]
0x11 ASYNC Sample Rate 2 Select
Field coding is same as ASYNC_SAMPLE_RATE_1.
R283 (0x011B)
Async_sample_
rate_1_status
4:0 ASYNC_
SAMPLE_RATE_
1_STS[4:0]
0x00 ASYNC Sample Rate 1 Status (Read only)
Field coding is same as ASYNC_SAMPLE_RATE_1.
R284 (0x011C)
Async_sample_
rate_2_status
4:0 ASYNC_
SAMPLE_RATE_
2_STS[4:0]
0x00 ASYNC Sample Rate 2 Status (Read only)
Field coding is same as ASYNC_SAMPLE_RATE_1.
Table 4-104. Clocking Control (Cont.)
Register Address Bit Label Default Description
_‘ __— __— _— _— CIRRUS LOGIC” Register Address Bil Label Default Descriplion R288 (0X0120) 6 DSPicLKiENA 0 DSPCLK Control 3:0 DSFicLKi 0101 DSPCLK Source R290 (0X0122) 15:0 DSFicLKi 0X0000 DSPCLK Frequency R294 (0X0126) 15:0 DSFicLKi 0X0000 DSPCLK Frequency (Read only) R295 (0X0127) 3:0 DSFicLKisRci 0101 DSPCLK Source (Read on‘y)
230 DS1162F1
CS42L92
4.16 Clocking and Sample Rates
R288 (0x0120)
DSP_Clock_1
6 DSP_CLK_ENA 0 DSPCLK Control
0 = Disabled
1 = Enabled
DSPCLK should only be enabled after the applicable clock source has been
configured and enabled.
Clear this bit before stopping the reference clock or changing the reference clock
frequency. Note that the DSPCLK frequency can be changed without disabling,
provided the clock source is also changed at the same time.
3:0 DSP_CLK_
SRC[3:0]
0101 DSPCLK Source
0000 = MCLK1
0001 = MCLK2
0010 = MCLK3
0100 = FLL1 × 3
0101 = FLL2 × 3
1000 = AIF1BCLK
1001 = AIF2BCLK
1010 = AIF3BCLK
1111 = FLL1
All other codes are reserved
R290 (0x0122)
DSP_Clock_2
15:0 DSP_CLK_
FREQ[15:0]
0x0000 DSPCLK Frequency
Coded as LSB = 1/64 MHz, Valid from 5.6 MHz to 148 MHz.
Note that, if this field is written while DSPCLK is enabled, the new frequency does
not become effective until DSP_CLK_SRC is updated. To reconfigure DSPCLK
while DSPCLK is enabled, the DSP_CLK_FREQ field must be updated before
DSP_CLK_SRC.
R294 (0x0126)
DSP_Clock_4
15:0 DSP_CLK_
FREQ_STS[15:0]
0x0000 DSPCLK Frequency (Read only)
Coded as LSB = 1/64 MHz.
R295 (0x0127)
DSP_Clock_5
3:0 DSP_CLK_SRC_
STS[3:0]
0101 DSPCLK Source (Read only)
0000 = MCLK1
0001 = MCLK2
0010 = MCLK3
0100 = FLL1 × 3
0101 = FLL2 × 3
1000 = AIF1BCLK
1001 = AIF2BCLK
1010 = AIF3BCLK
1111 = FLL1
All other codes are reserved
Table 4-104. Clocking Control (Cont.)
Register Address Bit Label Default Description
_‘ __— __— _— _— CIRRUS LOGIC” Register Address Bit Label Default Description R329 (0x0149) 15 OPCLKiENA o OPCLK Enable 7:3 OPCLK7D|V[4:O] 0x00 OPCLK Divider 2:0 OPCLK,SEL[2:0] 000 OPCLK Source Frequency R330 (0x014A) 15 OPCLKiASYNci o OPCLKiASYNC Enable 7:3 OPCLKiASYNci 0x00 OPCLKiASYNC Divider 2:0 OPCLKiASYNci ooo OPCLKiASYNC Source Frequency R334 (0x014E) 9 MCLK37PD o MCLK3 PuHrDown Control 8 MCLK27PD o MCLK2 PuHrDown Control 7 MCLKLPD o MCLK‘l PuHrDown Control
DS1162F1 231
CS42L92
4.16 Clocking and Sample Rates
R329 (0x0149)
Output_system_
clock
15 OPCLK_ENA 0 OPCLK Enable
0 = Disabled
1 = Enabled
7:3 OPCLK_DIV[4:0] 0x00 OPCLK Divider
0x02 = Divide by 2
0x04 = Divide by 4
0x06 = Divide by 6
… (even numbers only)
0x1E = Divide by 30
Note that only even numbered divisions (2, 4, 6, etc.) are valid selections.
All other codes are reserved when the OPCLK signal is enabled.
2:0 OPCLK_SEL[2:0] 000 OPCLK Source Frequency
000 = 6.144 MHz (5.6448 MHz)
001 = 12.288 MHz (11.2896 MHz)
010 = 24.576 MHz (22.5792 MHz)
011 = 49.152 MHz (45.1584 MHz)
All other codes are reserved
The frequencies in brackets apply for 44.1 kHz–related SYSCLK rates only (i.e.,
SAMPLE_RATE_n= 01XXX).
The OPCLK Source Frequency must be less than or equal to the SYSCLK
frequency.
R330 (0x014A)
Output_async_
clock
15 OPCLK_ASYNC_
ENA
0 OPCLK_ASYNC Enable
0 = Disabled
1 = Enabled
7:3 OPCLK_ASYNC_
DIV[4:0]
0x00 OPCLK_ASYNC Divider
0x02 = Divide by 2
0x04 = Divide by 4
0x06 = Divide by 6
… (even numbers only)
0x1E = Divide by 30
Note that only even numbered divisions (2, 4, 6, etc.) are valid selections.
All other codes are reserved when the OPCLK_ASYNC signal is enabled.
2:0 OPCLK_ASYNC_
SEL[2:0]
000 OPCLK_ASYNC Source Frequency
000 = 6.144 MHz (5.6448 MHz)
001 = 12.288 MHz (11.2896 MHz)
010 = 24.576 MHz (22.5792 MHz)
011 = 49.152 MHz (45.1584 MHz)
All other codes are reserved
The frequencies in brackets apply for 44.1 kHz–related ASYNCCLK rates only
(i.e., ASYNC_SAMPLE_RATE_n = 01XXX).
The OPCLK_ASYNC Source Frequency must be less than or equal to the
ASYNCCLK frequency.
R334 (0x014E)
Clock_Gen_Pad_
Ctrl
9 MCLK3_PD 0 MCLK3 Pull-Down Control
0 = Disabled
1 = Enabled
8 MCLK2_PD 0 MCLK2 Pull-Down Control
0 = Disabled
1 = Enabled
7 MCLK1_PD 0 MCLK1 Pull-Down Control
0 = Disabled
1 = Enabled
Table 4-104. Clocking Control (Cont.)
Register Address Bit Label Default Description
_‘ __— __— _— _— CIRRUS LOGIC” Register Address Bit Label Default Description R338 (0X0152) 4 TRlsioNi 0 Automatic SamplerRate Detection Staanp select 3:1 LRCLK,SRC[2:0] 000 Automatic SamplerRate Detection source 0 RATEiESTiENA 0 Automatic SamplerRate Detection controi R339 (0X0153) 4:0 SAMPLEiRATEi 0X00 Automatic Detection Sampie Rate A R340 (0X0154) 4:0 SAMPLEiRATEi 0X00 Automatic Detection Sampie Rate B R341 (0X0155) 4:0 SAMPLEiRATEi 0X00 Automatic Detection Sampie Rate C R342 (0X0156) 4:0 SAMPLEiRATEi 0X00 Automatic Detection Sampie Rate D
232 DS1162F1
CS42L92
4.16 Clocking and Sample Rates
R338 (0x0152)
Rate_Estimator_1
4 TRIG_ON_
STARTUP
0 Automatic Sample-Rate Detection Start-Up select
0 = Do not trigger Write Sequencer on initial detection
1 = Always trigger the Write Sequencer on sample-rate detection
3:1 LRCLK_SRC[2:0] 000 Automatic Sample-Rate Detection source
000 = AIF1LRCLK
010 = AIF2LRCLK
100 = AIF3LRCLK
All other codes are reserved
0 RATE_EST_ENA 0 Automatic Sample-Rate Detection control
0 = Disabled
1 = Enabled
R339 (0x0153)
Rate_Estimator_2
4:0 SAMPLE_RATE_
DETECT_A[4:0]
0x00 Automatic Detection Sample Rate A
(Up to four different sample rates can be configured for automatic detection.)
Field coding is same as SAMPLE_RATE_n.
R340 (0x0154)
Rate_Estimator_3
4:0 SAMPLE_RATE_
DETECT_B[4:0]
0x00 Automatic Detection Sample Rate B
(Up to four different sample rates can be configured for automatic detection.)
Field coding is same as SAMPLE_RATE_n.
R341 (0x0155)
Rate_Estimator_4
4:0 SAMPLE_RATE_
DETECT_C[4:0]
0x00 Automatic Detection Sample Rate C
(Up to four different sample rates can be configured for automatic detection.)
Field coding is same as SAMPLE_RATE_n.
R342 (0x0156)
Rate_Estimator_5
4:0 SAMPLE_RATE_
DETECT_D[4:0]
0x00 Automatic Detection Sample Rate D
(Up to four different sample rates can be configured for automatic detection.)
Field coding is same as SAMPLE_RATE_n.
Table 4-104. Clocking Control (Cont.)
Register Address Bit Label Default Description
_‘ __— __— _— _— CIRRUS LOGIC” Register Address Bil Label Default Descriplion R352 (0X0160) 15:13 ASYNCJDLKi 000 ASYNCCLK Frequency (Read only) 12:9 ASYNCJDLKi 0000 ASYNCCLK Source (Read on‘y) 6:4 SYSCLKiFRECl, 000 SYSCLK Frequency (Read on‘y) 3:0 SYSCLKisRci 0000 SYSCLK Source (Read only)
DS1162F1 233
CS42L92
4.16 Clocking and Sample Rates
In AIF Slave Modes, it is important to ensure that the applicable clock domain (SYSCLK or ASYNCCLK) is synchronized
with the associated external LRCLK. This can be achieved by selecting an MCLKn input that is derived from the same
reference as the LRCLK, or can be achieved by selecting the external BCLK or LRCLK signal as a reference input to one
of the FLLs, as a source for SYSCLK or ASYNCCLK.
If the AIF clock domain is not synchronized with the LRCLK, clicks arising from dropped or repeated audio samples occur,
due to the inherent tolerances of multiple, asynchronous, system clocks. See Section 5.4 for further details on valid
clocking configurations.
4.16.6 BCLK and LRCLK Control
The digital audio interfaces (AIF1–AIF3) use BCLK and LRCLK signals for synchronization. In Master Mode, these are
output signals, generated by the CS42L92. In Slave Mode, these are input signals to the CS42L92. It is also possible to
support mixed master/slave operation.
R352 (0x0160)
Clocking_debug_5
15:13 ASYNC_CLK_
FREQ_STS[2:0]
000 ASYNCCLK Frequency (Read only)
000 = 6.144 MHz (5.6448 MHz)
001 = 12.288 MHz (11.2896 MHz)
010 = 24.576 MHz (22.5792 MHz)
011 = 49.152 MHz (45.1584 MHz)
100 = 98.304 MHz (90.3168 MHz)
All other codes are reserved
The frequencies in brackets apply for 44.1 kHz–related sample rates only (i.e.,
ASYNC_SAMPLE_RATE_n = 01XXX).
12:9 ASYNC_CLK_
SRC_STS[3:0]
0000 ASYNCCLK Source (Read only)
0000 = MCLK1
0001 = MCLK2
0010 = MCLK3
0100 = FLL1 × 2
0101 = FLL2 × 2
1000 = AIF1BCLK
1001 = AIF2BCLK
1010 = AIF3BCLK
1111 = FLL1
All other codes are reserved
6:4 SYSCLK_FREQ_
STS[2:0]
000 SYSCLK Frequency (Read only)
000 = 6.144 MHz (5.6448 MHz)
001 = 12.288 MHz (11.2896 MHz)
010 = 24.576 MHz (22.5792 MHz)
011 = 49.152 MHz (45.1584 MHz)
100 = 98.304 MHz (90.3168 MHz)
All other codes are reserved
The frequencies in brackets apply for 44.1 kHz–related sample rates only (i.e.,
SAMPLE_RATE_n= 01XXX).
3:0 SYSCLK_SRC_
STS[3:0]
0000 SYSCLK Source (Read only)
0000 = MCLK1
0001 = MCLK2
0010 = MCLK3
0100 = FLL1 × 2
0101 = FLL2 × 2
1000 = AIF1BCLK
1001 = AIF2BCLK
1010 = AIF3BCLK
1111 = FLL1
All other codes are reserved
Table 4-104. Clocking Control (Cont.)
Register Address Bit Label Default Description
_‘ __— __— _— _— CIRRUS LOGIC” T If J [ $7 $7 ' T ’— _| [ 91 j? ]
234 DS1162F1
CS42L92
4.16 Clocking and Sample Rates
The BCLK and LRCLK signals are controlled as shown in Fig. 4-66. See Section 4.7 for details of the associated control
fields.
Note that the BCLK and LRCLK signals are synchronized to SYSCLK or ASYNCCLK, depending upon the applicable clock
domain for the respective interface. See Section 4.3.14 for further details.
Figure 4-66. BCLK and LRCLK Control
4.16.7 Control Interface Clocking
Register map access is possible with or without a system clock—there is no requirement for SYSCLK, or any other system
clock, to be enabled when accessing the register map. See Section 4.17 for details of control register access.
Timing specifications for each of the control interfaces are provided in Table 3-19Table 3-21. In some applications,
additional system-wide constraints must be observed to ensure control interface limits are not exceeded. These
constraints need to be considered if any of the following conditions is true.
SYSCLK is enabled and is < 22.5792 MHz
Control-register access is scheduled at register address 0x8_0000 or above
Control-register access is scheduled on more than one of the control interfaces simultaneously
The control interface limits vary depending on the system clock (SYSCLK or DSPCLK) configuration, the address of the
control register access, and on which control interfaces are being used.
f/N
AIF1BCLK
AIF1LRCLK
SYSCLK
Master
Mode
Clock
Outputs
f/N
f/N
AIF2BCLK
AIF2LRCLK
Master
Mode
Clock
Outputs
f/N
f/N
AIF3BCLK
AIF3LRCLK
Master
Mode
Clock
Outputs
f/N
(see note)
(see note)
(see note)
ASYNCCLK
Note:
The clock reference for each AIF is SYSCLK or ASYNCCLK
AIFn is clocked from SYSCLK if AIFn_RATE < 1000
AIFn is clocked from ASYNCCLK if AIFn_RATE >= 1000
AIF1_BCLK_MSTR p. 131
AIF1_LRCLK_MSTR p. 132
AIF1_BCPF[12:0] p. 135
AIF1_BCLK_FREQ[4:0] p. 135
AIF2_BCLK_MSTR p. 132
AIF2_LRCLK_MSTR p. 132
AIF2_BCPF[12:0] p. 136
AIF2_BCLK_FREQ[4:0] p. 136
AIF3_BCLK_MSTR p. 132
AIF3_LRCLK_MSTR p. 133
AIF3_BCPF[12:0] p. 136
AIF3_BCLK_FREQ[4:0] p. 136
_‘ __— __— _— _— CIRRUS LOGIC” SYSCLK is disabied, or 26 MHZ 27 MHZ Fuii Concurrent SPI/SLIMbus Capabiiity for SYSCLK =12.2EB MHZ 26 MHZ 7 SPI and SLIMbuS operating in isolation. 7 27 MHZ 13 MHZ 24.576 MHZ SPI and SLIMbuS operating concurrentiy. 12 MHZ 27 MHZ SYSCLK =11,2896 MHZ 26 MHZ 7 SPI and SLIMbuS operating in isolation. 7 27 MHZ 12 MHZ 22.5792 MHZ SPI and SLIMbuS operating concurrentiy. 9 MHZ 27 MHZ SYSCLK <11,2896 mhz="" 13="" mhz="" 7="" spi="" and="" slimbus="" operating="" in="" isolation.="" 7="" 27="" mhz="" notes:="" dsfclk="" is="" disabied,="" or="" 26="" mhz="" 7="" one="" high="" speed="" interface.="" 7="" 27="" mhz="" 26="" mhz="" 24.576="" mhz="" spi="" and="" slimbus="" operating="" concurrentiy.="" 21="" mhz="" 27="" mhz="" 24.576="" mhz="" s="" dspclk="">< 45="" mhz="" 26="" mhz="" 7="" spi="" and="" slimbus="" operating="" in="" isolation.="" 7="" 24.576="" mhz="" 12.288="" mhz="" s="" dspclk="">< 24.576="" mhz="" 13="" mhz="" 7="" spi="" and="" slimbus="" operating="" in="" isolation.="" 7="" 12.288="" mhz="" notes:="">
DS1162F1 235
CS42L92
4.16 Clocking and Sample Rates
Table 4-105 describes valid system conditions for accessing the codec registers (below 0x8_0000). The control interfaces
must operate within the limits represented by one of the permitted configurations shown, in accordance with the applicable
SYSCLK frequency.
Table 4-106 describes valid system conditions for accessing the DSP firmware registers (0x8_0000 and above). The
control interfaces must operate within the limits represented by one of the permitted configurations shown, in accordance
with the applicable DSPCLK frequency.
4.16.8 Frequency-Locked Loop (FLL1, FLL2)
Two integrated FLLs are provided to support the clocking requirements of the CS42L92. These can be configured
according to the available reference clocks and the application requirements. The reference clock may use a high
frequency (e.g., 12.288 MHz) or low frequency (e.g., 32.768 kHz). The FLL is tolerant of jitter and may be used to generate
a stable output clock from a less stable input reference.
Table 4-105. Maximum SPI/SLIMbus Clock Speeds—Codec Register Access
SYSCLK Condition SPI SLIMbus Description
SYSCLK is disabled, or
SYSCLK 22.5792 MHz
26 MHz 27 MHz Full concurrent SPI/SLIMbus capability for
codec register access.
SYSCLK = 12.288 MHz 26 MHz SPI and SLIMbus operating in isolation.
—27MHz
13 MHz 24.576 MHz SPI and SLIMbus operating concurrently.
12 MHz 27 MHz
SYSCLK = 11.2896 MHz 26 MHz SPI and SLIMbus operating in isolation.
—27MHz
12 MHz 22.5792 MHz SPI and SLIMbus operating concurrently.
9MHz 27MHz
SYSCLK < 11.2896 MHz 13 MHz SPI and SLIMbus operating in isolation.
—27MHz
Notes:
If SYSCLK < 11.2896 MHz, simultaneous register access via SPI/SLIMbus control interfaces should not be attempted.
If SYSCLK is disabled, full concurrent SPI/SLIMbus capability for codec register access is supported.
The SPI interface limits noted above are only applicable if the SPI interface is accessing codec registers. Options shown with
“—” in the SPI column represent use cases where the SPI interface is either unused, or is being used to access the DSP
registers.
The SLIMbus interface limits noted above are only applicable if multibyte burst transfers of more than 8 bytes are scheduled.
Options shown with “—” in the SLIMbus column represent use cases where SLIMbus is either unused, or is configured to
support any combination of audio channels, and burst transfers 8 bytes.
Register access via the I2C interface is supported at all times, regardless of the SLIMbus loading.
Table 4-106. Maximum SPI/SLIMbus Clock Speeds—DSP Firmware Register Access
DSPCLK Condition SPI SLIMbus Description
DSPCLK is disabled, or
DSPCLK 45 MHz
26 MHz One high speed interface.
—27MHz
26 MHz 24.576 MHz SPI and SLIMbus operating concurrently.
21 MHz 27 MHz
24.576 MHz DSPCLK < 45 MHz 26 MHz SPI and SLIMbus operating in isolation.
—24.576MHz
12.288 MHz DSPCLK < 24.576 MHz 13 MHz SPI and SLIMbus operating in isolation.
—12.288MHz
Notes:
If DSPCLK < 24.576MHz, simultaneous register access via SPI/SLIMbus control interfaces should not be attempted.
If DSPCLK is disabled, the valid configurations are the same as for DSPCLK 45MHz.
The SPI interface limits noted above are only applicable if the SPI interface is accessing DSP registers. Options shown with
“—” in the SPI column represent use cases where the SPI interface is either unused, or is being used to access the codec
registers.
The SLIMbus interface limits noted above are only applicable if multibyte burst transfers of more than 8 bytes are scheduled.
Options shown with “—” in the SLIMbus column represent use cases where SLIMbus is either unused, or is configured to
support any combination of audio channels, and burst transfers 8 bytes.
Register access via the I2C interface is supported at all times, regardless of the SLIMbus loading.
__- __— __— _— _— CIRRUS LOGIC"
236 DS1162F1
CS42L92
4.16 Clocking and Sample Rates
4.16.8.1 Overview
The FLL characteristics are summarized in Table 3-11. In normal operation, the FLL output is frequency locked to an input
clock reference. The FLL can be used to generate a free-running clock in the absence of any external reference, as
described in Section 4.16.8.6.
4.16.8.2 FLL Enable
The FLL is enabled by setting FLLn_ENA (where n= 1 or 2 for the corresponding FLL). Note that the other FLL fields
should be configured before enabling the FLL; the FLLn_ENA bit should be set as the final step of the FLLn enable
sequence.
The FLL supports configurable free-running operation in FLL Hold Mode, using the FLLn_HOLD bit described in
Section 4.16.8.6. If the FLL is enabled and FLL Hold Mode is selected, the configured output frequency is maintained
without any input reference required. Note that, once the FLL output has been established, the FLL is always free running
if the input reference clock is stopped, regardless of the FLLn_HOLD bit.
Note that, to disable the FLL while the input reference clock has stopped, FLLn_HOLD must be set before clearing FLLn_
ENA.
When changing FLL settings, it is recommended to disable the FLL by clearing FLLn_ENA before updating the other
register fields. It is possible to configure the FLL while the FLL is enabled, as described in Section 4.16.8.4. As a general
rule, however, it is recommended to configure the FLL before setting FLLn_ENA.
The procedure for configuring the FLL is described in the following subsections. The description is applicable to FLL1 and
FLL2; the associated control fields are described in Table 4-108 and Table 4-109 respectively.
4.16.8.3 Input Frequency Control
The main input reference is selected using FLLn_REFCLK_SRC. The available options are MCLKn, SLIMCLK,
AIFnBCLK, or AIFnLRCLK.
The SLIMCLK reference is controlled by an adaptive divider on the external SLIMCLK input. The divider automatically
adapts to the SLIMbus clock gear, to provide a constant reference frequency for the FLL—see Section 4.10.3.
The FLLn_REFCLK_DIV field controls a programmable divider on the input reference. The input can be divided by 1, 2, 4
or 8. The divider should be configured to bring each reference down to 13 MHz or below. For best performance, it is
recommended that the highest possible frequencywithin the 13 MHz limitshould be selected.
The FLL incorporates a reference-detection circuit for the main input clock. This ensures best FLL performance in the
event of the main input clock being interrupted. If there is a possibility of the main input being interrupted while the FLL is
enabled, then the reference-detection circuit must be enabled by setting FLLn_REFDET. The reference detection also
provides input to the interrupt control circuit and can be used to trigger an interrupt event when the input reference is
stopped—see Section 4.15.
4.16.8.4 Output Frequency Control
The FLL output frequency, FFLL, relative to the main input reference FREF, is a function of:
The frequency ratio set by FLLn_FB_DIV
The real number represented by N.K. (N = integer; K = fractional portion, i.e., < 1)
The output frequency must be in the range 45–50 MHz.
If the FLL is selected as SYSCLK or ASYNCCLK source, the respective FFLL frequency must be exactly 49.152 MHz (for
48 kHz–related sample rates) or 45.1584 MHz (for 44.1 kHz–related sample rates).
If FLL2 is selected as SYSCLK or ASYNCCLK source, the respective clock frequency is equal to FFLL ×2.
If FLL1 is selected as SYSCLK or ASYNCCLK source, two different frequencies are available. Typical use cases
should select the higher frequency (FFLL × 2); a lower frequency (FFLL) is available to support low-power always-on
use cases.
__- __— __— _— _— CIRRUS LOGIC"
DS1162F1 237
CS42L92
4.16 Clocking and Sample Rates
If the FLL is selected as DSPCLK source, the following frequency options are supported:
If FLL2 is selected as DSPCLK source, the DSPCLK frequency is in the range 135–150 MHz. The frequency is
equal to FFLL ×3.
If FLL1 is selected as DSPCLK source, two different frequencies are available. Typical use cases should select the
higher frequency (FFLL × 3); a lower frequency (FFLL) is available to support low-power always-on use cases.
Note that the DSPCLK can be divided to lower frequencies for clocking the DSP core.
The FLL clock can be configured as a GPIO output; a programmable divider supports division ratios in the range 2 through
127, enabling a wide range of GPIO clock output frequencies.
Note: The chosen FFLL frequency can be used to support multiple outputs simultaneously (e.g., SYSCLK, DSPCLK, and
GPIO).
To configure the FLL output frequency, it must be determined whether Integer Mode or Fractional Mode is required.
If the ratio FFLL / FREF is an integer, then Integer Mode applies
If the ratio FFLL / FREF is not an integer, then Fractional Mode applies
The input reference must be identified in one of three frequency ranges.
•If F
REF < 192 kHz, this is low clock frequency
•If F
REF 192 kHz and FREF < 1.152 MHz, this is mid clock frequency
•If F
REF 1.152 MHz, this is high clock frequency
Note: FREF is the input frequency, after division by FLLn_REFCLK_DIV, where applicable.
The FLL oscillator frequency, FOSC, is set according to the applicable mode and input reference frequency.
If Fractional Mode is used and FREF is high frequency, then FOSC = FFLL × 6
Otherwise, FOSC = FFLL
The FLL oscillator frequency, FOSC, is set according to the following equation:
FOSC =(F
REF × N.K × FLLn_FB_DIV)
The FLLn_FB_DIV value should be configured according to the applicable mode and input reference frequency.
If Integer Mode is used and FREF is low frequency, then FLLn_FB_DIV should be set to 4
If Fractional Mode is used and FREF is low frequency, then FLLn_FB_DIV should be set to 256
Otherwise, FLLn_FB_DIV should be set to 1
The value of N.K can be determined as follows:
N.K = FOSC /(FLLn_FB_DIV × FREF)
The calculated value of N must lie within a valid range, according to the applicable mode.
If Integer Mode is used, N is valid in the range 1–1023
If Fractional Mode is used, N is valid in the range 4–255
If the calculated value of N is too high, a higher FLLn_FB_DIV is required. If the calculated value of N is too low, a lower
FLLn_FB_DIV is required. It is recommended to adjust the FLLn_FB_DIV value by multiplying or dividing by 2 until a valid
N is achieved.
The value of N is held in FLLn_N.
The value of K is determined by the ratio FLLn_THETA / FLLn_LAMBDA. In Fractional Mode, the FLLn_THETA and
FLLn_LAMBDA fields can be derived as described in Section 4.16.8.5.
The FLLn_N, FLLn_THETA, and FLLn_LAMBDA fields are all coded as integers (LSB = 1).
_‘ __— __— _— _— CIRRUS LOGIC” FLL iPD, FLLniFDi FLL FLL iCLK, Low clock frequency 0X2 0X3 OXF OX0 OX2 Integer Mode OX0 Integer Mode 0X0
238 DS1162F1
CS42L92
4.16 Clocking and Sample Rates
When changing FLL settings, it is recommended to disable the FLL by clearing FLLn_ENA before updating the other
register fields. If the FLL settings or input reference are changed without disabling the FLL, the FLL Hold Mode must be
selected before writing to any other FLL control fields. FLL Hold Mode is selected by setting FLLn_HOLD.
If the FLL control fields are written while the FLL is enabled (FLLn_ENA = 1), the new values are only effective when a 1
is written to FLLn_CTRL_UPD. This makes it possible to update the FLL configuration fields simultaneously, without
disabling the FLL.
To change FLL settings without disabling the FLL, the recommended control sequence is:
Select FLL Hold Mode (FLLn_HOLD = 1)
Write to the FLL control fields
Update the FLL control registers (write 1 to FLLn_CTRL_UPD)
Disable FLL Hold Mode (FLLn_HOLD = 0)
Note that, if the FLL is disabled, the FLL control fields can be updated without writing to FLLn_CTRL_UPD.
The FLLn_PD_GAIN_FINE, FLLn_PD_GAIN_COARSE, FLLn_FD_GAIN_FINE, FLLn_FD_GAIN_COARSE, FLLn_HP,
and FLLn_CLK_VCO_FAST_SRC fields should be configured as described in Table 4-107.
Note: When writing to the FLLn_CLK_VCO_FAST_SRC or FLLn_HP fields, take care not to change other nonzero bits
that are configured at the same register address.
4.16.8.5 Calculation of Theta and Lambda
In Fractional Mode, FLLn_THETA and FLLn_LAMBDA are calculated with the following steps:
1. Calculate GCD(FLL) using the Greatest Common Denominator function:
GCD(FLL) = GCD(FLLn_FB_DIV × FREF, FOSC),
where GCD(x, y) is the greatest common denominator of x and y.
FREF is the input frequency, after division by FLLn_REFCLK_DIV, where applicable.
2. Calculate FLLn_THETA and FLLn_LAMBDA using the following equations:
FLLn_THETA = (FOSC – (FLL_N × FLLn_FB_DIV × FREF)) / GCD(FLL)
FLLn_LAMBDA = (FLLn_FB_DIV × FREF) / GCD(FLL)
Notes: The values of GCD(FLL), FLLn_THETA, and FLLn_LAMBDA should be calculated using the applicable frequency
values in Hz (i.e., not kHz or MHz).
In Fractional Mode, the values of FLLn_THETA and FLLn_LAMBDA must be coprime (i.e., not divisible by any
common integer). The calculation above ensures that the values are coprime.
The value of K must be less than 1 (i.e., FLLn_THETA must be less than FLLn_LAMBDA).
Table 4-107. FLLn Control Field Settings
Condition FLLn_PD_
GAIN_FINE
FLLn_PD_
GAIN_
COARSE
FLLn_FD_
GAIN_FINE
FLLn_FD_
GAIN_
COARSE
FLLn_
LOCKDET_
THR
FLLn_CLK_
VCO_
FAST_SRC
FLLn_HP
Low clock frequency
Mid clock frequency
High clock frequency
0x2
0x2
0x2
0x3
0x2
0x1
0xF
0xF
0xF
0x0
0x2
0x0
0x2
0x8
0x8
——
Integer Mode
Fractional Mode, Low clock frequency
Fractional Mode, Mid clock frequency
Fractional Mode, High clock frequency
———0x0
0x0
0x0
0x3
Integer Mode
Fractional Mode
—————0x0
0x3
_‘ __— __— _— _— CIRRUS LOGIC” Register Address Bit Label Delaull Description R369 (0X0171) 3:0 FLL‘LREFCLK, 0000 FLL1 Clock source 2 FLL‘LHDLD 1 FLL1 Hoid Mode Enabie 0 FLL‘LENA 0 FLL1 Enabie R370 (0X0172) 15 FLL170TRL7UFD 0 FLL1 Control Update 9:0 FLL17N[9:O] 0X004 FLL1 Integer multiply for F R371 (0X0173) 15:0 FLL1, 0X0000 FLL1 Fractionai mullipiy lor F F- R372 (0X0174) 15:0 FLL1, 0X0000 FLL1 Fractionai mullipiy lor F F- R373 (0X0175) 9:0 FLL1,FB,D|V[9:0] 0X0001 FLL1 Clock Feedback ratio R374 (0X0176) 15 FLL‘LREFDET 1 FLL1 Relerence Detect Control 7:6 FLL‘LREFCLK, 00 FLL1 Clock Reference divider
DS1162F1 239
CS42L92
4.16 Clocking and Sample Rates
4.16.8.6 FLL Hold Mode
FLL Hold Mode enables the FLL to generate a clock signal even if no external reference is available, such as when the
normal input reference has been interrupted during a standby or start-up period. FLL Hold Mode is selected by setting
FLLn_HOLD.
If the FLL is enabled and FLL Hold Mode is selected, the normal feedback mechanism of the FLL is halted and the FLL
oscillates independently of the external input references—the FLL output frequency remains unchanged if FLL Hold Mode
is enabled.
If the FLL is enabled and the input reference clock is stopped, the loop always runs freely, regardless of the FLLn_HOLD
setting. If FLLn_HOLD = 0, the FLL relocks to the input reference whenever it is available.
If the FLL configuration or input reference are changed without disabling the FLL, the FLL Hold Mode must be selected
before writing to any other FLL control fields—see Section 4.16.8.4.
The free-running FLL clock may be selected as the SYSCLK, ASYNCCLK, or DSPCLK source, as shown in Fig. 4-65.
4.16.8.7 FLL Control Registers
The FLL1 control registers are described in Table 4-108.
Example settings for a variety of reference frequencies and output frequencies are shown in Section 4.16.8.10.
Table 4-108. FLL1 Register Map
Register Address Bit Label Default Description
R369 (0x0171)
FLL1_Control_1
3:0 FLL1_REFCLK_
SRC[3:0]
0000 FLL1 Clock source
0000 = MCLK1
0001 = MCLK2
0010 = MCLK3
0011 = SLIMCLK
1000 = AIF1BCLK
1001 = AIF2BCLK
1010 = AIF3BCLK
1100 = AIF1LRCLK
1101 = AIF2LRCLK
1110 = AIF3LRCLK
All other codes are
reserved
2 FLL1_HOLD 1 FLL1 Hold Mode Enable
0 = Disabled
1 = Enabled
The FLL feedback mechanism is halted in FLL Hold Mode, and the latest integrator
setting is maintained.
0 FLL1_ENA 0 FLL1 Enable
0 = Disabled
1 = Enabled
This should be set as the final step of the FLL1 enable sequence.
R370 (0x0172)
FLL1_Control_2
15 FLL1_CTRL_UPD 0 FLL1 Control Update
Write 1 to apply the FLL1 configuration field settings. (Only valid if FLL1_ENA = 1)
9:0 FLL1_N[9:0] 0x004 FLL1 Integer multiply for FREF
Coded as LSB = 1.
R371 (0x0173)
FLL1_Control_3
15:0 FLL1_
THETA[15:0]
0x0000 FLL1 Fractional multiply for FREF
.
Sets the numerator (multiply) part of the FLL1_THETA/FLL1_LAMBDA ratio.
Coded as LSB = 1.
R372 (0x0174)
FLL1_Control_4
15:0 FLL1_
LAMBDA[15:0]
0x0000 FLL1 Fractional multiply for FREF
.
Sets the denominator (dividing) part of the FLL1_THETA/FLL1_LAMBDA ratio.
Coded as LSB = 1.
R373 (0x0175)
FLL1_Control_5
9:0 FLL1_FB_DIV[9:0] 0x0001 FLL1 Clock Feedback ratio
Coded as LSB = 1.
R374 (0x0176)
FLL1_Control_6
15 FLL1_REFDET 1 FLL1 Reference Detect control
0 = Disabled
1 = Enabled
7:6 FLL1_REFCLK_
DIV[1:0]
00 FLL1 Clock Reference divider
00 = 1
01 = 2
10 = 4
11 = 8
MCLK (or other input reference) must be divided down to 13 MHz.
_‘ __— __— _— _— CIRRUS LOGIC” Register Address Bil Label Delaull Description R376 (0x017s) 15:12 FLLLPDisAINi 0x2 FLL1 Phase Detector Sam 2 11:8 FLLLPDisAINi 0x1 FLL1 Phase Detector Gam1 7:4 FLLLFDiGAINi 0x1: FLL1 Frequency Detector Gem 2 3:0 FLLLFDiGAINi 0x0 FLL1 Frequency Detector Gam1 R378 (0x017A) 15:14 FLLLHP[1:0] 00 FLL1 Fracuonal Mode comm R379(0x017E) 4:1 FLLLLOCKDET, 0x8 FLL1LockDetectthreshold o FLLLLOCKDET 1 FLL1 Lock Detect enabled R381(0x017D) 1:0 FLLLCLKivcoi 0x0 FLL1 Oscinator Frequency Comm
240 DS1162F1
CS42L92
4.16 Clocking and Sample Rates
R376 (0x0178)
FLL1_Control_8
15:12 FLL1_PD_GAIN_
FINE[3:0]
0x2 FLL1 Phase Detector Gain 2
Gain is 2–X, where X is FLL1_PD_GAIN_FINE in 2’s complement coding.
0000 = 1
0001 = 0.5
0010 = 0.25
0011 = 0.125
0100 = 2–4
0101 = 2–5
0110 = 2–6
0111 = 2–7
1000 = 256
1001 = 128
1010 = 64
1011 = 32
1100 = 16
1101 = 8
1110 = 4
1111 = 2
11:8 FLL1_PD_GAIN_
COARSE[3:0]
0x1 FLL1 Phase Detector Gain 1
Gain is 2–X, where X is FLL1_PD_GAIN_COARSE in 2’s complement coding.
0000 = 1
0001 = 0.5
0010 = 0.25
0011 = 0.125
0100 = 2–4
0101 = 2–5
0110 = 2–6
0111 = 2–7
1000 = 256
1001 = 128
1010 = 64
1011 = 32
1100 = 16
1101 = 8
1110 = 4
1111 = 2
7:4 FLL1_FD_GAIN_
FINE[3:0]
0xF FLL1 Frequency Detector Gain 2
Gain is 2–X, where X is FLL1_FD_GAIN_FINE in integer coding.
0000 = 1
0001 = 0.5
0010 = 0.25
0011 = 0.125
...
1101 = 2–13
1110 = 2–14
1111 = Reserved
3:0 FLL1_FD_GAIN_
COARSE[3:0]
0x0 FLL1 Frequency Detector Gain 1
Gain is 2–X, where X is FLL1_FD_GAIN_COARSE in 2’s complement coding.
0000 = 1
0001 = 0.5
0010 = 0.25
0011 = 0.125
0100 = 2–4
0101 = 2–5
0110 = 2–6
0111 = 2–7
1000 = 256
1001 = 128
1010 = 64
1011 = 32
1100 = 16
1101 = 8
1110 = 4
1111 = 2
R378 (0x017A)
FLL1_Control_10
15:14 FLL1_HP[1:0] 00 FLL1 Fractional Mode control
00 = Integer mode
01 = Reserved
10 = Reserved
11 = Fractional Mode
R379 (0x017B)
FLL1_Control_11
4:1 FLL1_LOCKDET_
THR[3:0]
0x8 FLL1 Lock Detect threshold
Valid from 0x0 (low threshold) to 0xF (high threshold)
0 FLL1_LOCKDET 1 FLL1 Lock Detect enabled
0 = Disabled
1 = Enabled
R381 (0x017D)
FLL1_Digital_
Tes t_ 1
1:0 FLL1_CLK_VCO_
FAST_SRC[1:0]
0x0 FLL1 Oscillator Frequency Control
00 = 45–50 MHz
01 = Reserved
10 = Reserved
11 = 270–300 MHz
Table 4-108. FLL1 Register Map (Cont.)
Register Address Bit Label Default Description
_‘ __— __— _— _— CIRRUS LOGIC” Register Address Bit Label Default Description R401(0x0191) 3:0 FLL27REFCLK7 0111 FLL2 Clock source 2 FLL27HDLD 1 FLL2 Hold Mode Enable 0 FLL27ENA 0 FLL2 Enable R40210x0192) 15 FLL27CTRL7UPD 0 FLL2 Control Update 9:0 FLL2,N[9:0] 0x004 FLLzlntegermuitiplylorF R403(0x0193) 15:0 FLL2, 0x0000 FLL2 Fractional multiplyforF EF, R404(0x0194) 15:0 FLL2, 0x0000 FLL2 Fractional multiplyforF EF, R405(0x0195) 9:0 FLL2,FB,DIV[9:0] 0x0001 FLchiock Feedbackratlo R406 (0x01%) 15 FLL27REFDET 1 FLL2 Relerence Detect control 7:6 FLL27REFCLK7 00 FLL2 Clock Relerence divider
DS1162F1 241
CS42L92
4.16 Clocking and Sample Rates
The FLL2 control registers are described in Table 4-109.
Table 4-109. FLL2 Register Map
Register Address Bit Label Default Description
R401 (0x0191)
FLL2_Control_1
3:0 FLL2_REFCLK_
SRC[3:0]
0111 FLL2 Clock source
0000 = MCLK1
0001 = MCLK2
0010 = MCLK3
0011 = SLIMCLK
1000 = AIF1BCLK
1001 = AIF2BCLK
1010 = AIF3BCLK
1100 = AIF1LRCLK
1101 = AIF2LRCLK
1110 = AIF3LRCLK
All other codes are
reserved
2 FLL2_HOLD 1 FLL2 Hold Mode Enable
0 = Disabled
1 = Enabled
The FLL feedback mechanism is halted in FLL Hold Mode, and the latest integrator
setting is maintained.
0 FLL2_ENA 0 FLL2 Enable
0 = Disabled
1 = Enabled
This should be set as the final step of the FLL2 enable sequence.
R402 (0x0192)
FLL2_Control_2
15 FLL2_CTRL_UPD 0 FLL2 Control Update
Write 1 to apply the FLL2 configuration field settings. (Only valid if FLL2_ENA = 1)
9:0 FLL2_N[9:0] 0x004 FLL2 Integer multiply for FREF
Coded as LSB = 1.
R403 (0x0193)
FLL2_Control_3
15:0 FLL2_
THETA[15:0]
0x0000 FLL2 Fractional multiply for FREF
.
Sets the numerator (multiply) part of the FLL2_THETA/FLL2_LAMBDA ratio.
Coded as LSB = 1.
R404 (0x0194)
FLL2_Control_4
15:0 FLL2_
LAMBDA[15:0]
0x0000 FLL2 Fractional multiply for FREF
.
Sets the denominator (dividing) part of the FLL2_THETA/FLL2_LAMBDA ratio.
Coded as LSB = 1.
R405 (0x0195)
FLL2_Control_5
9:0 FLL2_FB_DIV[9:0] 0x0001 FLL2 Clock Feedback ratio
Coded as LSB = 1.
R406 (0x0196)
FLL2_Control_6
15 FLL2_REFDET 1 FLL2 Reference Detect control
0 = Disabled
1 = Enabled
7:6 FLL2_REFCLK_
DIV[1:0]
00 FLL2 Clock Reference divider
00 = 1
01 = 2
10 = 4
11 = 8
MCLK (or other input reference) must be divided down to 13 MHz.
_‘ __— __— _— _— CIRRUS LOGIC” Register Address Bit Label Default Description R408 (0X0198) 15:12 FLL27FD7C3AIN7 0X2 FLL2 Pnase Detector Gain 2 11:8 FLL27FD7C3AIN7 0X1 FLL2 Pnase Detector Gain 1 7:4 FLL27FDiGAIN7 OxF FLL2 Frequency DetectorGainZ 3:0 FLL27FDiGAIN7 0x0 FLL2FrequencyDeteclorGain1 R410 (0X019A) 15:14 FLL27HP[1:0] 00 FLL2 Fractional Mode control R411 (0X01QB) 4:1 FLL27LOCKDET7 0X8 FLL2 Lock Detect tnresnoid 0 FLL27LOCKDET 1 FLL2 Lock Detect enabied R413 (0XO19D) 1:0 FLL27CLK7V007 0X0 FLL2 Osciilator Frequency Control
242 DS1162F1
CS42L92
4.16 Clocking and Sample Rates
4.16.8.8 FLL Interrupts and GPIO Output
For each FLL, the CS42L92 provides status signals that indicate whether the input reference is present and whether FLL
lock has been achieved (i.e., the FLL is locked to the input reference signal).
To enable the FLL lock indication, the FLLn_LOCKDET bit must be set. The FLL lock condition is measured with respect
to a configurable threshold that is set using FLLn_LOCKDET_THR. Note that the FLLn_LOCKDET_THR field controls the
lock indication only—it does not control the behavior of the FLL.
To enable the FLL input reference indication, the FLLn_REFDET bit must be set.
The FLL status signals are inputs to the interrupt control circuit and can be used to trigger an interrupt event when the input
reference is stopped or when the FLL lock status changes. See Section 4.15. Note that these interrupt signals are
debounced and require clocking to be present in order to assert the respective interrupt—either the 32-kHz clock or the
SYSCLK signal must be enabled to trigger an interrupt from the FLL signals.
R408 (0x0198)
FLL2_Control_8
15:12 FLL2_PD_GAIN_
FINE[3:0]
0x2 FLL2 Phase Detector Gain 2
Gain is 2–X, where X is FLL2_PD_GAIN_FINE in 2’s complement coding.
0000 = 1
0001 = 0.5
0010 = 0.25
0011 = 0.125
0100 = 2–4
0101 = 2–5
0110 = 2–6
0111 = 2–7
1000 = 256
1001 = 128
1010 = 64
1011 = 32
1100 = 16
1101 = 8
1110 = 4
1111 = 2
11:8 FLL2_PD_GAIN_
COARSE[3:0]
0x1 FLL2 Phase Detector Gain 1
Gain is 2–X, where X is FLL2_PD_GAIN_COARSE in 2’s complement coding.
0000 = 1
0001 = 0.5
0010 = 0.25
0011 = 0.125
0100 = 2–4
0101 = 2–5
0110 = 2–6
0111 = 2–7
1000 = 256
1001 = 128
1010 = 64
1011 = 32
1100 = 16
1101 = 8
1110 = 4
1111 = 2
7:4 FLL2_FD_GAIN_
FINE[3:0]
0xF FLL2 Frequency Detector Gain 2
Gain is 2–X, where X is FLL2_FD_GAIN_FINE in integer coding.
0000 = 1
0001 = 0.5
0010 = 0.25
0011 = 0.125
...
1101 = 2–13
1110 = 2–14
1111 = Reserved
3:0 FLL2_FD_GAIN_
COARSE[3:0]
0x0 FLL2 Frequency Detector Gain 1
Gain is 2–X, where X is FLL2_FD_GAIN_COARSE in 2’s complement coding.
0000 = 1
0001 = 0.5
0010 = 0.25
0011 = 0.125
0100 = 2–4
0101 = 2–5
0110 = 2–6
0111 = 2–7
1000 = 256
1001 = 128
1010 = 64
1011 = 32
1100 = 16
1101 = 8
1110 = 4
1111 = 2
R410 (0x019A)
FLL2_Control_10
15:14 FLL2_HP[1:0] 00 FLL2 Fractional Mode control
00 = Integer mode
01 = Reserved
10 = Reserved
11 = Fractional Mode
R411 (0x019B)
FLL2_Control_11
4:1 FLL2_LOCKDET_
THR[3:0]
0x8 FLL2 Lock Detect threshold
Valid from 0x0 (low threshold) to 0xF (high threshold)
0 FLL2_LOCKDET 1 FLL2 Lock Detect enabled
0 = Disabled
1 = Enabled
R413 (0x019D)
FLL2_Digital_
Tes t_ 1
1:0 FLL2_CLK_VCO_
FAST_SRC[1:0]
0x0 FLL2 Oscillator Frequency Control
00 = 45–50 MHz
01 = Reserved
10 = Reserved
11 = 270–300 MHz
Table 4-109. FLL2 Register Map (Cont.)
Register Address Bit Label Default Description
__- __— __— _— _— CIRRUS LOGIC"
DS1162F1 243
CS42L92
4.16 Clocking and Sample Rates
The FLL lock signal can be output directly on a GPIO pin as an external indication of the FLL status. See Section 4.14 to
configure a GPIO pin for these functions. (These GPIO outputs are not debounced and do not require clocking to be
present.)
Clock output signals derived from the FLL can be output on a GPIO pin. See Section 4.14 to configure a GPIO pin for this
function.
4.16.8.9 Example FLL Calculation
The following example illustrates how to derive the FLL1 register fields to generate an FLL output frequency (FFLL) of
49.152 MHz from a 12.000-MHz reference clock (FREF). This is suitable for generating SYSCLK at 98.304 MHz and
DSPCLK at 147.456 MHz.
1. Set FLL1_REFCLK_DIV to generate FREF 13 MHz:
FLL1_REFCLK_DIV = 00 (divide by 1)
2. Determine if Integer Mode or Fractional Mode is required:
FFLL / FREF is 4.096. Therefore, Fractional Mode applies.
3. Identify the input clock frequency range:
FREF 1.152 MHz. This is high clock frequency.
4. Calculate the FLL oscillator frequency, FOSC:
In Fractional Mode, with high clock frequency input, FOSC = FFLL × 6 = 294.912 MHz
5. Select the required value of FLL1_FB_DIV:
In Fractional Mode, with high clock frequency input, FLL1_FB_DIV = 1
6. Calculate N.K as given by N.K = FOSC / (FLL1_FB_DIV × FREF):
N.K = 294912000 / (1 × 12000000) = 24.576
7. Confirm that the calculated value of N is within the valid range for fractional mode (4–255).
8. Determine FLL1_N from the integer portion of N.K:
FLL1_N = 24 (0x018)
9. Determine GCD(FLL), as given by GCD(FLL) = GCD(FLL1_FB_DIV × FREF
, FOSC):
GCD(FLL) = GCD(1 × 12000000, 294912000) = 96000
10.Determine FLL1_THETA, as given by FLL1_THETA = (FOSC – (FLL1_N × FLL1_FB_DIV × FREF)) / GCD(FLL):
FLL1_THETA = (294912000 – (24 × 1 × 12000000)) / 96000
FLL1_THETA = 72 (0x0048)
11. Determine FLL1_LAMBDA, as given by FLL1_LAMBDA = (FLL1_FB_DIV x FREF) / GCD(FLL):
FLL1_LAMBDA = (1 × 12000000) / 96000
FLL1_LAMBDA = 125 (0x007D)
12.Determine other FLL settings as specified in Table 4-107 for Fractional Mode and high clock frequency input:
FLL1_PD_GAIN_FINE = 0x2
FLL1_PD_GAIN_COARSE = 0x1
FLL1_FD_GAIN_FINE = 0xF
FLL1_FD_GAIN_COARSE = 0x0
FLL1_CLK_VCO_FAST_SRC = 0x3
FLL1_HP = 0x3
_‘ __— __— _— _— CIRRUS LOGIC” FLL 7 FLL 7 32.000 kHz 49.152 1 4 304 0x100 0x0000 0x0001 32.768 kHz 49.152 1 4 375 0x177 0x0000 0x0001 44.100 kHz 49.152 1 256 4.3537415 0x004 0x0034 0x0093 40 KHZ 49,152 1 4 256 0x100 0x0000 0x0001 120 kHz 49.152 1 4 96 0x060 0x0000 0x0001 9.6 MHZ 49.152 1 1 30,72 0x011; 0x0012 0x0019 10 MHZ 49.152 1 1 29.4912 0x010 0x0133 0x0271 11.2096 MHZ 49,152 1 1 26.12245 OXO1A 0x0006 0x0031 12.000 MHZ 49.152 1 1 24.576 0x010 0x0048 0x007D 12.200 MHZ 49.152 1 1 4 0x004 0x0000 0x0001 13.000 MHZ 49.152 1 1 22.60554 0x016 0x045A 0x0659 19.200 MHZ 49.152 2 1 30,72 0x011; 0x0012 0x0019 22.5792 MHZ 49.152 2 1 26.12245 OXO1A 0x0006 0x0031 24 MHZ 49,152 2 1 24,576 0x010 0x0048 0x007D 24.576 MHZ 49.152 2 1 4 0x004 0x0000 0x0001 26 MHZ 49,152 2 1 22.60554 0x016 0x045A 0x0659
244 DS1162F1
CS42L92
4.17 Control Interface
4.16.8.10 Example FLL Settings
Table 4-110 shows FLL settings for generating an output frequency (FFLL) of 49.152 MHz from a variety of low- and
high-frequency reference inputs. This is suitable for generating SYSCLK at 98.304 MHz and DSPCLK at 147.456 MHz.
4.17 Control Interface
The CS42L92 is controlled by read/write access to its control registers. The control interface supports 2-wire (I2C) and
4-wire (SPI) modes. Note that the SLIMbus interface also supports read/write access to the CS42L92 control registers;
see Section 4.10.
The CS42L92 executes a boot sequence following power-on reset, hardware reset, software reset, or wake-up from Sleep
Mode. Note that control register writes should not be attempted until the boot sequence has completed. See Section 4.22
for further details.
The control interface function can be supported with or without system clockingthere is no requirement for SYSCLK, or
any other system clock, to be enabled when accessing the register map.
Timing specifications for each of the control interfaces are provided in Table 3-19Table 3-21. In some applications,
additional system-wide constraints must be observed to ensure control interface limits are not exceeded. Full details of
these requirements are provided in Section 4.16.7. These constraints need to be considered if any of the following
conditions is true.
SYSCLK is enabled and is < 22.5792 MHz
Control-register access is scheduled at register address 0x80000 or above
Control-register access is scheduled on more than one of the control interfaces simultaneously
The control interface can be configured as a 2-wire (I2C) or 4-wire (SPI) interface. The mode is determined by the logic
level on the CIFMODE pin, as described in Table 4-111.
Table 4-110. Example FLL Settings
FSOURCE FFLL (MHz) FREF Divider1
1.See Table 4-108 and Table 4-109 for the coding of the FLLn_REFCLK_DIV and FLLn_FB_DIV fields.
FB_DIV1N.K 2
2.N.K values are represented in the FLLn_N, FLLn_THETA, and FLLn_LAMBDA fields.
FLLn_N FLLn_
THETA
FLLn_
LAMBDA
32.000 kHz 49.152 1 4 384 0x180 0x0000 0x0001
32.768 kHz 49.152 1 4 375 0x177 0x0000 0x0001
44.100 kHz 49.152 1 256 4.3537415 0x004 0x0034 0x0093
48 kHz 49.152 1 4 256 0x100 0x0000 0x0001
128 kHz 49.152 1 4 96 0x060 0x0000 0x0001
9.6 MHz 49.152 1 1 30.72 0x01E 0x0012 0x0019
10 MHz 49.152 1 1 29.4912 0x01D 0x0133 0x0271
11.2896 MHz 49.152 1 1 26.12245 0x01A 0x0006 0x0031
12.000 MHz 49.152 1 1 24.576 0x018 0x0048 0x007D
12.288 MHz 49.152 1 1 4 0x004 0x0000 0x0001
13.000 MHz 49.152 1 1 22.68554 0x016 0x045A 0x0659
19.200 MHz 49.152 2 1 30.72 0x01E 0x0012 0x0019
22.5792 MHz 49.152 2 1 26.12245 0x01A 0x0006 0x0031
24 MHz 49.152 2 1 24.576 0x018 0x0048 0x007D
24.576 MHz 49.152 2 1 4 0x004 0x0000 0x0001
26 MHz 49.152 2 1 22.68554 0x016 0x045A 0x0659
_‘ __— __— _— _— CIRRUS LOGIC” CIFMODE lnlerlace Mode Pin Functions Logic 1 Fourrwire (SPI) interface CIFMISO~Dala output CIFSS Logic 0 Tonwire (IZC) lnteriace CIFSCLKilnteriace clock mpul Mole: The CIFMOSI and CIFSDA functlons are multiplexed on a dualrfunction pin, Register Address Bit Label Default Description Ra (among) 7 ClF1M|SOiPD CIFMISO Pulerown Control
DS1162F1 245
CS42L92
4.17 Control Interface
An integrated pull-down resistor is provided on the CIF1MISO pin. This provides a flexible capability for interfacing with
other devices. The pull-down is configured using the CIF1MISO_PD bit, as described in Table 4-112.
A detailed description of the I2C and SPI interface modes is provided in the following sections.
4.17.1 Four-Wire (SPI) Control Mode
The SPI control interface mode is supported using the CIFSS, CIFSCLK, CIFMOSI, and CIFMISO pins.
In write operations (R/W = 0), the MOSI pin input is driven by the controlling device.
In read operations (R/W = 1), the MOSI pin is ignored following receipt of the valid register address.
If SS is asserted (Logic 0), the MISO output is actively driven when outputting data and is high impedance at other times.
If SS is not asserted, the MISO output is high impedance.
The high-impedance state of the MISO output allows the pin to be shared with other slaves. An internal pull-down resistor
can be enabled on the MISO pin, as described in Table 4-112.
Data transfers on the SPI interface must use the applicable message format, according to the register address space that
is being accessed:
When accessing register addresses below R12288 (0x3000), the applicable SPI protocol comprises a 31-bit register
address and 16-bit data words.
When accessing register addresses from R12888 (0x3000) upwards, the applicable SPI protocol comprises a 31-bit
register address and 32-bit data words.
Note that, in all cases, the complete SPI message protocol also includes a read/write bit and a 16-bit padding phase
(see Fig. 4-67 and Fig. 4-68 below).
Continuous read and write modes enable multiple register operations to be scheduled faster than is possible with single
register operations. In these modes, the CS42L92 automatically increments the register address at the end of each data
word, for as long as SS is held low and SCLK is toggled. Successive data words can be input/output every 16 (or 32) clock
cycles (depending on the applicable register address space).
The SPI protocol is shown in Fig. 4-67 and Fig. 4-68. Note that 16-bit data words are shown, but the equivalent protocol
also applies to 32-bit data words.
Table 4-111. CS42L92 Control Interface Summary
CIFMODE Interface Mode Pin Functions
Logic 1 Four-wire (SPI) interface CIFMISO—Data output
CIFMOSI—Data input
CIFSCLK—Interface clock input
CIFSS—Slave select input
Logic 0 Two-wire (I2C) interface CIFSCLK—Interface clock input
CIFSDA—Data input/output
Note: The CIFMOSI and CIFSDA functions are multiplexed on a dual-function pin.
Table 4-112. Control Interface Pull-Down
Register Address Bit Label Default Description
R8 (0x0008)
Ctrl_IF_CFG_1
7 CIF1MISO_PD 0 CIFMISO Pull-Down Control
0 = Disabled
1 = Enabled
_‘ __— __— _— _— 31‘ 31‘ CIRRUS LOGIC”
246 DS1162F1
CS42L92
4.17 Control Interface
Fig. 4-67 shows a single register write to a specified address.
Figure 4-67. Control Interface SPI Register Write (16-Bit Data Words)
Fig. 4-68 shows a single register read from a specified address.
Figure 4-68. Control Interface SPI Register Read (16-Bit Data Words)
4.17.2 Two-Wire (I2C) Control Mode
The I2C control interface mode is supported using the CIFSCLK and CIFSDA pins.
In I2C Mode, the CS42L92 is a slave device on the control interface; SCLK is a clock input, while SDA is a bidirectional
data pin. To allow arbitration of multiple slaves (and/or multiple masters) on the same interface, the CS42L92 transmits
Logic 1 by tristating the SDA pin, rather than pulling it high. An external pull-up resistor is required to pull the SDA line high
so that the Logic 1 can be recognized by the master.
In order to allow many devices to share a single two-wire control bus, every device on the bus has a unique 8-bit device
ID (this is not the same as the address of each register in the CS42L92).
The CS42L92 device ID is 0011_0100 (0x34). Note that the LSB of the device ID is the read/write bit; this bit is set to Logic
1 for read and Logic 0 for write.
The CS42L92 operates as a slave device only. The controller indicates the start of data transfer with a high-to-low
transition on SDA while SCLK remains high. This indicates that a device ID and subsequent address/data bytes follow.
The CS42L92 responds to the start condition and shifts in the next 8 bits on SDA (8-bit device ID, including read/write bit,
MSB first). If the device ID received matches the device ID of the CS42L92, the CS42L92 responds by pulling SDA low
on the next clock pulse (ACK). If the device ID is not recognized or the R/W bit is set incorrectly, the CS42L92 returns to
the idle condition and waits for a new start condition.
If the device ID matches the device ID of the CS42L92, the data transfer continues. The controller indicates the end of
data transfer with a low-to-high transition on SDA while SCLK remains high. After receiving a complete address and data
sequence the CS42L92 returns to the idle state and waits for another start condition. If a start or stop condition is detected
out of sequence at any point during data transfer (i.e., SDA changes while SCLK is high), the device returns to the idle
condition.
A30MOSI
SCLK
31-bit register address 16-bit data word
R/W
SS
A29 X X XX B14 B0B1A1 A0 B15
16-bit padding
A30MOSI
SCLK
31-bit register address 16-bit data word
MISO
R/W
SS
A29 X X XX X XX
B14 B0B1
A1 A0 X
B15
16-bit padding
_‘ __— __— _— _— CIRRUS LOGIC”
DS1162F1 247
CS42L92
4.17 Control Interface
Data transfers on the I2C interface must use the applicable message format, according to the register address space that
is being accessed:
When accessing register addresses below R12288 (0x3000), the applicable I2C protocol comprises a 32-bit register
address and 16-bit data words.
When accessing register addresses from R12888 (0x3000) upwards, the applicable I2C protocol comprises a 32-bit
register address and 32-bit data words.
Note that, in all cases, the complete I2C message protocol also includes a device ID, a read/write bit, and other
signaling bits (see Fig. 4-69 and Fig. 4-70).
The CS42L92 supports the following read and write operations:
Single write
Single read
Multiple write
Multiple read
Continuous (multiple) read and write modes allow register operations to be scheduled faster than is possible with single
register operations. In these modes, the CS42L92 automatically increments the register address after each data word.
Successive data words can be input/output every 2 (or 4) data bytes, depending on the applicable register address space.
The I2C protocol for a single, 16-bit register write operation is shown in Fig. 4-69.
Figure 4-69. Control Interface I2C Register Write (16-Bit Data Words)
The I2C protocol for a single, 16-bit register read operation is shown in Fig. 4-70.
Figure 4-70. Control Interface I2C Register Read (16-Bit Data Words)
The control interface also supports other register operations; the interface protocol for these operations is shown in
Fig. 4-71 through Fig. 4-74. The terminology used in the following figures is detailed in Table 4-113.
A25
D7 D1 A31
SDA
SCLK
device ID register address A15–A8
A24 A15 A8
Note: The SDA pin is used as input for the control register address and data; SDA
is pulled low by the receiving device to provide the acknowledge (ACK) response
R/W A9 A7
register address A31–A24
register address A7 –A0
START (Write) ACK ACK ACK
A17A23 A16
register address A23–A16 ACK
data bits B15–B 8
B15 B8 B1 B0B9 B7
data bits B7– B0ACK ACK
A1 A0
ACK STOP
A25
D7 D1 A31
SDA
SCLK
device ID
A24
Note: The SDA pin is driven by both the master and slave devices in turn
to transfer device address, register address, data and ACK responses
R/W
register address A31–A24
START (Write) ACK
A17A23 A16
register address A23–A16
device ID
D7 B9 B8D1 B15
data bits B 15–B8ACK ACK
R/W
(Read)
B1 B0B7
data bits B7–B0ACK STOPACK
Rpt
START
A1 A0
register address A7–A0
register address A15–A8
A15 A8A9 A7
ACKACK
_‘ __— __— _— _— CIRRUS LOGIC” Terminology Description 5 Start condition Sr Repeated stan A Acknowiedge (SDA low) 3 Not acknowiedge (SDA high) P Slop condition , Read/not wnte [White neid] Data now imm bus master to 054192 [Gray neid] Data now imm CS42L92 to bus master
248 DS1162F1
CS42L92
4.17 Control Interface
Note that 16-bit data words are shown in these illustrations. The equivalent protocol is also applicable to 32-bit words, with
4 data bytes transmitted (or received) instead of 2.
Fig. 4-71 shows a single register write to a specified address.
Figure 4-71. Single-Register Write to Specified Address
Fig. 4-72 shows a single register read from a specified address.
Figure 4-72. Single-Register Read from Specified Address
Fig. 4-73 shows a multiple register write to a specified address.
Figure 4-73. Multiple-Register Write to Specified Address
Table 4-113. Control Interface (I2C) Terminology
Terminology Description
S Start condition
Sr Repeated start
A Acknowledge (SDA low)
ANot acknowledge (SDA high)
P Stop condition
R/W Read/not write
0 = Write; 1 = Read
[White field] Data flow from bus master to CS42L92
[Gray field] Data flow from CS42L92 to bus master
Device IDS A Address Byte [3]
(0)
A
8-Bit Device ID 8 bits
Address Byte [2] A
8 bits
Address Byte [1] A
8 bits
A
8 bits
MSByte Data ALSByte Data A P
8 bits 8 bits
Address Byte [0]
(Most Significant Byte ) (Least Significant Byte )
R/W
Device IDS A
(0)
Device IDSr A PMSByte Data
(1)
LSByte DataA A
Address Byte [3] AA Address Byte [2] Address Byte [1]
A
AAddress Byte [0]
(Most Significant Byte ) (Least Significant Byte )
R/W
R/W
Device IDS A Address Byte [3]
(0)
A
MSByte Data 0 ALSByte Data 0 A
Written to Register Address
AMSByte Data N ALSByte Data N A P
Written to Register Address + N
AMSByte Data N-1 ALSByte Data N-1
Written to Register Address + N - 1
Address Byte [2] AAddress Byte [1] AAddress Byte [0]
AMSByte Data 1 ALSByte Data 1 A
Written to Register Address + 1
R/W
_‘ __— __— _— _— CIRRUS LOGIC”
DS1162F1 249
CS42L92
4.18 Control-Write Sequencer
Fig. 4-74 shows a multiple register read from a specified address.
Figure 4-74. Multiple-Register Read from Specified Address
4.18 Control-Write Sequencer
The control-write sequencer is a programmable unit that forms part of the CS42L92 control interface logic. It provides the
ability to perform a sequence of register-write operations with the minimum of demands on the host processorthe
sequence may be initiated by a single operation from the host processor and then left to execute independently.
Default sequences for pop-suppressed start-up and shutdown of each headphone/earpiece output driver are provided
(these are scheduled automatically when the respective output paths are enabled or disabled). Other control sequences
can be programmed, and may be associated with sample-rate detection, DRC, MICDET clamp, or event logger status;
these sequences are automatically scheduled whenever a corresponding event is detected.
When a sequence is initiated, the sequencer performs a series of predefined register writes. The start index of a control
sequence within the sequencer’s memory may be commanded directly by the host processor. The applicable start index
for each of the sequences associated with sample-rate detection, DRC, MICDET clamp, or event logger status is held in
a user-programmed control register.
The control-write sequencer may be triggered by a number of different events. Multiple sequences are queued if
necessary, and each is scheduled in turn.
The control-write sequencer can be supported with or without system clockingthere is no requirement for SYSCLK or for
any other system clock to be enabled when using the control-write sequencer. The timing accuracy of the sequencer
operation is improved when SYSCLK is present, but the general functionality is supported with or without SYSCLK.
4.18.1 Initiating a Sequence
The fields associated with running the control-write sequencer are described in Table 4-114.
The CS42L92 provides 16 general-purpose trigger bits for the write sequencer to allow easy triggering of the associated
control sequences. Writing 1 to the trigger bit initiates a control sequence, starting at the respective index position within
the control-write sequencer memory.
The WSEQ_TRG1_INDEX field defines the sequencer start index corresponding to the WSEQ_TRG1 trigger control bit.
Equivalent start index fields are provided for each trigger control bit, as described in Table 4-114. Note that a sequencer
start index of 0x1FF causes the respective sequence to be aborted.
The general-purpose control sequences are undefined following power-on reset, a hardware reset, or a Sleep Mode
transition. The general-purpose control sequences must be reconfigured by the host processor following any of these
events. Note that all control sequences are maintained in the sequencer memory through software reset.
The write sequencer can also be commanded using control bits in register R22 (0x16). In this case, the write sequencer
is enabled using the WSEQ_ENA bit and the index location of the first command in the sequence is held in the WSEQ_
START_INDEX field. Writing 1 to the WSEQ_START bit commands the sequencer to execute a control sequence, starting
at the specified index position. Note that, if the sequencer is already running, the WSEQ_START command is queued and
executed when the sequencer becomes available.
Sr
Device IDS A Address Byte [3]
(0)
A
Device ID A
(1)
Read from Register Address
MSByte Data 0 LSByte Data 0A A
PMSByte Data N LSByte Data NA AAMSByte Data N-1 LSByte Data N-1AA
Read from Register Address + NRead from Register Address + N - 1
Address Byte [2] AAddress Byte [1] AAddress Byte [0]
AR/W
R/W
_‘ __— __— _— _— CIRRUS LOGIC” Register Address Bit Label Default Descrlption R22 (0X0016) 11 WSEQiABORT 0 Writing 1 to this bit aborls the current Sequence, 10 WSEQiSTART 0 Writing 1 to this bit Stans the write sequencer at the index location seiected by WSEQ, 9 WSEQiENA 0 Write Sequencer Enable 8:0 WSEQ, 0x000 Sequence Start Index. Contains the index location in the sequencer memory ol the lirsl R66 (0X0042) 15 WSEQiTRG16 0 Write Sequence Trigger 16 14 WSEQiTRG15 0 Write Sequence Trigger 15 13 WSEQiTRGM 0 Write Sequence Trigger 14 12 WSEQiTRG13 0 Write Sequence Trigger 13 11 WSEQiTRG12 0 Write Sequence Trigger 12 10 WSEQiTRG11 0 Write Sequence Trigger 11 9 WSEQiTRG10 0 Write Sequence Trigger 10 8 WSEQiTRGQ 0 Write Sequence Trigger 9 7 WSEQiTRGE 0 Write Sequence Trigger 8 6 WSEQiTRG7 0 Write Sequence Trigger 7 5 WSEQiTRGG 0 Write Sequence Trigger 6 4 WSEQiTRGS 0 Write Sequence Trigger 5 3 WSEQiTRGLl 0 Write Sequence Trigger 4 2 WSEQiTRGS 0 Write Sequence Trigger 3 1 WSEQiTRGZ 0 Write Sequence Trigger 2 0 WSEQiTRG1 0 Write Sequence Trigger 1
250 DS1162F1
CS42L92
4.18 Control-Write Sequencer
Note: The mechanism for queuing multiple sequence requests has limitations when the WSEQ_START bit is used to
trigger the write sequencer. If a sequence is initiated using the WSEQ_START bit, no other control sequences
should be triggered until the sequence completes. The WSEQ_BUSY bit (described in Table 4-120) provides an
indication of the sequencer status and can be used to confirm the sequence has completed.
Multiple control sequences triggered by any other method are queued if necessary, and scheduled in turn.
The write sequencer can be interrupted by writing 1 to the WSEQ_ABORT bit. Note that this command only aborts a
sequence that is currently running; if other sequence commands are pending and not yet started, these sequences are
not aborted by writing to the WSEQ_ABORT bit.
The write sequencer stores up to 508 register-write commands. These are defined in registers R12288 (0x3000) through
R13302 (0x33F6). See Table 4-121 for a description of these registers.
Table 4-114. Write Sequencer ControlInitiating a Sequence
Register Address Bit Label Default Description
R22 (0x0016)
Write_Sequencer_
Ctrl_0
11 WSEQ_ABORT 0 Writing 1 to this bit aborts the current sequence.
10 WSEQ_START 0 Writing 1 to this bit starts the write sequencer at the index location selected by WSEQ_
START_INDEX. At the end of the sequence, this bit is reset by the write sequencer.
9 WSEQ_ENA 0 Write Sequencer Enable
0 = Disabled
1 = Enabled
Only applies to sequences triggered using the WSEQ_START bit.
8:0 WSEQ_
START_
INDEX[8:0]
0x000 Sequence Start Index. Contains the index location in the sequencer memory of the first
command in the selected sequence.
Only applies to sequences triggered using the WSEQ_START bit.
Valid from 0 to 507 (0x1FB).
R66 (0x0042)
Spare_Triggers
15 WSEQ_TRG16 0 Write Sequence Trigger 16
Write 1 to trigger
14 WSEQ_TRG15 0 Write Sequence Trigger 15
Write 1 to trigger
13 WSEQ_TRG14 0 Write Sequence Trigger 14
Write 1 to trigger
12 WSEQ_TRG13 0 Write Sequence Trigger 13
Write 1 to trigger
11 WSEQ_TRG12 0 Write Sequence Trigger 12
Write 1 to trigger
10 WSEQ_TRG11 0 Write Sequence Trigger 11
Write 1 to trigger
9 WSEQ_TRG10 0 Write Sequence Trigger 10
Write 1 to trigger
8 WSEQ_TRG9 0 Write Sequence Trigger 9
Write 1 to trigger
7 WSEQ_TRG8 0 Write Sequence Trigger 8
Write 1 to trigger
6 WSEQ_TRG7 0 Write Sequence Trigger 7
Write 1 to trigger
5 WSEQ_TRG6 0 Write Sequence Trigger 6
Write 1 to trigger
4 WSEQ_TRG5 0 Write Sequence Trigger 5
Write 1 to trigger
3 WSEQ_TRG4 0 Write Sequence Trigger 4
Write 1 to trigger
2 WSEQ_TRG3 0 Write Sequence Trigger 3
Write 1 to trigger
1 WSEQ_TRG2 0 Write Sequence Trigger 2
Write 1 to trigger
0 WSEQ_TRG1 0 Write Sequence Trigger 1
Write 1 to trigger
_‘ __— __— _— _— CIRRUS LOGIC” Register Address Bit Label Default Descrlption R75 (0x004B) 8:0 WSEQiTRG17 0X1FF Write Sequence trigger 1 start index: Contains the index iocatioh in the sequencer R76 (0x004C) 8:0 WSEQiTR627 0X1FF Write Sequence trigger 1 start index: Contains the index iocatioh in the sequencer R77 (0x004D) 8:0 WSEQiTRGCL 0X1FF Write Sequence trigger 1 start index: Contains the index iocatioh in the sequencer R78 (0x004E) 8:0 WSEQiTRGLL 0X1FF Write Sequence trigger 1 start index: Contains the index iocatioh in the sequencer R79 (0x004F) 8:0 WSEQiTR657 0X1FF Write Sequence trigger 1 start index: Contains the index iocatioh in the sequencer R80 (0x0050) 8:0 WSEQiTRGei 0X1FF Write Sequence trigger 1 start index: Contains the index iocatioh in the sequencer R89 (0x0059) 8:0 WSEQiTRG77 0X1FF Write Sequence trigger 1 start index: Contains the index iocatioh in the sequencer R90 (0x005A) 8:0 WSEQiTRG87 0X1FF Write Sequence trigger 1 start index: Contains the index iocatioh in the sequencer R91 (0x005i3) 8:0 WSEQiTRG97 0X1FF Write Sequence trigger 1 start index: Contains the index iocatioh in the sequencer R92 (0x005C) 8:0 WSEQ, 0X1FF Write Sequence trigger 1 start index: Contains the index iocatioh in the sequencer R93 (0x005D) 8:0 WSEQ, 0X1FF Write Sequence trigger 1 start index. Contains the index iocatioh in the sequencer R94 (0x005E) 8:0 WSEQ, 0X1FF Write Sequence trigger 1 start index: Contains the index iocatioh in the sequencer R104 (0X0068) 8:0 WSEQ, 0X1FF Write Sequence trigger 1 start index: Contains the index iocatioh in the sequencer R105 (0X0069) 8:0 WSEQ, 0X1FF Write Sequence trigger 1 start index: Contains the index iocatioh in the sequencer R106 (0X006A) 8:0 WSEQ, 0X1FF Write Sequence trigger 1 start index: Contains the index iocatioh in the sequencer R107 (0X006E) 8:0 WSEQ, 0X1FF Write Sequence trigger 1 start index: Contains the index iocatioh in the sequencer
DS1162F1 251
CS42L92
4.18 Control-Write Sequencer
4.18.2 Automatic Sample-Rate Detection Sequences
The CS42L92 supports automatic sample-rate detection on the digital audio interfaces (AIF1–AIF3) when operating in AIF
Slave Mode. Automatic sample-rate detection is enabled by setting RATE_EST_ENA—see Table 4-104.
R75 (0x004B)
Spare_Sequence_
Select_1
8:0 WSEQ_TRG1_
INDEX[8:0]
0x1FF Write Sequence trigger 1 start index. Contains the index location in the sequencer
memory of the first command in the sequence associated with the WSEQ_TRG1 trigger.
Valid from 0 to 507 (0x1FB).
R76 (0x004C)
Spare_Sequence_
Select_2
8:0 WSEQ_TRG2_
INDEX[8:0]
0x1FF Write Sequence trigger 1 start index. Contains the index location in the sequencer
memory of the first command in the sequence associated with the WSEQ_TRG2 trigger.
Valid from 0 to 507 (0x1FB).
R77 (0x004D)
Spare_Sequence_
Select_3
8:0 WSEQ_TRG3_
INDEX[8:0]
0x1FF Write Sequence trigger 1 start index. Contains the index location in the sequencer
memory of the first command in the sequence associated with the WSEQ_TRG3 trigger.
Valid from 0 to 507 (0x1FB).
R78 (0x004E)
Spare_Sequence_
Select_4
8:0 WSEQ_TRG4_
INDEX[8:0]
0x1FF Write Sequence trigger 1 start index. Contains the index location in the sequencer
memory of the first command in the sequence associated with the WSEQ_TRG4 trigger.
Valid from 0 to 507 (0x1FB).
R79 (0x004F)
Spare_Sequence_
Select_5
8:0 WSEQ_TRG5_
INDEX[8:0]
0x1FF Write Sequence trigger 1 start index. Contains the index location in the sequencer
memory of the first command in the sequence associated with the WSEQ_TRG5 trigger.
Valid from 0 to 507 (0x1FB).
R80 (0x0050)
Spare_Sequence_
Select_6
8:0 WSEQ_TRG6_
INDEX[8:0]
0x1FF Write Sequence trigger 1 start index. Contains the index location in the sequencer
memory of the first command in the sequence associated with the WSEQ_TRG6 trigger.
Valid from 0 to 507 (0x1FB).
R89 (0x0059)
Spare_Sequence_
Select_7
8:0 WSEQ_TRG7_
INDEX[8:0]
0x1FF Write Sequence trigger 1 start index. Contains the index location in the sequencer
memory of the first command in the sequence associated with the WSEQ_TRG7 trigger.
Valid from 0 to 507 (0x1FB).
R90 (0x005A)
Spare_Sequence_
Select_8
8:0 WSEQ_TRG8_
INDEX[8:0]
0x1FF Write Sequence trigger 1 start index. Contains the index location in the sequencer
memory of the first command in the sequence associated with the WSEQ_TRG8 trigger.
Valid from 0 to 507 (0x1FB).
R91 (0x005B)
Spare_Sequence_
Select_9
8:0 WSEQ_TRG9_
INDEX[8:0]
0x1FF Write Sequence trigger 1 start index. Contains the index location in the sequencer
memory of the first command in the sequence associated with the WSEQ_TRG9 trigger.
Valid from 0 to 507 (0x1FB).
R92 (0x005C)
Spare_Sequence_
Select_10
8:0 WSEQ_
TRG10_
INDEX[8:0]
0x1FF Write Sequence trigger 1 start index. Contains the index location in the sequencer
memory of the first command in the sequence associated with the WSEQ_TRG10
trigger.
Valid from 0 to 507 (0x1FB).
R93 (0x005D)
Spare_Sequence_
Select_11
8:0 WSEQ_
TRG11_
INDEX[8:0]
0x1FF Write Sequence trigger 1 start index. Contains the index location in the sequencer
memory of the first command in the sequence associated with the WSEQ_TRG11
trigger.
Valid from 0 to 507 (0x1FB).
R94 (0x005E)
Spare_Sequence_
Select_12
8:0 WSEQ_
TRG12_
INDEX[8:0]
0x1FF Write Sequence trigger 1 start index. Contains the index location in the sequencer
memory of the first command in the sequence associated with the WSEQ_TRG12
trigger.
Valid from 0 to 507 (0x1FB).
R104 (0x0068)
Spare_Sequence_
Select_13
8:0 WSEQ_
TRG13_
INDEX[8:0]
0x1FF Write Sequence trigger 1 start index. Contains the index location in the sequencer
memory of the first command in the sequence associated with the WSEQ_TRG13
trigger.
Valid from 0 to 507 (0x1FB).
R105 (0x0069)
Spare_Sequence_
Select_14
8:0 WSEQ_
TRG14_
INDEX[8:0]
0x1FF Write Sequence trigger 1 start index. Contains the index location in the sequencer
memory of the first command in the sequence associated with the WSEQ_TRG14
trigger.
Valid from 0 to 507 (0x1FB).
R106 (0x006A)
Spare_Sequence_
Select_15
8:0 WSEQ_
TRG15_
INDEX[8:0]
0x1FF Write Sequence trigger 1 start index. Contains the index location in the sequencer
memory of the first command in the sequence associated with the WSEQ_TRG15
trigger.
Valid from 0 to 507 (0x1FB).
R107 (0x006B)
Spare_Sequence_
Select_16
8:0 WSEQ_
TRG16_
INDEX[8:0]
0x1FF Write Sequence trigger 1 start index. Contains the index location in the sequencer
memory of the first command in the sequence associated with the WSEQ_TRG16
trigger.
Valid from 0 to 507 (0x1FB).
Table 4-114. Write Sequencer ControlInitiating a Sequence (Cont.)
Register Address Bit Label Default Description
_‘ __— __— _— _— CIRRUS LOGIC” Register Address Eil Label Default Description R97 (0x0061) 820 WSEflisAMPLEi 0x1 FF Samp‘e Rate A Wnte Sequence Start \ndex. Contams the index locatwoh m the R98 (0x0062) 820 WSEflisAMPLEi 0x1 FF Samp‘e Rate B Wnte Sequence Start \ndex. Contams the index locatwoh m the R99 (0x0063) 820 WSEflisAMPLEi 0x1 FF Samp‘e Rate C Wnte Sequence start index. Contams the index locatwoh m the R100 (0X0064) 8:0 WSEflisAMPLEi 0x1 FF Samp‘e Rate D Wnte Sequence start index. Contams the index locatwoh m the
252 DS1162F1
CS42L92
4.18 Control-Write Sequencer
As many as four audio sample rates can be configured for automatic detection; these sample rates are selected using the
SAMPLE_RATE_DETECT_n fields. If a selected audio sample rate is detected, the control-write sequencer is triggered.
The applicable start index location within the sequencer memory is separately configurable for each detected sample rate.
The WSEQ_SAMPLE_RATE_DETECT_A_INDEX field defines the sequencer start index corresponding to the SAMPLE_
RATE_DETECT_A sample rate. Equivalent start index fields are defined for the other sample rates, as described in
Table 4-115.
Note that a sequencer start index of 0x1FF causes the respective sequence to be aborted.
The automatic sample-rate detection control sequences are undefined following power-on reset, a hardware reset, or a
Sleep Mode transition. The automatic sample-rate detection control sequences must be reconfigured by the host
processor following any of these events. Note that all control sequences are maintained in the sequencer memory through
software reset.
See Section 4.16 for further details of the automatic sample-rate detection function.
4.18.3 DRC Signal-Detect Sequences
The DRC function within the CS42L92 digital core provides a configurable signal-detect function. This allows the signal
level at the DRC input to be monitored and used to trigger other events.
The DRC signal-detect functions are enabled and configured using the fields described in Table 4-17 and Table 4-18 for
DRC1 and DRC2 respectively.
A control-write sequence can be associated with a rising edge and/or a falling edge of the DRC1 signal-detect output. This
is enabled by setting DRC1_WSEQ_SIG_DET_ENA, as described in Table 4-17.
Note that signal detection is supported on DRC1 and DRC2, but the triggering of the control-write sequencer is available
on DRC1 only.
When the DRC signal-detect sequence is enabled, the control-write sequencer is triggered whenever the DRC1
signal-detect output transitions (high or low). The applicable start index location within the sequencer memory is separately
configurable for each logic condition.
The WSEQ_DRC1_SIG_DET_RISE_SEQ_INDEX field defines the sequencer start index corresponding to a DRC1
signal-detect rising edge event, as described in Table 4-116. The WSEQ_DRC1_SIG_DET_FALL_SEQ_INDEX field
defines the sequencer start index corresponding to a DRC1 signal-detect falling edge event.
Note that a sequencer start index of 0x1FF causes the respective sequence to be aborted.
The DRC signal-detect sequences cannot be independently enabled for rising and falling edges. Instead, a start index of
0x1FF can be used to disable the sequence for either edge, if required.
Table 4-115. Write Sequence ControlAutomatic Sample-Rate Detection
Register Address Bit Label Default Description
R97 (0x0061)
Sample_Rate_
Sequence_Select_1
8:0 WSEQ_SAMPLE_
RATE_DETECT_
A_INDEX[8:0]
0x1FF Sample Rate A Write Sequence start index. Contains the index location in the
sequencer memory of the first command in the sequence associated with Sample
Rate A detection.
Valid from 0 to 507 (0x1FB).
R98 (0x0062)
Sample_Rate_
Sequence_Select_2
8:0 WSEQ_SAMPLE_
RATE_DETECT_
B_INDEX[8:0]
0x1FF Sample Rate B Write Sequence start index. Contains the index location in the
sequencer memory of the first command in the sequence associated with Sample
Rate B detection.
Valid from 0 to 507 (0x1FB).
R99 (0x0063)
Sample_Rate_
Sequence_Select_3
8:0 WSEQ_SAMPLE_
RATE_DETECT_
C_INDEX[8:0]
0x1FF Sample Rate C Write Sequence start index. Contains the index location in the
sequencer memory of the first command in the sequence associated with Sample
Rate C detection.
Valid from 0 to 507 (0x1FB).
R100 (0x0064)
Sample_Rate_
Sequence_Select_4
8:0 WSEQ_SAMPLE_
RATE_DETECT_
D_INDEX[8:0]
0x1FF Sample Rate D Write Sequence start index. Contains the index location in the
sequencer memory of the first command in the sequence associated with Sample
Rate D detection.
Valid from 0 to 507 (0x1FB).
_‘ __— __— _— _— CIRRUS LOGIC” Register Address Bit Label Default Description R110 (OXOOSE) 8:0 WSEQiDRC17 0x1FF DRC1 Signaeretect (Rislng) Wnte Sequence start index. Contalns the index location ln R111 (OXOOSF) 8:0 WSEQiDRC17 0x1 FF DRC1 Signaeretect (Falllng)Write Sequence Start lndex, Contalns the index locatlon in Register Address Eil Label Default Description R102 (OXOOGS) 8:0 WSEQJWCD, 0x1 FF MICDET Clamp (Rising) Write Sequence start lndex. Contains the index locatlon in R103 (0x0067) 8:0 WSEQJWCD, 0x1 FF MICDET Clamp (Falllng)Write Sequence Startindex. Contains the index location in
DS1162F1 253
CS42L92
4.18 Control-Write Sequencer
The DRC signal-detect control sequences are undefined following power-on reset, a hardware reset, or a Sleep Mode
transition. The DRC signal-detect control sequences must be reconfigured by the host processor following any of these
events. Note that all control sequences are maintained in the sequencer memory through software reset.
See Section 4.3.5 for further details of the DRC function.
4.18.4 MICDET Clamp Sequences
The CS42L92 supports external accessory detection functions, including the MICDET clamp circuits. The MICDET clamp
status can be used to trigger the control-write sequencer. The MICDET clamps can be controlled using selectable logic
conditions in respect of the JDn signals, as described in Table 4-85.
A control-write sequence can be associated with a rising edge and/or a falling edge of the MICDET clamp status. This is
configured using the WSEQ_ENA_MICD_CLAMP_RISE and WSEQ_ENA_MICD_CLAMP_FALL bits, as described in
Table 4-85.
If one of the selected JDn logic conditions is detected, the control-write sequencer is triggered. Note that these
control-sequencer events are only valid if the clamp status changed in response to the JDn signals. The applicable start
index location within the sequencer memory is separately configurable for the rising and falling edge conditions.
Note that, due to control logic that is shared between the two MICDET clamps, the option to control both clamps in
response to the JDn signals cannot be supported at the same time. It is assumed that a maximum of one clamp is active
at any time. Accordingly, only the active clamp is capable of triggering the control-write sequencer.
The WSEQ_MICD_CLAMP_RISE_INDEX field defines the sequencer start index corresponding to a MICDET clamp
rising edge (clamp active) event, as described in Table 4-117. The WSEQ_MICD_CLAMP_FALL_INDEX field defines the
sequencer start index corresponding to a MICDET clamp falling edge event.
Note that a sequencer start index of 0x1FF causes the respective sequence to be aborted.
The MICDET clamp control sequences are undefined following power-on reset, a hardware reset, or a Sleep Mode
transition. The MICDET clamp control sequences must be reconfigured by the host processor following any of these
events. Note that all control sequences are maintained in the sequencer memory through software reset.
See Section 4.12 for further details of the MICDET clamp status signals.
4.18.5 Event Logger Sequences
The CS42L92 provides an event log function, for monitoring and recording internal or external signals. The logged events
are held in a FIFO buffer, from which the application software can read details of the detected logic transitions.
Table 4-116. Write Sequencer ControlDRC Signal-Detect
Register Address Bit Label Default Description
R110 (0x006E)
Trigger_
Sequence_
Select_32
8:0 WSEQ_DRC1_
SIG_DET_RISE_
INDEX[8:0]
0x1FF DRC1 Signal-Detect (Rising) Write Sequence start index. Contains the index location in
the sequencer memory of the first command in the sequence associated with DRC1
Signal-Detect (Rising) detection.
Valid from 0 to 507 (0x1FB).
R111 (0x006F)
Trigger_
Sequence_
Select_33
8:0 WSEQ_DRC1_
SIG_DET_FALL_
INDEX[8:0]
0x1FF DRC1 Signal-Detect (Falling) Write Sequence start index. Contains the index location in
the sequencer memory of the first command in the sequence associated with DRC1
Signal-Detect (Falling) detection.
Valid from 0 to 507 (0x1FB).
Table 4-117. Write Sequencer ControlMICDET Clamp
Register Address Bit Label Default Description
R102 (0x0066)
Always_On_Triggers_
Sequence_Select_1
8:0 WSEQ_MICD_
CLAMP_RISE_
INDEX[8:0]
0x1FF MICDET Clamp (Rising) Write Sequence start index. Contains the index location in
the sequencer memory of the first command in the sequence associated with
MICDET clamp (Rising) detection.
Valid from 0 to 507 (0x1FB).
R103 (0x0067)
Always_On_Triggers_
Sequence_Select_2
8:0 WSEQ_MICD_
CLAMP_FALL_
INDEX[8:0]
0x1FF MICDET Clamp (Falling) Write Sequence start index. Contains the index location in
the sequencer memory of the first command in the sequence associated with
MICDET clamp (Falling) detection.
Valid from 0 to 507 (0x1FB).
_‘ __— __— _— _— CIRRUS LOGIC” Register Address Bit Label Default Description R120 (excom) 23:0 WSEQ, 0x1FF Event Log 1 Write Sequence start index. Contains the index location in the sequencer Register Address Bit Label Default Description R24(0x0018) 1 WSEQJOOT, 0 Writing 1 to triis bit starts trie write sequencer at ttie index iocalion configured tor Register Address Bit Label Default Description R23 (0x0017) 9 WSEQJUSY o Sequencer Eusy flag (Read Only), 8:0 WSECLCURRENTi OXOOO Sequence Current Index. This indicates the memory location 0' the most recently
254 DS1162F1
CS42L92
4.18 Control-Write Sequencer
The control-write sequencer is automatically triggered whenever the NOT_EMPTY status of the event log buffer is
asserted.
The WSEQ_EVENTLOG1_INDEX field defines the sequencer start index corresponding to the event logger, as described
in Table 4-118.
Note that a sequencer start index of 0x1FF causes the respective sequence to be aborted.
The event logger control sequence is undefined following power-on reset, a hardware reset, or a Sleep Mode transition.
The event logger control sequence must be reconfigured by the host processor following any of these events. Note that
all control sequences are maintained in the sequencer memory through software reset.
See Section 4.5.1 for further details of the event logger.
4.18.6 Boot Sequence
The CS42L92 executes a boot sequence following power-on reset, hardware reset, software reset, or wake-up from Sleep
Mode. The boot sequence configures the CS42L92 with factory-set trim (calibration) data. See Section 4.22 and
Section 4.23 for further details.
The start index location of the boot sequence is 384 (0x180). See Table 4-123 for details of the write sequencer memory
allocation.
The boot sequence can be commanded at any time by writing 1 to the WSEQ_BOOT_START bit.
4.18.7 Sequencer Status Indication
The status of the write sequencer can be read using WSEQ_BUSY and WSEQ_CURRENT_INDEX, as described in
Table 4-120. When the WSEQ_BUSY bit is asserted, this indicates that the write sequencer is busy.
The index address of the most recent write sequencer command can be read from the WSEQ_CURRENT_INDEX field.
This can be used to provide a precise indication of the write sequencer progress.
4.18.8 Programming a Sequence
A control-write sequence comprises a series of write operations to data bits within the control register map. Standard write
operations are defined by five fields, contained within a single 32-bit register. An extended instruction set is also defined;
the associated actions make use of alternate definitions of the 32-bit registers.
Table 4-118. Write Sequencer ControlEvent Logger
Register Address Bit Label Default Description
R120 (0x0078)
Eventlog_
Sequence_
Select_1
8:0 WSEQ_
EVENTLOG1_
INDEX[8:0]
0x1FF Event Log 1 Write Sequence start index. Contains the index location in the sequencer
memory of the first command in the sequence associated with Event Log 1 FIFO
Not-Empty detection.
Valid from 0 to 507 (0x1FB).
Table 4-119. Write Sequencer ControlBoot Sequence
Register Address Bit Label Default Description
R24 (0x0018)
Write_Sequencer_
Ctrl_2
1 WSEQ_BOOT_
START
0 Writing 1 to this bit starts the write sequencer at the index location configured for
the Boot Sequence.
The Boot Sequence start index is 384 (0x180).
Table 4-120. Write Sequencer ControlStatus Indication
Register Address Bit Label Default Description
R23 (0x0017)
Write_Sequencer_
Ctrl_1
9 WSEQ_BUSY
(read only)
0 Sequencer Busy flag (Read Only).
0 = Sequencer idle
1 = Sequencer busy
8:0 WSEQ_CURRENT_
INDEX[8:0]
(read only)
0x000 Sequence Current Index. This indicates the memory location of the most recently
accessed command in the write sequencer memory.
Coding is the same as WSEQ_START_INDEX.
__- __— __— _— _— CIRRUS LOGIC"
DS1162F1 255
CS42L92
4.18 Control-Write Sequencer
The sequencer instruction fields are replicated 508 times, defining each of the sequencer’s 508 possible index addresses.
Many sequences can be stored in the sequencer memory at the same time, with each assigned a unique range of index
addresses. The WSEQ_DELAYn field is used to identify the end-of-sequence position, as described below.
The general definition of the sequencer instruction fields is described as follows, where n denotes the sequencer index
address (valid from 0 to 507):
• WSEQ_DATA_WIDTHn is a 3-bit field that identifies the width of the data block to be written. Note that the maximum
value of this field selects a width of 8 bits; writes to fields that are larger than 8 bits wide must be performed using
two separate operations of the write sequencer.
• WSEQ_ADDRn is a 12-bit field containing the register address in which the data should be written. The applicable
register address is referenced to the base address currently configured for the sequencer—it is calculated as: (base
address * 512) + WSEQ_ADDRn. Note that the base address is configured using the sequencer’s extended
instruction set.
•WSEQ_DELAYn is a 4-bit field that controls the waiting time between the current step and the next step in the
sequence (i.e., the delay occurs after the write in which it was called). The total delay time per step (including
execution) is defined below, giving a useful range of execution/delay times from 3.3 s up to 1 s per step.
If WSEQ_DELAYn = 0x0 or 0xF, the step execution time is 3.3 s
For all other values, the step execution time is 61.44 s x ((2 WSEQ_DELAY) – 1)
Setting this field to 0xF identifies the step as the last in the sequence
• WSEQ_DATA_STARTn is a 4-bit field that identifies the LSB position within the selected control register to which
the data should be written. For example, setting WSEQ_DATA_STARTn= 0100 selects bit [4] as the LSB position
of the data to be written.
•WSEQ_DATAn is an 8-bit field that contains the data to be written to the selected control register. The WSEQ_
DATA_WIDTHn field determines how many of these bits are written to the selected control register; the most
significant bits (above the number indicated by WSEQ_DATA_WIDTHn) are ignored.
The extended instruction set for the write sequencer is accessed by setting WSEQ_MODEn (bit [28]) in the respective
sequencer definition register. The extended instruction set comprises the following functions:
If bits [31:24] = 0x11, the register base address is set equal to the value contained in bits [23:0].
If bits [31:16] = 0x12FF, the sequencer performs an unconditional jump to the index location defined in bits [15:0].
The index location is valid in the range 0 to 507 (0x1FB).
All other settings within the extended instruction set are reserved.
The control field definitions for Step 0 are described in Table 4-121. The equivalent definitions also apply to Step 1 through
Step 507, in the subsequent register address locations.
_‘ __— __— _— _— CIRRUS LOGIC” Register Address Bit Label Default Description R12288 (0x3000) 31 :29 WSEQJJATA, 000 Width of the data block written in this sequence step, 20 wseuiMooeo 0 Extended Sequencer instruction select 27:16 WSEQ,ADDRO[11:O] 0x000 Controi Register Address to be written to in this sequence step. 15:12 WSEQ,DELAYO[3:0] 0000 Time deiay arier executing this step. 11 :0 WSEQJJATA, 0000 Bit position of the LSB of the data mock written in this sequence step, 7:0 WSEQ,DATAO[7:0] 0x00 Data to be written in this sequence step. When the data Width is iess than 8 hits. Register Address Bil Label Default Description R24 (0x0018) WSEaiLOADi 0 Writing 1 to this bit resets the Sequencer memory to the powerron reset
256 DS1162F1
CS42L92
4.18 Control-Write Sequencer
4.18.9 Sequencer Memory Definition
The write sequencer memory defines up to 508 write operations; these are indexed as 0 to 507 in the sequencer memory
map.
The write sequencer memory reverts to its default contents following power-on reset, a hardware reset, or a Sleep Mode
transition. In these cases, the sequence memory contains the boot sequence and the OUT1–OUT3 signal path enable/
disable sequences; the remainder of the sequence memory is undefined.
User-defined sequences can be programmed after power-up. The user-defined control sequences must be reconfigured
by the host processor following power-on reset, a hardware reset, or a Sleep Mode transition. Note that all control
sequences are maintained in the sequencer memory through software reset. See Section 5.2 for a summary of the
CS42L92 memory reset conditions.
The default control sequences can be overwritten in the sequencer memory, if required. Note that the headphone/earpiece
output path enable bits (HPnx_ENA) always trigger the write sequencer (at the predetermined start index addresses).
Writing 1 to the WSEQ_LOAD_MEM bit clears the sequencer memory to the power-on reset state.
The sequencer memory is summarized in Table 4-123. User-defined sequences should be assigned space within the
allocated portion (user space) of the write sequencer memory.
The start index for the user-defined sequences is configured using the fields described in Table 4-114 through
Table 4-118.
Table 4-121. Write Sequencer ControlProgramming a Sequence
Register Address Bit Label Default Description
R12288 (0x3000)
WSEQ_
Sequence_1
31:29 WSEQ_DATA_
WIDTH0[2:0]
000 Width of the data block written in this sequence step.
000 = 1 bit
001 = 2 bits
010 = 3 bits
011 = 4 bits
100 = 5 bits
101 = 6 bits
110 = 7 bits
111 = 8 bits
28 WSEQ_MODE0 0 Extended Sequencer Instruction select
0 = Basic instruction set
1 = Extended instruction set
27:16 WSEQ_ADDR0[11:0] 0x000 Control Register Address to be written to in this sequence step.
The register address is calculated as: (Base Address * 512) + WSEQ_ADDRn.
Base Address is 0x00_0000 by default, and is configured using the sequencer’s
extended instruction set.
15:12 WSEQ_DELAY0[3:0] 0000 Time delay after executing this step.
0x0 = 3.3 s
0x1 to 0xE = 61.44 s x ((2WSEQ_DELAY)–1)
0xF = End of sequence marker
11:8 WSEQ_DATA_
START0[3:0]
0000 Bit position of the LSB of the data block written in this sequence step.
0000 = Bit 0
1111 = Bit 15
7:0 WSEQ_DATA0[7:0] 0x00 Data to be written in this sequence step. When the data width is less than 8 bits,
one or more of the MSBs of WSEQ_DATAn are ignored. It is recommended that
unused bits be cleared.
Table 4-122. Write Sequencer ControlLoad Memory Control
Register Address Bit Label Default Description
R24 (0x0018)
Write_Sequencer_Ctrl_2
0 WSEQ_LOAD_
MEM
0 Writing 1 to this bit resets the sequencer memory to the power-on reset
state.
__- __— __— _— _— CIRRUS LOGIC" Description Sequence Index Range Delault Sequenees o to 302 User Space 303 lo 383 Boot Sequence 38410 507
DS1162F1 257
CS42L92
4.19 Charge Pumps, Regulators, and Voltage Reference
4.19 Charge Pumps, Regulators, and Voltage Reference
The CS42L92 incorporates two charge-pump circuits and an LDO-regulator circuit to generate supply rails for internal
functions and to support external microphone requirements. The CS42L92 also provides two MICBIAS generators (with
six switchable outputs), which provide low noise reference voltages suitable for biasing ECM-type microphones or
powering digital microphones.
In Sleep Mode, the CS42L92 can provide an unregulated voltage output that can be used to power an external
microphone. See Section 4.13 for details of Sleep Mode.
The CPVDD domain (1.8 V) powers the Charge Pump 1 and Charge Pump 2 circuits. The CPVDD2 power domain (1.2 V)
is an additional supply used by Charge Pump 1 only. Refer to Section 5.1 for recommended external components.
4.19.1 Charge Pump 1
Charge Pump 1 (CP1) is used to generate the positive and negative supply rails for the analog output drivers. CP1 is
enabled automatically by the CS42L92 when required by the output drivers.
The Charge Pump 1 circuit is shown in Fig. 4-75.
4.19.2 Charge Pump 2 and LDO2 Regulator
Charge Pump 2 (CP2) powers LDO2, which provides the supply rail for analog input circuits and for the MICBIAS
generators. CP2 and LDO2 are enabled by setting CP2_ENA.
If CP2 and LDO2 are enabled, the MICVDD voltage is selected using the LDO2_VSEL field. Note that, when one or more
of the MICBIAS generators is operating in normal (regulator) mode, the MICVDD voltage must be at least 200 mV greater
than the highest selected MICBIASn output voltages.
If CP2 and LDO2 are enabled, an internal bypass path may be selected, connecting the MICVDD pin directly to the CPVDD
supply. This path is controlled using the CP2_BYPASS bit. Note that the bypass path is only supported when CP2 is
enabled.
Note: The 32-kHz clock must be configured and enabled if CP2 is enabled in its normal operating mode. The 32-kHz
clock is not required in bypass mode (CP2_BYPASS = 1). See Section 4.16 for details of the system clocks.
If CP2 is disabled, the CP2VOUT pin can be either floating or actively discharged. The behavior is configured using the
CP2_DISCH bit.
If LDO2 is disabled, the MICVDD pin can be either floating or actively discharged. The behavior is configured using the
LDO2_DISCH bit.
The MICVDD pin is connected to the output of LDO2. Note that the MICVDD does not support direct connection to an
external supply; MICVDD is always powered internally to the CS42L92.
The Charge Pump 2 and LDO2 Regulator circuits are shown in Fig. 4-75. The associated control bits are described in
Table 4-124.
Note that decoupling capacitors and flyback capacitors are required for these circuits. Refer to Section 5.1 for
recommended external components.
Table 4-123. Write Sequencer Memory Allocation
Description Sequence Index Range
Default Sequences 0 to 302
User Space 303 to 383
Boot Sequence 384 to 507
__- __— __— _— _— CIRRUS LOGIC"
258 DS1162F1
CS42L92
4.19 Charge Pumps, Regulators, and Voltage Reference
4.19.3 Microphone Bias (MICBIAS) Control
There are two MICBIAS generators, which provide low-noise reference voltages suitable for biasing ECM-type
microphones or powering digital microphones. Refer to Section 5.1.3 for recommended external components.
The MICBIAS generators are powered from MICVDD, which is generated by an internal charge pump and LDO, as shown
in Fig. 4-75.
Switchable outputs from the MICBIAS generators allow six separate reference/supply outputs to be independently
controlled. The MICBIAS regulators are enabled using the MICB1_ENA and MICB2_ENA bits. The MICBIAS output
switches are enabled using the MICB1x_ENA and MICB2x_ENA (where x is A, B, C, or D).
The MICBIAS1 generator supports four switchable outputs (MICBIAS1A–MICBIAS1D). The MICBIAS2 generator
supports two switchable outputs (MICBIAS2A–MICBIAS2B).
Note that, to enable any of the MICBIASnx outputs, both the output switch and the respective regulator must be enabled.
When a MICBIAS output is disabled, it can be configured to be floating or to be actively discharged. This is configured
using the MICBn_DISCH bits (for the MICBIAS regulators), and the MICBnx_DISCH bits (for the switched outputs). Each
discharge path is only effective when the respective regulator, or switched output, is disabled.
The MICBIAS generators can each operate in Regulator Mode or in Bypass Mode. The applicable mode is selected using
the MICBn_BYPASS bits.
In Regulator Mode (MICBn_BYPASS = 0), the output voltage is selected using the MICBn_LVL fields. In this mode,
MICVDD must be at least 200 mV greater than the required MICBIAS output voltages. The MICBIAS outputs are powered
from the MICVDD pin and use the internal band-gap circuit as a reference.
In Regulator Mode, the MICBIAS regulators are designed to operate without external decoupling capacitors. The
regulators can be configured to support a capacitive load if required, using the MICBn_EXT_CAP bits. (This may be
appropriate for a DMIC supply.) It is important that the external capacitance is compatible with the applicable MICBn_EXT_
CAP setting. The compatible load conditions are detailed in Table 3-11.
In Bypass Mode (MICBn_BYPASS = 1), the respective outputs (MICBIASnx), when enabled, are connected directly to
MICVDD. This enables a low power operating state. Note that the MICBn_EXT_CAP settings are not applicable in Bypass
Mode—there are no restrictions on the external MICBIAS capacitance in Bypass Mode.
The MICBIAS generators incorporate a pop-free control circuit to ensure smooth transitions when the MICBIAS outputs
are enabled or disabled in Bypass Mode; this feature is enabled using the MICBn_RATE bits.
The MICBIAS generators are shown in Fig. 4-75. The MICBIAS control fields are described in Table 4-124.
The maximum output current for each MICBIAS regulator is noted in Table 3-11. This limit must be observed for each set
of MICBIASnx outputs, especially if more than one microphone is connected to a single regulator. Note that the maximum
output current differs between Regulator Mode and Bypass Mode.
4.19.3.1 MICBIAS output in Sleep Mode
The CS42L92 supports a low-power Sleep Mode, in which most functions are disabled and power consumption is
minimized. The CS42L92 can maintain an unregulated voltage output in Sleep Mode, suitable for powering an external
microphone in always-on applications. The INnx/DMICx connections are isolated from the CS42L92 circuits in Sleep
Mode, to allow any connected microphone to be used by another circuit while Sleep Mode is selected.
If the MICB1A_AOD_ENA bit is set, the normal register-field configuration of CP2, LDO2, and MICBIAS1 are overridden.
Under these conditions, the CP2, LDO2 and MICBIAS1 circuits are bypassed and the MICBIAS1A output is connected
directly to the CPVDD supply.
The unregulated MICBIAS1A output can be maintained in Sleep Mode by setting MICB1A_AOD_ENA before the DCVDD
supply is removed.
__- __— __— _— _— CIRRUS LOGIC"
DS1162F1 259
CS42L92
4.19 Charge Pumps, Regulators, and Voltage Reference
To minimize any transient effects during the Sleep Mode transition, the MICBIAS1A should be configured in bypass mode
before Sleep Mode is enabled. The following control sequence is recommended:
CP_BYPASS = 1
MICB1_BYPASS = 1
MICB1A_AOD_ENA = 1
Remove DCVDD
To minimize any transient effects following a wake-up transition, the MICBIAS1A should be configured in bypass mode
before clearing MICB1A_AOD_ENA. The following control sequence is recommended:
Apply DCVDD
LDO2_VSEL = (set as required)
CP2_BYPASS = 0
MICB1_LVL = (set as required)
MICB1_BYPASS = 0
MICB1_ENA = 1
MICB1A_ENA = 1
MICB1A_AOD_ENA = 0
4.19.4 Voltage-Reference Circuit
The CS42L92 incorporates a voltage-reference circuit, powered by AVDD. This circuit ensures the accuracy of the
LDO-regulator and MICBIAS voltage settings.
4.19.5 Block Diagram and Control Registers
The charge-pump and regulator circuits are shown in Fig. 4-75. Note that decoupling capacitors and flyback capacitors
are required for these circuits. Refer to Section 5.1 for recommended external components.
_‘ __— __— _— _— CIRRUS LOGIC” 4’ | | Register Address Bil Label Default Description R512 (OXOZOO) 2 CP27D|SCH 1 Charge Pump 2 Discharge 1 CP27BYPASS 1 Charge Pump 2 and LDOZ Bypass Mode 0 CP27ENA 1 Charge Pump 2 and LDOZ Conlrol
260 DS1162F1
CS42L92
4.19 Charge Pumps, Regulators, and Voltage Reference
Figure 4-75. Charge Pumps and Regulators
The charge-pump and regulator control registers are described in Table 4-124.
Table 4-124. Charge-Pump and LDO Control Registers
Register Address Bit Label Default Description
R512 (0x0200)
Mic_Charge_
Pump_1
2 CP2_DISCH 1 Charge Pump 2 Discharge
0 = CP2VOUT floating when disabled
1 = CP2VOUT discharged when disabled
1 CP2_BYPASS 1 Charge Pump 2 and LDO2 Bypass Mode
0 = Normal
1 = Bypass Mode
In Bypass Mode, CPVDD is connected directly to MICVDD.
Note that CP2_ENA must also be set.
0 CP2_ENA 1 Charge Pump 2 and LDO2 Control
(Provides analog input and MICVDD supplies)
0 = Disabled
1 = Enabled
Analog
Output
Supply
CPVDD
CPGND
AGND
Analog
Reference
MICBIAS1A
CP2CA
CP2VOUT
CP2CB
Charge Pump 1
Analog
Input
Supply
Voltage
Reference
AVDD
Analog
Supply
MICVDD
CPVDD2
CP1VOUT2P
CP1VOUT2N
CP1VOUT1P
CP1VOUT1N
CP1C1A
CP1C2A
CP1C1B
CP1C2B
AVDD
MICBIAS1B
MICBIAS1C
MICBIAS1D
MICBIAS2A
MICBIAS2B
LDO2
Charge
Pump 2
LDO2_VSEL[5:0] p. 261
LDO2_DISCH p. 261
CP2_ENA p. 260
CP2_BYPASS p. 260
CP2_DISCH p. 260 MICB1_ENA p. 261
MICB1_BYPASS p. 261
MICB1_LVL[3:0] p. 261
MICB1_RATE p. 261
MICB1_DISCH p. 261
MICB1_EXT_CAP p. 261
MICB2_ENA p. 261
MICB2_BYPASS p. 261
MICB2_LVL[3:0] p. 261
MICB2_RATE p. 261
MICB2_DISCH p. 261
MICB2_EXT_CAP p. 261
MICB1A_ENA p. 262
MICB1A_DISCH p. 262
MICB1B_ENA p. 262
MICB1B_DISCH p. 262
MICB1C_ENA p. 262
MICB1C_DISCH p. 262
MICB1D_ENA p. 262
MICB1D_DISCH p. 262
MICB2A_ENA p. 262
MICB2A_DISCH p. 262
MICB2B_ENA p. 262
MICB2B_DISCH p. 262
_‘ __— __— _— _— CIRRUS LOGIC” Register Address Bit Label Default Description R531 (0X0213) 10:5 LD027VSEL[5:O] 0X1F LDDZ Output Voltage Select 1 2 LDO27D|SCH 1 LD02 Discharge R536 (0X0218) 15 MICE17EXT7CAP 0 Microphone Bias 1 External Capacitor (when MICB1iBYPASS = 0). 8:5 MICE17LVL[3:0] 0X7 Microphone Bias 1 Voltage Control (when MICB‘LEYPASS = O) 3 MICE17RATE 0 Microphone Bias 1 Rate (Bypass Mode) 2 MICE17DISCH 1 Microphone Bias 1 Discharge 1 MICE1iBYPASS 1 Microphone Bias 1 Mode 0 MICE17ENA 0 Microphone Bias 1 Enable R537 (0X0219) 15 MICE27EXT7CAP 0 Microphone Bias 2 External Capacitor (when MICB2iBYPASS = 0). Configures the 8:5 MICE27LVL[3:0] 0X7 Microphone Bias 2 Voltage Control (when MlCBZfiEYPASS = O) 3 MICE27RATE 0 Microphone Bias 2 Rate (Bypass Mode) 2 MICE27DISCH 1 Microphone Bias 2 Discharge 1 MICE2iBYPASS 1 Microphone Bias 2 Mode 0 MICE27ENA 0 Microphone Bias 2 Enable
DS1162F1 261
CS42L92
4.19 Charge Pumps, Regulators, and Voltage Reference
R531 (0x0213)
LDO2_Control_1
10:5 LDO2_VSEL[5:0] 0x1F LDO2 Output Voltage Select 1
0x00 = 0.900 V
0x01 = 0.925 V
0x02 = 0.950 V
… (25-mV steps)
0x13 = 1.375 V
0x14 = 1.400 V
0x15 = 1.500 V
0x16 = 1.600 V
… (100-mV steps)
0x26 = 3.200 V
0x27 to 0x3F = 3.300 V
2 LDO2_DISCH 1 LDO2 Discharge
0 = MICVDD floating when disabled
1 = MICVDD discharged when disabled
R536 (0x0218)
Mic_Bias_Ctrl_1
15 MICB1_EXT_CAP 0 Microphone Bias 1 External Capacitor (when MICB1_BYPASS = 0).
Configures the MICBIAS1 regulator according to the specified capacitance connected
to the MICBIAS1x outputs.
0 = No external capacitor
1 = External capacitor connected
8:5 MICB1_LVL[3:0] 0x7 Microphone Bias 1 Voltage Control (when MICB1_BYPASS = 0)
0x0 = 1.5 V
0x1 = 1.6 V
… (0.1-V steps)
0xC = 2.7 V
0xD to 0xF = 2.8 V
3 MICB1_RATE 0 Microphone Bias 1 Rate (Bypass Mode)
0 = Fast start-up/shutdown
1 = Pop-free start-up/shutdown
2 MICB1_DISCH 1 Microphone Bias 1 Discharge
0 = MICBIAS1 floating when disabled
1 = MICBIAS1 discharged when disabled
1 MICB1_BYPASS 1 Microphone Bias 1 Mode
0 = Regulator Mode
1 = Bypass Mode
0 MICB1_ENA 0 Microphone Bias 1 Enable
0 = Disabled
1 = Enabled
R537 (0x0219)
Mic_Bias_Ctrl_2
15 MICB2_EXT_CAP 0 Microphone Bias 2 External Capacitor (when MICB2_BYPASS = 0). Configures the
MICBIAS2 regulator according to the specified capacitance connected to the
MICBIAS2x outputs.
0 = No external capacitor
1 = External capacitor connected
8:5 MICB2_LVL[3:0] 0x7 Microphone Bias 2 Voltage Control (when MICB2_BYPASS = 0)
0x0 = 1.5 V
0x1 = 1.6 V
… (0.1-V steps)
0xC = 2.7 V
0xD to 0xF = 2.8 V
3 MICB2_RATE 0 Microphone Bias 2 Rate (Bypass Mode)
0 = Fast start-up/shutdown
1 = Pop-free start-up/shutdown
2 MICB2_DISCH 1 Microphone Bias 2 Discharge
0 = MICBIAS2 floating when disabled
1 = MICBIAS2 discharged when disabled
1 MICB2_BYPASS 1 Microphone Bias 2 Mode
0 = Regulator Mode
1 = Bypass Mode
0 MICB2_ENA 0 Microphone Bias 2 Enable
0 = Disabled
1 = Enabled
Table 4-124. Charge-Pump and LDO Control Registers (Cont.)
Register Address Bit Label Default Description
_‘ __— __— _— _— CIRRUS LOGIC” Register Address Bil Label Default Description R540 (0X021C) 13 M‘CE1D7DISCH 1 Microphone Bias 1D Discharge 12 M‘CE1D7ENA 0 Microphone Bias 1D Enab‘e 9 M‘CE1C7D‘SCH 1 Microphone Bias 1C Discharge 8 M‘CE1C7ENA 0 Microphone Bias 1C Enab‘e 5 M‘CE1BiD15CH 1 M1crophone Bias 1E Discharge 4 M‘CE1E7ENA 0 Microphone Bias 1E Enab‘e 1 M‘CE1A7D‘SCH 1 M1crophone Bias 1A Discharge 0 M‘CE1A7ENA 0 Microphone Bias 1A Enab‘e R542 (0X021E) 5 M‘CEZBiDBCH 1 M1crophone Bias 2E Discharge 4 M‘CE2E7ENA 0 Microphone Bias 2E Enab‘e 1 M‘CE2A7D15CH 1 M1crophone Bias 2A Discharge 0 M‘CEZAiENA 0 Microphone Bias 2A Enab‘e R723 (OXOZDS) 14 M‘CE1A7ADD7 0 Microphone Bias 1A AlwaysVOrI Enab‘e LD027VSEL[5:O] LDD Output LD027VSEL[5:0] LDO Output 0x00 0.900 v 0x15 1.500 v 0x01 0.925 v 0x16 1.600 v 0x02 0.950 v 0x17 1.700 v 0x03 0.975 v 0x18 1.800 v 0x04 1.000 v 0x19 1.900 v 0x05 1.025 v 0x1A 2.000 v 0x06 1.050 v 0x113 2.100 v 0x07 1.075 v 0x10 2.200 v 0x08 1.100 v 0x10 2.300 v 0x09 1.125 v 0x12 2.400v 0on 1.150 v 0x1 F 2.500 v
262 DS1162F1
CS42L92
4.19 Charge Pumps, Regulators, and Voltage Reference
Table 4-125 lists the LDO2 voltage control settings.
R540 (0x021C)
Mic_Bias_Ctrl_5
13 MICB1D_DISCH 1 Microphone Bias 1D Discharge
0 = MICBIAS1D floating when disabled
1 = MICBIAS1D discharged when disabled
12 MICB1D_ENA 0 Microphone Bias 1D Enable
0 = Disabled
1 = Enabled
9 MICB1C_DISCH 1 Microphone Bias 1C Discharge
0 = MICBIAS1C floating when disabled
1 = MICBIAS1C discharged when disabled
8 MICB1C_ENA 0 Microphone Bias 1C Enable
0 = Disabled
1 = Enabled
5 MICB1B_DISCH 1 Microphone Bias 1B Discharge
0 = MICBIAS1B floating when disabled
1 = MICBIAS1B discharged when disabled
4 MICB1B_ENA 0 Microphone Bias 1B Enable
0 = Disabled
1 = Enabled
1 MICB1A_DISCH 1 Microphone Bias 1A Discharge
0 = MICBIAS1A floating when disabled
1 = MICBIAS1A discharged when disabled
0 MICB1A_ENA 0 Microphone Bias 1A Enable
0 = Disabled
1 = Enabled
R542 (0x021E)
Mic_Bias_Ctrl_6
5 MICB2B_DISCH 1 Microphone Bias 2B Discharge
0 = MICBIAS2B floating when disabled
1 = MICBIAS2B discharged when disabled
4 MICB2B_ENA 0 Microphone Bias 2B Enable
0 = Disabled
1 = Enabled
1 MICB2A_DISCH 1 Microphone Bias 2A Discharge
0 = MICBIAS2A floating when disabled
1 = MICBIAS2A discharged when disabled
0 MICB2A_ENA 0 Microphone Bias 2A Enable
0 = Disabled
1 = Enabled
R723 (0x02D3)
Jack_detect_
analogue
14 MICB1A_AOD_
ENA
0 Microphone Bias 1A Always-On Enable
0 = Disabled
1 = Enabled
1.See Table 4-125 for LDO2 output voltage definition.
Table 4-125. LDO2 Voltage Control
LDO2_VSEL[5:0] LDO Output LDO2_VSEL[5:0] LDO Output
0x00 0.900 V 0x15 1.500 V
0x01 0.925 V 0x16 1.600 V
0x02 0.950 V 0x17 1.700 V
0x03 0.975 V 0x18 1.800 V
0x04 1.000 V 0x19 1.900 V
0x05 1.025 V 0x1A 2.000 V
0x06 1.050 V 0x1B 2.100 V
0x07 1.075 V 0x1C 2.200 V
0x08 1.100 V 0x1D 2.300 V
0x09 1.125 V 0x1E 2.400V
0x0A 1.150 V 0x1F 2.500 V
Table 4-124. Charge-Pump and LDO Control Registers (Cont.)
Register Address Bit Label Default Description
_‘ __— __— _— _— CIRRUS LOGIC” LD027VSEL[5:O] LDD Output LD027VSEL[5:0] LDO Output 0x03 1.175 v 0x20 2.600 v 0x00 1.200 v 0x21 2.700 v 0x00 1.225 v 0x22 2.800 v 0x05 1.250 v 0x23 2.900 v 0on 1.275 v 0x24 3.000 v 0x10 1.300 v 0x25 3.100 v 0x11 1.325 v 0x26 3.200 v 0x12 1.350 v 0x27 3.300 v 0x13 1.375 v 0x28 to 0x3F 3.300 v 0x14 1.400 v Pin No Pin Name JTAG Function JTAG Description N8 AlFSBCLK/GPIOM TCK Clock input R8 AIF3RXDAT/GPIO15 TDI Data input F7 TDD TDO Data output J8 AlFSTXDAT/GPID13 TMS Mode seiect input D7 TRST TRST Test access port reset input (active iow)
DS1162F1 263
CS42L92
4.20 JTAG Interface
4.20 JTAG Interface
The JTAG interface provides test and debug access to the CS42L92. The interface comprises five connections, some of
which are multiplexed with the GPIO13–GPIO15 pins, as noted in Table 4-126.
The JTAG interface is supported whenever the GPIO13–GPIO15 are configured as GPIO inputs. To allow JTAG
operation, the following conditions must be met:
•GPn_FN = 0x001 (n = 13–15)
•GPn_DIR = 0x1 (n = 13–15)
The GPn_FN and GPn_DIR fields are defined in Table 4-93. Note that the above conditions are also the default values of
these control fields.
For normal operation (test and debug access disabled), the JTAG interface should be held in reset. An internal pull-down
resistor holds the TRST pin low (i.e., JTAG interface is held in reset) when not actively driven. It is recommended to
connect the TRST pin to DGND, if the JTAG interface function is not required.
Integrated pull-up and pull-down resistors can be enabled on the TCK, TDI, and TMS pins. This is provided as part of the
GPIO functionality, and provides a flexible capability for interfacing with other devices. The pull-up and pull-down resistors
can be configured independently using the fields described in Table 4-93.
If the JTAG interface is enabled (TRST deasserted and TCK active) at the time of any reset, a software reset must be
scheduled, with the TCK input stopped or TRST asserted (Logic 0), before using the JTAG interface.
It is recommended to always schedule a software reset before starting the JTAG clock or deasserting the JTAG reset. In
this event, the JTAG interface should be held in its reset state until the software reset has completed, and the BOOT_
DONE_STSx bits have been set. See Section 4.23 for further details of the CS42L92 software reset.
4.21 Short-Circuit Protection
The CS42L92 provides short-circuit protection on the headphone output drivers.
The short-circuit protection function for the headphone output paths operates continuously if the respective output driver
is enabled. If a short circuit is detected on the headphone output, current limiting is applied to protect the respective output
driver. Note that the driver continues to operate, but the output is current-limited.
0x0B 1.175 V 0x20 2.600 V
0x0C 1.200 V 0x21 2.700 V
0x0D 1.225 V 0x22 2.800 V
0x0E 1.250 V 0x23 2.900 V
0x0F 1.275 V 0x24 3.000 V
0x10 1.300 V 0x25 3.100 V
0x11 1.325 V 0x26 3.200 V
0x12 1.350 V 0x27 3.300 V
0x13 1.375 V 0x28 to 0x3F 3.300 V
0x14 1.400 V
Table 4-126. JTAG Interface Connections
Pin No Pin Name JTAG Function JTAG Description
N8 AIF3BCLK/GPIO14 TCK Clock input
R8 AIF3RXDAT/GPIO15 TDI Data input
F7 TDO TDO Data output
J8 AIF3TXDAT/GPIO13 TMS Mode select input
D7 TRST TRST Test access port reset input (active low)
Table 4-125. LDO2 Voltage Control (Cont.)
LDO2_VSEL[5:0] LDO Output LDO2_VSEL[5:0] LDO Output
_‘ __— __— _— _— CIRRUS LOGIC” Register Address Bit Label Default Description R6272 (0X1880) 7 BOOTiDONEi 0 Boot Status R6528 (0X1 980) 7 BOOTiDONEi 0 Boot Status
264 DS1162F1
CS42L92
4.22 Power-On Reset (POR)
The headphone short-circuit protection function provides input to the interrupt control circuit and can be used to trigger an
interrupt event when a short-circuit condition is detected; see Section 4.15.
4.22 Power-On Reset (POR)
The CS42L92 remains in the reset state until AVDD, DBVDD, and DCVDD are above their respective reset thresholds.
Note that specified device performance is not assured outside the voltage ranges defined in Table 3-3.
After the initial power-up, the POR is rescheduled following an interruption to the DBVDD or AVDD supplies.
If the CS42L92 SLIMbus component is in its operational state, it must be reset before scheduling a POR. See Section 4.10
for details of the SLIMbus reset control messages.
4.22.1 Boot Sequence
Following power-on reset, a boot sequence is executed. The BOOT_DONE_STSx bits are asserted on completion of the
boot sequence, as described in Table 4-127. Control-register writes should not be attempted until BOOT_DONE_STSx
has been asserted. Note that the BOOT_DONE_STS1 and BOOT_DONE_STS2 bits provide the same information.
The BOOT_DONE_STSx signal is an input to the interrupt control circuit and can be used to trigger an interrupt event on
completion of the boot sequence; see Section 4.15. Under default register conditions, a falling edge on the IRQ pin
indicates completion of the boot sequence.
For details of the boot sequence, see Section 4.18.
4.22.2 Digital I/O Status in Reset
Table 1-1 describes the default status of the CS42L92 digital I/O pins on completion of power-on reset, prior to any register
writes. The same default conditions are also applicable on completion of a hardware reset or software reset (see
Section 4.23).
The same default conditions are applicable following a wake-up transition, except for the IRQ and RESET pins. These are
always-on pins whose configuration is unchanged in Sleep Mode and during a wake-up transition.
Note that the default conditions described in Table 1-1 are not valid if modified by the boot sequence or by a wake-up
control sequence. See Section 4.18 for details of these functions.
4.23 Hardware Reset, Software Reset, Wake-Up, and Device ID
The CS42L92 supports hardware- and software-controlled reset functions. The reset functions, and the Sleep/Wake-Up
state transitions, provide similar (but not identical) functionality. Each of these is described in the following subsections.
The CS42L92 device ID can be read from the Software_Reset (R0) control register, as described in Section 4.23.7.
Table 4-127. Device Boot-Up Status
Register Address Bit Label Default Description
R6272 (0x1880)
IRQ1_Raw_
Status_1
7 BOOT_DONE_
STS1
0 Boot Status
0 = Busy (boot sequence in progress)
1 = Idle (boot sequence completed)
Control register writes should not be attempted until Boot Sequence has completed.
R6528 (0x1980)
IRQ2_Raw_
Status_1
7 BOOT_DONE_
STS2
0 Boot Status
0 = Busy (boot sequence in progress)
1 = Idle (boot sequence completed)
Control register writes should not be attempted until Boot Sequence has completed.
_‘ __— __— _— _— CIRRUS LOGIC” RESET e:NRE RESET RESET e:NRE RESET
DS1162F1 265
CS42L92
4.23 Hardware Reset, Software Reset, Wake-Up, and Device ID
4.23.1 Hardware Reset
The CS42L92 provides a hardware reset function, which is executed whenever the RESET input is asserted (Logic 0). The
RESET input is active low and is referenced to the DBVDD power domain. A hardware reset causes all of the CS42L92
control registers to be reset to their default states.
An internal pull-up resistor is enabled by default on the RESET pin; this can be configured using the RESET_PU bit. A
pull-down resistor is also available, as described in Table 4-128. When the pull-up and pull-down resistors are both
enabled, the CS42L92 provides a bus keeper function on the RESET pin. The bus keeper function holds the input logic
level unchanged whenever the external circuit removes the drive (e.g., if the signal is tristated).
If the CS42L92 SLIMbus component is in its operational state, it must be reset prior to scheduling a hardware reset. See
Section 4.10 for details of the SLIMbus reset control messages.
4.23.2 Software Reset
A software reset is executed by writing any value to register R0. A software reset causes most of the CS42L92 control
registers to be reset to their default states. Note that the control-write sequencer memory is retained during software reset.
Note that the first register read/write operation following a software reset may be unsuccessful, if the register access is
attempted via a different control interface to the one that commanded the software reset. Note that only the first register
read/write is affected, and only when using more than one control interface.
4.23.3 Wake-Up
The CS42L92 is in Sleep Mode when AVDD and DBVDD are present, and DCVDD is below its reset threshold. (Note that
specific control requirements are also applicable for entering Sleep Mode, as described in Section 4.13.)
In Sleep Mode, most of the digital core (and control registers) are held in reset; selected functions and control registers
are maintained via an always-on internal supply domain. See Section 4.13 for details of the always-on functions.
A wake-up transition (from Sleep Mode) is similar to a software reset, but selected functions and control registers are
maintained via an always-on internal supply domain—the always-on registers are not reset during wake-up. See
Section 4.13 for details of the always-on functions.
4.23.4 Write Sequencer and DSP Firmware Memory Control in Reset and Wake-Up
The control-write sequencer memory contents reverts to its default contents following power-on reset, a hardware reset,
or a Sleep Mode transition. The control sequences (including any user-defined sequences) are maintained in the
sequencer memory through software reset.
The DSP firmware memory contents are cleared following power-on reset, a hardware reset, or a Sleep Mode transition.
The firmware memory contents are not affected by software reset, provided DCVDD is held above its reset threshold.
See Section 5.2 for a summary of the CS42L92 memory reset conditions.
Table 4-128. Reset Pull-Up/Pull-Down Configuration
Register Address Bit Label Default Description
R6864 (0x1AD0)
AOD_Pad_Ctrl
1 RESET_PU 1 RESET Pull-up enable
0 = Disabled
1 = Enabled
Note: If RESET_PD and RESET_PU are both set, a bus keeper function is enabled on
the RESET pin.
0 RESET_PD 0 RESET Pull-down enable
0 = Disabled
1 = Enabled
Note: If RESET_PD and RESET_PU are both set, a bus keeper function is enabled on
the RESET pin.
_‘ __— __— _— _— CIRRUS LOGIC” Register Address Bil Label Defaull Descrip on R0 (OXOOOO) 15:0 SW7RST7DEV7 OX6371 Wrilmg to this reg‘sler resets a” reg‘slers to New delault S'ale. R1 (OXOOOW) 7:0 HW, 7 Hardware Dewce rews‘on, R2 (OXOOOZ) 7:0 SW7 7 Soflware Dewce rews‘on.
266 DS1162F1
CS42L92
4.23 Hardware Reset, Software Reset, Wake-Up, and Device ID
4.23.5 Boot Sequence
Following hardware reset, software reset, or wake-up from Sleep Mode, a boot sequence is executed. The BOOT_DONE_
STSx bits (see Table 4-127) are deasserted during hardware reset and software reset, and also in Sleep Mode. The
BOOT_DONE_STSx bits are asserted on completion of the boot sequence. Control register writes should not be
attempted until BOOT_DONE_STSx has been asserted.
The BOOT_DONE_STSx status is an input to the interrupt control circuit and can be used to trigger an interrupt event; see
Section 4.15. Note that the BOOT_DONE_STS1 and BOOT_DONE_STS2 bits provide the same information.
For details of the boot sequence, see Section 4.18.
4.23.6 Digital I/O Status in Reset
The status of the CS42L92 digital I/O pins following hardware reset, software reset, or wake-up is described in
Section 4.22.2.
4.23.7 Device ID
The device ID can be read from Register R0. The hardware revision can be read from Register R1.
The software revision can be read from Register R2. The software revision code is incremented if software driver
compatibility or software feature support is changed.
Table 4-129. Device Reset and ID
Register Address Bit Label Default Description
R0 (0x0000)
Software_Reset
15:0 SW_RST_DEV_
ID[15:0]
0x6371 Writing to this register resets all registers to their default state.
Reading from this register indicates Device ID 0x6371.
R1 (0x0001)
Hardware_
Revision
7:0 HW_
REVISION[7:0]
Hardware Device revision.
This field is incremented for every new revision of the device.
R2 (0x0002)
Software_Revision
7:0 SW_
REVISION[7:0]
Software Device revision.
This field is incremented if software driver compatibility or software feature support is
changed.
__- __— __— _— _— CIRRUS LOGIC" 4‘/—|:F
DS1162F1 267
CS42L92
5 Applications
5 Applications
5.1 Recommended External Components
This section provides information on the recommended external components for use with the CS42L92.
5.1.1 Analog Input Paths
The CS42L92 supports up to eight analog audio input connections. Each input is biased to the internal DC reference,
VREF. (Note that this reference voltage is present on the VREFC pin.) A DC-blocking capacitor is required for each analog
input pin used in the target application. The choice of capacitor is determined by the filter that is formed between that
capacitor and the impedance of the input pin. The circuit is shown in Fig. 5-1.
Figure 5-1. Audio Input Path DC-Blocking Capacitor
In accordance with the CS42L92 input pin resistance (see Table 3-5), a 1-F capacitance for all input connections gives
good results in most cases, with a 3-dB cut-off frequency around 13 Hz.
Ceramic capacitors are suitable, but take care to ensure the desired capacitance is maintained at the AVDD operating
voltage. Also, ceramic capacitors may show microphonic effects, where vibrations and mechanical conditions give rise to
electrical signals. This is particularly problematic for microphone input paths where a large signal gain is required.
A single capacitor is required for a single-ended line or microphone input connection. For a differential input connection,
a DC-blocking capacitor is required on both input pins.
The external connections for single-ended and differential microphones, incorporating the CS42L92 microphone bias
circuit, are shown in Fig. 5-2.
5.1.2 DMIC Input Paths
The CS42L92 supports up to eight channels of DMIC input; two channels of audio data can be multiplexed on each
DMICDATn pin. Each stereo pair is clocked using the respective DMICCLKn pin.
The external connections for digital microphones, incorporating the CS42L92 microphone bias circuit, are shown in
Fig. 5-4. Ceramic decoupling capacitors for the digital microphones may be requiredrefer to the specific
recommendations for the application microphones.
If two microphones are connected to a single DMICDAT pin, the microphones must be configured to ensure that the Left
mic transmits a data bit when DMICCLK is high, and the Right mic transmits a data bit when DMICCLK is low. The
CS42L92 samples the DMIC data at the end of each DMICCLK phase. Each microphone must tristate its data output when
the other microphone is transmitting. Integrated pull-down resistors can be enabled on the DMICDAT pins if required.
The voltage reference for each DMIC interface is selectable. It is important that the selected reference for the CS42L92
interface is compatible with the applicable configuration of the external microphone.
Fc = High-pass 3 dB cut-off frequency
Fc = 1
2 RC
Input C
R
VREF
PGA
+
_‘ __— __— _— _— CIRRUS LOGIC” MIC —( }*4l:kfl
268 DS1162F1
CS42L92
5.1 Recommended External Components
5.1.3 Microphone Bias Circuit
The CS42L92 is designed to interface easily with analog or digital microphones.
Each microphone requires a bias current (electret condenser microphones) or voltage supply (silicon microphones); these
can be provided by the MICBIAS regulators on the CS42L92. Two MICBIAS generators are available; switchable outputs
allow six separate reference/supply outputs to be independently controlled.
Note that the MICVDD pin can also be used (instead of MICBIASnx) as a reference or power supply for external
microphones. The MICBIAS outputs are recommended, as these offer better noise performance and independent enable/
disable control.
Analog microphones may be connected in single-ended or differential configurations, as shown in Fig. 5-2. The differential
configuration provides better performance due to its rejection of common-mode noise; the single-ended method provides
a reduction in external component count.
A bias resistor is required when using an ECM. The bias resistor should be chosen according to the minimum operating
impedance of the microphone and MICBIAS voltage so that the maximum bias current of the CS42L92 is not exceeded.
A 2.2-k bias resistor is recommended; this provides compatibility with a wide range of microphone components.
Figure 5-2. Single-Ended and Differential Analog Microphone Connections
Analog MEMS microphones can be connected to the CS42L92 as shown in Fig. 5-3. In this configuration, the MICBIAS
generators provide a low-noise supply for the microphones; a bias resistor is not required.
Figure 5-3. Single-Ended and Differential Analog Microphone Connections
DMIC connection to the CS42L92 is shown in Fig. 5-4. Note that ceramic decoupling capacitors at the DMIC power supply
pins may be requiredrefer to the specific recommendations for the application microphones.
To ADC
VREF
INnAxN,
IN1BLN
INnAxP,
INnBLP,
INnBx
ECM
GND
MICBIAS
PGA
+
To ADC
VREF
INnAxN,
IN1BLN
INnAxP,
INnBLP,
INnBx
ECM
GND
MICBIAS
PGA
+
To ADC
VREF
INnAxN,
IN1BLN
INnAxP,
INnBLP,
INnBx
MEMS
Mic
MICBIAS
VDD
OUT
GND
GND
PGA
+
To ADC
VREF
INnAxN,
IN1BLN
INnAxP,
INnBLP,
INnBx
MEMS
Mic
MICBIAS
VDD
OUT-P
GND
GND
OUT-N PGA
+
_‘ __— __— _— _— CIRRUS LOGIC” M‘CBIAS-tx F MW H}?
DS1162F1 269
CS42L92
5.1 Recommended External Components
Figure 5-4. DMIC Connection
Each MICBIAS generator can operate in Regulator Mode or in Bypass Mode. See Section 4.19 for details of the MICBIAS
generators.
In Regulator Mode, the MICBIAS regulators are designed to operate without external decoupling capacitors. The
regulators can be configured to support a capacitive load if required (e.g., for DMIC supply decoupling). The compatible
load conditions are detailed in Table 3-11.
If the capacitive load on MICBIAS1 or MICBIAS2 exceeds the specified conditions for Regulator Mode (e.g., due to a
decoupling capacitor or long PCB trace), the respective generator must be configured in Bypass Mode.
The maximum output current for each MICBIAS regulator is noted in Table 3-11. This limit must be observed for each set
of MICBIASnx outputs, especially if more than one microphone is connected to a single regulator. Note that the maximum
output current differs between Regulator Mode and Bypass Mode. The MICBIAS output voltage can be adjusted using
register control in Regulator Mode.
5.1.4 Headphone Driver Output Path
The CS42L92 provides four stereo headphone output drivers. These outputs are all ground referenced, allowing direct
connection to the external loads. There is no requirement for DC-blocking capacitors.
In single-ended (default) configuration, the headphone outputs comprise eight independently controlled output channels,
for up to four stereo headphone or line outputs. In mono (BTL) mode, the headphone drivers support up to four differential
outputs, suitable for a mono earpiece or hearing coil load.
Note that the OUT3 signal path is common to the HPOUT3 and HPOUT4 drivers—only one of these stereo drivers may
be enabled at any time.
The headphone outputs incorporate a common mode, or ground loop, feedback path that provides rejection of
system-related ground noise. The feedback pins must be connected to ground for normal operation of the headphone
outputs. Five feedback pins are provided (HPOUTFB1–HPOUTFB5). The ground feedback path for each HPOUT path is
selected using the HPn_GND_SEL bits as follows:
The ground feedback path for HPOUT1 and HPOUT2 headphone outputs is selected using the HP1_GND_SEL
and HP2_GND_SEL register fields respectively—see Table 4-81.
The ground feedback path for HPOUT3 and HPOUT4 headphone outputs is selected using the HP3_GND_SEL
field.
Digital Mic
MICVDD or MICBIAS
nx
AGND
Digital Mic
VDD CLK DATA VDD CLK DATA
CHAN
CHAN
VDD
DMICDAT
n
DMICCLK
n
Digital
Microphone
Interface
The DMIC inputs are referenced to
MICVDD, MICBIAS1, or MICBIAS2.
The supply for each digital microphone
should provide the same voltage as the
applicable reference.
__- __— __— _— _— CIRRUS LOGIC"
270 DS1162F1
CS42L92
5.1 Recommended External Components
The selected feedback pin should be connected to GND as close as possible to the respective headphone jack ground
pin, as shown in Fig. 5-5. In mono (differential) mode, the feedback pins should be connected to the ground plane that is
closest to the earpiece output PCB tracks.
It is recommended to ensure that the electrical characteristics of the PCB traces for each output pair are closely matched.
This is particularly important to matching the two traces of a differential (BTL) output.
Typical headphone and earpiece connections are shown in Fig. 5-5.
Figure 5-5. Headphone and Earpiece Connection
It is common for ESD diodes to be wired to pins that link to external connectors. This provides protection from potentially
harmful ESD effects. In a typical application, ESD diodes would be recommended if the headphone paths
(HPOUT1–HPOUT4) are used for external headphone or line output.
The HPOUTn outputs are ground-referenced, and the respective voltages may swing between +1.8V and –1.8V. The ESD
diode configuration must be carefully chosen.
The recommended ESD diode configuration for these ground-referenced outputs is shown in Fig. 5-6. The back-to-back
arrangement prevents clipping and distortion of the output signal.
Note that similar care is required when connecting the CS42L92 outputs to external circuits that provide input path ESD
protection; the configuration on those input circuits must be correctly designed to accommodate ground-referenced
signals.
Earpiece
Each headphone output can support stereo (single-ended) or mono (differential)
output. The illustration shows the configuration for a typical application .
HPOUT1L
HPOUT1R
HPOUTFB1
HPOUTFB2
HPOUT2L
HPOUT2R
HPOUTFB3
HPOUT4L
HPOUT4R
HPOUTFB5
HPOUTFB4
The HPOUT outputs can use any of the
HPOUTFB
n
pins for ground feedback.
The feedback pins are configured using
HP1_GND_SEL, HP2_GND_SEL and
HP2_GND_SEL.
NC
NC
HPOUT3L
HPOUT3R Line Output (Aux/Dock)
CS42L92
_‘ __— __— _— _— CIRRUS LOGIC” Power Supply Decoupling Capacitor AVDD1, AVDD2 2 x11) pF ceramicione capammr on each AVDD pm CPVDD1 4.7 ”F cerarmc CPVDD2 4.7 ”F cerarmc DEVDD 1x 0.1 pF ceramic1 DCVDD 2 x11) pF ceramicione capammr on each DCVDD pin FLLVDD 4.7 ”F cerarmc MICVDD 4.7 ”F cerarmc VREFC 2.2 ”F cerarmc
DS1162F1 271
CS42L92
5.1 Recommended External Components
Figure 5-6. ESD Diode Configuration for External Output Connections
5.1.5 Power Supply/Reference Decoupling
Electrical coupling exists particularly in digital logic systems where switching in one subsystem causes fluctuations on the
power supply. This effect occurs because the inductance of the power supply acts in opposition to the changes in current
flow that are caused by the logic switching. The resultant variations (spikes) in the power-supply voltage can cause
malfunctions and unintentional behavior in other components. A decoupling (bypass) capacitor can be used as an energy
storage component that provides power to the decoupled circuit for the duration of these power-supply variations,
protecting it from malfunctions that could otherwise arise.
Coupling also occurs in a lower frequency form when ripple is present on the power supply rail caused by changes in the
load current or by limitations of the power-supply regulation method. In audio components such as the CS42L92, these
variations can alter the performance of the signal path, leading to degradation in signal quality. A decoupling capacitor can
be used to filter these effects by presenting the ripple voltage with a low-impedance path that does not affect the circuit to
be decoupled.
These coupling effects are addressed by placing a capacitor between the supply rail and the corresponding ground
reference. In the case of systems comprising multiple power supply rails, decoupling should be provided on each rail.
PCB layout is also a contributory factor for coupling effects. If multiple power supply rails are connected to a single supply
source, it is recommended to provide separate PCB tracks connecting each rail to the supply. See Section 5.5 for
PCB-layout recommendations.
The recommended power-supply decoupling capacitors for CS42L92 are detailed in Table 5-1.
Table 5-1. Power Supply Decoupling Capacitors
Power Supply Decoupling Capacitor
AVDD1, AVDD2 2 x 1.0 F ceramic—one capacitor on each AVDDn pin
CPVDD1 4.7 F ceramic
CPVDD2 4.7 F ceramic
DBVDD 1 x 0.1 F ceramic 1
1.Total capacitance of 4.7 F is required for the DBVDD domain. This can be provided by dedicated
DBVDD decoupling or by other capacitors on the same power rail.
DCVDD 2 x 1.0 F ceramic—one capacitor on each DCVDD pin
FLLVDD 4.7 F ceramic
MICVDD 4.7 F ceramic
VREFC 2.2 F ceramic
HPOUTnL
HPOUTnR
External Headphone/Line
Output Connection
External Headphone/Line
Output Connection
ESD Protection Diodes
CS42L92
__- __— __— _— _— CIRRUS LOGIC" Description Capacitor CP1VOUT1P decoupling Required capacitance is 2.0 in: at 2 v. CP1VOUT1 N decoupling Required capacitance is 2.0 in: at 2 v. CP1 flyrback 1 Required capacitance is 1.0 in: at 2 v. CP1VOUT2P decoupling Required capacitance is 2.0 in: at 2 v. CP1VOUT2N decoupling Required capacitance is 2.0 in: at 2 v. CP1 flyrback 2 Required capacitance is 1.0 in: at 2 v. CPZVOUT decoupling Required capacitance is 1.0 in: at 3.5 v. CP2 flyrback Required capacitance is 220 "F at 2 v.
272 DS1162F1
CS42L92
5.1 Recommended External Components
All decoupling capacitors should be placed as close as possible to the CS42L92 device. The connection between AGND,
the AVDD decoupling capacitor, and the main system ground should be made at a single point as close as possible to the
AGND balls of the CS42L92.
Due to the wide tolerance of many types of ceramic capacitors, care must be taken to ensure that the selected components
provide the required capacitance across the required temperature and voltage ranges in the intended application. For most
application the use of ceramic capacitors with capacitor dielectric X7R is recommended.
5.1.6 Charge-Pump Components
The CS42L92 incorporates two charge-pump circuits (CP1 and CP2).
CP1 generates the CP1VOUTnx supply rails for the ground-referenced headphone drivers; CP2 generates the CP2VOUT
supply rail for the microphone bias (MICBIAS) regulators.
Decoupling capacitors are required on each of the charge-pump outputs. Two fly-back capacitors are required for CP1; a
single fly-back capacitor is required for CP2.
The recommended charge-pump capacitors for CS42L92 are detailed in Table 5-2.
Ceramic capacitors are recommended for these charge-pump requirements. Note that, due to the wide tolerance of many
types of ceramic capacitors, care must be taken to ensure that the selected components provide the required capacitance
across the required temperature and voltage ranges in the intended application. Ceramic capacitors with X7R dielectric
are recommended.
The positioning of the charge-pump capacitors is important. These capacitors (particularly the fly-back capacitors) must
be placed as close as possible to the CS42L92. The component choice and positioning of the CP1 components are more
critical than those of CP2, due to the higher output power requirements of CP1.
5.1.7 External Accessory Detection Components
The external accessory detection circuit measures jack insertion using the JACKDETn pins. The insertion switch status is
detected using an internal pull-up resistor circuit on the respective pin. Note that the logic thresholds associated with the
JACKDETn pins differ from each other, as described in Table 3-11—this provides support for different jack switch
configurations.
Microphone detection and key-button press detection is supported using the MICDETn pins. The applicable pin should be
connected to one of the MICBIASnx outputs, via a 2.2-k bias resistor, as described in Section 5.1.3. Note that, when
using the external accessory detection function, the MICBIASnx resistor must be 2.2 k ±2%.
A recommended circuit configuration, including headphone output on HPOUT1 and microphone connections, is shown in
Fig. 5-7. See Section 5.1.1 for details of the DC-blocking microphone input capacitor selection.
Table 5-2. Charge-Pump External Capacitors
Description Capacitor
CP1VOUT1P decoupling Required capacitance is 2.0 F at 2 V.
Suitable component typically 4.7 F.
CP1VOUT1N decoupling Required capacitance is 2.0 F at 2 V.
Suitable component typically 4.7 F.
CP1 fly-back 1
(connect between CP1C1A and CP1C1B)
Required capacitance is 1.0 F at 2 V.
Suitable component typically 2.2 F.
CP1VOUT2P decoupling Required capacitance is 2.0 F at 2 V.
Suitable component typically 4.7 F.
CP1VOUT2N decoupling Required capacitance is 2.0 F at 2 V.
Suitable component typically 4.7 F.
CP1 fly-back 2
(connect between CP1C2A and CP1C2B)
Required capacitance is 1.0 F at 2 V.
Suitable component typically 2.2 F.
CP2VOUT decoupling Required capacitance is 1.0 F at 3.6 V.
Suitable component typically 4.7 F.
CP2 fly-back
(connect between CP2CA and CP2CB)
Required capacitance is 220 nF at 2 V.
Suitable component typically 470 nF.
_‘ __— __— _— _— CIRRUS LOGIC”
DS1162F1 273
CS42L92
5.1 Recommended External Components
The recommended external components and connections for microphone/push-button detection are shown in Fig. 5-7.
Note that, when using the microphone detect circuit, it is recommended to use the IN1ALx, IN1BLx, or IN1BR analog
microphone input paths to ensure best immunity to electrical transients arising from the external accessory.
Figure 5-7. External Accessory Detection
The accessory detection circuit measures the impedance of an external load connected to one of the MICDET pins.
The microphone-detection circuit uses MICVDD, or any one of the MICBIASnx sources, as a reference. The applicable
source is configured using MICDn_BIAS_SRC.
With default register configuration, the CS42L92 can detect the presence of a typical microphone and up to four push
buttons, using the components shown in Fig. 5-8. When the microphone detection circuit is enabled, each of the push
buttons shown causes a different bit in the MICDn_LVL field to be set.
The choice of external resistor values must take into account the impedance of the microphone—the detected impedance
corresponds to the combined parallel resistance of the microphone and any asserted push button. The components shown
in Fig. 5-8 are examples only, assuming default impedance measurement ranges and a microphone impedance of 1 k
or higher.
HPOUT1L
HPOUT1R
HPOUTFB2
JACKDETn
MICDET1
Note: The illustrated circuit
assumes the jack insertion
switch contacts are closed
when the jack is inserted.
* Note that the IN1ALx, IN1BLx, or IN1BR
analog mic channels are recommended
with the external accessory detect function
(jack insertion switch )
MICBIASnx
2.2 k2%)
C
* IN1ALx, IN1BLx,
IN1BR
CS42L92
_‘ __— __— _— _— CIRRUS LOGIC” Control-Write Sequencer Powerron resel Reset Reset Reset Reset Hardware reset Reset Reset Reset Reset Software resel Reset Reset Retained Retamed 2 S‘eep Mode Relamed Reset Reset Reset
274 DS1162F1
CS42L92
5.2 Resets Summary
Figure 5-8. External Accessory Detect Components
5.2 Resets Summary
Table 5-3 summarizes the CS42L92 registers and other programmable memory under different reset conditions. The
associated events and conditions are listed as follows:
A power-on reset occurs when AVDD or DBVDD is below its respective reset threshold. Note that DCVDD is also
required for initial start-up; subsequent interruption to DCVDD should only be permitted as part of a control
sequence for entering Sleep Mode.
A hardware reset occurs when the RESET input is asserted (Logic 0).
A software reset occurs when register R0 is written to.
Sleep Mode is selected when DCVDD is removed. Note that the AVDD and DBVDD supplies must be present
throughout the Sleep Mode duration.
5.3 Output-Signal Drive-Strength Control
The CS42L92 supports configurable drive-strength control for the digital output pins. This can be used to assist
system-level integration and design considerations.
The drive-strength control bits are described in Table 5-4. Note that, in the case of bidirectional pins (e.g., GPIOn), the
drive-strength control bits are only applicable if the pin is configured as an output.
Table 5-3. Memory Reset Summary
Reset Type Always-On Registers 1
1.See Section 4.13 for details of Sleep Mode and the always-on registers.
Other Registers Control-Write Sequencer
Memory DSP Firmware Memory
Power-on reset Reset Reset Reset Reset
Hardware reset ResetResetResetReset
Software reset Reset Reset Retained Retained 2
2.To retain the DSP firmware memory contents during software reset, it must be ensured that DCVDD is held above its reset threshold.
Sleep Mode Retained Reset Reset Reset
The measured impedance is reported using the MICDm_STS and MICDm_LVL bits.
If no accessory or push button is detected, the MICDm_STS bit is cleared.
If MICDm_STS = 1, one of the MICDm_LVL bits is set to indicate the measured
impedance.
The applicable MICDm_LVL bit for each push button is noted below.
Detection of the microphone alone (no push buttons closed) is indicated in
MICDm_LVL[8].
MICBIAS
2.2 k
(±2%)
Microphone
4 x Push Buttons
R2 = 150
R3 = 270
R4 = 620
MICDm_LVL[3]
MICDm_LVL[2]
MICDm_LVL[1]
MICDm_LVL[0]
MICDm_LVL[8] –
Microphone detect
Analog Input
C
R1 = 0
Rmic 1 k
MICDETn
Sense pin selected by
MICDm_SENSE_SEL
Ground pin selected
by MICDm_GND_SEL
MICDETn
HPDETn
JACKDETn
_‘ __— __— _— _— CIRRUS LOGIC” Register Address Bil Label Default Descriplion RE (0X0008) 8 CIF1M|SOiDRV7 1 CiF1MISO output drive strength R1520 (0X05F0) 1 SL1MDAT27DRV7 1 SLIMDAT2 output drive Strength 1 SLiMDATLDRV, 1 SLIMDAT1 output drive Strength 0 SLiMCLKiDRvi 1 SLIMCLK output drive Strength R5889 (0X1701) 12 GP17DRV7$TR 1 GF|D1 output drive Strength R5891 (0X1703) 12 GP27DRV7$TR 1 GF|D2 output drive Strength R5893 (0X1705) 12 GPCLDRVisTR 1 SPKCLK/GFiOS output drive Strength R5895 (0X1707) 12 GPILDRVisTR 1 SPKDATIGPIO4 output drive strength R5897 (0X1709) 12 GP57DRV7$TR 1 AiF1TXDAT/GPIDS output drive Strength R5899 (0X17OB) 12 GP67DRV7$TR 1 AiF1BCLK/GPIDS output drive Strength R5901 (0X170D) 12 GP77DRV7$TR 1 AiF1RXDAT/GPID7 output drive Strength R5903 (0X170F) 12 GPELDRVisTR 1 AiF1LRCLK/GPIOE output drive strength R5905 (0X1711) 12 GPELDRVisTR 1 AiF2TXDAT/GPID9 output drive Strength R5907 (0X1713) 12 GP107DRV7$TR 1 AiF2BCLK/GPID10 output drive strength R5909 (0X1715) 12 GP117DRV75TR 1 AiF2RXDAT/GPID11 output drive Strength R5911 (0X1717) 12 GP127DRV7$TR 1 AiF2LRCLK/GPIO12 output drive Strength R5913 (0X1719) 12 GP137DRV7$TR 1 AiF3TXDAT/GPID13 output drive strength
DS1162F1 275
CS42L92
5.3 Output-Signal Drive-Strength Control
Table 5-4. Output Drive-Strength and Slew-Rate Control
Register Address Bit Label Default Description
R8 (0x0008)
Ctrl_IF_CFG_1
8CIF1MISO_DRV_
STR
1 CIF1MISO output drive strength
0 = 4 mA
1 = 8 mA
R1520 (0x05F0)
Slimbus_Pad_Ctrl
1 SLIMDAT2_DRV_
STR
1 SLIMDAT2 output drive strength
0 = 8 mA
1 = 12 mA
1 SLIMDAT1_DRV_
STR
1 SLIMDAT1 output drive strength
0 = 8 mA
1 = 12 mA
0 SLIMCLK_DRV_
STR
1 SLIMCLK output drive strength
0 = 2 mA
1 = 4 mA
R5889 (0x1701)
GPIO1_CTRL2
12 GP1_DRV_STR 1 GPIO1 output drive strength
0 = 4 mA
1 = 8 mA
R5891 (0x1703)
GPIO2_CTRL2
12 GP2_DRV_STR 1 GPIO2 output drive strength
0 = 4 mA
1 = 8 mA
R5893 (0x1705)
GPIO3_CTRL2
12 GP3_DRV_STR 1 SPKCLK/GPIO3 output drive strength
0 = 4 mA
1 = 8 mA
R5895 (0x1707)
GPIO4_CTRL2
12 GP4_DRV_STR 1 SPKDAT/GPIO4 output drive strength
0 = 4 mA
1 = 8 mA
R5897 (0x1709)
GPIO5_CTRL2
12 GP5_DRV_STR 1 AIF1TXDAT/GPIO5 output drive strength
0 = 4 mA
1 = 8 mA
R5899 (0x170B)
GPIO6_CTRL2
12 GP6_DRV_STR 1 AIF1BCLK/GPIO6 output drive strength
0 = 4 mA
1 = 8 mA
R5901 (0x170D)
GPIO7_CTRL2
12 GP7_DRV_STR 1 AIF1RXDAT/GPIO7 output drive strength
0 = 4 mA
1 = 8 mA
R5903 (0x170F)
GPIO8_CTRL2
12 GP8_DRV_STR 1 AIF1LRCLK/GPIO8 output drive strength
0 = 4 mA
1 = 8 mA
R5905 (0x1711)
GPIO9_CTRL2
12 GP9_DRV_STR 1 AIF2TXDAT/GPIO9 output drive strength
0 = 4 mA
1 = 8 mA
R5907 (0x1713)
GPIO10_CTRL2
12 GP10_DRV_STR 1 AIF2BCLK/GPIO10 output drive strength
0 = 4 mA
1 = 8 mA
R5909 (0x1715)
GPIO11_CTRL2
12 GP11_DRV_STR 1 AIF2RXDAT/GPIO11 output drive strength
0 = 4 mA
1 = 8 mA
R5911 (0x1717)
GPIO12_CTRL2
12 GP12_DRV_STR 1 AIF2LRCLK/GPIO12 output drive strength
0 = 4 mA
1 = 8 mA
R5913 (0x1719)
GPIO13_CTRL2
12 GP13_DRV_STR 1 AIF3TXDAT/GPIO13 output drive strength
0 = 4 mA
1 = 8 mA
_‘ __— __— _— _— CIRRUS LOGIC” Register Address Bil Label Default Descriplion R5915 (0x171 B) 12 GP147DRV7$TR 1 AIFSBCLK/GPIDM output drive strength R5917 (0X171D) 12 GP157DRV7$TR 1 AlF3RXDAT/GFIO15 output drive strength R5919 (0x171 F) 12 GP167DRV7$TR 1 AlF3LRCLK/GPIO16 output drive strength AIF Mode Clocking Configuralion AIF Master Mode SYSCLKisRC (ASYNCCLKisRC) seiects MCLK1. MCLKZ. or MCLK3 as SYSCLK (ASYNCCLK) source. SYSCLKisRC (ASYNCCLKisRC) seiects FLLn as SYSCLK (ASYNCCLK) source; SYSCLKisRC (ASYNCCLKisRC) seiects FLLn as SYSCLK (ASYNCCLK) source; AIF Slave Mode SYSCLKisRC (ASYNCCLKisRC) seiects FLLn as SYSCLK (ASYNCCLK) source; SYSCLKisRC (ASYNCCLKisRC) seiects MCLK1. MCLKZ‘ or MCLK3 as SYSCLK (ASYNCCLK) source. SYSCLKisRC (ASYNCCLKisRC) seiects FLLn as SYSCLK (ASYNCCLK) source; SYSCLKisRC (ASYNCCLKisRC) seiects FLLn as SYSCLK (ASYNCCLK) source;
276 DS1162F1
CS42L92
5.4 Digital Audio Interface Clocking Configurations
5.4 Digital Audio Interface Clocking Configurations
The digital audio interfaces (AIF1–AIF3) can be configured in master or slave modes. In all applications, it is important that
the system clocking configuration is correctly designed. Incorrect clock configurations lead to audible clicks arising from
dropped or repeated audio samples; this is caused by the inherent tolerances of multiple asynchronous system clocks.
To ensure reliable clocking of the audio interface functions, the external interface clocks (e.g., BCLK, LRCLK) must be
derived from the same clock source as SYSCLK (or ASYNCCLK, where applicable).
In AIF Master Mode, the external BCLK and LRCLK signals are generated by the CS42L92 and synchronization of these
signals with SYSCLK (or ASYNCCLK) is ensured. In this case, clocking of the AIF is typically derived from the MCLKn
inputs, either directly or via one of the FLL circuits. Alternatively, an AIFn or SLIMbus interface can be used to provide the
reference clock to which the AIF master can be synchronized.
In AIF Slave Mode, the external BCLK and LRCLK signals are generated by another device, as inputs to the CS42L92. In
this case, the system clock (SYSCLK or ASYNCCLK) must be generated from a source that is synchronized to the external
BCLK and LRCLK inputs.
In a typical Slave Mode application, the BCLK input is selected as the clock reference, using the FLL to perform frequency
shifting. The MCLK1, MCLK2, or MCLK3 inputs can also be used, but only if the selected clock is synchronized externally
to the BCLK and LRCLK inputs. The SLIMbus interface can also provide the clock reference, via one of the FLLs, provided
that the BCLK and LRCLK signals are externally synchronized with the SLIMCLK input.
The valid AIF clocking configurations are listed in Table 5-5 for AIF Master and AIF Slave Modes.
The applicable system clock (SYSCLK or ASYNCCLK) depends on the AIFn_RATE setting for the relevant digital audio
interface; if AIFn_RATE < 1000, SYSCLK is applicable; if AIFn_RATE1000, ASYNCCLK is applicable.
In each case, the SYSCLK (ASYNCCLK) frequency must be a valid ratio to the LRCLK frequency; the supported clocking
rates are defined by the SYSCLK_FREQ (ASYNC_CLK_FREQ) and SAMPLE_RATE_n (ASYNC_SAMPLE_RATE_n)
fields.
R5915 (0x171B)
GPIO14_CTRL2
12 GP14_DRV_STR 1 AIF3BCLK/GPIO14 output drive strength
0 = 4 mA
1 = 8 mA
R5917 (0x171D)
GPIO15_CTRL2
12 GP15_DRV_STR 1 AIF3RXDAT/GPIO15 output drive strength
0 = 4 mA
1 = 8 mA
R5919 (0x171F)
GPIO16_CTRL2
12 GP16_DRV_STR 1 AIF3LRCLK/GPIO16 output drive strength
0 = 4 mA
1 = 8 mA
Table 5-5. AIF Clocking Configurations
AIF Mode Clocking Configuration
AIF Master Mode SYSCLK_SRC (ASYNCCLK_SRC) selects MCLK1, MCLK2, or MCLK3 as SYSCLK (ASYNCCLK) source.
SYSCLK_SRC (ASYNCCLK_SRC) selects FLLn as SYSCLK (ASYNCCLK) source;
FLLn_REFCLK_SRC selects MCLK1, MCLK2, or MCLK3 as FLLn source.
SYSCLK_SRC (ASYNCCLK_SRC) selects FLLn as SYSCLK (ASYNCCLK) source;
FLLn_REFCLK_SRC selects a different interface (BCLK, LRCLK, SLIMCLK) as FLLn source.
AIF Slave Mode SYSCLK_SRC (ASYNCCLK_SRC) selects FLLn as SYSCLK (ASYNCCLK) source;
FLLn_REFCLK_SRC selects BCLK as FLLn source.
SYSCLK_SRC (ASYNCCLK_SRC) selects MCLK1, MCLK2, or MCLK3 as SYSCLK (ASYNCCLK) source,
provided MCLK is externally synchronized to the BCLK input.
SYSCLK_SRC (ASYNCCLK_SRC) selects FLLn as SYSCLK (ASYNCCLK) source;
FLLn_REFCLK_SRC selects MCLK1, MCLK2, or MCLK3 as FLLn source, provided MCLK is externally
synchronized to the BCLK input.
SYSCLK_SRC (ASYNCCLK_SRC) selects FLLn as SYSCLK (ASYNCCLK) source;
FLLn_REFCLK_SRC selects a different interface (e.g., SLIMCLK) as FLLn source, provided the other
interface is externally synchronized to the BCLK input.
Table 5-4. Output Drive-Strength and Slew-Rate Control (Cont.)
Register Address Bit Label Default Description
CIRRUS LOGIC” _‘ __— __— _— _—
DS1162F1 277
CS42L92
5.4 Digital Audio Interface Clocking Configurations
The valid AIF clocking configurations are shown in Fig. 5-9 to Fig. 5-15. Note that, where MCLK1 is shown as the clock
source, it is equally possible to select MCLK2 or MCLK3 as the clock source. Similarly, in cases where FLL1 is shown, it
is equally possible to select FLL2.
Fig. 5-9 shows AIF Master Mode operation, using MCLK as the clock reference.
Figure 5-9. AIF Master Mode, Using MCLK as Reference
Fig. 5-10 shows AIF Master Mode operation, using MCLK as the clock reference. In this example, the FLL is used to
generate the system clock, with MCLK as the reference.
Figure 5-10. AIF Master Mode, Using MCLK and FLL as Reference
Oscillator
Processor
AIFnBCLK
AIFnLRCLK
AIFnRXDAT
AIFnTXDAT
AIFn
(Master Mode)
SYSCLK
(or ASYNCCLK)
SYSCLK_SRC
(or ASYNC_CLK_SRC)
MCLK1
MCLK2
AIFnBCLK
FLLn
SLIMCLK
MCLK3
CS42L92
Oscillator
Processor
AIFnBCLK
AIFnLRCLK
AIFnRXDAT
AIFnTXDAT
FLL1_REFCLK
_SRC
FLL1
AIFn
(Master Mode)
AIFnBCLK
SLIMCLK
MCLK1
MCLK2
SYSCLK
(or ASYNCCLK)
SYSCLK_SRC
(or ASYNC_CLK_SRC)
MCLK1
MCLK2
AIFnLRCLK
AIFnBCLK
SLIMCLK
MCLK3
MCLK3
CS42L92
_‘ __— __— _— _— CIRRUS LOGIC”
278 DS1162F1
CS42L92
5.4 Digital Audio Interface Clocking Configurations
Fig. 5-11 shows AIF Master Mode operation, using a separate interface as the clock reference. In this example, the FLL
is used to generate the system clock, with SLIMCLK as the reference.
Figure 5-11. AIF Master Mode, Using Another Interface as Reference
Fig. 5-12 shows AIF Slave Mode operation, using BCLK as the clock reference. In this example, the FLL is used to
generate the system clock, with BCLK as the reference.
Figure 5-12. AIF Slave Mode, Using BCLK and FLL as Reference
AIFnLRCLK
AIFnBCLK
Processor
AIFnBCLK
AIFnLRCLK
AIFnRXDAT
AIFnTXDAT
FLL1_REFCLK
_SRC
FLL1
AIFnBCLK
AIFnLRCLK
AIFnRXDAT
AIFnTXDAT
SLIMCLK
SLIMDAT
SLIMCLK
FRAMER_REF_GEAR
Processor
Processor
AIFn
(Master Mode)
AIFn
(Slave Mode)
SLIMbus
Interface
Automatic
Divider
MCLK1
MCLK2
AIFnBCLK
SLIMCLK
MCLK1
MCLK2
SYSCLK
(or ASYNCCLK)
SYSCLK_SRC
(or ASYNC_CLK_SRC)
MCLK3
MCLK3
CS42L92
Processor
AIFnBCLK
AIFnLRCLK
AIFnRXDAT
AIFnTXDAT
FLL1_REFCLK_SRC
FLL1
AIFn
(Slave Mode)
SLIMCLK
MCLK1
MCLK2
AIFnBCLK
AIFnBCLK
SLIMCLK
MCLK1
MCLK2
SYSCLK
(or ASYNCCLK)
SYSCLK_SRC
(or ASYNC_CLK_SRC)
MCLK3
MCLK3
AIFnLRCLK
CS42L92
_‘ __— __— _— _— CIRRUS LOGIC”
DS1162F1 279
CS42L92
5.4 Digital Audio Interface Clocking Configurations
Fig. 5-13 shows AIF Slave Mode operation, using MCLK as the clock reference. For correct operation, the MCLK input
must be fully synchronized to the audio interface.
Figure 5-13. AIF Slave Mode, Using MCLK as Reference
Fig. 5-14 shows AIF Slave Mode operation, using MCLK as the clock reference. For correct operation, the MCLK input
must be fully synchronized to the audio interface. In this example, the FLL is used to generate the system clock, with MCLK
as the reference.
Figure 5-14. AIF Slave Mode, Using MCLK and FLL as Reference
Processor
AIFnBCLK
AIFnLRCLK
AIFnRXDAT
AIFnTXDAT
Synchronous
Clock Generator
AIFn
(Slave Mode)
SYSCLK
(or ASYNCCLK)
SYSCLK_SRC
(or ASYNC_CLK_SRC)
MCLK1
MCLK2
AIFnBCLK
FLLn
SLIMCLK
MCLK3
CS42L92
AIFnBCLK
AIFnLRCLK
AIFnRXDAT
AIFnTXDAT
FLL1
Processor
Synchronous
Clock Generator
AIFn
(Slave Mode)
SYSCLK
(or ASYNCCLK)
SYSCLK_SRC
(or ASYNC_CLK_SRC)
AIFnBCLK
SLIMCLK
MCLK1
MCLK2
MCLK3
MCLK1
MCLK2
AIFnLRCLK
AIFnBCLK
SLIMCLK
MCLK3
FLL1_REFCLK
_SRC
CS42L92
CIRRUS LOGIC” _‘ __— __— _— _— ijwficu=<>
280 DS1162F1
CS42L92
5.5 PCB Layout Considerations
Fig. 5-15 shows AIF Slave Mode operation, using a separate interface as the clock reference. In this example, the FLL is
used to generate the system clock, with SLIMCLK as the reference. For correct operation, the SLIMCLK input must be
fully synchronized to the other audio interfaces.
Figure 5-15. AIF Slave Mode, Using Another Interface as Reference
5.5 PCB Layout Considerations
PCB layout should be carefully considered, to ensure optimum performance of the CS42L92. Poor PCB layout degrades
the performance and is a contributory factor in EMI, ground bounce, and resistive voltage losses. All external components
should be placed close to the CS42L92, with current loop areas kept as small as possible. The following specific
considerations should be noted:
Placement of the charge pump capacitors is a high priority requirement—these capacitors (particularly the fly-back
capacitors) must be placed as close as possible to the CS42L92. The component choice and positioning of the CP1
components are more critical than those of CP2, due to the higher output power requirements of CP1.
Decoupling capacitors should be placed as close as possible to the CS42L92. The connection between AGND, the
AVDD decoupling capacitor, and the main system ground should be made at a single point as close as possible to
the AGND balls of the CS42L92.
The VREFC capacitor should be placed as close as possible to the CS42L92. The ground connection to the VREFC
capacitor should be as close as possible to the AGND1 ball of the CS42L92.
If multiple power supply rails are connected to a single supply source, it is recommended to provide separate PCB
tracks connecting each rail to the supply. This configuration is also known as star connection.
If power supply rails are routed between different layers of the PCB, it is recommended to use several track vias, in
order to minimize resistive voltage losses.
Differential input signal tracks should be routed as a pair, ensuring similar length/width dimensions on each track.
Input signal paths should be kept away from high frequency digital signals.
AIFnBCLK
AIFnLRCLK
AIFnRXDAT
AIFnTXDAT
FLL1_REFCLK
_SR C
FLL1
Processor
Synchronous
Clock Generator
AIFnLRCLK
AIFnB CLK
AIFnBCLK
AIFnLRCLK
AIFnRXDAT
AIFnTXDAT
SLIMCLK
SLIMDAT
SLIMCLK
FRAMER_REF_GEAR
Processor
Processor
AIFn
(Slave Mode)
AIFn
(Slave Mode)
SLIMbus
Interface
Automatic
Divider
MCLK1
MCLK2
SYSCLK
(or ASYNCCLK)
SYSCLK_SRC
(or ASYNC_CLK_SRC)
AIFnBCLK
SLIMCLK
MCLK1
MCLK2
MCLK3
MCLK3
CS42L92
_‘ __— __— _— _— CIRRUS LOGIC”
DS1162F1 281
CS42L92
6 Register Map
Differential output signal tracks should be routed as a pair, ensuring similar length/width dimensions on each track.
The tracks should provide a low resistance path from the device output pin to the load (< 1% of the minimum load).
The headphone output ground-feedback pins should be connected to GND as close as possible to the respective
headphone jack ground pin. The ground-feedback PCB track should follow the same route as the respective output
signal paths.
6 Register Map
The CS42L92 control registers are listed in the following tables. Note that only the register addresses described here
should be accessed; writing to other addresses may result in undefined behavior. Register bits that are not documented
should not be changed from the default values.
The CS42L92 register map is defined in two regions:
The register space below 0x3000 is defined in 16-bit word format
The register space from 0x3000 upwards is defined in 32-bit word format
It is important to ensure that all control interface register operations use the applicable data word format, in accordance
with the applicable register addresses.
The 16-bit codec register space is described in Table 6-1.
Table 6-1. Register Map Definition—16-bit region
Register
Name
15 14 13 12 11 10 9 8 7 6 5 4 3 2 1 0
Default
R0
(0h)
Software_Reset
SW_RST_DEV_ID [15:0]
6371h
R1
(1h)
Hardware_Revision
00000000 HW_REVISION [7:0]
0001h
R2
(2h)
Software_Revision
00000000 SW_REVISION [7:0]
0000h
R8
(8h)
Ctrl_IF_CFG_1
0000001CIF1MISO
_DRV_
STR
CIF1MISO
_PD
0001000
0308h
R22
(16h)
Write_Sequencer_Ctrl_0
0000WSEQ_
ABORT
WSEQ_
START
WSEQ_
ENA
WSEQ_START_INDEX [8:0]
0000h
R23
(17h)
Write_Sequencer_Ctrl_1
000000WSEQ_
BUSY
WSEQ_CURRENT_INDEX [8:0]
0000h
R24
(18h)
Write_Sequencer_Ctrl_2
00000000000000WSEQ_
BOOT_
START
WSEQ_
LOAD_
MEM
0000h
R32
(20h)
Tone_Generator_1
TONE_RATE [4:0] 0 TONE_OFFSET [1:0] 0 0 TONE2_
OVD
TONE1_
OVD
00TONE2_
ENA
TONE1_
ENA
0000h
R33
(21h)
Tone_Generator_2
TONE1_LVL [23:8]
1000h
R34
(22h)
Tone_Generator_3
00000000 TONE1_LVL [7:0]
0000h
R35
(23h)
Tone_Generator_4
TONE2_LVL [23:8]
1000h
R36
(24h)
Tone_Generator_5
00000000 TONE2_LVL [7:0]
0000h
R48
(30h)
PWM_Drive_1
PWM_RATE [4:0] PWM_CLK_SEL [2:0] 0 0 PWM2_
OVD
PWM1_
OVD
00PWM2_
ENA
PWM1_
ENA
0000h
R49
(31h)
PWM_Drive_2
000000 PWM1_LVL [9:0]
0100h
R50
(32h)
PWM_Drive_3
000000 PWM2_LVL [9:0]
0100h
R66
(42h)R65
(41h)
Spare_Triggers
WSEQ_
TRG16
WSEQ_
TRG15
WSEQ_
TRG14
WSEQ_
TRG13
WSEQ_
TRG12
WSEQ_
TRG11
WSEQ_
TRG10
WSEQ_
TRG9
WSEQ_
TRG8
WSEQ_
TRG7
WSEQ_
TRG6
WSEQ_
TRG5
WSEQ_
TRG4
WSEQ_
TRG3
WSEQ_
TRG2
WSEQ_
TRG1
0000h
R75
(4Bh)
Spare_Sequence_
Select_1
0000000 WSEQ_TRG1_INDEX [8:0]
01FFh
R76
(4Ch)
Spare_Sequence_
Select_2
0000000 WSEQ_TRG2_INDEX [8:0]
01FFh
R77
(4Dh)
Spare_Sequence_
Select_3
0000000 WSEQ_TRG3_INDEX [8:0]
01FFh
R78
(4Eh)
Spare_Sequence_
Select_4
0000000 WSEQ_TRG4_INDEX [8:0]
01FFh
R79
(4Fh)
Spare_Sequence_
Select_5
0000000 WSEQ_TRG5_INDEX [8:0]
01FFh
R80
(50h)
Spare_Sequence_
Select_6
0000000 WSEQ_TRG6_INDEX [8:0]
01FFh
_‘ __— __— _— _— CIRRUS LOGIC”
282 DS1162F1
CS42L92
6 Register Map
R89
(59h)
Spare_Sequence_
Select_7
0000000 WSEQ_TRG7_INDEX [8:0]
01FFh
R90
(5Ah)
Spare_Sequence_
Select_8
0000000 WSEQ_TRG8_INDEX [8:0]
01FFh
R91
(5Bh)
Spare_Sequence_
Select_9
0000000 WSEQ_TRG9_INDEX [8:0]
01FFh
R92
(5Ch)
Spare_Sequence_
Select_10
0000000 WSEQ_TRG10_INDEX [8:0]
01FFh
R93
(5Dh)
Spare_Sequence_
Select_11
0000000 WSEQ_TRG11_INDEX [8:0]
01FFh
R94
(5Eh)
Spare_Sequence_
Select_12
0000000 WSEQ_TRG12_INDEX [8:0]
01FFh
R97
(61h)
Sample_Rate_
Sequence_Select_1
0000000 WSEQ_SAMPLE_RATE_DETECT_A_INDEX [8:0]
01FFh
R98
(62h)
Sample_Rate_
Sequence_Select_2
0000000 WSEQ_SAMPLE_RATE_DETECT_B_INDEX [8:0]
01FFh
R99
(63h)
Sample_Rate_
Sequence_Select_3
0000000 WSEQ_SAMPLE_RATE_DETECT_C_INDEX [8:0]
01FFh
R100
(64h)
Sample_Rate_
Sequence_Select_4
0000000 WSEQ_SAMPLE_RATE_DETECT_D_INDEX [8:0]
01FFh
R102
(66h)
Always_On_Triggers_
Sequence_Select_1
0000000 WSEQ_MICD_CLAMP_RISE_INDEX [8:0]
01FFh
R103
(67h)
Always_On_Triggers_
Sequence_Select_2
0000000 WSEQ_MICD_CLAMP_FALL_INDEX [8:0]
01FFh
R104
(68h)
Spare_Sequence_
Select_13
0000000 WSEQ_TRG13_INDEX [8:0]
01FFh
R105
(69h)
Spare_Sequence_
Select_14
0000000 WSEQ_TRG14_INDEX [8:0]
01FFh
R106
(6Ah)
Spare_Sequence_
Select_15
0000000 WSEQ_TRG15_INDEX [8:0]
01FFh
R107
(6Bh)
Spare_Sequence_
Select_16
0000000 WSEQ_TRG16_INDEX [8:0]
01FFh
R110
(6Eh)
Trigger_Sequence_
Select_32
0000000 WSEQ_DRC1_SIG_DET_RISE_INDEX [8:0]
01FFh
R111
(6Fh)
Trigger_Sequence_
Select_33
0000000 WSEQ_DRC1_SIG_DET_FALL_INDEX [8:0]
01FFh
R120
(78h)
Eventlog_Sequence_
Select_1
0000000 WSEQ_EVENTLOG1_INDEX [8:0]
01FFh
R144
(90h)
Haptics_Control_1
HAP_RATE [4:0] 000000ONESHOT
_TRIG
HAP_CTRL [1:0] HAP_ACT 0
0000h
R145
(91h)
Haptics_Control_2
0LRA_FREQ [14:0]
7FFFh
R146
(92h)
Haptics_phase_1_
intensity
00000000 PHASE1_INTENSITY [7:0]
0000h
R147
(93h)
Haptics_phase_1_
duration
0000000 PHASE1_DURATION [8:0]
0000h
R148
(94h)
Haptics_phase_2_
intensity
00000000 PHASE2_INTENSITY [7:0]
0000h
R149
(95h)
Haptics_phase_2_
duration
0 0 0 0 0 PHASE2_DURATION [10:0]
0000h
R150
(96h)
Haptics_phase_3_
intensity
00000000 PHASE3_INTENSITY [7:0]
0000h
R151
(97h)
Haptics_phase_3_
duration
0000000 PHASE3_DURATION [8:0]
0000h
R152
(98h)
Haptics_Status
000000000000000ONESHOT
_STS
0000h
R160
(A0h)
Comfort_Noise_
Generator
NOISE_GEN_RATE [4:0] 00000NOISE_
GEN_ENA
NOISE_GEN_GAIN [4:0]
0000h
R256
(100h)
Clock_32k_1
000000000CLK_32K_
ENA
0000CLK_32K_SRC [1:0]
0002h
R257
(101h)
System_Clock_1
SYSCLK_
FRAC
0 0 0 0 SYSCLK_FREQ [2:0] 0 SYSCLK_
ENA
0 0 SYSCLK_SRC [3:0]
0404h
R258
(102h)
Sample_rate_1
00000000000 SAMPLE_RATE_1 [4:0]
0011h
R259
(103h)
Sample_rate_2
00000000000 SAMPLE_RATE_2 [4:0]
0011h
R260
(104h)
Sample_rate_3
00000000000 SAMPLE_RATE_3 [4:0]
0011h
R266
(10Ah)
Sample_rate_1_status
00000000000 SAMPLE_RATE_1_STS [4:0]
0000h
R267
(10Bh)
Sample_rate_2_status
00000000000 SAMPLE_RATE_2_STS [4:0]
0000h
R268
(10Ch)
Sample_rate_3_status
00000000000 SAMPLE_RATE_3_STS [4:0]
0000h
R274
(112h)
Async_clock_1
0 0 0 0 0 ASYNC_CLK_FREQ [2:0] 0 ASYNC_
CLK_ENA
0 0 ASYNC_CLK_SRC [3:0]
0305h
Table 6-1. Register Map Definition—16-bit region (Cont.)
Register
Name
15 14 13 12 11 10 9 8 7 6 5 4 3 2 1 0
Default
_‘ __— __— _— _— CIRRUS LOGIC”
DS1162F1 283
CS42L92
6 Register Map
R275
(113h)
Async_sample_rate_1
00000000000 ASYNC_SAMPLE_RATE_1 [4:0]
0011h
R276
(114h)
Async_sample_rate_2
00000000000 ASYNC_SAMPLE_RATE_2 [4:0]
0011h
R283
(11Bh)
Async_sample_rate_1_
status
00000000000 ASYNC_SAMPLE_RATE_1_STS [4:0]
0000h
R284
(11Ch)
Async_sample_rate_2_
status
00000000000 ASYNC_SAMPLE_RATE_2_STS [4:0]
0000h
R329
(149h)
Output_system_clock
OPCLK_
ENA
0000000 OPCLK_DIV [4:0] OPCLK_SEL [2:0]
0000h
R330
(14Ah)
Output_async_clock
OPCLK_
ASYNC_
ENA
0000000 OPCLK_ASYNC_DIV [4:0] OPCLK_ASYNC_SEL [2:0]
0000h
R334
(14Eh)
Clock_Gen_Pad_Ctrl
000000MCLK3_
PD
MCLK2_
PD
MCLK1_
PD
0000000
0000h
R338
(152h)
Rate_Estimator_1
00000000000TRIG_ON_
STARTUP
LRCLK_SRC [2:0] RATE_
EST_ENA
0000h
R339
(153h)
Rate_Estimator_2
00000000000 SAMPLE_RATE_DETECT_A [4:0]
0000h
R340
(154h)
Rate_Estimator_3
00000000000 SAMPLE_RATE_DETECT_B [4:0]
0000h
R341
(155h)
Rate_Estimator_4
00000000000 SAMPLE_RATE_DETECT_C [4:0]
0000h
R342
(156h)
Rate_Estimator_5
00000000000 SAMPLE_RATE_DETECT_D [4:0]
0000h
R352
(160h)
Clocking_debug_5
ASYNC_CLK_FREQ_STS [2:0] ASYNC_CLK_SRC_STS [3:0] 0 0 SYSCLK_FREQ_STS [2:0] SYSCLK_SRC_STS [3:0]
0000h
R369
(171h)
FLL1_Control_1
FLL1_REFCLK_SRC [3:0] 000000000FLL1_
HOLD
0 FLL1_ENA
7004h
R370
(172h)
FLL1_Control_2
FLL1_
CTRL_
UPD
00000 FLL1_N [9:0]
0004h
R371
(173h)
FLL1_Control_3
FLL1_THETA [15:0]
0000h
R372
(174h)
FLL1_Control_4
FLL1_LAMBDA [15:0]
0000h
R373
(175h)
FLL1_Control_5
000000 FLL1_FB_DIV [9:0]
0001h
R374
(176h)
FLL1_Control_6
FLL1_
REFDET
0000000FLL1_REFCLK_DIV
[1:0]
000000
8000h
R376
(178h)
FLL1_Control_8
FLL1_PD_GAIN_FINE [3:0] FLL1_PD_GAIN_COARSE [3:0] FLL1_FD_GAIN_FINE [3:0] FLL1_FD_GAIN_COARSE [3:0]
21F0h
R378
(17Ah)
FLL1_Control_10
FLL1_HP [1:0]01000000000000
1000h
R379
(17Bh)
FLL1_Control_11
00000000000 FLL1_LOCKDET_THR [3:0] FLL1_
LOCKDET
0011h
R381
(17Dh)
FLL1_Digital_Test_1
00110011011110FLL1_CLK_VCO_
FAST_SRC[1:0]
33E8h
R398
(18Eh)
FLL1_GPIO_Clock
0 0 0 0 FLL1_GPDIV_SRC
[1:0]
0 0 FLL1_GPCLK_DIV [6:0] FLL1_
GPCLK_
ENA
0C04h
R401
(191h)
FLL2_Control_1
FLL2_REFCLK_SRC [3:0] 000000000FLL2_
HOLD
0 FLL2_ENA
7000h
R402
(192h)
FLL2_Control_2
FLL2_
CTRL_
UPD
00000 FLL2_N [9:0]
0004h
R403
(193h)
FLL2_Control_3
FLL2_THETA [15:0]
0000h
R404
(194h)
FLL2_Control_4
FLL2_LAMBDA [15:0]
0000h
R405
(195h)
FLL2_Control_5
000000 FLL2_FB_DIV [9:0]
0001h
R406
(196h)
FLL2_Control_6
FLL2_
REFDET
0000000FLL2_REFCLK_DIV
[1:0]
000000
8000h
R408
(198h)
FLL2_Control_8
FLL2_PD_GAIN_FINE [3:0] FLL2_PD_GAIN_COARSE [3:0] FLL2_FD_GAIN_FINE [3:0] FLL2_FD_GAIN_COARSE [3:0]
21F0h
R410
(19Ah)
FLL2_Control_10
FLL2_HP [1:0]01000000000000
1000h
R411
(19Bh)
FLL2_Control_11
00000000000 FLL2_LOCKDET_THR [3:0] FLL2_
LOCKDET
0011h
R413
(19Dh)
FLL2_Digital_Test_1
00110011011110FLL2_CLK_VCO_
FAST_SRC[1:0]
33E8h
R430
(1AEh)
FLL2_GPIO_Clock
0 0 0 0 FLL2_GPDIV_SRC
[1:0]
0 0 FLL2_GPCLK_DIV [6:0] FLL2_
GPCLK_
ENA
0C04h
R512
(200h)
Mic_Charge_Pump_1
0000000000000CP2_
DISCH
CP2_
BYPASS
CP2_ENA
0006h
R531
(213h)
LDO2_Control_1
00000 LDO2_VSEL [5:0] 00LDO2_
DISCH
00
03E4h
Table 6-1. Register Map Definition—16-bit region (Cont.)
Register
Name
15 14 13 12 11 10 9 8 7 6 5 4 3 2 1 0
Default
_‘ __— __— _— _— CIRRUS LOGIC” ML sm
284 DS1162F1
CS42L92
6 Register Map
R536
(218h)
Mic_Bias_Ctrl_1
MICB1_
EXT_CAP
000000 MICB1_LVL [3:0] 0MICB1_
RATE
MICB1_
DISCH
MICB1_
BYPASS
MICB1_
ENA
00E6h
R537
(219h)
Mic_Bias_Ctrl_2
MICB2_
EXT_CAP
000000 MICB2_LVL [3:0] 0MICB2_
RATE
MICB2_
DISCH
MICB2_
BYPASS
MICB2_
ENA
00E6h
R540
(21Ch)
Mic_Bias_Ctrl_5
00MICB1D_
DISCH
MICB1D_
ENA
00MICB1C_
DISCH
MICB1C_
ENA
00MICB1B_
DISCH
MICB1B_
ENA
00MICB1A_
DISCH
MICB1A_
ENA
2222h
R542
(21Eh)
Mic_Bias_Ctrl_6
0000000000MICB2B_
DISCH
MICB2B_
ENA
00MICB2A_
DISCH
MICB2A_
ENA
0022h
R665
(299h)
Headphone_Detect_0
HPD_
OVD_ENA
HPD_OUT_SEL [2:0] HPD_FRC_SEL [3:0] HPD_SENSE_SEL [3:0] 0 HPD_GND_SEL [2:0]
0000h
R667
(29Bh)
Headphone_Detect_1
0 0 0 0 0 HPD_IMPEDANCE_
RANGE [1:0]
0 0 0 0 HPD_CLK_DIV [1:0] HPD_RATE [1:0] HPD_
POLL (
M
)
0000h
R668
(29Ch)
Headphone_Detect_2
HPD_
DONE
HPD_LVL [14:0]
0000h
R669
(29Dh)
Headphone_Detect_3
0 0 0 0 0 0 HPD_DACVAL [9:0]
0000h
R674
(2A2h)
Mic_Detect_1_Control_0
MICD1_
ADC_
MODE
0000000 MICD1_SENSE_SEL [3:0] 0MICD1_GND_SEL [2:0]
0010h
R675
(2A3h)
Mic_Detect_1_Control_1
MICD1_BIAS_STARTTIME [3:0] MICD1_RATE [3:0] MICD1_BIAS_SRC [3:0] 0 0MICD1_
DBTIME
MICD1_
ENA
1102h
R676
(2A4h)
Mic_Detect_1_Control_2
00000000 MICD1_LVL_SEL [7:0]
009Fh
R677
(2A5h)
Mic_Detect_1_Control_3
0 0 0 0 0 MICD1_LVL [8:0] MICD1_
VALID
MICD1_
STS
0000h
R683
(2ABh)
Mic_Detect_1_Control_4
MICD1_ADCVAL_DIFF [7:0] 0 MICD1_ADCVAL [6:0]
0000h
R690
(2B2h)
Mic_Detect_2_Control_0
MICD2_
ADC_
MODE
0000000 MICD2_SENSE_SEL [3:0] 0MICD2_GND_SEL [2:0]
0010h
R691
(2B3h)
Mic_Detect_2_Control_1
MICD2_BIAS_STARTTIME [3:0] MICD2_RATE [3:0] MICD2_BIAS_SRC [3:0] 0 0MICD2_
DBTIME
MICD2_
ENA
1102h
R692
(2B4h)
Mic_Detect_2_Control_2
00000000 MICD2_LVL_SEL [7:0]
009Fh
R693
(2B5h)
Mic_Detect_2_Control_3
0 0 0 0 0 MICD2_LVL [8:0] MICD2_
VALID
MICD2_
STS
0000h
R699
(2BBh)
Mic_Detect_2_Control_4
MICD2_ADCVAL_DIFF [7:0] 0 MICD2_ADCVAL [6:0]
0000h
R710
(2C6h)
Micd_Clamp_control
000000MICD_
CLAMP2_
OVD
MICD_CLAMP2_MODE [2:0] 0 MICD_
CLAMP1_
OVD
MICD_CLAMP1_MODE [3:0]
0210h
R712
(2C8h)
GP_Switch_1
000000000000SW2_MODE [1:0]SW1_MODE [1:0]
0000h
R723
(2D3h)
Jack_detect_analogue
0MICB1A_
AOD_ENA
00000000000JD3_ENAJD2_ENAJD1_ENA
0000h
R768
(300h)
Input_Enables
00000000IN4L_ENAIN4R_ENAIN3L_ENAIN3R_ENAIN2L_ENAIN2R_ENAIN1L_ENA IN1R_ENA
0000h
R769
(301h)
Input_Enables_Status
00000000IN4L_
ENA_STS
IN4R_
ENA_STS
IN3L_
ENA_STS
IN3R_
ENA_STS
IN2L_
ENA_STS
IN2R_
ENA_STS
IN1L_
ENA_STS
IN1R_
ENA_STS
0000h
R776
(308h)
Input_Rate
IN_RATE [4:0] IN_RATE_
MODE
0000000000
0400h
R777
(309h)
Input_Volume_Ramp
000000000 IN_VD_RAMP [2:0] 0 IN_VI_RAMP [2:0]
0022h
R780
(30Ch)
HPF_Control
0000000000000 IN_HPF_CUT [2:0]
0002h
R784
(310h)
IN1L_Control
IN1L_HPF 0 0 IN1_DMIC_SUP [1:0] IN1_
MODE
0 0 IN1L_PGA_VOL [6:0] 0
0080h
R785
(311h)
ADC_Digital_Volume_1L
0 IN1L_SRC [1:0] 0 IN1L_LP_
MODE
0IN_VUIN1L_
MUTE
IN1L_VOL [7:0]
0180h
R786
(312h)
DMIC1L_Control
IN1L_SIG_
DET_ENA
0000 IN1_OSR [2:0] 00000000
0500h
R787
(313h)
IN1L_Rate_Control
IN1L_RATE [4:0] 00000000000
0000h
R788
(314h)
IN1R_Control
IN1R_HPF0000000 IN1R_PGA_VOL [6:0] 0
0080h
R789
(315h)
ADC_Digital_Volume_1R
0 IN1R_SRC [1:0] 0 IN1R_LP_
MODE
0IN_VUIN1R_
MUTE
IN1R_VOL [7:0]
0180h
R790
(316h)
DMIC1R_Control
IN1R_
SIG_DET_
ENA
000000000000000
0000h
R791
(317h)
IN1R_Rate_Control
IN1R_RATE [4:0] 00000000000
0000h
R792
(318h)
IN2L_Control
IN2L_HPF 0 0 IN2_DMIC_SUP [1:0] IN2_
MODE
0 0 IN2L_PGA_VOL [6:0] 0
0080h
R793
(319h)
ADC_Digital_Volume_2L
0 IN2L_SRC [1:0] 0 IN2L_LP_
MODE
0IN_VUIN2L_
MUTE
IN2L_VOL [7:0]
0180h
R794
(31Ah)
DMIC2L_Control
IN2L_SIG_
DET_ENA
0000 IN2_OSR [2:0] 00000000
0500h
Table 6-1. Register Map Definition—16-bit region (Cont.)
Register
Name
15 14 13 12 11 10 9 8 7 6 5 4 3 2 1 0
Default
_‘ __— __— _— _— CIRRUS LOGIC” N3L so I \ch mm M
DS1162F1 285
CS42L92
6 Register Map
R795
(31Bh)
IN2L_Rate_Control
IN2L_RATE [4:0] 00000000000
0000h
R796
(31Ch)
IN2R_Control
IN2R_HPF0000000 IN2R_PGA_VOL [6:0] 0
0080h
R797
(31Dh)
ADC_Digital_Volume_2R
0 IN2R_SRC [1:0] 0 IN2R_LP_
MODE
0IN_VUIN2R_
MUTE
IN2R_VOL [7:0]
0180h
R798
(31Eh)
DMIC2R_Control
IN2R_
SIG_DET_
ENA
000000000000000
0000h
R799
(31Fh)
IN2R_Rate_Control
IN2R_RATE [4:0] 00000000000
0000h
R800
(320h)
IN3L_Control
IN3L_HPF00IN3_DMIC_SUP [1:0]00000000000
0000h
R801
(321h)
ADC_Digital_Volume_3L
000000IN_VUIN3L_
MUTE
IN3L_VOL [7:0]
0180h
R802
(322h)
DMIC3L_Control
IN3L_SIG_
DET_ENA
0000 IN3_OSR [2:0] 00000000
0500h
R803
(323h)
IN3L_Rate_Control
IN3L_RATE [4:0] 00000000000
0000h
R804
(324h)
IN3R_Control
IN3R_HPF000000000000000
0000h
R805
(325h)
ADC_Digital_Volume_3R
000000IN_VUIN3R_
MUTE
IN3R_VOL [7:0]
0180h
R806
(326h)
DMIC3R_Control
IN3R_
SIG_DET_
ENA
000000000000000
0000h
R807
(327h)
IN3R_Rate_Control
IN3R_RATE [4:0] 00000000000
0000h
R808
(328h)
IN4L_Control
IN4L_HPF00IN4_DMIC_SUP [1:0]00000000000
0000h
R809
(329h)
ADC_Digital_Volume_4L
000000IN_VUIN4L_
MUTE
IN4L_VOL [7:0]
0180h
R810
(32Ah)
DMIC4L_Control
IN4L_SIG_
DET_ENA
0000 IN4_OSR [2:0] 00000000
0500h
R811
(32Bh)
IN4L_Rate_Control
IN4L_RATE [4:0] 00000000000
0000h
R812
(32Ch)
IN4R_Control
IN4R_HPF000000000000000
0000h
R813
(32Dh)
ADC_Digital_Volume_4R
000000IN_VUIN4R_
MUTE
IN4R_VOL [7:0]
0180h
R814
(32Eh)
DMIC4R_Control
IN4R_
SIG_DET_
ENA
000000000000000
0000h
R815
(32Fh)
IN4R_Rate_Control
IN4R_RATE [4:0] 00000000000
0000h
R832
(340h)
Signal_Detect_Globals
0000000 IN_SIG_DET_THR [4:0] IN_SIG_DET_HOLD [3:0]
0001h
R840
(348h)
Dig_Mic_Pad_Ctrl
000000000000DMICDAT4
_PD
DMICDAT3
_PD
DMICDAT2
_PD
DMICDAT1
_PD
0000h
R1024
(400h)
Output_Enables_1
EP_SEL00000OUT5L_
ENA
OUT5R_
ENA
00HP3L_
ENA
HP3R_
ENA
HP2L_
ENA
HP2R_
ENA
HP1L_
ENA
HP1R_
ENA
0000h
R1025
(401h)
Output_Status_1
000000OUT5L_
ENA_STS
OUT5R_
ENA_STS
00000000
0000h
R1030
(406h)
Raw_Output_Status_1
0000000000OUT3L_
ENA_STS
OUT3R_
ENA_STS
OUT2L_
ENA_STS
OUT2R_
ENA_STS
OUT1L_
ENA_STS
OUT1R_
ENA_STS
0000h
R1032
(408h)
Output_Rate_1
OUT_RATE [4:0] 0000CP_DAC_
MODE
OUT_EXT_CLK_DIV
[1:0]
0 OUT_CLK_SRC [2:0]
0040h
R1033
(409h)
Output_Volume_Ramp
000000000 OUT_VD_RAMP [2:0] 0 OUT_VI_RAMP [2:0]
0022h
R1040
(410h)
Output_Path_Config_1L
0 OUT1L_
HIFI
0OUT1_
MONO
000010000000
0080h
R1041
(411h)
DAC_Digital_Volume_1L
000000OUT_VUOUT1L_
MUTE
OUT1L_VOL [7:0]
0180h
R1042
(412h)
Output_Path_Config_1
0000000000000 HP1_GND_SEL [2:0]
0000h
R1043
(413h)
Noise_Gate_Select_1L
0 0 0 0 OUT1L_NGATE_SRC [11:0]
0001h
R1044
(414h)
Output_Path_Config_1R
0OUT1R_
HIFI
00000010000000
0080h
R1045
(415h)
DAC_Digital_Volume_1R
000000OUT_VUOUT1R_
MUTE
OUT1R_VOL [7:0]
0180h
R1047
(417h)
Noise_Gate_Select_1R
0 0 0 0 OUT1R_NGATE_SRC [11:0]
0002h
R1048
(418h)
Output_Path_Config_2L
0 OUT2L_
HIFI
0OUT2_
MONO
000010000000
0080h
R1049
(419h)
DAC_Digital_Volume_2L
000000OUT_VUOUT2L_
MUTE
OUT2L_VOL [7:0]
0180h
R1050
(41Ah)
Output_Path_Config_2
0000000000000 HP2_GND_SEL [2:0]
0002h
Table 6-1. Register Map Definition—16-bit region (Cont.)
Register
Name
15 14 13 12 11 10 9 8 7 6 5 4 3 2 1 0
Default
_‘ __— __— _— _— CIRRUS LOGIC”
286 DS1162F1
CS42L92
6 Register Map
R1051
(41Bh)
Noise_Gate_Select_2L
0 0 0 0 OUT2L_NGATE_SRC [11:0]
0004h
R1052
(41Ch)
Output_Path_Config_2R
0OUT2R_
HIFI
00000010000000
0080h
R1053
(41Dh)
DAC_Digital_Volume_2R
000000OUT_VUOUT2R_
MUTE
OUT2R_VOL [7:0]
0180h
R1055
(41Fh)
Noise_Gate_Select_2R
0 0 0 0 OUT2R_NGATE_SRC [11:0]
0008h
R1056
(420h)
Output_Path_Config_3L
0 OUT3L_
HIFI
0OUT3_
MONO
000010000000
0080h
R1057
(421h)
DAC_Digital_Volume_3L
000000OUT_VUOUT3L_
MUTE
OUT3L_VOL [7:0]
0180h
R1058
(422h)
Output_Path_Config_3
0000000000000 HP3_GND_SEL [2:0]
0002h
R1059
(423h)
Noise_Gate_Select_3L
0 0 0 0 OUT3L_NGATE_SRC [11:0]
0010h
R1060
(424h)
Output_Path_Config_3R
0OUT3R_
HIFI
00000010000000
0080h
R1061
(425h)
DAC_Digital_Volume_3R
000000OUT_VUOUT3R_
MUTE
OUT3R_VOL [7:0]
0180h
R1063
(427h)
Noise_Gate_Select_3R
0 0 0 0 OUT3R_NGATE_SRC [11:0]
0020h
R1072
(430h)
Output_Path_Config_5L
0 OUT5L_
HIFI
OUT5_
OSR
0000000000000
0000h
R1073
(431h)
DAC_Digital_Volume_5L
000000OUT_VUOUT5L_
MUTE
OUT5L_VOL [7:0]
0180h
R1075
(433h)
Noise_Gate_Select_5L
0 0 0 0 OUT5L_NGATE_SRC [11:0]
0100h
R1076
(434h)
Output_Path_Config_5R
0OUT5R_
HIFI
00000000000000
0000h
R1077
(435h)
DAC_Digital_Volume_5R
000000OUT_VUOUT5R_
MUTE
OUT5R_VOL [7:0]
0180h
R1079
(437h)
Noise_Gate_Select_5R
0 0 0 0 OUT5R_NGATE_SRC [11:0]
0200h
R1102
(44Eh)
Filter_Control
000000000000 HIFI_FIR_TYPE [3:0]
0000h
R1104
(450h)
DAC_AEC_Control_1
0000000000 AEC1_LOOPBACK_SRC [3:0]AEC1_
ENA_STS
AEC1_
LOOPBAC
K_ENA
0000h
R1105
(451h)
DAC_AEC_Control_2
0000000000 AEC2_LOOPBACK_SRC [3:0]AEC2_
ENA_STS
AEC2_
LOOPBAC
K_ENA
0000h
R1112
(458h)
Noise_Gate_Control
0000000000NGATE_HOLD [1:0]NGATE_THR [2:0]NGATE_
ENA
0000h
R1168
(490h)
PDM_SPK1_CTRL_1
0 0 SPK1R_
MUTE
SPK1L_
MUTE
0 0 0 SPK1_
MUTE_
ENDIAN
SPK1_MUTE_SEQ [7:0]
0069h
R1169
(491h)
PDM_SPK1_CTRL_2
000000000000000SPK1_
FMT
0000h
R1280
(500h)
AIF1_BCLK_Ctrl
00000000AIF1_
BCLK_INV
AIF1_
BCLK_
FRC
AIF1_
BCLK_
MSTR
AIF1_BCLK_FREQ [4:0]
000Ch
R1281
(501h)
AIF1_Tx_Pin_Ctrl
0000000000AIF1TX_
DAT_TRI
00000
0000h
R1282
(502h)
AIF1_Rx_Pin_Ctrl
00000000000AIF1_
LRCLK_
MODE
0AIF1_
LRCLK_
INV
AIF1_
LRCLK_
FRC
AIF1_
LRCLK_
MSTR
0000h
R1283
(503h)
AIF1_Rate_Ctrl
AIF1_RATE [4:0] 0000AIF1_TRI000000
0000h
R1284
(504h)
AIF1_Format
0000000000000 AIF1_FMT [2:0]
0000h
R1286
(506h)
AIF1_Rx_BCLK_Rate
0 0 0 AIF1_BCPF [12:0]
0040h
R1287
(507h)
AIF1_Frame_Ctrl_1
0 0 AIF1TX_WL [5:0] AIF1TX_SLOT_LEN [7:0]
1818h
R1288
(508h)
AIF1_Frame_Ctrl_2
0 0 AIF1RX_WL [5:0] AIF1RX_SLOT_LEN [7:0]
1818h
R1289
(509h)
AIF1_Frame_Ctrl_3
0000000000 AIF1TX1_SLOT [5:0]
0000h
R1290
(50Ah)
AIF1_Frame_Ctrl_4
0000000000 AIF1TX2_SLOT [5:0]
0001h
R1291
(50Bh)
AIF1_Frame_Ctrl_5
0000000000 AIF1TX3_SLOT [5:0]
0002h
R1292
(50Ch)
AIF1_Frame_Ctrl_6
0000000000 AIF1TX4_SLOT [5:0]
0003h
R1293
(50Dh)
AIF1_Frame_Ctrl_7
0000000000 AIF1TX5_SLOT [5:0]
0004h
R1294
(50Eh)
AIF1_Frame_Ctrl_8
0000000000 AIF1TX6_SLOT [5:0]
0005h
Table 6-1. Register Map Definition—16-bit region (Cont.)
Register
Name
15 14 13 12 11 10 9 8 7 6 5 4 3 2 1 0
Default
_‘ __— __— _— _— CIRRUS LOGIC”
DS1162F1 287
CS42L92
6 Register Map
R1295
(50Fh)
AIF1_Frame_Ctrl_9
0000000000 AIF1TX7_SLOT [5:0]
0006h
R1296
(510h)
AIF1_Frame_Ctrl_10
0000000000 AIF1TX8_SLOT [5:0]
0007h
R1297
(511h)
AIF1_Frame_Ctrl_11
0000000000 AIF1RX1_SLOT [5:0]
0000h
R1298
(512h)
AIF1_Frame_Ctrl_12
0000000000 AIF1RX2_SLOT [5:0]
0001h
R1299
(513h)
AIF1_Frame_Ctrl_13
0000000000 AIF1RX3_SLOT [5:0]
0002h
R1300
(514h)
AIF1_Frame_Ctrl_14
0000000000 AIF1RX4_SLOT [5:0]
0003h
R1301
(515h)
AIF1_Frame_Ctrl_15
0000000000 AIF1RX5_SLOT [5:0]
0004h
R1302
(516h)
AIF1_Frame_Ctrl_16
0000000000 AIF1RX6_SLOT [5:0]
0005h
R1303
(517h)
AIF1_Frame_Ctrl_17
0000000000 AIF1RX7_SLOT [5:0]
0006h
R1304
(518h)
AIF1_Frame_Ctrl_18
0000000000 AIF1RX8_SLOT [5:0]
0007h
R1305
(519h)
AIF1_Tx_Enables
00000000AIF1TX8_
ENA
AIF1TX7_
ENA
AIF1TX6_
ENA
AIF1TX5_
ENA
AIF1TX4_
ENA
AIF1TX3_
ENA
AIF1TX2_
ENA
AIF1TX1_
ENA
0000h
R1306
(51Ah)
AIF1_Rx_Enables
00000000AIF1RX8_
ENA
AIF1RX7_
ENA
AIF1RX6_
ENA
AIF1RX5_
ENA
AIF1RX4_
ENA
AIF1RX3_
ENA
AIF1RX2_
ENA
AIF1RX1_
ENA
0000h
R1344
(540h)
AIF2_BCLK_Ctrl
00000000AIF2_
BCLK_INV
AIF2_
BCLK_
FRC
AIF2_
BCLK_
MSTR
AIF2_BCLK_FREQ [4:0]
000Ch
R1345
(541h)
AIF2_Tx_Pin_Ctrl
0000000000AIF2TX_
DAT_TRI
00000
0000h
R1346
(542h)
AIF2_Rx_Pin_Ctrl
00000000000AIF2_
LRCLK_
MODE
0AIF2_
LRCLK_
INV
AIF2_
LRCLK_
FRC
AIF2_
LRCLK_
MSTR
0000h
R1347
(543h)
AIF2_Rate_Ctrl
AIF2_RATE [4:0] 0000AIF2_TRI000000
0000h
R1348
(544h)
AIF2_Format
0000000000000 AIF2_FMT [2:0]
0000h
R1350
(546h)
AIF2_Rx_BCLK_Rate
0 0 0 AIF2_BCPF [12:0]
0040h
R1351
(547h)
AIF2_Frame_Ctrl_1
0 0 AIF2TX_WL [5:0] AIF2TX_SLOT_LEN [7:0]
1818h
R1352
(548h)
AIF2_Frame_Ctrl_2
0 0 AIF2RX_WL [5:0] AIF2RX_SLOT_LEN [7:0]
1818h
R1353
(549h)
AIF2_Frame_Ctrl_3
0000000000 AIF2TX1_SLOT [5:0]
0000h
R1354
(54Ah)
AIF2_Frame_Ctrl_4
0000000000 AIF2TX2_SLOT [5:0]
0001h
R1355
(54Bh)
AIF2_Frame_Ctrl_5
0000000000 AIF2TX3_SLOT [5:0]
0002h
R1356
(54Ch)
AIF2_Frame_Ctrl_6
0000000000 AIF2TX4_SLOT [5:0]
0003h
R1357
(54Dh)
AIF2_Frame_Ctrl_7
0000000000 AIF2TX5_SLOT [5:0]
0004h
R1358
(54Eh)
AIF2_Frame_Ctrl_8
0000000000 AIF2TX6_SLOT [5:0]
0005h
R1359
(54Fh)
AIF2_Frame_Ctrl_9
0000000000 AIF2TX7_SLOT [5:0]
0006h
R1360
(550h)
AIF2_Frame_Ctrl_10
0000000000 AIF2TX8_SLOT [5:0]
0007h
R1361
(551h)
AIF2_Frame_Ctrl_11
0000000000 AIF2RX1_SLOT [5:0]
0000h
R1362
(552h)
AIF2_Frame_Ctrl_12
0000000000 AIF2RX2_SLOT [5:0]
0001h
R1363
(553h)
AIF2_Frame_Ctrl_13
0000000000 AIF2RX3_SLOT [5:0]
0002h
R1364
(554h)
AIF2_Frame_Ctrl_14
0000000000 AIF2RX4_SLOT [5:0]
0003h
R1365
(555h)
AIF2_Frame_Ctrl_15
0000000000 AIF2RX5_SLOT [5:0]
0004h
R1366
(556h)
AIF2_Frame_Ctrl_16
0000000000 AIF2RX6_SLOT [5:0]
0005h
R1367
(557h)
AIF2_Frame_Ctrl_17
0000000000 AIF2RX7_SLOT [5:0]
0006h
R1368
(558h)
AIF2_Frame_Ctrl_18
0000000000 AIF2RX8_SLOT [5:0]
0007h
R1369
(559h)
AIF2_Tx_Enables
00000000AIF2TX8_
ENA
AIF2TX7_
ENA
AIF2TX6_
ENA
AIF2TX5_
ENA
AIF2TX4_
ENA
AIF2TX3_
ENA
AIF2TX2_
ENA
AIF2TX1_
ENA
0000h
R1370
(55Ah)
AIF2_Rx_Enables
00000000AIF2RX8_
ENA
AIF2RX7_
ENA
AIF2RX6_
ENA
AIF2RX5_
ENA
AIF2RX4_
ENA
AIF2RX3_
ENA
AIF2RX2_
ENA
AIF2RX1_
ENA
0000h
Table 6-1. Register Map Definition—16-bit region (Cont.)
Register
Name
15 14 13 12 11 10 9 8 7 6 5 4 3 2 1 0
Default
_‘ __— __— _— _— CIRRUS LOGIC”
288 DS1162F1
CS42L92
6 Register Map
R1408
(580h)
AIF3_BCLK_Ctrl
00000000AIF3_
BCLK_INV
AIF3_
BCLK_
FRC
AIF3_
BCLK_
MSTR
AIF3_BCLK_FREQ [4:0]
000Ch
R1409
(581h)
AIF3_Tx_Pin_Ctrl
0000000000AIF3TX_
DAT_TRI
00000
0000h
R1410
(582h)
AIF3_Rx_Pin_Ctrl
00000000000AIF3_
LRCLK_
MODE
0AIF3_
LRCLK_
INV
AIF3_
LRCLK_
FRC
AIF3_
LRCLK_
MSTR
0000h
R1411
(583h)
AIF3_Rate_Ctrl
AIF3_RATE [4:0] 0000AIF3_TRI000000
0000h
R1412
(584h)
AIF3_Format
0000000000000 AIF3_FMT [2:0]
0000h
R1414
(586h)
AIF3_Rx_BCLK_Rate
0 0 0 AIF3_BCPF [12:0]
0040h
R1415
(587h)
AIF3_Frame_Ctrl_1
0 0 AIF3TX_WL [5:0] AIF3TX_SLOT_LEN [7:0]
1818h
R1416
(588h)
AIF3_Frame_Ctrl_2
0 0 AIF3RX_WL [5:0] AIF3RX_SLOT_LEN [7:0]
1818h
R1417
(589h)
AIF3_Frame_Ctrl_3
0000000000 AIF3TX1_SLOT [5:0]
0000h
R1418
(58Ah)
AIF3_Frame_Ctrl_4
0000000000 AIF3TX2_SLOT [5:0]
0001h
R1419
(58Bh)
AIF3_Frame_Ctrl_5
0000000000 AIF3TX3_SLOT [5:0]
0002h
R1420
(58Ch)
AIF3_Frame_Ctrl_6
0000000000 AIF3TX4_SLOT [5:0]
0003h
R1421
(58Dh)
AIF3_Frame_Ctrl_7
0000000000 AIF3TX5_SLOT [5:0]
0004h
R1422
(58Eh)
AIF3_Frame_Ctrl_8
0000000000 AIF3TX6_SLOT [5:0]
0005h
R1423
(58Fh)
AIF3_Frame_Ctrl_9
0000000000 AIF3TX7_SLOT [5:0]
0006h
R1424
(590h)
AIF3_Frame_Ctrl_10
0000000000 AIF3TX8_SLOT [5:0]
0007h
R1425
(591h)
AIF3_Frame_Ctrl_11
0000000000 AIF3RX1_SLOT [5:0]
0000h
R1426
(592h)
AIF3_Frame_Ctrl_12
0000000000 AIF3RX2_SLOT [5:0]
0001h
R1427
(593h)
AIF3_Frame_Ctrl_13
0000000000 AIF3RX3_SLOT [5:0]
0002h
R1428
(594h)
AIF3_Frame_Ctrl_14
0000000000 AIF3RX4_SLOT [5:0]
0003h
R1429
(595h)
AIF3_Frame_Ctrl_15
0000000000 AIF3RX5_SLOT [5:0]
0004h
R1430
(596h)
AIF3_Frame_Ctrl_16
0000000000 AIF3RX6_SLOT [5:0]
0005h
R1431
(597h)
AIF3_Frame_Ctrl_17
0000000000 AIF3RX7_SLOT [5:0]
0006h
R1432
(598h)
AIF3_Frame_Ctrl_18
0000000000 AIF3RX8_SLOT [5:0]
0007h
R1433
(599h)
AIF3_Tx_Enables
00000000AIF3TX8_
ENA
AIF3TX7_
ENA
AIF3TX6_
ENA
AIF3TX5_
ENA
AIF3TX4_
ENA
AIF3TX3_
ENA
AIF3TX2_
ENA
AIF3TX1_
ENA
0000h
R1434
(59Ah)
AIF3_Rx_Enables
00000000AIF3RX8_
ENA
AIF3RX7_
ENA
AIF3RX6_
ENA
AIF3RX5_
ENA
AIF3RX4_
ENA
AIF3RX3_
ENA
AIF3RX2_
ENA
AIF3RX1_
ENA
0000h
R1474
(5C2h)
SPD1_TX_Control
00SPD1_
VAL2
SPD1_
VAL1
000 SPD1_RATE [4:0] 000SPD1_
ENA
0000h
R1475
(5C3h)
SPD1_TX_Channel_
Status_1
SPD1_CATCODE [7:0] SPD1_CHSTMODE
[1:0]
SPD1_PREEMPH [2:0] SPD1_
NOCOPY
SPD1_
NOAUDIO
SPD1_
PRO
0000h
R1476
(5C4h)
SPD1_TX_Channel_
Status_2
SPD1_FREQ [3:0] SPD1_CHNUM2 [3:0] SPD1_CHNUM1 [3:0] SPD1_SRCNUM [3:0]
0001h
R1477
(5C5h)
SPD1_TX_Channel_
Status_3
0 0 0 0 SPD1_ORGSAMP [3:0] SPD1_TXWL [2:0] SPD1_
MAXWL
SPD1_CS31_30 [1:0] SPD1_CLKACU [1:0]
0000h
R1490
(5D2h)
SLIMbus_RX_Ports0
SLIMRX2_PORT_ADDR [7:0] SLIMRX1_PORT_ADDR [7:0]
0100h
R1491
(5D3h)
SLIMbus_RX_Ports1
SLIMRX4_PORT_ADDR [7:0] SLIMRX3_PORT_ADDR [7:0]
0302h
R1492
(5D4h)
SLIMbus_RX_Ports2
SLIMRX6_PORT_ADDR [7:0] SLIMRX5_PORT_ADDR [7:0]
0504h
R1493
(5D5h)
SLIMbus_RX_Ports3
SLIMRX8_PORT_ADDR [7:0] SLIMRX7_PORT_ADDR [7:0]
0706h
R1494
(5D6h)
SLIMbus_TX_Ports0
SLIMTX2_PORT_ADDR [7:0] SLIMTX1_PORT_ADDR [7:0]
0908h
R1495
(5D7h)
SLIMbus_TX_Ports1
SLIMTX4_PORT_ADDR [7:0] SLIMTX3_PORT_ADDR [7:0]
0B0Ah
R1496
(5D8h)
SLIMbus_TX_Ports2
SLIMTX6_PORT_ADDR [7:0] SLIMTX5_PORT_ADDR [7:0]
0D0Ch
R1497
(5D9h)
SLIMbus_TX_Ports3
SLIMTX8_PORT_ADDR [7:0] SLIMTX7_PORT_ADDR [7:0]
0F0Eh
Table 6-1. Register Map Definition—16-bit region (Cont.)
Register
Name
15 14 13 12 11 10 9 8 7 6 5 4 3 2 1 0
Default
_‘ __— __— _— _— CIRRUS LOGIC”
DS1162F1 289
CS42L92
6 Register Map
R1507
(5E3h)
SLIMbus_Framer_Ref_
Gear
00000000000SLIMCLK_
SRC
SLIMCLK_REF_GEAR [3:0]
0000h
R1509
(5E5h)
SLIMbus_Rates_1
SLIMRX2_RATE [4:0] 0 0 0 SLIMRX1_RATE [4:0] 0 0 0
0000h
R1510
(5E6h)
SLIMbus_Rates_2
SLIMRX4_RATE [4:0] 0 0 0 SLIMRX3_RATE [4:0] 0 0 0
0000h
R1511
(5E7h)
SLIMbus_Rates_3
SLIMRX6_RATE [4:0] 0 0 0 SLIMRX5_RATE [4:0] 0 0 0
0000h
R1512
(5E8h)
SLIMbus_Rates_4
SLIMRX8_RATE [4:0] 0 0 0 SLIMRX7_RATE [4:0] 0 0 0
0000h
R1513
(5E9h)
SLIMbus_Rates_5
SLIMTX2_RATE [4:0] 0 0 0 SLIMTX1_RATE [4:0] 0 0 0
0000h
R1514
(5EAh)
SLIMbus_Rates_6
SLIMTX4_RATE [4:0] 0 0 0 SLIMTX3_RATE [4:0] 0 0 0
0000h
R1515
(5EBh)
SLIMbus_Rates_7
SLIMTX6_RATE [4:0] 0 0 0 SLIMTX5_RATE [4:0] 0 0 0
0000h
R1516
(5ECh)
SLIMbus_Rates_8
SLIMTX8_RATE [4:0] 0 0 0 SLIMTX7_RATE [4:0] 0 0 0
0000h
R1520
(5F0h)
Slimbus_Pad_Ctrl
0000000000000SLIMDAT2
_DRV_
STR
SLIMDAT1
_DRV_
STR
SLIMCLK_
DRV_STR
0007h
R1525
(5F5h)
SLIMbus_RX_Channel_
Enable
00000000SLIMRX8_
ENA
SLIMRX7_
ENA
SLIMRX6_
ENA
SLIMRX5_
ENA
SLIMRX4_
ENA
SLIMRX3_
ENA
SLIMRX2_
ENA
SLIMRX1_
ENA
0000h
R1526
(5F6h)
SLIMbus_TX_Channel_
Enable
00000000SLIMTX8_
ENA
SLIMTX7_
ENA
SLIMTX6_
ENA
SLIMTX5_
ENA
SLIMTX4_
ENA
SLIMTX3_
ENA
SLIMTX2_
ENA
SLIMTX1_
ENA
0000h
R1527
(5F7h)
SLIMbus_RX_Port_
Status
00000000SLIMRX8_
PORT_
STS
SLIMRX7_
PORT_
STS
SLIMRX6_
PORT_
STS
SLIMRX5_
PORT_
STS
SLIMRX4_
PORT_
STS
SLIMRX3_
PORT_
STS
SLIMRX2_
PORT_
STS
SLIMRX1_
PORT_
STS
0000h
R1528
(5F8h)
SLIMbus_TX_Port_
Status
00000000SLIMTX8_
PORT_
STS
SLIMTX7_
PORT_
STS
SLIMTX6_
PORT_
STS
SLIMTX5_
PORT_
STS
SLIMTX4_
PORT_
STS
SLIMTX3_
PORT_
STS
SLIMTX2_
PORT_
STS
SLIMTX1_
PORT_
STS
0000h
R1600
(640h)
PWM1MIX_Input_1_
Source
PWM1MIX
_STS
0000000 PWM1MIX_SRC1 [7:0]
0000h
R1601
(641h)
PWM1MIX_Input_1_
Volume
00000000 PWM1MIX_VOL1 [6:0] 0
0080h
R1602
(642h)
PWM1MIX_Input_2_
Source
PWM1MIX
_STS
0000000 PWM1MIX_SRC2 [7:0]
0000h
R1603
(643h)
PWM1MIX_Input_2_
Volume
00000000 PWM1MIX_VOL2 [6:0] 0
0080h
R1604
(644h)
PWM1MIX_Input_3_
Source
PWM1MIX
_STS
0000000 PWM1MIX_SRC3 [7:0]
0000h
R1605
(645h)
PWM1MIX_Input_3_
Volume
00000000 PWM1MIX_VOL3 [6:0] 0
0080h
R1606
(646h)
PWM1MIX_Input_4_
Source
PWM1MIX
_STS
0000000 PWM1MIX_SRC4 [7:0]
0000h
R1607
(647h)
PWM1MIX_Input_4_
Volume
00000000 PWM1MIX_VOL4 [6:0] 0
0080h
R1608
(648h)
PWM2MIX_Input_1_
Source
PWM2MIX
_STS
0000000 PWM2MIX_SRC1 [7:0]
0000h
R1609
(649h)
PWM2MIX_Input_1_
Volume
00000000 PWM2MIX_VOL1 [6:0] 0
0080h
R1610
(64Ah)
PWM2MIX_Input_2_
Source
PWM2MIX
_STS
0000000 PWM2MIX_SRC2 [7:0]
0000h
R1611
(64Bh)
PWM2MIX_Input_2_
Volume
00000000 PWM2MIX_VOL2 [6:0] 0
0080h
R1612
(64Ch)
PWM2MIX_Input_3_
Source
PWM2MIX
_STS
0000000 PWM2MIX_SRC3 [7:0]
0000h
R1613
(64Dh)
PWM2MIX_Input_3_
Volume
00000000 PWM2MIX_VOL3 [6:0] 0
0080h
R1614
(64Eh)
PWM2MIX_Input_4_
Source
PWM2MIX
_STS
0000000 PWM2MIX_SRC4 [7:0]
0000h
R1615
(64Fh)
PWM2MIX_Input_4_
Volume
00000000 PWM2MIX_VOL4 [6:0] 0
0080h
R1664
(680h)
OUT1LMIX_Input_1_
Source
OUT1LMIX
_STS
0000000 OUT1LMIX_SRC1 [7:0]
0000h
R1665
(681h)
OUT1LMIX_Input_1_
Volume
00000000 OUT1LMIX_VOL1 [6:0] 0
0080h
R1666
(682h)
OUT1LMIX_Input_2_
Source
OUT1LMIX
_STS
0000000 OUT1LMIX_SRC2 [7:0]
0000h
R1667
(683h)
OUT1LMIX_Input_2_
Volume
00000000 OUT1LMIX_VOL2 [6:0] 0
0080h
R1668
(684h)
OUT1LMIX_Input_3_
Source
OUT1LMIX
_STS
0000000 OUT1LMIX_SRC3 [7:0]
0000h
R1669
(685h)
OUT1LMIX_Input_3_
Volume
00000000 OUT1LMIX_VOL3 [6:0] 0
0080h
R1670
(686h)
OUT1LMIX_Input_4_
Source
OUT1LMIX
_STS
0000000 OUT1LMIX_SRC4 [7:0]
0000h
R1671
(687h)
OUT1LMIX_Input_4_
Volume
00000000 OUT1LMIX_VOL4 [6:0] 0
0080h
Table 6-1. Register Map Definition—16-bit region (Cont.)
Register
Name
15 14 13 12 11 10 9 8 7 6 5 4 3 2 1 0
Default
_‘ __— __— _— _— CIRRUS LOGIC”
290 DS1162F1
CS42L92
6 Register Map
R1672
(688h)
OUT1RMIX_Input_1_
Source
OUT1RMI
X_STS
0000000 OUT1RMIX_SRC1 [7:0]
0000h
R1673
(689h)
OUT1RMIX_Input_1_
Volume
00000000 OUT1RMIX_VOL1 [6:0] 0
0080h
R1674
(68Ah)
OUT1RMIX_Input_2_
Source
OUT1RMI
X_STS
0000000 OUT1RMIX_SRC2 [7:0]
0000h
R1675
(68Bh)
OUT1RMIX_Input_2_
Volume
00000000 OUT1RMIX_VOL2 [6:0] 0
0080h
R1676
(68Ch)
OUT1RMIX_Input_3_
Source
OUT1RMI
X_STS
0000000 OUT1RMIX_SRC3 [7:0]
0000h
R1677
(68Dh)
OUT1RMIX_Input_3_
Volume
00000000 OUT1RMIX_VOL3 [6:0] 0
0080h
R1678
(68Eh)
OUT1RMIX_Input_4_
Source
OUT1RMI
X_STS
0000000 OUT1RMIX_SRC4 [7:0]
0000h
R1679
(68Fh)
OUT1RMIX_Input_4_
Volume
00000000 OUT1RMIX_VOL4 [6:0] 0
0080h
R1680
(690h)
OUT2LMIX_Input_1_
Source
OUT2LMIX
_STS
0000000 OUT2LMIX_SRC1 [7:0]
0000h
R1681
(691h)
OUT2LMIX_Input_1_
Volume
00000000 OUT2LMIX_VOL1 [6:0] 0
0080h
R1682
(692h)
OUT2LMIX_Input_2_
Source
OUT2LMIX
_STS
0000000 OUT2LMIX_SRC2 [7:0]
0000h
R1683
(693h)
OUT2LMIX_Input_2_
Volume
00000000 OUT2LMIX_VOL2 [6:0] 0
0080h
R1684
(694h)
OUT2LMIX_Input_3_
Source
OUT2LMIX
_STS
0000000 OUT2LMIX_SRC3 [7:0]
0000h
R1685
(695h)
OUT2LMIX_Input_3_
Volume
00000000 OUT2LMIX_VOL3 [6:0] 0
0080h
R1686
(696h)
OUT2LMIX_Input_4_
Source
OUT2LMIX
_STS
0000000 OUT2LMIX_SRC4 [7:0]
0000h
R1687
(697h)
OUT2LMIX_Input_4_
Volume
00000000 OUT2LMIX_VOL4 [6:0] 0
0080h
R1688
(698h)
OUT2RMIX_Input_1_
Source
OUT2RMI
X_STS
0000000 OUT2RMIX_SRC1 [7:0]
0000h
R1689
(699h)
OUT2RMIX_Input_1_
Volume
00000000 OUT2RMIX_VOL1 [6:0] 0
0080h
R1690
(69Ah)
OUT2RMIX_Input_2_
Source
OUT2RMI
X_STS
0000000 OUT2RMIX_SRC2 [7:0]
0000h
R1691
(69Bh)
OUT2RMIX_Input_2_
Volume
00000000 OUT2RMIX_VOL2 [6:0] 0
0080h
R1692
(69Ch)
OUT2RMIX_Input_3_
Source
OUT2RMI
X_STS
0000000 OUT2RMIX_SRC3 [7:0]
0000h
R1693
(69Dh)
OUT2RMIX_Input_3_
Volume
00000000 OUT2RMIX_VOL3 [6:0] 0
0080h
R1694
(69Eh)
OUT2RMIX_Input_4_
Source
OUT2RMI
X_STS
0000000 OUT2RMIX_SRC4 [7:0]
0000h
R1695
(69Fh)
OUT2RMIX_Input_4_
Volume
00000000 OUT2RMIX_VOL4 [6:0] 0
0080h
R1696
(6A0h)
OUT3LMIX_Input_1_
Source
OUT3LMIX
_STS
0000000 OUT3LMIX_SRC1 [7:0]
0000h
R1697
(6A1h)
OUT3LMIX_Input_1_
Volume
00000000 OUT3LMIX_VOL1 [6:0] 0
0080h
R1698
(6A2h)
OUT3LMIX_Input_2_
Source
OUT3LMIX
_STS
0000000 OUT3LMIX_SRC2 [7:0]
0000h
R1699
(6A3h)
OUT3LMIX_Input_2_
Volume
00000000 OUT3LMIX_VOL2 [6:0] 0
0080h
R1700
(6A4h)
OUT3LMIX_Input_3_
Source
OUT3LMIX
_STS
0000000 OUT3LMIX_SRC3 [7:0]
0000h
R1701
(6A5h)
OUT3LMIX_Input_3_
Volume
00000000 OUT3LMIX_VOL3 [6:0] 0
0080h
R1702
(6A6h)
OUT3LMIX_Input_4_
Source
OUT3LMIX
_STS
0000000 OUT3LMIX_SRC4 [7:0]
0000h
R1703
(6A7h)
OUT3LMIX_Input_4_
Volume
00000000 OUT3LMIX_VOL4 [6:0] 0
0080h
R1704
(6A8h)
OUT3RMIX_Input_1_
Source
OUT3RMI
X_STS
0000000 OUT3RMIX_SRC1 [7:0]
0000h
R1705
(6A9h)
OUT3RMIX_Input_1_
Volume
00000000 OUT3RMIX_VOL1 [6:0] 0
0080h
R1706
(6AAh)
OUT3RMIX_Input_2_
Source
OUT3RMI
X_STS
0000000 OUT3RMIX_SRC2 [7:0]
0000h
R1707
(6ABh)
OUT3RMIX_Input_2_
Volume
00000000 OUT3RMIX_VOL2 [6:0] 0
0080h
R1708
(6ACh)
OUT3RMIX_Input_3_
Source
OUT3RMI
X_STS
0000000 OUT3RMIX_SRC3 [7:0]
0000h
R1709
(6ADh)
OUT3RMIX_Input_3_
Volume
00000000 OUT3RMIX_VOL3 [6:0] 0
0080h
Table 6-1. Register Map Definition—16-bit region (Cont.)
Register
Name
15 14 13 12 11 10 9 8 7 6 5 4 3 2 1 0
Default
_‘ __— __— _— _— CIRRUS LOGIC”
DS1162F1 291
CS42L92
6 Register Map
R1710
(6AEh)
OUT3RMIX_Input_4_
Source
OUT3RMI
X_STS
0000000 OUT3RMIX_SRC4 [7:0]
0000h
R1711
(6AFh)
OUT3RMIX_Input_4_
Volume
00000000 OUT3RMIX_VOL4 [6:0] 0
0080h
R1728
(6C0h)
OUT5LMIX_Input_1_
Source
OUT5LMIX
_STS
0000000 OUT5LMIX_SRC1 [7:0]
0000h
R1729
(6C1h)
OUT5LMIX_Input_1_
Volume
00000000 OUT5LMIX_VOL1 [6:0] 0
0080h
R1730
(6C2h)
OUT5LMIX_Input_2_
Source
OUT5LMIX
_STS
0000000 OUT5LMIX_SRC2 [7:0]
0000h
R1731
(6C3h)
OUT5LMIX_Input_2_
Volume
00000000 OUT5LMIX_VOL2 [6:0] 0
0080h
R1732
(6C4h)
OUT5LMIX_Input_3_
Source
OUT5LMIX
_STS
0000000 OUT5LMIX_SRC3 [7:0]
0000h
R1733
(6C5h)
OUT5LMIX_Input_3_
Volume
00000000 OUT5LMIX_VOL3 [6:0] 0
0080h
R1734
(6C6h)
OUT5LMIX_Input_4_
Source
OUT5LMIX
_STS
0000000 OUT5LMIX_SRC4 [7:0]
0000h
R1735
(6C7h)
OUT5LMIX_Input_4_
Volume
00000000 OUT5LMIX_VOL4 [6:0] 0
0080h
R1736
(6C8h)
OUT5RMIX_Input_1_
Source
OUT5RMI
X_STS
0000000 OUT5RMIX_SRC1 [7:0]
0000h
R1737
(6C9h)
OUT5RMIX_Input_1_
Volume
00000000 OUT5RMIX_VOL1 [6:0] 0
0080h
R1738
(6CAh)
OUT5RMIX_Input_2_
Source
OUT5RMI
X_STS
0000000 OUT5RMIX_SRC2 [7:0]
0000h
R1739
(6CBh)
OUT5RMIX_Input_2_
Volume
00000000 OUT5RMIX_VOL2 [6:0] 0
0080h
R1740
(6CCh)
OUT5RMIX_Input_3_
Source
OUT5RMI
X_STS
0000000 OUT5RMIX_SRC3 [7:0]
0000h
R1741
(6CDh)
OUT5RMIX_Input_3_
Volume
00000000 OUT5RMIX_VOL3 [6:0] 0
0080h
R1742
(6CEh)
OUT5RMIX_Input_4_
Source
OUT5RMI
X_STS
0000000 OUT5RMIX_SRC4 [7:0]
0000h
R1743
(6CFh)
OUT5RMIX_Input_4_
Volume
00000000 OUT5RMIX_VOL4 [6:0] 0
0080h
R1792
(700h)
AIF1TX1MIX_Input_1_
Source
AIF1TX1MI
X_STS
0000000 AIF1TX1MIX_SRC1 [7:0]
0000h
R1793
(701h)
AIF1TX1MIX_Input_1_
Volume
00000000 AIF1TX1MIX_VOL1 [6:0] 0
0080h
R1794
(702h)
AIF1TX1MIX_Input_2_
Source
AIF1TX1MI
X_STS
0000000 AIF1TX1MIX_SRC2 [7:0]
0000h
R1795
(703h)
AIF1TX1MIX_Input_2_
Volume
00000000 AIF1TX1MIX_VOL2 [6:0] 0
0080h
R1796
(704h)
AIF1TX1MIX_Input_3_
Source
AIF1TX1MI
X_STS
0000000 AIF1TX1MIX_SRC3 [7:0]
0000h
R1797
(705h)
AIF1TX1MIX_Input_3_
Volume
00000000 AIF1TX1MIX_VOL3 [6:0] 0
0080h
R1798
(706h)
AIF1TX1MIX_Input_4_
Source
AIF1TX1MI
X_STS
0000000 AIF1TX1MIX_SRC4 [7:0]
0000h
R1799
(707h)
AIF1TX1MIX_Input_4_
Volume
00000000 AIF1TX1MIX_VOL4 [6:0] 0
0080h
R1800
(708h)
AIF1TX2MIX_Input_1_
Source
AIF1TX2MI
X_STS
0000000 AIF1TX2MIX_SRC1 [7:0]
0000h
R1801
(709h)
AIF1TX2MIX_Input_1_
Volume
00000000 AIF1TX2MIX_VOL1 [6:0] 0
0080h
R1802
(70Ah)
AIF1TX2MIX_Input_2_
Source
AIF1TX2MI
X_STS
0000000 AIF1TX2MIX_SRC2 [7:0]
0000h
R1803
(70Bh)
AIF1TX2MIX_Input_2_
Volume
00000000 AIF1TX2MIX_VOL2 [6:0] 0
0080h
R1804
(70Ch)
AIF1TX2MIX_Input_3_
Source
AIF1TX2MI
X_STS
0000000 AIF1TX2MIX_SRC3 [7:0]
0000h
R1805
(70Dh)
AIF1TX2MIX_Input_3_
Volume
00000000 AIF1TX2MIX_VOL3 [6:0] 0
0080h
R1806
(70Eh)
AIF1TX2MIX_Input_4_
Source
AIF1TX2MI
X_STS
0000000 AIF1TX2MIX_SRC4 [7:0]
0000h
R1807
(70Fh)
AIF1TX2MIX_Input_4_
Volume
00000000 AIF1TX2MIX_VOL4 [6:0] 0
0080h
R1808
(710h)
AIF1TX3MIX_Input_1_
Source
AIF1TX3MI
X_STS
0000000 AIF1TX3MIX_SRC1 [7:0]
0000h
R1809
(711h)
AIF1TX3MIX_Input_1_
Volume
00000000 AIF1TX3MIX_VOL1 [6:0] 0
0080h
R1810
(712h)
AIF1TX3MIX_Input_2_
Source
AIF1TX3MI
X_STS
0000000 AIF1TX3MIX_SRC2 [7:0]
0000h
R1811
(713h)
AIF1TX3MIX_Input_2_
Volume
00000000 AIF1TX3MIX_VOL2 [6:0] 0
0080h
Table 6-1. Register Map Definition—16-bit region (Cont.)
Register
Name
15 14 13 12 11 10 9 8 7 6 5 4 3 2 1 0
Default
_‘ __— __— _— _— CIRRUS LOGIC”
292 DS1162F1
CS42L92
6 Register Map
R1812
(714h)
AIF1TX3MIX_Input_3_
Source
AIF1TX3MI
X_STS
0000000 AIF1TX3MIX_SRC3 [7:0]
0000h
R1813
(715h)
AIF1TX3MIX_Input_3_
Volume
00000000 AIF1TX3MIX_VOL3 [6:0] 0
0080h
R1814
(716h)
AIF1TX3MIX_Input_4_
Source
AIF1TX3MI
X_STS
0000000 AIF1TX3MIX_SRC4 [7:0]
0000h
R1815
(717h)
AIF1TX3MIX_Input_4_
Volume
00000000 AIF1TX3MIX_VOL4 [6:0] 0
0080h
R1816
(718h)
AIF1TX4MIX_Input_1_
Source
AIF1TX4MI
X_STS
0000000 AIF1TX4MIX_SRC1 [7:0]
0000h
R1817
(719h)
AIF1TX4MIX_Input_1_
Volume
00000000 AIF1TX4MIX_VOL1 [6:0] 0
0080h
R1818
(71Ah)
AIF1TX4MIX_Input_2_
Source
AIF1TX4MI
X_STS
0000000 AIF1TX4MIX_SRC2 [7:0]
0000h
R1819
(71Bh)
AIF1TX4MIX_Input_2_
Volume
00000000 AIF1TX4MIX_VOL2 [6:0] 0
0080h
R1820
(71Ch)
AIF1TX4MIX_Input_3_
Source
AIF1TX4MI
X_STS
0000000 AIF1TX4MIX_SRC3 [7:0]
0000h
R1821
(71Dh)
AIF1TX4MIX_Input_3_
Volume
00000000 AIF1TX4MIX_VOL3 [6:0] 0
0080h
R1822
(71Eh)
AIF1TX4MIX_Input_4_
Source
AIF1TX4MI
X_STS
0000000 AIF1TX4MIX_SRC4 [7:0]
0000h
R1823
(71Fh)
AIF1TX4MIX_Input_4_
Volume
00000000 AIF1TX4MIX_VOL4 [6:0] 0
0080h
R1824
(720h)
AIF1TX5MIX_Input_1_
Source
AIF1TX5MI
X_STS
0000000 AIF1TX5MIX_SRC1 [7:0]
0000h
R1825
(721h)
AIF1TX5MIX_Input_1_
Volume
00000000 AIF1TX5MIX_VOL1 [6:0] 0
0080h
R1826
(722h)
AIF1TX5MIX_Input_2_
Source
AIF1TX5MI
X_STS
0000000 AIF1TX5MIX_SRC2 [7:0]
0000h
R1827
(723h)
AIF1TX5MIX_Input_2_
Volume
00000000 AIF1TX5MIX_VOL2 [6:0] 0
0080h
R1828
(724h)
AIF1TX5MIX_Input_3_
Source
AIF1TX5MI
X_STS
0000000 AIF1TX5MIX_SRC3 [7:0]
0000h
R1829
(725h)
AIF1TX5MIX_Input_3_
Volume
00000000 AIF1TX5MIX_VOL3 [6:0] 0
0080h
R1830
(726h)
AIF1TX5MIX_Input_4_
Source
AIF1TX5MI
X_STS
0000000 AIF1TX5MIX_SRC4 [7:0]
0000h
R1831
(727h)
AIF1TX5MIX_Input_4_
Volume
00000000 AIF1TX5MIX_VOL4 [6:0] 0
0080h
R1832
(728h)
AIF1TX6MIX_Input_1_
Source
AIF1TX6MI
X_STS
0000000 AIF1TX6MIX_SRC1 [7:0]
0000h
R1833
(729h)
AIF1TX6MIX_Input_1_
Volume
00000000 AIF1TX6MIX_VOL1 [6:0] 0
0080h
R1834
(72Ah)
AIF1TX6MIX_Input_2_
Source
AIF1TX6MI
X_STS
0000000 AIF1TX6MIX_SRC2 [7:0]
0000h
R1835
(72Bh)
AIF1TX6MIX_Input_2_
Volume
00000000 AIF1TX6MIX_VOL2 [6:0] 0
0080h
R1836
(72Ch)
AIF1TX6MIX_Input_3_
Source
AIF1TX6MI
X_STS
0000000 AIF1TX6MIX_SRC3 [7:0]
0000h
R1837
(72Dh)
AIF1TX6MIX_Input_3_
Volume
00000000 AIF1TX6MIX_VOL3 [6:0] 0
0080h
R1838
(72Eh)
AIF1TX6MIX_Input_4_
Source
AIF1TX6MI
X_STS
0000000 AIF1TX6MIX_SRC4 [7:0]
0000h
R1839
(72Fh)
AIF1TX6MIX_Input_4_
Volume
00000000 AIF1TX6MIX_VOL4 [6:0] 0
0080h
R1840
(730h)
AIF1TX7MIX_Input_1_
Source
AIF1TX7MI
X_STS
0000000 AIF1TX7MIX_SRC1 [7:0]
0000h
R1841
(731h)
AIF1TX7MIX_Input_1_
Volume
00000000 AIF1TX7MIX_VOL1 [6:0] 0
0080h
R1842
(732h)
AIF1TX7MIX_Input_2_
Source
AIF1TX7MI
X_STS
0000000 AIF1TX7MIX_SRC2 [7:0]
0000h
R1843
(733h)
AIF1TX7MIX_Input_2_
Volume
00000000 AIF1TX7MIX_VOL2 [6:0] 0
0080h
R1844
(734h)
AIF1TX7MIX_Input_3_
Source
AIF1TX7MI
X_STS
0000000 AIF1TX7MIX_SRC3 [7:0]
0000h
R1845
(735h)
AIF1TX7MIX_Input_3_
Volume
00000000 AIF1TX7MIX_VOL3 [6:0] 0
0080h
R1846
(736h)
AIF1TX7MIX_Input_4_
Source
AIF1TX7MI
X_STS
0000000 AIF1TX7MIX_SRC4 [7:0]
0000h
R1847
(737h)
AIF1TX7MIX_Input_4_
Volume
00000000 AIF1TX7MIX_VOL4 [6:0] 0
0080h
R1848
(738h)
AIF1TX8MIX_Input_1_
Source
AIF1TX8MI
X_STS
0000000 AIF1TX8MIX_SRC1 [7:0]
0000h
R1849
(739h)
AIF1TX8MIX_Input_1_
Volume
00000000 AIF1TX8MIX_VOL1 [6:0] 0
0080h
Table 6-1. Register Map Definition—16-bit region (Cont.)
Register
Name
15 14 13 12 11 10 9 8 7 6 5 4 3 2 1 0
Default
_‘ __— __— _— _— CIRRUS LOGIC” mm mm mm mm msz msz msz mxzm mm mm mm mm
DS1162F1 293
CS42L92
6 Register Map
R1850
(73Ah)
AIF1TX8MIX_Input_2_
Source
AIF1TX8MI
X_STS
0000000 AIF1TX8MIX_SRC2 [7:0]
0000h
R1851
(73Bh)
AIF1TX8MIX_Input_2_
Volume
00000000 AIF1TX8MIX_VOL2 [6:0] 0
0080h
R1852
(73Ch)
AIF1TX8MIX_Input_3_
Source
AIF1TX8MI
X_STS
0000000 AIF1TX8MIX_SRC3 [7:0]
0000h
R1853
(73Dh)
AIF1TX8MIX_Input_3_
Volume
00000000 AIF1TX8MIX_VOL3 [6:0] 0
0080h
R1854
(73Eh)
AIF1TX8MIX_Input_4_
Source
AIF1TX8MI
X_STS
0000000 AIF1TX8MIX_SRC4 [7:0]
0000h
R1855
(73Fh)
AIF1TX8MIX_Input_4_
Volume
00000000 AIF1TX8MIX_VOL4 [6:0] 0
0080h
R1856
(740h)
AIF2TX1MIX_Input_1_
Source
AIF2TX1MI
X_STS
0000000 AIF2TX1MIX_SRC1 [7:0]
0000h
R1857
(741h)
AIF2TX1MIX_Input_1_
Volume
00000000 AIF2TX1MIX_VOL1 [6:0] 0
0080h
R1858
(742h)
AIF2TX1MIX_Input_2_
Source
AIF2TX1MI
X_STS
0000000 AIF2TX1MIX_SRC2 [7:0]
0000h
R1859
(743h)
AIF2TX1MIX_Input_2_
Volume
00000000 AIF2TX1MIX_VOL2 [6:0] 0
0080h
R1860
(744h)
AIF2TX1MIX_Input_3_
Source
AIF2TX1MI
X_STS
0000000 AIF2TX1MIX_SRC3 [7:0]
0000h
R1861
(745h)
AIF2TX1MIX_Input_3_
Volume
00000000 AIF2TX1MIX_VOL3 [6:0] 0
0080h
R1862
(746h)
AIF2TX1MIX_Input_4_
Source
AIF2TX1MI
X_STS
0000000 AIF2TX1MIX_SRC4 [7:0]
0000h
R1863
(747h)
AIF2TX1MIX_Input_4_
Volume
00000000 AIF2TX1MIX_VOL4 [6:0] 0
0080h
R1864
(748h)
AIF2TX2MIX_Input_1_
Source
AIF2TX2MI
X_STS
0000000 AIF2TX2MIX_SRC1 [7:0]
0000h
R1865
(749h)
AIF2TX2MIX_Input_1_
Volume
00000000 AIF2TX2MIX_VOL1 [6:0] 0
0080h
R1866
(74Ah)
AIF2TX2MIX_Input_2_
Source
AIF2TX2MI
X_STS
0000000 AIF2TX2MIX_SRC2 [7:0]
0000h
R1867
(74Bh)
AIF2TX2MIX_Input_2_
Volume
00000000 AIF2TX2MIX_VOL2 [6:0] 0
0080h
R1868
(74Ch)
AIF2TX2MIX_Input_3_
Source
AIF2TX2MI
X_STS
0000000 AIF2TX2MIX_SRC3 [7:0]
0000h
R1869
(74Dh)
AIF2TX2MIX_Input_3_
Volume
00000000 AIF2TX2MIX_VOL3 [6:0] 0
0080h
R1870
(74Eh)
AIF2TX2MIX_Input_4_
Source
AIF2TX2MI
X_STS
0000000 AIF2TX2MIX_SRC4 [7:0]
0000h
R1871
(74Fh)
AIF2TX2MIX_Input_4_
Volume
00000000 AIF2TX2MIX_VOL4 [6:0] 0
0080h
R1872
(750h)
AIF2TX3MIX_Input_1_
Source
AIF2TX3MI
X_STS
0000000 AIF2TX3MIX_SRC1 [7:0]
0000h
R1873
(751h)
AIF2TX3MIX_Input_1_
Volume
00000000 AIF2TX3MIX_VOL1 [6:0] 0
0080h
R1874
(752h)
AIF2TX3MIX_Input_2_
Source
AIF2TX3MI
X_STS
0000000 AIF2TX3MIX_SRC2 [7:0]
0000h
R1875
(753h)
AIF2TX3MIX_Input_2_
Volume
00000000 AIF2TX3MIX_VOL2 [6:0] 0
0080h
R1876
(754h)
AIF2TX3MIX_Input_3_
Source
AIF2TX3MI
X_STS
0000000 AIF2TX3MIX_SRC3 [7:0]
0000h
R1877
(755h)
AIF2TX3MIX_Input_3_
Volume
00000000 AIF2TX3MIX_VOL3 [6:0] 0
0080h
R1878
(756h)
AIF2TX3MIX_Input_4_
Source
AIF2TX3MI
X_STS
0000000 AIF2TX3MIX_SRC4 [7:0]
0000h
R1879
(757h)
AIF2TX3MIX_Input_4_
Volume
00000000 AIF2TX3MIX_VOL4 [6:0] 0
0080h
R1880
(758h)
AIF2TX4MIX_Input_1_
Source
AIF2TX4MI
X_STS
0000000 AIF2TX4MIX_SRC1 [7:0]
0000h
R1881
(759h)
AIF2TX4MIX_Input_1_
Volume
00000000 AIF2TX4MIX_VOL1 [6:0] 0
0080h
R1882
(75Ah)
AIF2TX4MIX_Input_2_
Source
AIF2TX4MI
X_STS
0000000 AIF2TX4MIX_SRC2 [7:0]
0000h
R1883
(75Bh)
AIF2TX4MIX_Input_2_
Volume
00000000 AIF2TX4MIX_VOL2 [6:0] 0
0080h
R1884
(75Ch)
AIF2TX4MIX_Input_3_
Source
AIF2TX4MI
X_STS
0000000 AIF2TX4MIX_SRC3 [7:0]
0000h
R1885
(75Dh)
AIF2TX4MIX_Input_3_
Volume
00000000 AIF2TX4MIX_VOL3 [6:0] 0
0080h
R1886
(75Eh)
AIF2TX4MIX_Input_4_
Source
AIF2TX4MI
X_STS
0000000 AIF2TX4MIX_SRC4 [7:0]
0000h
R1887
(75Fh)
AIF2TX4MIX_Input_4_
Volume
00000000 AIF2TX4MIX_VOL4 [6:0] 0
0080h
Table 6-1. Register Map Definition—16-bit region (Cont.)
Register
Name
15 14 13 12 11 10 9 8 7 6 5 4 3 2 1 0
Default
_‘ __— __— _— _— CIRRUS LOGIC” mm mm mm mm mm mm mm
294 DS1162F1
CS42L92
6 Register Map
R1888
(760h)
AIF2TX5MIX_Input_1_
Source
AIF2TX5MI
X_STS
0000000 AIF2TX5MIX_SRC1 [7:0]
0000h
R1889
(761h)
AIF2TX5MIX_Input_1_
Volume
00000000 AIF2TX5MIX_VOL1 [6:0] 0
0080h
R1890
(762h)
AIF2TX5MIX_Input_2_
Source
AIF2TX5MI
X_STS
0000000 AIF2TX5MIX_SRC2 [7:0]
0000h
R1891
(763h)
AIF2TX5MIX_Input_2_
Volume
00000000 AIF2TX5MIX_VOL2 [6:0] 0
0080h
R1892
(764h)
AIF2TX5MIX_Input_3_
Source
AIF2TX5MI
X_STS
0000000 AIF2TX5MIX_SRC3 [7:0]
0000h
R1893
(765h)
AIF2TX5MIX_Input_3_
Volume
00000000 AIF2TX5MIX_VOL3 [6:0] 0
0080h
R1894
(766h)
AIF2TX5MIX_Input_4_
Source
AIF2TX5MI
X_STS
0000000 AIF2TX5MIX_SRC4 [7:0]
0000h
R1895
(767h)
AIF2TX5MIX_Input_4_
Volume
00000000 AIF2TX5MIX_VOL4 [6:0] 0
0080h
R1896
(768h)
AIF2TX6MIX_Input_1_
Source
AIF2TX6MI
X_STS
0000000 AIF2TX6MIX_SRC1 [7:0]
0000h
R1897
(769h)
AIF2TX6MIX_Input_1_
Volume
00000000 AIF2TX6MIX_VOL1 [6:0] 0
0080h
R1898
(76Ah)
AIF2TX6MIX_Input_2_
Source
AIF2TX6MI
X_STS
0000000 AIF2TX6MIX_SRC2 [7:0]
0000h
R1899
(76Bh)
AIF2TX6MIX_Input_2_
Volume
00000000 AIF2TX6MIX_VOL2 [6:0] 0
0080h
R1900
(76Ch)
AIF2TX6MIX_Input_3_
Source
AIF2TX6MI
X_STS
0000000 AIF2TX6MIX_SRC3 [7:0]
0000h
R1901
(76Dh)
AIF2TX6MIX_Input_3_
Volume
00000000 AIF2TX6MIX_VOL3 [6:0] 0
0080h
R1902
(76Eh)
AIF2TX6MIX_Input_4_
Source
AIF2TX6MI
X_STS
0000000 AIF2TX6MIX_SRC4 [7:0]
0000h
R1903
(76Fh)
AIF2TX6MIX_Input_4_
Volume
00000000 AIF2TX6MIX_VOL4 [6:0] 0
0080h
R1904
(770h)
AIF2TX7MIX_Input_1_
Source
AIF2TX7MI
X_STS
0000000 AIF2TX7MIX_SRC1 [7:0]
0000h
R1905
(771h)
AIF2TX7MIX_Input_1_
Volume
00000000 AIF2TX7MIX_VOL1 [6:0] 0
0080h
R1906
(772h)
AIF2TX7MIX_Input_2_
Source
AIF2TX7MI
X_STS
0000000 AIF2TX7MIX_SRC2 [7:0]
0000h
R1907
(773h)
AIF2TX7MIX_Input_2_
Volume
00000000 AIF2TX7MIX_VOL2 [6:0] 0
0080h
R1908
(774h)
AIF2TX7MIX_Input_3_
Source
AIF2TX7MI
X_STS
0000000 AIF2TX7MIX_SRC3 [7:0]
0000h
R1909
(775h)
AIF2TX7MIX_Input_3_
Volume
00000000 AIF2TX7MIX_VOL3 [6:0] 0
0080h
R1910
(776h)
AIF2TX7MIX_Input_4_
Source
AIF2TX7MI
X_STS
0000000 AIF2TX7MIX_SRC4 [7:0]
0000h
R1911
(777h)
AIF2TX7MIX_Input_4_
Volume
00000000 AIF2TX7MIX_VOL4 [6:0] 0
0080h
R1912
(778h)
AIF2TX8MIX_Input_1_
Source
AIF2TX8MI
X_STS
0000000 AIF2TX8MIX_SRC1 [7:0]
0000h
R1913
(779h)
AIF2TX8MIX_Input_1_
Volume
00000000 AIF2TX8MIX_VOL1 [6:0] 0
0080h
R1914
(77Ah)
AIF2TX8MIX_Input_2_
Source
AIF2TX8MI
X_STS
0000000 AIF2TX8MIX_SRC2 [7:0]
0000h
R1915
(77Bh)
AIF2TX8MIX_Input_2_
Volume
00000000 AIF2TX8MIX_VOL2 [6:0] 0
0080h
R1916
(77Ch)
AIF2TX8MIX_Input_3_
Source
AIF2TX8MI
X_STS
0000000 AIF2TX8MIX_SRC3 [7:0]
0000h
R1917
(77Dh)
AIF2TX8MIX_Input_3_
Volume
00000000 AIF2TX8MIX_VOL3 [6:0] 0
0080h
R1918
(77Eh)
AIF2TX8MIX_Input_4_
Source
AIF2TX8MI
X_STS
0000000 AIF2TX8MIX_SRC4 [7:0]
0000h
R1919
(77Fh)
AIF2TX8MIX_Input_4_
Volume
00000000 AIF2TX8MIX_VOL4 [6:0] 0
0080h
R1920
(780h)
AIF3TX1MIX_Input_1_
Source
AIF3TX1MI
X_STS
0000000 AIF3TX1MIX_SRC1 [7:0]
0000h
R1921
(781h)
AIF3TX1MIX_Input_1_
Volume
00000000 AIF3TX1MIX_VOL1 [6:0] 0
0080h
R1922
(782h)
AIF3TX1MIX_Input_2_
Source
AIF3TX1MI
X_STS
0000000 AIF3TX1MIX_SRC2 [7:0]
0000h
R1923
(783h)
AIF3TX1MIX_Input_2_
Volume
00000000 AIF3TX1MIX_VOL2 [6:0] 0
0080h
R1924
(784h)
AIF3TX1MIX_Input_3_
Source
AIF3TX1MI
X_STS
0000000 AIF3TX1MIX_SRC3 [7:0]
0000h
R1925
(785h)
AIF3TX1MIX_Input_3_
Volume
00000000 AIF3TX1MIX_VOL3 [6:0] 0
0080h
Table 6-1. Register Map Definition—16-bit region (Cont.)
Register
Name
15 14 13 12 11 10 9 8 7 6 5 4 3 2 1 0
Default
-=CIRRUS LOGIC” mxzm mm mm mm mm
DS1162F1 295
CS42L92
6 Register Map
R1926
(786h)
AIF3TX1MIX_Input_4_
Source
AIF3TX1MI
X_STS
0000000 AIF3TX1MIX_SRC4 [7:0]
0000h
R1927
(787h)
AIF3TX1MIX_Input_4_
Volume
00000000 AIF3TX1MIX_VOL4 [6:0] 0
0080h
R1928
(788h)
AIF3TX2MIX_Input_1_
Source
AIF3TX2MI
X_STS
0000000 AIF3TX2MIX_SRC1 [7:0]
0000h
R1929
(789h)
AIF3TX2MIX_Input_1_
Volume
00000000 AIF3TX2MIX_VOL1 [6:0] 0
0080h
R1930
(78Ah)
AIF3TX2MIX_Input_2_
Source
AIF3TX2MI
X_STS
0000000 AIF3TX2MIX_SRC2 [7:0]
0000h
R1931
(78Bh)
AIF3TX2MIX_Input_2_
Volume
00000000 AIF3TX2MIX_VOL2 [6:0] 0
0080h
R1932
(78Ch)
AIF3TX2MIX_Input_3_
Source
AIF3TX2MI
X_STS
0000000 AIF3TX2MIX_SRC3 [7:0]
0000h
R1933
(78Dh)
AIF3TX2MIX_Input_3_
Volume
00000000 AIF3TX2MIX_VOL3 [6:0] 0
0080h
R1934
(78Eh)
AIF3TX2MIX_Input_4_
Source
AIF3TX2MI
X_STS
0000000 AIF3TX2MIX_SRC4 [7:0]
0000h
R1935
(78Fh)
AIF3TX2MIX_Input_4_
Volume
00000000 AIF3TX2MIX_VOL4 [6:0] 0
0080h
R1936
(790h)
AIF3TX3MIX_Input_1_
Source
AIF3TX3MI
X_STS
0000000 AIF3TX3MIX_SRC1 [7:0]
0000h
R1937
(791h)
AIF3TX3MIX_Input_1_
Volume
00000000 AIF3TX3MIX_VOL1 [6:0] 0
0080h
R1938
(792h)
AIF3TX3MIX_Input_2_
Source
AIF3TX3MI
X_STS
0000000 AIF3TX3MIX_SRC2 [7:0]
0000h
R1939
(793h)
AIF3TX3MIX_Input_2_
Volume
00000000 AIF3TX3MIX_VOL2 [6:0] 0
0080h
R1940
(794h)
AIF3TX3MIX_Input_3_
Source
AIF3TX3MI
X_STS
0000000 AIF3TX3MIX_SRC3 [7:0]
0000h
R1941
(795h)
AIF3TX3MIX_Input_3_
Volume
00000000 AIF3TX3MIX_VOL3 [6:0] 0
0080h
R1942
(796h)
AIF3TX3MIX_Input_4_
Source
AIF3TX3MI
X_STS
0000000 AIF3TX3MIX_SRC4 [7:0]
0000h
R1943
(797h)
AIF3TX3MIX_Input_4_
Volume
00000000 AIF3TX3MIX_VOL4 [6:0] 0
0080h
R1944
(798h)
AIF3TX4MIX_Input_1_
Source
AIF3TX4MI
X_STS
0000000 AIF3TX4MIX_SRC1 [7:0]
0000h
R1945
(799h)
AIF3TX4MIX_Input_1_
Volume
00000000 AIF3TX4MIX_VOL1 [6:0] 0
0080h
R1946
(79Ah)
AIF3TX4MIX_Input_2_
Source
AIF3TX4MI
X_STS
0000000 AIF3TX4MIX_SRC2 [7:0]
0000h
R1947
(79Bh)
AIF3TX4MIX_Input_2_
Volume
00000000 AIF3TX4MIX_VOL2 [6:0] 0
0080h
R1948
(79Ch)
AIF3TX4MIX_Input_3_
Source
AIF3TX4MI
X_STS
0000000 AIF3TX4MIX_SRC3 [7:0]
0000h
R1949
(79Dh)
AIF3TX4MIX_Input_3_
Volume
00000000 AIF3TX4MIX_VOL3 [6:0] 0
0080h
R1950
(79Eh)
AIF3TX4MIX_Input_4_
Source
AIF3TX4MI
X_STS
0000000 AIF3TX4MIX_SRC4 [7:0]
0000h
R1951
(79Fh)
AIF3TX4MIX_Input_4_
Volume
00000000 AIF3TX4MIX_VOL4 [6:0] 0
0080h
R1952
(7A0h)
AIF3TX5MIX_Input_1_
Source
AIF3TX5MI
X_STS
0000000 AIF3TX5MIX_SRC1 [7:0]
0000h
R1953
(7A1h)
AIF3TX5MIX_Input_1_
Volume
00000000 AIF3TX5MIX_VOL1 [6:0] 0
0080h
R1954
(7A2h)
AIF3TX5MIX_Input_2_
Source
AIF3TX5MI
X_STS
0000000 AIF3TX5MIX_SRC2 [7:0]
0000h
R1955
(7A3h)
AIF3TX5MIX_Input_2_
Volume
00000000 AIF3TX5MIX_VOL2 [6:0] 0
0080h
R1956
(7A4h)
AIF3TX5MIX_Input_3_
Source
AIF3TX5MI
X_STS
0000000 AIF3TX5MIX_SRC3 [7:0]
0000h
R1957
(7A5h)
AIF3TX5MIX_Input_3_
Volume
00000000 AIF3TX5MIX_VOL3 [6:0] 0
0080h
R1958
(7A6h)
AIF3TX5MIX_Input_4_
Source
AIF3TX5MI
X_STS
0000000 AIF3TX5MIX_SRC4 [7:0]
0000h
R1959
(7A7h)
AIF3TX5MIX_Input_4_
Volume
00000000 AIF3TX5MIX_VOL4 [6:0] 0
0080h
R1960
(7A8h)
AIF3TX6MIX_Input_1_
Source
AIF3TX6MI
X_STS
0000000 AIF3TX6MIX_SRC1 [7:0]
0000h
R1961
(7A9h)
AIF3TX6MIX_Input_1_
Volume
00000000 AIF3TX6MIX_VOL1 [6:0] 0
0080h
R1962
(7AAh)
AIF3TX6MIX_Input_2_
Source
AIF3TX6MI
X_STS
0000000 AIF3TX6MIX_SRC2 [7:0]
0000h
R1963
(7ABh)
AIF3TX6MIX_Input_2_
Volume
00000000 AIF3TX6MIX_VOL2 [6:0] 0
0080h
Table 6-1. Register Map Definition—16-bit region (Cont.)
Register
Name
15 14 13 12 11 10 9 8 7 6 5 4 3 2 1 0
Default
_‘ __— __— _— _— CIRRUS LOGIC” mm mm mm mm
296 DS1162F1
CS42L92
6 Register Map
R1964
(7ACh)
AIF3TX6MIX_Input_3_
Source
AIF3TX6MI
X_STS
0000000 AIF3TX6MIX_SRC3 [7:0]
0000h
R1965
(7ADh)
AIF3TX6MIX_Input_3_
Volume
00000000 AIF3TX6MIX_VOL3 [6:0] 0
0080h
R1966
(7AEh)
AIF3TX6MIX_Input_4_
Source
AIF3TX6MI
X_STS
0000000 AIF3TX6MIX_SRC4 [7:0]
0000h
R1967
(7AFh)
AIF3TX6MIX_Input_4_
Volume
00000000 AIF3TX6MIX_VOL4 [6:0] 0
0080h
R1968
(7B0h)
AIF3TX7MIX_Input_1_
Source
AIF3TX7MI
X_STS
0000000 AIF3TX7MIX_SRC1 [7:0]
0000h
R1969
(7B1h)
AIF3TX7MIX_Input_1_
Volume
00000000 AIF3TX7MIX_VOL1 [6:0] 0
0080h
R1970
(7B2h)
AIF3TX7MIX_Input_2_
Source
AIF3TX7MI
X_STS
0000000 AIF3TX7MIX_SRC2 [7:0]
0000h
R1971
(7B3h)
AIF3TX7MIX_Input_2_
Volume
00000000 AIF3TX7MIX_VOL2 [6:0] 0
0080h
R1972
(7B4h)
AIF3TX7MIX_Input_3_
Source
AIF3TX7MI
X_STS
0000000 AIF3TX7MIX_SRC3 [7:0]
0000h
R1973
(7B5h)
AIF3TX7MIX_Input_3_
Volume
00000000 AIF3TX7MIX_VOL3 [6:0] 0
0080h
R1974
(7B6h)
AIF3TX7MIX_Input_4_
Source
AIF3TX7MI
X_STS
0000000 AIF3TX7MIX_SRC4 [7:0]
0000h
R1975
(7B7h)
AIF3TX7MIX_Input_4_
Volume
00000000 AIF3TX7MIX_VOL4 [6:0] 0
0080h
R1976
(7B8h)
AIF3TX8MIX_Input_1_
Source
AIF3TX8MI
X_STS
0000000 AIF3TX8MIX_SRC1 [7:0]
0000h
R1977
(7B9h)
AIF3TX8MIX_Input_1_
Volume
00000000 AIF3TX8MIX_VOL1 [6:0] 0
0080h
R1978
(7BAh)
AIF3TX8MIX_Input_2_
Source
AIF3TX8MI
X_STS
0000000 AIF3TX8MIX_SRC2 [7:0]
0000h
R1979
(7BBh)
AIF3TX8MIX_Input_2_
Volume
00000000 AIF3TX8MIX_VOL2 [6:0] 0
0080h
R1980
(7BCh)
AIF3TX8MIX_Input_3_
Source
AIF3TX8MI
X_STS
0000000 AIF3TX8MIX_SRC3 [7:0]
0000h
R1981
(7BDh)
AIF3TX8MIX_Input_3_
Volume
00000000 AIF3TX8MIX_VOL3 [6:0] 0
0080h
R1982
(7BEh)
AIF3TX8MIX_Input_4_
Source
AIF3TX8MI
X_STS
0000000 AIF3TX8MIX_SRC4 [7:0]
0000h
R1983
(7BFh)
AIF3TX8MIX_Input_4_
Volume
00000000 AIF3TX8MIX_VOL4 [6:0] 0
0080h
R1984
(7C0h)
SLIMTX1MIX_Input_1_
Source
SLIMTX1M
IX_STS
0000000 SLIMTX1MIX_SRC1 [7:0]
0000h
R1985
(7C1h)
SLIMTX1MIX_Input_1_
Volume
00000000 SLIMTX1MIX_VOL1 [6:0] 0
0080h
R1986
(7C2h)
SLIMTX1MIX_Input_2_
Source
SLIMTX1M
IX_STS
0000000 SLIMTX1MIX_SRC2 [7:0]
0000h
R1987
(7C3h)
SLIMTX1MIX_Input_2_
Volume
00000000 SLIMTX1MIX_VOL2 [6:0] 0
0080h
R1988
(7C4h)
SLIMTX1MIX_Input_3_
Source
SLIMTX1M
IX_STS
0000000 SLIMTX1MIX_SRC3 [7:0]
0000h
R1989
(7C5h)
SLIMTX1MIX_Input_3_
Volume
00000000 SLIMTX1MIX_VOL3 [6:0] 0
0080h
R1990
(7C6h)
SLIMTX1MIX_Input_4_
Source
SLIMTX1M
IX_STS
0000000 SLIMTX1MIX_SRC4 [7:0]
0000h
R1991
(7C7h)
SLIMTX1MIX_Input_4_
Volume
00000000 SLIMTX1MIX_VOL4 [6:0] 0
0080h
R1992
(7C8h)
SLIMTX2MIX_Input_1_
Source
SLIMTX2M
IX_STS
0000000 SLIMTX2MIX_SRC1 [7:0]
0000h
R1993
(7C9h)
SLIMTX2MIX_Input_1_
Volume
00000000 SLIMTX2MIX_VOL1 [6:0] 0
0080h
R1994
(7CAh)
SLIMTX2MIX_Input_2_
Source
SLIMTX2M
IX_STS
0000000 SLIMTX2MIX_SRC2 [7:0]
0000h
R1995
(7CBh)
SLIMTX2MIX_Input_2_
Volume
00000000 SLIMTX2MIX_VOL2 [6:0] 0
0080h
R1996
(7CCh)
SLIMTX2MIX_Input_3_
Source
SLIMTX2M
IX_STS
0000000 SLIMTX2MIX_SRC3 [7:0]
0000h
R1997
(7CDh)
SLIMTX2MIX_Input_3_
Volume
00000000 SLIMTX2MIX_VOL3 [6:0] 0
0080h
R1998
(7CEh)
SLIMTX2MIX_Input_4_
Source
SLIMTX2M
IX_STS
0000000 SLIMTX2MIX_SRC4 [7:0]
0000h
R1999
(7CFh)
SLIMTX2MIX_Input_4_
Volume
00000000 SLIMTX2MIX_VOL4 [6:0] 0
0080h
R2000
(7D0h)
SLIMTX3MIX_Input_1_
Source
SLIMTX3M
IX_STS
0000000 SLIMTX3MIX_SRC1 [7:0]
0000h
R2001
(7D1h)
SLIMTX3MIX_Input_1_
Volume
00000000 SLIMTX3MIX_VOL1 [6:0] 0
0080h
Table 6-1. Register Map Definition—16-bit region (Cont.)
Register
Name
15 14 13 12 11 10 9 8 7 6 5 4 3 2 1 0
Default
_‘ __— __— _— _— CIRRUS LOGIC”
DS1162F1 297
CS42L92
6 Register Map
R2002
(7D2h)
SLIMTX3MIX_Input_2_
Source
SLIMTX3M
IX_STS
0000000 SLIMTX3MIX_SRC2 [7:0]
0000h
R2003
(7D3h)
SLIMTX3MIX_Input_2_
Volume
00000000 SLIMTX3MIX_VOL2 [6:0] 0
0080h
R2004
(7D4h)
SLIMTX3MIX_Input_3_
Source
SLIMTX3M
IX_STS
0000000 SLIMTX3MIX_SRC3 [7:0]
0000h
R2005
(7D5h)
SLIMTX3MIX_Input_3_
Volume
00000000 SLIMTX3MIX_VOL3 [6:0] 0
0080h
R2006
(7D6h)
SLIMTX3MIX_Input_4_
Source
SLIMTX3M
IX_STS
0000000 SLIMTX3MIX_SRC4 [7:0]
0000h
R2007
(7D7h)
SLIMTX3MIX_Input_4_
Volume
00000000 SLIMTX3MIX_VOL4 [6:0] 0
0080h
R2008
(7D8h)
SLIMTX4MIX_Input_1_
Source
SLIMTX4M
IX_STS
0000000 SLIMTX4MIX_SRC1 [7:0]
0000h
R2009
(7D9h)
SLIMTX4MIX_Input_1_
Volume
00000000 SLIMTX4MIX_VOL1 [6:0] 0
0080h
R2010
(7DAh)
SLIMTX4MIX_Input_2_
Source
SLIMTX4M
IX_STS
0000000 SLIMTX4MIX_SRC2 [7:0]
0000h
R2011
(7DBh)
SLIMTX4MIX_Input_2_
Volume
00000000 SLIMTX4MIX_VOL2 [6:0] 0
0080h
R2012
(7DCh)
SLIMTX4MIX_Input_3_
Source
SLIMTX4M
IX_STS
0000000 SLIMTX4MIX_SRC3 [7:0]
0000h
R2013
(7DDh)
SLIMTX4MIX_Input_3_
Volume
00000000 SLIMTX4MIX_VOL3 [6:0] 0
0080h
R2014
(7DEh)
SLIMTX4MIX_Input_4_
Source
SLIMTX4M
IX_STS
0000000 SLIMTX4MIX_SRC4 [7:0]
0000h
R2015
(7DFh)
SLIMTX4MIX_Input_4_
Volume
00000000 SLIMTX4MIX_VOL4 [6:0] 0
0080h
R2016
(7E0h)
SLIMTX5MIX_Input_1_
Source
SLIMTX5M
IX_STS
0000000 SLIMTX5MIX_SRC1 [7:0]
0000h
R2017
(7E1h)
SLIMTX5MIX_Input_1_
Volume
00000000 SLIMTX5MIX_VOL1 [6:0] 0
0080h
R2018
(7E2h)
SLIMTX5MIX_Input_2_
Source
SLIMTX5M
IX_STS
0000000 SLIMTX5MIX_SRC2 [7:0]
0000h
R2019
(7E3h)
SLIMTX5MIX_Input_2_
Volume
00000000 SLIMTX5MIX_VOL2 [6:0] 0
0080h
R2020
(7E4h)
SLIMTX5MIX_Input_3_
Source
SLIMTX5M
IX_STS
0000000 SLIMTX5MIX_SRC3 [7:0]
0000h
R2021
(7E5h)
SLIMTX5MIX_Input_3_
Volume
00000000 SLIMTX5MIX_VOL3 [6:0] 0
0080h
R2022
(7E6h)
SLIMTX5MIX_Input_4_
Source
SLIMTX5M
IX_STS
0000000 SLIMTX5MIX_SRC4 [7:0]
0000h
R2023
(7E7h)
SLIMTX5MIX_Input_4_
Volume
00000000 SLIMTX5MIX_VOL4 [6:0] 0
0080h
R2024
(7E8h)
SLIMTX6MIX_Input_1_
Source
SLIMTX6M
IX_STS
0000000 SLIMTX6MIX_SRC1 [7:0]
0000h
R2025
(7E9h)
SLIMTX6MIX_Input_1_
Volume
00000000 SLIMTX6MIX_VOL1 [6:0] 0
0080h
R2026
(7EAh)
SLIMTX6MIX_Input_2_
Source
SLIMTX6M
IX_STS
0000000 SLIMTX6MIX_SRC2 [7:0]
0000h
R2027
(7EBh)
SLIMTX6MIX_Input_2_
Volume
00000000 SLIMTX6MIX_VOL2 [6:0] 0
0080h
R2028
(7ECh)
SLIMTX6MIX_Input_3_
Source
SLIMTX6M
IX_STS
0000000 SLIMTX6MIX_SRC3 [7:0]
0000h
R2029
(7EDh)
SLIMTX6MIX_Input_3_
Volume
00000000 SLIMTX6MIX_VOL3 [6:0] 0
0080h
R2030
(7EEh)
SLIMTX6MIX_Input_4_
Source
SLIMTX6M
IX_STS
0000000 SLIMTX6MIX_SRC4 [7:0]
0000h
R2031
(7EFh)
SLIMTX6MIX_Input_4_
Volume
00000000 SLIMTX6MIX_VOL4 [6:0] 0
0080h
R2032
(7F0h)
SLIMTX7MIX_Input_1_
Source
SLIMTX7M
IX_STS
0000000 SLIMTX7MIX_SRC1 [7:0]
0000h
R2033
(7F1h)
SLIMTX7MIX_Input_1_
Volume
00000000 SLIMTX7MIX_VOL1 [6:0] 0
0080h
R2034
(7F2h)
SLIMTX7MIX_Input_2_
Source
SLIMTX7M
IX_STS
0000000 SLIMTX7MIX_SRC2 [7:0]
0000h
R2035
(7F3h)
SLIMTX7MIX_Input_2_
Volume
00000000 SLIMTX7MIX_VOL2 [6:0] 0
0080h
R2036
(7F4h)
SLIMTX7MIX_Input_3_
Source
SLIMTX7M
IX_STS
0000000 SLIMTX7MIX_SRC3 [7:0]
0000h
R2037
(7F5h)
SLIMTX7MIX_Input_3_
Volume
00000000 SLIMTX7MIX_VOL3 [6:0] 0
0080h
R2038
(7F6h)
SLIMTX7MIX_Input_4_
Source
SLIMTX7M
IX_STS
0000000 SLIMTX7MIX_SRC4 [7:0]
0000h
R2039
(7F7h)
SLIMTX7MIX_Input_4_
Volume
00000000 SLIMTX7MIX_VOL4 [6:0] 0
0080h
Table 6-1. Register Map Definition—16-bit region (Cont.)
Register
Name
15 14 13 12 11 10 9 8 7 6 5 4 3 2 1 0
Default
CIRRUS LOGIC” _‘ __— __— _— _—
298 DS1162F1
CS42L92
6 Register Map
R2040
(7F8h)
SLIMTX8MIX_Input_1_
Source
SLIMTX8M
IX_STS
0000000 SLIMTX8MIX_SRC1 [7:0]
0000h
R2041
(7F9h)
SLIMTX8MIX_Input_1_
Volume
00000000 SLIMTX8MIX_VOL1 [6:0] 0
0080h
R2042
(7FAh)
SLIMTX8MIX_Input_2_
Source
SLIMTX8M
IX_STS
0000000 SLIMTX8MIX_SRC2 [7:0]
0000h
R2043
(7FBh)
SLIMTX8MIX_Input_2_
Volume
00000000 SLIMTX8MIX_VOL2 [6:0] 0
0080h
R2044
(7FCh)
SLIMTX8MIX_Input_3_
Source
SLIMTX8M
IX_STS
0000000 SLIMTX8MIX_SRC3 [7:0]
0000h
R2045
(7FDh)
SLIMTX8MIX_Input_3_
Volume
00000000 SLIMTX8MIX_VOL3 [6:0] 0
0080h
R2046
(7FEh)
SLIMTX8MIX_Input_4_
Source
SLIMTX8M
IX_STS
0000000 SLIMTX8MIX_SRC4 [7:0]
0000h
R2047
(7FFh)
SLIMTX8MIX_Input_4_
Volume
00000000 SLIMTX8MIX_VOL4 [6:0] 0
0080h
R2048
(800h)
SPDIF1TX1MIX_Input_
1_Source
SPDIF1TX
1_STS
0000000 SPDIF1TX1_SRC [7:0]
0000h
R2049
(801h)
SPDIF1TX1MIX_Input_
1_Volume
00000000 SPDIF1TX1_VOL [6:0] 0
0080h
R2056
(808h)
SPDIF1TX2MIX_Input_
1_Source
SPDIF1TX
2_STS
0000000 SPDIF1TX2_SRC [7:0]
0000h
R2057
(809h)
SPDIF1TX2MIX_Input_
1_Volume
00000000 SPDIF1TX2_VOL [6:0] 0
0080h
R2176
(880h)
EQ1MIX_Input_1_
Source
EQ1MIX_
STS
0000000 EQ1MIX_SRC1 [7:0]
0000h
R2177
(881h)
EQ1MIX_Input_1_
Volume
00000000 EQ1MIX_VOL1 [6:0] 0
0080h
R2178
(882h)
EQ1MIX_Input_2_
Source
EQ1MIX_
STS
0000000 EQ1MIX_SRC2 [7:0]
0000h
R2179
(883h)
EQ1MIX_Input_2_
Volume
00000000 EQ1MIX_VOL2 [6:0] 0
0080h
R2180
(884h)
EQ1MIX_Input_3_
Source
EQ1MIX_
STS
0000000 EQ1MIX_SRC3 [7:0]
0000h
R2181
(885h)
EQ1MIX_Input_3_
Volume
00000000 EQ1MIX_VOL3 [6:0] 0
0080h
R2182
(886h)
EQ1MIX_Input_4_
Source
EQ1MIX_
STS
0000000 EQ1MIX_SRC4 [7:0]
0000h
R2183
(887h)
EQ1MIX_Input_4_
Volume
00000000 EQ1MIX_VOL4 [6:0] 0
0080h
R2184
(888h)
EQ2MIX_Input_1_
Source
EQ2MIX_
STS
0000000 EQ2MIX_SRC1 [7:0]
0000h
R2185
(889h)
EQ2MIX_Input_1_
Volume
00000000 EQ2MIX_VOL1 [6:0] 0
0080h
R2186
(88Ah)
EQ2MIX_Input_2_
Source
EQ2MIX_
STS
0000000 EQ2MIX_SRC2 [7:0]
0000h
R2187
(88Bh)
EQ2MIX_Input_2_
Volume
00000000 EQ2MIX_VOL2 [6:0] 0
0080h
R2188
(88Ch)
EQ2MIX_Input_3_
Source
EQ2MIX_
STS
0000000 EQ2MIX_SRC3 [7:0]
0000h
R2189
(88Dh)
EQ2MIX_Input_3_
Volume
00000000 EQ2MIX_VOL3 [6:0] 0
0080h
R2190
(88Eh)
EQ2MIX_Input_4_
Source
EQ2MIX_
STS
0000000 EQ2MIX_SRC4 [7:0]
0000h
R2191
(88Fh)
EQ2MIX_Input_4_
Volume
00000000 EQ2MIX_VOL4 [6:0] 0
0080h
R2192
(890h)
EQ3MIX_Input_1_
Source
EQ3MIX_
STS
0000000 EQ3MIX_SRC1 [7:0]
0000h
R2193
(891h)
EQ3MIX_Input_1_
Volume
00000000 EQ3MIX_VOL1 [6:0] 0
0080h
R2194
(892h)
EQ3MIX_Input_2_
Source
EQ3MIX_
STS
0000000 EQ3MIX_SRC2 [7:0]
0000h
R2195
(893h)
EQ3MIX_Input_2_
Volume
00000000 EQ3MIX_VOL2 [6:0] 0
0080h
R2196
(894h)
EQ3MIX_Input_3_
Source
EQ3MIX_
STS
0000000 EQ3MIX_SRC3 [7:0]
0000h
R2197
(895h)
EQ3MIX_Input_3_
Volume
00000000 EQ3MIX_VOL3 [6:0] 0
0080h
R2198
(896h)
EQ3MIX_Input_4_
Source
EQ3MIX_
STS
0000000 EQ3MIX_SRC4 [7:0]
0000h
R2199
(897h)
EQ3MIX_Input_4_
Volume
00000000 EQ3MIX_VOL4 [6:0] 0
0080h
R2200
(898h)
EQ4MIX_Input_1_
Source
EQ4MIX_
STS
0000000 EQ4MIX_SRC1 [7:0]
0000h
R2201
(899h)
EQ4MIX_Input_1_
Volume
00000000 EQ4MIX_VOL1 [6:0] 0
0080h
Table 6-1. Register Map Definition—16-bit region (Cont.)
Register
Name
15 14 13 12 11 10 9 8 7 6 5 4 3 2 1 0
Default
CIRRUS LOGIC” _‘ __— __— _— _—
DS1162F1 299
CS42L92
6 Register Map
R2202
(89Ah)
EQ4MIX_Input_2_
Source
EQ4MIX_
STS
0000000 EQ4MIX_SRC2 [7:0]
0000h
R2203
(89Bh)
EQ4MIX_Input_2_
Volume
00000000 EQ4MIX_VOL2 [6:0] 0
0080h
R2204
(89Ch)
EQ4MIX_Input_3_
Source
EQ4MIX_
STS
0000000 EQ4MIX_SRC3 [7:0]
0000h
R2205
(89Dh)
EQ4MIX_Input_3_
Volume
00000000 EQ4MIX_VOL3 [6:0] 0
0080h
R2206
(89Eh)
EQ4MIX_Input_4_
Source
EQ4MIX_
STS
0000000 EQ4MIX_SRC4 [7:0]
0000h
R2207
(89Fh)
EQ4MIX_Input_4_
Volume
00000000 EQ4MIX_VOL4 [6:0] 0
0080h
R2240
(8C0h)
DRC1LMIX_Input_1_
Source
DRC1LMIX
_STS
0000000 DRC1LMIX_SRC1 [7:0]
0000h
R2241
(8C1h)
DRC1LMIX_Input_1_
Volume
00000000 DRC1LMIX_VOL1 [6:0] 0
0080h
R2242
(8C2h)
DRC1LMIX_Input_2_
Source
DRC1LMIX
_STS
0000000 DRC1LMIX_SRC2 [7:0]
0000h
R2243
(8C3h)
DRC1LMIX_Input_2_
Volume
00000000 DRC1LMIX_VOL2 [6:0] 0
0080h
R2244
(8C4h)
DRC1LMIX_Input_3_
Source
DRC1LMIX
_STS
0000000 DRC1LMIX_SRC3 [7:0]
0000h
R2245
(8C5h)
DRC1LMIX_Input_3_
Volume
00000000 DRC1LMIX_VOL3 [6:0] 0
0080h
R2246
(8C6h)
DRC1LMIX_Input_4_
Source
DRC1LMIX
_STS
0000000 DRC1LMIX_SRC4 [7:0]
0000h
R2247
(8C7h)
DRC1LMIX_Input_4_
Volume
00000000 DRC1LMIX_VOL4 [6:0] 0
0080h
R2248
(8C8h)
DRC1RMIX_Input_1_
Source
DRC1RMI
X_STS
0000000 DRC1RMIX_SRC1 [7:0]
0000h
R2249
(8C9h)
DRC1RMIX_Input_1_
Volume
00000000 DRC1RMIX_VOL1 [6:0] 0
0080h
R2250
(8CAh)
DRC1RMIX_Input_2_
Source
DRC1RMI
X_STS
0000000 DRC1RMIX_SRC2 [7:0]
0000h
R2251
(8CBh)
DRC1RMIX_Input_2_
Volume
00000000 DRC1RMIX_VOL2 [6:0] 0
0080h
R2252
(8CCh)
DRC1RMIX_Input_3_
Source
DRC1RMI
X_STS
0000000 DRC1RMIX_SRC3 [7:0]
0000h
R2253
(8CDh)
DRC1RMIX_Input_3_
Volume
00000000 DRC1RMIX_VOL3 [6:0] 0
0080h
R2254
(8CEh)
DRC1RMIX_Input_4_
Source
DRC1RMI
X_STS
0000000 DRC1RMIX_SRC4 [7:0]
0000h
R2255
(8CFh)
DRC1RMIX_Input_4_
Volume
00000000 DRC1RMIX_VOL4 [6:0] 0
0080h
R2256
(8D0h)
DRC2LMIX_Input_1_
Source
DRC2LMIX
_STS
0000000 DRC2LMIX_SRC1 [7:0]
0000h
R2257
(8D1h)
DRC2LMIX_Input_1_
Volume
00000000 DRC2LMIX_VOL1 [6:0] 0
0080h
R2258
(8D2h)
DRC2LMIX_Input_2_
Source
DRC2LMIX
_STS
0000000 DRC2LMIX_SRC2 [7:0]
0000h
R2259
(8D3h)
DRC2LMIX_Input_2_
Volume
00000000 DRC2LMIX_VOL2 [6:0] 0
0080h
R2260
(8D4h)
DRC2LMIX_Input_3_
Source
DRC2LMIX
_STS
0000000 DRC2LMIX_SRC3 [7:0]
0000h
R2261
(8D5h)
DRC2LMIX_Input_3_
Volume
00000000 DRC2LMIX_VOL3 [6:0] 0
0080h
R2262
(8D6h)
DRC2LMIX_Input_4_
Source
DRC2LMIX
_STS
0000000 DRC2LMIX_SRC4 [7:0]
0000h
R2263
(8D7h)
DRC2LMIX_Input_4_
Volume
00000000 DRC2LMIX_VOL4 [6:0] 0
0080h
R2264
(8D8h)
DRC2RMIX_Input_1_
Source
DRC2RMI
X_STS
0000000 DRC2RMIX_SRC1 [7:0]
0000h
R2265
(8D9h)
DRC2RMIX_Input_1_
Volume
00000000 DRC2RMIX_VOL1 [6:0] 0
0080h
R2266
(8DAh)
DRC2RMIX_Input_2_
Source
DRC2RMI
X_STS
0000000 DRC2RMIX_SRC2 [7:0]
0000h
R2267
(8DBh)
DRC2RMIX_Input_2_
Volume
00000000 DRC2RMIX_VOL2 [6:0] 0
0080h
R2268
(8DCh)
DRC2RMIX_Input_3_
Source
DRC2RMI
X_STS
0000000 DRC2RMIX_SRC3 [7:0]
0000h
R2269
(8DDh)
DRC2RMIX_Input_3_
Volume
00000000 DRC2RMIX_VOL3 [6:0] 0
0080h
R2270
(8DEh)
DRC2RMIX_Input_4_
Source
DRC2RMI
X_STS
0000000 DRC2RMIX_SRC4 [7:0]
0000h
R2271
(8DFh)
DRC2RMIX_Input_4_
Volume
00000000 DRC2RMIX_VOL4 [6:0] 0
0080h
Table 6-1. Register Map Definition—16-bit region (Cont.)
Register
Name
15 14 13 12 11 10 9 8 7 6 5 4 3 2 1 0
Default
_‘ __— __— _— _— CIRRUS LOGIC”
300 DS1162F1
CS42L92
6 Register Map
R2304
(900h)
HPLP1MIX_Input_1_
Source
LHPF1MIX
_STS
0000000 LHPF1MIX_SRC1 [7:0]
0000h
R2305
(901h)
HPLP1MIX_Input_1_
Volume
00000000 LHPF1MIX_VOL1 [6:0] 0
0080h
R2306
(902h)
HPLP1MIX_Input_2_
Source
LHPF1MIX
_STS
0000000 LHPF1MIX_SRC2 [7:0]
0000h
R2307
(903h)
HPLP1MIX_Input_2_
Volume
00000000 LHPF1MIX_VOL2 [6:0] 0
0080h
R2308
(904h)
HPLP1MIX_Input_3_
Source
LHPF1MIX
_STS
0000000 LHPF1MIX_SRC3 [7:0]
0000h
R2309
(905h)
HPLP1MIX_Input_3_
Volume
00000000 LHPF1MIX_VOL3 [6:0] 0
0080h
R2310
(906h)
HPLP1MIX_Input_4_
Source
LHPF1MIX
_STS
0000000 LHPF1MIX_SRC4 [7:0]
0000h
R2311
(907h)
HPLP1MIX_Input_4_
Volume
00000000 LHPF1MIX_VOL4 [6:0] 0
0080h
R2312
(908h)
HPLP2MIX_Input_1_
Source
LHPF2MIX
_STS
0000000 LHPF2MIX_SRC1 [7:0]
0000h
R2313
(909h)
HPLP2MIX_Input_1_
Volume
00000000 LHPF2MIX_VOL1 [6:0] 0
0080h
R2314
(90Ah)
HPLP2MIX_Input_2_
Source
LHPF2MIX
_STS
0000000 LHPF2MIX_SRC2 [7:0]
0000h
R2315
(90Bh)
HPLP2MIX_Input_2_
Volume
00000000 LHPF2MIX_VOL2 [6:0] 0
0080h
R2316
(90Ch)
HPLP2MIX_Input_3_
Source
LHPF2MIX
_STS
0000000 LHPF2MIX_SRC3 [7:0]
0000h
R2317
(90Dh)
HPLP2MIX_Input_3_
Volume
00000000 LHPF2MIX_VOL3 [6:0] 0
0080h
R2318
(90Eh)
HPLP2MIX_Input_4_
Source
LHPF2MIX
_STS
0000000 LHPF2MIX_SRC4 [7:0]
0000h
R2319
(90Fh)
HPLP2MIX_Input_4_
Volume
00000000 LHPF2MIX_VOL4 [6:0] 0
0080h
R2320
(910h)
HPLP3MIX_Input_1_
Source
LHPF3MIX
_STS
0000000 LHPF3MIX_SRC1 [7:0]
0000h
R2321
(911h)
HPLP3MIX_Input_1_
Volume
00000000 LHPF3MIX_VOL1 [6:0] 0
0080h
R2322
(912h)
HPLP3MIX_Input_2_
Source
LHPF3MIX
_STS
0000000 LHPF3MIX_SRC2 [7:0]
0000h
R2323
(913h)
HPLP3MIX_Input_2_
Volume
00000000 LHPF3MIX_VOL2 [6:0] 0
0080h
R2324
(914h)
HPLP3MIX_Input_3_
Source
LHPF3MIX
_STS
0000000 LHPF3MIX_SRC3 [7:0]
0000h
R2325
(915h)
HPLP3MIX_Input_3_
Volume
00000000 LHPF3MIX_VOL3 [6:0] 0
0080h
R2326
(916h)
HPLP3MIX_Input_4_
Source
LHPF3MIX
_STS
0000000 LHPF3MIX_SRC4 [7:0]
0000h
R2327
(917h)
HPLP3MIX_Input_4_
Volume
00000000 LHPF3MIX_VOL4 [6:0] 0
0080h
R2328
(918h)
HPLP4MIX_Input_1_
Source
LHPF4MIX
_STS
0000000 LHPF4MIX_SRC1 [7:0]
0000h
R2329
(919h)
HPLP4MIX_Input_1_
Volume
00000000 LHPF4MIX_VOL1 [6:0] 0
0080h
R2330
(91Ah)
HPLP4MIX_Input_2_
Source
LHPF4MIX
_STS
0000000 LHPF4MIX_SRC2 [7:0]
0000h
R2331
(91Bh)
HPLP4MIX_Input_2_
Volume
00000000 LHPF4MIX_VOL2 [6:0] 0
0080h
R2332
(91Ch)
HPLP4MIX_Input_3_
Source
LHPF4MIX
_STS
0000000 LHPF4MIX_SRC3 [7:0]
0000h
R2333
(91Dh)
HPLP4MIX_Input_3_
Volume
00000000 LHPF4MIX_VOL3 [6:0] 0
0080h
R2334
(91Eh)
HPLP4MIX_Input_4_
Source
LHPF4MIX
_STS
0000000 LHPF4MIX_SRC4 [7:0]
0000h
R2335
(91Fh)
HPLP4MIX_Input_4_
Volume
00000000 LHPF4MIX_VOL4 [6:0] 0
0080h
R2368
(940h)
DSP1LMIX_Input_1_
Source
DSP1LMIX
_STS
0000000 DSP1LMIX_SRC1 [7:0]
0000h
R2369
(941h)
DSP1LMIX_Input_1_
Volume
00000000 DSP1LMIX_VOL1 [6:0] 0
0080h
R2370
(942h)
DSP1LMIX_Input_2_
Source
DSP1LMIX
_STS
0000000 DSP1LMIX_SRC2 [7:0]
0000h
R2371
(943h)
DSP1LMIX_Input_2_
Volume
00000000 DSP1LMIX_VOL2 [6:0] 0
0080h
R2372
(944h)
DSP1LMIX_Input_3_
Source
DSP1LMIX
_STS
0000000 DSP1LMIX_SRC3 [7:0]
0000h
R2373
(945h)
DSP1LMIX_Input_3_
Volume
00000000 DSP1LMIX_VOL3 [6:0] 0
0080h
Table 6-1. Register Map Definition—16-bit region (Cont.)
Register
Name
15 14 13 12 11 10 9 8 7 6 5 4 3 2 1 0
Default
_‘ __— __— _— _— CIRRUS LOGIC”
DS1162F1 301
CS42L92
6 Register Map
R2374
(946h)
DSP1LMIX_Input_4_
Source
DSP1LMIX
_STS
0000000 DSP1LMIX_SRC4 [7:0]
0000h
R2375
(947h)
DSP1LMIX_Input_4_
Volume
00000000 DSP1LMIX_VOL4 [6:0] 0
0080h
R2376
(948h)
DSP1RMIX_Input_1_
Source
DSP1RMI
X_STS
0000000 DSP1RMIX_SRC1 [7:0]
0000h
R2377
(949h)
DSP1RMIX_Input_1_
Volume
00000000 DSP1RMIX_VOL1 [6:0] 0
0080h
R2378
(94Ah)
DSP1RMIX_Input_2_
Source
DSP1RMI
X_STS
0000000 DSP1RMIX_SRC2 [7:0]
0000h
R2379
(94Bh)
DSP1RMIX_Input_2_
Volume
00000000 DSP1RMIX_VOL2 [6:0] 0
0080h
R2380
(94Ch)
DSP1RMIX_Input_3_
Source
DSP1RMI
X_STS
0000000 DSP1RMIX_SRC3 [7:0]
0000h
R2381
(94Dh)
DSP1RMIX_Input_3_
Volume
00000000 DSP1RMIX_VOL3 [6:0] 0
0080h
R2382
(94Eh)
DSP1RMIX_Input_4_
Source
DSP1RMI
X_STS
0000000 DSP1RMIX_SRC4 [7:0]
0000h
R2383
(94Fh)
DSP1RMIX_Input_4_
Volume
00000000 DSP1RMIX_VOL4 [6:0] 0
0080h
R2384
(950h)
DSP1AUX1MIX_Input_
1_Source
DSP1AUX
1_STS
0000000 DSP1AUX1_SRC [7:0]
0000h
R2392
(958h)
DSP1AUX2MIX_Input_
1_Source
DSP1AUX
2_STS
0000000 DSP1AUX2_SRC [7:0]
0000h
R2400
(960h)
DSP1AUX3MIX_Input_
1_Source
DSP1AUX
3_STS
0000000 DSP1AUX3_SRC [7:0]
0000h
R2408
(968h)
DSP1AUX4MIX_Input_
1_Source
DSP1AUX
4_STS
0000000 DSP1AUX4_SRC [7:0]
0000h
R2416
(970h)
DSP1AUX5MIX_Input_
1_Source
DSP1AUX
5_STS
0000000 DSP1AUX5_SRC [7:0]
0000h
R2424
(978h)
DSP1AUX6MIX_Input_
1_Source
DSP1AUX
6_STS
0000000 DSP1AUX6_SRC [7:0]
0000h
R2688
(A80h)
ASRC1_1LMIX_Input_
1_Source
ASRC1_
IN1L_STS
0000000 ASRC1_IN1L_SRC [7:0]
0000h
R2696
(A88h)
ASRC1_1RMIX_Input_
1_Source
ASRC1_
IN1R_STS
0000000 ASRC1_IN1R_SRC [7:0]
0000h
R2704
(A90h)
ASRC1_2LMIX_Input_
1_Source
ASRC1_
IN2L_STS
0000000 ASRC1_IN2L_SRC [7:0]
0000h
R2712
(A98h)
ASRC1_2RMIX_Input_
1_Source
ASRC1_
IN2R_STS
0000000 ASRC1_IN2R_SRC [7:0]
0000h
R2816
(B00h)
ISRC1DEC1MIX_Input_
1_Source
ISRC1DEC
1_STS
0000000 ISRC1DEC1_SRC [7:0]
0000h
R2824
(B08h)
ISRC1DEC2MIX_Input_
1_Source
ISRC1DEC
2_STS
0000000 ISRC1DEC2_SRC [7:0]
0000h
R2848
(B20h)
ISRC1INT1MIX_Input_
1_Source
ISRC1INT
1_STS
0000000 ISRC1INT1_SRC [7:0]
0000h
R2856
(B28h)
ISRC1INT2MIX_Input_
1_Source
ISRC1INT
2_STS
0000000 ISRC1INT2_SRC [7:0]
0000h
R2880
(B40h)
ISRC2DEC1MIX_Input_
1_Source
ISRC2DEC
1_STS
0000000 ISRC2DEC1_SRC [7:0]
0000h
R2888
(B48h)
ISRC2DEC2MIX_Input_
1_Source
ISRC2DEC
2_STS
0000000 ISRC2DEC2_SRC [7:0]
0000h
R2912
(B60h)
ISRC2INT1MIX_Input_
1_Source
ISRC2INT
1_STS
0000000 ISRC2INT1_SRC [7:0]
0000h
R2920
(B68h)
ISRC2INT2MIX_Input_
1_Source
ISRC2INT
2_STS
0000000 ISRC2INT2_SRC [7:0]
0000h
R3520
(DC0h)
DFC1MIX_Input_1_
Source
DFC1_
STS
0000000 DFC1_SRC [7:0]
0000h
R3528
(DC8h)
DFC2MIX_Input_1_
Source
DFC2_
STS
0000000 DFC2_SRC [7:0]
0000h
R3536
(DD0h)
DFC3MIX_Input_1_
Source
DFC3_
STS
0000000 DFC3_SRC [7:0]
0000h
R3544
(DD8h)
DFC4MIX_Input_1_
Source
DFC4_
STS
0000000 DFC4_SRC [7:0]
0000h
R3552
(DE0h)
DFC5MIX_Input_1_
Source
DFC5_
STS
0000000 DFC5_SRC [7:0]
0000h
R3560
(DE8h)
DFC6MIX_Input_1_
Source
DFC6_
STS
0000000 DFC6_SRC [7:0]
0000h
R3568
(DF0h)
DFC7MIX_Input_1_
Source
DFC7_
STS
0000000 DFC7_SRC [7:0]
0000h
R3576
(DF8h)
DFC8MIX_Input_1_
Source
DFC8_
STS
0000000 DFC8_SRC [7:0]
0000h
R3584
(E00h)
FX_Ctrl1
FX_RATE [4:0] 00000000000
0000h
R3585
(E01h)
FX_Ctrl2
FX_STS [11:0] 0010
0002h
Table 6-1. Register Map Definition—16-bit region (Cont.)
Register
Name
15 14 13 12 11 10 9 8 7 6 5 4 3 2 1 0
Default
_‘ __— __— _— _— CIRRUS LOGIC”
302 DS1162F1
CS42L92
6 Register Map
R3600
(E10h)
EQ1_1
EQ1_B1_GAIN [4:0] EQ1_B2_GAIN [4:0] EQ1_B3_GAIN [4:0] EQ1_ENA
6318h
R3601
(E11h)
EQ1_2
EQ1_B4_GAIN [4:0] EQ1_B5_GAIN [4:0] 00000EQ1_B1_
MODE
6300h
R3602
(E12h)
EQ1_3
EQ1_B1_A [15:0]
0FC8h
R3603
(E13h)
EQ1_4
EQ1_B1_B [15:0]
03FEh
R3604
(E14h)
EQ1_5
EQ1_B1_PG [15:0]
00E0h
R3605
(E15h)
EQ1_6
EQ1_B2_A [15:0]
1EC4h
R3606
(E16h)
EQ1_7
EQ1_B2_B [15:0]
F136h
R3607
(E17h)
EQ1_8
EQ1_B2_C [15:0]
0409h
R3608
(E18h)
EQ1_9
EQ1_B2_PG [15:0]
04CCh
R3609
(E19h)
EQ1_10
EQ1_B3_A [15:0]
1C9Bh
R3610
(E1Ah)
EQ1_11
EQ1_B3_B [15:0]
F337h
R3611
(E1Bh)
EQ1_12
EQ1_B3_C [15:0]
040Bh
R3612
(E1Ch)
EQ1_13
EQ1_B3_PG [15:0]
0CBBh
R3613
(E1Dh)
EQ1_14
EQ1_B4_A [15:0]
16F8h
R3614
(E1Eh)
EQ1_15
EQ1_B4_B [15:0]
F7D9h
R3615
(E1Fh)
EQ1_16
EQ1_B4_C [15:0]
040Ah
R3616
(E20h)
EQ1_17
EQ1_B4_PG [15:0]
1F14h
R3617
(E21h)
EQ1_18
EQ1_B5_A [15:0]
058Ch
R3618
(E22h)
EQ1_19
EQ1_B5_B [15:0]
0563h
R3619
(E23h)
EQ1_20
EQ1_B5_PG [15:0]
4000h
R3620
(E24h)
EQ1_21
EQ1_B1_C [15:0]
0B75h
R3622
(E26h)
EQ2_1
EQ2_B1_GAIN [4:0] EQ2_B2_GAIN [4:0] EQ2_B3_GAIN [4:0] EQ2_ENA
6318h
R3623
(E27h)
EQ2_2
EQ2_B4_GAIN [4:0] EQ2_B5_GAIN [4:0] 00000EQ2_B1_
MODE
6300h
R3624
(E28h)
EQ2_3
EQ2_B1_A [15:0]
0FC8h
R3625
(E29h)
EQ2_4
EQ2_B1_B [15:0]
03FEh
R3626
(E2Ah)
EQ2_5
EQ2_B1_PG [15:0]
00E0h
R3627
(E2Bh)
EQ2_6
EQ2_B2_A [15:0]
1EC4h
R3628
(E2Ch)
EQ2_7
EQ2_B2_B [15:0]
F136h
R3629
(E2Dh)
EQ2_8
EQ2_B2_C [15:0]
0409h
R3630
(E2Eh)
EQ2_9
EQ2_B2_PG [15:0]
04CCh
R3631
(E2Fh)
EQ2_10
EQ2_B3_A [15:0]
1C9Bh
R3632
(E30h)
EQ2_11
EQ2_B3_B [15:0]
F337h
R3633
(E31h)
EQ2_12
EQ2_B3_C [15:0]
040Bh
R3634
(E32h)
EQ2_13
EQ2_B3_PG [15:0]
0CBBh
R3635
(E33h)
EQ2_14
EQ2_B4_A [15:0]
16F8h
R3636
(E34h)
EQ2_15
EQ2_B4_B [15:0]
F7D9h
R3637
(E35h)
EQ2_16
EQ2_B4_C [15:0]
040Ah
R3638
(E36h)
EQ2_17
EQ2_B4_PG [15:0]
1F14h
Table 6-1. Register Map Definition—16-bit region (Cont.)
Register
Name
15 14 13 12 11 10 9 8 7 6 5 4 3 2 1 0
Default
_‘ __— __— _— _— CIRRUS LOGIC”
DS1162F1 303
CS42L92
6 Register Map
R3639
(E37h)
EQ2_18
EQ2_B5_A [15:0]
058Ch
R3640
(E38h)
EQ2_19
EQ2_B5_B [15:0]
0563h
R3641
(E39h)
EQ2_20
EQ2_B5_PG [15:0]
4000h
R3642
(E3Ah)
EQ2_21
EQ2_B1_C [15:0]
0B75h
R3644
(E3Ch)
EQ3_1
EQ3_B1_GAIN [4:0] EQ3_B2_GAIN [4:0] EQ3_B3_GAIN [4:0] EQ3_ENA
6318h
R3645
(E3Dh)
EQ3_2
EQ3_B4_GAIN [4:0] EQ3_B5_GAIN [4:0] 00000EQ3_B1_
MODE
6300h
R3646
(E3Eh)
EQ3_3
EQ3_B1_A [15:0]
0FC8h
R3647
(E3Fh)
EQ3_4
EQ3_B1_B [15:0]
03FEh
R3648
(E40h)
EQ3_5
EQ3_B1_PG [15:0]
00E0h
R3649
(E41h)
EQ3_6
EQ3_B2_A [15:0]
1EC4h
R3650
(E42h)
EQ3_7
EQ3_B2_B [15:0]
F136h
R3651
(E43h)
EQ3_8
EQ3_B2_C [15:0]
0409h
R3652
(E44h)
EQ3_9
EQ3_B2_PG [15:0]
04CCh
R3653
(E45h)
EQ3_10
EQ3_B3_A [15:0]
1C9Bh
R3654
(E46h)
EQ3_11
EQ3_B3_B [15:0]
F337h
R3655
(E47h)
EQ3_12
EQ3_B3_C [15:0]
040Bh
R3656
(E48h)
EQ3_13
EQ3_B3_PG [15:0]
0CBBh
R3657
(E49h)
EQ3_14
EQ3_B4_A [15:0]
16F8h
R3658
(E4Ah)
EQ3_15
EQ3_B4_B [15:0]
F7D9h
R3659
(E4Bh)
EQ3_16
EQ3_B4_C [15:0]
040Ah
R3660
(E4Ch)
EQ3_17
EQ3_B4_PG [15:0]
1F14h
R3661
(E4Dh)
EQ3_18
EQ3_B5_A [15:0]
058Ch
R3662
(E4Eh)
EQ3_19
EQ3_B5_B [15:0]
0563h
R3663
(E4Fh)
EQ3_20
EQ3_B5_PG [15:0]
4000h
R3664
(E50h)
EQ3_21
EQ3_B1_C [15:0]
0B75h
R3666
(E52h)
EQ4_1
EQ4_B1_GAIN [4:0] EQ4_B2_GAIN [4:0] EQ4_B3_GAIN [4:0] EQ4_ENA
6318h
R3667
(E53h)
EQ4_2
EQ4_B4_GAIN [4:0] EQ4_B5_GAIN [4:0] 00000EQ4_B1_
MODE
6300h
R3668
(E54h)
EQ4_3
EQ4_B1_A [15:0]
0FC8h
R3669
(E55h)
EQ4_4
EQ4_B1_B [15:0]
03FEh
R3670
(E56h)
EQ4_5
EQ4_B1_PG [15:0]
00E0h
R3671
(E57h)
EQ4_6
EQ4_B2_A [15:0]
1EC4h
R3672
(E58h)
EQ4_7
EQ4_B2_B [15:0]
F136h
R3673
(E59h)
EQ4_8
EQ4_B2_C [15:0]
0409h
R3674
(E5Ah)
EQ4_9
EQ4_B2_PG [15:0]
04CCh
R3675
(E5Bh)
EQ4_10
EQ4_B3_A [15:0]
1C9Bh
R3676
(E5Ch)
EQ4_11
EQ4_B3_B [15:0]
F337h
R3677
(E5Dh)
EQ4_12
EQ4_B3_C [15:0]
040Bh
R3678
(E5Eh)
EQ4_13
EQ4_B3_PG [15:0]
0CBBh
Table 6-1. Register Map Definition—16-bit region (Cont.)
Register
Name
15 14 13 12 11 10 9 8 7 6 5 4 3 2 1 0
Default
_‘ __— __— _— _— CIRRUS LOGIC” ' mew \‘ mew \‘
304 DS1162F1
CS42L92
6 Register Map
R3679
(E5Fh)
EQ4_14
EQ4_B4_A [15:0]
16F8h
R3680
(E60h)
EQ4_15
EQ4_B4_B [15:0]
F7D9h
R3681
(E61h)
EQ4_16
EQ4_B4_C [15:0]
040Ah
R3682
(E62h)
EQ4_17
EQ4_B4_PG [15:0]
1F14h
R3683
(E63h)
EQ4_18
EQ4_B5_A [15:0]
058Ch
R3684
(E64h)
EQ4_19
EQ4_B5_B [15:0]
0563h
R3685
(E65h)
EQ4_20
EQ4_B5_PG [15:0]
4000h
R3686
(E66h)
EQ4_21
EQ4_B1_C [15:0]
0B75h
R3712
(E80h)
DRC1_ctrl1
DRC1_SIG_DET_RMS [4:0] DRC1_SIG_DET_PK
[1:0]
DRC1_
NG_ENA
DRC1_
SIG_DET_
MODE
DRC1_
SIG_DET
DRC1_
KNEE2_
OP_ENA
DRC1_QR DRC1_
ANTICLIP
DRC1_
WSEQ_
SIG_DET_
ENA
DRC1L_
ENA
DRC1R_
ENA
0018h
R3713
(E81h)
DRC1_ctrl2
0 0 0 DRC1_ATK [3:0] DRC1_DCY [3:0] DRC1_MINGAIN [2:0] DRC1_MAXGAIN [1:0]
0933h
R3714
(E82h)
DRC1_ctrl3
DRC1_NG_MINGAIN [3:0] DRC1_NG_EXP [1:0] DRC1_QR_THR [1:0] DRC1_QR_DCY [1:0] DRC1_HI_COMP [2:0] DRC1_LO_COMP [2:0]
0018h
R3715
(E83h)
DRC1_ctrl4
0 0 0 0 0 DRC1_KNEE_IP [5:0] DRC1_KNEE_OP [4:0]
0000h
R3716
(E84h)
DRC1_ctrl5
0 0 0 0 0 0 DRC1_KNEE2_IP [4:0] DRC1_KNEE2_OP [4:0]
0000h
R3720
(E88h)
DRC2_ctrl1
DRC2_SIG_DET_RMS [4:0] DRC2_SIG_DET_PK
[1:0]
DRC2_
NG_ENA
DRC2_
SIG_DET_
MODE
DRC2_
SIG_DET
DRC2_
KNEE2_
OP_ENA
DRC2_QR DRC2_
ANTICLIP
0 DRC2L_
ENA
DRC2R_
ENA
0018h
R3721
(E89h)
DRC2_ctrl2
0 0 0 DRC2_ATK [3:0] DRC2_DCY [3:0] DRC2_MINGAIN [2:0] DRC2_MAXGAIN [1:0]
0933h
R3722
(E8Ah)
DRC2_ctrl3
DRC2_NG_MINGAIN [3:0] DRC2_NG_EXP [1:0] DRC2_QR_THR [1:0] DRC2_QR_DCY [1:0] DRC2_HI_COMP [2:0] DRC2_LO_COMP [2:0]
0018h
R3723
(E8Bh)
DRC2_ctrl4
0 0 0 0 0 DRC2_KNEE_IP [5:0] DRC2_KNEE_OP [4:0]
0000h
R3724
(E8Ch)
DRC2_ctrl5
0 0 0 0 0 0 DRC2_KNEE2_IP [4:0] DRC2_KNEE2_OP [4:0]
0000h
R3776
(EC0h)
HPLPF1_1
00000000000000LHPF1_
MODE
LHPF1_
ENA
0000h
R3777
(EC1h)
HPLPF1_2
LHPF1_COEFF [15:0]
0000h
R3780
(EC4h)
HPLPF2_1
00000000000000LHPF2_
MODE
LHPF2_
ENA
0000h
R3781
(EC5h)
HPLPF2_2
LHPF2_COEFF [15:0]
0000h
R3784
(EC8h)
HPLPF3_1
00000000000000LHPF3_
MODE
LHPF3_
ENA
0000h
R3785
(EC9h)
HPLPF3_2
LHPF3_COEFF [15:0]
0000h
R3788
(ECCh)
HPLPF4_1
00000000000000LHPF4_
MODE
LHPF4_
ENA
0000h
R3789
(ECDh)
HPLPF4_2
LHPF4_COEFF [15:0]
0000h
R3808
(EE0h)
ASRC1_ENABLE
000000000000ASRC1_
IN2L_ENA
ASRC1_
IN2R_ENA
ASRC1_
IN1L_ENA
ASRC1_
IN1R_ENA
0000h
R3809
(EE1h)
ASRC1_STATUS
000000000000ASRC1_
IN2L_
ENA_STS
ASRC1_
IN2R_
ENA_STS
ASRC1_
IN1L_
ENA_STS
ASRC1_
IN1R_
ENA_STS
0000h
R3810
(EE2h)
ASRC1_RATE1
ASRC1_RATE1 [4:0] 00000000000
0000h
R3811
(EE3h)
ASRC1_RATE2
ASRC1_RATE2 [4:0] 00000000000
4000h
R3824
(EF0h)
ISRC1_CTRL_1
ISRC1_FSH [4:0] 00000000000
0000h
R3825
(EF1h)
ISRC1_CTRL_2
ISRC1_FSL [4:0] 00000000001
0001h
R3826
(EF2h)
ISRC1_CTRL_3
ISRC1_
INT1_ENA
ISRC1_
INT2_ENA
0000ISRC1_
DEC1_
ENA
ISRC1_
DEC2_
ENA
00000000
0000h
R3827
(EF3h)
ISRC2_CTRL_1
ISRC2_FSH [4:0] 00000000000
0000h
R3828
(EF4h)
ISRC2_CTRL_2
ISRC2_FSL [4:0] 00000000001
0001h
R3829
(EF5h)
ISRC2_CTRL_3
ISRC2_
INT1_ENA
ISRC2_
INT2_ENA
0000ISRC2_
DEC1_
ENA
ISRC2_
DEC2_
ENA
00000000
0000h
R4224
(1080h)
US1_Ctrl_0
0 0 US1_GAIN [1:0] US1_SRC [3:0] 0 US1_FREQ [2:0] 0 0 0 US1_ENA
2030h
Table 6-1. Register Map Definition—16-bit region (Cont.)
Register
Name
15 14 13 12 11 10 9 8 7 6 5 4 3 2 1 0
Default
_‘ __— __— _— _— CIRRUS LOGIC”
DS1162F1 305
CS42L92
6 Register Map
R4225
(1081h)
US1_Ctrl_1
US1_RATE [4:0] 00000000000
0000h
R4226
(1082h)
US2_Ctrl_0
0 0 US2_GAIN [1:0] US2_SRC [3:0] 0 US2_FREQ [2:0] 0 0 0 US2_ENA
2030h
R4227
(1083h)
US2_Ctrl_1
US2_RATE [4:0] 00000000000
0000h
R4288
(10C0h)
AUXPDM1_Ctrl_0
0000 AUXPDM1_SRC[3:0] 000AUXPDM1
_TXEDGE
AUXPDM1
_MSTR
AUXPDM1
_MUTE
0 AUXPDM1
_ENA
0008h
R4289
(10C1h)
AUXPDM1_Ctrl_1
AUXPDM1_CLK_
FREQ[1:0]
00000000000000
4000h
R5248
(1480h)
DFC1_CTRL_W0
000000000 DFC1_RATE [4:0] DFC1_
DITH_ENA
DFC1_
ENA
0000h
R5250
(1482h)
DFC1_RX_W0
000 DFC1_RX_DATA_WIDTH [4:0] 00000DFC1_RX_DATA_TYPE [2:0]
1F00h
R5252
(1484h)
DFC1_TX_W0
000 DFC1_TX_DATA_WIDTH [4:0] 00000DFC1_TX_DATA_TYPE [2:0]
1F00h
R5254
(1486h)
DFC2_CTRL_W0
000000000 DFC2_RATE [4:0] DFC2_
DITH_ENA
DFC2_
ENA
0000h
R5256
(1488h)
DFC2_RX_W0
000 DFC2_RX_DATA_WIDTH [4:0] 00000DFC2_RX_DATA_TYPE [2:0]
1F00h
R5258
(148Ah)
DFC2_TX_W0
000 DFC2_TX_DATA_WIDTH [4:0] 00000DFC2_TX_DATA_TYPE [2:0]
1F00h
R5260
(148Ch)
DFC3_CTRL_W0
000000000 DFC3_RATE [4:0] DFC3_
DITH_ENA
DFC3_
ENA
0000h
R5262
(148Eh)
DFC3_RX_W0
000 DFC3_RX_DATA_WIDTH [4:0] 00000DFC3_RX_DATA_TYPE [2:0]
1F00h
R5264
(1490h)
DFC3_TX_W0
000 DFC3_TX_DATA_WIDTH [4:0] 00000DFC3_TX_DATA_TYPE [2:0]
1F00h
R5266
(1492h)
DFC4_CTRL_W0
000000000 DFC4_RATE [4:0] DFC4_
DITH_ENA
DFC4_
ENA
0000h
R5268
(1494h)
DFC4_RX_W0
000 DFC4_RX_DATA_WIDTH [4:0] 00000DFC4_RX_DATA_TYPE [2:0]
1F00h
R5270
(1496h)
DFC4_TX_W0
000 DFC4_TX_DATA_WIDTH [4:0] 00000DFC4_TX_DATA_TYPE [2:0]
1F00h
R5272
(1498h)
DFC5_CTRL_W0
000000000 DFC5_RATE [4:0] DFC5_
DITH_ENA
DFC5_
ENA
0000h
R5274
(149Ah)
DFC5_RX_W0
000 DFC5_RX_DATA_WIDTH [4:0] 00000DFC5_RX_DATA_TYPE [2:0]
1F00h
R5276
(149Ch)
DFC5_TX_W0
000 DFC5_TX_DATA_WIDTH [4:0] 00000DFC5_TX_DATA_TYPE [2:0]
1F00h
R5278
(149Eh)
DFC6_CTRL_W0
000000000 DFC6_RATE [4:0] DFC6_
DITH_ENA
DFC6_
ENA
0000h
R5280
(14A0h)
DFC6_RX_W0
000 DFC6_RX_DATA_WIDTH [4:0] 00000DFC6_RX_DATA_TYPE [2:0]
1F00h
R5282
(14A2h)
DFC6_TX_W0
000 DFC6_TX_DATA_WIDTH [4:0] 00000DFC6_TX_DATA_TYPE [2:0]
1F00h
R5284
(14A4h)
DFC7_CTRL_W0
000000000 DFC7_RATE [4:0] DFC7_
DITH_ENA
DFC7_
ENA
0000h
R5286
(14A6h)
DFC7_RX_W0
000 DFC7_RX_DATA_WIDTH [4:0] 00000DFC7_RX_DATA_TYPE [2:0]
1F00h
R5288
(14A8h)
DFC7_TX_W0
000 DFC7_TX_DATA_WIDTH [4:0] 00000DFC7_TX_DATA_TYPE [2:0]
1F00h
R5290
(14AAh)
DFC8_CTRL_W0
000000000 DFC8_RATE [4:0] DFC8_
DITH_ENA
DFC8_
ENA
0000h
R5292
(14ACh)
DFC8_RX_W0
000 DFC8_RX_DATA_WIDTH [4:0] 00000DFC8_RX_DATA_TYPE [2:0]
1F00h
R5294
(14AEh)
DFC8_TX_W0
000 DFC8_TX_DATA_WIDTH [4:0] 00000DFC8_TX_DATA_TYPE [2:0]
1F00h
R5302
(14B6h)
DFC_STATUS_W0
00000000 DFC_ERR_CHAN [7:0]
0000h
R5303
(14B7h)
DFC_STATUS_W1
00000000000000DFC_DITH_TYPE
[1:0]
0000h
R5632
(1600h)
ADSP2_IRQ0
00000000000000DSP_IRQ2DSP_IRQ1
0000h
R5633
(1601h)
ADSP2_IRQ1
00000000000000DSP_IRQ4DSP_IRQ3
0000h
R5634
(1602h)
ADSP2_IRQ2
00000000000000DSP_IRQ6DSP_IRQ5
0000h
R5635
(1603h)
ADSP2_IRQ3
00000000000000DSP_IRQ8DSP_IRQ7
0000h
R5636
(1604h)
ADSP2_IRQ4
00000000000000DSP_
IRQ10
DSP_IRQ9
0000h
R5637
(1605h)
ADSP2_IRQ5
00000000000000DSP_
IRQ12
DSP_
IRQ11
0000h
R5638
(1606h)
ADSP2_IRQ6
00000000000000DSP_
IRQ14
DSP_
IRQ13
0000h
Table 6-1. Register Map Definition—16-bit region (Cont.)
Register
Name
15 14 13 12 11 10 9 8 7 6 5 4 3 2 1 0
Default
_‘ __— __— _— _— CIRRUS LOGIC”
306 DS1162F1
CS42L92
6 Register Map
R5639
(1607h)
ADSP2_IRQ7
00000000000000DSP_
IRQ16
DSP_
IRQ15
0000h
R5888
(1700h)
GPIO1_CTRL_1
GP1_LVL GP1_OP_
CFG
GP1_DB GP1_POL 0 0 GP1_FN [9:0]
2001h
R5889
(1701h)
GPIO1_CTRL_2
GP1_DIR GP1_PU GP1_PD GP1_
DRV_STR
000000000000
F000h
R5890
(1702h)
GPIO2_CTRL_1
GP2_LVL GP2_OP_
CFG
GP2_DB GP2_POL 0 0 GP2_FN [9:0]
2001h
R5891
(1703h)
GPIO2_CTRL_2
GP2_DIR GP2_PU GP2_PD GP2_
DRV_STR
000000000000
F000h
R5892
(1704h)
GPIO3_CTRL_1
GP3_LVL GP3_OP_
CFG
GP3_DB GP3_POL 0 0 GP3_FN [9:0]
2001h
R5893
(1705h)
GPIO3_CTRL_2
GP3_DIR GP3_PU GP3_PD GP3_
DRV_STR
000000000000
F000h
R5894
(1706h)
GPIO4_CTRL_1
GP4_LVL GP4_OP_
CFG
GP4_DB GP4_POL 0 0 GP4_FN [9:0]
2001h
R5895
(1707h)
GPIO4_CTRL_2
GP4_DIR GP4_PU GP4_PD GP4_
DRV_STR
000000000000
F000h
R5896
(1708h)
GPIO5_CTRL_1
GP5_LVL GP5_OP_
CFG
GP5_DB GP5_POL 0 0 GP5_FN [9:0]
2001h
R5897
(1709h)
GPIO5_CTRL_2
GP5_DIR GP5_PU GP5_PD GP5_
DRV_STR
000000000000
F000h
R5898
(170Ah)
GPIO6_CTRL_1
GP6_LVL GP6_OP_
CFG
GP6_DB GP6_POL 0 0 GP6_FN [9:0]
2001h
R5899
(170Bh)
GPIO6_CTRL_2
GP6_DIR GP6_PU GP6_PD GP6_
DRV_STR
000000000000
F000h
R5900
(170Ch)
GPIO7_CTRL_1
GP7_LVL GP7_OP_
CFG
GP7_DB GP7_POL 0 0 GP7_FN [9:0]
2001h
R5901
(170Dh)
GPIO7_CTRL_2
GP7_DIR GP7_PU GP7_PD GP7_
DRV_STR
000000000000
F000h
R5902
(170Eh)
GPIO8_CTRL_1
GP8_LVL GP8_OP_
CFG
GP8_DB GP8_POL 0 0 GP8_FN [9:0]
2001h
R5903
(170Fh)
GPIO8_CTRL_2
GP8_DIR GP8_PU GP8_PD GP8_
DRV_STR
000000000000
F000h
R5904
(1710h)
GPIO9_CTRL_1
GP9_LVL GP9_OP_
CFG
GP9_DB GP9_POL 0 0 GP9_FN [9:0]
2001h
R5905
(1711h)
GPIO9_CTRL_2
GP9_DIR GP9_PU GP9_PD GP9_
DRV_STR
000000000000
F000h
R5906
(1712h)
GPIO10_CTRL_1
GP10_LVL GP10_
OP_CFG
GP10_DB GP10_
POL
0 0 GP10_FN [9:0]
2001h
R5907
(1713h)
GPIO10_CTRL_2
GP10_DIR GP10_PU GP10_PD GP10_
DRV_STR
000000000000
F000h
R5908
(1714h)
GPIO11_CTRL_1
GP11_LVL GP11_OP_
CFG
GP11_DB GP11_POL 0 0 GP11_FN [9:0]
2001h
R5909
(1715h)
GPIO11_CTRL_2
GP11_DIR GP11_PU GP11_PD GP11_
DRV_STR
000000000000
F000h
R5910
(1716h)
GPIO12_CTRL_1
GP12_LVL GP12_
OP_CFG
GP12_DB GP12_
POL
0 0 GP12_FN [9:0]
2001h
R5911
(1717h)
GPIO12_CTRL_2
GP12_DIR GP12_PU GP12_PD GP12_
DRV_STR
000000000000
F000h
R5912
(1718h)
GPIO13_CTRL_1
GP13_LVL GP13_
OP_CFG
GP13_DB GP13_
POL
0 0 GP13_FN [9:0]
2001h
R5913
(1719h)
GPIO13_CTRL_2
GP13_DIR GP13_PU GP13_PD GP13_
DRV_STR
000000000000
F000h
R5914
(171Ah)
GPIO14_CTRL_1
GP14_LVL GP14_
OP_CFG
GP14_DB GP14_
POL
0 0 GP14_FN [9:0]
2001h
R5915
(171Bh)
GPIO14_CTRL_2
GP14_DIR GP14_PU GP14_PD GP14_
DRV_STR
000000000000
F000h
R5916
(171Ch)
GPIO15_CTRL_1
GP15_LVL GP15_
OP_CFG
GP15_DB GP15_
POL
0 0 GP15_FN [9:0]
2001h
R5917
(171Dh)
GPIO15_CTRL_2
GP15_DIR GP15_PU GP15_PD GP15_
DRV_STR
000000000000
F000h
R5918
(171Eh)
GPIO16_CTRL_1
GP16_LVL GP16_
OP_CFG
GP16_DB GP16_
POL
0 0 GP16_FN [9:0]
2001h
R5919
(171Fh)
GPIO16_CTRL_2
GP16_DIR GP16_PU GP16_PD GP16_
DRV_STR
000000000000
F000h
R6144
(1800h)
IRQ1_Status_1
000CTRLIF_
ERR_
EINT1
0 0 SYSCLK_
FAIL_
EINT1
0 BOOT_
DONE_
EINT1
0000000
0000h
R6145
(1801h)
IRQ1_Status_2
00CLK_
ASYNC_
ERR_
EINT1
CLK_SYS_
ERR_
EINT1
0 0 FLL2_
LOCK_
EINT1
FLL1_
LOCK_
EINT1
0 FLL2_
REF_
LOST_
EINT1
FLL1_
REF_
LOST_
EINT1
00000
0000h
R6149
(1805h)
IRQ1_Status_6
000000MICDET2_
EINT1
MICDET1_
EINT1
0000000HPDET_
EINT1
0000h
R6150
(1806h)
IRQ1_Status_7
0000MICD_
CLAMP2_
FALL_
EINT1
MICD_
CLAMP2_
RISE_
EINT1
JD3_
FALL_
EINT1
JD3_
RISE_
EINT1
00MICD_
CLAMP1_
FALL_
EINT1
MICD_
CLAMP1_
RISE_
EINT1
JD2_
FALL_
EINT1
JD2_
RISE_
EINT1
JD1_
FALL_
EINT1
JD1_
RISE_
EINT1
0000h
Table 6-1. Register Map Definition—16-bit region (Cont.)
Register
Name
15 14 13 12 11 10 9 8 7 6 5 4 3 2 1 0
Default
_‘ __— __— _— _— CIRRUS LOGIC” HPAL sc HPSL sc HPZL so «m so M aom w mum
DS1162F1 307
CS42L92
6 Register Map
R6152
(1808h)
IRQ1_Status_9
000000ASRC1_
IN2_
LOCK_
EINT1
ASRC1_
IN1_
LOCK_
EINT1
00000INPUTS_
SIG_DET_
EINT1
DRC2_
SIG_DET_
EINT1
DRC1_
SIG_DET_
EINT1
0000h
R6154
(180Ah)
IRQ1_Status_11
DSP_
IRQ16_
EINT1
DSP_
IRQ15_
EINT1
DSP_
IRQ14_
EINT1
DSP_
IRQ13_
EINT1
DSP_
IRQ12_
EINT1
DSP_
IRQ11_
EINT1
DSP_
IRQ10_
EINT1
DSP_
IRQ9_
EINT1
DSP_
IRQ8_
EINT1
DSP_
IRQ7_
EINT1
DSP_
IRQ6_
EINT1
DSP_
IRQ5_
EINT1
DSP_
IRQ4_
EINT1
DSP_
IRQ3_
EINT1
DSP_
IRQ2_
EINT1
DSP_
IRQ1_
EINT1
0000h
R6155
(180Bh)
IRQ1_Status_12
000000HP4R_
SC_EINT1
HP4L_SC_
EINT1
00HP3R_
SC_EINT1
HP3L_SC_
EINT1
HP2R_
SC_EINT1
HP2L_SC_
EINT1
HP1R_
SC_EINT1
HP1L_SC_
EINT1
0000h
R6156
(180Ch)
IRQ1_Status_13
0000000000HP3R_
ENABLE_
DONE_
EINT1
HP3L_
ENABLE_
DONE_
EINT1
HP2R_
ENABLE_
DONE_
EINT1
HP2L_
ENABLE_
DONE_
EINT1
HP1R_
ENABLE_
DONE_
EINT1
HP1L_
ENABLE_
DONE_
EINT1
0000h
R6157
(180Dh)
IRQ1_Status_14
0000000000HP3R_
DISABLE_
DONE_
EINT1
HP3L_
DISABLE_
DONE_
EINT1
HP2R_
DISABLE_
DONE_
EINT1
HP2L_
DISABLE_
DONE_
EINT1
HP1R_
DISABLE_
DONE_
EINT1
HP1L_
DISABLE_
DONE_
EINT1
0000h
R6158
(180Eh)
IRQ1_Status_15
000DFC_
SATURAT
E_EINT1
000000000000
0000h
R6160
(1810h)
IRQ1_Status_17
GP16_
EINT1
GP15_
EINT1
GP14_
EINT1
GP13_
EINT1
GP12_
EINT1
GP11_
EINT1
GP10_
EINT1
GP9_
EINT1
GP8_
EINT1
GP7_
EINT1
GP6_
EINT1
GP5_
EINT1
GP4_
EINT1
GP3_
EINT1
GP2_
EINT1
GP1_
EINT1
0000h
R6164
(1814h)
IRQ1_Status_21
000000000000000TIMER1_
EINT1
0000h
R6165
(1815h)
IRQ1_Status_22
000000000000000EVENT1_
NOT_
EMPTY_
EINT1
0000h
R6166
(1816h)
IRQ1_Status_23
000000000000000EVENT1_
FULL_
EINT1
0000h
R6167
(1817h)
IRQ1_Status_24
000000000000000EVENT1_
WMARK_
EINT1
0000h
R6168
(1818h)
IRQ1_Status_25
000000000000000DSP1_
DMA_
EINT1
0000h
R6170
(181Ah)
IRQ1_Status_27
000000000000000DSP1_
START1_
EINT1
0000h
R6171
(181Bh)
IRQ1_Status_28
000000000000000DSP1_
START2_
EINT1
0000h
R6173
(181Dh)
IRQ1_Status_30
000000000000000DSP1_
BUSY_
EINT1
0000h
R6176
(1820h)
IRQ1_Status_33
000000000000000DSP1_
BUS_
ERR_
EINT1
0000h
R6179
(1823h)
IRQ1_Status_36
000000000000TIMER_
ALM1_
CH4_
EINT1
TIMER_
ALM1_
CH3_
EINT1
TIMER_
ALM1_
CH2_
EINT1
TIMER_
ALM1_
CH1_
EINT1
0000h
R6183
(1827h)
IRQ1_Status_40
000000FLL2_
SYNC_
ACTIVE_
EINT1
FLL1_
SYNC_
ACTIVE_
EINT1
00000000
0000h
R6208
(1840h)
IRQ1_Mask_1
000IM_
CTRLIF_
ERR_
EINT1
00IM_
SYSCLK_
FAIL_
EINT1
0 IM_BOOT_
DONE_
EINT1
0000000
1200h
R6209
(1841h)
IRQ1_Mask_2
0 1 IM_CLK_
ASYNC_
ERR_
EINT1
IM_CLK_
SYS_
ERR_
EINT1
0 0 IM_FLL2_
LOCK_
EINT1
IM_FLL1_
LOCK_
EINT1
0IM_FLL2_
REF_
LOST_
EINT1
IM_FLL1_
REF_
LOST_
EINT1
00000
77E0h
R6213
(1845h)
IRQ1_Mask_6
000000IM_
MICDET2_
EINT1
IM_
MICDET1_
EINT1
0000000IM_
HPDET_
EINT1
0301h
R6214
(1846h)
IRQ1_Mask_7
0 0 0 0 IM_MICD_
CLAMP2_
FALL_
EINT1
IM_MICD_
CLAMP2_
RISE_
EINT1
IM_JD3_
FALL_
EINT1
IM_JD3_
RISE_
EINT1
00IM_MICD_
CLAMP1_
FALL_
EINT1
IM_MICD_
CLAMP1_
RISE_
EINT1
IM_JD2_
FALL_
EINT1
IM_JD2_
RISE_
EINT1
IM_JD1_
FALL_
EINT1
IM_JD1_
RISE_
EINT1
0F3Fh
R6216
(1848h)
IRQ1_Mask_9
000000IM_
ASRC1_
IN2_
LOCK_
EINT1
IM_
ASRC1_
IN1_
LOCK_
EINT1
00011IM_
INPUTS_
SIG_DET_
EINT1
IM_DRC2_
SIG_DET_
EINT1
IM_DRC1_
SIG_DET_
EINT1
031Fh
R6218
(184Ah)
IRQ1_Mask_11
IM_DSP_
IRQ16_
EINT1
IM_DSP_
IRQ15_
EINT1
IM_DSP_
IRQ14_
EINT1
IM_DSP_
IRQ13_
EINT1
IM_DSP_
IRQ12_
EINT1
IM_DSP_
IRQ11_
EINT1
IM_DSP_
IRQ10_
EINT1
IM_DSP_
IRQ9_
EINT1
IM_DSP_
IRQ8_
EINT1
IM_DSP_
IRQ7_
EINT1
IM_DSP_
IRQ6_
EINT1
IM_DSP_
IRQ5_
EINT1
IM_DSP_
IRQ4_
EINT1
IM_DSP_
IRQ3_
EINT1
IM_DSP_
IRQ2_
EINT1
IM_DSP_
IRQ1_
EINT1
FFFFh
R6219
(184Bh)
IRQ1_Mask_12
000000IM_HP4R_
SC_EINT1
IM_HP4L_
SC_EINT1
00IM_HP3R_
SC_EINT1
IM_HP3L_
SC_EINT1
IM_HP2R_
SC_EINT1
IM_HP2L_
SC_EINT1
IM_HP1R_
SC_EINT1
IM_HP1L_
SC_EINT1
033Fh
R6220
(184Ch)
IRQ1_Mask_13
0000000000IM_HP3R_
ENABLE_
DONE_
EINT1
IM_HP3L_
ENABLE_
DONE_
EINT1
IM_HP2R_
ENABLE_
DONE_
EINT1
IM_HP2L_
ENABLE_
DONE_
EINT1
IM_HP1R_
ENABLE_
DONE_
EINT1
IM_HP1L_
ENABLE_
DONE_
EINT1
003Fh
R6221
(184Dh)
IRQ1_Mask_14
0000000000IM_HP3R_
DISABLE_
DONE_
EINT1
IM_HP3L_
DISABLE_
DONE_
EINT1
IM_HP2R_
DISABLE_
DONE_
EINT1
IM_HP2L_
DISABLE_
DONE_
EINT1
IM_HP1R_
DISABLE_
DONE_
EINT1
IM_HP1L_
DISABLE_
DONE_
EINT1
003Fh
R6222
(184Eh)
IRQ1_Mask_15
000IM_DFC_
SATURAT
E_EINT1
000000000000
1000h
Table 6-1. Register Map Definition—16-bit region (Cont.)
Register
Name
15 14 13 12 11 10 9 8 7 6 5 4 3 2 1 0
Default
_‘ __— __— _— _— CIRRUS LOGIC” m svs HPAL sc HPSL sc HPZL so «m so pg 515‘ vs 5w P7 Sm p5 Sm F5 515‘ m Sm 93 Sm pg 515‘ m 5m mm mm mm mm Mm mm mm NW N Sm H3 sm «2 515‘ m 5m
308 DS1162F1
CS42L92
6 Register Map
R6224
(1850h)
IRQ1_Mask_17
IM_GP16_
EINT1
IM_GP15_
EINT1
IM_GP14_
EINT1
IM_GP13_
EINT1
IM_GP12_
EINT1
IM_GP11_
EINT1
IM_GP10_
EINT1
IM_GP9_
EINT1
IM_GP8_
EINT1
IM_GP7_
EINT1
IM_GP6_
EINT1
IM_GP5_
EINT1
IM_GP4_
EINT1
IM_GP3_
EINT1
IM_GP2_
EINT1
IM_GP1_
EINT1
FFFFh
R6228
(1854h)
IRQ1_Mask_21
000000000000000IM_
TIMER1_
EINT1
0001h
R6229
(1855h)
IRQ1_Mask_22
000000000000000IM_
EVENT1_
NOT_
EMPTY_
EINT1
0001h
R6230
(1856h)
IRQ1_Mask_23
000000000000000IM_
EVENT1_
FULL_
EINT1
0001h
R6231
(1857h)
IRQ1_Mask_24
000000000000000IM_
EVENT1_
WMARK_
EINT1
0001h
R6232
(1858h)
IRQ1_Mask_25
000000000000000IM_DSP1_
DMA_
EINT1
0001h
R6234
(185Ah)
IRQ1_Mask_27
000000000000000IM_DSP1_
START1_
EINT1
0001h
R6235
(185Bh)
IRQ1_Mask_28
000000000000000IM_DSP1_
START2_
EINT1
0001h
R6237
(185Dh)
IRQ1_Mask_30
000000000000000IM_DSP1_
BUSY_
EINT1
0001h
R6240
(1860h)
IRQ1_Mask_33
000000000000000IM_DSP1_
BUS_
ERR_
EINT1
0001h
R6243
(1863h)
IRQ1_Mask_36
000000000000IM_
TIMER_
ALM1_
CH4_
EINT1
IM_
TIMER_
ALM1_
CH3_
EINT1
IM_
TIMER_
ALM1_
CH2_
EINT1
IM_
TIMER_
ALM1_
CH1_
EINT1
000Fh
R6247
(1867h)
IRQ1_Mask_40
000000IM_FLL2_
SYNC_
ACTIVE_
EINT1
IM_FLL1_
SYNC_
ACTIVE_
EINT1
00000000
0300h
R6272
(1880h)
IRQ1_Raw_Status_1
000CTRLIF_
ERR_
STS1
0000BOOT_
DONE_
STS1
0000000
0000h
R6273
(1881h)
IRQ1_Raw_Status_2
00CLK_
ASYNC_
ERR_
STS1
CLK_SYS_
ERR_
STS1
0 0 FLL2_
LOCK_
STS1
FLL1_
LOCK_
STS1
0 FLL2_
REF_
LOST_
STS1
FLL1_
REF_
LOST_
STS1
00000
0000h
R6278
(1886h)
IRQ1_Raw_Status_7
0000000JD3_STS1000MICD_
CLAMP_
STS1
0JD2_STS10JD1_STS1
0000h
R6280
(1888h)
IRQ1_Raw_Status_9
000000ASRC1_
IN2_
LOCK_
STS1
ASRC1_
IN1_
LOCK_
STS1
00000INPUTS_
SIG_DET_
STS1
DRC2_
SIG_DET_
STS1
DRC1_
SIG_DET_
STS1
0000h
R6283
(188Bh)
IRQ1_Raw_Status_12
000000HP4R_
SC_STS1
HP4L_SC_
STS1
00HP3R_
SC_STS1
HP3L_SC_
STS1
HP2R_
SC_STS1
HP2L_SC_
STS1
HP1R_
SC_STS1
HP1L_SC_
STS1
0000h
R6284
(188Ch)
IRQ1_Raw_Status_13
0000000000HP3R_
ENABLE_
DONE_
STS1
HP3L_
ENABLE_
DONE_
STS1
HP2R_
ENABLE_
DONE_
STS1
HP2L_
ENABLE_
DONE_
STS1
HP1R_
ENABLE_
DONE_
STS1
HP1L_
ENABLE_
DONE_
STS1
0000h
R6285
(188Dh)
IRQ1_Raw_Status_14
0000000000HP3R_
DISABLE_
DONE_
STS1
HP3L_
DISABLE_
DONE_
STS1
HP2R_
DISABLE_
DONE_
STS1
HP2L_
DISABLE_
DONE_
STS1
HP1R_
DISABLE_
DONE_
STS1
HP1L_
DISABLE_
DONE_
STS1
0000h
R6288
(1890h)
IRQ1_Raw_Status_17
GP16_
STS1
GP15_
STS1
GP14_
STS1
GP13_
STS1
GP12_
STS1
GP11_
STS1
GP10_
STS1
GP9_STS1GP8_STS1GP7_STS1GP6_STS1GP5_STS1GP4_STS1GP3_STS1GP2_STS1GP1_STS1
0000h
R6292
(1894h)
IRQ1_Raw_Status_21
000000000000000TIMER1_
STS1
0000h
R6293
(1895h)
IRQ1_Raw_Status_22
000000000000000EVENT1_
NOT_
EMPTY_
STS1
0000h
R6294
(1896h)
IRQ1_Raw_Status_23
000000000000000EVENT1_
FULL_
STS1
0000h
R6295
(1897h)
IRQ1_Raw_Status_24
000000000000000EVENT1_
WMARK_
STS1
0000h
R6296
(1898h)
IRQ1_Raw_Status_25
000000000000000DSP1_
DMA_
STS1
0000h
R6301
(189Dh)
IRQ1_Raw_Status_30
000000000000000DSP1_
BUSY_
STS1
0000h
R6304
(18A0h)
IRQ1_Raw_Status_33
000000000000000DSP1_
BUS_
ERR_
STS1
0000h
R6307
(18A3h)
IRQ1_Raw_Status_36
000000000000TIMER_
ALM1_
CH4_STS1
TIMER_
ALM1_
CH3_STS1
TIMER_
ALM1_
CH2_STS1
TIMER_
ALM1_
CH1_STS1
0000h
Table 6-1. Register Map Definition—16-bit region (Cont.)
Register
Name
15 14 13 12 11 10 9 8 7 6 5 4 3 2 1 0
Default
_‘ __— __— _— _— CIRRUS LOGIC” xx svs mum HPAL sc HPSL sc HPZL so «m so M aom w mum
DS1162F1 309
CS42L92
6 Register Map
R6311
(18A7h)
IRQ1_Raw_Status_40
000000FLL2_
SYNC_
ACTIVE_
STS1
FLL1_
SYNC_
ACTIVE_
STS1
00000000
0000h
R6400
(1900h)
IRQ2_Status_1
000CTRLIF_
ERR_
EINT2
0 0 SYSCLK_
FAIL_
EINT2
0 BOOT_
DONE_
EINT2
0000000
0000h
R6401
(1901h)
IRQ2_Status_2
00CLK_
ASYNC_
ERR_
EINT2
CLK_SYS_
ERR_
EINT2
0 0 FLL2_
LOCK_
EINT2
FLL1_
LOCK_
EINT2
0 FLL2_
REF_
LOST_
EINT2
FLL1_
REF_
LOST_
EINT2
00000
0000h
R6405
(1905h)
IRQ2_Status_6
000000MICDET2_
EINT2
MICDET1_
EINT2
0000000HPDET_
EINT2
0000h
R6406
(1906h)
IRQ2_Status_7
000000JD3_
FALL_
EINT2
JD3_
RISE_
EINT2
00MICD_
CLAMP_
FALL_
EINT2
MICD_
CLAMP_
RISE_
EINT2
JD2_
FALL_
EINT2
JD2_
RISE_
EINT2
JD1_
FALL_
EINT2
JD1_
RISE_
EINT2
0000h
R6408
(1908h)
IRQ2_Status_9
000000ASRC1_
IN2_
LOCK_
EINT2
ASRC1_
IN1_
LOCK_
EINT2
00000INPUTS_
SIG_DET_
EINT2
DRC2_
SIG_DET_
EINT2
DRC1_
SIG_DET_
EINT2
0000h
R6410
(190Ah)
IRQ2_Status_11
DSP_
IRQ16_
EINT2
DSP_
IRQ15_
EINT2
DSP_
IRQ14_
EINT2
DSP_
IRQ13_
EINT2
DSP_
IRQ12_
EINT2
DSP_
IRQ11_
EINT2
DSP_
IRQ10_
EINT2
DSP_
IRQ9_
EINT2
DSP_
IRQ8_
EINT2
DSP_
IRQ7_
EINT2
DSP_
IRQ6_
EINT2
DSP_
IRQ5_
EINT2
DSP_
IRQ4_
EINT2
DSP_
IRQ3_
EINT2
DSP_
IRQ2_
EINT2
DSP_
IRQ1_
EINT2
0000h
R6411
(190Bh)
IRQ2_Status_12
000000HP4R_
SC_EINT2
HP4L_SC_
EINT2
00HP3R_
SC_EINT2
HP3L_SC_
EINT2
HP2R_
SC_EINT2
HP2L_SC_
EINT2
HP1R_
SC_EINT2
HP1L_SC_
EINT2
0000h
R6412
(190Ch)
IRQ2_Status_13
0000000000HP3R_
ENABLE_
DONE_
EINT2
HP3L_
ENABLE_
DONE_
EINT2
HP2R_
ENABLE_
DONE_
EINT2
HP2L_
ENABLE_
DONE_
EINT2
HP1R_
ENABLE_
DONE_
EINT2
HP1L_
ENABLE_
DONE_
EINT2
0000h
R6413
(190Dh)
IRQ2_Status_14
0000000000HP3R_
DISABLE_
DONE_
EINT2
HP3L_
DISABLE_
DONE_
EINT2
HP2R_
DISABLE_
DONE_
EINT2
HP2L_
DISABLE_
DONE_
EINT2
HP1R_
DISABLE_
DONE_
EINT2
HP1L_
DISABLE_
DONE_
EINT2
0000h
R6414
(190Eh)
IRQ2_Status_15
000DFC_
SATURAT
E_EINT2
000000000000
0000h
R6416
(1910h)
IRQ2_Status_17
GP16_
EINT2
GP15_
EINT2
GP14_
EINT2
GP13_
EINT2
GP12_
EINT2
GP11_
EINT2
GP10_
EINT2
GP9_
EINT2
GP8_
EINT2
GP7_
EINT2
GP6_
EINT2
GP5_
EINT2
GP4_
EINT2
GP3_
EINT2
GP2_
EINT2
GP1_
EINT2
0000h
R6420
(1914h)
IRQ2_Status_21
000000000000000TIMER1_
EINT2
0000h
R6421
(1915h)
IRQ2_Status_22
000000000000000EVENT1_
NOT_
EMPTY_
EINT2
0000h
R6422
(1916h)
IRQ2_Status_23
000000000000000EVENT1_
FULL_
EINT2
0000h
R6423
(1917h)
IRQ2_Status_24
000000000000000EVENT1_
WMARK_
EINT2
0000h
R6424
(1918h)
IRQ2_Status_25
000000000000000DSP1_
DMA_
EINT2
0000h
R6426
(191Ah)
IRQ2_Status_27
000000000000000DSP1_
START1_
EINT2
0000h
R6427
(191Bh)
IRQ2_Status_28
000000000000000DSP1_
START2_
EINT2
0000h
R6429
(191Dh)
IRQ2_Status_30
000000000000000DSP1_
BUSY_
EINT2
0000h
R6432
(1920h)
IRQ2_Status_33
000000000000000DSP1_
BUS_
ERR_
EINT2
0000h
R6435
(1923h)
IRQ2_Status_36
000000000000TIMER_
ALM1_
CH4_
EINT2
TIMER_
ALM1_
CH3_
EINT2
TIMER_
ALM1_
CH2_
EINT2
TIMER_
ALM1_
CH1_
EINT2
0000h
R6439
(1927h)
IRQ2_Status_40
000000FLL2_
SYNC_
ACTIVE_
EINT2
FLL1_
SYNC_
ACTIVE_
EINT2
00000000
0000h
R6464
(1940h)
IRQ2_Mask_1
000IM_
CTRLIF_
ERR_
EINT2
00IM_
SYSCLK_
FAIL_
EINT2
0 IM_BOOT_
DONE_
EINT2
0000000
1280h
R6465
(1941h)
IRQ2_Mask_2
0 1 IM_CLK_
ASYNC_
ERR_
EINT2
IM_CLK_
SYS_
ERR_
EINT2
0 0 IM_FLL2_
LOCK_
EINT2
IM_FLL1_
LOCK_
EINT2
0IM_FLL2_
REF_
LOST_
EINT2
IM_FLL1_
REF_
LOST_
EINT2
00000
77E0h
R6469
(1945h)
IRQ2_Mask_6
000000IM_
MICDET2_
EINT2
IM_
MICDET1_
EINT2
0000000IM_
HPDET_
EINT2
0301h
R6470
(1946h)
IRQ2_Mask_7
000000IM_JD3_
FALL_
EINT2
IM_JD3_
RISE_
EINT2
00IM_MICD_
CLAMP_
FALL_
EINT2
IM_MICD_
CLAMP_
RISE_
EINT2
IM_JD2_
FALL_
EINT2
IM_JD2_
RISE_
EINT2
IM_JD1_
FALL_
EINT2
IM_JD1_
RISE_
EINT2
033Fh
Table 6-1. Register Map Definition—16-bit region (Cont.)
Register
Name
15 14 13 12 11 10 9 8 7 6 5 4 3 2 1 0
Default
_‘ __— __— _— _— CIRRUS LOGIC” m svs HPAL sc HPSL sc HPZL so «m so pg 515 vs srs P7 srsz p5 srs p5 sr m svsz 93 515 p2 sr m svsz
310 DS1162F1
CS42L92
6 Register Map
R6472
(1948h)
IRQ2_Mask_9
000000IM_
ASRC1_
IN2_
LOCK_
EINT2
IM_
ASRC1_
IN1_
LOCK_
EINT2
00011IM_
INPUTS_
SIG_DET_
EINT2
IM_DRC2_
SIG_DET_
EINT2
IM_DRC1_
SIG_DET_
EINT2
031Fh
R6474
(194Ah)
IRQ2_Mask_11
IM_DSP_
IRQ16_
EINT2
IM_DSP_
IRQ15_
EINT2
IM_DSP_
IRQ14_
EINT2
IM_DSP_
IRQ13_
EINT2
IM_DSP_
IRQ12_
EINT2
IM_DSP_
IRQ11_
EINT2
IM_DSP_
IRQ10_
EINT2
IM_DSP_
IRQ9_
EINT2
IM_DSP_
IRQ8_
EINT2
IM_DSP_
IRQ7_
EINT2
IM_DSP_
IRQ6_
EINT2
IM_DSP_
IRQ5_
EINT2
IM_DSP_
IRQ4_
EINT2
IM_DSP_
IRQ3_
EINT2
IM_DSP_
IRQ2_
EINT2
IM_DSP_
IRQ1_
EINT2
FFFFh
R6475
(194Bh)
IRQ2_Mask_12
000000IM_HP4R_
SC_EINT2
IM_HP4L_
SC_EINT2
00IM_HP3R_
SC_EINT2
IM_HP3L_
SC_EINT2
IM_HP2R_
SC_EINT2
IM_HP2L_
SC_EINT2
IM_HP1R_
SC_EINT2
IM_HP1L_
SC_EINT2
033Fh
R6476
(194Ch)
IRQ2_Mask_13
0000000000IM_HP3R_
ENABLE_
DONE_
EINT2
IM_HP3L_
ENABLE_
DONE_
EINT2
IM_HP2R_
ENABLE_
DONE_
EINT2
IM_HP2L_
ENABLE_
DONE_
EINT2
IM_HP1R_
ENABLE_
DONE_
EINT2
IM_HP1L_
ENABLE_
DONE_
EINT2
003Fh
R6477
(194Dh)
IRQ2_Mask_14
0000000000IM_HP3R_
DISABLE_
DONE_
EINT2
IM_HP3L_
DISABLE_
DONE_
EINT2
IM_HP2R_
DISABLE_
DONE_
EINT2
IM_HP2L_
DISABLE_
DONE_
EINT2
IM_HP1R_
DISABLE_
DONE_
EINT2
IM_HP1L_
DISABLE_
DONE_
EINT2
003Fh
R6478
(194Eh)
IRQ2_Mask_15
000IM_DFC_
SATURAT
E_EINT2
000000000000
1000h
R6480
(1950h)
IRQ2_Mask_17
IM_GP16_
EINT2
IM_GP15_
EINT2
IM_GP14_
EINT2
IM_GP13_
EINT2
IM_GP12_
EINT2
IM_GP11_
EINT2
IM_GP10_
EINT2
IM_GP9_
EINT2
IM_GP8_
EINT2
IM_GP7_
EINT2
IM_GP6_
EINT2
IM_GP5_
EINT2
IM_GP4_
EINT2
IM_GP3_
EINT2
IM_GP2_
EINT2
IM_GP1_
EINT2
FFFFh
R6484
(1954h)
IRQ2_Mask_21
000000000000000IM_
TIMER1_
EINT2
0001h
R6485
(1955h)
IRQ2_Mask_22
000000000000000IM_
EVENT1_
NOT_
EMPTY_
EINT2
0001h
R6486
(1956h)
IRQ2_Mask_23
000000000000000IM_
EVENT1_
FULL_
EINT2
0001h
R6487
(1957h)
IRQ2_Mask_24
000000000000000IM_
EVENT1_
WMARK_
EINT2
0001h
R6488
(1958h)
IRQ2_Mask_25
000000000000000IM_DSP1_
DMA_
EINT2
0001h
R6490
(195Ah)
IRQ2_Mask_27
000000000000000IM_DSP1_
START1_
EINT2
0001h
R6491
(195Bh)
IRQ2_Mask_28
000000000000000IM_DSP1_
START2_
EINT2
0001h
R6493
(195Dh)
IRQ2_Mask_30
000000000000000IM_DSP1_
BUSY_
EINT2
0001h
R6496
(1960h)
IRQ2_Mask_33
000000000000000IM_DSP1_
BUS_
ERR_
EINT2
0001h
R6499
(1963h)
IRQ2_Mask_36
000000000000IM_
TIMER_
ALM1_
CH4_
EINT2
IM_
TIMER_
ALM1_
CH3_
EINT2
IM_
TIMER_
ALM1_
CH2_
EINT2
IM_
TIMER_
ALM1_
CH1_
EINT2
000Fh
R6503
(1967h)
IRQ2_Mask_40
000000IM_FLL2_
SYNC_
ACTIVE_
EINT2
IM_FLL1_
SYNC_
ACTIVE_
EINT2
00000000
0300h
R6528
(1980h)
IRQ2_Raw_Status_1
000CTRLIF_
ERR_
STS2
0000BOOT_
DONE_
STS2
0000000
0000h
R6529
(1981h)
IRQ2_Raw_Status_2
00CLK_
ASYNC_
ERR_
STS2
CLK_SYS_
ERR_
STS2
0 0 FLL2_
LOCK_
STS2
FLL1_
LOCK_
STS2
0 FLL2_
REF_
LOST_
STS2
FLL1_
REF_
LOST_
STS2
00000
0000h
R6534
(1986h)
IRQ2_Raw_Status_7
0000000JD3_STS2000MICD_
CLAMP_
STS2
0JD2_STS20JD1_STS2
0000h
R6536
(1988h)
IRQ2_Raw_Status_9
000000ASRC1_
IN2_
LOCK_
STS2
ASRC1_
IN1_
LOCK_
STS2
00000INPUTS_
SIG_DET_
STS2
DRC2_
SIG_DET_
STS2
DRC1_
SIG_DET_
STS2
0000h
R6539
(198Bh)
IRQ2_Raw_Status_12
000000HP4R_
SC_STS2
HP4L_SC_
STS2
00HP3R_
SC_STS2
HP3L_SC_
STS2
HP2R_
SC_STS2
HP2L_SC_
STS2
HP1R_
SC_STS2
HP1L_SC_
STS2
0000h
R6540
(198Ch)
IRQ2_Raw_Status_13
0000000000HP3R_
ENABLE_
DONE_
STS2
HP3L_
ENABLE_
DONE_
STS2
HP2R_
ENABLE_
DONE_
STS2
HP2L_
ENABLE_
DONE_
STS2
HP1R_
ENABLE_
DONE_
STS2
HP1L_
ENABLE_
DONE_
STS2
0000h
R6541
(198Dh)
IRQ2_Raw_Status_14
0000000000HP3R_
DISABLE_
DONE_
STS2
HP3L_
DISABLE_
DONE_
STS2
HP2R_
DISABLE_
DONE_
STS2
HP2L_
DISABLE_
DONE_
STS2
HP1R_
DISABLE_
DONE_
STS2
HP1L_
DISABLE_
DONE_
STS2
0000h
R6544
(1990h)
IRQ2_Raw_Status_17
GP16_
STS2
GP15_
STS2
GP14_
STS2
GP13_
STS2
GP12_
STS2
GP11_
STS2
GP10_
STS2
GP9_STS2GP8_STS2GP7_STS2GP6_STS2GP5_STS2GP4_STS2GP3_STS2GP2_STS2GP1_STS2
0000h
R6548
(1994h)
IRQ2_Raw_Status_21
000000000000000TIMER1_
STS2
0000h
Table 6-1. Register Map Definition—16-bit region (Cont.)
Register
Name
15 14 13 12 11 10 9 8 7 6 5 4 3 2 1 0
Default
_‘ __— __— _— _— CIRRUS LOGIC” mm mm Mm mm m svsz H3 515 mm mm mm MW «2 sr m svsz
DS1162F1 311
CS42L92
6 Register Map
The 32-bit register space is described in Table 6-2.
R6549
(1995h)
IRQ2_Raw_Status_22
000000000000000EVENT1_
NOT_
EMPTY_
STS2
0000h
R6550
(1996h)
IRQ2_Raw_Status_23
000000000000000EVENT1_
FULL_
STS2
0000h
R6551
(1997h)
IRQ2_Raw_Status_24
000000000000000EVENT1_
WMARK_
STS2
0000h
R6552
(1998h)
IRQ2_Raw_Status_25
000000000000000DSP1_
DMA_
STS2
0000h
R6557
(199Dh)
IRQ2_Raw_Status_30
000000000000000DSP1_
BUSY_
STS2
0000h
R6560
(19A0h)
IRQ2_Raw_Status_33
000000000000000DSP1_
BUS_
ERR_
STS2
0000h
R6563
(19A3h)
IRQ2_Raw_Status_36
000000000000TIMER_
ALM1_
CH4_STS2
TIMER_
ALM1_
CH3_STS2
TIMER_
ALM1_
CH2_STS2
TIMER_
ALM1_
CH1_STS2
0000h
R6567
(19A7h)
IRQ2_Raw_Status_40
000000FLL2_
SYNC_
ACTIVE_
STS2
FLL1_
SYNC_
ACTIVE_
STS2
00000000
0000h
R6662
(1A06h)
Interrupt_Debounce_7
0000000JD3_DB000MICD_
CLAMP_
DB
0 JD2_DB 0 JD1_DB
0000h
R6784
(1A80h)
IRQ1_CTRL
0 1 0 0 IM_IRQ1 IRQ_POL IRQ_OP_
CFG
000000000
4400h
R6786
(1A82h)
IRQ2_CTRL
0000IM_IRQ200000000000
0000h
R6816
(1AA0h)
Interrupt_Raw_Status_1
00000000000000IRQ2_STSIRQ1_STS
0000h
R6848
(1AC0h)
GPIO_Debounce_Config
000000000000 GP_DBTIME [3:0]
0000h
R6864
(1AD0h)
AOD_Pad_Ctrl
01000000000000RESET_
PU
RESET_
PD
4002h
Table 6-2. Register Map Definition—32-bit region
Register Name 31
15
30
14
29
13
28
12
27
11
26
10
25
9
24
8
23
7
22
6
21
5
20
4
19
3
18
2
17
1
16
0 Default
R12288
(3000h)
WSEQ_Sequence_1
WSEQ_DATA_WIDTH0 [2:0] WSEQ_ADDR0 [12:0]
0000F000h
WSEQ_DELAY0 [3:0] WSEQ_DATA_START0 [3:0] WSEQ_DATA0 [7:0]
R12290
(3002h)
WSEQ_Sequence_2
WSEQ_DATA_WIDTH1 [2:0] WSEQ_ADDR1 [12:0]
0000F000h
WSEQ_DELAY1 [3:0] WSEQ_DATA_START1 [3:0] WSEQ_DATA1 [7:0]
R12292
(3004h)
WSEQ_Sequence_3
WSEQ_DATA_WIDTH2 [2:0] WSEQ_ADDR2 [12:0]
0000F000h
WSEQ_DELAY2 [3:0] WSEQ_DATA_START2 [3:0] WSEQ_DATA2 [7:0]
R12294
(3006h)
WSEQ_Sequence_4
WSEQ_DATA_WIDTH3 [2:0] WSEQ_ADDR3 [12:0]
0000F000h
WSEQ_DELAY3 [3:0] WSEQ_DATA_START3 [3:0] WSEQ_DATA3 [7:0]
R12296
(3008h)
WSEQ_Sequence_5
WSEQ_DATA_WIDTH4 [2:0] WSEQ_ADDR4 [12:0]
82253719h
WSEQ_DELAY4 [3:0] WSEQ_DATA_START4 [3:0] WSEQ_DATA4 [7:0]
R12298
(300Ah)
WSEQ_Sequence_6
WSEQ_DATA_WIDTH5 [2:0] WSEQ_ADDR5 [12:0]
C2300001h
WSEQ_DELAY5 [3:0] WSEQ_DATA_START5 [3:0] WSEQ_DATA5 [7:0]
R12300
(300Ch)
WSEQ_Sequence_7
WSEQ_DATA_WIDTH6 [2:0] WSEQ_ADDR6 [12:0]
02251301h
WSEQ_DELAY6 [3:0] WSEQ_DATA_START6 [3:0] WSEQ_DATA6 [7:0]
R12302
(300Eh)
WSEQ_Sequence_8
WSEQ_DATA_WIDTH7 [2:0] WSEQ_ADDR7 [12:0]
8225191Fh
WSEQ_DELAY7 [3:0] WSEQ_DATA_START7 [3:0] WSEQ_DATA7 [7:0]
R12304
(3010h)
WSEQ_Sequence_9
WSEQ_DATA_WIDTH8 [2:0] WSEQ_ADDR8 [12:0]
82310B00h
WSEQ_DELAY8 [3:0] WSEQ_DATA_START8 [3:0] WSEQ_DATA8 [7:0]
R12306
(3012h)
WSEQ_Sequence_10
WSEQ_DATA_WIDTH9 [2:0] WSEQ_ADDR9 [12:0]
E231023Bh
WSEQ_DELAY9 [3:0] WSEQ_DATA_START9 [3:0] WSEQ_DATA9 [7:0]
R12308
(3014h)
WSEQ_Sequence_11
WSEQ_DATA_WIDTH10 [2:0] WSEQ_ADDR10 [12:0]
02313B01h
WSEQ_DELAY10 [3:0] WSEQ_DATA_START10 [3:0] WSEQ_DATA10 [7:0]
R12310
(3016h)
WSEQ_Sequence_12
WSEQ_DATA_WIDTH11 [2:0] WSEQ_ADDR11 [12:0]
62300000h
WSEQ_DELAY11 [3:0] WSEQ_DATA_START11 [3:0] WSEQ_DATA11 [7:0]
R12312
(3018h)
WSEQ_Sequence_13
WSEQ_DATA_WIDTH12 [2:0] WSEQ_ADDR12 [12:0]
E2314288h
WSEQ_DELAY12 [3:0] WSEQ_DATA_START12 [3:0] WSEQ_DATA12 [7:0]
R12314
(301Ah)
WSEQ_Sequence_14
WSEQ_DATA_WIDTH13 [2:0] WSEQ_ADDR13 [12:0]
02310B00h
WSEQ_DELAY13 [3:0] WSEQ_DATA_START13 [3:0] WSEQ_DATA13 [7:0]
R12316
(301Ch)
WSEQ_Sequence_15
WSEQ_DATA_WIDTH14 [2:0] WSEQ_ADDR14 [12:0]
02310B00h
WSEQ_DELAY14 [3:0] WSEQ_DATA_START14 [3:0] WSEQ_DATA14 [7:0]
R12318
(301Eh)
WSEQ_Sequence_16
WSEQ_DATA_WIDTH15 [2:0] WSEQ_ADDR15 [12:0]
02250E01h
WSEQ_DELAY15 [3:0] WSEQ_DATA_START15 [3:0] WSEQ_DATA15 [7:0]
Table 6-1. Register Map Definition—16-bit region (Cont.)
Register
Name
15 14 13 12 11 10 9 8 7 6 5 4 3 2 1 0
Default
_‘ __— __— _— _— CIRRUS LOGIC”
312 DS1162F1
CS42L92
6 Register Map
R12320
(3020h)
WSEQ_Sequence_17
WSEQ_DATA_WIDTH16 [2:0] WSEQ_ADDR16 [12:0]
42310C02h
WSEQ_DELAY16 [3:0] WSEQ_DATA_START16 [3:0] WSEQ_DATA16 [7:0]
R12322
(3022h)
WSEQ_Sequence_18
WSEQ_DATA_WIDTH17 [2:0] WSEQ_ADDR17 [12:0]
E2310227h
WSEQ_DELAY17 [3:0] WSEQ_DATA_START17 [3:0] WSEQ_DATA17 [7:0]
R12324
(3024h)
WSEQ_Sequence_19
WSEQ_DATA_WIDTH18 [2:0] WSEQ_ADDR18 [12:0]
02313B01h
WSEQ_DELAY18 [3:0] WSEQ_DATA_START18 [3:0] WSEQ_DATA18 [7:0]
R12326
(3026h)
WSEQ_Sequence_20
WSEQ_DATA_WIDTH19 [2:0] WSEQ_ADDR19 [12:0]
E2314266h
WSEQ_DELAY19 [3:0] WSEQ_DATA_START19 [3:0] WSEQ_DATA19 [7:0]
R12328
(3028h)
WSEQ_Sequence_21
WSEQ_DATA_WIDTH20 [2:0] WSEQ_ADDR20 [12:0]
E2315294h
WSEQ_DELAY20 [3:0] WSEQ_DATA_START20 [3:0] WSEQ_DATA20 [7:0]
R12330
(302Ah)
WSEQ_Sequence_22
WSEQ_DATA_WIDTH21 [2:0] WSEQ_ADDR21 [12:0]
02310B00h
WSEQ_DELAY21 [3:0] WSEQ_DATA_START21 [3:0] WSEQ_DATA21 [7:0]
R12332
(302Ch)
WSEQ_Sequence_23
WSEQ_DATA_WIDTH22 [2:0] WSEQ_ADDR22 [12:0]
02310B00h
WSEQ_DELAY22 [3:0] WSEQ_DATA_START22 [3:0] WSEQ_DATA22 [7:0]
R12334
(302Eh)
WSEQ_Sequence_24
WSEQ_DATA_WIDTH23 [2:0] WSEQ_ADDR23 [12:0]
E2251734h
WSEQ_DELAY23 [3:0] WSEQ_DATA_START23 [3:0] WSEQ_DATA23 [7:0]
R12336
(3030h)
WSEQ_Sequence_25
WSEQ_DATA_WIDTH24 [2:0] WSEQ_ADDR24 [12:0]
0225F501h
WSEQ_DELAY24 [3:0] WSEQ_DATA_START24 [3:0] WSEQ_DATA24 [7:0]
R12338
(3032h)
WSEQ_Sequence_26
WSEQ_DATA_WIDTH25 [2:0] WSEQ_ADDR25 [12:0]
0000F000h
WSEQ_DELAY25 [3:0] WSEQ_DATA_START25 [3:0] WSEQ_DATA25 [7:0]
R12340
(3034h)
WSEQ_Sequence_27
WSEQ_DATA_WIDTH26 [2:0] WSEQ_ADDR26 [12:0]
0000F000h
WSEQ_DELAY26 [3:0] WSEQ_DATA_START26 [3:0] WSEQ_DATA26 [7:0]
R12342
(3036h)
WSEQ_Sequence_28
WSEQ_DATA_WIDTH27 [2:0] WSEQ_ADDR27 [12:0]
0000F000h
WSEQ_DELAY27 [3:0] WSEQ_DATA_START27 [3:0] WSEQ_DATA27 [7:0]
R12344
(3038h)
WSEQ_Sequence_29
WSEQ_DATA_WIDTH28 [2:0] WSEQ_ADDR28 [12:0]
0000F000h
WSEQ_DELAY28 [3:0] WSEQ_DATA_START28 [3:0] WSEQ_DATA28 [7:0]
R12346
(303Ah)
WSEQ_Sequence_30
WSEQ_DATA_WIDTH29 [2:0] WSEQ_ADDR29 [12:0]
0000F000h
WSEQ_DELAY29 [3:0] WSEQ_DATA_START29 [3:0] WSEQ_DATA29 [7:0]
R12348
(303Ch)
WSEQ_Sequence_31
WSEQ_DATA_WIDTH30 [2:0] WSEQ_ADDR30 [12:0]
0000F000h
WSEQ_DELAY30 [3:0] WSEQ_DATA_START30 [3:0] WSEQ_DATA30 [7:0]
R12350
(303Eh)
WSEQ_Sequence_32
WSEQ_DATA_WIDTH31 [2:0] WSEQ_ADDR31 [12:0]
02253A01h
WSEQ_DELAY31 [3:0] WSEQ_DATA_START31 [3:0] WSEQ_DATA31 [7:0]
R12352
(3040h)
WSEQ_Sequence_33
WSEQ_DATA_WIDTH32 [2:0] WSEQ_ADDR32 [12:0]
C2251300h
WSEQ_DELAY32 [3:0] WSEQ_DATA_START32 [3:0] WSEQ_DATA32 [7:0]
R12354
(3042h)
WSEQ_Sequence_34
WSEQ_DATA_WIDTH33 [2:0] WSEQ_ADDR33 [12:0]
02250B00h
WSEQ_DELAY33 [3:0] WSEQ_DATA_START33 [3:0] WSEQ_DATA33 [7:0]
R12356
(3044h)
WSEQ_Sequence_35
WSEQ_DATA_WIDTH34 [2:0] WSEQ_ADDR34 [12:0]
0225FF01h
WSEQ_DELAY34 [3:0] WSEQ_DATA_START34 [3:0] WSEQ_DATA34 [7:0]
R12358
(3046h)
WSEQ_Sequence_36
WSEQ_DATA_WIDTH35 [2:0] WSEQ_ADDR35 [12:0]
0000F000h
WSEQ_DELAY35 [3:0] WSEQ_DATA_START35 [3:0] WSEQ_DATA35 [7:0]
R12360
(3048h)
WSEQ_Sequence_37
WSEQ_DATA_WIDTH36 [2:0] WSEQ_ADDR36 [12:0]
0000F000h
WSEQ_DELAY36 [3:0] WSEQ_DATA_START36 [3:0] WSEQ_DATA36 [7:0]
R12362
(304Ah)
WSEQ_Sequence_38
WSEQ_DATA_WIDTH37 [2:0] WSEQ_ADDR37 [12:0]
0000F000h
WSEQ_DELAY37 [3:0] WSEQ_DATA_START37 [3:0] WSEQ_DATA37 [7:0]
R12364
(304Ch)
WSEQ_Sequence_39
WSEQ_DATA_WIDTH38 [2:0] WSEQ_ADDR38 [12:0]
0000F000h
WSEQ_DELAY38 [3:0] WSEQ_DATA_START38 [3:0] WSEQ_DATA38 [7:0]
R12366
(304Eh)
WSEQ_Sequence_40
WSEQ_DATA_WIDTH39 [2:0] WSEQ_ADDR39 [12:0]
0000F000h
WSEQ_DELAY39 [3:0] WSEQ_DATA_START39 [3:0] WSEQ_DATA39 [7:0]
R12368
(3050h)
WSEQ_Sequence_41
WSEQ_DATA_WIDTH40 [2:0] WSEQ_ADDR40 [12:0]
0000F000h
WSEQ_DELAY40 [3:0] WSEQ_DATA_START40 [3:0] WSEQ_DATA40 [7:0]
R12370
(3052h)
WSEQ_Sequence_42
WSEQ_DATA_WIDTH41 [2:0] WSEQ_ADDR41 [12:0]
0000F000h
WSEQ_DELAY41 [3:0] WSEQ_DATA_START41 [3:0] WSEQ_DATA41 [7:0]
R12372
(3054h)
WSEQ_Sequence_43
WSEQ_DATA_WIDTH42 [2:0] WSEQ_ADDR42 [12:0]
0000F000h
WSEQ_DELAY42 [3:0] WSEQ_DATA_START42 [3:0] WSEQ_DATA42 [7:0]
R12374
(3056h)
WSEQ_Sequence_44
WSEQ_DATA_WIDTH43 [2:0] WSEQ_ADDR43 [12:0]
0000F000h
WSEQ_DELAY43 [3:0] WSEQ_DATA_START43 [3:0] WSEQ_DATA43 [7:0]
R12376
(3058h)
WSEQ_Sequence_45
WSEQ_DATA_WIDTH44 [2:0] WSEQ_ADDR44 [12:0]
82263719h
WSEQ_DELAY44 [3:0] WSEQ_DATA_START44 [3:0] WSEQ_DATA44 [7:0]
R12378
(305Ah)
WSEQ_Sequence_46
WSEQ_DATA_WIDTH45 [2:0] WSEQ_ADDR45 [12:0]
C2300001h
WSEQ_DELAY45 [3:0] WSEQ_DATA_START45 [3:0] WSEQ_DATA45 [7:0]
R12380
(305Ch)
WSEQ_Sequence_47
WSEQ_DATA_WIDTH46 [2:0] WSEQ_ADDR46 [12:0]
02261301h
WSEQ_DELAY46 [3:0] WSEQ_DATA_START46 [3:0] WSEQ_DATA46 [7:0]
R12382
(305Eh)
WSEQ_Sequence_48
WSEQ_DATA_WIDTH47 [2:0] WSEQ_ADDR47 [12:0]
8226191Fh
WSEQ_DELAY47 [3:0] WSEQ_DATA_START47 [3:0] WSEQ_DATA47 [7:0]
R12384
(3060h)
WSEQ_Sequence_49
WSEQ_DATA_WIDTH48 [2:0] WSEQ_ADDR48 [12:0]
82310B02h
WSEQ_DELAY48 [3:0] WSEQ_DATA_START48 [3:0] WSEQ_DATA48 [7:0]
R12386
(3062h)
WSEQ_Sequence_50
WSEQ_DATA_WIDTH49 [2:0] WSEQ_ADDR49 [12:0]
E231023Bh
WSEQ_DELAY49 [3:0] WSEQ_DATA_START49 [3:0] WSEQ_DATA49 [7:0]
R12388
(3064h)
WSEQ_Sequence_51
WSEQ_DATA_WIDTH50 [2:0] WSEQ_ADDR50 [12:0]
02313B01h
WSEQ_DELAY50 [3:0] WSEQ_DATA_START50 [3:0] WSEQ_DATA50 [7:0]
R12390
(3066h)
WSEQ_Sequence_52
WSEQ_DATA_WIDTH51 [2:0] WSEQ_ADDR51 [12:0]
62300000h
WSEQ_DELAY51 [3:0] WSEQ_DATA_START51 [3:0] WSEQ_DATA51 [7:0]
Table 6-2. Register Map Definition—32-bit region (Cont.)
Register Name 31
15
30
14
29
13
28
12
27
11
26
10
25
9
24
8
23
7
22
6
21
5
20
4
19
3
18
2
17
1
16
0 Default
_‘ __— __— _— _— CIRRUS LOGIC”
DS1162F1 313
CS42L92
6 Register Map
R12392
(3068h)
WSEQ_Sequence_53
WSEQ_DATA_WIDTH52 [2:0] WSEQ_ADDR52 [12:0]
E2314288h
WSEQ_DELAY52 [3:0] WSEQ_DATA_START52 [3:0] WSEQ_DATA52 [7:0]
R12394
(306Ah)
WSEQ_Sequence_54
WSEQ_DATA_WIDTH53 [2:0] WSEQ_ADDR53 [12:0]
02310B00h
WSEQ_DELAY53 [3:0] WSEQ_DATA_START53 [3:0] WSEQ_DATA53 [7:0]
R12396
(306Ch)
WSEQ_Sequence_55
WSEQ_DATA_WIDTH54 [2:0] WSEQ_ADDR54 [12:0]
02310B00h
WSEQ_DELAY54 [3:0] WSEQ_DATA_START54 [3:0] WSEQ_DATA54 [7:0]
R12398
(306Eh)
WSEQ_Sequence_56
WSEQ_DATA_WIDTH55 [2:0] WSEQ_ADDR55 [12:0]
02260E01h
WSEQ_DELAY55 [3:0] WSEQ_DATA_START55 [3:0] WSEQ_DATA55 [7:0]
R12400
(3070h)
WSEQ_Sequence_57
WSEQ_DATA_WIDTH56 [2:0] WSEQ_ADDR56 [12:0]
42310C03h
WSEQ_DELAY56 [3:0] WSEQ_DATA_START56 [3:0] WSEQ_DATA56 [7:0]
R12402
(3072h)
WSEQ_Sequence_58
WSEQ_DATA_WIDTH57 [2:0] WSEQ_ADDR57 [12:0]
E2310227h
WSEQ_DELAY57 [3:0] WSEQ_DATA_START57 [3:0] WSEQ_DATA57 [7:0]
R12404
(3074h)
WSEQ_Sequence_59
WSEQ_DATA_WIDTH58 [2:0] WSEQ_ADDR58 [12:0]
02313B01h
WSEQ_DELAY58 [3:0] WSEQ_DATA_START58 [3:0] WSEQ_DATA58 [7:0]
R12406
(3076h)
WSEQ_Sequence_60
WSEQ_DATA_WIDTH59 [2:0] WSEQ_ADDR59 [12:0]
E2314266h
WSEQ_DELAY59 [3:0] WSEQ_DATA_START59 [3:0] WSEQ_DATA59 [7:0]
R12408
(3078h)
WSEQ_Sequence_61
WSEQ_DATA_WIDTH60 [2:0] WSEQ_ADDR60 [12:0]
E2315294h
WSEQ_DELAY60 [3:0] WSEQ_DATA_START60 [3:0] WSEQ_DATA60 [7:0]
R12410
(307Ah)
WSEQ_Sequence_62
WSEQ_DATA_WIDTH61 [2:0] WSEQ_ADDR61 [12:0]
02310B00h
WSEQ_DELAY61 [3:0] WSEQ_DATA_START61 [3:0] WSEQ_DATA61 [7:0]
R12412
(307Ch)
WSEQ_Sequence_63
WSEQ_DATA_WIDTH62 [2:0] WSEQ_ADDR62 [12:0]
02310B00h
WSEQ_DELAY62 [3:0] WSEQ_DATA_START62 [3:0] WSEQ_DATA62 [7:0]
R12414
(307Eh)
WSEQ_Sequence_64
WSEQ_DATA_WIDTH63 [2:0] WSEQ_ADDR63 [12:0]
E2261734h
WSEQ_DELAY63 [3:0] WSEQ_DATA_START63 [3:0] WSEQ_DATA63 [7:0]
R12416
(3080h)
WSEQ_Sequence_65
WSEQ_DATA_WIDTH64 [2:0] WSEQ_ADDR64 [12:0]
0226F501h
WSEQ_DELAY64 [3:0] WSEQ_DATA_START64 [3:0] WSEQ_DATA64 [7:0]
R12418
(3082h)
WSEQ_Sequence_66
WSEQ_DATA_WIDTH65 [2:0] WSEQ_ADDR65 [12:0]
0000F000h
WSEQ_DELAY65 [3:0] WSEQ_DATA_START65 [3:0] WSEQ_DATA65 [7:0]
R12420
(3084h)
WSEQ_Sequence_67
WSEQ_DATA_WIDTH66 [2:0] WSEQ_ADDR66 [12:0]
0000F000h
WSEQ_DELAY66 [3:0] WSEQ_DATA_START66 [3:0] WSEQ_DATA66 [7:0]
R12422
(3086h)
WSEQ_Sequence_68
WSEQ_DATA_WIDTH67 [2:0] WSEQ_ADDR67 [12:0]
0000F000h
WSEQ_DELAY67 [3:0] WSEQ_DATA_START67 [3:0] WSEQ_DATA67 [7:0]
R12424
(3088h)
WSEQ_Sequence_69
WSEQ_DATA_WIDTH68 [2:0] WSEQ_ADDR68 [12:0]
0000F000h
WSEQ_DELAY68 [3:0] WSEQ_DATA_START68 [3:0] WSEQ_DATA68 [7:0]
R12426
(308Ah)
WSEQ_Sequence_70
WSEQ_DATA_WIDTH69 [2:0] WSEQ_ADDR69 [12:0]
0000F000h
WSEQ_DELAY69 [3:0] WSEQ_DATA_START69 [3:0] WSEQ_DATA69 [7:0]
R12428
(308Ch)
WSEQ_Sequence_71
WSEQ_DATA_WIDTH70 [2:0] WSEQ_ADDR70 [12:0]
0000F000h
WSEQ_DELAY70 [3:0] WSEQ_DATA_START70 [3:0] WSEQ_DATA70 [7:0]
R12430
(308Eh)
WSEQ_Sequence_72
WSEQ_DATA_WIDTH71 [2:0] WSEQ_ADDR71 [12:0]
02263A01h
WSEQ_DELAY71 [3:0] WSEQ_DATA_START71 [3:0] WSEQ_DATA71 [7:0]
R12432
(3090h)
WSEQ_Sequence_73
WSEQ_DATA_WIDTH72 [2:0] WSEQ_ADDR72 [12:0]
C2261300h
WSEQ_DELAY72 [3:0] WSEQ_DATA_START72 [3:0] WSEQ_DATA72 [7:0]
R12434
(3092h)
WSEQ_Sequence_74
WSEQ_DATA_WIDTH73 [2:0] WSEQ_ADDR73 [12:0]
02260B00h
WSEQ_DELAY73 [3:0] WSEQ_DATA_START73 [3:0] WSEQ_DATA73 [7:0]
R12436
(3094h)
WSEQ_Sequence_75
WSEQ_DATA_WIDTH74 [2:0] WSEQ_ADDR74 [12:0]
0226FF01h
WSEQ_DELAY74 [3:0] WSEQ_DATA_START74 [3:0] WSEQ_DATA74 [7:0]
R12438
(3096h)
WSEQ_Sequence_76
WSEQ_DATA_WIDTH75 [2:0] WSEQ_ADDR75 [12:0]
0000F000h
WSEQ_DELAY75 [3:0] WSEQ_DATA_START75 [3:0] WSEQ_DATA75 [7:0]
R12440
(3098h)
WSEQ_Sequence_77
WSEQ_DATA_WIDTH76 [2:0] WSEQ_ADDR76 [12:0]
0000F000h
WSEQ_DELAY76 [3:0] WSEQ_DATA_START76 [3:0] WSEQ_DATA76 [7:0]
R12442
(309Ah)
WSEQ_Sequence_78
WSEQ_DATA_WIDTH77 [2:0] WSEQ_ADDR77 [12:0]
0000F000h
WSEQ_DELAY77 [3:0] WSEQ_DATA_START77 [3:0] WSEQ_DATA77 [7:0]
R12444
(309Ch)
WSEQ_Sequence_79
WSEQ_DATA_WIDTH78 [2:0] WSEQ_ADDR78 [12:0]
0000F000h
WSEQ_DELAY78 [3:0] WSEQ_DATA_START78 [3:0] WSEQ_DATA78 [7:0]
R12446
(309Eh)
WSEQ_Sequence_80
WSEQ_DATA_WIDTH79 [2:0] WSEQ_ADDR79 [12:0]
0000F000h
WSEQ_DELAY79 [3:0] WSEQ_DATA_START79 [3:0] WSEQ_DATA79 [7:0]
R12448
(30A0h)
WSEQ_Sequence_81
WSEQ_DATA_WIDTH80 [2:0] WSEQ_ADDR80 [12:0]
0000F000h
WSEQ_DELAY80 [3:0] WSEQ_DATA_START80 [3:0] WSEQ_DATA80 [7:0]
R12450
(30A2h)
WSEQ_Sequence_82
WSEQ_DATA_WIDTH81 [2:0] WSEQ_ADDR81 [12:0]
0000F000h
WSEQ_DELAY81 [3:0] WSEQ_DATA_START81 [3:0] WSEQ_DATA81 [7:0]
R12452
(30A4h)
WSEQ_Sequence_83
WSEQ_DATA_WIDTH82 [2:0] WSEQ_ADDR82 [12:0]
0000F000h
WSEQ_DELAY82 [3:0] WSEQ_DATA_START82 [3:0] WSEQ_DATA82 [7:0]
R12454
(30A6h)
WSEQ_Sequence_84
WSEQ_DATA_WIDTH83 [2:0] WSEQ_ADDR83 [12:0]
0000F000h
WSEQ_DELAY83 [3:0] WSEQ_DATA_START83 [3:0] WSEQ_DATA83 [7:0]
R12456
(30A8h)
WSEQ_Sequence_85
WSEQ_DATA_WIDTH84 [2:0] WSEQ_ADDR84 [12:0]
82273719h
WSEQ_DELAY84 [3:0] WSEQ_DATA_START84 [3:0] WSEQ_DATA84 [7:0]
R12458
(30AAh)
WSEQ_Sequence_86
WSEQ_DATA_WIDTH85 [2:0] WSEQ_ADDR85 [12:0]
C2400001h
WSEQ_DELAY85 [3:0] WSEQ_DATA_START85 [3:0] WSEQ_DATA85 [7:0]
R12460
(30ACh)
WSEQ_Sequence_87
WSEQ_DATA_WIDTH86 [2:0] WSEQ_ADDR86 [12:0]
02271301h
WSEQ_DELAY86 [3:0] WSEQ_DATA_START86 [3:0] WSEQ_DATA86 [7:0]
R12462
(30AEh)
WSEQ_Sequence_88
WSEQ_DATA_WIDTH87 [2:0] WSEQ_ADDR87 [12:0]
8227191Fh
WSEQ_DELAY87 [3:0] WSEQ_DATA_START87 [3:0] WSEQ_DATA87 [7:0]
Table 6-2. Register Map Definition—32-bit region (Cont.)
Register Name 31
15
30
14
29
13
28
12
27
11
26
10
25
9
24
8
23
7
22
6
21
5
20
4
19
3
18
2
17
1
16
0 Default
_‘ __— __— _— _— CIRRUS LOGIC”
314 DS1162F1
CS42L92
6 Register Map
R12464
(30B0h)
WSEQ_Sequence_89
WSEQ_DATA_WIDTH88 [2:0] WSEQ_ADDR88 [12:0]
82410B00h
WSEQ_DELAY88 [3:0] WSEQ_DATA_START88 [3:0] WSEQ_DATA88 [7:0]
R12466
(30B2h)
WSEQ_Sequence_90
WSEQ_DATA_WIDTH89 [2:0] WSEQ_ADDR89 [12:0]
E241023Bh
WSEQ_DELAY89 [3:0] WSEQ_DATA_START89 [3:0] WSEQ_DATA89 [7:0]
R12468
(30B4h)
WSEQ_Sequence_91
WSEQ_DATA_WIDTH90 [2:0] WSEQ_ADDR90 [12:0]
02413B01h
WSEQ_DELAY90 [3:0] WSEQ_DATA_START90 [3:0] WSEQ_DATA90 [7:0]
R12470
(30B6h)
WSEQ_Sequence_92
WSEQ_DATA_WIDTH91 [2:0] WSEQ_ADDR91 [12:0]
62400000h
WSEQ_DELAY91 [3:0] WSEQ_DATA_START91 [3:0] WSEQ_DATA91 [7:0]
R12472
(30B8h)
WSEQ_Sequence_93
WSEQ_DATA_WIDTH92 [2:0] WSEQ_ADDR92 [12:0]
E2414288h
WSEQ_DELAY92 [3:0] WSEQ_DATA_START92 [3:0] WSEQ_DATA92 [7:0]
R12474
(30BAh)
WSEQ_Sequence_94
WSEQ_DATA_WIDTH93 [2:0] WSEQ_ADDR93 [12:0]
02410B00h
WSEQ_DELAY93 [3:0] WSEQ_DATA_START93 [3:0] WSEQ_DATA93 [7:0]
R12476
(30BCh)
WSEQ_Sequence_95
WSEQ_DATA_WIDTH94 [2:0] WSEQ_ADDR94 [12:0]
02410B00h
WSEQ_DELAY94 [3:0] WSEQ_DATA_START94 [3:0] WSEQ_DATA94 [7:0]
R12478
(30BEh)
WSEQ_Sequence_96
WSEQ_DATA_WIDTH95 [2:0] WSEQ_ADDR95 [12:0]
02270E01h
WSEQ_DELAY95 [3:0] WSEQ_DATA_START95 [3:0] WSEQ_DATA95 [7:0]
R12480
(30C0h)
WSEQ_Sequence_97
WSEQ_DATA_WIDTH96 [2:0] WSEQ_ADDR96 [12:0]
42410C02h
WSEQ_DELAY96 [3:0] WSEQ_DATA_START96 [3:0] WSEQ_DATA96 [7:0]
R12482
(30C2h)
WSEQ_Sequence_98
WSEQ_DATA_WIDTH97 [2:0] WSEQ_ADDR97 [12:0]
E2410227h
WSEQ_DELAY97 [3:0] WSEQ_DATA_START97 [3:0] WSEQ_DATA97 [7:0]
R12484
(30C4h)
WSEQ_Sequence_99
WSEQ_DATA_WIDTH98 [2:0] WSEQ_ADDR98 [12:0]
02413B01h
WSEQ_DELAY98 [3:0] WSEQ_DATA_START98 [3:0] WSEQ_DATA98 [7:0]
R12486
(30C6h)
WSEQ_Sequence_100
WSEQ_DATA_WIDTH99 [2:0] WSEQ_ADDR99 [12:0]
E2414266h
WSEQ_DELAY99 [3:0] WSEQ_DATA_START99 [3:0] WSEQ_DATA99 [7:0]
R12488
(30C8h)
WSEQ_Sequence_101
WSEQ_DATA_WIDTH100 [2:0] WSEQ_ADDR100 [12:0]
E2415294h
WSEQ_DELAY100 [3:0] WSEQ_DATA_START100 [3:0] WSEQ_DATA100 [7:0]
R12490
(30CAh)
WSEQ_Sequence_102
WSEQ_DATA_WIDTH101 [2:0] WSEQ_ADDR101 [12:0]
02410B00h
WSEQ_DELAY101 [3:0] WSEQ_DATA_START101 [3:0] WSEQ_DATA101 [7:0]
R12492
(30CCh)
WSEQ_Sequence_103
WSEQ_DATA_WIDTH102 [2:0] WSEQ_ADDR102 [12:0]
02410B00h
WSEQ_DELAY102 [3:0] WSEQ_DATA_START102 [3:0] WSEQ_DATA102 [7:0]
R12494
(30CEh)
WSEQ_Sequence_104
WSEQ_DATA_WIDTH103 [2:0] WSEQ_ADDR103 [12:0]
E2271734h
WSEQ_DELAY103 [3:0] WSEQ_DATA_START103 [3:0] WSEQ_DATA103 [7:0]
R12496
(30D0h)
WSEQ_Sequence_105
WSEQ_DATA_WIDTH104 [2:0] WSEQ_ADDR104 [12:0]
0227F501h
WSEQ_DELAY104 [3:0] WSEQ_DATA_START104 [3:0] WSEQ_DATA104 [7:0]
R12498
(30D2h)
WSEQ_Sequence_106
WSEQ_DATA_WIDTH105 [2:0] WSEQ_ADDR105 [12:0]
0000F000h
WSEQ_DELAY105 [3:0] WSEQ_DATA_START105 [3:0] WSEQ_DATA105 [7:0]
R12500
(30D4h)
WSEQ_Sequence_107
WSEQ_DATA_WIDTH106 [2:0] WSEQ_ADDR106 [12:0]
0000F000h
WSEQ_DELAY106 [3:0] WSEQ_DATA_START106 [3:0] WSEQ_DATA106 [7:0]
R12502
(30D6h)
WSEQ_Sequence_108
WSEQ_DATA_WIDTH107 [2:0] WSEQ_ADDR107 [12:0]
0000F000h
WSEQ_DELAY107 [3:0] WSEQ_DATA_START107 [3:0] WSEQ_DATA107 [7:0]
R12504
(30D8h)
WSEQ_Sequence_109
WSEQ_DATA_WIDTH108 [2:0] WSEQ_ADDR108 [12:0]
0000F000h
WSEQ_DELAY108 [3:0] WSEQ_DATA_START108 [3:0] WSEQ_DATA108 [7:0]
R12506
(30DAh)
WSEQ_Sequence_110
WSEQ_DATA_WIDTH109 [2:0] WSEQ_ADDR109 [12:0]
0000F000h
WSEQ_DELAY109 [3:0] WSEQ_DATA_START109 [3:0] WSEQ_DATA109 [7:0]
R12508
(30DCh)
WSEQ_Sequence_111
WSEQ_DATA_WIDTH110 [2:0] WSEQ_ADDR110 [12:0]
0000F000h
WSEQ_DELAY110 [3:0] WSEQ_DATA_START110 [3:0] WSEQ_DATA110 [7:0]
R12510
(30DEh)
WSEQ_Sequence_112
WSEQ_DATA_WIDTH111 [2:0] WSEQ_ADDR111 [12:0]
02273A01h
WSEQ_DELAY111 [3:0] WSEQ_DATA_START111 [3:0] WSEQ_DATA111 [7:0]
R12512
(30E0h)
WSEQ_Sequence_113
WSEQ_DATA_WIDTH112 [2:0] WSEQ_ADDR112 [12:0]
C2271300h
WSEQ_DELAY112 [3:0] WSEQ_DATA_START112 [3:0] WSEQ_DATA112 [7:0]
R12514
(30E2h)
WSEQ_Sequence_114
WSEQ_DATA_WIDTH113 [2:0] WSEQ_ADDR113 [12:0]
02270B00h
WSEQ_DELAY113 [3:0] WSEQ_DATA_START113 [3:0] WSEQ_DATA113 [7:0]
R12516
(30E4h)
WSEQ_Sequence_115
WSEQ_DATA_WIDTH114 [2:0] WSEQ_ADDR114 [12:0]
0227FF01h
WSEQ_DELAY114 [3:0] WSEQ_DATA_START114 [3:0] WSEQ_DATA114 [7:0]
R12518
(30E6h)
WSEQ_Sequence_116
WSEQ_DATA_WIDTH115 [2:0] WSEQ_ADDR115 [12:0]
0000F000h
WSEQ_DELAY115 [3:0] WSEQ_DATA_START115 [3:0] WSEQ_DATA115 [7:0]
R12520
(30E8h)
WSEQ_Sequence_117
WSEQ_DATA_WIDTH116 [2:0] WSEQ_ADDR116 [12:0]
0000F000h
WSEQ_DELAY116 [3:0] WSEQ_DATA_START116 [3:0] WSEQ_DATA116 [7:0]
R12522
(30EAh)
WSEQ_Sequence_118
WSEQ_DATA_WIDTH117 [2:0] WSEQ_ADDR117 [12:0]
0000F000h
WSEQ_DELAY117 [3:0] WSEQ_DATA_START117 [3:0] WSEQ_DATA117 [7:0]
R12524
(30ECh)
WSEQ_Sequence_119
WSEQ_DATA_WIDTH118 [2:0] WSEQ_ADDR118 [12:0]
0000F000h
WSEQ_DELAY118 [3:0] WSEQ_DATA_START118 [3:0] WSEQ_DATA118 [7:0]
R12526
(30EEh)
WSEQ_Sequence_120
WSEQ_DATA_WIDTH119 [2:0] WSEQ_ADDR119 [12:0]
0000F000h
WSEQ_DELAY119 [3:0] WSEQ_DATA_START119 [3:0] WSEQ_DATA119 [7:0]
R12528
(30F0h)
WSEQ_Sequence_121
WSEQ_DATA_WIDTH120 [2:0] WSEQ_ADDR120 [12:0]
0000F000h
WSEQ_DELAY120 [3:0] WSEQ_DATA_START120 [3:0] WSEQ_DATA120 [7:0]
R12530
(30F2h)
WSEQ_Sequence_122
WSEQ_DATA_WIDTH121 [2:0] WSEQ_ADDR121 [12:0]
0000F000h
WSEQ_DELAY121 [3:0] WSEQ_DATA_START121 [3:0] WSEQ_DATA121 [7:0]
R12532
(30F4h)
WSEQ_Sequence_123
WSEQ_DATA_WIDTH122 [2:0] WSEQ_ADDR122 [12:0]
0000F000h
WSEQ_DELAY122 [3:0] WSEQ_DATA_START122 [3:0] WSEQ_DATA122 [7:0]
R12534
(30F6h)
WSEQ_Sequence_124
WSEQ_DATA_WIDTH123 [2:0] WSEQ_ADDR123 [12:0]
0000F000h
WSEQ_DELAY123 [3:0] WSEQ_DATA_START123 [3:0] WSEQ_DATA123 [7:0]
Table 6-2. Register Map Definition—32-bit region (Cont.)
Register Name 31
15
30
14
29
13
28
12
27
11
26
10
25
9
24
8
23
7
22
6
21
5
20
4
19
3
18
2
17
1
16
0 Default
_‘ __— __— _— _— CIRRUS LOGIC”
DS1162F1 315
CS42L92
6 Register Map
R12536
(30F8h)
WSEQ_Sequence_125
WSEQ_DATA_WIDTH124 [2:0] WSEQ_ADDR124 [12:0]
82283719h
WSEQ_DELAY124 [3:0] WSEQ_DATA_START124 [3:0] WSEQ_DATA124 [7:0]
R12538
(30FAh)
WSEQ_Sequence_126
WSEQ_DATA_WIDTH125 [2:0] WSEQ_ADDR125 [12:0]
C2400001h
WSEQ_DELAY125 [3:0] WSEQ_DATA_START125 [3:0] WSEQ_DATA125 [7:0]
R12540
(30FCh)
WSEQ_Sequence_127
WSEQ_DATA_WIDTH126 [2:0] WSEQ_ADDR126 [12:0]
02281301h
WSEQ_DELAY126 [3:0] WSEQ_DATA_START126 [3:0] WSEQ_DATA126 [7:0]
R12542
(30FEh)
WSEQ_Sequence_128
WSEQ_DATA_WIDTH127 [2:0] WSEQ_ADDR127 [12:0]
8228191Fh
WSEQ_DELAY127 [3:0] WSEQ_DATA_START127 [3:0] WSEQ_DATA127 [7:0]
R12544
(3100h)
WSEQ_Sequence_129
WSEQ_DATA_WIDTH128 [2:0] WSEQ_ADDR128 [12:0]
82410B02h
WSEQ_DELAY128 [3:0] WSEQ_DATA_START128 [3:0] WSEQ_DATA128 [7:0]
R12546
(3102h)
WSEQ_Sequence_130
WSEQ_DATA_WIDTH129 [2:0] WSEQ_ADDR129 [12:0]
E241023Bh
WSEQ_DELAY129 [3:0] WSEQ_DATA_START129 [3:0] WSEQ_DATA129 [7:0]
R12548
(3104h)
WSEQ_Sequence_131
WSEQ_DATA_WIDTH130 [2:0] WSEQ_ADDR130 [12:0]
02413B01h
WSEQ_DELAY130 [3:0] WSEQ_DATA_START130 [3:0] WSEQ_DATA130 [7:0]
R12550
(3106h)
WSEQ_Sequence_132
WSEQ_DATA_WIDTH131 [2:0] WSEQ_ADDR131 [12:0]
62400000h
WSEQ_DELAY131 [3:0] WSEQ_DATA_START131 [3:0] WSEQ_DATA131 [7:0]
R12552
(3108h)
WSEQ_Sequence_133
WSEQ_DATA_WIDTH132 [2:0] WSEQ_ADDR132 [12:0]
E2414288h
WSEQ_DELAY132 [3:0] WSEQ_DATA_START132 [3:0] WSEQ_DATA132 [7:0]
R12554
(310Ah)
WSEQ_Sequence_134
WSEQ_DATA_WIDTH133 [2:0] WSEQ_ADDR133 [12:0]
02410B00h
WSEQ_DELAY133 [3:0] WSEQ_DATA_START133 [3:0] WSEQ_DATA133 [7:0]
R12556
(310Ch)
WSEQ_Sequence_135
WSEQ_DATA_WIDTH134 [2:0] WSEQ_ADDR134 [12:0]
02410B00h
WSEQ_DELAY134 [3:0] WSEQ_DATA_START134 [3:0] WSEQ_DATA134 [7:0]
R12558
(310Eh)
WSEQ_Sequence_136
WSEQ_DATA_WIDTH135 [2:0] WSEQ_ADDR135 [12:0]
02280E01h
WSEQ_DELAY135 [3:0] WSEQ_DATA_START135 [3:0] WSEQ_DATA135 [7:0]
R12560
(3110h)
WSEQ_Sequence_137
WSEQ_DATA_WIDTH136 [2:0] WSEQ_ADDR136 [12:0]
42410C03h
WSEQ_DELAY136 [3:0] WSEQ_DATA_START136 [3:0] WSEQ_DATA136 [7:0]
R12562
(3112h)
WSEQ_Sequence_138
WSEQ_DATA_WIDTH137 [2:0] WSEQ_ADDR137 [12:0]
E2410227h
WSEQ_DELAY137 [3:0] WSEQ_DATA_START137 [3:0] WSEQ_DATA137 [7:0]
R12564
(3114h)
WSEQ_Sequence_139
WSEQ_DATA_WIDTH138 [2:0] WSEQ_ADDR138 [12:0]
02413B01h
WSEQ_DELAY138 [3:0] WSEQ_DATA_START138 [3:0] WSEQ_DATA138 [7:0]
R12566
(3116h)
WSEQ_Sequence_140
WSEQ_DATA_WIDTH139 [2:0] WSEQ_ADDR139 [12:0]
E2414266h
WSEQ_DELAY139 [3:0] WSEQ_DATA_START139 [3:0] WSEQ_DATA139 [7:0]
R12568
(3118h)
WSEQ_Sequence_141
WSEQ_DATA_WIDTH140 [2:0] WSEQ_ADDR140 [12:0]
E2415294h
WSEQ_DELAY140 [3:0] WSEQ_DATA_START140 [3:0] WSEQ_DATA140 [7:0]
R12570
(311Ah)
WSEQ_Sequence_142
WSEQ_DATA_WIDTH141 [2:0] WSEQ_ADDR141 [12:0]
02410B00h
WSEQ_DELAY141 [3:0] WSEQ_DATA_START141 [3:0] WSEQ_DATA141 [7:0]
R12572
(311Ch)
WSEQ_Sequence_143
WSEQ_DATA_WIDTH142 [2:0] WSEQ_ADDR142 [12:0]
02410B00h
WSEQ_DELAY142 [3:0] WSEQ_DATA_START142 [3:0] WSEQ_DATA142 [7:0]
R12574
(311Eh)
WSEQ_Sequence_144
WSEQ_DATA_WIDTH143 [2:0] WSEQ_ADDR143 [12:0]
E2281734h
WSEQ_DELAY143 [3:0] WSEQ_DATA_START143 [3:0] WSEQ_DATA143 [7:0]
R12576
(3120h)
WSEQ_Sequence_145
WSEQ_DATA_WIDTH144 [2:0] WSEQ_ADDR144 [12:0]
0228F501h
WSEQ_DELAY144 [3:0] WSEQ_DATA_START144 [3:0] WSEQ_DATA144 [7:0]
R12578
(3122h)
WSEQ_Sequence_146
WSEQ_DATA_WIDTH145 [2:0] WSEQ_ADDR145 [12:0]
0000F000h
WSEQ_DELAY145 [3:0] WSEQ_DATA_START145 [3:0] WSEQ_DATA145 [7:0]
R12580
(3124h)
WSEQ_Sequence_147
WSEQ_DATA_WIDTH146 [2:0] WSEQ_ADDR146 [12:0]
0000F000h
WSEQ_DELAY146 [3:0] WSEQ_DATA_START146 [3:0] WSEQ_DATA146 [7:0]
R12582
(3126h)
WSEQ_Sequence_148
WSEQ_DATA_WIDTH147 [2:0] WSEQ_ADDR147 [12:0]
0000F000h
WSEQ_DELAY147 [3:0] WSEQ_DATA_START147 [3:0] WSEQ_DATA147 [7:0]
R12584
(3128h)
WSEQ_Sequence_149
WSEQ_DATA_WIDTH148 [2:0] WSEQ_ADDR148 [12:0]
0000F000h
WSEQ_DELAY148 [3:0] WSEQ_DATA_START148 [3:0] WSEQ_DATA148 [7:0]
R12586
(312Ah)
WSEQ_Sequence_150
WSEQ_DATA_WIDTH149 [2:0] WSEQ_ADDR149 [12:0]
0000F000h
WSEQ_DELAY149 [3:0] WSEQ_DATA_START149 [3:0] WSEQ_DATA149 [7:0]
R12588
(312Ch)
WSEQ_Sequence_151
WSEQ_DATA_WIDTH150 [2:0] WSEQ_ADDR150 [12:0]
0000F000h
WSEQ_DELAY150 [3:0] WSEQ_DATA_START150 [3:0] WSEQ_DATA150 [7:0]
R12590
(312Eh)
WSEQ_Sequence_152
WSEQ_DATA_WIDTH151 [2:0] WSEQ_ADDR151 [12:0]
02283A01h
WSEQ_DELAY151 [3:0] WSEQ_DATA_START151 [3:0] WSEQ_DATA151 [7:0]
R12592
(3130h)
WSEQ_Sequence_153
WSEQ_DATA_WIDTH152 [2:0] WSEQ_ADDR152 [12:0]
C2281300h
WSEQ_DELAY152 [3:0] WSEQ_DATA_START152 [3:0] WSEQ_DATA152 [7:0]
R12594
(3132h)
WSEQ_Sequence_154
WSEQ_DATA_WIDTH153 [2:0] WSEQ_ADDR153 [12:0]
02280B00h
WSEQ_DELAY153 [3:0] WSEQ_DATA_START153 [3:0] WSEQ_DATA153 [7:0]
R12596
(3134h)
WSEQ_Sequence_155
WSEQ_DATA_WIDTH154 [2:0] WSEQ_ADDR154 [12:0]
0228FF01h
WSEQ_DELAY154 [3:0] WSEQ_DATA_START154 [3:0] WSEQ_DATA154 [7:0]
R12598
(3136h)
WSEQ_Sequence_156
WSEQ_DATA_WIDTH155 [2:0] WSEQ_ADDR155 [12:0]
0000F000h
WSEQ_DELAY155 [3:0] WSEQ_DATA_START155 [3:0] WSEQ_DATA155 [7:0]
R12600
(3138h)
WSEQ_Sequence_157
WSEQ_DATA_WIDTH156 [2:0] WSEQ_ADDR156 [12:0]
0000F000h
WSEQ_DELAY156 [3:0] WSEQ_DATA_START156 [3:0] WSEQ_DATA156 [7:0]
R12602
(313Ah)
WSEQ_Sequence_158
WSEQ_DATA_WIDTH157 [2:0] WSEQ_ADDR157 [12:0]
0000F000h
WSEQ_DELAY157 [3:0] WSEQ_DATA_START157 [3:0] WSEQ_DATA157 [7:0]
R12604
(313Ch)
WSEQ_Sequence_159
WSEQ_DATA_WIDTH158 [2:0] WSEQ_ADDR158 [12:0]
0000F000h
WSEQ_DELAY158 [3:0] WSEQ_DATA_START158 [3:0] WSEQ_DATA158 [7:0]
R12606
(313Eh)
WSEQ_Sequence_160
WSEQ_DATA_WIDTH159 [2:0] WSEQ_ADDR159 [12:0]
0000F000h
WSEQ_DELAY159 [3:0] WSEQ_DATA_START159 [3:0] WSEQ_DATA159 [7:0]
Table 6-2. Register Map Definition—32-bit region (Cont.)
Register Name 31
15
30
14
29
13
28
12
27
11
26
10
25
9
24
8
23
7
22
6
21
5
20
4
19
3
18
2
17
1
16
0 Default
_‘ __— __— _— _— CIRRUS LOGIC”
316 DS1162F1
CS42L92
6 Register Map
R12608
(3140h)
WSEQ_Sequence_161
WSEQ_DATA_WIDTH160 [2:0] WSEQ_ADDR160 [12:0]
0000F000h
WSEQ_DELAY160 [3:0] WSEQ_DATA_START160 [3:0] WSEQ_DATA160 [7:0]
R12610
(3142h)
WSEQ_Sequence_162
WSEQ_DATA_WIDTH161 [2:0] WSEQ_ADDR161 [12:0]
0000F000h
WSEQ_DELAY161 [3:0] WSEQ_DATA_START161 [3:0] WSEQ_DATA161 [7:0]
R12612
(3144h)
WSEQ_Sequence_163
WSEQ_DATA_WIDTH162 [2:0] WSEQ_ADDR162 [12:0]
0000F000h
WSEQ_DELAY162 [3:0] WSEQ_DATA_START162 [3:0] WSEQ_DATA162 [7:0]
R12614
(3146h)
WSEQ_Sequence_164
WSEQ_DATA_WIDTH163 [2:0] WSEQ_ADDR163 [12:0]
0000F000h
WSEQ_DELAY163 [3:0] WSEQ_DATA_START163 [3:0] WSEQ_DATA163 [7:0]
R12616
(3148h)
WSEQ_Sequence_165
WSEQ_DATA_WIDTH164 [2:0] WSEQ_ADDR164 [12:0]
82293719h
WSEQ_DELAY164 [3:0] WSEQ_DATA_START164 [3:0] WSEQ_DATA164 [7:0]
R12618
(314Ah)
WSEQ_Sequence_166
WSEQ_DATA_WIDTH165 [2:0] WSEQ_ADDR165 [12:0]
C2500001h
WSEQ_DELAY165 [3:0] WSEQ_DATA_START165 [3:0] WSEQ_DATA165 [7:0]
R12620
(314Ch)
WSEQ_Sequence_167
WSEQ_DATA_WIDTH166 [2:0] WSEQ_ADDR166 [12:0]
02291301h
WSEQ_DELAY166 [3:0] WSEQ_DATA_START166 [3:0] WSEQ_DATA166 [7:0]
R12622
(314Eh)
WSEQ_Sequence_168
WSEQ_DATA_WIDTH167 [2:0] WSEQ_ADDR167 [12:0]
8229191Fh
WSEQ_DELAY167 [3:0] WSEQ_DATA_START167 [3:0] WSEQ_DATA167 [7:0]
R12624
(3150h)
WSEQ_Sequence_169
WSEQ_DATA_WIDTH168 [2:0] WSEQ_ADDR168 [12:0]
82510B00h
WSEQ_DELAY168 [3:0] WSEQ_DATA_START168 [3:0] WSEQ_DATA168 [7:0]
R12626
(3152h)
WSEQ_Sequence_170
WSEQ_DATA_WIDTH169 [2:0] WSEQ_ADDR169 [12:0]
E251023Bh
WSEQ_DELAY169 [3:0] WSEQ_DATA_START169 [3:0] WSEQ_DATA169 [7:0]
R12628
(3154h)
WSEQ_Sequence_171
WSEQ_DATA_WIDTH170 [2:0] WSEQ_ADDR170 [12:0]
02513B01h
WSEQ_DELAY170 [3:0] WSEQ_DATA_START170 [3:0] WSEQ_DATA170 [7:0]
R12630
(3156h)
WSEQ_Sequence_172
WSEQ_DATA_WIDTH171 [2:0] WSEQ_ADDR171 [12:0]
62500000h
WSEQ_DELAY171 [3:0] WSEQ_DATA_START171 [3:0] WSEQ_DATA171 [7:0]
R12632
(3158h)
WSEQ_Sequence_173
WSEQ_DATA_WIDTH172 [2:0] WSEQ_ADDR172 [12:0]
E2514288h
WSEQ_DELAY172 [3:0] WSEQ_DATA_START172 [3:0] WSEQ_DATA172 [7:0]
R12634
(315Ah)
WSEQ_Sequence_174
WSEQ_DATA_WIDTH173 [2:0] WSEQ_ADDR173 [12:0]
02510B00h
WSEQ_DELAY173 [3:0] WSEQ_DATA_START173 [3:0] WSEQ_DATA173 [7:0]
R12636
(315Ch)
WSEQ_Sequence_175
WSEQ_DATA_WIDTH174 [2:0] WSEQ_ADDR174 [12:0]
02510B00h
WSEQ_DELAY174 [3:0] WSEQ_DATA_START174 [3:0] WSEQ_DATA174 [7:0]
R12638
(315Eh)
WSEQ_Sequence_176
WSEQ_DATA_WIDTH175 [2:0] WSEQ_ADDR175 [12:0]
02290E01h
WSEQ_DELAY175 [3:0] WSEQ_DATA_START175 [3:0] WSEQ_DATA175 [7:0]
R12640
(3160h)
WSEQ_Sequence_177
WSEQ_DATA_WIDTH176 [2:0] WSEQ_ADDR176 [12:0]
42510C02h
WSEQ_DELAY176 [3:0] WSEQ_DATA_START176 [3:0] WSEQ_DATA176 [7:0]
R12642
(3162h)
WSEQ_Sequence_178
WSEQ_DATA_WIDTH177 [2:0] WSEQ_ADDR177 [12:0]
E2510227h
WSEQ_DELAY177 [3:0] WSEQ_DATA_START177 [3:0] WSEQ_DATA177 [7:0]
R12644
(3164h)
WSEQ_Sequence_179
WSEQ_DATA_WIDTH178 [2:0] WSEQ_ADDR178 [12:0]
02513B01h
WSEQ_DELAY178 [3:0] WSEQ_DATA_START178 [3:0] WSEQ_DATA178 [7:0]
R12646
(3166h)
WSEQ_Sequence_180
WSEQ_DATA_WIDTH179 [2:0] WSEQ_ADDR179 [12:0]
E2514266h
WSEQ_DELAY179 [3:0] WSEQ_DATA_START179 [3:0] WSEQ_DATA179 [7:0]
R12648
(3168h)
WSEQ_Sequence_181
WSEQ_DATA_WIDTH180 [2:0] WSEQ_ADDR180 [12:0]
E2515294h
WSEQ_DELAY180 [3:0] WSEQ_DATA_START180 [3:0] WSEQ_DATA180 [7:0]
R12650
(316Ah)
WSEQ_Sequence_182
WSEQ_DATA_WIDTH181 [2:0] WSEQ_ADDR181 [12:0]
02510B00h
WSEQ_DELAY181 [3:0] WSEQ_DATA_START181 [3:0] WSEQ_DATA181 [7:0]
R12652
(316Ch)
WSEQ_Sequence_183
WSEQ_DATA_WIDTH182 [2:0] WSEQ_ADDR182 [12:0]
02510B00h
WSEQ_DELAY182 [3:0] WSEQ_DATA_START182 [3:0] WSEQ_DATA182 [7:0]
R12654
(316Eh)
WSEQ_Sequence_184
WSEQ_DATA_WIDTH183 [2:0] WSEQ_ADDR183 [12:0]
E2291734h
WSEQ_DELAY183 [3:0] WSEQ_DATA_START183 [3:0] WSEQ_DATA183 [7:0]
R12656
(3170h)
WSEQ_Sequence_185
WSEQ_DATA_WIDTH184 [2:0] WSEQ_ADDR184 [12:0]
0229F501h
WSEQ_DELAY184 [3:0] WSEQ_DATA_START184 [3:0] WSEQ_DATA184 [7:0]
R12658
(3172h)
WSEQ_Sequence_186
WSEQ_DATA_WIDTH185 [2:0] WSEQ_ADDR185 [12:0]
0000F000h
WSEQ_DELAY185 [3:0] WSEQ_DATA_START185 [3:0] WSEQ_DATA185 [7:0]
R12660
(3174h)
WSEQ_Sequence_187
WSEQ_DATA_WIDTH186 [2:0] WSEQ_ADDR186 [12:0]
0000F000h
WSEQ_DELAY186 [3:0] WSEQ_DATA_START186 [3:0] WSEQ_DATA186 [7:0]
R12662
(3176h)
WSEQ_Sequence_188
WSEQ_DATA_WIDTH187 [2:0] WSEQ_ADDR187 [12:0]
0000F000h
WSEQ_DELAY187 [3:0] WSEQ_DATA_START187 [3:0] WSEQ_DATA187 [7:0]
R12664
(3178h)
WSEQ_Sequence_189
WSEQ_DATA_WIDTH188 [2:0] WSEQ_ADDR188 [12:0]
0000F000h
WSEQ_DELAY188 [3:0] WSEQ_DATA_START188 [3:0] WSEQ_DATA188 [7:0]
R12666
(317Ah)
WSEQ_Sequence_190
WSEQ_DATA_WIDTH189 [2:0] WSEQ_ADDR189 [12:0]
0000F000h
WSEQ_DELAY189 [3:0] WSEQ_DATA_START189 [3:0] WSEQ_DATA189 [7:0]
R12668
(317Ch)
WSEQ_Sequence_191
WSEQ_DATA_WIDTH190 [2:0] WSEQ_ADDR190 [12:0]
0000F000h
WSEQ_DELAY190 [3:0] WSEQ_DATA_START190 [3:0] WSEQ_DATA190 [7:0]
R12670
(317Eh)
WSEQ_Sequence_192
WSEQ_DATA_WIDTH191 [2:0] WSEQ_ADDR191 [12:0]
02293A01h
WSEQ_DELAY191 [3:0] WSEQ_DATA_START191 [3:0] WSEQ_DATA191 [7:0]
R12672
(3180h)
WSEQ_Sequence_193
WSEQ_DATA_WIDTH192 [2:0] WSEQ_ADDR192 [12:0]
C2291300h
WSEQ_DELAY192 [3:0] WSEQ_DATA_START192 [3:0] WSEQ_DATA192 [7:0]
R12674
(3182h)
WSEQ_Sequence_194
WSEQ_DATA_WIDTH193 [2:0] WSEQ_ADDR193 [12:0]
02290B00h
WSEQ_DELAY193 [3:0] WSEQ_DATA_START193 [3:0] WSEQ_DATA193 [7:0]
R12676
(3184h)
WSEQ_Sequence_195
WSEQ_DATA_WIDTH194 [2:0] WSEQ_ADDR194 [12:0]
0229FF01h
WSEQ_DELAY194 [3:0] WSEQ_DATA_START194 [3:0] WSEQ_DATA194 [7:0]
R12678
(3186h)
WSEQ_Sequence_196
WSEQ_DATA_WIDTH195 [2:0] WSEQ_ADDR195 [12:0]
0000F000h
WSEQ_DELAY195 [3:0] WSEQ_DATA_START195 [3:0] WSEQ_DATA195 [7:0]
Table 6-2. Register Map Definition—32-bit region (Cont.)
Register Name 31
15
30
14
29
13
28
12
27
11
26
10
25
9
24
8
23
7
22
6
21
5
20
4
19
3
18
2
17
1
16
0 Default
_‘ __— __— _— _— CIRRUS LOGIC”
DS1162F1 317
CS42L92
6 Register Map
R12680
(3188h)
WSEQ_Sequence_197
WSEQ_DATA_WIDTH196 [2:0] WSEQ_ADDR196 [12:0]
0000F000h
WSEQ_DELAY196 [3:0] WSEQ_DATA_START196 [3:0] WSEQ_DATA196 [7:0]
R12682
(318Ah)
WSEQ_Sequence_198
WSEQ_DATA_WIDTH197 [2:0] WSEQ_ADDR197 [12:0]
0000F000h
WSEQ_DELAY197 [3:0] WSEQ_DATA_START197 [3:0] WSEQ_DATA197 [7:0]
R12684
(318Ch)
WSEQ_Sequence_199
WSEQ_DATA_WIDTH198 [2:0] WSEQ_ADDR198 [12:0]
0000F000h
WSEQ_DELAY198 [3:0] WSEQ_DATA_START198 [3:0] WSEQ_DATA198 [7:0]
R12686
(318Eh)
WSEQ_Sequence_200
WSEQ_DATA_WIDTH199 [2:0] WSEQ_ADDR199 [12:0]
0000F000h
WSEQ_DELAY199 [3:0] WSEQ_DATA_START199 [3:0] WSEQ_DATA199 [7:0]
R12688
(3190h)
WSEQ_Sequence_201
WSEQ_DATA_WIDTH200 [2:0] WSEQ_ADDR200 [12:0]
0000F000h
WSEQ_DELAY200 [3:0] WSEQ_DATA_START200 [3:0] WSEQ_DATA200 [7:0]
R12690
(3192h)
WSEQ_Sequence_202
WSEQ_DATA_WIDTH201 [2:0] WSEQ_ADDR201 [12:0]
0000F000h
WSEQ_DELAY201 [3:0] WSEQ_DATA_START201 [3:0] WSEQ_DATA201 [7:0]
R12692
(3194h)
WSEQ_Sequence_203
WSEQ_DATA_WIDTH202 [2:0] WSEQ_ADDR202 [12:0]
0000F000h
WSEQ_DELAY202 [3:0] WSEQ_DATA_START202 [3:0] WSEQ_DATA202 [7:0]
R12694
(3196h)
WSEQ_Sequence_204
WSEQ_DATA_WIDTH203 [2:0] WSEQ_ADDR203 [12:0]
0000F000h
WSEQ_DELAY203 [3:0] WSEQ_DATA_START203 [3:0] WSEQ_DATA203 [7:0]
R12696
(3198h)
WSEQ_Sequence_205
WSEQ_DATA_WIDTH204 [2:0] WSEQ_ADDR204 [12:0]
822A3719h
WSEQ_DELAY204 [3:0] WSEQ_DATA_START204 [3:0] WSEQ_DATA204 [7:0]
R12698
(319Ah)
WSEQ_Sequence_206
WSEQ_DATA_WIDTH205 [2:0] WSEQ_ADDR205 [12:0]
C2500001h
WSEQ_DELAY205 [3:0] WSEQ_DATA_START205 [3:0] WSEQ_DATA205 [7:0]
R12700
(319Ch)
WSEQ_Sequence_207
WSEQ_DATA_WIDTH206 [2:0] WSEQ_ADDR206 [12:0]
022A1301h
WSEQ_DELAY206 [3:0] WSEQ_DATA_START206 [3:0] WSEQ_DATA206 [7:0]
R12702
(319Eh)
WSEQ_Sequence_208
WSEQ_DATA_WIDTH207 [2:0] WSEQ_ADDR207 [12:0]
822A191Fh
WSEQ_DELAY207 [3:0] WSEQ_DATA_START207 [3:0] WSEQ_DATA207 [7:0]
R12704
(31A0h)
WSEQ_Sequence_209
WSEQ_DATA_WIDTH208 [2:0] WSEQ_ADDR208 [12:0]
82510B02h
WSEQ_DELAY208 [3:0] WSEQ_DATA_START208 [3:0] WSEQ_DATA208 [7:0]
R12706
(31A2h)
WSEQ_Sequence_210
WSEQ_DATA_WIDTH209 [2:0] WSEQ_ADDR209 [12:0]
E251023Bh
WSEQ_DELAY209 [3:0] WSEQ_DATA_START209 [3:0] WSEQ_DATA209 [7:0]
R12708
(31A4h)
WSEQ_Sequence_211
WSEQ_DATA_WIDTH210 [2:0] WSEQ_ADDR210 [12:0]
02513B01h
WSEQ_DELAY210 [3:0] WSEQ_DATA_START210 [3:0] WSEQ_DATA210 [7:0]
R12710
(31A6h)
WSEQ_Sequence_212
WSEQ_DATA_WIDTH211 [2:0] WSEQ_ADDR211 [12:0]
62500000h
WSEQ_DELAY211 [3:0] WSEQ_DATA_START211 [3:0] WSEQ_DATA211 [7:0]
R12712
(31A8h)
WSEQ_Sequence_213
WSEQ_DATA_WIDTH212 [2:0] WSEQ_ADDR212 [12:0]
E2514288h
WSEQ_DELAY212 [3:0] WSEQ_DATA_START212 [3:0] WSEQ_DATA212 [7:0]
R12714
(31AAh)
WSEQ_Sequence_214
WSEQ_DATA_WIDTH213 [2:0] WSEQ_ADDR213 [12:0]
02510B00h
WSEQ_DELAY213 [3:0] WSEQ_DATA_START213 [3:0] WSEQ_DATA213 [7:0]
R12716
(31ACh)
WSEQ_Sequence_215
WSEQ_DATA_WIDTH214 [2:0] WSEQ_ADDR214 [12:0]
02510B00h
WSEQ_DELAY214 [3:0] WSEQ_DATA_START214 [3:0] WSEQ_DATA214 [7:0]
R12718
(31AEh)
WSEQ_Sequence_216
WSEQ_DATA_WIDTH215 [2:0] WSEQ_ADDR215 [12:0]
022A0E01h
WSEQ_DELAY215 [3:0] WSEQ_DATA_START215 [3:0] WSEQ_DATA215 [7:0]
R12720
(31B0h)
WSEQ_Sequence_217
WSEQ_DATA_WIDTH216 [2:0] WSEQ_ADDR216 [12:0]
42510C03h
WSEQ_DELAY216 [3:0] WSEQ_DATA_START216 [3:0] WSEQ_DATA216 [7:0]
R12722
(31B2h)
WSEQ_Sequence_218
WSEQ_DATA_WIDTH217 [2:0] WSEQ_ADDR217 [12:0]
E2510227h
WSEQ_DELAY217 [3:0] WSEQ_DATA_START217 [3:0] WSEQ_DATA217 [7:0]
R12724
(31B4h)
WSEQ_Sequence_219
WSEQ_DATA_WIDTH218 [2:0] WSEQ_ADDR218 [12:0]
02513B01h
WSEQ_DELAY218 [3:0] WSEQ_DATA_START218 [3:0] WSEQ_DATA218 [7:0]
R12726
(31B6h)
WSEQ_Sequence_220
WSEQ_DATA_WIDTH219 [2:0] WSEQ_ADDR219 [12:0]
E2514266h
WSEQ_DELAY219 [3:0] WSEQ_DATA_START219 [3:0] WSEQ_DATA219 [7:0]
R12728
(31B8h)
WSEQ_Sequence_221
WSEQ_DATA_WIDTH220 [2:0] WSEQ_ADDR220 [12:0]
E2515294h
WSEQ_DELAY220 [3:0] WSEQ_DATA_START220 [3:0] WSEQ_DATA220 [7:0]
R12730
(31BAh)
WSEQ_Sequence_222
WSEQ_DATA_WIDTH221 [2:0] WSEQ_ADDR221 [12:0]
02510B00h
WSEQ_DELAY221 [3:0] WSEQ_DATA_START221 [3:0] WSEQ_DATA221 [7:0]
R12732
(31BCh)
WSEQ_Sequence_223
WSEQ_DATA_WIDTH222 [2:0] WSEQ_ADDR222 [12:0]
02510B00h
WSEQ_DELAY222 [3:0] WSEQ_DATA_START222 [3:0] WSEQ_DATA222 [7:0]
R12734
(31BEh)
WSEQ_Sequence_224
WSEQ_DATA_WIDTH223 [2:0] WSEQ_ADDR223 [12:0]
E22A1734h
WSEQ_DELAY223 [3:0] WSEQ_DATA_START223 [3:0] WSEQ_DATA223 [7:0]
R12736
(31C0h)
WSEQ_Sequence_225
WSEQ_DATA_WIDTH224 [2:0] WSEQ_ADDR224 [12:0]
022AF501h
WSEQ_DELAY224 [3:0] WSEQ_DATA_START224 [3:0] WSEQ_DATA224 [7:0]
R12738
(31C2h)
WSEQ_Sequence_226
WSEQ_DATA_WIDTH225 [2:0] WSEQ_ADDR225 [12:0]
0000F000h
WSEQ_DELAY225 [3:0] WSEQ_DATA_START225 [3:0] WSEQ_DATA225 [7:0]
R12740
(31C4h)
WSEQ_Sequence_227
WSEQ_DATA_WIDTH226 [2:0] WSEQ_ADDR226 [12:0]
0000F000h
WSEQ_DELAY226 [3:0] WSEQ_DATA_START226 [3:0] WSEQ_DATA226 [7:0]
R12742
(31C6h)
WSEQ_Sequence_228
WSEQ_DATA_WIDTH227 [2:0] WSEQ_ADDR227 [12:0]
0000F000h
WSEQ_DELAY227 [3:0] WSEQ_DATA_START227 [3:0] WSEQ_DATA227 [7:0]
R12744
(31C8h)
WSEQ_Sequence_229
WSEQ_DATA_WIDTH228 [2:0] WSEQ_ADDR228 [12:0]
0000F000h
WSEQ_DELAY228 [3:0] WSEQ_DATA_START228 [3:0] WSEQ_DATA228 [7:0]
R12746
(31CAh)
WSEQ_Sequence_230
WSEQ_DATA_WIDTH229 [2:0] WSEQ_ADDR229 [12:0]
0000F000h
WSEQ_DELAY229 [3:0] WSEQ_DATA_START229 [3:0] WSEQ_DATA229 [7:0]
R12748
(31CCh)
WSEQ_Sequence_231
WSEQ_DATA_WIDTH230 [2:0] WSEQ_ADDR230 [12:0]
0000F000h
WSEQ_DELAY230 [3:0] WSEQ_DATA_START230 [3:0] WSEQ_DATA230 [7:0]
R12750
(31CEh)
WSEQ_Sequence_232
WSEQ_DATA_WIDTH231 [2:0] WSEQ_ADDR231 [12:0]
022A3A01h
WSEQ_DELAY231 [3:0] WSEQ_DATA_START231 [3:0] WSEQ_DATA231 [7:0]
Table 6-2. Register Map Definition—32-bit region (Cont.)
Register Name 31
15
30
14
29
13
28
12
27
11
26
10
25
9
24
8
23
7
22
6
21
5
20
4
19
3
18
2
17
1
16
0 Default
_‘ __— __— _— _— CIRRUS LOGIC”
318 DS1162F1
CS42L92
6 Register Map
R12752
(31D0h)
WSEQ_Sequence_233
WSEQ_DATA_WIDTH232 [2:0] WSEQ_ADDR232 [12:0]
C22A1300h
WSEQ_DELAY232 [3:0] WSEQ_DATA_START232 [3:0] WSEQ_DATA232 [7:0]
R12754
(31D2h)
WSEQ_Sequence_234
WSEQ_DATA_WIDTH233 [2:0] WSEQ_ADDR233 [12:0]
022A0B00h
WSEQ_DELAY233 [3:0] WSEQ_DATA_START233 [3:0] WSEQ_DATA233 [7:0]
R12756
(31D4h)
WSEQ_Sequence_235
WSEQ_DATA_WIDTH234 [2:0] WSEQ_ADDR234 [12:0]
022AFF01h
WSEQ_DELAY234 [3:0] WSEQ_DATA_START234 [3:0] WSEQ_DATA234 [7:0]
R12758
(31D6h)
WSEQ_Sequence_236
WSEQ_DATA_WIDTH235 [2:0] WSEQ_ADDR235 [12:0]
0000F000h
WSEQ_DELAY235 [3:0] WSEQ_DATA_START235 [3:0] WSEQ_DATA235 [7:0]
R12760
(31D8h)
WSEQ_Sequence_237
WSEQ_DATA_WIDTH236 [2:0] WSEQ_ADDR236 [12:0]
0000F000h
WSEQ_DELAY236 [3:0] WSEQ_DATA_START236 [3:0] WSEQ_DATA236 [7:0]
R12762
(31DAh)
WSEQ_Sequence_238
WSEQ_DATA_WIDTH237 [2:0] WSEQ_ADDR237 [12:0]
0000F000h
WSEQ_DELAY237 [3:0] WSEQ_DATA_START237 [3:0] WSEQ_DATA237 [7:0]
R12764
(31DCh)
WSEQ_Sequence_239
WSEQ_DATA_WIDTH238 [2:0] WSEQ_ADDR238 [12:0]
0000F000h
WSEQ_DELAY238 [3:0] WSEQ_DATA_START238 [3:0] WSEQ_DATA238 [7:0]
R12766
(31DEh)
WSEQ_Sequence_240
WSEQ_DATA_WIDTH239 [2:0] WSEQ_ADDR239 [12:0]
0000F000h
WSEQ_DELAY239 [3:0] WSEQ_DATA_START239 [3:0] WSEQ_DATA239 [7:0]
R12768
(31E0h)
WSEQ_Sequence_241
WSEQ_DATA_WIDTH240 [2:0] WSEQ_ADDR240 [12:0]
0000F000h
WSEQ_DELAY240 [3:0] WSEQ_DATA_START240 [3:0] WSEQ_DATA240 [7:0]
R12770
(31E2h)
WSEQ_Sequence_242
WSEQ_DATA_WIDTH241 [2:0] WSEQ_ADDR241 [12:0]
0000F000h
WSEQ_DELAY241 [3:0] WSEQ_DATA_START241 [3:0] WSEQ_DATA241 [7:0]
R12772
(31E4h)
WSEQ_Sequence_243
WSEQ_DATA_WIDTH242 [2:0] WSEQ_ADDR242 [12:0]
0000F000h
WSEQ_DELAY242 [3:0] WSEQ_DATA_START242 [3:0] WSEQ_DATA242 [7:0]
R12774
(31E6h)
WSEQ_Sequence_244
WSEQ_DATA_WIDTH243 [2:0] WSEQ_ADDR243 [12:0]
0000F000h
WSEQ_DELAY243 [3:0] WSEQ_DATA_START243 [3:0] WSEQ_DATA243 [7:0]
R12776
(31E8h)
WSEQ_Sequence_245
WSEQ_DATA_WIDTH244 [2:0] WSEQ_ADDR244 [12:0]
0000F000h
WSEQ_DELAY244 [3:0] WSEQ_DATA_START244 [3:0] WSEQ_DATA244 [7:0]
R12778
(31EAh)
WSEQ_Sequence_246
WSEQ_DATA_WIDTH245 [2:0] WSEQ_ADDR245 [12:0]
0000F000h
WSEQ_DELAY245 [3:0] WSEQ_DATA_START245 [3:0] WSEQ_DATA245 [7:0]
R12780
(31ECh)
WSEQ_Sequence_247
WSEQ_DATA_WIDTH246 [2:0] WSEQ_ADDR246 [12:0]
0000F000h
WSEQ_DELAY246 [3:0] WSEQ_DATA_START246 [3:0] WSEQ_DATA246 [7:0]
R12782
(31EEh)
WSEQ_Sequence_248
WSEQ_DATA_WIDTH247 [2:0] WSEQ_ADDR247 [12:0]
0000F000h
WSEQ_DELAY247 [3:0] WSEQ_DATA_START247 [3:0] WSEQ_DATA247 [7:0]
R12784
(31F0h)
WSEQ_Sequence_249
WSEQ_DATA_WIDTH248 [2:0] WSEQ_ADDR248 [12:0]
0000F000h
WSEQ_DELAY248 [3:0] WSEQ_DATA_START248 [3:0] WSEQ_DATA248 [7:0]
R12786
(31F2h)
WSEQ_Sequence_250
WSEQ_DATA_WIDTH249 [2:0] WSEQ_ADDR249 [12:0]
0000F000h
WSEQ_DELAY249 [3:0] WSEQ_DATA_START249 [3:0] WSEQ_DATA249 [7:0]
R12788
(31F4h)
WSEQ_Sequence_251
WSEQ_DATA_WIDTH250 [2:0] WSEQ_ADDR250 [12:0]
0000F000h
WSEQ_DELAY250 [3:0] WSEQ_DATA_START250 [3:0] WSEQ_DATA250 [7:0]
R12790
(31F6h)
WSEQ_Sequence_252
WSEQ_DATA_WIDTH251 [2:0] WSEQ_ADDR251 [12:0]
0000F000h
WSEQ_DELAY251 [3:0] WSEQ_DATA_START251 [3:0] WSEQ_DATA251 [7:0]
R12792
(31F8h)
WSEQ_Sequence_253
WSEQ_DATA_WIDTH252 [2:0] WSEQ_ADDR252 [12:0]
0000F000h
WSEQ_DELAY252 [3:0] WSEQ_DATA_START252 [3:0] WSEQ_DATA252 [7:0]
R12794
(31FAh)
WSEQ_Sequence_254
WSEQ_DATA_WIDTH253 [2:0] WSEQ_ADDR253 [12:0]
0000F000h
WSEQ_DELAY253 [3:0] WSEQ_DATA_START253 [3:0] WSEQ_DATA253 [7:0]
R12796
(31FCh)
WSEQ_Sequence_255
WSEQ_DATA_WIDTH254 [2:0] WSEQ_ADDR254 [12:0]
0000F000h
WSEQ_DELAY254 [3:0] WSEQ_DATA_START254 [3:0] WSEQ_DATA254 [7:0]
R12798
(31FEh)
WSEQ_Sequence_256
WSEQ_DATA_WIDTH255 [2:0] WSEQ_ADDR255 [12:0]
0000F000h
WSEQ_DELAY255 [3:0] WSEQ_DATA_START255 [3:0] WSEQ_DATA255 [7:0]
R12800
(3200h)
WSEQ_Sequence_257
WSEQ_DATA_WIDTH256 [2:0] WSEQ_ADDR256 [12:0]
0000F000h
WSEQ_DELAY256 [3:0] WSEQ_DATA_START256 [3:0] WSEQ_DATA256 [7:0]
R12802
(3202h)
WSEQ_Sequence_258
WSEQ_DATA_WIDTH257 [2:0] WSEQ_ADDR257 [12:0]
0000F000h
WSEQ_DELAY257 [3:0] WSEQ_DATA_START257 [3:0] WSEQ_DATA257 [7:0]
R12804
(3204h)
WSEQ_Sequence_259
WSEQ_DATA_WIDTH258 [2:0] WSEQ_ADDR258 [12:0]
0000F000h
WSEQ_DELAY258 [3:0] WSEQ_DATA_START258 [3:0] WSEQ_DATA258 [7:0]
R12806
(3206h)
WSEQ_Sequence_260
WSEQ_DATA_WIDTH259 [2:0] WSEQ_ADDR259 [12:0]
0000F000h
WSEQ_DELAY259 [3:0] WSEQ_DATA_START259 [3:0] WSEQ_DATA259 [7:0]
R12808
(3208h)
WSEQ_Sequence_261
WSEQ_DATA_WIDTH260 [2:0] WSEQ_ADDR260 [12:0]
0000F000h
WSEQ_DELAY260 [3:0] WSEQ_DATA_START260 [3:0] WSEQ_DATA260 [7:0]
R12810
(320Ah)
WSEQ_Sequence_262
WSEQ_DATA_WIDTH261 [2:0] WSEQ_ADDR261 [12:0]
0000F000h
WSEQ_DELAY261 [3:0] WSEQ_DATA_START261 [3:0] WSEQ_DATA261 [7:0]
R12812
(320Ch)
WSEQ_Sequence_263
WSEQ_DATA_WIDTH262 [2:0] WSEQ_ADDR262 [12:0]
0000F000h
WSEQ_DELAY262 [3:0] WSEQ_DATA_START262 [3:0] WSEQ_DATA262 [7:0]
R12814
(320Eh)
WSEQ_Sequence_264
WSEQ_DATA_WIDTH263 [2:0] WSEQ_ADDR263 [12:0]
0000F000h
WSEQ_DELAY263 [3:0] WSEQ_DATA_START263 [3:0] WSEQ_DATA263 [7:0]
R12816
(3210h)
WSEQ_Sequence_265
WSEQ_DATA_WIDTH264 [2:0] WSEQ_ADDR264 [12:0]
0000F000h
WSEQ_DELAY264 [3:0] WSEQ_DATA_START264 [3:0] WSEQ_DATA264 [7:0]
R12818
(3212h)
WSEQ_Sequence_266
WSEQ_DATA_WIDTH265 [2:0] WSEQ_ADDR265 [12:0]
0000F000h
WSEQ_DELAY265 [3:0] WSEQ_DATA_START265 [3:0] WSEQ_DATA265 [7:0]
R12820
(3214h)
WSEQ_Sequence_267
WSEQ_DATA_WIDTH266 [2:0] WSEQ_ADDR266 [12:0]
0000F000h
WSEQ_DELAY266 [3:0] WSEQ_DATA_START266 [3:0] WSEQ_DATA266 [7:0]
R12822
(3216h)
WSEQ_Sequence_268
WSEQ_DATA_WIDTH267 [2:0] WSEQ_ADDR267 [12:0]
0000F000h
WSEQ_DELAY267 [3:0] WSEQ_DATA_START267 [3:0] WSEQ_DATA267 [7:0]
Table 6-2. Register Map Definition—32-bit region (Cont.)
Register Name 31
15
30
14
29
13
28
12
27
11
26
10
25
9
24
8
23
7
22
6
21
5
20
4
19
3
18
2
17
1
16
0 Default
_‘ __— __— _— _— CIRRUS LOGIC”
DS1162F1 319
CS42L92
6 Register Map
R12824
(3218h)
WSEQ_Sequence_269
WSEQ_DATA_WIDTH268 [2:0] WSEQ_ADDR268 [12:0]
0000F000h
WSEQ_DELAY268 [3:0] WSEQ_DATA_START268 [3:0] WSEQ_DATA268 [7:0]
R12826
(321Ah)
WSEQ_Sequence_270
WSEQ_DATA_WIDTH269 [2:0] WSEQ_ADDR269 [12:0]
0000F000h
WSEQ_DELAY269 [3:0] WSEQ_DATA_START269 [3:0] WSEQ_DATA269 [7:0]
R12828
(321Ch)
WSEQ_Sequence_271
WSEQ_DATA_WIDTH270 [2:0] WSEQ_ADDR270 [12:0]
0000F000h
WSEQ_DELAY270 [3:0] WSEQ_DATA_START270 [3:0] WSEQ_DATA270 [7:0]
R12830
(321Eh)
WSEQ_Sequence_272
WSEQ_DATA_WIDTH271 [2:0] WSEQ_ADDR271 [12:0]
0000F000h
WSEQ_DELAY271 [3:0] WSEQ_DATA_START271 [3:0] WSEQ_DATA271 [7:0]
R12832
(3220h)
WSEQ_Sequence_273
WSEQ_DATA_WIDTH272 [2:0] WSEQ_ADDR272 [12:0]
0000F000h
WSEQ_DELAY272 [3:0] WSEQ_DATA_START272 [3:0] WSEQ_DATA272 [7:0]
R12834
(3222h)
WSEQ_Sequence_274
WSEQ_DATA_WIDTH273 [2:0] WSEQ_ADDR273 [12:0]
0000F000h
WSEQ_DELAY273 [3:0] WSEQ_DATA_START273 [3:0] WSEQ_DATA273 [7:0]
R12836
(3224h)
WSEQ_Sequence_275
WSEQ_DATA_WIDTH274 [2:0] WSEQ_ADDR274 [12:0]
0000F000h
WSEQ_DELAY274 [3:0] WSEQ_DATA_START274 [3:0] WSEQ_DATA274 [7:0]
R12838
(3226h)
WSEQ_Sequence_276
WSEQ_DATA_WIDTH275 [2:0] WSEQ_ADDR275 [12:0]
0000F000h
WSEQ_DELAY275 [3:0] WSEQ_DATA_START275 [3:0] WSEQ_DATA275 [7:0]
R12840
(3228h)
WSEQ_Sequence_277
WSEQ_DATA_WIDTH276 [2:0] WSEQ_ADDR276 [12:0]
0000F000h
WSEQ_DELAY276 [3:0] WSEQ_DATA_START276 [3:0] WSEQ_DATA276 [7:0]
R12842
(322Ah)
WSEQ_Sequence_278
WSEQ_DATA_WIDTH277 [2:0] WSEQ_ADDR277 [12:0]
0000F000h
WSEQ_DELAY277 [3:0] WSEQ_DATA_START277 [3:0] WSEQ_DATA277 [7:0]
R12844
(322Ch)
WSEQ_Sequence_279
WSEQ_DATA_WIDTH278 [2:0] WSEQ_ADDR278 [12:0]
0000F000h
WSEQ_DELAY278 [3:0] WSEQ_DATA_START278 [3:0] WSEQ_DATA278 [7:0]
R12846
(322Eh)
WSEQ_Sequence_280
WSEQ_DATA_WIDTH279 [2:0] WSEQ_ADDR279 [12:0]
0000F000h
WSEQ_DELAY279 [3:0] WSEQ_DATA_START279 [3:0] WSEQ_DATA279 [7:0]
R12848
(3230h)
WSEQ_Sequence_281
WSEQ_DATA_WIDTH280 [2:0] WSEQ_ADDR280 [12:0]
0000F000h
WSEQ_DELAY280 [3:0] WSEQ_DATA_START280 [3:0] WSEQ_DATA280 [7:0]
R12850
(3232h)
WSEQ_Sequence_282
WSEQ_DATA_WIDTH281 [2:0] WSEQ_ADDR281 [12:0]
0000F000h
WSEQ_DELAY281 [3:0] WSEQ_DATA_START281 [3:0] WSEQ_DATA281 [7:0]
R12852
(3234h)
WSEQ_Sequence_283
WSEQ_DATA_WIDTH282 [2:0] WSEQ_ADDR282 [12:0]
0000F000h
WSEQ_DELAY282 [3:0] WSEQ_DATA_START282 [3:0] WSEQ_DATA282 [7:0]
R12854
(3236h)
WSEQ_Sequence_284
WSEQ_DATA_WIDTH283 [2:0] WSEQ_ADDR283 [12:0]
0000F000h
WSEQ_DELAY283 [3:0] WSEQ_DATA_START283 [3:0] WSEQ_DATA283 [7:0]
R12856
(3238h)
WSEQ_Sequence_285
WSEQ_DATA_WIDTH284 [2:0] WSEQ_ADDR284 [12:0]
0000F000h
WSEQ_DELAY284 [3:0] WSEQ_DATA_START284 [3:0] WSEQ_DATA284 [7:0]
R12858
(323Ah)
WSEQ_Sequence_286
WSEQ_DATA_WIDTH285 [2:0] WSEQ_ADDR285 [12:0]
0000F000h
WSEQ_DELAY285 [3:0] WSEQ_DATA_START285 [3:0] WSEQ_DATA285 [7:0]
R12860
(323Ch)
WSEQ_Sequence_287
WSEQ_DATA_WIDTH286 [2:0] WSEQ_ADDR286 [12:0]
0000F000h
WSEQ_DELAY286 [3:0] WSEQ_DATA_START286 [3:0] WSEQ_DATA286 [7:0]
R12862
(323Eh)
WSEQ_Sequence_288
WSEQ_DATA_WIDTH287 [2:0] WSEQ_ADDR287 [12:0]
0000F000h
WSEQ_DELAY287 [3:0] WSEQ_DATA_START287 [3:0] WSEQ_DATA287 [7:0]
R12864
(3240h)
WSEQ_Sequence_289
WSEQ_DATA_WIDTH288 [2:0] WSEQ_ADDR288 [12:0]
0000F000h
WSEQ_DELAY288 [3:0] WSEQ_DATA_START288 [3:0] WSEQ_DATA288 [7:0]
R12866
(3242h)
WSEQ_Sequence_290
WSEQ_DATA_WIDTH289 [2:0] WSEQ_ADDR289 [12:0]
0000F000h
WSEQ_DELAY289 [3:0] WSEQ_DATA_START289 [3:0] WSEQ_DATA289 [7:0]
R12868
(3244h)
WSEQ_Sequence_291
WSEQ_DATA_WIDTH290 [2:0] WSEQ_ADDR290 [12:0]
0000F000h
WSEQ_DELAY290 [3:0] WSEQ_DATA_START290 [3:0] WSEQ_DATA290 [7:0]
R12870
(3246h)
WSEQ_Sequence_292
WSEQ_DATA_WIDTH291 [2:0] WSEQ_ADDR291 [12:0]
0000F000h
WSEQ_DELAY291 [3:0] WSEQ_DATA_START291 [3:0] WSEQ_DATA291 [7:0]
R12872
(3248h)
WSEQ_Sequence_293
WSEQ_DATA_WIDTH292 [2:0] WSEQ_ADDR292 [12:0]
0000F000h
WSEQ_DELAY292 [3:0] WSEQ_DATA_START292 [3:0] WSEQ_DATA292 [7:0]
R12874
(324Ah)
WSEQ_Sequence_294
WSEQ_DATA_WIDTH293 [2:0] WSEQ_ADDR293 [12:0]
0000F000h
WSEQ_DELAY293 [3:0] WSEQ_DATA_START293 [3:0] WSEQ_DATA293 [7:0]
R12876
(324Ch)
WSEQ_Sequence_295
WSEQ_DATA_WIDTH294 [2:0] WSEQ_ADDR294 [12:0]
0000F000h
WSEQ_DELAY294 [3:0] WSEQ_DATA_START294 [3:0] WSEQ_DATA294 [7:0]
R12878
(324Eh)
WSEQ_Sequence_296
WSEQ_DATA_WIDTH295 [2:0] WSEQ_ADDR295 [12:0]
0000F000h
WSEQ_DELAY295 [3:0] WSEQ_DATA_START295 [3:0] WSEQ_DATA295 [7:0]
R12880
(3250h)
WSEQ_Sequence_297
WSEQ_DATA_WIDTH296 [2:0] WSEQ_ADDR296 [12:0]
0000F000h
WSEQ_DELAY296 [3:0] WSEQ_DATA_START296 [3:0] WSEQ_DATA296 [7:0]
R12882
(3252h)
WSEQ_Sequence_298
WSEQ_DATA_WIDTH297 [2:0] WSEQ_ADDR297 [12:0]
0000F000h
WSEQ_DELAY297 [3:0] WSEQ_DATA_START297 [3:0] WSEQ_DATA297 [7:0]
R12884
(3254h)
WSEQ_Sequence_299
WSEQ_DATA_WIDTH298 [2:0] WSEQ_ADDR298 [12:0]
0000F000h
WSEQ_DELAY298 [3:0] WSEQ_DATA_START298 [3:0] WSEQ_DATA298 [7:0]
R12886
(3256h)
WSEQ_Sequence_300
WSEQ_DATA_WIDTH299 [2:0] WSEQ_ADDR299 [12:0]
0000F000h
WSEQ_DELAY299 [3:0] WSEQ_DATA_START299 [3:0] WSEQ_DATA299 [7:0]
R12888
(3258h)
WSEQ_Sequence_301
WSEQ_DATA_WIDTH300 [2:0] WSEQ_ADDR300 [12:0]
0000F000h
WSEQ_DELAY300 [3:0] WSEQ_DATA_START300 [3:0] WSEQ_DATA300 [7:0]
R12890
(325Ah)
WSEQ_Sequence_302
WSEQ_DATA_WIDTH301 [2:0] WSEQ_ADDR301 [12:0]
0000F000h
WSEQ_DELAY301 [3:0] WSEQ_DATA_START301 [3:0] WSEQ_DATA301 [7:0]
R12892
(325Ch)
WSEQ_Sequence_303
WSEQ_DATA_WIDTH302 [2:0] WSEQ_ADDR302 [12:0]
0000F000h
WSEQ_DELAY302 [3:0] WSEQ_DATA_START302 [3:0] WSEQ_DATA302 [7:0]
R12894
(325Eh)
WSEQ_Sequence_304
WSEQ_DATA_WIDTH303 [2:0] WSEQ_ADDR303 [12:0]
0000F000h
WSEQ_DELAY303 [3:0] WSEQ_DATA_START303 [3:0] WSEQ_DATA303 [7:0]
Table 6-2. Register Map Definition—32-bit region (Cont.)
Register Name 31
15
30
14
29
13
28
12
27
11
26
10
25
9
24
8
23
7
22
6
21
5
20
4
19
3
18
2
17
1
16
0 Default
_‘ __— __— _— _— CIRRUS LOGIC”
320 DS1162F1
CS42L92
6 Register Map
R12896
(3260h)
WSEQ_Sequence_305
WSEQ_DATA_WIDTH304 [2:0] WSEQ_ADDR304 [12:0]
0000F000h
WSEQ_DELAY304 [3:0] WSEQ_DATA_START304 [3:0] WSEQ_DATA304 [7:0]
R12898
(3262h)
WSEQ_Sequence_306
WSEQ_DATA_WIDTH305 [2:0] WSEQ_ADDR305 [12:0]
0000F000h
WSEQ_DELAY305 [3:0] WSEQ_DATA_START305 [3:0] WSEQ_DATA305 [7:0]
R12900
(3264h)
WSEQ_Sequence_307
WSEQ_DATA_WIDTH306 [2:0] WSEQ_ADDR306 [12:0]
0000F000h
WSEQ_DELAY306 [3:0] WSEQ_DATA_START306 [3:0] WSEQ_DATA306 [7:0]
R12902
(3266h)
WSEQ_Sequence_308
WSEQ_DATA_WIDTH307 [2:0] WSEQ_ADDR307 [12:0]
0000F000h
WSEQ_DELAY307 [3:0] WSEQ_DATA_START307 [3:0] WSEQ_DATA307 [7:0]
R12904
(3268h)
WSEQ_Sequence_309
WSEQ_DATA_WIDTH308 [2:0] WSEQ_ADDR308 [12:0]
0000F000h
WSEQ_DELAY308 [3:0] WSEQ_DATA_START308 [3:0] WSEQ_DATA308 [7:0]
R12906
(326Ah)
WSEQ_Sequence_310
WSEQ_DATA_WIDTH309 [2:0] WSEQ_ADDR309 [12:0]
0000F000h
WSEQ_DELAY309 [3:0] WSEQ_DATA_START309 [3:0] WSEQ_DATA309 [7:0]
R12908
(326Ch)
WSEQ_Sequence_311
WSEQ_DATA_WIDTH310 [2:0] WSEQ_ADDR310 [12:0]
0000F000h
WSEQ_DELAY310 [3:0] WSEQ_DATA_START310 [3:0] WSEQ_DATA310 [7:0]
R12910
(326Eh)
WSEQ_Sequence_312
WSEQ_DATA_WIDTH311 [2:0] WSEQ_ADDR311 [12:0]
0000F000h
WSEQ_DELAY311 [3:0] WSEQ_DATA_START311 [3:0] WSEQ_DATA311 [7:0]
R12912
(3270h)
WSEQ_Sequence_313
WSEQ_DATA_WIDTH312 [2:0] WSEQ_ADDR312 [12:0]
0000F000h
WSEQ_DELAY312 [3:0] WSEQ_DATA_START312 [3:0] WSEQ_DATA312 [7:0]
R12914
(3272h)
WSEQ_Sequence_314
WSEQ_DATA_WIDTH313 [2:0] WSEQ_ADDR313 [12:0]
0000F000h
WSEQ_DELAY313 [3:0] WSEQ_DATA_START313 [3:0] WSEQ_DATA313 [7:0]
R12916
(3274h)
WSEQ_Sequence_315
WSEQ_DATA_WIDTH314 [2:0] WSEQ_ADDR314 [12:0]
0000F000h
WSEQ_DELAY314 [3:0] WSEQ_DATA_START314 [3:0] WSEQ_DATA314 [7:0]
R12918
(3276h)
WSEQ_Sequence_316
WSEQ_DATA_WIDTH315 [2:0] WSEQ_ADDR315 [12:0]
0000F000h
WSEQ_DELAY315 [3:0] WSEQ_DATA_START315 [3:0] WSEQ_DATA315 [7:0]
R12920
(3278h)
WSEQ_Sequence_317
WSEQ_DATA_WIDTH316 [2:0] WSEQ_ADDR316 [12:0]
0000F000h
WSEQ_DELAY316 [3:0] WSEQ_DATA_START316 [3:0] WSEQ_DATA316 [7:0]
R12922
(327Ah)
WSEQ_Sequence_318
WSEQ_DATA_WIDTH317 [2:0] WSEQ_ADDR317 [12:0]
0000F000h
WSEQ_DELAY317 [3:0] WSEQ_DATA_START317 [3:0] WSEQ_DATA317 [7:0]
R12924
(327Ch)
WSEQ_Sequence_319
WSEQ_DATA_WIDTH318 [2:0] WSEQ_ADDR318 [12:0]
0000F000h
WSEQ_DELAY318 [3:0] WSEQ_DATA_START318 [3:0] WSEQ_DATA318 [7:0]
R12926
(327Eh)
WSEQ_Sequence_320
WSEQ_DATA_WIDTH319 [2:0] WSEQ_ADDR319 [12:0]
0000F000h
WSEQ_DELAY319 [3:0] WSEQ_DATA_START319 [3:0] WSEQ_DATA319 [7:0]
R12928
(3280h)
WSEQ_Sequence_321
WSEQ_DATA_WIDTH320 [2:0] WSEQ_ADDR320 [12:0]
0000F000h
WSEQ_DELAY320 [3:0] WSEQ_DATA_START320 [3:0] WSEQ_DATA320 [7:0]
R12930
(3282h)
WSEQ_Sequence_322
WSEQ_DATA_WIDTH321 [2:0] WSEQ_ADDR321 [12:0]
0000F000h
WSEQ_DELAY321 [3:0] WSEQ_DATA_START321 [3:0] WSEQ_DATA321 [7:0]
R12932
(3284h)
WSEQ_Sequence_323
WSEQ_DATA_WIDTH322 [2:0] WSEQ_ADDR322 [12:0]
0000F000h
WSEQ_DELAY322 [3:0] WSEQ_DATA_START322 [3:0] WSEQ_DATA322 [7:0]
R12934
(3286h)
WSEQ_Sequence_324
WSEQ_DATA_WIDTH323 [2:0] WSEQ_ADDR323 [12:0]
0000F000h
WSEQ_DELAY323 [3:0] WSEQ_DATA_START323 [3:0] WSEQ_DATA323 [7:0]
R12936
(3288h)
WSEQ_Sequence_325
WSEQ_DATA_WIDTH324 [2:0] WSEQ_ADDR324 [12:0]
0000F000h
WSEQ_DELAY324 [3:0] WSEQ_DATA_START324 [3:0] WSEQ_DATA324 [7:0]
R12938
(328Ah)
WSEQ_Sequence_326
WSEQ_DATA_WIDTH325 [2:0] WSEQ_ADDR325 [12:0]
0000F000h
WSEQ_DELAY325 [3:0] WSEQ_DATA_START325 [3:0] WSEQ_DATA325 [7:0]
R12940
(328Ch)
WSEQ_Sequence_327
WSEQ_DATA_WIDTH326 [2:0] WSEQ_ADDR326 [12:0]
0000F000h
WSEQ_DELAY326 [3:0] WSEQ_DATA_START326 [3:0] WSEQ_DATA326 [7:0]
R12942
(328Eh)
WSEQ_Sequence_328
WSEQ_DATA_WIDTH327 [2:0] WSEQ_ADDR327 [12:0]
0000F000h
WSEQ_DELAY327 [3:0] WSEQ_DATA_START327 [3:0] WSEQ_DATA327 [7:0]
R12944
(3290h)
WSEQ_Sequence_329
WSEQ_DATA_WIDTH328 [2:0] WSEQ_ADDR328 [12:0]
0000F000h
WSEQ_DELAY328 [3:0] WSEQ_DATA_START328 [3:0] WSEQ_DATA328 [7:0]
R12946
(3292h)
WSEQ_Sequence_330
WSEQ_DATA_WIDTH329 [2:0] WSEQ_ADDR329 [12:0]
0000F000h
WSEQ_DELAY329 [3:0] WSEQ_DATA_START329 [3:0] WSEQ_DATA329 [7:0]
R12948
(3294h)
WSEQ_Sequence_331
WSEQ_DATA_WIDTH330 [2:0] WSEQ_ADDR330 [12:0]
0000F000h
WSEQ_DELAY330 [3:0] WSEQ_DATA_START330 [3:0] WSEQ_DATA330 [7:0]
R12950
(3296h)
WSEQ_Sequence_332
WSEQ_DATA_WIDTH331 [2:0] WSEQ_ADDR331 [12:0]
0000F000h
WSEQ_DELAY331 [3:0] WSEQ_DATA_START331 [3:0] WSEQ_DATA331 [7:0]
R12952
(3298h)
WSEQ_Sequence_333
WSEQ_DATA_WIDTH332 [2:0] WSEQ_ADDR332 [12:0]
0000F000h
WSEQ_DELAY332 [3:0] WSEQ_DATA_START332 [3:0] WSEQ_DATA332 [7:0]
R12954
(329Ah)
WSEQ_Sequence_334
WSEQ_DATA_WIDTH333 [2:0] WSEQ_ADDR333 [12:0]
0000F000h
WSEQ_DELAY333 [3:0] WSEQ_DATA_START333 [3:0] WSEQ_DATA333 [7:0]
R12956
(329Ch)
WSEQ_Sequence_335
WSEQ_DATA_WIDTH334 [2:0] WSEQ_ADDR334 [12:0]
0000F000h
WSEQ_DELAY334 [3:0] WSEQ_DATA_START334 [3:0] WSEQ_DATA334 [7:0]
R12958
(329Eh)
WSEQ_Sequence_336
WSEQ_DATA_WIDTH335 [2:0] WSEQ_ADDR335 [12:0]
0000F000h
WSEQ_DELAY335 [3:0] WSEQ_DATA_START335 [3:0] WSEQ_DATA335 [7:0]
R12960
(32A0h)
WSEQ_Sequence_337
WSEQ_DATA_WIDTH336 [2:0] WSEQ_ADDR336 [12:0]
0000F000h
WSEQ_DELAY336 [3:0] WSEQ_DATA_START336 [3:0] WSEQ_DATA336 [7:0]
R12962
(32A2h)
WSEQ_Sequence_338
WSEQ_DATA_WIDTH337 [2:0] WSEQ_ADDR337 [12:0]
0000F000h
WSEQ_DELAY337 [3:0] WSEQ_DATA_START337 [3:0] WSEQ_DATA337 [7:0]
R12964
(32A4h)
WSEQ_Sequence_339
WSEQ_DATA_WIDTH338 [2:0] WSEQ_ADDR338 [12:0]
0000F000h
WSEQ_DELAY338 [3:0] WSEQ_DATA_START338 [3:0] WSEQ_DATA338 [7:0]
R12966
(32A6h)
WSEQ_Sequence_340
WSEQ_DATA_WIDTH339 [2:0] WSEQ_ADDR339 [12:0]
0000F000h
WSEQ_DELAY339 [3:0] WSEQ_DATA_START339 [3:0] WSEQ_DATA339 [7:0]
Table 6-2. Register Map Definition—32-bit region (Cont.)
Register Name 31
15
30
14
29
13
28
12
27
11
26
10
25
9
24
8
23
7
22
6
21
5
20
4
19
3
18
2
17
1
16
0 Default
_‘ __— __— _— _— CIRRUS LOGIC”
DS1162F1 321
CS42L92
6 Register Map
R12968
(32A8h)
WSEQ_Sequence_341
WSEQ_DATA_WIDTH340 [2:0] WSEQ_ADDR340 [12:0]
0000F000h
WSEQ_DELAY340 [3:0] WSEQ_DATA_START340 [3:0] WSEQ_DATA340 [7:0]
R12970
(32AAh)
WSEQ_Sequence_342
WSEQ_DATA_WIDTH341 [2:0] WSEQ_ADDR341 [12:0]
0000F000h
WSEQ_DELAY341 [3:0] WSEQ_DATA_START341 [3:0] WSEQ_DATA341 [7:0]
R12972
(32ACh)
WSEQ_Sequence_343
WSEQ_DATA_WIDTH342 [2:0] WSEQ_ADDR342 [12:0]
0000F000h
WSEQ_DELAY342 [3:0] WSEQ_DATA_START342 [3:0] WSEQ_DATA342 [7:0]
R12974
(32AEh)
WSEQ_Sequence_344
WSEQ_DATA_WIDTH343 [2:0] WSEQ_ADDR343 [12:0]
0000F000h
WSEQ_DELAY343 [3:0] WSEQ_DATA_START343 [3:0] WSEQ_DATA343 [7:0]
R12976
(32B0h)
WSEQ_Sequence_345
WSEQ_DATA_WIDTH344 [2:0] WSEQ_ADDR344 [12:0]
0000F000h
WSEQ_DELAY344 [3:0] WSEQ_DATA_START344 [3:0] WSEQ_DATA344 [7:0]
R12978
(32B2h)
WSEQ_Sequence_346
WSEQ_DATA_WIDTH345 [2:0] WSEQ_ADDR345 [12:0]
0000F000h
WSEQ_DELAY345 [3:0] WSEQ_DATA_START345 [3:0] WSEQ_DATA345 [7:0]
R12980
(32B4h)
WSEQ_Sequence_347
WSEQ_DATA_WIDTH346 [2:0] WSEQ_ADDR346 [12:0]
0000F000h
WSEQ_DELAY346 [3:0] WSEQ_DATA_START346 [3:0] WSEQ_DATA346 [7:0]
R12982
(32B6h)
WSEQ_Sequence_348
WSEQ_DATA_WIDTH347 [2:0] WSEQ_ADDR347 [12:0]
0000F000h
WSEQ_DELAY347 [3:0] WSEQ_DATA_START347 [3:0] WSEQ_DATA347 [7:0]
R12984
(32B8h)
WSEQ_Sequence_349
WSEQ_DATA_WIDTH348 [2:0] WSEQ_ADDR348 [12:0]
0000F000h
WSEQ_DELAY348 [3:0] WSEQ_DATA_START348 [3:0] WSEQ_DATA348 [7:0]
R12986
(32BAh)
WSEQ_Sequence_350
WSEQ_DATA_WIDTH349 [2:0] WSEQ_ADDR349 [12:0]
0000F000h
WSEQ_DELAY349 [3:0] WSEQ_DATA_START349 [3:0] WSEQ_DATA349 [7:0]
R12988
(32BCh)
WSEQ_Sequence_351
WSEQ_DATA_WIDTH350 [2:0] WSEQ_ADDR350 [12:0]
0000F000h
WSEQ_DELAY350 [3:0] WSEQ_DATA_START350 [3:0] WSEQ_DATA350 [7:0]
R12990
(32BEh)
WSEQ_Sequence_352
WSEQ_DATA_WIDTH351 [2:0] WSEQ_ADDR351 [12:0]
0000F000h
WSEQ_DELAY351 [3:0] WSEQ_DATA_START351 [3:0] WSEQ_DATA351 [7:0]
R12992
(32C0h)
WSEQ_Sequence_353
WSEQ_DATA_WIDTH352 [2:0] WSEQ_ADDR352 [12:0]
0000F000h
WSEQ_DELAY352 [3:0] WSEQ_DATA_START352 [3:0] WSEQ_DATA352 [7:0]
R12994
(32C2h)
WSEQ_Sequence_354
WSEQ_DATA_WIDTH353 [2:0] WSEQ_ADDR353 [12:0]
0000F000h
WSEQ_DELAY353 [3:0] WSEQ_DATA_START353 [3:0] WSEQ_DATA353 [7:0]
R12996
(32C4h)
WSEQ_Sequence_355
WSEQ_DATA_WIDTH354 [2:0] WSEQ_ADDR354 [12:0]
0000F000h
WSEQ_DELAY354 [3:0] WSEQ_DATA_START354 [3:0] WSEQ_DATA354 [7:0]
R12998
(32C6h)
WSEQ_Sequence_356
WSEQ_DATA_WIDTH355 [2:0] WSEQ_ADDR355 [12:0]
0000F000h
WSEQ_DELAY355 [3:0] WSEQ_DATA_START355 [3:0] WSEQ_DATA355 [7:0]
R13000
(32C8h)
WSEQ_Sequence_357
WSEQ_DATA_WIDTH356 [2:0] WSEQ_ADDR356 [12:0]
0000F000h
WSEQ_DELAY356 [3:0] WSEQ_DATA_START356 [3:0] WSEQ_DATA356 [7:0]
R13002
(32CAh)
WSEQ_Sequence_358
WSEQ_DATA_WIDTH357 [2:0] WSEQ_ADDR357 [12:0]
0000F000h
WSEQ_DELAY357 [3:0] WSEQ_DATA_START357 [3:0] WSEQ_DATA357 [7:0]
R13004
(32CCh)
WSEQ_Sequence_359
WSEQ_DATA_WIDTH358 [2:0] WSEQ_ADDR358 [12:0]
0000F000h
WSEQ_DELAY358 [3:0] WSEQ_DATA_START358 [3:0] WSEQ_DATA358 [7:0]
R13006
(32CEh)
WSEQ_Sequence_360
WSEQ_DATA_WIDTH359 [2:0] WSEQ_ADDR359 [12:0]
0000F000h
WSEQ_DELAY359 [3:0] WSEQ_DATA_START359 [3:0] WSEQ_DATA359 [7:0]
R13008
(32D0h)
WSEQ_Sequence_361
WSEQ_DATA_WIDTH360 [2:0] WSEQ_ADDR360 [12:0]
0000F000h
WSEQ_DELAY360 [3:0] WSEQ_DATA_START360 [3:0] WSEQ_DATA360 [7:0]
R13010
(32D2h)
WSEQ_Sequence_362
WSEQ_DATA_WIDTH361 [2:0] WSEQ_ADDR361 [12:0]
0000F000h
WSEQ_DELAY361 [3:0] WSEQ_DATA_START361 [3:0] WSEQ_DATA361 [7:0]
R13012
(32D4h)
WSEQ_Sequence_363
WSEQ_DATA_WIDTH362 [2:0] WSEQ_ADDR362 [12:0]
0000F000h
WSEQ_DELAY362 [3:0] WSEQ_DATA_START362 [3:0] WSEQ_DATA362 [7:0]
R13014
(32D6h)
WSEQ_Sequence_364
WSEQ_DATA_WIDTH363 [2:0] WSEQ_ADDR363 [12:0]
0000F000h
WSEQ_DELAY363 [3:0] WSEQ_DATA_START363 [3:0] WSEQ_DATA363 [7:0]
R13016
(32D8h)
WSEQ_Sequence_365
WSEQ_DATA_WIDTH364 [2:0] WSEQ_ADDR364 [12:0]
0000F000h
WSEQ_DELAY364 [3:0] WSEQ_DATA_START364 [3:0] WSEQ_DATA364 [7:0]
R13018
(32DAh)
WSEQ_Sequence_366
WSEQ_DATA_WIDTH365 [2:0] WSEQ_ADDR365 [12:0]
0000F000h
WSEQ_DELAY365 [3:0] WSEQ_DATA_START365 [3:0] WSEQ_DATA365 [7:0]
R13020
(32DCh)
WSEQ_Sequence_367
WSEQ_DATA_WIDTH366 [2:0] WSEQ_ADDR366 [12:0]
0000F000h
WSEQ_DELAY366 [3:0] WSEQ_DATA_START366 [3:0] WSEQ_DATA366 [7:0]
R13022
(32DEh)
WSEQ_Sequence_368
WSEQ_DATA_WIDTH367 [2:0] WSEQ_ADDR367 [12:0]
0000F000h
WSEQ_DELAY367 [3:0] WSEQ_DATA_START367 [3:0] WSEQ_DATA367 [7:0]
R13024
(32E0h)
WSEQ_Sequence_369
WSEQ_DATA_WIDTH368 [2:0] WSEQ_ADDR368 [12:0]
0000F000h
WSEQ_DELAY368 [3:0] WSEQ_DATA_START368 [3:0] WSEQ_DATA368 [7:0]
R13026
(32E2h)
WSEQ_Sequence_370
WSEQ_DATA_WIDTH369 [2:0] WSEQ_ADDR369 [12:0]
0000F000h
WSEQ_DELAY369 [3:0] WSEQ_DATA_START369 [3:0] WSEQ_DATA369 [7:0]
R13028
(32E4h)
WSEQ_Sequence_371
WSEQ_DATA_WIDTH370 [2:0] WSEQ_ADDR370 [12:0]
0000F000h
WSEQ_DELAY370 [3:0] WSEQ_DATA_START370 [3:0] WSEQ_DATA370 [7:0]
R13030
(32E6h)
WSEQ_Sequence_372
WSEQ_DATA_WIDTH371 [2:0] WSEQ_ADDR371 [12:0]
0000F000h
WSEQ_DELAY371 [3:0] WSEQ_DATA_START371 [3:0] WSEQ_DATA371 [7:0]
R13032
(32E8h)
WSEQ_Sequence_373
WSEQ_DATA_WIDTH372 [2:0] WSEQ_ADDR372 [12:0]
0000F000h
WSEQ_DELAY372 [3:0] WSEQ_DATA_START372 [3:0] WSEQ_DATA372 [7:0]
R13034
(32EAh)
WSEQ_Sequence_374
WSEQ_DATA_WIDTH373 [2:0] WSEQ_ADDR373 [12:0]
0000F000h
WSEQ_DELAY373 [3:0] WSEQ_DATA_START373 [3:0] WSEQ_DATA373 [7:0]
R13036
(32ECh)
WSEQ_Sequence_375
WSEQ_DATA_WIDTH374 [2:0] WSEQ_ADDR374 [12:0]
0000F000h
WSEQ_DELAY374 [3:0] WSEQ_DATA_START374 [3:0] WSEQ_DATA374 [7:0]
R13038
(32EEh)
WSEQ_Sequence_376
WSEQ_DATA_WIDTH375 [2:0] WSEQ_ADDR375 [12:0]
0000F000h
WSEQ_DELAY375 [3:0] WSEQ_DATA_START375 [3:0] WSEQ_DATA375 [7:0]
Table 6-2. Register Map Definition—32-bit region (Cont.)
Register Name 31
15
30
14
29
13
28
12
27
11
26
10
25
9
24
8
23
7
22
6
21
5
20
4
19
3
18
2
17
1
16
0 Default
_‘ __— __— _— _— CIRRUS LOGIC”
322 DS1162F1
CS42L92
6 Register Map
R13040
(32F0h)
WSEQ_Sequence_377
WSEQ_DATA_WIDTH376 [2:0] WSEQ_ADDR376 [12:0]
0000F000h
WSEQ_DELAY376 [3:0] WSEQ_DATA_START376 [3:0] WSEQ_DATA376 [7:0]
R13042
(32F2h)
WSEQ_Sequence_378
WSEQ_DATA_WIDTH377 [2:0] WSEQ_ADDR377 [12:0]
0000F000h
WSEQ_DELAY377 [3:0] WSEQ_DATA_START377 [3:0] WSEQ_DATA377 [7:0]
R13044
(32F4h)
WSEQ_Sequence_379
WSEQ_DATA_WIDTH378 [2:0] WSEQ_ADDR378 [12:0]
0000F000h
WSEQ_DELAY378 [3:0] WSEQ_DATA_START378 [3:0] WSEQ_DATA378 [7:0]
R13046
(32F6h)
WSEQ_Sequence_380
WSEQ_DATA_WIDTH379 [2:0] WSEQ_ADDR379 [12:0]
0000F000h
WSEQ_DELAY379 [3:0] WSEQ_DATA_START379 [3:0] WSEQ_DATA379 [7:0]
R13048
(32F8h)
WSEQ_Sequence_381
WSEQ_DATA_WIDTH380 [2:0] WSEQ_ADDR380 [12:0]
0000F000h
WSEQ_DELAY380 [3:0] WSEQ_DATA_START380 [3:0] WSEQ_DATA380 [7:0]
R13050
(32FAh)
WSEQ_Sequence_382
WSEQ_DATA_WIDTH381 [2:0] WSEQ_ADDR381 [12:0]
0000F000h
WSEQ_DELAY381 [3:0] WSEQ_DATA_START381 [3:0] WSEQ_DATA381 [7:0]
R13052
(32FCh)
WSEQ_Sequence_383
WSEQ_DATA_WIDTH382 [2:0] WSEQ_ADDR382 [12:0]
0000F000h
WSEQ_DELAY382 [3:0] WSEQ_DATA_START382 [3:0] WSEQ_DATA382 [7:0]
R13054
(32FEh)
WSEQ_Sequence_384
WSEQ_DATA_WIDTH383 [2:0] WSEQ_ADDR383 [12:0]
0000F000h
WSEQ_DELAY383 [3:0] WSEQ_DATA_START383 [3:0] WSEQ_DATA383 [7:0]
R13056
(3300h)
WSEQ_Sequence_385
WSEQ_DATA_WIDTH384 [2:0] WSEQ_ADDR384 [12:0]
FFFFFFFFh
WSEQ_DELAY384 [3:0] WSEQ_DATA_START384 [3:0] WSEQ_DATA384 [7:0]
R13058
(3302h)
WSEQ_Sequence_386
WSEQ_DATA_WIDTH385 [2:0] WSEQ_ADDR385 [12:0]
FFFFFFFFh
WSEQ_DELAY385 [3:0] WSEQ_DATA_START385 [3:0] WSEQ_DATA385 [7:0]
R13060
(3304h)
WSEQ_Sequence_387
WSEQ_DATA_WIDTH386 [2:0] WSEQ_ADDR386 [12:0]
FFFFFFFFh
WSEQ_DELAY386 [3:0] WSEQ_DATA_START386 [3:0] WSEQ_DATA386 [7:0]
R13062
(3306h)
WSEQ_Sequence_388
WSEQ_DATA_WIDTH387 [2:0] WSEQ_ADDR387 [12:0]
FFFFFFFFh
WSEQ_DELAY387 [3:0] WSEQ_DATA_START387 [3:0] WSEQ_DATA387 [7:0]
R13064
(3308h)
WSEQ_Sequence_389
WSEQ_DATA_WIDTH388 [2:0] WSEQ_ADDR388 [12:0]
FFFFFFFFh
WSEQ_DELAY388 [3:0] WSEQ_DATA_START388 [3:0] WSEQ_DATA388 [7:0]
R13066
(330Ah)
WSEQ_Sequence_390
WSEQ_DATA_WIDTH389 [2:0] WSEQ_ADDR389 [12:0]
FFFFFFFFh
WSEQ_DELAY389 [3:0] WSEQ_DATA_START389 [3:0] WSEQ_DATA389 [7:0]
R13068
(330Ch)
WSEQ_Sequence_391
WSEQ_DATA_WIDTH390 [2:0] WSEQ_ADDR390 [12:0]
FFFFFFFFh
WSEQ_DELAY390 [3:0] WSEQ_DATA_START390 [3:0] WSEQ_DATA390 [7:0]
R13070
(330Eh)
WSEQ_Sequence_392
WSEQ_DATA_WIDTH391 [2:0] WSEQ_ADDR391 [12:0]
FFFFFFFFh
WSEQ_DELAY391 [3:0] WSEQ_DATA_START391 [3:0] WSEQ_DATA391 [7:0]
R13072
(3310h)
WSEQ_Sequence_393
WSEQ_DATA_WIDTH392 [2:0] WSEQ_ADDR392 [12:0]
FFFFFFFFh
WSEQ_DELAY392 [3:0] WSEQ_DATA_START392 [3:0] WSEQ_DATA392 [7:0]
R13074
(3312h)
WSEQ_Sequence_394
WSEQ_DATA_WIDTH393 [2:0] WSEQ_ADDR393 [12:0]
FFFFFFFFh
WSEQ_DELAY393 [3:0] WSEQ_DATA_START393 [3:0] WSEQ_DATA393 [7:0]
R13076
(3314h)
WSEQ_Sequence_395
WSEQ_DATA_WIDTH394 [2:0] WSEQ_ADDR394 [12:0]
FFFFFFFFh
WSEQ_DELAY394 [3:0] WSEQ_DATA_START394 [3:0] WSEQ_DATA394 [7:0]
R13078
(3316h)
WSEQ_Sequence_396
WSEQ_DATA_WIDTH395 [2:0] WSEQ_ADDR395 [12:0]
FFFFFFFFh
WSEQ_DELAY395 [3:0] WSEQ_DATA_START395 [3:0] WSEQ_DATA395 [7:0]
R13080
(3318h)
WSEQ_Sequence_397
WSEQ_DATA_WIDTH396 [2:0] WSEQ_ADDR396 [12:0]
FFFFFFFFh
WSEQ_DELAY396 [3:0] WSEQ_DATA_START396 [3:0] WSEQ_DATA396 [7:0]
R13082
(331Ah)
WSEQ_Sequence_398
WSEQ_DATA_WIDTH397 [2:0] WSEQ_ADDR397 [12:0]
FFFFFFFFh
WSEQ_DELAY397 [3:0] WSEQ_DATA_START397 [3:0] WSEQ_DATA397 [7:0]
R13084
(331Ch)
WSEQ_Sequence_399
WSEQ_DATA_WIDTH398 [2:0] WSEQ_ADDR398 [12:0]
FFFFFFFFh
WSEQ_DELAY398 [3:0] WSEQ_DATA_START398 [3:0] WSEQ_DATA398 [7:0]
R13086
(331Eh)
WSEQ_Sequence_400
WSEQ_DATA_WIDTH399 [2:0] WSEQ_ADDR399 [12:0]
FFFFFFFFh
WSEQ_DELAY399 [3:0] WSEQ_DATA_START399 [3:0] WSEQ_DATA399 [7:0]
R13088
(3320h)
WSEQ_Sequence_401
WSEQ_DATA_WIDTH400 [2:0] WSEQ_ADDR400 [12:0]
FFFFFFFFh
WSEQ_DELAY400 [3:0] WSEQ_DATA_START400 [3:0] WSEQ_DATA400 [7:0]
R13090
(3322h)
WSEQ_Sequence_402
WSEQ_DATA_WIDTH401 [2:0] WSEQ_ADDR401 [12:0]
FFFFFFFFh
WSEQ_DELAY401 [3:0] WSEQ_DATA_START401 [3:0] WSEQ_DATA401 [7:0]
R13092
(3324h)
WSEQ_Sequence_403
WSEQ_DATA_WIDTH402 [2:0] WSEQ_ADDR402 [12:0]
FFFFFFFFh
WSEQ_DELAY402 [3:0] WSEQ_DATA_START402 [3:0] WSEQ_DATA402 [7:0]
R13094
(3326h)
WSEQ_Sequence_404
WSEQ_DATA_WIDTH403 [2:0] WSEQ_ADDR403 [12:0]
FFFFFFFFh
WSEQ_DELAY403 [3:0] WSEQ_DATA_START403 [3:0] WSEQ_DATA403 [7:0]
R13096
(3328h)
WSEQ_Sequence_405
WSEQ_DATA_WIDTH404 [2:0] WSEQ_ADDR404 [12:0]
FFFFFFFFh
WSEQ_DELAY404 [3:0] WSEQ_DATA_START404 [3:0] WSEQ_DATA404 [7:0]
R13098
(332Ah)
WSEQ_Sequence_406
WSEQ_DATA_WIDTH405 [2:0] WSEQ_ADDR405 [12:0]
FFFFFFFFh
WSEQ_DELAY405 [3:0] WSEQ_DATA_START405 [3:0] WSEQ_DATA405 [7:0]
R13100
(332Ch)
WSEQ_Sequence_407
WSEQ_DATA_WIDTH406 [2:0] WSEQ_ADDR406 [12:0]
FFFFFFFFh
WSEQ_DELAY406 [3:0] WSEQ_DATA_START406 [3:0] WSEQ_DATA406 [7:0]
R13102
(332Eh)
WSEQ_Sequence_408
WSEQ_DATA_WIDTH407 [2:0] WSEQ_ADDR407 [12:0]
FFFFFFFFh
WSEQ_DELAY407 [3:0] WSEQ_DATA_START407 [3:0] WSEQ_DATA407 [7:0]
R13104
(3330h)
WSEQ_Sequence_409
WSEQ_DATA_WIDTH408 [2:0] WSEQ_ADDR408 [12:0]
FFFFFFFFh
WSEQ_DELAY408 [3:0] WSEQ_DATA_START408 [3:0] WSEQ_DATA408 [7:0]
R13106
(3332h)
WSEQ_Sequence_410
WSEQ_DATA_WIDTH409 [2:0] WSEQ_ADDR409 [12:0]
FFFFFFFFh
WSEQ_DELAY409 [3:0] WSEQ_DATA_START409 [3:0] WSEQ_DATA409 [7:0]
R13108
(3334h)
WSEQ_Sequence_411
WSEQ_DATA_WIDTH410 [2:0] WSEQ_ADDR410 [12:0]
FFFFFFFFh
WSEQ_DELAY410 [3:0] WSEQ_DATA_START410 [3:0] WSEQ_DATA410 [7:0]
R13110
(3336h)
WSEQ_Sequence_412
WSEQ_DATA_WIDTH411 [2:0] WSEQ_ADDR411 [12:0]
FFFFFFFFh
WSEQ_DELAY411 [3:0] WSEQ_DATA_START411 [3:0] WSEQ_DATA411 [7:0]
Table 6-2. Register Map Definition—32-bit region (Cont.)
Register Name 31
15
30
14
29
13
28
12
27
11
26
10
25
9
24
8
23
7
22
6
21
5
20
4
19
3
18
2
17
1
16
0 Default
_‘ __— __— _— _— CIRRUS LOGIC”
DS1162F1 323
CS42L92
6 Register Map
R13112
(3338h)
WSEQ_Sequence_413
WSEQ_DATA_WIDTH412 [2:0] WSEQ_ADDR412 [12:0]
FFFFFFFFh
WSEQ_DELAY412 [3:0] WSEQ_DATA_START412 [3:0] WSEQ_DATA412 [7:0]
R13114
(333Ah)
WSEQ_Sequence_414
WSEQ_DATA_WIDTH413 [2:0] WSEQ_ADDR413 [12:0]
FFFFFFFFh
WSEQ_DELAY413 [3:0] WSEQ_DATA_START413 [3:0] WSEQ_DATA413 [7:0]
R13116
(333Ch)
WSEQ_Sequence_415
WSEQ_DATA_WIDTH414 [2:0] WSEQ_ADDR414 [12:0]
FFFFFFFFh
WSEQ_DELAY414 [3:0] WSEQ_DATA_START414 [3:0] WSEQ_DATA414 [7:0]
R13118
(333Eh)
WSEQ_Sequence_416
WSEQ_DATA_WIDTH415 [2:0] WSEQ_ADDR415 [12:0]
FFFFFFFFh
WSEQ_DELAY415 [3:0] WSEQ_DATA_START415 [3:0] WSEQ_DATA415 [7:0]
R13120
(3340h)
WSEQ_Sequence_417
WSEQ_DATA_WIDTH416 [2:0] WSEQ_ADDR416 [12:0]
FFFFFFFFh
WSEQ_DELAY416 [3:0] WSEQ_DATA_START416 [3:0] WSEQ_DATA416 [7:0]
R13122
(3342h)
WSEQ_Sequence_418
WSEQ_DATA_WIDTH417 [2:0] WSEQ_ADDR417 [12:0]
FFFFFFFFh
WSEQ_DELAY417 [3:0] WSEQ_DATA_START417 [3:0] WSEQ_DATA417 [7:0]
R13124
(3344h)
WSEQ_Sequence_419
WSEQ_DATA_WIDTH418 [2:0] WSEQ_ADDR418 [12:0]
FFFFFFFFh
WSEQ_DELAY418 [3:0] WSEQ_DATA_START418 [3:0] WSEQ_DATA418 [7:0]
R13126
(3346h)
WSEQ_Sequence_420
WSEQ_DATA_WIDTH419 [2:0] WSEQ_ADDR419 [12:0]
FFFFFFFFh
WSEQ_DELAY419 [3:0] WSEQ_DATA_START419 [3:0] WSEQ_DATA419 [7:0]
R13128
(3348h)
WSEQ_Sequence_421
WSEQ_DATA_WIDTH420 [2:0] WSEQ_ADDR420 [12:0]
FFFFFFFFh
WSEQ_DELAY420 [3:0] WSEQ_DATA_START420 [3:0] WSEQ_DATA420 [7:0]
R13130
(334Ah)
WSEQ_Sequence_422
WSEQ_DATA_WIDTH421 [2:0] WSEQ_ADDR421 [12:0]
FFFFFFFFh
WSEQ_DELAY421 [3:0] WSEQ_DATA_START421 [3:0] WSEQ_DATA421 [7:0]
R13132
(334Ch)
WSEQ_Sequence_423
WSEQ_DATA_WIDTH422 [2:0] WSEQ_ADDR422 [12:0]
FFFFFFFFh
WSEQ_DELAY422 [3:0] WSEQ_DATA_START422 [3:0] WSEQ_DATA422 [7:0]
R13134
(334Eh)
WSEQ_Sequence_424
WSEQ_DATA_WIDTH423 [2:0] WSEQ_ADDR423 [12:0]
FFFFFFFFh
WSEQ_DELAY423 [3:0] WSEQ_DATA_START423 [3:0] WSEQ_DATA423 [7:0]
R13136
(3350h)
WSEQ_Sequence_425
WSEQ_DATA_WIDTH424 [2:0] WSEQ_ADDR424 [12:0]
FFFFFFFFh
WSEQ_DELAY424 [3:0] WSEQ_DATA_START424 [3:0] WSEQ_DATA424 [7:0]
R13138
(3352h)
WSEQ_Sequence_426
WSEQ_DATA_WIDTH425 [2:0] WSEQ_ADDR425 [12:0]
FFFFFFFFh
WSEQ_DELAY425 [3:0] WSEQ_DATA_START425 [3:0] WSEQ_DATA425 [7:0]
R13140
(3354h)
WSEQ_Sequence_427
WSEQ_DATA_WIDTH426 [2:0] WSEQ_ADDR426 [12:0]
FFFFFFFFh
WSEQ_DELAY426 [3:0] WSEQ_DATA_START426 [3:0] WSEQ_DATA426 [7:0]
R13142
(3356h)
WSEQ_Sequence_428
WSEQ_DATA_WIDTH427 [2:0] WSEQ_ADDR427 [12:0]
FFFFFFFFh
WSEQ_DELAY427 [3:0] WSEQ_DATA_START427 [3:0] WSEQ_DATA427 [7:0]
R13144
(3358h)
WSEQ_Sequence_429
WSEQ_DATA_WIDTH428 [2:0] WSEQ_ADDR428 [12:0]
FFFFFFFFh
WSEQ_DELAY428 [3:0] WSEQ_DATA_START428 [3:0] WSEQ_DATA428 [7:0]
R13146
(335Ah)
WSEQ_Sequence_430
WSEQ_DATA_WIDTH429 [2:0] WSEQ_ADDR429 [12:0]
FFFFFFFFh
WSEQ_DELAY429 [3:0] WSEQ_DATA_START429 [3:0] WSEQ_DATA429 [7:0]
R13148
(335Ch)
WSEQ_Sequence_431
WSEQ_DATA_WIDTH430 [2:0] WSEQ_ADDR430 [12:0]
FFFFFFFFh
WSEQ_DELAY430 [3:0] WSEQ_DATA_START430 [3:0] WSEQ_DATA430 [7:0]
R13150
(335Eh)
WSEQ_Sequence_432
WSEQ_DATA_WIDTH431 [2:0] WSEQ_ADDR431 [12:0]
FFFFFFFFh
WSEQ_DELAY431 [3:0] WSEQ_DATA_START431 [3:0] WSEQ_DATA431 [7:0]
R13152
(3360h)
WSEQ_Sequence_433
WSEQ_DATA_WIDTH432 [2:0] WSEQ_ADDR432 [12:0]
FFFFFFFFh
WSEQ_DELAY432 [3:0] WSEQ_DATA_START432 [3:0] WSEQ_DATA432 [7:0]
R13154
(3362h)
WSEQ_Sequence_434
WSEQ_DATA_WIDTH433 [2:0] WSEQ_ADDR433 [12:0]
FFFFFFFFh
WSEQ_DELAY433 [3:0] WSEQ_DATA_START433 [3:0] WSEQ_DATA433 [7:0]
R13156
(3364h)
WSEQ_Sequence_435
WSEQ_DATA_WIDTH434 [2:0] WSEQ_ADDR434 [12:0]
FFFFFFFFh
WSEQ_DELAY434 [3:0] WSEQ_DATA_START434 [3:0] WSEQ_DATA434 [7:0]
R13158
(3366h)
WSEQ_Sequence_436
WSEQ_DATA_WIDTH435 [2:0] WSEQ_ADDR435 [12:0]
FFFFFFFFh
WSEQ_DELAY435 [3:0] WSEQ_DATA_START435 [3:0] WSEQ_DATA435 [7:0]
R13160
(3368h)
WSEQ_Sequence_437
WSEQ_DATA_WIDTH436 [2:0] WSEQ_ADDR436 [12:0]
FFFFFFFFh
WSEQ_DELAY436 [3:0] WSEQ_DATA_START436 [3:0] WSEQ_DATA436 [7:0]
R13162
(336Ah)
WSEQ_Sequence_438
WSEQ_DATA_WIDTH437 [2:0] WSEQ_ADDR437 [12:0]
FFFFFFFFh
WSEQ_DELAY437 [3:0] WSEQ_DATA_START437 [3:0] WSEQ_DATA437 [7:0]
R13164
(336Ch)
WSEQ_Sequence_439
WSEQ_DATA_WIDTH438 [2:0] WSEQ_ADDR438 [12:0]
FFFFFFFFh
WSEQ_DELAY438 [3:0] WSEQ_DATA_START438 [3:0] WSEQ_DATA438 [7:0]
R13166
(336Eh)
WSEQ_Sequence_440
WSEQ_DATA_WIDTH439 [2:0] WSEQ_ADDR439 [12:0]
FFFFFFFFh
WSEQ_DELAY439 [3:0] WSEQ_DATA_START439 [3:0] WSEQ_DATA439 [7:0]
R13168
(3370h)
WSEQ_Sequence_441
WSEQ_DATA_WIDTH440 [2:0] WSEQ_ADDR440 [12:0]
FFFFFFFFh
WSEQ_DELAY440 [3:0] WSEQ_DATA_START440 [3:0] WSEQ_DATA440 [7:0]
R13170
(3372h)
WSEQ_Sequence_442
WSEQ_DATA_WIDTH441 [2:0] WSEQ_ADDR441 [12:0]
FFFFFFFFh
WSEQ_DELAY441 [3:0] WSEQ_DATA_START441 [3:0] WSEQ_DATA441 [7:0]
R13172
(3374h)
WSEQ_Sequence_443
WSEQ_DATA_WIDTH442 [2:0] WSEQ_ADDR442 [12:0]
FFFFFFFFh
WSEQ_DELAY442 [3:0] WSEQ_DATA_START442 [3:0] WSEQ_DATA442 [7:0]
R13174
(3376h)
WSEQ_Sequence_444
WSEQ_DATA_WIDTH443 [2:0] WSEQ_ADDR443 [12:0]
FFFFFFFFh
WSEQ_DELAY443 [3:0] WSEQ_DATA_START443 [3:0] WSEQ_DATA443 [7:0]
R13176
(3378h)
WSEQ_Sequence_445
WSEQ_DATA_WIDTH444 [2:0] WSEQ_ADDR444 [12:0]
FFFFFFFFh
WSEQ_DELAY444 [3:0] WSEQ_DATA_START444 [3:0] WSEQ_DATA444 [7:0]
R13178
(337Ah)
WSEQ_Sequence_446
WSEQ_DATA_WIDTH445 [2:0] WSEQ_ADDR445 [12:0]
FFFFFFFFh
WSEQ_DELAY445 [3:0] WSEQ_DATA_START445 [3:0] WSEQ_DATA445 [7:0]
R13180
(337Ch)
WSEQ_Sequence_447
WSEQ_DATA_WIDTH446 [2:0] WSEQ_ADDR446 [12:0]
FFFFFFFFh
WSEQ_DELAY446 [3:0] WSEQ_DATA_START446 [3:0] WSEQ_DATA446 [7:0]
R13182
(337Eh)
WSEQ_Sequence_448
WSEQ_DATA_WIDTH447 [2:0] WSEQ_ADDR447 [12:0]
FFFFFFFFh
WSEQ_DELAY447 [3:0] WSEQ_DATA_START447 [3:0] WSEQ_DATA447 [7:0]
Table 6-2. Register Map Definition—32-bit region (Cont.)
Register Name 31
15
30
14
29
13
28
12
27
11
26
10
25
9
24
8
23
7
22
6
21
5
20
4
19
3
18
2
17
1
16
0 Default
_‘ __— __— _— _— CIRRUS LOGIC”
324 DS1162F1
CS42L92
6 Register Map
R13184
(3380h)
WSEQ_Sequence_449
WSEQ_DATA_WIDTH448 [2:0] WSEQ_ADDR448 [12:0]
FFFFFFFFh
WSEQ_DELAY448 [3:0] WSEQ_DATA_START448 [3:0] WSEQ_DATA448 [7:0]
R13186
(3382h)
WSEQ_Sequence_450
WSEQ_DATA_WIDTH449 [2:0] WSEQ_ADDR449 [12:0]
FFFFFFFFh
WSEQ_DELAY449 [3:0] WSEQ_DATA_START449 [3:0] WSEQ_DATA449 [7:0]
R13188
(3384h)
WSEQ_Sequence_451
WSEQ_DATA_WIDTH450 [2:0] WSEQ_ADDR450 [12:0]
FFFFFFFFh
WSEQ_DELAY450 [3:0] WSEQ_DATA_START450 [3:0] WSEQ_DATA450 [7:0]
R13190
(3386h)
WSEQ_Sequence_452
WSEQ_DATA_WIDTH451 [2:0] WSEQ_ADDR451 [12:0]
FFFFFFFFh
WSEQ_DELAY451 [3:0] WSEQ_DATA_START451 [3:0] WSEQ_DATA451 [7:0]
R13192
(3388h)
WSEQ_Sequence_453
WSEQ_DATA_WIDTH452 [2:0] WSEQ_ADDR452 [12:0]
FFFFFFFFh
WSEQ_DELAY452 [3:0] WSEQ_DATA_START452 [3:0] WSEQ_DATA452 [7:0]
R13194
(338Ah)
WSEQ_Sequence_454
WSEQ_DATA_WIDTH453 [2:0] WSEQ_ADDR453 [12:0]
FFFFFFFFh
WSEQ_DELAY453 [3:0] WSEQ_DATA_START453 [3:0] WSEQ_DATA453 [7:0]
R13196
(338Ch)
WSEQ_Sequence_455
WSEQ_DATA_WIDTH454 [2:0] WSEQ_ADDR454 [12:0]
FFFFFFFFh
WSEQ_DELAY454 [3:0] WSEQ_DATA_START454 [3:0] WSEQ_DATA454 [7:0]
R13198
(338Eh)
WSEQ_Sequence_456
WSEQ_DATA_WIDTH455 [2:0] WSEQ_ADDR455 [12:0]
FFFFFFFFh
WSEQ_DELAY455 [3:0] WSEQ_DATA_START455 [3:0] WSEQ_DATA455 [7:0]
R13200
(3390h)
WSEQ_Sequence_457
WSEQ_DATA_WIDTH456 [2:0] WSEQ_ADDR456 [12:0]
FFFFFFFFh
WSEQ_DELAY456 [3:0] WSEQ_DATA_START456 [3:0] WSEQ_DATA456 [7:0]
R13202
(3392h)
WSEQ_Sequence_458
WSEQ_DATA_WIDTH457 [2:0] WSEQ_ADDR457 [12:0]
FFFFFFFFh
WSEQ_DELAY457 [3:0] WSEQ_DATA_START457 [3:0] WSEQ_DATA457 [7:0]
R13204
(3394h)
WSEQ_Sequence_459
WSEQ_DATA_WIDTH458 [2:0] WSEQ_ADDR458 [12:0]
FFFFFFFFh
WSEQ_DELAY458 [3:0] WSEQ_DATA_START458 [3:0] WSEQ_DATA458 [7:0]
R13206
(3396h)
WSEQ_Sequence_460
WSEQ_DATA_WIDTH459 [2:0] WSEQ_ADDR459 [12:0]
FFFFFFFFh
WSEQ_DELAY459 [3:0] WSEQ_DATA_START459 [3:0] WSEQ_DATA459 [7:0]
R13208
(3398h)
WSEQ_Sequence_461
WSEQ_DATA_WIDTH460 [2:0] WSEQ_ADDR460 [12:0]
FFFFFFFFh
WSEQ_DELAY460 [3:0] WSEQ_DATA_START460 [3:0] WSEQ_DATA460 [7:0]
R13210
(339Ah)
WSEQ_Sequence_462
WSEQ_DATA_WIDTH461 [2:0] WSEQ_ADDR461 [12:0]
FFFFFFFFh
WSEQ_DELAY461 [3:0] WSEQ_DATA_START461 [3:0] WSEQ_DATA461 [7:0]
R13212
(339Ch)
WSEQ_Sequence_463
WSEQ_DATA_WIDTH462 [2:0] WSEQ_ADDR462 [12:0]
FFFFFFFFh
WSEQ_DELAY462 [3:0] WSEQ_DATA_START462 [3:0] WSEQ_DATA462 [7:0]
R13214
(339Eh)
WSEQ_Sequence_464
WSEQ_DATA_WIDTH463 [2:0] WSEQ_ADDR463 [12:0]
FFFFFFFFh
WSEQ_DELAY463 [3:0] WSEQ_DATA_START463 [3:0] WSEQ_DATA463 [7:0]
R13216
(33A0h)
WSEQ_Sequence_465
WSEQ_DATA_WIDTH464 [2:0] WSEQ_ADDR464 [12:0]
FFFFFFFFh
WSEQ_DELAY464 [3:0] WSEQ_DATA_START464 [3:0] WSEQ_DATA464 [7:0]
R13218
(33A2h)
WSEQ_Sequence_466
WSEQ_DATA_WIDTH465 [2:0] WSEQ_ADDR465 [12:0]
FFFFFFFFh
WSEQ_DELAY465 [3:0] WSEQ_DATA_START465 [3:0] WSEQ_DATA465 [7:0]
R13220
(33A4h)
WSEQ_Sequence_467
WSEQ_DATA_WIDTH466 [2:0] WSEQ_ADDR466 [12:0]
FFFFFFFFh
WSEQ_DELAY466 [3:0] WSEQ_DATA_START466 [3:0] WSEQ_DATA466 [7:0]
R13222
(33A6h)
WSEQ_Sequence_468
WSEQ_DATA_WIDTH467 [2:0] WSEQ_ADDR467 [12:0]
FFFFFFFFh
WSEQ_DELAY467 [3:0] WSEQ_DATA_START467 [3:0] WSEQ_DATA467 [7:0]
R13224
(33A8h)
WSEQ_Sequence_469
WSEQ_DATA_WIDTH468 [2:0] WSEQ_ADDR468 [12:0]
FFFFFFFFh
WSEQ_DELAY468 [3:0] WSEQ_DATA_START468 [3:0] WSEQ_DATA468 [7:0]
R13226
(33AAh)
WSEQ_Sequence_470
WSEQ_DATA_WIDTH469 [2:0] WSEQ_ADDR469 [12:0]
FFFFFFFFh
WSEQ_DELAY469 [3:0] WSEQ_DATA_START469 [3:0] WSEQ_DATA469 [7:0]
R13228
(33ACh)
WSEQ_Sequence_471
WSEQ_DATA_WIDTH470 [2:0] WSEQ_ADDR470 [12:0]
FFFFFFFFh
WSEQ_DELAY470 [3:0] WSEQ_DATA_START470 [3:0] WSEQ_DATA470 [7:0]
R13230
(33AEh)
WSEQ_Sequence_472
WSEQ_DATA_WIDTH471 [2:0] WSEQ_ADDR471 [12:0]
FFFFFFFFh
WSEQ_DELAY471 [3:0] WSEQ_DATA_START471 [3:0] WSEQ_DATA471 [7:0]
R13232
(33B0h)
WSEQ_Sequence_473
WSEQ_DATA_WIDTH472 [2:0] WSEQ_ADDR472 [12:0]
FFFFFFFFh
WSEQ_DELAY472 [3:0] WSEQ_DATA_START472 [3:0] WSEQ_DATA472 [7:0]
R13234
(33B2h)
WSEQ_Sequence_474
WSEQ_DATA_WIDTH473 [2:0] WSEQ_ADDR473 [12:0]
FFFFFFFFh
WSEQ_DELAY473 [3:0] WSEQ_DATA_START473 [3:0] WSEQ_DATA473 [7:0]
R13236
(33B4h)
WSEQ_Sequence_475
WSEQ_DATA_WIDTH474 [2:0] WSEQ_ADDR474 [12:0]
FFFFFFFFh
WSEQ_DELAY474 [3:0] WSEQ_DATA_START474 [3:0] WSEQ_DATA474 [7:0]
R13238
(33B6h)
WSEQ_Sequence_476
WSEQ_DATA_WIDTH475 [2:0] WSEQ_ADDR475 [12:0]
FFFFFFFFh
WSEQ_DELAY475 [3:0] WSEQ_DATA_START475 [3:0] WSEQ_DATA475 [7:0]
R13240
(33B8h)
WSEQ_Sequence_477
WSEQ_DATA_WIDTH476 [2:0] WSEQ_ADDR476 [12:0]
FFFFFFFFh
WSEQ_DELAY476 [3:0] WSEQ_DATA_START476 [3:0] WSEQ_DATA476 [7:0]
R13242
(33BAh)
WSEQ_Sequence_478
WSEQ_DATA_WIDTH477 [2:0] WSEQ_ADDR477 [12:0]
FFFFFFFFh
WSEQ_DELAY477 [3:0] WSEQ_DATA_START477 [3:0] WSEQ_DATA477 [7:0]
R13244
(33BCh)
WSEQ_Sequence_479
WSEQ_DATA_WIDTH478 [2:0] WSEQ_ADDR478 [12:0]
FFFFFFFFh
WSEQ_DELAY478 [3:0] WSEQ_DATA_START478 [3:0] WSEQ_DATA478 [7:0]
R13246
(33BEh)
WSEQ_Sequence_480
WSEQ_DATA_WIDTH479 [2:0] WSEQ_ADDR479 [12:0]
FFFFFFFFh
WSEQ_DELAY479 [3:0] WSEQ_DATA_START479 [3:0] WSEQ_DATA479 [7:0]
R13248
(33C0h)
WSEQ_Sequence_481
WSEQ_DATA_WIDTH480 [2:0] WSEQ_ADDR480 [12:0]
FFFFFFFFh
WSEQ_DELAY480 [3:0] WSEQ_DATA_START480 [3:0] WSEQ_DATA480 [7:0]
R13250
(33C2h)
WSEQ_Sequence_482
WSEQ_DATA_WIDTH481 [2:0] WSEQ_ADDR481 [12:0]
FFFFFFFFh
WSEQ_DELAY481 [3:0] WSEQ_DATA_START481 [3:0] WSEQ_DATA481 [7:0]
R13252
(33C4h)
WSEQ_Sequence_483
WSEQ_DATA_WIDTH482 [2:0] WSEQ_ADDR482 [12:0]
FFFFFFFFh
WSEQ_DELAY482 [3:0] WSEQ_DATA_START482 [3:0] WSEQ_DATA482 [7:0]
R13254
(33C6h)
WSEQ_Sequence_484
WSEQ_DATA_WIDTH483 [2:0] WSEQ_ADDR483 [12:0]
FFFFFFFFh
WSEQ_DELAY483 [3:0] WSEQ_DATA_START483 [3:0] WSEQ_DATA483 [7:0]
Table 6-2. Register Map Definition—32-bit region (Cont.)
Register Name 31
15
30
14
29
13
28
12
27
11
26
10
25
9
24
8
23
7
22
6
21
5
20
4
19
3
18
2
17
1
16
0 Default
_‘ __— __— _— _— CIRRUS LOGIC” ammo EVENYLO EVENILO ammo mama EVENTLO cw M5 MM» ‘cm mm mm ammo EVENYLO EVENILO ammo mama EVENTLO cw M5 MM» ‘cm mm mm
DS1162F1 325
CS42L92
6 Register Map
R13256
(33C8h)
WSEQ_Sequence_485
WSEQ_DATA_WIDTH484 [2:0] WSEQ_ADDR484 [12:0]
FFFFFFFFh
WSEQ_DELAY484 [3:0] WSEQ_DATA_START484 [3:0] WSEQ_DATA484 [7:0]
R13258
(33CAh)
WSEQ_Sequence_486
WSEQ_DATA_WIDTH485 [2:0] WSEQ_ADDR485 [12:0]
FFFFFFFFh
WSEQ_DELAY485 [3:0] WSEQ_DATA_START485 [3:0] WSEQ_DATA485 [7:0]
R13260
(33CCh)
WSEQ_Sequence_487
WSEQ_DATA_WIDTH486 [2:0] WSEQ_ADDR486 [12:0]
FFFFFFFFh
WSEQ_DELAY486 [3:0] WSEQ_DATA_START486 [3:0] WSEQ_DATA486 [7:0]
R13262
(33CEh)
WSEQ_Sequence_488
WSEQ_DATA_WIDTH487 [2:0] WSEQ_ADDR487 [12:0]
FFFFFFFFh
WSEQ_DELAY487 [3:0] WSEQ_DATA_START487 [3:0] WSEQ_DATA487 [7:0]
R13264
(33D0h)
WSEQ_Sequence_489
WSEQ_DATA_WIDTH488 [2:0] WSEQ_ADDR488 [12:0]
FFFFFFFFh
WSEQ_DELAY488 [3:0] WSEQ_DATA_START488 [3:0] WSEQ_DATA488 [7:0]
R13266
(33D2h)
WSEQ_Sequence_490
WSEQ_DATA_WIDTH489 [2:0] WSEQ_ADDR489 [12:0]
FFFFFFFFh
WSEQ_DELAY489 [3:0] WSEQ_DATA_START489 [3:0] WSEQ_DATA489 [7:0]
R13268
(33D4h)
WSEQ_Sequence_491
WSEQ_DATA_WIDTH490 [2:0] WSEQ_ADDR490 [12:0]
FFFFFFFFh
WSEQ_DELAY490 [3:0] WSEQ_DATA_START490 [3:0] WSEQ_DATA490 [7:0]
R13270
(33D6h)
WSEQ_Sequence_492
WSEQ_DATA_WIDTH491 [2:0] WSEQ_ADDR491 [12:0]
FFFFFFFFh
WSEQ_DELAY491 [3:0] WSEQ_DATA_START491 [3:0] WSEQ_DATA491 [7:0]
R13272
(33D8h)
WSEQ_Sequence_493
WSEQ_DATA_WIDTH492 [2:0] WSEQ_ADDR492 [12:0]
FFFFFFFFh
WSEQ_DELAY492 [3:0] WSEQ_DATA_START492 [3:0] WSEQ_DATA492 [7:0]
R13274
(33DAh)
WSEQ_Sequence_494
WSEQ_DATA_WIDTH493 [2:0] WSEQ_ADDR493 [12:0]
FFFFFFFFh
WSEQ_DELAY493 [3:0] WSEQ_DATA_START493 [3:0] WSEQ_DATA493 [7:0]
R13276
(33DCh)
WSEQ_Sequence_495
WSEQ_DATA_WIDTH494 [2:0] WSEQ_ADDR494 [12:0]
FFFFFFFFh
WSEQ_DELAY494 [3:0] WSEQ_DATA_START494 [3:0] WSEQ_DATA494 [7:0]
R13278
(33DEh)
WSEQ_Sequence_496
WSEQ_DATA_WIDTH495 [2:0] WSEQ_ADDR495 [12:0]
FFFFFFFFh
WSEQ_DELAY495 [3:0] WSEQ_DATA_START495 [3:0] WSEQ_DATA495 [7:0]
R13280
(33E0h)
WSEQ_Sequence_497
WSEQ_DATA_WIDTH496 [2:0] WSEQ_ADDR496 [12:0]
FFFFFFFFh
WSEQ_DELAY496 [3:0] WSEQ_DATA_START496 [3:0] WSEQ_DATA496 [7:0]
R13282
(33E2h)
WSEQ_Sequence_498
WSEQ_DATA_WIDTH497 [2:0] WSEQ_ADDR497 [12:0]
FFFFFFFFh
WSEQ_DELAY497 [3:0] WSEQ_DATA_START497 [3:0] WSEQ_DATA497 [7:0]
R13284
(33E4h)
WSEQ_Sequence_499
WSEQ_DATA_WIDTH498 [2:0] WSEQ_ADDR498 [12:0]
FFFFFFFFh
WSEQ_DELAY498 [3:0] WSEQ_DATA_START498 [3:0] WSEQ_DATA498 [7:0]
R13286
(33E6h)
WSEQ_Sequence_500
WSEQ_DATA_WIDTH499 [2:0] WSEQ_ADDR499 [12:0]
FFFFFFFFh
WSEQ_DELAY499 [3:0] WSEQ_DATA_START499 [3:0] WSEQ_DATA499 [7:0]
R13288
(33E8h)
WSEQ_Sequence_501
WSEQ_DATA_WIDTH500 [2:0] WSEQ_ADDR500 [12:0]
FFFFFFFFh
WSEQ_DELAY500 [3:0] WSEQ_DATA_START500 [3:0] WSEQ_DATA500 [7:0]
R13290
(33EAh)
WSEQ_Sequence_502
WSEQ_DATA_WIDTH501 [2:0] WSEQ_ADDR501 [12:0]
FFFFFFFFh
WSEQ_DELAY501 [3:0] WSEQ_DATA_START501 [3:0] WSEQ_DATA501 [7:0]
R13292
(33ECh)
WSEQ_Sequence_503
WSEQ_DATA_WIDTH502 [2:0] WSEQ_ADDR502 [12:0]
FFFFFFFFh
WSEQ_DELAY502 [3:0] WSEQ_DATA_START502 [3:0] WSEQ_DATA502 [7:0]
R13294
(33EEh)
WSEQ_Sequence_504
WSEQ_DATA_WIDTH503 [2:0] WSEQ_ADDR503 [12:0]
FFFFFFFFh
WSEQ_DELAY503 [3:0] WSEQ_DATA_START503 [3:0] WSEQ_DATA503 [7:0]
R13296
(33F0h)
WSEQ_Sequence_505
WSEQ_DATA_WIDTH504 [2:0] WSEQ_ADDR504 [12:0]
FFFFFFFFh
WSEQ_DELAY504 [3:0] WSEQ_DATA_START504 [3:0] WSEQ_DATA504 [7:0]
R13298
(33F2h)
WSEQ_Sequence_506
WSEQ_DATA_WIDTH505 [2:0] WSEQ_ADDR505 [12:0]
FFFFFFFFh
WSEQ_DELAY505 [3:0] WSEQ_DATA_START505 [3:0] WSEQ_DATA505 [7:0]
R13300
(33F4h)
WSEQ_Sequence_507
WSEQ_DATA_WIDTH506 [2:0] WSEQ_ADDR506 [12:0]
FFFFFFFFh
WSEQ_DELAY506 [3:0] WSEQ_DATA_START506 [3:0] WSEQ_DATA506 [7:0]
R13302
(33F6h)
WSEQ_Sequence_508
WSEQ_DATA_WIDTH507 [2:0] WSEQ_ADDR507 [12:0]
FFFFFFFFh
WSEQ_DELAY507 [3:0] WSEQ_DATA_START507 [3:0] WSEQ_DATA507 [7:0]
R131076
(20004h)
OTP_HPDET_Cal_1
HP_OFFSET_11 [7:0] HP_OFFSET_10 [7:0]
00000000h
HP_OFFSET_01 [7:0] HP_OFFSET_00 [7:0]
R131078
(20006h)
OTP_HPDET_Cal_2
SPARE2 [7:0] SPARE1 [7:0]
00000000h
HP_GRADIENT_1X [7:0] HP_GRADIENT_0X [7:0]
R294912
(48000h)
EVENTLOG1_
CONTROL
0000000000000000
00000000h
0 0 0 0 0 0 0 0 0 0 0 0 0 0 EVENTLO
G1_RST
EVENTLO
G1_ENA
R294916
(48004h)
EVENTLOG1_TIMER_
SEL
0000000000000000
00000000h
00000000000000EVENTLOG1_
TIMER_SEL [1:0]
R294924
(4800Ch)
EVENTLOG1_FIFO_
CONTROL1
0000000000000000
00000001h
000000000000 EVENTLOG1_FIFO_WMARK [3:0]
R294926
(4800Eh)
EVENTLOG1_FIFO_
POINTER1
0000000000000EVENTLO
G1_FULL
EVENTLO
G1_
WMARK_
STS
EVENTLO
G1_NOT_
EMPTY
00000000h
0 0 0 0 EVENTLOG1_FIFO_WPTR [3:0] 0 0 0 0 EVENTLOG1_FIFO_RPTR [3:0]
R294944
(48020h)
EVENTLOG1_CH_
ENABLE1
0000000000000000
00000000h
EVENTLO
G1_CH16_
ENA
EVENTLO
G1_CH15_
ENA
EVENTLO
G1_CH14_
ENA
EVENTLO
G1_CH13_
ENA
EVENTLO
G1_CH12_
ENA
EVENTLO
G1_CH11_
ENA
EVENTLO
G1_CH10_
ENA
EVENTLO
G1_CH9_
ENA
EVENTLO
G1_CH8_
ENA
EVENTLO
G1_CH7_
ENA
EVENTLO
G1_CH6_
ENA
EVENTLO
G1_CH5_
ENA
EVENTLO
G1_CH4_
ENA
EVENTLO
G1_CH3_
ENA
EVENTLO
G1_CH2_
ENA
EVENTLO
G1_CH1_
ENA
R294948
(48024h)
EVENTLOG1_EVENT_
STATUS
0000000000000000
00000000h
EVENTLO
G1_CH16_
STS
EVENTLO
G1_CH15_
STS
EVENTLO
G1_CH14_
STS
EVENTLO
G1_CH13_
STS
EVENTLO
G1_CH12_
STS
EVENTLO
G1_CH11_
STS
EVENTLO
G1_CH10_
STS
EVENTLO
G1_CH9_
STS
EVENTLO
G1_CH8_
STS
EVENTLO
G1_CH7_
STS
EVENTLO
G1_CH6_
STS
EVENTLO
G1_CH5_
STS
EVENTLO
G1_CH4_
STS
EVENTLO
G1_CH3_
STS
EVENTLO
G1_CH2_
STS
EVENTLO
G1_CH1_
STS
Table 6-2. Register Map Definition—32-bit region (Cont.)
Register Name 31
15
30
14
29
13
28
12
27
11
26
10
25
9
24
8
23
7
22
6
21
5
20
4
19
3
18
2
17
1
16
0 Default
_‘ __— __— _— _— CIRRUS LOGIC” Emma Emma Emma cwa Ma ‘ama Emma Emma Emma cw cm wm Emma Emma Emma cm cm ‘cm Emma Emma Emma cw cw ‘aw Emma Emma Emma W5 M5 ‘cms Emma Emma Emma cm M5 ‘CHVb
326 DS1162F1
CS42L92
6 Register Map
R294976
(48040h)
EVENTLOG1_CH1_
DEFINE
0000000000000000
00000000h
EVENTLO
G1_CH1_
DB
EVENTLO
G1_CH1_
POL
EVENTLO
G1_CH1_
FILT
0 0 0 EVENTLOG1_CH1_SEL [9:0]
R294978
(48042h)
EVENTLOG1_CH2_
DEFINE
0000000000000000
00000000h
EVENTLO
G1_CH2_
DB
EVENTLO
G1_CH2_
POL
EVENTLO
G1_CH2_
FILT
0 0 0 EVENTLOG1_CH2_SEL [9:0]
R294980
(48044h)
EVENTLOG1_CH3_
DEFINE
0000000000000000
00000000h
EVENTLO
G1_CH3_
DB
EVENTLO
G1_CH3_
POL
EVENTLO
G1_CH3_
FILT
0 0 0 EVENTLOG1_CH3_SEL [9:0]
R294982
(48046h)
EVENTLOG1_CH4_
DEFINE
0000000000000000
00000000h
EVENTLO
G1_CH4_
DB
EVENTLO
G1_CH4_
POL
EVENTLO
G1_CH4_
FILT
0 0 0 EVENTLOG1_CH4_SEL [9:0]
R294984
(48048h)
EVENTLOG1_CH5_
DEFINE
0000000000000000
00000000h
EVENTLO
G1_CH5_
DB
EVENTLO
G1_CH5_
POL
EVENTLO
G1_CH5_
FILT
0 0 0 EVENTLOG1_CH5_SEL [9:0]
R294986
(4804Ah)
EVENTLOG1_CH6_
DEFINE
0000000000000000
00000000h
EVENTLO
G1_CH6_
DB
EVENTLO
G1_CH6_
POL
EVENTLO
G1_CH6_
FILT
0 0 0 EVENTLOG1_CH6_SEL [9:0]
R294988
(4804Ch)
EVENTLOG1_CH7_
DEFINE
0000000000000000
00000000h
EVENTLO
G1_CH7_
DB
EVENTLO
G1_CH7_
POL
EVENTLO
G1_CH7_
FILT
0 0 0 EVENTLOG1_CH7_SEL [9:0]
R294990
(4804Eh)
EVENTLOG1_CH8_
DEFINE
0000000000000000
00000000h
EVENTLO
G1_CH8_
DB
EVENTLO
G1_CH8_
POL
EVENTLO
G1_CH8_
FILT
0 0 0 EVENTLOG1_CH8_SEL [9:0]
R294992
(48050h)
EVENTLOG1_CH9_
DEFINE
0000000000000000
00000000h
EVENTLO
G1_CH9_
DB
EVENTLO
G1_CH9_
POL
EVENTLO
G1_CH9_
FILT
0 0 0 EVENTLOG1_CH9_SEL [9:0]
R294994
(48052h)
EVENTLOG1_CH10_
DEFINE
0000000000000000
00000000h
EVENTLO
G1_CH10_
DB
EVENTLO
G1_CH10_
POL
EVENTLO
G1_CH10_
FILT
0 0 0 EVENTLOG1_CH10_SEL [9:0]
R294996
(48054h)
EVENTLOG1_CH11_
DEFINE
0000000000000000
00000000h
EVENTLO
G1_CH11_
DB
EVENTLO
G1_CH11_
POL
EVENTLO
G1_CH11_
FILT
0 0 0 EVENTLOG1_CH11_SEL [9:0]
R294998
(48056h)
EVENTLOG1_CH12_
DEFINE
0000000000000000
00000000h
EVENTLO
G1_CH12_
DB
EVENTLO
G1_CH12_
POL
EVENTLO
G1_CH12_
FILT
0 0 0 EVENTLOG1_CH12_SEL [9:0]
R295000
(48058h)
EVENTLOG1_CH13_
DEFINE
0000000000000000
00000000h
EVENTLO
G1_CH13_
DB
EVENTLO
G1_CH13_
POL
EVENTLO
G1_CH13_
FILT
0 0 0 EVENTLOG1_CH13_SEL [9:0]
R295002
(4805Ah)
EVENTLOG1_CH14_
DEFINE
0000000000000000
00000000h
EVENTLO
G1_CH14_
DB
EVENTLO
G1_CH14_
POL
EVENTLO
G1_CH14_
FILT
0 0 0 EVENTLOG1_CH14_SEL [9:0]
R295004
(4805Ch)
EVENTLOG1_CH15_
DEFINE
0000000000000000
00000000h
EVENTLO
G1_CH15_
DB
EVENTLO
G1_CH15_
POL
EVENTLO
G1_CH15_
FILT
0 0 0 EVENTLOG1_CH15_SEL [9:0]
R295006
(4805Eh)
EVENTLOG1_CH16_
DEFINE
0000000000000000
00000000h
EVENTLO
G1_CH16_
DB
EVENTLO
G1_CH16_
POL
EVENTLO
G1_CH16_
FILT
0 0 0 EVENTLOG1_CH16_SEL [9:0]
R295040
(48080h)
EVENTLOG1_FIFO0_
READ
0000000000000000
00000000h
0 0 0 EVENTLO
G1_
FIFO0_
POL
0 0 EVENTLOG1_FIFO0_ID [9:0]
R295042
(48082h)
EVENTLOG1_FIFO0_
TIME
EVENTLOG1_FIFO0_TIME [31:16]
00000000h
EVENTLOG1_FIFO0_TIME [15:0]
R295044
(48084h)
EVENTLOG1_FIFO1_
READ
0000000000000000
00000000h
0 0 0 EVENTLO
G1_
FIFO1_
POL
0 0 EVENTLOG1_FIFO1_ID [9:0]
R295046
(48086h)
EVENTLOG1_FIFO1_
TIME
EVENTLOG1_FIFO1_TIME [31:16]
00000000h
EVENTLOG1_FIFO1_TIME [15:0]
R295048
(48088h)
EVENTLOG1_FIFO2_
READ
0000000000000000
00000000h
0 0 0 EVENTLO
G1_
FIFO2_
POL
0 0 EVENTLOG1_FIFO2_ID [9:0]
R295050
(4808Ah)
EVENTLOG1_FIFO2_
TIME
EVENTLOG1_FIFO2_TIME [31:16]
00000000h
EVENTLOG1_FIFO2_TIME [15:0]
Table 6-2. Register Map Definition—32-bit region (Cont.)
Register Name 31
15
30
14
29
13
28
12
27
11
26
10
25
9
24
8
23
7
22
6
21
5
20
4
19
3
18
2
17
1
16
0 Default
_‘ __— __— _— _— CIRRUS LOGIC”
DS1162F1 327
CS42L92
6 Register Map
R295052
(4808Ch)
EVENTLOG1_FIFO3_
READ
0000000000000000
00000000h
0 0 0 EVENTLO
G1_
FIFO3_
POL
0 0 EVENTLOG1_FIFO3_ID [9:0]
R295054
(4808Eh)
EVENTLOG1_FIFO3_
TIME
EVENTLOG1_FIFO3_TIME [31:16]
00000000h
EVENTLOG1_FIFO3_TIME [15:0]
R295056
(48090h)
EVENTLOG1_FIFO4_
READ
0000000000000000
00000000h
0 0 0 EVENTLO
G1_
FIFO4_
POL
0 0 EVENTLOG1_FIFO4_ID [9:0]
R295058
(48092h)
EVENTLOG1_FIFO4_
TIME
EVENTLOG1_FIFO4_TIME [31:16]
00000000h
EVENTLOG1_FIFO4_TIME [15:0]
R295060
(48094h)
EVENTLOG1_FIFO5_
READ
0000000000000000
00000000h
0 0 0 EVENTLO
G1_
FIFO5_
POL
0 0 EVENTLOG1_FIFO5_ID [9:0]
R295062
(48096h)
EVENTLOG1_FIFO5_
TIME
EVENTLOG1_FIFO5_TIME [31:16]
00000000h
EVENTLOG1_FIFO5_TIME [15:0]
R295064
(48098h)
EVENTLOG1_FIFO6_
READ
0000000000000000
00000000h
0 0 0 EVENTLO
G1_
FIFO6_
POL
0 0 EVENTLOG1_FIFO6_ID [9:0]
R295066
(4809Ah)
EVENTLOG1_FIFO6_
TIME
EVENTLOG1_FIFO6_TIME [31:16]
00000000h
EVENTLOG1_FIFO6_TIME [15:0]
R295068
(4809Ch)
EVENTLOG1_FIFO7_
READ
0000000000000000
00000000h
0 0 0 EVENTLO
G1_
FIFO7_
POL
0 0 EVENTLOG1_FIFO7_ID [9:0]
R295070
(4809Eh)
EVENTLOG1_FIFO7_
TIME
EVENTLOG1_FIFO7_TIME [31:16]
00000000h
EVENTLOG1_FIFO7_TIME [15:0]
R295072
(480A0h)
EVENTLOG1_FIFO8_
READ
0000000000000000
00000000h
0 0 0 EVENTLO
G1_
FIFO8_
POL
0 0 EVENTLOG1_FIFO8_ID [9:0]
R295074
(480A2h)
EVENTLOG1_FIFO8_
TIME
EVENTLOG1_FIFO8_TIME [31:16]
00000000h
EVENTLOG1_FIFO8_TIME [15:0]
R295076
(480A4h)
EVENTLOG1_FIFO9_
READ
0000000000000000
00000000h
0 0 0 EVENTLO
G1_
FIFO9_
POL
0 0 EVENTLOG1_FIFO9_ID [9:0]
R295078
(480A6h)
EVENTLOG1_FIFO9_
TIME
EVENTLOG1_FIFO9_TIME [31:16]
00000000h
EVENTLOG1_FIFO9_TIME [15:0]
R295080
(480A8h)
EVENTLOG1_FIFO10_
READ
0000000000000000
00000000h
0 0 0 EVENTLO
G1_
FIFO10_
POL
0 0 EVENTLOG1_FIFO10_ID [9:0]
R295082
(480AAh)
EVENTLOG1_FIFO10_
TIME
EVENTLOG1_FIFO10_TIME [31:16]
00000000h
EVENTLOG1_FIFO10_TIME [15:0]
R295084
(480ACh)
EVENTLOG1_FIFO11_
READ
0000000000000000
00000000h
0 0 0 EVENTLO
G1_
FIFO11_
POL
0 0 EVENTLOG1_FIFO11_ID [9:0]
R295086
(480AEh)
EVENTLOG1_FIFO11_
TIME
EVENTLOG1_FIFO11_TIME [31:16]
00000000h
EVENTLOG1_FIFO11_TIME [15:0]
R295088
(480B0h)
EVENTLOG1_FIFO12_
READ
0000000000000000
00000000h
0 0 0 EVENTLO
G1_
FIFO12_
POL
0 0 EVENTLOG1_FIFO12_ID [9:0]
R295090
(480B2h)
EVENTLOG1_FIFO12_
TIME
EVENTLOG1_FIFO12_TIME [31:16]
00000000h
EVENTLOG1_FIFO12_TIME [15:0]
R295092
(480B4h)
EVENTLOG1_FIFO13_
READ
0000000000000000
00000000h
0 0 0 EVENTLO
G1_
FIFO13_
POL
0 0 EVENTLOG1_FIFO13_ID [9:0]
R295094
(480B6h)
EVENTLOG1_FIFO13_
TIME
EVENTLOG1_FIFO13_TIME [31:16]
00000000h
EVENTLOG1_FIFO13_TIME [15:0]
R295096
(480B8h)
EVENTLOG1_FIFO14_
READ
0000000000000000
00000000h
0 0 0 EVENTLO
G1_
FIFO14_
POL
0 0 EVENTLOG1_FIFO14_ID [9:0]
R295098
(480BAh)
EVENTLOG1_FIFO14_
TIME
EVENTLOG1_FIFO14_TIME [31:16]
00000000h
EVENTLOG1_FIFO14_TIME [15:0]
Table 6-2. Register Map Definition—32-bit region (Cont.)
Register Name 31
15
30
14
29
13
28
12
27
11
26
10
25
9
24
8
23
7
22
6
21
5
20
4
19
3
18
2
17
1
16
0 Default
_‘ __— __— _— _— CIRRUS LOGIC”
328 DS1162F1
CS42L92
6 Register Map
R295100
(480BCh)
EVENTLOG1_FIFO15_
READ
0000000000000000
00000000h
0 0 0 EVENTLO
G1_
FIFO15_
POL
0 0 EVENTLOG1_FIFO15_ID [9:0]
R295102
(480BEh)
EVENTLOG1_FIFO15_
TIME
EVENTLOG1_FIFO15_TIME [31:16]
00000000h
EVENTLOG1_FIFO15_TIME [15:0]
R303104
(4A000h)
ALM1_CFG
0000000000000000
00000000h
000000000000000ALM1_
TIMER_
SEL
R303120
(4A010h)
ALM1_CONFIG1
0000000000000000
00000000h
00000000000ALM1_
CH1_
CONT
0 0 ALM1_CH1_TRIG_
MODE[1:0]
R303122
(4A012h)
ALM1_CTRL1
0000000000000000
00000000h
ALM1_
CH1_UPD
0000000000ALM1_
CH1_
STOP
0 0 0 ALM1_
CH1_
START
R303124
(4A0124h)
ALM1_TRIG_VAL1
ALM1_CH1_TRIG_VAL[31:16]
00000000h
ALM1_CH1_TRIG_VAL[15:0]
R303126
(4A016h)
ALM1_PULSE_DUR1
ALM1_CH1_PULSE_DUR[31:16]
00000000h
ALM1_CH1_PULSE_DUR[15:0]
R303128
(4A018h)
ALM1_STATUS1
0000000000000000
00000000h
000000000000000ALM1_
CH1_STS
R303136
(4A020h)
ALM1_CONFIG2
0000000000000000
00000000h
00000000000ALM1_
CH2_
CONT
0 0 ALM1_CH2_TRIG_
MODE[1:0]
R303138
(4A022h)
ALM1_CTRL2
0000000000000000
00000000h
ALM1_
CH2_UPD
0000000000ALM1_
CH2_
STOP
0 0 0 ALM1_
CH2_
START
R303140
(4A024h)
ALM1_TRIG_VAL2
ALM1_CH2_TRIG_VAL[31:16]
00000000h
ALM1_CH2_TRIG_VAL[15:0]
R303142
(4A026h)
ALM1_PULSE_DUR2
ALM1_CH2_PULSE_DUR[31:16]
00000000h
ALM1_CH2_PULSE_DUR[15:0]
R303144
(4A028h)
ALM1_STATUS2
0000000000000000
00000000h
000000000000000ALM1_
CH2_STS
R303152
(4A030h)
ALM1_CONFIG3
0000000000000000
00000000h
00000000000ALM1_
CH3_
CONT
0 0 ALM1_CH3_TRIG_
MODE[1:0]
R303154
(4A032h)
ALM1_CTRL3
0000000000000000
00000000h
ALM1_
CH3_UPD
0000000000ALM1_
CH3_
STOP
0 0 0 ALM1_
CH3_
START
R303156
(4A034h)
ALM1_TRIG_VAL3
ALM1_CH3_TRIG_VAL[31:16]
00000000h
ALM1_CH3_TRIG_VAL[15:0]
R303158
(4A036h)
ALM1_PULSE_DUR3
ALM1_CH3_PULSE_DUR[31:16]
00000000h
ALM1_CH3_PULSE_DUR[15:0]
R303160
(4A038h)
ALM1_STATUS3
0000000000000000
00000000h
000000000000000ALM1_
CH3_STS
R303168
(4A040h)
ALM1_CONFIG4
0000000000000000
00000000h
00000000000ALM1_
CH4_
CONT
0 0 ALM1_CH4_TRIG_
MODE[1:0]
R303170
(4A042h)
ALM1_CTRL4
0000000000000000
00000000h
ALM1_
CH4_UPD
0000000000ALM1_
CH4_
STOP
0 0 0 ALM1_
CH4_
START
R303172
(4A044h)
ALM1_TRIG_VAL4
ALM1_CH4_TRIG_VAL[31:16]
00000000h
ALM1_CH4_TRIG_VAL[15:0]
R303174
(4A046h)
ALM1_PULSE_DUR4
ALM1_CH4_PULSE_DUR[31:16]
00000000h
ALM1_CH4_PULSE_DUR[15:0]
R303176
(4A048h)
ALM1_STATUS4
0000000000000000
00000000h
000000000000000ALM1_
CH4_STS
R311296
(4C000h)
Timer1_Control
0000000000TIMER1_
CONTINU
OUS
TIMER1_
DIR
0 TIMER1_PRESCALE [2:0]
00000000h
0 TIMER1_REFCLK_DIV [2:0] 0 TIMER1_REFCLK_FREQ_SEL
[2:0]
0000 TIMER1_REFCLK_SRC [3:0]
R311298
(4C002h)
Timer1_Count_Preset
TIMER1_MAX_COUNT [31:16]
00000000h
TIMER1_MAX_COUNT [15:0]
R311302
(4C006h)
Timer1_Start_and_Stop
0000000000000000
00000000h
00000000000TIMER1_
STOP
000TIMER1_
START
Table 6-2. Register Map Definition—32-bit region (Cont.)
Register Name 31
15
30
14
29
13
28
12
27
11
26
10
25
9
24
8
23
7
22
6
21
5
20
4
19
3
18
2
17
1
16
0 Default
_‘ __— __— _— _— CIRRUS LOGIC”
DS1162F1 329
CS42L92
6 Register Map
R311304
(4C008h)
Timer1_Status
0000000000000000
00000000h
000000000000000TIMER1_
RUNNING
_STS
R311306
(4C00Ah)
Timer1_Count_
Readback
TIMER1_CUR_COUNT [31:16]
00000000h
TIMER1_CUR_COUNT [15:0]
R311308
(4C00Ch)
Timer1_DSP_Clock_
Config
0000000000000000
00000000h
TIMER1_DSPCLK_FREQ_SEL [15:0]
R311310
(4C00Eh)
Timer1_DSP_Clock_
Status
0000000000000000
00000000h
TIMER1_DSPCLK_FREQ_STS [15:0]
R315392
(4D000h)
DSPGP_Status_1
0000000000000000
00000000h
DSPGP16
_STS
DSPGP15
_STS
DSPGP14
_STS
DSPGP13
_STS
DSPGP12
_STS
DSPGP11
_STS
DSPGP10
_STS
DSPGP9_
STS
DSPGP8_
STS
DSPGP7_
STS
DSPGP6_
STS
DSPGP5_
STS
DSPGP4_
STS
DSPGP3_
STS
DSPGP2_
STS
DSPGP1_
STS
R315424
(4D020h)
DSPGP_SET1_Mask_1
0000000000000000
0000FFFFh
DSPGP16
_SET1_
MASK
DSPGP15
_SET1_
MASK
DSPGP14
_SET1_
MASK
DSPGP13
_SET1_
MASK
DSPGP12
_SET1_
MASK
DSPGP11
_SET1_
MASK
DSPGP10
_SET1_
MASK
DSPGP9_
SET1_
MASK
DSPGP8_
SET1_
MASK
DSPGP7_
SET1_
MASK
DSPGP6_
SET1_
MASK
DSPGP5_
SET1_
MASK
DSPGP4_
SET1_
MASK
DSPGP3_
SET1_
MASK
DSPGP2_
SET1_
MASK
DSPGP1_
SET1_
MASK
R315432
(4D028h)
DSPGP_SET1_
Direction_1
0000000000000000
0000FFFFh
DSPGP16
_SET1_
DIR
DSPGP15
_SET1_
DIR
DSPGP14
_SET1_
DIR
DSPGP13
_SET1_
DIR
DSPGP12
_SET1_
DIR
DSPGP11
_SET1_
DIR
DSPGP10
_SET1_
DIR
DSPGP9_
SET1_DIR
DSPGP8_
SET1_DIR
DSPGP7_
SET1_DIR
DSPGP6_
SET1_DIR
DSPGP5_
SET1_DIR
DSPGP4_
SET1_DIR
DSPGP3_
SET1_DIR
DSPGP2_
SET1_DIR
DSPGP1_
SET1_DIR
R315440
(4D030h)
DSPGP_SET1_Level_1
0000000000000000
00000000h
DSPGP16
_SET1_
LVL
DSPGP15
_SET1_
LVL
DSPGP14
_SET1_
LVL
DSPGP13
_SET1_
LVL
DSPGP12
_SET1_
LVL
DSPGP11
_SET1_
LVL
DSPGP10
_SET1_
LVL
DSPGP9_
SET1_LVL
DSPGP8_
SET1_LVL
DSPGP7_
SET1_LVL
DSPGP6_
SET1_LVL
DSPGP5_
SET1_LVL
DSPGP4_
SET1_LVL
DSPGP3_
SET1_LVL
DSPGP2_
SET1_LVL
DSPGP1_
SET1_LVL
R315456
(4D040h)
DSPGP_SET2_Mask_1
0000000000000000
0000FFFFh
DSPGP16
_SET2_
MASK
DSPGP15
_SET2_
MASK
DSPGP14
_SET2_
MASK
DSPGP13
_SET2_
MASK
DSPGP12
_SET2_
MASK
DSPGP11
_SET2_
MASK
DSPGP10
_SET2_
MASK
DSPGP9_
SET2_
MASK
DSPGP8_
SET2_
MASK
DSPGP7_
SET2_
MASK
DSPGP6_
SET2_
MASK
DSPGP5_
SET2_
MASK
DSPGP4_
SET2_
MASK
DSPGP3_
SET2_
MASK
DSPGP2_
SET2_
MASK
DSPGP1_
SET2_
MASK
R315464
(4D048h)
DSPGP_SET2_
Direction_1
0000000000000000
0000FFFFh
DSPGP16
_SET2_
DIR
DSPGP15
_SET2_
DIR
DSPGP14
_SET2_
DIR
DSPGP13
_SET2_
DIR
DSPGP12
_SET2_
DIR
DSPGP11
_SET2_
DIR
DSPGP10
_SET2_
DIR
DSPGP9_
SET2_DIR
DSPGP8_
SET2_DIR
DSPGP7_
SET2_DIR
DSPGP6_
SET2_DIR
DSPGP5_
SET2_DIR
DSPGP4_
SET2_DIR
DSPGP3_
SET2_DIR
DSPGP2_
SET2_DIR
DSPGP1_
SET2_DIR
R315472
(4D050h)
DSPGP_SET2_Level_1
0000000000000000
00000000h
DSPGP16
_SET2_
LVL
DSPGP15
_SET2_
LVL
DSPGP14
_SET2_
LVL
DSPGP13
_SET2_
LVL
DSPGP12
_SET2_
LVL
DSPGP11
_SET2_
LVL
DSPGP10
_SET2_
LVL
DSPGP9_
SET2_LVL
DSPGP8_
SET2_LVL
DSPGP7_
SET2_LVL
DSPGP6_
SET2_LVL
DSPGP5_
SET2_LVL
DSPGP4_
SET2_LVL
DSPGP3_
SET2_LVL
DSPGP2_
SET2_LVL
DSPGP1_
SET2_LVL
R315488
(4D060h)
DSPGP_SET3_Mask_1
0000000000000000
0000FFFFh
DSPGP16
_SET3_
MASK
DSPGP15
_SET3_
MASK
DSPGP14
_SET3_
MASK
DSPGP13
_SET3_
MASK
DSPGP12
_SET3_
MASK
DSPGP11
_SET3_
MASK
DSPGP10
_SET3_
MASK
DSPGP9_
SET3_
MASK
DSPGP8_
SET3_
MASK
DSPGP7_
SET3_
MASK
DSPGP6_
SET3_
MASK
DSPGP5_
SET3_
MASK
DSPGP4_
SET3_
MASK
DSPGP3_
SET3_
MASK
DSPGP2_
SET3_
MASK
DSPGP1_
SET3_
MASK
R315496
(4D068h)
DSPGP_SET3_
Direction_1
0000000000000000
0000FFFFh
DSPGP16
_SET3_
DIR
DSPGP15
_SET3_
DIR
DSPGP14
_SET3_
DIR
DSPGP13
_SET3_
DIR
DSPGP12
_SET3_
DIR
DSPGP11
_SET3_
DIR
DSPGP10
_SET3_
DIR
DSPGP9_
SET3_DIR
DSPGP8_
SET3_DIR
DSPGP7_
SET3_DIR
DSPGP6_
SET3_DIR
DSPGP5_
SET3_DIR
DSPGP4_
SET3_DIR
DSPGP3_
SET3_DIR
DSPGP2_
SET3_DIR
DSPGP1_
SET3_DIR
R315504
(4D070h)
DSPGP_SET3_Level_1
0000000000000000
00000000h
DSPGP16
_SET3_
LVL
DSPGP15
_SET3_
LVL
DSPGP14
_SET3_
LVL
DSPGP13
_SET3_
LVL
DSPGP12
_SET3_
LVL
DSPGP11
_SET3_
LVL
DSPGP10
_SET3_
LVL
DSPGP9_
SET3_LVL
DSPGP8_
SET3_LVL
DSPGP7_
SET3_LVL
DSPGP6_
SET3_LVL
DSPGP5_
SET3_LVL
DSPGP4_
SET3_LVL
DSPGP3_
SET3_LVL
DSPGP2_
SET3_LVL
DSPGP1_
SET3_LVL
R315520
(4D080h)
DSPGP_SET4_Mask_1
0000000000000000
0000FFFFh
DSPGP16
_SET4_
MASK
DSPGP15
_SET4_
MASK
DSPGP14
_SET4_
MASK
DSPGP13
_SET4_
MASK
DSPGP12
_SET4_
MASK
DSPGP11
_SET4_
MASK
DSPGP10
_SET4_
MASK
DSPGP9_
SET4_
MASK
DSPGP8_
SET4_
MASK
DSPGP7_
SET4_
MASK
DSPGP6_
SET4_
MASK
DSPGP5_
SET4_
MASK
DSPGP4_
SET4_
MASK
DSPGP3_
SET4_
MASK
DSPGP2_
SET4_
MASK
DSPGP1_
SET4_
MASK
R315528
(4D088h)
DSPGP_SET4_
Direction_1
0000000000000000
0000FFFFh
DSPGP16
_SET4_
DIR
DSPGP15
_SET4_
DIR
DSPGP14
_SET4_
DIR
DSPGP13
_SET4_
DIR
DSPGP12
_SET4_
DIR
DSPGP11
_SET4_
DIR
DSPGP10
_SET4_
DIR
DSPGP9_
SET4_DIR
DSPGP8_
SET4_DIR
DSPGP7_
SET4_DIR
DSPGP6_
SET4_DIR
DSPGP5_
SET4_DIR
DSPGP4_
SET4_DIR
DSPGP3_
SET4_DIR
DSPGP2_
SET4_DIR
DSPGP1_
SET4_DIR
R315536
(4D090h)
DSPGP_SET4_Level_1
0000000000000000
00000000h
DSPGP16
_SET4_
LVL
DSPGP15
_SET4_
LVL
DSPGP14
_SET4_
LVL
DSPGP13
_SET4_
LVL
DSPGP12
_SET4_
LVL
DSPGP11
_SET4_
LVL
DSPGP10
_SET4_
LVL
DSPGP9_
SET4_LVL
DSPGP8_
SET4_LVL
DSPGP7_
SET4_LVL
DSPGP6_
SET4_LVL
DSPGP5_
SET4_LVL
DSPGP4_
SET4_LVL
DSPGP3_
SET4_LVL
DSPGP2_
SET4_LVL
DSPGP1_
SET4_LVL
R315552
(4D0A0h)
DSPGP_SET5_Mask_1
0000000000000000
0000FFFFh
DSPGP16
_SET5_
MASK
DSPGP15
_SET5_
MASK
DSPGP14
_SET5_
MASK
DSPGP13
_SET5_
MASK
DSPGP12
_SET5_
MASK
DSPGP11
_SET5_
MASK
DSPGP10
_SET5_
MASK
DSPGP9_
SET5_
MASK
DSPGP8_
SET5_
MASK
DSPGP7_
SET5_
MASK
DSPGP6_
SET5_
MASK
DSPGP5_
SET5_
MASK
DSPGP4_
SET5_
MASK
DSPGP3_
SET5_
MASK
DSPGP2_
SET5_
MASK
DSPGP1_
SET5_
MASK
R315560
(4D0A8h)
DSPGP_SET5_
Direction_1
0000000000000000
0000FFFFh
DSPGP16
_SET5_
DIR
DSPGP15
_SET5_
DIR
DSPGP14
_SET5_
DIR
DSPGP13
_SET5_
DIR
DSPGP12
_SET5_
DIR
DSPGP11
_SET5_
DIR
DSPGP10
_SET5_
DIR
DSPGP9_
SET5_DIR
DSPGP8_
SET5_DIR
DSPGP7_
SET5_DIR
DSPGP6_
SET5_DIR
DSPGP5_
SET5_DIR
DSPGP4_
SET5_DIR
DSPGP3_
SET5_DIR
DSPGP2_
SET5_DIR
DSPGP1_
SET5_DIR
R315568
(4D0B0h)
DSPGP_SET5_Level_1
0000000000000000
00000000h
DSPGP16
_SET5_
LVL
DSPGP15
_SET5_
LVL
DSPGP14
_SET5_
LVL
DSPGP13
_SET5_
LVL
DSPGP12
_SET5_
LVL
DSPGP11
_SET5_
LVL
DSPGP10
_SET5_
LVL
DSPGP9_
SET5_LVL
DSPGP8_
SET5_LVL
DSPGP7_
SET5_LVL
DSPGP6_
SET5_LVL
DSPGP5_
SET5_LVL
DSPGP4_
SET5_LVL
DSPGP3_
SET5_LVL
DSPGP2_
SET5_LVL
DSPGP1_
SET5_LVL
R315584
(4D0C0h)
DSPGP_SET6_Mask_1
0000000000000000
0000FFFFh
DSPGP16
_SET6_
MASK
DSPGP15
_SET6_
MASK
DSPGP14
_SET6_
MASK
DSPGP13
_SET6_
MASK
DSPGP12
_SET6_
MASK
DSPGP11
_SET6_
MASK
DSPGP10
_SET6_
MASK
DSPGP9_
SET6_
MASK
DSPGP8_
SET6_
MASK
DSPGP7_
SET6_
MASK
DSPGP6_
SET6_
MASK
DSPGP5_
SET6_
MASK
DSPGP4_
SET6_
MASK
DSPGP3_
SET6_
MASK
DSPGP2_
SET6_
MASK
DSPGP1_
SET6_
MASK
R315592
(4D0C8h)
DSPGP_SET6_
Direction_1
0000000000000000
0000FFFFh
DSPGP16
_SET6_
DIR
DSPGP15
_SET6_
DIR
DSPGP14
_SET6_
DIR
DSPGP13
_SET6_
DIR
DSPGP12
_SET6_
DIR
DSPGP11
_SET6_
DIR
DSPGP10
_SET6_
DIR
DSPGP9_
SET6_DIR
DSPGP8_
SET6_DIR
DSPGP7_
SET6_DIR
DSPGP6_
SET6_DIR
DSPGP5_
SET6_DIR
DSPGP4_
SET6_DIR
DSPGP3_
SET6_DIR
DSPGP2_
SET6_DIR
DSPGP1_
SET6_DIR
R315600
(4D0D0h)
DSPGP_SET6_Level_1
0000000000000000
00000000h
DSPGP16
_SET6_
LVL
DSPGP15
_SET6_
LVL
DSPGP14
_SET6_
LVL
DSPGP13
_SET6_
LVL
DSPGP12
_SET6_
LVL
DSPGP11
_SET6_
LVL
DSPGP10
_SET6_
LVL
DSPGP9_
SET6_LVL
DSPGP8_
SET6_LVL
DSPGP7_
SET6_LVL
DSPGP6_
SET6_LVL
DSPGP5_
SET6_LVL
DSPGP4_
SET6_LVL
DSPGP3_
SET6_LVL
DSPGP2_
SET6_LVL
DSPGP1_
SET6_LVL
Table 6-2. Register Map Definition—32-bit region (Cont.)
Register Name 31
15
30
14
29
13
28
12
27
11
26
10
25
9
24
8
23
7
22
6
21
5
20
4
19
3
18
2
17
1
16
0 Default
_‘ __— __— _— _— CIRRUS LOGIC”
330 DS1162F1
CS42L92
6 Register Map
R315616
(4D0E0h)
DSPGP_SET7_Mask_1
0000000000000000
0000FFFFh
DSPGP16
_SET7_
MASK
DSPGP15
_SET7_
MASK
DSPGP14
_SET7_
MASK
DSPGP13
_SET7_
MASK
DSPGP12
_SET7_
MASK
DSPGP11
_SET7_
MASK
DSPGP10
_SET7_
MASK
DSPGP9_
SET7_
MASK
DSPGP8_
SET7_
MASK
DSPGP7_
SET7_
MASK
DSPGP6_
SET7_
MASK
DSPGP5_
SET7_
MASK
DSPGP4_
SET7_
MASK
DSPGP3_
SET7_
MASK
DSPGP2_
SET7_
MASK
DSPGP1_
SET7_
MASK
R315624
(4D0E8h)
DSPGP_SET7_
Direction_1
0000000000000000
0000FFFFh
DSPGP16
_SET7_
DIR
DSPGP15
_SET7_
DIR
DSPGP14
_SET7_
DIR
DSPGP13
_SET7_
DIR
DSPGP12
_SET7_
DIR
DSPGP11
_SET7_
DIR
DSPGP10
_SET7_
DIR
DSPGP9_
SET7_DIR
DSPGP8_
SET7_DIR
DSPGP7_
SET7_DIR
DSPGP6_
SET7_DIR
DSPGP5_
SET7_DIR
DSPGP4_
SET7_DIR
DSPGP3_
SET7_DIR
DSPGP2_
SET7_DIR
DSPGP1_
SET7_DIR
R315632
(4D0F0h)
DSPGP_SET7_Level_1
0000000000000000
00000000h
DSPGP16
_SET7_
LVL
DSPGP15
_SET7_
LVL
DSPGP14
_SET7_
LVL
DSPGP13
_SET7_
LVL
DSPGP12
_SET7_
LVL
DSPGP11
_SET7_
LVL
DSPGP10
_SET7_
LVL
DSPGP9_
SET7_LVL
DSPGP8_
SET7_LVL
DSPGP7_
SET7_LVL
DSPGP6_
SET7_LVL
DSPGP5_
SET7_LVL
DSPGP4_
SET7_LVL
DSPGP3_
SET7_LVL
DSPGP2_
SET7_LVL
DSPGP1_
SET7_LVL
R315648
(4D100h)
DSPGP_SET8_Mask_1
0000000000000000
0000FFFFh
DSPGP16
_SET8_
MASK
DSPGP15
_SET8_
MASK
DSPGP14
_SET8_
MASK
DSPGP13
_SET8_
MASK
DSPGP12
_SET8_
MASK
DSPGP11
_SET8_
MASK
DSPGP10
_SET8_
MASK
DSPGP9_
SET8_
MASK
DSPGP8_
SET8_
MASK
DSPGP7_
SET8_
MASK
DSPGP6_
SET8_
MASK
DSPGP5_
SET8_
MASK
DSPGP4_
SET8_
MASK
DSPGP3_
SET8_
MASK
DSPGP2_
SET8_
MASK
DSPGP1_
SET8_
MASK
R315656
(4D108h)
DSPGP_SET8_
Direction_1
0000000000000000
0000FFFFh
DSPGP16
_SET8_
DIR
DSPGP15
_SET8_
DIR
DSPGP14
_SET8_
DIR
DSPGP13
_SET8_
DIR
DSPGP12
_SET8_
DIR
DSPGP11
_SET8_
DIR
DSPGP10
_SET8_
DIR
DSPGP9_
SET8_DIR
DSPGP8_
SET8_DIR
DSPGP7_
SET8_DIR
DSPGP6_
SET8_DIR
DSPGP5_
SET8_DIR
DSPGP4_
SET8_DIR
DSPGP3_
SET8_DIR
DSPGP2_
SET8_DIR
DSPGP1_
SET8_DIR
R315664
(4D110h)
DSPGP_SET8_Level_1
0000000000000000
00000000h
DSPGP16
_SET8_
LVL
DSPGP15
_SET8_
LVL
DSPGP14
_SET8_
LVL
DSPGP13
_SET8_
LVL
DSPGP12
_SET8_
LVL
DSPGP11
_SET8_
LVL
DSPGP10
_SET8_
LVL
DSPGP9_
SET8_LVL
DSPGP8_
SET8_LVL
DSPGP7_
SET8_LVL
DSPGP6_
SET8_LVL
DSPGP5_
SET8_LVL
DSPGP4_
SET8_LVL
DSPGP3_
SET8_LVL
DSPGP2_
SET8_LVL
DSPGP1_
SET8_LVL
R524288
(80000h)
DSP1_PMEM_0
00000000 DSP1_PM_START [39:32]
00000000h
DSP1_PM_START [31:16]
R524290
(80002h)
DSP1_PMEM_1
DSP1_PM_START [15:0]
00000000h
00000000 DSP1_PM_1 [39:32]
R524292
(80004h)
DSP1_PMEM_2
DSP1_PM_1 [31:16]
00000000h
DSP1_PM_1 [15:0]
R561146
(88FFAh)
DSP1_PMEM_18429
00000000 DSP1_PM_12286 [39:32]
00000000h
DSP1_PM_12286 [31:16]
R561148
(88FFCh)
DSP1_PMEM_18430
DSP1_PM_12286 [15:0]
00000000h
00000000 DSP1_PM_END [39:32]
R561150
(88FFEh)
DSP1_PMEM_18431
DSP1_PM_END [31:16]
00000000h
DSP1_PM_END [15:0]
R655360
(A0000h)
DSP1_XMEM_0
00000000 DSP1_XM_START [23:16]
00000000h
DSP1_XM_START [15:0]
R655362
(A0002h)
DSP1_XMEM_1
00000000 DSP1_XM_1 [23:16]
00000000h
DSP1_XM_1 [15:0]
R696316
(A9FFCh)
DSP1_XMEM_20478
00000000 DSP1_XM_20478 [23:16]
00000000h
DSP1_XM_20478 [15:0]
R696318
(A9FFEh)
DSP1_XMEM_20479
00000000 DSP1_XM_END [23:16]
00000000h
DSP1_XM_END [15:0]
R786432
(C0000h)
DSP1_YMEM_0
00000000 DSP1_YM_START [23:16]
00000000h
DSP1_YM_START [15:0]
R786434
(C0002h)
DSP1_YMEM_1
00000000 DSP1_YM_1 [23:16]
00000000h
DSP1_YM_1 [15:0]
R802812
(C3FFCh)
DSP1_YMEM_8190
0 0 0 0 0 0 0 0 DSP1_YM_8190 [23:16]
00000000h
DSP1_YM_8190 [15:0]
R802814
(C3FFEh)
DSP1_YMEM_8191
00000000 DSP1_YM_END [23:16]
00000000h
DSP1_YM_END [15:0]
R917504
(E0000h)
DSP1_ZMEM_0
00000000 DSP1_ZM_START [23:16]
00000000h
DSP1_ZM_START [15:0]
R917506
(E0002h)
DSP1_ZMEM_1
00000000 DSP1_ZM_1 [23:16]
00000000h
DSP1_ZM_1 [15:0]
R925692
(E1FFCh)
DSP1_ZMEM_4094
0 0 0 0 0 0 0 0 DSP1_ZM_4094 [23:16]
00000000h
DSP1_ZM_4094 [15:0]
R925694
(E1FFEh)
DSP1_ZMEM_4095
00000000 DSP1_ZM_END [23:16]
00000000h
DSP1_ZM_END [15:0]
R1048064
(FFE00h)
DSP1_Config_1
0000000000000000
00000000h
0 DSP1_RATE [3:0] 0 0 0 0 0 0 DSP1_
MEM_ENA
DSP1_
DBG_
CLK_ENA
0DSP1_
CORE_
ENA
DSP1_
START
R1048066
(FFE02h)
DSP1_Config_2
0000000000000000
00000000h
DSP1_CLK_FREQ_SEL [15:0]
R1048068
(FFE04h)
DSP1_Status_1
DSP1_
PING_
FULL
DSP1_
PONG_
FULL
000000 DSP1_WDMA_ACTIVE_CHANNELS [7:0]
00000000h
0000000000000000
R1048070
(FFE06h)
DSP1_Status_2
DSP1_DUALMEM_COLLISION_ADDR [15:0]
00000000h
000000000000000DSP1_
CLK_
AVAIL
R1048072
(FFE08h)
DSP1_Status_3
0000000000000000
00000000h
DSP1_CLK_FREQ_STS [15:0]
R1048074
(FFE0Ah)
DSP1_Watchdog_1
0000000000000000
00000000h
00000000000 DSP1_WDT_MAX_COUNT [3:0]DSP1_
WDT_ENA
Table 6-2. Register Map Definition—32-bit region (Cont.)
Register Name 31
15
30
14
29
13
28
12
27
11
26
10
25
9
24
8
23
7
22
6
21
5
20
4
19
3
18
2
17
1
16
0 Default
_‘ __— __— _— _— CIRRUS LOGIC” nsm nsm usp' nsw Dsm nsm as? aw nsp' Dsm cm cm um um cm cm cm um um cm mm mom 3 0N2 mam mow
DS1162F1 331
CS42L92
6 Register Map
R1048080
(FFE10h)
DSP1_WDMA_Buffer_1
DSP1_START_ADDRESS_WDMA_BUFFER_1 [15:0]
00000000h
DSP1_START_ADDRESS_WDMA_BUFFER_0 [15:0]
R1048082
(FFE12h)
DSP1_WDMA_Buffer_2
DSP1_START_ADDRESS_WDMA_BUFFER_3 [15:0]
00000000h
DSP1_START_ADDRESS_WDMA_BUFFER_2 [15:0]
R1048084
(FFE14h)
DSP1_WDMA_Buffer_3
DSP1_START_ADDRESS_WDMA_BUFFER_5 [15:0]
00000000h
DSP1_START_ADDRESS_WDMA_BUFFER_4 [15:0]
R1048086
(FFE16h)
DSP1_WDMA_Buffer_4
DSP1_START_ADDRESS_WDMA_BUFFER_7 [15:0]
00000000h
DSP1_START_ADDRESS_WDMA_BUFFER_6 [15:0]
R1048096
(FFE20h)
DSP1_RDMA_Buffer_1
DSP1_START_ADDRESS_RDMA_BUFFER_1 [15:0]
00000000h
DSP1_START_ADDRESS_RDMA_BUFFER_0 [15:0]
R1048098
(FFE22h)
DSP1_RDMA_Buffer_2
DSP1_START_ADDRESS_RDMA_BUFFER_3 [15:0]
00000000h
DSP1_START_ADDRESS_RDMA_BUFFER_2 [15:0]
R1048100
(FFE24h)
DSP1_RDMA_Buffer_3
DSP1_START_ADDRESS_RDMA_BUFFER_5 [15:0]
00000000h
DSP1_START_ADDRESS_RDMA_BUFFER_4 [15:0]
R1048112
(FFE30h)
DSP1_DMA_Config_1
00000000 DSP1_WDMA_CHANNEL_ENABLE [7:0]
00000000h
0 0 DSP1_DMA_BUFFER_LENGTH [13:0]
R1048114
(FFE32h)
DSP1_DMA_Config_2
0000000000000000
00000000h
0 0 0 0 0 0 0 0 DSP1_WDMA_CHANNEL_OFFSET [7:0]
R1048116
(FFE34h)
DSP1_DMA_Config_3
0000000000 DSP1_RDMA_CHANNEL_OFFSET [5:0]
00000000h
0000000000 DSP1_RDMA_CHANNEL_ENABLE [5:0]
R1048118
(FFE36h)
DSP1_DMA_Config_4
0000000000000000
00000000h
000000000000000DSP1_
DMA_
WORD_
SEL
R1048120
(FFE38h)
DSP1_External_Start
0000000000000000
00000000h
00000000000 DSP1_START_IN_SEL [4:0]
R1048128
(FFE40h)
DSP1_Scratch_1
DSP1_SCRATCH_1 [15:0]
00000000h
DSP1_SCRATCH_0 [15:0]
R1048130
(FFE42h)
DSP1_Scratch_2
DSP1_SCRATCH_3 [15:0]
00000000h
DSP1_SCRATCH_2 [15:0]
R1048146
(FFE52h)
DSP1_Bus_Error_Addr
00000000 DSP1_BUS_ERR_ADDR [23:16]
00000000h
DSP1_BUS_ERR_ADDR [15:0]
R1048148
(FFE54h)
DSP1_Ext_window_A
DSP1_
EXT_A_
PSIZE16
000000000000000
00000000h
DSP1_EXT_A_PAGE [15:0]
R1048150
(FFE56h)
DSP1_Ext_window_B
DSP1_
EXT_B_
PSIZE16
000000000000000
00000000h
DSP1_EXT_B_PAGE [15:0]
R1048152
(FFE58h)
DSP1_Ext_window_C
DSP1_
EXT_C_
PSIZE16
000000000000000
00000000h
DSP1_EXT_C_PAGE [15:0]
R1048154
(FFE5Ah)
DSP1_Ext_window_D
DSP1_
EXT_D_
PSIZE16
000000000000000
00000000h
DSP1_EXT_D_PAGE [15:0]
R1048158
(FFE5Eh)
DSP1_Watchdog_2
0000000000000000
00000000h
DSP1_WDT_RESET [15:0]
R1048160
(FFE60h)
DSP1_Identity
0000000000000000
00000000h
00000000000 DSP1_CORE_NUMBER [4:0]
R1048164
(FFE64h)
DSP1_Region_lock_sts_
0
0000000000000000
00000000h
000000DSP1_
CTRL_
REGION9_
LOCK_
STS
DSP1_
CTRL_
REGION8_
LOCK_
STS
DSP1_
CTRL_
REGION7_
LOCK_
STS
DSP1_
CTRL_
REGION6_
LOCK_
STS
DSP1_
CTRL_
REGION5_
LOCK_
STS
DSP1_
CTRL_
REGION4_
LOCK_
STS
DSP1_
CTRL_
REGION3_
LOCK_
STS
DSP1_
CTRL_
REGION2_
LOCK_
STS
DSP1_
CTRL_
REGION1_
LOCK_
STS
DSP1_
CTRL_
REGION0_
LOCK_
STS
R1048166
(FFE66h)
DSP1_Region_lock_1__
_DSP1_Region_lock_0
DSP1_CTRL_REGION1_LOCK [15:0]
00000000h
DSP1_CTRL_REGION0_LOCK [15:0]
R1048168
(FFE68h)
DSP1_Region_lock_3__
_DSP1_Region_lock_2
DSP1_CTRL_REGION3_LOCK [15:0]
00000000h
DSP1_CTRL_REGION2_LOCK [15:0]
R1048170
(FFE6Ah)
DSP1_Region_lock_5__
_DSP1_Region_lock_4
DSP1_CTRL_REGION5_LOCK [15:0]
00000000h
DSP1_CTRL_REGION4_LOCK [15:0]
R1048172
(FFE6Ch)
DSP1_Region_lock_7__
_DSP1_Region_lock_6
DSP1_CTRL_REGION7_LOCK [15:0]
00000000h
DSP1_CTRL_REGION6_LOCK [15:0]
R1048174
(FFE6Eh)
DSP1_Region_lock_9__
_DSP1_Region_lock_8
DSP1_CTRL_REGION9_LOCK [15:0]
00000000h
DSP1_CTRL_REGION8_LOCK [15:0]
R1048186
(FFE7Ah)
DSP1_Region_lock_ctrl_
0
0000000000000000
00000000h
DSP1_
LOCK_
ERR_STS
DSP1_
ADDR_
ERR_STS
DSP1_
WDT_
TIMEOUT_
STS
00000000000DSP1_
ERR_
PAUSE
DSP1_
ERR_
CLEAR
R1048188
(FFE7Ch)
DSP1_PMEM_Err_
Addr___XMEM_Err_
Addr
0DSP1_PMEM_ERR_ADDR [14:0]
00000000h
DSP1_XMEM_ERR_ADDR [15:0]
Table 6-2. Register Map Definition—32-bit region (Cont.)
Register Name 31
15
30
14
29
13
28
12
27
11
26
10
25
9
24
8
23
7
22
6
21
5
20
4
19
3
18
2
17
1
16
0 Default
CIRRUS LOGIC” _‘ __— __— _— _—
332 DS1162F1
CS42L92
7 Thermal Characteristics
7 Thermal Characteristics
Notes:
Natural convection at the maximum recommended operating temperature TA (see Table 3-3)
Four-layer, 2s2p PCB as specified by JESD51-9 and JESD51-11; dimensions: 101.5 x 114.5 x 1.6 mm
Thermal parameters as defined by JESD51-12
Table 7-1. Typical JEDEC Four-Layer, 2s2p Board Thermal Characteristics
Parameter Symbol WLCSP Units
Junction-to-ambient thermal resistance JA 38.5 °C/W
Junction-to-board thermal resistance JB 9.3 °C/W
Junction-to-case thermal resistance JC 2.11 °C/W
Junction-to-board thermal-characterization parameter JB 9.3 °C/W
Junction-to-package-top thermal-characterization parameter JT 0.10 °C/W
_‘ __— __— _— _— CIRRUS LOGIC” i——!‘3 if: V 4 fl . 5 / MI 1 \ 3‘ D i _D T ‘, ‘ 4 L - L . mrmmsm mm mm Millimeters Minimum Nominal Maximum A 0.464 0.494 0524 A1 0.161 0.19 0219 A2 0.289 0.304 0,319 b 0.24 0.27 0.3 C1 0,3279 0,3579 0,3879 d1 0,2062 0,2362 0,2662 C2 0,2307 0,2607 0,2907 d2 0.206 0.236 0,266 e BSC 0.4 BSC i BSC 0,3464 BSC 9 REF 0,3464 BSC X 4,7504 4,7754 4.8004 Y 3,4472 3,4722 3.4972 CCC=0.05 Note: Controiling dimension is miilimeters.
DS1162F1 333
CS42L92
8 Package Dimensions
8 Package Dimensions
9 Ordering Information
Table 8-1. WLCSP Package Dimensions
Dimension Millimeters
Minimum Nominal Maximum
A 0.464 0.494 0.524
A1 0.161 0.19 0.219
A2 0.289 0.304 0.319
b 0.24 0.27 0.3
c1 0.3279 0.3579 0.3879
d1 0.2062 0.2362 0.2662
c2 0.2307 0.2607 0.2907
d2 0.206 0.236 0.266
e BSC 0.4 BSC
f BSC 0.3464 BSC
g REF 0.3464 BSC
X 4.7504 4.7754 4.8004
Y 3.4472 3.4722 3.4972
ccc = 0.05
ddd = 0.15
Note: Controlling dimension is millimeters.
Table 9-1. Ordering Information
Product Description Package Halogen
Free
Pb
Free Grade Temperature
Range Container Order #
CS42L92 32-Bit 384-kHz Hi-Fi
Audio Codec
104-ball
WLCSP
Yes Yes Commercial –40 to +85°C Tape and
Reel 1
1.Reel quantity = 6000 units.
CS42L92-CWZR
WAFER BACK SIDE SIDE VIEW BUMP SIDE
Y
X
Ball A1
Location
Indicator
d1
c1
Seating
plane
Ball A1 Location Indicator
(seen through package)
X
Y
Z
Z
d2
c2
e
e e
b
Z X Y
ZØccc
Øddd
104 x Øb
f
A2
A1
A
g
Notes:
Dimensioning and tolerances per ASME Y 14.5M–2009.
The Ball A1 position indicator is for illustration purposes only and may not be to scale.
Dimension “b” applies to the solder sphere diameter and is measured at the midpoint
between the package body and the seating plane Datum Z.
_‘ __— __— _— _— CIRRUS LOGIC” - AVDD maximum rating amended (Table 372).
334 DS1162F1
CS42L92
10 References
10 References
MIPI Alliance, MIPI Alliance Specification for Serial Low-Power Inter-Chip Media Bus (SLIMbus). http://
www.mipi.org/
Google Inc, Android Wired Headset Specification, Version 1.1. http://source.android.com/accessories/
headset-spec.html
International Electrotechnical Commission, IEC60958-3 Digital Audio Interface—Consumer. http://www.ansi.org/
11 Revision History
Table 11-1. Revision History
Revision Changes
F1
NOV ‘17
AVDD maximum rating amended (Table 3-2).
DSP memory sizes amended (Tab le 4- 29 ).
Package dimension tolerances added (Section 8).
Contacting Cirrus Logic Support
For all product questions and inquiries, contact a Cirrus Logic Sales Representative.
To find the one nearest you, go to www.cirrus.com.
IMPORTANT NOTICE
The
products and services of Cirrus Logic International (UK) Limited; Cirrus Logic, Inc.; and other companies in the Cirrus Logic group (collectively either “Cirrus
Logic” or “Cirrus”) are sold subject to Cirrus Logic’s terms and conditions of sale supplied at the time of order acknowledgment, including those pertaining to
warranty, indemnification, and limitation of liability. Software is provided pursuant to applicable license terms. Cirrus Logic reserves the right to make changes to
its products and specifications or to discontinue any product or service without notice. Customers should therefore obtain the latest version of relevant information
from Cirrus Logic to verify that the information is current and complete. Testing and other quality control techniques are utilized to the extent Cirrus Logic deems
necessary. Specific testing of all parameters of each device is not necessarily performed. In order to minimize risks associated with customer applications, the
customer must use adequate design and operating safeguards to minimize inherent or procedural hazards. Cirrus Logic is not liable for applications assistance
or customer product design. The customer is solely responsible for its selection and use of Cirrus Logic products. Use of Cirrus Logic products may entail a choice
between many different modes of operation, some or all of which may require action by the user, and some or all of which may be optional. Nothing in these
materials should be interpreted as instructions or suggestions to choose one mode over another. Likewise, description of a single mode should not be interpreted
as a suggestion that other modes should not be used or that they would not be suitable for operation. Features and operations described herein are for illustrative
purposes only.
CERTAIN APPLICATIONS USING SEMICONDUCTOR PRODUCTS MAY INVOLVE POTENTIAL RISKS OF DEATH, PERSONAL INJURY, OR SEVERE PROPERTY OR
ENVIRONMENTAL DAMAGE (“CRITICAL APPLICATIONS”). CIRRUS LOGIC PRODUCTS ARE NOT DESIGNED, AUTHORIZED OR WARRANTED FOR USE IN
PRODUCTS SURGICALLY IMPLANTED INTO THE BODY, AUTOMOTIVE SAFETY OR SECURITY DEVICES, NUCLEAR SYSTEMS, LIFE SUPPORT PRODUCTS OR
OTHER CRITICAL APPLICATIONS. INCLUSION OF CIRRUS LOGIC PRODUCTS IN SUCH APPLICATIONS IS UNDERSTOOD TO BE FULLY AT THE CUSTOMER’S
RISK AND CIRRUS LOGIC DISCLAIMS AND MAKES NO WARRANTY, EXPRESS, STATUTORY OR IMPLIED, INCLUDING THE IMPLIED WARRANTIES OF
MERCHANTABILITY AND FITNESS FOR PARTICULAR PURPOSE, WITH REGARD TO ANY CIRRUS LOGIC PRODUCT THAT IS USED IN SUCH A MANNER. IF THE
CUSTOMER OR CUSTOMER’S CUSTOMER USES OR PERMITS THE USE OF CIRRUS LOGIC PRODUCTS IN CRITICAL APPLICATIONS, CUSTOMER AGREES, BY
SUCH USE, TO FULLY INDEMNIFY CIRRUS LOGIC, ITS OFFICERS, DIRECTORS, EMPLOYEES, DISTRIBUTORS AND OTHER AGENTS FROM ANY AND ALL
LIABILITY, INCLUDING ATTORNEYS’ FEES AND COSTS, THAT MAY RESULT FROM OR ARISE IN CONNECTION WITH THESE USES.
This
document is the property of Cirrus Logic and by furnishing this information, Cirrus Logic grants no license, express or implied, under any patents, mask work
rights, copyrights, trademarks, trade secrets or other intellectual property rights. Any provision or publication of any third party’s products or services does not
constitute Cirrus Logic’s approval, license, warranty or endorsement thereof. Cirrus Logic gives consent for copies to be made of the information contained herein
only for use within your organization with respect to Cirrus Logic integrated circuits or other products of Cirrus Logic, and only if the reproduction is without
alteration and is accompanied by all associated copyright, proprietary and other notices and conditions (including this notice). This consent does not extend to
other copying such as copying for general distribution, advertising or promotional purposes, or for creating any work for resale. This document and its information
is provided “AS IS” without warranty of any kind (express or implied). All statutory warranties and conditions are excluded to the fullest extent possible. No
responsibility is assumed by Cirrus Logic for the use of information herein, including use of this information as the basis for manufacture or sale of any items, or
for infringement of patents or other rights of third parties. Cirrus Logic, Cirrus, the Cirrus Logic logo design, SoundClear, and WISCE are among the trademarks
of Cirrus Logic. Other brand and product names may be trademarks or service marks of their respective owners
.
Copyright © 2017 Cirrus Logic, Inc. All rights reserved.
MIPI and SLIMbus are trademarks or registered trademarks of MIPI Alliance, Inc.
USB-C is a trademark of USB Implementers Forum.
Android is a trademark of Google, Inc.
SPI is a trademark of Motorola.