HMC994 Datasheet by Analog Devices Inc.

u ANALOG DEVICES Rnfls/ 02 02 02 02 Need 60¢ 02 0? RFOUT & Vdd (23 N/c IE N/C £12 GND 2 IIE GND IE N/C IE N/C 2 4 5 5 [3ND VggZ N/C :I 8ND RnN GND N/C :l 0ND
For price, delivery and to place orders: Hittite Microwave Corporation, 2 Elizabeth Drive, Chelmsford, MA 01824
Phone: 978-250-3343 Fax: 978-250-3373 Order On-line at www.hittite.com
Application Support: Phone: 978-250-3343 or apps@hittite.com
AMPLIFIERS - LINEAR & POWER - SMT
1
HMC994LP5E
v01.0314
GaAs pHEMT MMIC
POWER AMPLIFIER, DC - 28 GHz
Functional Diagram
Features
P1dB Output Power: +27 dBm
Psat Output Power: +29 dBm
High Gain: 13 dB
Output IP3: +38 dBm
Supply Voltage: Vdd = +10V @ 250 mA
50 Ohm Matched Input/Output
32 Lead 5x5 mm SMT Package: 25 mm
Typical Applications
The HMC994LP5E is ideal for:
• Test Instrumentation
• Microwave Radio & VSAT
• Telecom Infrastructure
• Military & Space
• Fiber optics
General Description
The HMC994LP5E is a G a A s p H E M T M M I C D i s t r i b u t e d
Wideband Power Amplifier which operates between
DC and 28 GHz. The amplifier provides 13 dB of gain,
+29 dBm of saturated output power, and 23% PAE
from a +10V supply. With up to +38 dBm Output IP3 the
HMC994LP5E is ideal for high linearity applications in
military and space as well as point-to-point and point-
to-multi-point radios. The HMC994LP5E exhibits a
very flat gain from 4 to 16 GHz making it ideal for EW,
ECM, Radar and test equipment applications. The
HMC994LP4E amplifier I/Os are internally matched to
50 Ohms and is packaged in a leadless QFN 5x5 mm
surface mount package.
Electrical Specifications, TA = +25° C, Vdd = +10V, Vgg2 = +3.5V Idd = 250 mA [1]
Parameter Min. Typ. Max. Min. Typ. Max. Min. Typ.. Max. Units
Frequency Range DC - 10 10 - 20 20 - 28 GHz
Gain 11 13 11 13 11 13 dB
Gain Flatness ±0.5 ±0.5 ±0.5 dB
Gain Variation Over Temperature 0.008 0.011 1.016 dB/ °C
Input Return Loss 18 15 12 dB
Output Return Loss 18 16 12 dB
Output Power for 1 dB Compression (P1dB) 26 28 24.5 27 22.5 25 dBm
Saturated Output Power (Psat) 30 29.5 28 dBm
Output Third Order Intercept (IP3) [2] 41 37 35 dBm
Noise Figure 4 4 5 dB
Total Supply Current 250 300 250 300 250 300 mA
[1] Adjust Vgg1 between -2 to 0V to achieve Idd = 250 mA typical.
[2] Measurement taken at Pout / tone = +16 dBm.
Information furnished by Analog Devices is believed to be accurate and reliable. However, no
responsibility is assumed by Analog Devices for its use, nor for any infringements of patents or other
rights of third parties that may result from its use. Specifications subject to change without notice. No
license is granted by implication or otherwise under any patent or patent rights of Analog Devices.
Trademarks and registered trademarks are the property of their respective owners.
For price, delivery, and to place orders: Analog Devices, Inc.,
One Technology Way, P.O. Box 9106, Norwood, MA 02062-9106
Phone: 781-329-4700 • Order online at www.analog.com
Application Support: Phone: 1-800-ANALOG-D
ANALOG DEVICES Rnfls/
For price, delivery and to place orders: Hittite Microwave Corporation, 2 Elizabeth Drive, Chelmsford, MA 01824
Phone: 978-250-3343 Fax: 978-250-3373 Order On-line at www.hittite.com
Application Support: Phone: 978-250-3343 or apps@hittite.com
AMPLIFIERS - LINEAR & POWER - SMT
2
HMC994LP5E
v01.0314
GaAs pHEMT MMIC
POWER AMPLIFIER, DC - 28 GHz
Output Return Loss vs. Temperature
Gain & Return Loss Gain vs. Temperature
P1dB vs. Temperature
Input Return Loss vs. Temperature
Noise Figure vs. Temperature
-40
-30
-20
-10
0
10
20
0 5 10 15 20 25 30 35 40
S21 S11 S22
RESPONSE (dB)
FREQUENCY (GHz)
6
8
10
12
14
16
18
0 4 8 12 16 20 24 28
+25 C +85 C -40 C
GAIN (dB)
FREQUENCY (GHz)
-40
-30
-20
-10
0
0 5 10 15 20 25 30
+25 C +85 C -40 C
RETURN LOSS (dB)
FREQUENCY (GHz)
-40
-30
-20
-10
0
0 5 10 15 20 25 30
+25 C +85 C -40 C
RETURN LOSS (dB)
FREQUENCY (GHz)
0
2
4
6
8
10
0 4 8 12 16 20 24 28
+25 C +85 C -40 C
NOISE FIGURE (dB)
FREQUENCY (GHz)
20
22
24
26
28
30
32
0 5 10 15 20 25 30
+25 C +85 C -40 C
P1dB (dBm)
FREQUENCY (GHz)
Information furnished by Analog Devices is believed to be accurate and reliable. However, no
responsibility is assumed by Analog Devices for its use, nor for any infringements of patents or other
rights of third parties that may result from its use. Specifications subject to change without notice. No
license is granted by implication or otherwise under any patent or patent rights of Analog Devices.
Trademarks and registered trademarks are the property of their respective owners.
For price, delivery, and to place orders: Analog Devices, Inc.,
One Technology Way, P.O. Box 9106, Norwood, MA 02062-9106
Phone: 781-329-4700 • Order online at www.analog.com
Application Support: Phone: 1-800-ANALOG-D
For price, delivery and to place orders: Hittite Microwave Corporation, 2 Elizabeth Drive, Chelmsford, MA 01824
Phone: 978-250-3343 Fax: 978-250-3373 Order On-line at www.hittite.com
Application Support: Phone: 978-250-3343 or apps@hittite.com
AMPLIFIERS - LINEAR & POWER - SMT
3
HMC994LP5E
v01.0314
GaAs pHEMT MMIC
POWER AMPLIFIER, DC - 28 GHz
Psat vs. Supply Current
Psat vs. Temperature
Psat vs. Supply Voltage
Output IP3 vs. Temperature,
Pout/tone = +16 dBm
P1dB vs. Supply Current
P1dB vs. Supply Voltage
20
22
24
26
28
30
32
0 5 10 15 20 25 30
+8V +10V +11V
P1dB (dBm)
FREQUENCY (GHz)
20
22
24
26
28
30
32
0 5 10 15 20 25 30
+25 C +85 C -40 C
Psat (dBm)
FREQUENCY (GHz)
20
22
24
26
28
30
32
0 5 10 15 20 25 30
175 mA 250 mA
P1dB (dBm)
FREQUENCY (GHz)
20
22
24
26
28
30
32
0 5 10 15 20 25 30
175 mA 250 mA
Psat (dBm)
FREQUENCY (GHz)
28
30
32
34
36
38
40
42
44
0 5 10 15 20 25 30
+25 C +85 C -40 C
FREQUENCY (GHz)
IP3 (dBm)
20
22
24
26
28
30
32
0 5 10 15 20 25 30
+8V +10V +11V
Psat (dBm)
FREQUENCY (GHz)
Information furnished by Analog Devices is believed to be accurate and reliable. However, no
responsibility is assumed by Analog Devices for its use, nor for any infringements of patents or other
rights of third parties that may result from its use. Specifications subject to change without notice. No
license is granted by implication or otherwise under any patent or patent rights of Analog Devices.
Trademarks and registered trademarks are the property of their respective owners.
For price, delivery, and to place orders: Analog Devices, Inc.,
One Technology Way, P.O. Box 9106, Norwood, MA 02062-9106
Phone: 781-329-4700 • Order online at www.analog.com
Application Support: Phone: 1-800-ANALOG-D
ANALOG DEVICES
For price, delivery and to place orders: Hittite Microwave Corporation, 2 Elizabeth Drive, Chelmsford, MA 01824
Phone: 978-250-3343 Fax: 978-250-3373 Order On-line at www.hittite.com
Application Support: Phone: 978-250-3343 or apps@hittite.com
AMPLIFIERS - LINEAR & POWER - SMT
4
HMC994LP5E
v01.0314
GaAs pHEMT MMIC
POWER AMPLIFIER, DC - 28 GHz
Output IM3 @ Vdd = +11V
Power Compression @ 16 GHz
Output IM3 @ Vdd = +8V
Output IM3 @ Vdd =+10V
Output IP3 vs. Supply Voltage,
Pout/tone = +16 dBm
Reverse Isolation vs. Temperature
28
30
32
34
36
38
40
42
44
0 5 10 15 20 25 30
+8V +10V +11V
FREQUENCY (GHz)
IP3 (dBm)
0
10
20
30
40
50
60
70
80
90
4 6 8 10 12 14 16 18
3 GHz
6 GHz
9 GHz
13 GHz
17 GHz
21 GHz
24 GHz
27 GHz
IM3 (dBc)
Pout/TONE (dBm)
0
10
20
30
40
50
60
70
80
4 6 8 10 12 14 16 18
3 GHz
6 GHz
9 GHz
13 GHz
17 GHz
21 GHz
24 GHz
27 GHz
IM3 (dBc)
Pout/TONE (dBm)
0
10
20
30
40
50
60
70
4 6 8 10 12 14 16 18
3 GHz
6 GHz
9 GHz
13 GHz
17 GHz
21 GHz
24 GHz
27 GHz
IM3 (dBc)
Pout/TONE (dBm)
-80
-70
-60
-50
-40
-30
-20
-10
0
0 3 6 9 12 15 18 21 24 27 30
+25 C +85 C -40 C
ISOLATION (dB)
FREQUENCY (GHz)
0
4
8
12
16
20
24
28
32
0 3 6 9 12 15 18
Pout Gain PAE
Pout (dBm), GAIN (dB), PAE (%)
INPUT POWER (dBm)
Information furnished by Analog Devices is believed to be accurate and reliable. However, no
responsibility is assumed by Analog Devices for its use, nor for any infringements of patents or other
rights of third parties that may result from its use. Specifications subject to change without notice. No
license is granted by implication or otherwise under any patent or patent rights of Analog Devices.
Trademarks and registered trademarks are the property of their respective owners.
For price, delivery, and to place orders: Analog Devices, Inc.,
One Technology Way, P.O. Box 9106, Norwood, MA 02062-9106
Phone: 781-329-4700 • Order online at www.analog.com
Application Support: Phone: 1-800-ANALOG-D
ANALOG DEVICES Rnfls/
For price, delivery and to place orders: Hittite Microwave Corporation, 2 Elizabeth Drive, Chelmsford, MA 01824
Phone: 978-250-3343 Fax: 978-250-3373 Order On-line at www.hittite.com
Application Support: Phone: 978-250-3343 or apps@hittite.com
AMPLIFIERS - LINEAR & POWER - SMT
5
HMC994LP5E
v01.0314
GaAs pHEMT MMIC
POWER AMPLIFIER, DC - 28 GHz
Gain & Power vs.
Supply Current @ 16 GHz
Power Dissipation
Gain & Power vs.
Supply Voltage @ 16 GHz
Second Harmonics vs. Temperature @
Pout = 14 dBm
Second Harmonics vs. Vdd @
Pout = 14 dBm
Second Harmonics vs. Pout
5
10
15
20
25
30
175 200 225 250
GAIN (dB)
P1dB (dBm)
Psat (dBm)
Idd (mA)
5
10
15
20
25
30
35
8 9 10 11
GAIN (dB)
P1dB (dBm)
Psat (dBm)
Vdd (V)
Gain (dB), P1dB (dBm), Psat (dBm)
0
0.5
1
1.5
2
2.5
3
3.5
4
2 4 6 8 10 12 14 16 18
4 GHz
11 GHz
18 GHz
26 GHz
POWER DISSIPATION (W)
INPUT POWER (dBm)
0
10
20
30
40
50
60
70
0 4 8 12 16 20 24
+25C +85C -40C
SECOND HARMONIC (dBc)
FREQUENCY(GHz)
0
10
20
30
40
50
60
70
0 4 8 12 16 20 24
+8V +10V +11V
SECOND HARMONIC (dBc)
FREQUENCY(GHz)
0
10
20
30
40
50
60
70
0 4 8 12 16 20 24
+8 dBm
+10 dBm
+12 dBm
+14 dBm
+16 dBm
+18 dBm
SECOND HARMONIC (dBc)
FREQUENCY(GHz)
Information furnished by Analog Devices is believed to be accurate and reliable. However, no
responsibility is assumed by Analog Devices for its use, nor for any infringements of patents or other
rights of third parties that may result from its use. Specifications subject to change without notice. No
license is granted by implication or otherwise under any patent or patent rights of Analog Devices.
Trademarks and registered trademarks are the property of their respective owners.
For price, delivery, and to place orders: Analog Devices, Inc.,
One Technology Way, P.O. Box 9106, Norwood, MA 02062-9106
Phone: 781-329-4700 • Order online at www.analog.com
Application Support: Phone: 1-800-ANALOG-D
ANALOG DEVICES RnflSv/ TOP VIEW W. ff}; [2:43]? ‘ O H 9 9 4 XXXX 8 9 IE L23? [52:3] ,73—D—D—D—D—D—D—D—D—z D .002 [.000 T 0.05 0.00 sums mu: LOT NUMBER ] BOTTOM V‘EW A F.016 [0.40] REF y .005 [0.20] mm; U L! LI U U U L! UL: 3 — \ j I: j E Pm I j I: j I: .012 0.55 3 C .017 0.44 3 :1 L 1 3 CT HHHHHHHN BE [giggkm’m $2013? PADDLE ms: 1. LEAD mu muun mm: mum- mm mm. 2. mu m: GnouNn mama mum: max mm m. :. nmzusmus ARE m mms [000mm]. 4. LEAD smmc manner IS Monicwuunvi. 5. m am mam sum. B[ fl.l5mm m, m awn Ham sum. 5: 0.25m m. . mm: mm: SHALL NOT mm onsmm 1. ALL enounn lEADS mu snuunn mm: must a: somznzu m m nr mum).
For price, delivery and to place orders: Hittite Microwave Corporation, 2 Elizabeth Drive, Chelmsford, MA 01824
Phone: 978-250-3343 Fax: 978-250-3373 Order On-line at www.hittite.com
Application Support: Phone: 978-250-3343 or apps@hittite.com
AMPLIFIERS - LINEAR & POWER - SMT
6
HMC994LP5E
v01.0314
GaAs pHEMT MMIC
POWER AMPLIFIER, DC - 28 GHz
Absolute Maximum Ratings
Drain Bias Voltage (Vdd) +12 Vdc
Gate Bias Voltage (Vgg1) -3 to 0 Vdc
Gate Bias Voltage (Vgg2)
For Vdd = 12V, Vgg2 = 5.5V
Idd < 200mA
For Vdd between 8.5V to 11V,
Vgg2 = (Vdd - 6.5V) up to 4.5V
For Vdd < 8.5V,
Vgg2 must remain > 2V
RF Input Power (RFIN) +25 dBm
Channel Temperature 150 °C
Continuous Pdiss (T= 85 °C)
(derate 46.1 mW/°C above 85 °C) 3.0 W
Thermal Resistance
(channel to ground paddle) 21.6 °C/ W
Storage Temperature -65 to 150°C
Operating Temperature -55 to 85 °C
ESD Sensitivity (HBM) Class 1A
Vdd (V) Idd (mA)
+8 250
+9 250
+10 250
+11 250
Typical Supply Current vs. Vdd
ELECTROSTATIC SENSITIVE DEVICE
OBSERVE HANDLING PRECAUTIONS
Adjust Vgg1 to achieve Idd = 250 mA
Outline Drawing
Package Information
Part Number Package Body Material Lead Finish MSL Rating [2] Package Marking [1]
HMC994LP5E RoHS-compliant Low Stress Injection Molded Plastic 100% matte Sn MSL1 H994
XXXX
[1] 4-Digit lot number XXXX
[2] Max peak reflow temperature of 260 °C
Information furnished by Analog Devices is believed to be accurate and reliable. However, no
responsibility is assumed by Analog Devices for its use, nor for any infringements of patents or other
rights of third parties that may result from its use. Specifications subject to change without notice. No
license is granted by implication or otherwise under any patent or patent rights of Analog Devices.
Trademarks and registered trademarks are the property of their respective owners.
For price, delivery, and to place orders: Analog Devices, Inc.,
One Technology Way, P.O. Box 9106, Norwood, MA 02062-9106
Phone: 781-329-4700 • Order online at www.analog.com
Application Support: Phone: 1-800-ANALOG-D
ANALOG DEVICES Rnfls/ VGGZ
For price, delivery and to place orders: Hittite Microwave Corporation, 2 Elizabeth Drive, Chelmsford, MA 01824
Phone: 978-250-3343 Fax: 978-250-3373 Order On-line at www.hittite.com
Application Support: Phone: 978-250-3343 or apps@hittite.com
AMPLIFIERS - LINEAR & POWER - SMT
7
HMC994LP5E
v01.0314
GaAs pHEMT MMIC
POWER AMPLIFIER, DC - 28 GHz
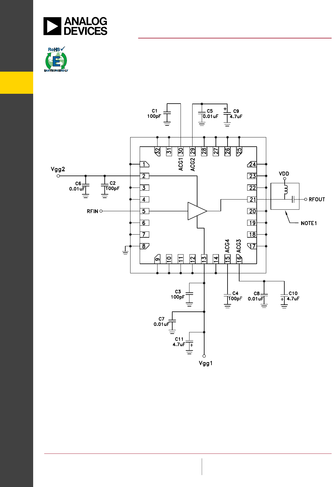
Pin Number Function Description Interface Schematic
1, 4, 6, 14,
20, 22,
Package Bottom
GND These pins & exposed ground paddle must be con-
nected to RF/DC ground.
2VGG2
Gate control 2 for amplifier. Attach bypass capacitor
per application circuit herein. For nominal operation
+3.5V should be applied to Vgg2
3, 7, 8, 9, 10, 11,
12, 17, 18, 19, 23,
24, 25, 26, 27,
28, 31, 32
N/C
No connection required. These pins may be con-
nected to RF/DC ground without affecting perfor-
mance.
5RFIN This pin is DC coupled and matched to 50 Ohms.
Blocking capacitor is required.
13 Vgg1
Gate control 1 for amplifier. Attach bypass capacitor
per application circuit herein. Please follow “MMIC
Amplifier Biasing Procedure” application note.
15 ACG4
Low Frequency termination. Attach bypass capacitor
per application circuit herein.
16 ACG3
21 RFOUT & Vdd
RF output for amplifier. Connect DC bias (Vdd) net-
work to provide drain current (Idd). See application
circuit herein.
29 ACG2
Low frequency termination. Attach bypass capacitor
per application circuit herein
30 ACG1
Pin Descriptions
Information furnished by Analog Devices is believed to be accurate and reliable. However, no
responsibility is assumed by Analog Devices for its use, nor for any infringements of patents or other
rights of third parties that may result from its use. Specifications subject to change without notice. No
license is granted by implication or otherwise under any patent or patent rights of Analog Devices.
Trademarks and registered trademarks are the property of their respective owners.
For price, delivery, and to place orders: Analog Devices, Inc.,
One Technology Way, P.O. Box 9106, Norwood, MA 02062-9106
Phone: 781-329-4700 • Order online at www.analog.com
Application Support: Phone: 1-800-ANALOG-D
ANALOG DEVICES may m u % % 127135—1‘W 2 o C —| é o ,m: E \ \ (— N + c2 MU W fl c :3:7 N: :31? U1 7 :5 N: :3
For price, delivery and to place orders: Hittite Microwave Corporation, 2 Elizabeth Drive, Chelmsford, MA 01824
Phone: 978-250-3343 Fax: 978-250-3373 Order On-line at www.hittite.com
Application Support: Phone: 978-250-3343 or apps@hittite.com
AMPLIFIERS - LINEAR & POWER - SMT
8
HMC994LP5E
v01.0314
GaAs pHEMT MMIC
POWER AMPLIFIER, DC - 28 GHz
The circuit board used in the application should use
RF circuit design techniques. Signal lines should
have 50 Ohm impedance while the package ground
leads and exposed paddle should be connected
directly to the ground plane similar to that shown.
A sufficient number of via holes should be used to
connect the top and bottom ground planes. The
evaluation circuit board shown is available from Hit-
tite upon request.
Evaluation PCB
Evaluation Order Information
Item Contents Part Number
Evaluation PCB Only HMC994LP5E Evaluation PCB Eval01-HMC994LP5E [1]
[1] Reference this number when ordering Evaluation PCB Only
Item Description
J1, J2, J5, J6 PCB Mount SMA RF Connector
J3, J4 DC Pins.
C1 - C4 1000 pF Capacitor, 0402 Pkg.
C5 - C8 10 kpF Capacitor, 0402 Pkg.
C9 - C11 4.7 uF Capacitor, Tantalum.
R1, R2 0 Ohm Resistor, 0402 Pkg.
U1 HMC994LP5E
PCB [1] 127135 Evaluation PCB.
[1] Circuit Board Material: Rogers 4350 or Arlon 25FR
List of Materials for Evaluation PCB EVAL01-HMC994LP5E
Information furnished by Analog Devices is believed to be accurate and reliable. However, no
responsibility is assumed by Analog Devices for its use, nor for any infringements of patents or other
rights of third parties that may result from its use. Specifications subject to change without notice. No
license is granted by implication or otherwise under any patent or patent rights of Analog Devices.
Trademarks and registered trademarks are the property of their respective owners.
For price, delivery, and to place orders: Analog Devices, Inc.,
One Technology Way, P.O. Box 9106, Norwood, MA 02062-9106
Phone: 781-329-4700 • Order online at www.analog.com
Application Support: Phone: 1-800-ANALOG-D
ANALOG DEVICES Rnfls/ m J. ics IUOpF I E.D‘HF fl. C9 IAJuF T T IEI Bl fiElEH’Ifl fllfififlf j A063 :I ACG4 I I T @H@@@@ VggZ H? § § 0.032% £0002” Bil [J : : >~I| RFIN E E q RII £73 7 Q E E El E El 1 i i i IOOPF D‘OIuEI: ’0 RFOUT .0a WU T r“ NOTE1 7,64 CII 1010 TJHF
For price, delivery and to place orders: Hittite Microwave Corporation, 2 Elizabeth Drive, Chelmsford, MA 01824
Phone: 978-250-3343 Fax: 978-250-3373 Order On-line at www.hittite.com
Application Support: Phone: 978-250-3343 or apps@hittite.com
AMPLIFIERS - LINEAR & POWER - SMT
9
HMC994LP5E
v01.0314
GaAs pHEMT MMIC
POWER AMPLIFIER, DC - 28 GHz
Application Circuit
NOTE 1: Drain Bias (Vdd) must be applied through a broadband bias tee or external bias network.
Information furnished by Analog Devices is believed to be accurate and reliable. However, no
responsibility is assumed by Analog Devices for its use, nor for any infringements of patents or other
rights of third parties that may result from its use. Specifications subject to change without notice. No
license is granted by implication or otherwise under any patent or patent rights of Analog Devices.
Trademarks and registered trademarks are the property of their respective owners.
For price, delivery, and to place orders: Analog Devices, Inc.,
One Technology Way, P.O. Box 9106, Norwood, MA 02062-9106
Phone: 781-329-4700 • Order online at www.analog.com
Application Support: Phone: 1-800-ANALOG-D
ANALOG DEVICES Rnfls/
For price, delivery and to place orders: Hittite Microwave Corporation, 2 Elizabeth Drive, Chelmsford, MA 01824
Phone: 978-250-3343 Fax: 978-250-3373 Order On-line at www.hittite.com
Application Support: Phone: 978-250-3343 or apps@hittite.com
AMPLIFIERS - LINEAR & POWER - SMT
10
HMC994LP5E
v01.0314
GaAs pHEMT MMIC
POWER AMPLIFIER, DC - 28 GHz
Notes
Information furnished by Analog Devices is believed to be accurate and reliable. However, no
responsibility is assumed by Analog Devices for its use, nor for any infringements of patents or other
rights of third parties that may result from its use. Specifications subject to change without notice. No
license is granted by implication or otherwise under any patent or patent rights of Analog Devices.
Trademarks and registered trademarks are the property of their respective owners.
For price, delivery, and to place orders: Analog Devices, Inc.,
One Technology Way, P.O. Box 9106, Norwood, MA 02062-9106
Phone: 781-329-4700 • Order online at www.analog.com
Application Support: Phone: 1-800-ANALOG-D