TPS78223DDCT/33DDCT LDO Regulators
TPS782xx - 150mA, Ultra-Low Quiescent Current, IQ 1µA Low-Dropout Linear Regulator
The TPS782 family of low-dropout regulators (LDOs) offers the benefits of ultra-low power (IQ = 1µA) and miniaturized packaging (2×2 SON). This LDO is designed specifically for battery-powered applications where ultra-low quiescent current is a critical parameter. The TPS782, with ultra-low IQ (1µA), is ideal for microprocessors, memory cards, and smoke detectors.
The ultra-low power and miniaturized packaging allow designers to customize power consumption for specific applications. Please contact Digi-Key for exact voltage options and ordering information; minimum order quantities may apply. Datasheet
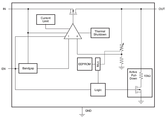
The TPS782 family is designed to be compatible with the TI MSP430 and other similar products. The enable pin (EN) is compatible with standard CMOS logic. This LDO is stable with any output capacitor greater than 1.0µF. Therefore, this device requires minimal board space because of miniaturized packaging and a potentially small output capacitor. The TPS782 series also features thermal shutdown and current limit to protect the device during fault conditions. All packages have an operating temperature range of TJ = -40°C to +125°C. For high-performance applications that require a dual-level voltage option, consider the TPS780 series with an IQ of 500nA and dynamic voltage scaling.
| Features | Applications | |
|
|
Ultra Low Quiescent Current- Low Dropout Linear Regulator
| 图片 | 制造商零件编号 | 描述 | 可供货数量 | 价格 | ||
|---|---|---|---|---|---|---|
![]() | ![]() | TPS78223DDCT | IC REG LINEAR 2.3V 150MA SOT23 | 2680 - 立即发货 | $1.81 | 查看详情 |
![]() | ![]() | TPS78233DDCT | IC REG LINEAR 3.3V 150MA SOT23 | 3799 - 立即发货 | $1.81 | 查看详情 |




