TPS23730 IEEE 802.3bt Type 3 1-6 类 PoE 2 PD
Texas Instruments 的供电设备 (PD) 具有高效的 DC/DC 控制器
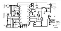
Texas Instruments 的 TPS23730 器件结合了以太网供电 (PoE) PD 接口和针对反激和有源箝位正向 (ACF) 开关稳压器设计优化的电流模式 DC/DC 控制器。在反激式配置的情况下,支持使用初级侧调节 (PSR)。
PoE 接口支持 IEEE 802.3bt 标准,适用于在 PD 输入处需要不超过 51 W 的应用。提供可编程扩频抖动 (SSFD),以最小化 EMI 滤波器的尺寸和成本。具有可调软启动功能的高级启动有助于使用最小限度的偏置电容器,同时简化转换器的启动和打嗝设计,并确保满足 IEEE 802.3bt 的启动要求。软停止功能可最大程度降低开关功率 FET 的压力,从而降低 FET BOM 成本。DC/DC 控制器的 PSR 功能使用来自辅助绕组的反馈来控制输出电压,无需外部并联稳压器和光耦合器。它针对连续传导模式 (CCM) 进行了优化,可与次级侧同步整流一起工作,从而在多个输出上实现最佳效率、调节精度和步进负载响应。DC/DC 控制器具有斜坡补偿和消隐功能。典型开关频率 250 KHz自动 MPS 支持带有低功耗模式或多路供电的应用。它会根据 PSE 类型和系统条件自动调整其脉冲电流幅度和持续时间,以在保持功率的同时将功耗降至最低。
- 完整的 IEEE 802.3bt Type 3(1-6 类)PoE PD 解决方案:
- EA Gen 2 徽标就绪(PoE 2 PD 控制器)
- 稳定可靠的 100 V,0.3 Ω(典型值)热插拔 MOSFET
- 支持最高 60 W 的功率水平
- 分配的电源指示灯输出(可选择并行或串行编码)
- 自动维持功率特征 (MPS):
- 按 PSE 类型和负载电流自动调整,并自动拉伸
- 主适配器优先输入
- 结温范围:-40°C 至 +125°C
- 集成式 PWM 控制器,用于反激或有源箝位正向配置:
- 具有初级侧调节的反激控制:
- 支持 CCM 工作
- ±1.5%(典型5 V 输出)负载调节(0% 至 100% 负载范围),具有同步 FET
- 支持次级侧调节
- 具有高级启动和打嗝模式过载保护的软启动控制
- 软停止关断
- 带同步可调节频率
- 针对 EMI 的可编程频率抖动
- 具有初级侧调节的反激控制:
- 视频和 VoIP 电话
- 接入点
- 直通系统
- 安防摄像机
- 冗余电源或电源共享
TPS23730 IEEE 802.3bt Type 3 Class 1-6 PoE 2 PD
| 图片 | 制造商零件编号 | 描述 | 功率 - 最大值 | 内部开关 | 辅助作用 | 可供货数量 | 价格 | 查看详情 | |
|---|---|---|---|---|---|---|---|---|---|
![]() | ![]() | TPS23730RMTR | IEEE 802.3BT TYPE-3 CLASS 1-6 PO | 60 W | 是 | 是 | 6021 - 立即发货 | $6.14 | 查看详情 |
Evaluation Board
| 图片 | 制造商零件编号 | 描述 | 嵌入式 | 使用的 IC/零件 | 主要属性 | 可供货数量 | 价格 | 查看详情 | |
|---|---|---|---|---|---|---|---|---|---|
![]() | ![]() | TPS23730EVM-093 | EVAL BOARD FOR TPS23730 | 无 | TPS23730 | - | 1 - 立即发货 | $292.57 | 查看详情 |




