TS51111 整流器和充电 IC
Semtech 的 TS51111 是适合无线充电应用的全集成同步整流器,具有附加集成元件,可使系统 BOM 最小
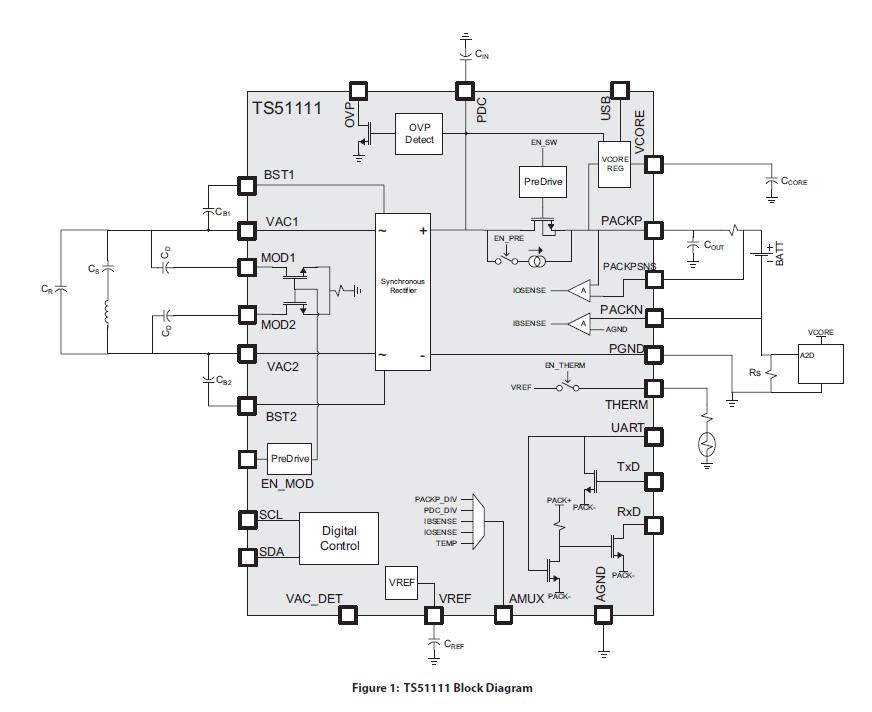
Semtech 的 TS51111 包含一个高效同步整流器,用于将输入交流电源信号转换为直流输出电平,以供电池充电。 该器件支持直接电池充电和间接电源应用。 低 RDS-on 开关使功率耗散降至最小。 高电压输入能力使得次级侧充电器实现变得简单、可靠。 集成开关提供了电池充电路径,并且与整流器结合,为交流输入提供反馈保护。 还包含一个预充电电流源,用于低电池电压预充电操作。 利用集成高压开关获得通信能力。
TS51111 包括多个附加模块,可方便地集成到无线电力系统中。 具有零电流关闭模式的集成电阻分压器可实现对 PDC、PACKP、USB 和热敏电阻电压进行外部 ADC 测量。 包含了高压开关,以进行通信调制。 通过集成 LDO 给外部控制器供电。 超低静态电流调节器可在低压差条件下提供高输出电流,并且电池的电流消耗极小。
| 特性 | ||
|
|

