Weaving Wearables into Everyday Life
投稿人:DigiKey 欧洲编辑
2014-11-12
For those following the maker community, the concept of wearable technology is nothing new. Platforms such as the Arduino Lilypad have enabled makers to develop a wide variety of wearable systems, from artistic electronics woven into shirts and skirts, through to T-shirts that tell us how many unread emails we have. Most of these projects have an element of fun or self-expression associated with them, but increasingly, engineers are being requested to develop the electronics for wearable products. The first wave of consumer devices has been dominated by smart watches, and even the big industry names have struggled to combine design, display and battery-life. Following the updates on various crowd-funding websites, it is clear that there is a lot of innovation taking place in the area of wearable sensors.
For example, in the area of health, a project named Violet was launched on Kickstarter. Violet is a wearable sensor that measures how much UVA and UVB radiation we are exposed to, allowing us to enjoy the sun to get our vitamin D, but “cream-up” before the exposure becomes detrimental to our health. Another project, LEO, is a sensing system worn around the calf-muscles during exercise and is promoted on Indiegogo. Using 3D motion, heart-rate and muscle activity sensors, this device allows the user to improve their workout regime and avoid potential injury.
Behind both of these products are similar core technologies that enable energy-efficient data collection and sharing of information via a wireless link. By using the user's smartphone and an appropriate app to display results, a power-sapping display is avoided. A careful look at the photos on the Violet Kickstarter campaign page shows that it is Bluetooth Low Energy (BLE) that is enabling these new products.
Originally introduced as Wibree by Nokia, the Bluetooth SIG merged this low-power wireless technology into the Bluetooth Core Specification version 4.0 in 2010. BLE, marketed to consumers as Bluetooth Smart, is unfortunately not backwards compatible with pre version 4.0 Bluetooth devices. However, since many Bluetooth chipsets have a programmable element, some users may simply need a firmware upgrade to gain support. This is possible because BLE uses the same radio and baseband technology as Bluetooth Basic Rate (BR) and Enhanced Date Rate (EDR), albeit with a different modulation scheme. Having established Bluetooth as a standard feature of phones in the minds of consumers, the addition of BLE to the specification makes it easier to launch power-sipping accessories and build on the success of the smartphone market, rather than have to develop workarounds to achieve a suitable battery-life for such products.
| Channel Width | Channels | Data Rate Over Air |
Data Throughput | Connection Latency (from not connected) |
|
| BLE | 2 MHz | 40 | 1 Mbps | 0.27 Mbps | 6 ms |
| Bluetooth BR/EDR |
1 MHz | 79 | 1-3 Mbps | 0.7-2.1 Mbps | ~100 ms |
Table 1: Brief comparison of key Bluetooth BR/EDR and Bluetooth Low Energy parameters.
BLE provides a low-power wireless link suitable for exchanging small packets of data with other devices, primarily smartphones. The short connection latency helps to conserve energy too. A new profile, GATT or generic attribute profile, allows a smartphone, for example, to interrogate a BLE device and discover which services it has available. The BLE-enabled products, such as those described earlier, perform the role of server in the wireless link. As such, they “serve-up” the small packets of data as described in their profile. These can be commonly agreed data types, such as temperature, pressure or heart-rate, thus simplifying communication. A smartphone takes on the role of client and, much like a web-browser, regularly interrogates the BLE server(s) for new data. The packets of data transferred across the link are termed “characteristics” in the Bluetooth specification. The Health Thermometer Profile, or HTP, as an example, defines characteristics of 'Temperature Measurement' and 'Measurement Interval', making it simple for both sides to easily agree on basic functions one would expect of a wireless temperature measurement sensor.

Figure 1: Guidelines for a suitable radio design are provided by TI in the application report SWRA420. For developers, there are plenty of choices with regard to solutions and partitioning of a BLE-capable design.
Texas Instruments' CC256XQFNEM Evaluation Module is a reference design based upon its family of CC256x Bluetooth and dual-mode controllers. These devices provide a Bluetooth 4.0 compliant solution up to the Host Controller Interface (HCI) layer. This means that the radio, link controller and baseband and link manager are implemented on-chip and are configurable over a hardware UART interface using the standard Bluetooth HCI protocol. The remainder of the Bluetooth stack (L2CAP, RFCOMM, SCO Manager) and desired profiles need to be linked into the hosting controller's application code. To ease getting started, this evaluation board can be paired with one of TI's MSP 430 devices, such as the MCP430F5438 Experimenter Board, for which TI also provides a royalty-free Bluetooth stack. This also means that the CC256x devices can be paired with any UART-capable microcontroller that can run a suitable Bluetooth stack. The reference design shows how few external components are needed to get a qualifiable solution; thirteen capacitors, a 26 MHz crystal, a bandpass filter and a copper trace antenna. When connected as a BLE master using 500 ms connection intervals, these devices consume less than 200 uA with a 3.6 V supply.
For those looking for a platform to cover a variety of Bluetooth applications, TI's assisted modes for audio applications may be of interest. These allow the CC256x to handle the transfer of audio data with the hardware audio codec without the intervention of the host MCU. Essentially the host builds up the audio connection and then can put processing of the Bluetooth stack into a lower priority. Simple microcontrollers can be then used that do not have an I²S interface.

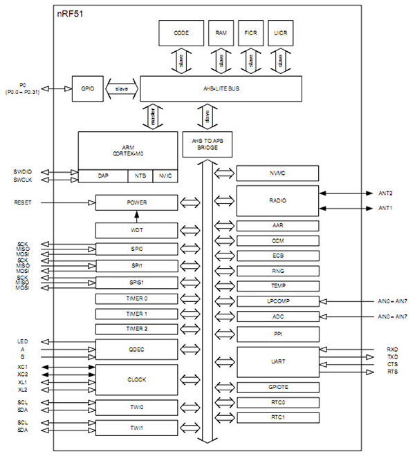
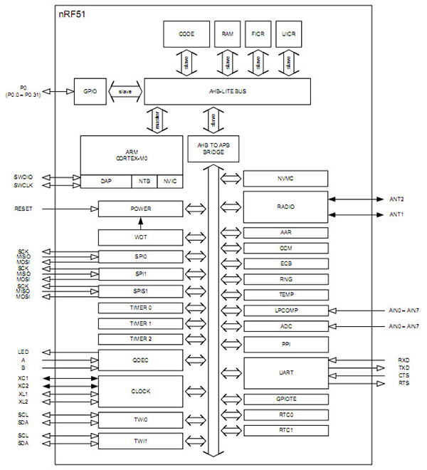
Figure 2: The nRF51822 provides all the classical MCU interfaces along with the integrated radio.
Nordic Semiconductor, with its nRF51822, takes a single-chip approach, integrating wireless baseband and microcontroller into a single 6 x 6 mm QFN or 3.5 x 3.8 mm WLCSP package. The BLE stack is a pre-compiled binary, allowing application code that uses it to be compiled stand-alone. Depending on configuration, somewhere between 40 kB and 180 kB of flash memory remains available from the available 256/128 kB internal memory. Additionally there is 16 kB of RAM connected to a low-power 32-bit ARM Cortex-M0 MCU. To ease integration with sensors and other systems, a standard compliment of serial interfaces (SPI/UART/2-wire) and 10-bit ADC are available, along with a 128-bit AES co-processor – essential for the implementation of secure data connections. To support low power drain, the nRF51822 features items such as: EasyDMA for RAM mapped FIFOs; and the Programmable Peripheral Interface (PPI) that allows on-chip modules to autonomously trigger each other. Both of these features help to ensure that the device can complete regular tasks without the CPU needing to continually intervene.
The nRF51822-DK provides an excellent starting point to evaluate these products. In the kit are two evaluation boards, one with a chip antenna and one with an SMA connector that simplifies undertaking RF performance measurements. A J-Link lite debugger is also included that can be used with the Keil MDK-ARM Lite development environment (available separately). There is also a wireless development dongle, which can function as a peer device for testing the wireless link during development in the kit.

Figure 3: CSR's reference module is compact, fitted to this competent Starter Kit Target Board.
For an alternative, fully integrated approach, it is worth taking a look at CSR's CSR1010 μEnergy device. Housed in a 5 x 5 x 0.6 mm, 32-pin QFN package, it sports 64 kB of ROM and 64 kB of RAM for the user application which is loaded via a DMA capable SPI interface from an external SPI or I²C Serial EEPROM at boot time. The CSR1010 also dispenses with the need for a balun since it is integrated inside the chip. The DK-CSR1010 development kit includes a compact board with a reference design module fitted. Including printed PCB antenna, the complete BLE module can be as small as 25.5 x 18.0 mm and requires just nineteen capacitors, three inductors, a resistor and 16 MHz/32 kHz crystals, in addition to the serial EEPROM already mentioned. There are twelve digital I/Os as well as options to access a 10-bit ADC and DAC if needed. The kit also includes CSR's μEnergy SDK with its GCC tool chain and xIDE development environment.
So, where to start? If you have a preferred low-power MCU supplier and tool chain you trust, the TI CC256x paired with a Bluetooth stack is a good starting point. For full integration, the Nordic Semiconductor nRF51822 should be high on the list. CSRs μEnergy lack the broad array of interfaces expected from a classical microcontroller supplier. However, it is quite plausible to image bind such a Bluetooth solution with a small, low-power MCU to compliment the high wireless integration of the μEnergy devices. So, if you have a BLE application in mind, it's time to try out one of these solutions and get weaving.
References:
免责声明:各个作者和/或论坛参与者在本网站发表的观点、看法和意见不代表 DigiKey 的观点、看法和意见,也不代表 DigiKey 官方政策。

