‘ MIC§CHIP M|C4102
2016 Microchip Technology Inc. DS20005575A-page 1
MIC4102
Features
• Drives High- and Low-Side N-Channel MOSFETs
with Single Input
• Adaptive Anti-Shoot-Through Protection
• Low-Side Drive Disable Pin
• Bootstrap Supply Voltage to 118V DC
• Supply Voltage up to 16V
• TTL Input Thresholds
• On-Chip Bootstrap Diode
• Fast 30 ns Propagation Times
• Drives 1000 pF Load with 10 ns Rise and Fall
Times
• Low Power Consumption
• Supply Undervoltage Protection
•2.5Ω Pull-Up, 1.5Ω Pull-Down Output Resistance
• Space Saving SOIC-8L Package
• –40°C to +125°C Junction Temperature Range
Applications
• High Voltage Buck Converters
• Networking/Telecom Power Supplies
• Automotive Power Supplies
• Current-Fed Push-Pull Power Topologies
• Ultrasonic Drivers
• Avionic Power Supplies
General Description
The MIC4102 is a high frequency, 100V half-bridge
MOSFET driver IC featuring internal anti-shoot-through
protection. The low-side and high-side gate drivers are
controlled by a single input signal to the PWM pin. The
MIC4102 implements adaptive anti-shoot-through
circuitry to optimize the switching transitions for
maximum efficiency. The single input control also
reduces system complexity and greatly simplifies the
overall design.
The MIC4102 also features a low-side drive disable
pin. This gives the MIC4102 the capability to operate in
a non-synchronous buck mode. This feature allows the
MIC4102 to start up into applications where a bias
voltage may already be present without pulling the
output voltage down.
Undervoltage protection on both the low-side and
high-side supplies forces the outputs low. An on-chip
bootstrap diode eliminates the discrete diode required
with other driver ICs.
The MIC4102 is available in the SOIC-8L package with
a junction operating range from –40°C to +125°C.
Typical Application Schematic
MIC4102
SOIC-8L
HI
MIC4102
PWM
CONTROLLER
LS
HO
HS
LO
HB
VDD
9V TO 16V BIAS 100V SUPPLY
GND
VOUT
100V Half-Bridge MOSFET Driver
with Anti-Shoot-Through Protection

MIC4102
DS20005575A-page 2 2016 Microchip Technology Inc.
Functional Block Diagram
MIC4102
1
5
6
8
4
3
2
VSS
DRIVER
UVLO
UVLO LEVEL
SHIFT
DRIVER
HV
LEVEL
SHIFT
HB
HO
HS
LO
PWM
LS
7
VDD

2016 Microchip Technology Inc. DS20005575A-page 3
MIC4102
1.0 ELECTRICAL CHARACTERISTICS
Absolute Maximum Ratings †
Supply Voltage (VDD, VHB – VHS) .............................................................................................................. –0.3V to +18V
Input Voltages (VPWM, VLS)...............................................................................................................–0.3V to VDD + 0.3V
Voltage on LO (VLO)..........................................................................................................................–0.3V to VDD + 0.3V
Voltage on HO (VHO).................................................................................................................VHS – 0.3V to VHB + 0.3V
Voltage on HS (Continuous).........................................................................................................................–1V to +110V
Voltage on HB ......................................................................................................................................................... +118V
Average Current in VDD to HB Diode ....................................................................................................................100 mA
ESD Rating .............................................................................................................................................................Note 1
Operating Ratings ‡
Supply Voltage (VDD) .................................................................................................................................... +9V to +16V
Voltage on HS ............................................................................................................................................. –1V to +100V
Voltage on HS (Repetitive Transient).......................................................................................................... –5V to +105V
HS Slew Rate........................................................................................................................................................ 50 V/ns
Voltage on HB .............................................................................................................................. VHS + 8V to VHS + 16V
and ............................................................................................................................................. VDD – 1V to VDD + 100V
† Notice: Stresses above those listed under “Absolute Maximum Ratings” may cause permanent damage to the device.
This is a stress rating only and functional operation of the device at those or any other conditions above those indicated
in the operational sections of this specification is not intended. Exposure to maximum rating conditions for extended
periods may affect device reliability.
‡ Notice: The device is not guaranteed to function outside its operating ratings.
Note 1: Devices are ESD sensitive. Handling precautions are recommended. Human body model, 1.5 kΩ in series
with 100 pF.
MIC4102
DS20005575A-page 4 2016 Microchip Technology Inc.
TABLE 1-1: ELECTRICAL CHARACTERISTICS
Electrical Characteristics: VDD = VHB = 12V; VSS = VHS = 0V; No load on LO or HO; TA = +25°C; unless noted.
Bold values are valid for –40°C ≤ TJ ≤ +125°C. (Note 1).
Parameters Sym. Min. Typ. Max. Units Conditions
Supply Current
VDD Quiescent Current IDD
—150450
µA PWM = 0V
——600
VDD Operating Current IDDO
—33.5
mA f = 500 kHz
——4.0
Total HB Quiescent Current IHB
—25150
µA PWM = 0V
——200
Total HB Operating Current IHBO
—1.52.5
mA f = 500 kHz
—— 3
HB to VSS Quiescent Current IHBS
—0.05 1 µA VHS = VHB = 110V
——30
Input Pins (TTL)
Low Level Input Voltage Threshold VIL 0.8 1.5 — V —
High Level Input Voltage Threshold VIH —1.52.2 V—
Input Pull-Down Resistance RI100 200 500 kΩ—
Undervoltage Protection
VDD Rising Threshold VDDR 6.5 7.3 8.0 V—
VDD Threshold Hysteresis VDDH —0.5— V —
HB Rising Threshold VHBR 6.0 7.0 8.0 V —
HB Threshold Hysteresis VHBH —0.4— V —
Bootstrap Diode
Low-Current Forward Voltage VDL
—0.40.55VI
VDD-HB = 100 µA
——0.70
High-Current Forward Voltage VDH
—0.70.8 VI
VDD-HB = 100 mA
——1.0
Dynamic Resistance RD
—1.01.5 ΩIVDD-HB = 100 mA
——2.0
LO Gate Driver
Low Level Output Voltage VOLL
— 0.18 0.3 VI
LO = 160 mA
——0.4
High Level Output Voltage VOHL
— 0.25 0.3 VILO = –100 mA,
VOHL = VDD – VLO
——0.45
Peak Sink Current IOHL —3—A V
LO = 0V
Peak Source Current IOLL —2—A V
LO = 12V
Note 1: Specification for packaged product only.
2: All voltages relative to Pin 7, VSS, unless otherwise specified.
3: Guaranteed by design. Not production tested.
2016 Microchip Technology Inc. DS20005575A-page 5
MIC4102
HO Gate Driver
Low Level Output Voltage VOLH
—0.220.3 VI
HO = 160 mA
——0.4
High Level Output Voltage VOHH
—0.250.3 VIHO = –100 mA,
VOHH = VHB – VHO
——0.45
Peak Sink Current IOHH —3—A V
HO = 0V
Peak Source Current IOLH —2—A V
HO = 12V
Switching Specifications (Anti-Shoot-Through Circuitry)
Delay between PWM going high to
LO going low tLOOFF
—3045ns —
——60
Voltage threshold for LO MOSFET
to be considered OFF VLOOFF —1.7— V —
Delay between LO OFF to HO
going High tHOON
—3050ns —
——60
Delay between PWM going Low to
HO going low tHOOFF
—4565ns —
——70
Switch Node Voltage Threshold
when HO turns off VSWth 12.54 V —
Delay between HO MOSFET being
considered off to LO turning ON tLOON
—3060ns —
——70
Delay between LS going low and
LO turning OFF tLSOFF
—3645ns CL = 1000 pF
——70
Forced LO ON, if VLOTH is not
detected tSWTO 120 250 450 ns —
Switching Specifications
Either Output Rise Time (3V to 9V) tR—10—ns C
L = 1000 pF
Either Output Fall Time (3V to 9V) tF—6—ns C
L = 1000 pF
Either Output Rise Time (3V to 9V) tR
—0.330.6 µs CL = 0.1 µF
——0.8
Either Output Fall Time (3V to 9V) tF
—0.20.3µs CL = 0.1 µF
——0.4
Minimum Input Pulse Width that
changes the output with LS = 5V tPW —4060 ns CL = 0, Note 3
Minimum Output Pulse Width on
HO with min pulse width on PWM
with LS = 5V
tPW —15—ns C
L = 0, Note 3
TABLE 1-1: ELECTRICAL CHARACTERISTICS (CONTINUED)
Electrical Characteristics: VDD = VHB = 12V; VSS = VHS = 0V; No load on LO or HO; TA = +25°C; unless noted.
Bold values are valid for –40°C ≤ TJ ≤ +125°C. (Note 1).
Parameters Sym. Min. Typ. Max. Units Conditions
Note 1: Specification for packaged product only.
2: All voltages relative to Pin 7, VSS, unless otherwise specified.
3: Guaranteed by design. Not production tested.

MIC4102
DS20005575A-page 6 2016 Microchip Technology Inc.
Minimum Input Pulse Width that
changes the output with LS = 0V tPW —1320 ns CL = 0, Note 3
Minimum Output Pulse Width on
HO with min pulse width on PWM
with LS = 0V
——20—— C
L = 0, Note 3
Bootstrap Diode Turn-On or
Turn-Off Time tBS —10—ns —
TABLE 1-1: ELECTRICAL CHARACTERISTICS (CONTINUED)
Electrical Characteristics: VDD = VHB = 12V; VSS = VHS = 0V; No load on LO or HO; TA = +25°C; unless noted.
Bold values are valid for –40°C ≤ TJ ≤ +125°C. (Note 1).
Parameters Sym. Min. Typ. Max. Units Conditions
Note 1: Specification for packaged product only.
2: All voltages relative to Pin 7, VSS, unless otherwise specified.
3: Guaranteed by design. Not production tested.
2016 Microchip Technology Inc. DS20005575A-page 7
MIC4102
TEMPERATURE SPECIFICATIONS
Parameters Sym. Min. Typ. Max. Units Conditions
Temperature Ranges
Max. Junction Temperature Range TJ–55 — +150 °C Note 1
Storage Temperature Range TS–60 — +150 °C —
Operating Junction Temperature
Range
TJ–40 — +125 °C —
Package Thermal Resistances
Thermal Resistance, SOIC-8L JA —140 —°C/W—
Note 1: The maximum allowable power dissipation is a function of ambient temperature, the maximum allowable
junction temperature and the thermal resistance from junction to air (i.e., TA, TJ, JA). Exceeding the
maximum allowable power dissipation will cause the device operating junction temperature to exceed the
maximum +125°C rating. Sustained junction temperatures above +125°C can impact the device reliability.
50
Q A 45
3 ( A0 H5 0
5 E PWM=SDDkHz
w 1— 3‘
n: z iIVDD(LS:H)
g '3‘! 30* [HE(LS=L)
o n: 2‘
:>
E E 2.0
§ 7-40?) E 1.5 1
“.1 —25'c % 1°
2 m 0
e —125'c ‘ ‘ 1
”a 2 4 s a 10 12 14 16 “6 a 10 12 14 16 1s
SUPPLY VOLTAGE (V) SUPPLY VOLTAGE (V)
190 30
(3 ‘80 25
F V
z 170 A
E 160 E 2.0
3 1—
z 15
.‘3 150 g .
E r: 10 1
o 140% 5
3 HS=0V
S ‘30 0-5 PWM 500ml '
0 v :v vLs:ampmuaeovmw1
‘ZQJocoooooo-s 0’DH
7 «1900931: 0 20 40 at) 00100120140
TEMPERATURE (‘c TEMPERATURE ('C)
7 ——m 14m — mmm _ Mama,
6 —‘>MIC4102
DS20005575A-page 8 2016 Microchip Technology Inc.
2.0 TYPICAL PERFORMANCE CURVES
FIGURE 2-1: Quiescent Current vs.
Supply Voltage.
FIGURE 2-2: Quiescent Current vs.
Temperature.
FIGURE 2-3: Operating Current vs.
Supply Voltage.
FIGURE 2-4: Supply Current vs. Supply
Voltage vs. LS Level.
FIGURE 2-5: Operating Current vs.
Temperature.
FIGURE 2-6: Supply Current vs.
Frequency.
Note: The graphs and tables provided following this note are a statistical summary based on a limited number of
samples and are provided for informational purposes only. The performance characteristics listed herein
are not tested or guaranteed. In some graphs or tables, the data presented may be outside the specified
operating range (e.g., outside specified power supply range) and therefore outside the warranted range.
vuozvflfiznv IVDD(LS=H)
5 HS : a
H TWB=25“C
< 4="" ‘="" ‘="" ‘="" ‘="" e="" \="" \="" \="" \="" a="" f="" a="" e="" 3="" \hb1ls="H)" 3="" e="">‘ / >
3 2 / | (LS:L)
0 van
1 w \ U
4 IHB(LS—L)
a —---1—1_1 \
a 400 am) 1200
FREQUENCY (kHz)
050 a
045
may
on
S
g 035 E 5
§ 0.30 6
>7 0.2 §
5 3:: E iVDDnsIng
> 010 k 2 —vDDIaumg
HS - 0V 1 7 we rsmg
005 L0L= IOOmA H3 = 0V — VHBlzlllng
“ggogegsgae “Egoagggggg
TEMPERATURE ("c1 TEMPERATURE (“0)
ca
7 van nysleresls
D — wa mm“
A n
a
rn 05
S a
j o.
>0 E
>— a
Q
:: 02
000000000 Doc:
«IN msmmoms
C
TEMPERATURE (" )
01HS=
‘7‘
W
N
TEMPERATURE (“0)
2016 Microchip Technology Inc. DS20005575A-page 9
MIC4102
FIGURE 2-7: Supply Current vs.
Frequency for Pin L and H.
FIGURE 2-8: High Level Output Voltage
vs. Temperature.
FIGURE 2-9: Low Level Output of
Low-Side Driver vs. Temperature.
FIGURE 2-10: Low Level Output of
Low-Side Driver vs. Temperature.
FIGURE 2-11: UVLO Thresholds vs.
Temperature.
FIGURE 2-12: UVLO Hysteresis vs.
Temperature.
8
FORWARD CURRENT (mA)
0 A 0 B a B
FORWARD VOLTAGE (V)
REVERSE CURRENT (HA)
to. r»
REVERSE VOLTAGE
MIC4102
DS20005575A-page 10 2016 Microchip Technology Inc.
FIGURE 2-13: Bootstrap Diode I-V
Characteristics.
FIGURE 2-14: Bootstrap Diode Reverse
Current.
3133
O
CECE
Vss
2016 Microchip Technology Inc. DS20005575A-page 11
MIC4102
3.0 PIN DESCRIPTIONS
The descriptions of the pins are listed in Table 3-1.
Package Type
TABLE 3-1: PIN FUNCTION TABLE
Pin Number Pin Name Description
1V
DD Positive supply to lower gate drivers. Decouple this pin to VSS (Pin 7). Bootstrap diode
connected to HB (Pin 2).
2 HB High-Side Bootstrap supply. External bootstrap capacitor is required. Connect positive
side of bootstrap capacitor to this pin. Bootstrap diode is on-chip.
3 HO High-Side Output. Connect to gate of high-side power MOSFET.
4 HS High-Side Source connection. Connect to source of high-side power MOSFET.
Connect negative side of bootstrap capacitor to this pin.
5 PWM Control Input. PWM high signal makes high-side HO output high and low-side LO
output low. PWM low signal makes high-side HO output low and low-side LO output
high.
6 LS Low-Side Disable. When pulled low, this control signal immediately terminates the
low-side LO output drive. The low-side LO output drive will remain low until this signal
is removed. HS drive is not affected by the LS signal. The logic table is below (see
Table 3-2).
7V
SS Chip negative supply. Generally, this will be grounded.
8 LO Low-Side Output. Connect to gate of low-side power MOSFET.
MIC4102
SOIC-8L (M)
(Top View)
1VDD
HB
HO
HS
8LO
VSS
LS
PWM
7
6
5
2
3
4
TABLE 3-2: LS PIN LOGIC TABLE
LS PWM LO HO
0000
0101
1010
1101
1
¢
1
¢ |
VLO LOOFF
MIC4102
DS20005575A-page 12 2016 Microchip Technology Inc.
4.0 TIMING DIAGRAM
FIGURE 4-1: MIC4102 Timing Diagram.
TABLE 4-1: TIME POINTS AND ACTIONS FOR Figure 4-1
Time Point Action
1-2 PWM signal goes high. This initiates the LO signal to go low. The delay between PWM high to
(VLO – 10%) is typically 30 ns (tLOOFF).
2-4 LO goes low. When LO reaches 1.7V (VLOOFF) the low-side MOSFET is deemed to be off. The
high-side output HO then goes high. The delay between 3 and 4 is typically 30 ns (THOON); this
allows for large turn off delay times of MOSFETs.
5-7 PWM goes low; HO goes low, typically within 45 ns, tHOOFF
. The switch node (HS pin) is then
monitored; when the switch node is VDD – 2.5V (VSWTH) the high-side MOSFET is deemed to be
off and the LO output goes high within typically 30 ns (tLOON). This is controlled by a one shot
and remains high until PWM goes high. This is because it is possible to have the SW node
oscillate, and could easily bounce through 10V level. If the LO high transition has not happened
within 250 ns, it is forced to happen, unless the LS input is low.
8-10 If at any time after 7 has occurred and LS pin goes low, the LO output will turn off within 36 ns
(VLSOFF). HO will remain off. The LS pin overrides all shoot-through control logic. If LS is low at
the start of the next cycle when PWM signal goes high then HO shall switch transition 1-4 as
normal. (i.e. PWM signal equals HO output, LO = 0V).
t
LOOFF
30ns
60ns
PWM
LS
Switch node
(HS Pin)
LO
HO
1
23 V
LOOFF
< 1.7V
4
5
6
7 V
SWth
< (V
DD
– 2.5V)
8
9
10
t
HOON
30ns
60ns
t
HOOFF
45ns
70ns
t
LOON
30ns
70ns
t
LSOFF
36ns
70ns
2016 Microchip Technology Inc. DS20005575A-page 13
MIC4102
5.0 FUNCTIONAL DESCRIPTION
The MIC4102 is a high voltage, non-inverting,
synchronous MOSFET driver that uses a single PWM
input signal to alternately drive both high-side and
low-side N-Channel MOSFETs. The Functional Block
Diagram of the MIC4102 is shown on page two.
The MIC4102 input is TTL-compatible. The high-side
output buffer includes a high speed level-shifting circuit
that is referenced to the HS pin. An internal diode is
used as part of a bootstrap circuit to provide the drive
voltage for the high-side output.
5.1 Startup and UVLO
The UVLO circuit forces both driver outputs low until
the supply voltage exceeds the UVLO threshold. The
low-side UVLO circuit monitors the voltage between
the VDD and VSS pins. The high-side UVLO circuit
monitors the voltage between the HB and HS pins.
Hysteresis in the UVLO circuit prevents noise and finite
circuit impedance from causing chatter during turn-on.
The VDD pin voltage is supplied to the HS pin through
the internal bootstrap diode. The HB pin voltage will
always be a diode drop less than VDD.
5.2 Input Stage
The MIC4102 utilizes a TTL-compatible input stage.
The PWM input pin is referenced to the VSS pin. The
voltage state of the input signal does not change the
quiescent current draw of the driver. The threshold
level is independent of the VDD supply voltage and
there is no dependence between IVDD and the input
signal amplitude. This feature makes the MIC4102 an
excellent level translator that will drive high threshold
MOSFETs from a low voltage PWM IC.
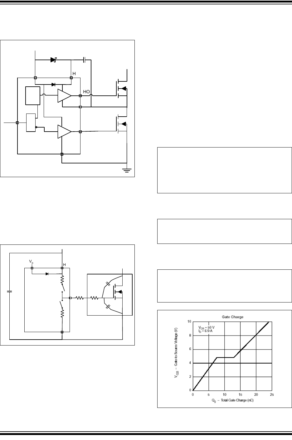
5.3 Low-Side Driver
A block diagram of the low-side driver is shown in
Figure 5-1. The low-side driver is designed to drive a
ground (VSS pin) referenced N-channel MOSFET. Low
driver impedances allow the external MOSFET to be
turned on and off quickly. The rail-to-rail drive capability
of the output ensures a low RDS(ON) from the external
MOSFET.
A low level applied to PWM pin will cause the HO
output to go low and the LO output to go high. The
upper driver FET turns on and VDD is applied to the
gate of the external MOSFET. A high level on the PWM
pin forces the LO output low by turning off the upper
driver and turning on the lower driver which ground the
gate of the external MOSFET.
Pulling the LS pin low disables the LO pin.
FIGURE 5-1: Low-Side Driver Block
Diagram.
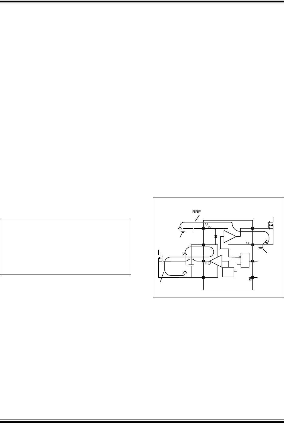
5.4 High-Side Driver and Bootstrap
Circuit
A block diagram of the high-side driver and bootstrap
circuit is shown in Figure 5-2. This driver is designed to
drive a floating N-channel MOSFET, whose source
terminal is referenced to the HS pin.
FIGURE 5-2: High-Side Driver Block
Diagram.
A low-power, high-speed, level-shifting circuit isolates
the low-side (VSS pin) referenced circuitry from the
high-side (HS pin) referenced driver. Power to the
high-side driver and UVLO circuit is supplied by the
bootstrap circuit while the voltage level of the HS pin is
shifted high.
The bootstrap circuit consists of an internal diode and
external capacitor, CB. In a typical application, such as
the synchronous buck converter shown in Figure 5-3,
the HS pin is at ground potential while the low-side
MOSFET is on. The internal diode allows capacitor CB
to charge up to VDD – VD during this time (where VD is
the forward voltage drop of the internal diode). After the
low-side MOSFET is turned off and the HO pin turns
on, the voltage across capacitor CB is applied to the
VSS
VDD
LO
EXTERNAL
FET
DRIVE
SIGNAL
LS
HS
HB
HO
EXTERNAL
FET
VDD
CB
MIC4102
DS20005575A-page 14 2016 Microchip Technology Inc.
gate of the upper external MOSFET. As the upper
MOSFET turns on, voltage on the HS pin rises with the
source of the high-side MOSFET until it reaches VIN.
As the HS and HB pin rise, the internal diode is
reverse-biased, preventing capacitor CB from
discharging.
FIGURE 5-3: High-Side Driver and
Bootstrap Circuit.
HS
HB
HO
CB
LO
LEVEL
SHIFT
PWM
VSS
VIN
VOUT
COUT
LOUT
CVDD
Q1
Q2
Q
FF
_
Q
VDD
VDD
W
2016 Microchip Technology Inc. DS20005575A-page 15
MIC4102
6.0 APPLICATION INFORMATION
6.1 Power Dissipation Considerations
Power dissipation in the driver can be separated into
three areas:
• Internal diode dissipation in the bootstrap circuit
• Internal driver dissipation
• Quiescent current dissipation used to supply the
internal logic and control functions.
6.2 Bootstrap Circuit Power
Dissipation
Power dissipation of the internal bootstrap diode
primarily comes from the average charging current of
the CB capacitor times the forward voltage drop of the
diode. Secondary sources of diode power dissipation
are the reverse leakage current and reverse recovery
effects of the diode.
The average current drawn by repeated charging of the
high-side MOSFET is calculated by:
EQUATION 6-1:
The average power dissipated by the forward voltage
drop of the diode equals:
EQUATION 6-2:
The value of VF should be taken at the peak current
through the diode. However, this current is difficult to
calculate because of differences in source
impedances. The peak current can either be measured
or the value of VF at the average current can be used
and will yield a good approximation of diode power
dissipation.
The reverse leakage current of the internal bootstrap
diode is typically 11 µA at a reverse voltage of 100V
and 125°C. Power dissipation due to reverse leakage
is typically much less than 1 mW and can be ignored.
Reverse recovery time is the time required for the
injected minority carriers to be swept away from the
depletion region during turn-off of the diode. Power
dissipation due to reverse recovery can be calculated
by computing the average reverse current due to
reverse recovery charge multiplied by the reverse
voltage across the diode. The average reverse current
and power dissipation due to reverse recovery can be
estimated by:
EQUATION 6-3:
EQUATION 6-4:
The total diode power dissipation is:
EQUATION 6-5:
An optional external bootstrap diode may be used
instead of the internal diode (Figure 6-1). An external
diode may be useful if high gate charge MOSFETs are
being driven and the power dissipation of the internal
diode is contributing to excessive die temperatures.
The voltage drop of the external diode must be less
than the internal diode for this option to work. The
reverse voltage across the diode will be equal to the
input voltage minus the VDD supply voltage. A 100V
Schottky diode will work for most 72V input telecom
applications. The equations above can be used to
calculate power dissipation in the external diode.
However, if the external diode has significant reverse
leakage current, the power dissipated in that diode due
to reverse leakage can be calculated as:
EQUATION 6-6:
IFAVE
Qgate fS
=
Where:
Qgate Total Gate Charge at VHB
fSGate Drive Switching Frequency
Pdiodefwd IFAVE
VF
=
Where:
VFDiode Forward Voltage Drop
IRR AVE2IRRM
trr
fS
=
Where:
IRRM Peak Reverse Recovery Current
trr Reverse Recovery Time
PdiodeRR IRR AVE
VREV
=
Pdiodetotal Pdiodefwd PdiodeRR
+=
PdiodeREV IRVREV
1D–=
Where:
IRReverse Current Flow at VREV & TJ
VREV Diode Reverse Voltage
D Duty Cycle = tON/fS
fSSwitching Freq. of Power Supply
Jaw cumgo
MIC4102
DS20005575A-page 16 2016 Microchip Technology Inc.
The on-time is the time the high-side switch is
conducting. In most power supply topologies, the diode
is reverse-biased during the switching cycle off-time.
FIGURE 6-1: Optional Bootstrap Diode.
6.3 Gate Drive Power Dissipation
Power dissipation in the output driver stage is mainly
caused by charging and discharging the gate to source
and gate to drain capacitance of the external MOSFET.
Figure 6-2 shows a simplified equivalent circuit of the
MIC4102 driving an external high-side MOSFET.
FIGURE 6-2: MIC4102 Driving an
External MOSFET.
6.4 Dissipation During the External
MOSFET Turn-On
Energy from capacitor CB is used to charge up the input
capacitance of the MOSFET (CGD and CGS). The
energy delivered to the MOSFET is dissipated in the
three resistive components, RON, RG
, and RG_FET
. RON
is the on resistance of the upper driver MOSFET in the
MIC4102. RG is the series resistor (if any) between the
driver IC and the MOSFET. RG_FET is the gate
resistance of the MOSFET. RG_FET is usually listed in
the power MOSFET’s specifications. The ESR of
capacitor CB and the resistance of the connecting etch
can be ignored because they are much less than RON
and RG_FET
.
The effective capacitance of CGD and CGS is difficult to
calculate because they vary non-linearly with ID, VGS,
and VDS. Fortunately, most power MOSFET
specifications include a typical graph of total gate
charge vs. VGS. Figure 6-3 shows a typical gate charge
curve for an arbitrary power MOSFET. This chart
shows that for a gate voltage of 10V, the MOSFET
requires about 23.5 nC of charge. The energy
dissipated by the resistive components of the gate
drive circuit during turn-on is calculated as:
EQUATION 6-7:
but
EQUATION 6-8:
so
EQUATION 6-9:
FIGURE 6-3: Typical Gate Charge vs.
VGS.
CBVIN
EXTERNAL
DIODE
HS
HB
HO
VDD
LO
LEVEL
SHIFT
PWM
VSS
Q
FF
_
Q
HS
HB
HO
EXTERNAL
FET
VDD
CB
RGRG_FET
RON
ROFF
CGD
CGS
E1
2
---CISS
VGS2
=
Where:
CISS Total Gate Capacitance of MOSFET
QCV=
E1
2
---QG
VGS
=
NW
2016 Microchip Technology Inc. DS20005575A-page 17
MIC4102
The same energy is dissipated by ROFF
, RG
, and
RG_FET when the driver IC turns the MOSFET off.
EQUATION 6-10:
and
EQUATION 6-11:
The power dissipated inside the MIC4102 equals the
ratio of RON and ROFF to the external resistive losses in
RG and RG_FET
. The power dissipated in the MIC4102
due to driving the external MOSFET is:
EQUATION 6-12:
6.5 Supply Current Power Dissipation
Power is dissipated in the MIC4102 even if there is
nothing being driven. The supply current is drawn by
the bias for the internal circuitry, the level shifting
circuitry, and shoot-through current in the output
drivers. The supply current is proportional to operating
frequency and the VDD and VHB voltages. The typical
characteristic graphs show how supply current varies
with switching frequency and supply voltage.
The power dissipated by the MIC4102 due to supply
current is:
EQUATION 6-13:
6.6 Total Power Dissipation and
Thermal Considerations
Total power dissipation in the MIC4102 equals the
power dissipation caused by driving the external
MOSFETs, the supply current, and the internal
bootstrap diode.
EQUATION 6-14:
The die temperature may be calculated once the total
power dissipation is known.
EQUATION 6-15:
6.7 Anti-Shoot-Through, Propagation
Delay, and Other Timing
Considerations
The block diagram on page two illustrates how the
MIC4102 drives the power stage of a synchronous
buck converter. It is important that only one of the two
MOSFETs is on at any given time. If both MOSFETs are
simultaneously on, they will short VIN to ground,
causing high current from the VIN supply to “shoot
through” the MOSFETs and into ground. Excessive
shoot-through causes higher power dissipation in the
MOSFETs, voltage spikes, and ringing in the circuit.
The high current and voltage ringing generate
conducted and radiated EMI.
Minimizing shoot-through can be done passively,
actively, or though a combination of both. Passive
shoot-through protection uses delays between the high
and low gate drivers to prevent both MOSFETs from
being on at the same time. These delays can be
adjusted for different applications. Although simple, the
Edriver 1
2
---QG
VGS
=
Where:
Edriver Energy Dissipated during Turn-On
or Turn-Off
Pdriver 1
2
---QG
VGS
fS
=
Where:
Pdriver Power Dissipated during Turn-On
or Turn-Off
QGTotal Gate Charge at VGS
VGS Gate-to-Source Voltage on the
MOSFET
fSSwitching Frequency of the Gate
Drive Circuit
Pdissdrive
Pdriver
RON
RON RGRG_FET
++
-------------------------------------------------
Pdriver
ROFF
ROFF RGRG_FET
++
----------------------------------------------------
+
=
Pdisssupply VDD IDD
VHB
+IHB
=
Pdisstotal Pdisssupply Pdissdrive Pdiodetotal
++=
TJTAPdisstotal
+JA
=
Where:
TJJunction Temperature
TAMaximum Ambient Temperature
Pdisstotal Power Dissipation of the MIC4102
θJA Thermal Resistance from Junction
to Ambient Air
MIC4102
DS20005575A-page 18 2016 Microchip Technology Inc.
disadvantage of this approach is the long delays
required to account for process and temperature
variations in the MOSFET and the MOSFET driver.
Active shoot-though monitors voltages on the gate
drive outputs and switch node to determine when to
switch the MOSFETs on and off. This active approach
adjusts the delays to account for some of the
variations, but it also has its disadvantages. High
currents and fast switching voltages in the gate drive
and return paths can cause parasitic ringing that may
turn the MOSFETs back on even though the gate driver
output is low. Another disadvantage is that the driver
cannot monitor the gate voltage inside the MOSFET.
Figure 6-4 shows an equivalent circuit, including
parasitics, of the gate driver section. The internal gate
resistance (RG_GATE) and any external damping
resistor (RG) isolate the MOSFET’s gate from the driver
output. There is a delay between when the driver
output goes low and the MOSFET turns off. This
turn-off delay is usually specified in the MOSFET data
sheet. This delay increases when an external damping
resistor is used.
FIGURE 6-4: Gate Drive Circuit with
Parasitics.
The MIC4102 uses a combination of active sensing
and passive delay to ensure that both MOSFETs are
not on at the same time and to minimize shoot-through
current. The timing diagram helps illustrate how the
anti-shoot-through circuitry works. A high level on the
PWM pin causes the LO pin to go low. The MIC4102
monitors the LO pin voltage and prevents the HO pin
from turning on until the voltage on the LO pin reaches
the VLOOFF threshold. After a short delay, the MIC4102
drives the HO pin high. Monitoring the LO voltage
eliminates any excessive delay due to the MOSFET
drivers turn-off time and the short delay accounts for
the MOSFET turn-off delay as well as letting the LO pin
voltage settle out. An external resistor between the LO
output and the MOSFET may affect the performance of
the LO pin monitoring circuit and is not recommended.
A low on the PWM pin causes the HO pin to go low after
a short delay (tHOOFF). Before the LO pin can go high,
the voltage on the switching node (HS pin) must have
dropped to 2.5V below the VDD voltage. Monitoring the
switch voltage instead of the HO pin voltage eliminates
timing variations and excessive delays due to the high
side MOSFET turn-off. The LO driver turns on after a
short delay (tLOON). Once the LO driver is turned on, it
is latched on until the PWM signal goes high. This
prevents any ringing or oscillations on the switch node
or HS pin from turning off the LO driver. If the PWM pin
goes low and the voltage on the HS pin does not cross
the VSWth threshold, the LO pin will be forced high after
a short delay (tSWTO), ensuring proper operation.
Fast propagation delay between the input and output
drive waveform is desirable. It improves overcurrent
protection by decreasing the response time between
the control signal and the MOSFET gate drive.
Minimizing propagation delay also minimizes phase
shift errors in power supplies with wide bandwidth
control loops.
Care must be taken to ensure the input signal pulse
width is greater than the minimum specified pulse
width. An input signal that is less than the minimum
pulse width may result in no output pulse or an output
pulse whose width is significantly less than the input.
The maximum duty cycle (ratio of high-side on-time to
switching period) is determined by the time required for
the CB capacitor to charge during the off-time.
Adequate time must be allowed for the CB capacitor to
charge up before the high-side driver is turned back on.
The anti-shoot-through circuit in the MIC4102 prevents
the driver from turning both MOSFETs on at the same
time; however, other factors outside of the
anti-shoot-through circuit’s control can cause
shoot-through. Some of these include ringing on the
gate drive node and capacitive coupling of the
switching node voltage on the gate of the low-side
MOSFET.
6.8 Decoupling and Bootstrap
Capacitor Selection
Decoupling capacitors are required for both the
low-side (VDD) and high-side (HB) supply pins. These
capacitors supply the charge necessary to drive the
external MOSFETs as well as minimize the voltage
ripple on these pins. The capacitor from HB to HS
serves double duty by providing decoupling for the
high-side circuitry as well as providing current to the
high-side circuit while the high-side external MOSFET
is on. Ceramic capacitors are recommended because
of their low impedance and small size. Z5U type
ceramic capacitor dielectrics are not recommended
due to the large change in capacitance over
HS
HB
HO HS FET
VDD
RG
RG_FET
RON
ROFF
CGD
CGS
LO RG_FET
CGD
CGS
VIN
LS FET
RON
ROFF
VSS
SWITCHING
NODE
2016 Microchip Technology Inc. DS20005575A-page 19
MIC4102
temperature and voltage. A minimum value of 0.1 µF is
required for each of the capacitors, regardless of the
MOSFETs being driven. Larger MOSFETs may require
larger capacitance values for proper operation. The
voltage rating of the capacitors depends on the supply
voltage, ambient temperature, and the voltage derating
used for reliability. 25V rated X5R or X7R ceramic
capacitors are recommended for most applications.
The minimum capacitance value should be increased if
low voltage capacitors are used because even good
quality dielectric capacitors, such as X5R, will lose 40%
to 70% of their capacitance value at the rated voltage.
Placement of the decoupling capacitors is critical. The
bypass capacitor for VDD should be placed as close as
possible between the VDD and VSS pins. The bypass
capacitor (CB) for the HB supply pin must be located as
close as possible between the HB and HS pins. The
etch connections must be short, wide, and direct. The
use of a ground plane to minimize connection
impedance is recommended. Refer to the section on
layout and component placement for more information.
The voltage on the bootstrap capacitor drops each time
it delivers charge to turn on the MOSFET. The voltage
drop depends on the gate charge required by the
MOSFET. Most MOSFET specifications specify gate
charge vs. VGS voltage. Based on this information and
a recommended ∆VHB of less than 0.1V, the minimum
value of bootstrap capacitance is calculated as:
EQUATION 6-16:
The decoupling capacitor for the VDD input may be
calculated in with the same formula; however, the two
capacitors are usually equal in value.
6.9 Grounding, Component
Placement, and Circuit Layout
Nanosecond switching speeds and ampere peak
currents in and around the MIC4102 driver require
proper placement and trace routing of all components.
Improper placement may cause degraded noise
immunity, false switching, excessive ringing, or circuit
latch-up.
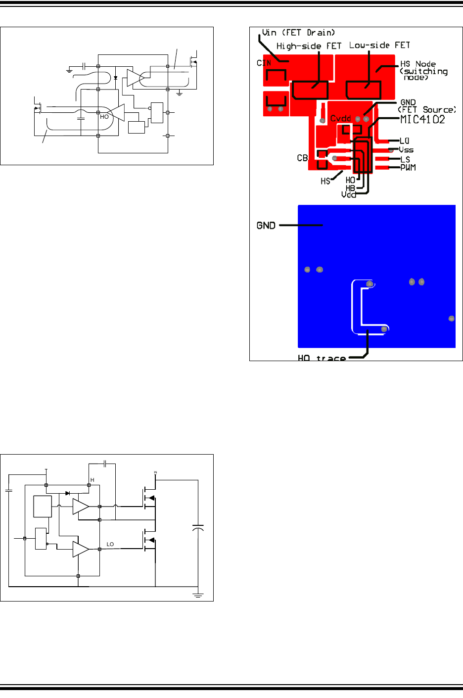
Figure 6-5 shows the critical current paths when the
driver outputs go high and turn on the external
MOSFETs. It also shows the need for a low impedance
ground plane. The charge needed to turn-on the
MOSFET gates comes from the decoupling capacitors
CVDD and CB. Current in the low-side gate driver flows
from CVDD through the internal driver, into the MOSFET
gate, and out the source. The return connection back to
the decoupling capacitor is made through the ground
plane. Any inductance or resistance in the ground
return path causes a voltage spike or ringing to appear
on the source of the MOSFET. This voltage works
against the gate voltage and can either slow down or
turn off the MOSFET during the period where it should
be turned on.
Current in the high-side driver is sourced from
capacitor CB, flows into the HB pin, and out the HO pin,
into the gate of the high-side MOSFET. The return path
for the current is from the source of the MOSFET and
back to capacitor CB. The high-side circuit return path
usually does not have a low impedance ground plane,
so the etch connections in this critical path should be
short and wide to minimize parasitic inductance. As
with the low-side circuit, impedance between the
MOSFET source and the decoupling capacitor causes
negative voltage feedback that fights the turn-on of the
MOSFET.
It is important to note that capacitor CB must be placed
close to the HB and HS pins. This capacitor not only
provides all the energy for turn-on, but it must also keep
HB pin noise and ripple low for proper operation of the
high-side drive circuitry.
FIGURE 6-5: Turn-On Current Paths.
Figure 6-6 shows the critical current paths when the
driver outputs go low and turn off the external
MOSFETs. Short, low impedance connections are
important during turn-off for the same reasons given in
the turn-on explanation. Current flowing through the
internal diode replenishes charge in the bootstrap
capacitor, CB.
CB
QG
VHB
--------------
Where:
QGTotal Gate Charge at VHB
∆VHB Voltage Drop at the HB Pin
HS
HB
HO
VDD
CB
LS
PWM
VSS
LO
CVDD
GND
PLANE
GND
PLANE
LOW-SIDE DRIVE
TURN-ON
CURRENT PATH
HIGH-SIDE DRIVE
TURN-ON
CURRENT PATH
LEVEL
SHIFT
_
Q
FF
Q
Lin (VET Drain)
ngh’SLdE FET LOU-side FET
HS Nude
(summing
none)
6ND
(PET Source:
GND
MIC4102
DS20005575A-page 20 2016 Microchip Technology Inc.
FIGURE 6-6: Turn-Off Current Paths.
The following circuit guidelines should be adhered to
for optimum circuit performance:
•The V
DD and HB bypass capacitors must be
placed close to the supply and ground pins. It is
critical that the etch length between the high side
decoupling capacitor (CB) and the HB and HS
pins be minimized to reduce lead inductance.
• A ground plane should be used to minimize
parasitic inductance and impedance of the return
paths. The MIC4102 is capable of greater than 3A
peak currents. Any impedance between the
MIC4102, the decoupling capacitors, and the
external MOSFET will degrade the performance
of the driver.
• Trace out the high di/dt and dv/dt paths, as shown
in Figure 6-5 and Figure 6-6 to minimize the etch
length and loop area for these connections.
Minimizing these parameters decreases the
parasitic inductance and the radiated EMI
generated by fast rise and fall times.
A typical layout of a synchronous buck converter power
stage using the MIC4102 (Figure 6-7) is shown in
Figure 6-8.
FIGURE 6-7: Typical Converter Power
Stage.
FIGURE 6-8: Typical Layout of a
Synchronous Buck Converter Power Stage.
The circuit is configured as a synchronous buck power
stage. The high-side MOSFET drain connects to the
input supply voltage (drain) and the source connects to
the switching node. The low-side MOSFET drain
connects to the switching node and its source is
connected to ground. The buck converter output
inductor (not shown) would connect to the switching
node. The high-side drive trace, HO, is routed on top
of its return trace, HS, to minimize loop area and
parasitic inductance. The low-side drive trace, LO, is
routed over the ground plane and minimizes the
impedance of that current path. The decoupling
capacitors, CB and CVDD, are placed to minimize etch
length between the capacitors and their respective
pins. This close placement is necessary to efficiently
charge capacitor CB when the HS node is low. All
traces are 0.025” wide or greater to reduce impedance.
CIN is used to decouple the high current path through
the MOSFETs.
HS
HB
HO
VDD
CBLEVEL
SHIFT
LS
PWM
VSS
LO
CVDD
LOW-SIDE DRIVE TURN-OFF
CURRENT PATH
HIGH-SIDE DRIVE
TURN-OFF CURRENT PATH
CHARGE CB THROUGH
INTERNAL DIODE WHEN
HS PIN IS LOW
_
Q
FF
Q
V
V
V
V
V
HS
HB
HO
VDD
CB
LO
LEVEL
SHIFT
PWM
VSS
VIN
CIN
CVDD
HIGH-SIDE
FET
LOW-SIDE
FET
Q
FF
_
Q
VDD
HS
(SWITCH NODE)
NNN
Pbrfree JEDEC designamr(
)
2016 Microchip Technology Inc. DS20005575A-page 21
MIC4102
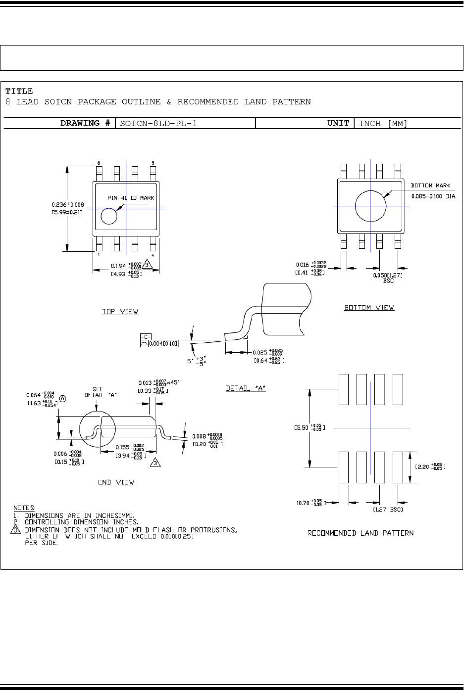
7.0 PACKAGING INFORMATION
7.1 Package Marking Information
XXX
XXXXXX
YYWW
8-lead SOIC*
MIC
4102YM
1613
Example
Legend: XX...X Product code or customer-specific information
Y Year code (last digit of calendar year)
YY Year code (last 2 digits of calendar year)
WW Week code (week of January 1 is week ‘01’)
NNN Alphanumeric traceability code
Pb-free JEDEC® designator for Matte Tin (Sn)
*This package is Pb-free. The Pb-free JEDEC designator ( )
can be found on the outer packaging for this package.
●, ▲, ▼Pin one index is identified by a dot, delta up, or delta down (triangle
mark).
Note: In the event the full Microchip part number cannot be marked on one line, it will
be carried over to the next line, thus limiting the number of available
characters for customer-specific information. Package may or may not include
the corporate logo.
Underbar (_) symbol may not be to scale.
3
e
3
e
TITLE
El LEAD SOICK PACKAGE OUTLINE & RECOMMENDED LAND PATTERN
DRAWING # | SOICNHSLDHPLHT UNIT INCH [MM]
5
\
E“
E
mm MAW
FIN u [n max KY nnasmmn mA
azasmnns
[Sgsxuzn
b:
E14
nms :g gag L L
‘ my: $331 m u 153:1
”E E
ma 3%
unsung]
as:
mp VIEW ammH vxgu
i_ 4
Emma”)
L—Lnnesrsfi
.43- ma
5 ,5. [usual]
OOIJMYMS‘
SE [was 3'57] DETAIL w ,7
WWW: ® DETAIL 'A‘ «m
mafia.) +1 V.
i mama]
, unnam
mss mg 01212233?)
we 11E; [3 g. :33]
[ms 133:]
w A mum
NEH’ES‘ mmiflfigr—l L 4—] L
[127 5:5]
DIMENSIEINS ARE IN INCHESEMHJ‘
CEINTREILLINE DIMENSIEIN INCHES
DIMENSIEIN nnEs NEIT INCLUDE MEILD FLASH EIR PRDTRUSIDNS, R M N
EURHESRDEIF WHICH SHALL NEIT EXCEED omames]
E 1 E
N
MIC4102
DS20005575A-page 22 2016 Microchip Technology Inc.
8-Lead SOIC Package Outline and Recommended Land Pattern
Note: For the most current package drawings, please see the Microchip Packaging Specification located at
http://www.microchip.com/packaging

2016 Microchip Technology Inc. DS20005575A-page 23
MIC4102
APPENDIX A: REVISION HISTORY
Revision A (June 2016)
• Converted Micrel document MIC4102 to Micro-
chip data sheet DS20005575A.
• Minor text changes throughout.

MIC4102
DS20005575A-page 24 2016 Microchip Technology Inc.
NOTES:
PART NO.
2016 Microchip Technology Inc. DS20005575A-page 25
MIC4102
PRODUCT IDENTIFICATION SYSTEM
To order or obtain information, e.g., on pricing or delivery, contact your local Microchip representative or sales office.
Examples:
a) MIC4102YM: 100V Half-Bridge MOS-
FET Driver with Anti-
Shoot-Through Protection,
–40°C to +125°C Temp.
Range, SOIC-8L Package,
95/Tube
b) MIC4102YM-TR: 100V Half-Bridge MOS-
FET Driver with Anti-
Shoot-Through Protec-
tion, –40°C to +125°C
Temp. Range, SOIC-8L
Package, 2,500/Reel
PART NO. X
Package
Device
Device: MIC4102: 100V Half-Bridge MOSFET Driver with
Anti-Shoot-Through Protection
Temperature: Y = –40°C to +125°C
Package: M= SOIC-8L
Media Type: (blank) = 95/Tube
TR = 2,500/Reel
X
Temperature
XX
Media Type

MIC4102
DS20005575A-page 26 2016 Microchip Technology Inc.
NOTES:
YSTEM
2016 Microchip Technology Inc. DS20005575A-page 27
Information contained in this publication regarding device
applications and the like is provided only for your convenience
and may be superseded by updates. It is your responsibility to
ensure that your application meets with your specifications.
MICROCHIP MAKES NO REPRESENTATIONS OR
WARRANTIES OF ANY KIND WHETHER EXPRESS OR
IMPLIED, WRITTEN OR ORAL, STATUTORY OR
OTHERWISE, RELATED TO THE INFORMATION,
INCLUDING BUT NOT LIMITED TO ITS CONDITION,
QUALITY, PERFORMANCE, MERCHANTABILITY OR
FITNESS FOR PURPOSE. Microchip disclaims all liability
arising from this information and its use. Use of Microchip
devices in life support and/or safety applications is entirely at
the buyer’s risk, and the buyer agrees to defend, indemnify and
hold harmless Microchip from any and all damages, claims,
suits, or expenses resulting from such use. No licenses are
conveyed, implicitly or otherwise, under any Microchip
intellectual property rights unless otherwise stated.
Trademarks
The Microchip name and logo, the Microchip logo, AnyRate,
dsPIC, FlashFlex, flexPWR, Heldo, JukeBlox, KeeLoq,
KeeLoq logo, Kleer, LANCheck, LINK MD, MediaLB, MOST,
MOST logo, MPLAB, OptoLyzer, PIC, PICSTART, PIC32 logo,
RightTouch, SpyNIC, SST, SST Logo, SuperFlash and UNI/O
are registered trademarks of Microchip Technology
Incorporated in the U.S.A. and other countries.
ClockWorks, The Embedded Control Solutions Company,
ETHERSYNCH, Hyper Speed Control, HyperLight Load,
IntelliMOS, mTouch, Precision Edge, and QUIET-WIRE are
registered trademarks of Microchip Technology Incorporated
in the U.S.A.
Analog-for-the-Digital Age, Any Capacitor, AnyIn, AnyOut,
BodyCom, chipKIT, chipKIT logo, CodeGuard, dsPICDEM,
dsPICDEM.net, Dynamic Average Matching, DAM, ECAN,
EtherGREEN, In-Circuit Serial Programming, ICSP, Inter-Chip
Connectivity, JitterBlocker, KleerNet, KleerNet logo, MiWi,
motorBench, MPASM, MPF, MPLAB Certified logo, MPLIB,
MPLINK, MultiTRAK, NetDetach, Omniscient Code
Generation, PICDEM, PICDEM.net, PICkit, PICtail,
PureSilicon, RightTouch logo, REAL ICE, Ripple Blocker,
Serial Quad I/O, SQI, SuperSwitcher, SuperSwitcher II, Total
Endurance, TSHARC, USBCheck, VariSense, ViewSpan,
WiperLock, Wireless DNA, and ZENA are trademarks of
Microchip Technology Incorporated in the U.S.A. and other
countries.
SQTP is a service mark of Microchip Technology Incorporated
in the U.S.A.
Silicon Storage Technology is a registered trademark of
Microchip Technology Inc. in other countries.
GestIC is a registered trademarks of Microchip Technology
Germany II GmbH & Co. KG, a subsidiary of Microchip
Technology Inc., in other countries.
All other trademarks mentioned herein are property of their
respective companies.
© 2016, Microchip Technology Incorporated, Printed in the
U.S.A., All Rights Reserved.
ISBN: 978-1-5224-0717-1
Note the following details of the code protection feature on Microchip devices:
• Microchip products meet the specification contained in their particular Microchip Data Sheet.
• Microchip believes that its family of products is one of the most secure families of its kind on the market today, when used in the
intended manner and under normal conditions.
• There are dishonest and possibly illegal methods used to breach the code protection feature. All of these methods, to our
knowledge, require using the Microchip products in a manner outside the operating specifications contained in Microchip’s Data
Sheets. Most likely, the person doing so is engaged in theft of intellectual property.
• Microchip is willing to work with the customer who is concerned about the integrity of their code.
• Neither Microchip nor any other semiconductor manufacturer can guarantee the security of their code. Code protection does not
mean that we are guaranteeing the product as “unbreakable.”
Code protection is constantly evolving. We at Microchip are committed to continuously improving the code protection features of our
products. Attempts to break Microchip’s code protection feature may be a violation of the Digital Millennium Copyright Act. If such acts
allow unauthorized access to your software or other copyrighted work, you may have a right to sue for relief under that Act.
Microchip received ISO/TS-16949:2009 certification for its worldwide
headquarters, design and wafer fabrication facilities in Chandler and
Tempe, Arizona; Gresham, Oregon and design centers in California
and India. The Company’s quality system processes and procedures
are for its PIC® MCUs and dsPIC® DSCs, KEELOQ® code hopping
devices, Serial EEPROMs, microperipherals, nonvolatile memory and
analog products. In addition, Microchip’s quality system for the design
and manufacture of development systems is ISO 9001:2000 certified.
QUALITYMANAGEMENTS
YSTEM
CERTIFIEDBYDNV
== ISO/TS16949==
6‘
‘MICRDCHIP
DS20005575A-page 28 2016 Microchip Technology Inc.
AMERICAS
Corporate Office
2355 West Chandler Blvd.
Chandler, AZ 85224-6199
Tel: 480-792-7200
Fax: 480-792-7277
Technical Support:
http://www.microchip.com/
support
Web Address:
www.microchip.com
Atlanta
Duluth, GA
Tel: 678-957-9614
Fax: 678-957-1455
Austin, TX
Tel: 512-257-3370
Boston
Westborough, MA
Tel: 774-760-0087
Fax: 774-760-0088
Chicago
Itasca, IL
Tel: 630-285-0071
Fax: 630-285-0075
Cleveland
Independence, OH
Tel: 216-447-0464
Fax: 216-447-0643
Dallas
Addison, TX
Tel: 972-818-7423
Fax: 972-818-2924
Detroit
Novi, MI
Tel: 248-848-4000
Houston, TX
Tel: 281-894-5983
Indianapolis
Noblesville, IN
Tel: 317-773-8323
Fax: 317-773-5453
Los Angeles
Mission Viejo, CA
Tel: 949-462-9523
Fax: 949-462-9608
New York, NY
Tel: 631-435-6000
San Jose, CA
Tel: 408-735-9110
Canada - Toronto
Tel: 905-673-0699
Fax: 905-673-6509
ASIA/PACIFIC
Asia Pacific Office
Suites 3707-14, 37th Floor
Tower 6, The Gateway
Harbour City, Kowloon
Hong Kong
Tel: 852-2943-5100
Fax: 852-2401-3431
Australia - Sydney
Tel: 61-2-9868-6733
Fax: 61-2-9868-6755
China - Beijing
Tel: 86-10-8569-7000
Fax: 86-10-8528-2104
China - Chengdu
Tel: 86-28-8665-5511
Fax: 86-28-8665-7889
China - Chongqing
Tel: 86-23-8980-9588
Fax: 86-23-8980-9500
China - Dongguan
Tel: 86-769-8702-9880
China - Hangzhou
Tel: 86-571-8792-8115
Fax: 86-571-8792-8116
China - Hong Kong SAR
Tel: 852-2943-5100
Fax: 852-2401-3431
China - Nanjing
Tel: 86-25-8473-2460
Fax: 86-25-8473-2470
China - Qingdao
Tel: 86-532-8502-7355
Fax: 86-532-8502-7205
China - Shanghai
Tel: 86-21-5407-5533
Fax: 86-21-5407-5066
China - Shenyang
Tel: 86-24-2334-2829
Fax: 86-24-2334-2393
China - Shenzhen
Tel: 86-755-8864-2200
Fax: 86-755-8203-1760
China - Wuhan
Tel: 86-27-5980-5300
Fax: 86-27-5980-5118
China - Xian
Tel: 86-29-8833-7252
Fax: 86-29-8833-7256
ASIA/PACIFIC
China - Xiamen
Tel: 86-592-2388138
Fax: 86-592-2388130
China - Zhuhai
Tel: 86-756-3210040
Fax: 86-756-3210049
India - Bangalore
Tel: 91-80-3090-4444
Fax: 91-80-3090-4123
India - New Delhi
Tel: 91-11-4160-8631
Fax: 91-11-4160-8632
India - Pune
Tel: 91-20-3019-1500
Japan - Osaka
Tel: 81-6-6152-7160
Fax: 81-6-6152-9310
Japan - Tokyo
Tel: 81-3-6880- 3770
Fax: 81-3-6880-3771
Korea - Daegu
Tel: 82-53-744-4301
Fax: 82-53-744-4302
Korea - Seoul
Tel: 82-2-554-7200
Fax: 82-2-558-5932 or
82-2-558-5934
Malaysia - Kuala Lumpur
Tel: 60-3-6201-9857
Fax: 60-3-6201-9859
Malaysia - Penang
Tel: 60-4-227-8870
Fax: 60-4-227-4068
Philippines - Manila
Tel: 63-2-634-9065
Fax: 63-2-634-9069
Singapore
Tel: 65-6334-8870
Fax: 65-6334-8850
Taiwan - Hsin Chu
Tel: 886-3-5778-366
Fax: 886-3-5770-955
Taiwan - Kaohsiung
Tel: 886-7-213-7828
Taiwan - Taipei
Tel: 886-2-2508-8600
Fax: 886-2-2508-0102
Thailand - Bangkok
Tel: 66-2-694-1351
Fax: 66-2-694-1350
EUROPE
Austria - Wels
Tel: 43-7242-2244-39
Fax: 43-7242-2244-393
Denmark - Copenhagen
Tel: 45-4450-2828
Fax: 45-4485-2829
France - Paris
Tel: 33-1-69-53-63-20
Fax: 33-1-69-30-90-79
Germany - Dusseldorf
Tel: 49-2129-3766400
Germany - Karlsruhe
Tel: 49-721-625370
Germany - Munich
Tel: 49-89-627-144-0
Fax: 49-89-627-144-44
Italy - Milan
Tel: 39-0331-742611
Fax: 39-0331-466781
Italy - Venice
Tel: 39-049-7625286
Netherlands - Drunen
Tel: 31-416-690399
Fax: 31-416-690340
Poland - Warsaw
Tel: 48-22-3325737
Spain - Madrid
Tel: 34-91-708-08-90
Fax: 34-91-708-08-91
Sweden - Stockholm
Tel: 46-8-5090-4654
UK - Wokingham
Tel: 44-118-921-5800
Fax: 44-118-921-5820
Worldwide Sales and Service
07/14/15
Products related to this Datasheet
IC GATE DRVR HALF-BRIDGE 8SOIC
IC GATE DRVR HALF-BRIDGE 8SOIC
IC GATE DRVR HALF-BRIDGE 8SOIC
IC GATE DRVR HALF-BRIDGE 8SOIC
IC GATE DRVR HALF-BRIDGE 8SOIC
IC GATE DRVR HALF-BRIDGE 8SOIC