A
MAXLINEAR
V
1
SP336E
3.3V / 5V PROGRAMMABLE RS-232/RS-485/RS-422 SERIAL TRANSCEIVER
MARCH 2018 REV. 1.1.0
GENERAL DESCRIPTION
The SP336E is a monolithic serial multi-transceiver
device that contains both RS-232 and RS-485/RS-
422 line drivers and receivers. The configuration of
the SP336E can be reconfigured into eight operating
modes including RS-232 only (4TX/4RX), RS-485/
RS-422 only (2TX/2RX) full or half duplex, two RS-
232/RS-485 mixed modes. two shutdown modes and
a diagnostic loop-back mode. Modes may be
selected at any time by changing the logic state of the
three MODE pins. The device can implement a dual-
mode serial port, mixed mode ports or as an interface
signal translator. The MaxLinear charge pumps
deliver true RS-232 driver output voltages from a
single power supply at either 3.3V or 5V. The SP336E
requires only four 0.1F capacitors for charge pump.
A slew rate control pin configures driver outputs for
either high data rate or slew-controlled data rates.
Slew-controlled outputs minimize problems with
reflections and ringing on long or un-terminated
cables. All RS-485 receivers or transceivers feature
high impedance which allow up to 256 transceivers
on a shared bus. When configured in RS-485/RS-422
mode, each driver may be individually enabled or put
into tri-state, simplifying use on shared buses or
bidirectional communication. All receivers have
advanced failsafe protection to prevent oscillation
when inputs are un-connected. In RS-232 mode each
receiver input has a 5k ohm pull-down to ground.
Differential Receivers will default to output logic 1 if
inputs are floating, shorted or open but terminated. All
driver outputs and receiver inputs are protected
against ESD strikes up to ±15,000 volts.
FEATURES
3.3V or 5V Single Supply Operation
Robust ±15kV ESD Protection (IEC 61000-4-2 Air
Gap)
Software Selectable Mode Selection
Up to 4 Drivers, 4 Receivers RS-232/V.28
Up to 2 Drivers, 2 Receivers RS-485/RS-422
■Full or Half Duplex Configurations
■1/8th Unit Load, up to 256 receivers on bus
Mixed RS-232/RS-485 modes
Pin Programmable Slew Rate for Reduced EMI
RS-485 Advanced Failsafe on Open, Short or
Terminated Lines
Diagnostic Loop-Back Function
28 Pin SOIC or TSSOP Packaging
TYPICAL APPLICATIONS
Factory Automation Equipment
Security Networks
Industrial/Process Control Networks
Point-Of-Sales Equipment
Gaming Machines
Serial Protocol Translators (ex. RS-232 to RS-485/
RS-422)
Embedded Industrial PC’s
Building Environmental Control Systems (ex.
HVAC)
Cable Repeaters / Port Extenders / Hubs
A
MAXLINEAR
\_/
REV. 1.1.0
m
a. ::
a ::
>>>>m~< h="" fltee___++,+¢¢¢¢="">FIGURE 1. TYPICAL RS-232 APPLICATION CIRCUIT
TTL/CMOS
0.1μF
C1+
C1-
C2+
C2-
2
+3.3V or +5V
VCC
5
GND
8
9
11
12
13
19
22
26
28
V+
V-
MODE 0
RS-232
3
7
6
10
14
16
15
25
4
R2_In
R1_In
T4_Out
T3_Out
T2_Out
T1_Out
TI_In
T3_In
R1_Out
TTL/CMOS
21
18
17
R3_In
R4_In
R3_Out
SP336E
0.1μF
0.1μF
0.1μF
TTL/CMOS
27
1
T2_In
T4_In
MODE 1
MODE 2
SLEW
R2_Out
R4_Out
TTL/CMOS
TTL/CMOS
TTL/CMOS
Logic 0
Logic 0
Logic 1
24
23
Logic 1 or 0
1.0μF
20
T1
T2
T3
T4
R1
R2
R3
R4
RS-232
RS-232
RS-232
RS-232
RS-232
RS-232
RS-232
TTL/CMOS
TTL/CMOS
SP336E
2
3.3V / 5V PROGRAMMABLE RS-232/RS-485/RS-422 SERIAL TRANSCEIVER REV. 1.1.0
/\
MAXLINEAR
\_/
REV. 1.1.0
FIGURE 2. PIN OUT ASSIGNMENT
2
1
3
4
5
6
7
8
9
10
11
12
14
13
15
16
17
18
19
20
21
22
23
24
25
26
27
28
SOIC/
TSSOP
SP336E
T3_In
T2_In
T1_In
SLEW
MODE_0
MODE_2
R4_Out
R3_Out
R2_Out
R1_Out
R4_In
R3_In
R2_In
R1_In
T4_In
MODE_1
T4_Out
T3_Out
Vcc
T1_Out
T2_Out
GND
C1+
V+
C2+
C1-
C2-
V-
ORDERING INFORMATION(1)
PART NUMBER OPERATING TEMPERATURE RANGE LEAD-FREE PACKAGE PACKAGING METHOD
SP336ECT-L 0°C to +70°C
Yes(2)
28-pin SOIC-W Tube
SP336ECY-L 0°C to +70°C 28-pin TSSOP Tube
SP336EET-L -40°C to +85°C 28-pin SOIC-W Tube
SP336EEY-L -40°C to +85°C 28-pin TSSOP Tube
SP336EEY-L/TR Tape and Reel
SP336E
3
REV. 1.1.0 3.3V / 5V PROGRAMMABLE RS-232/RS-485/RS-422 SERIAL TRANSCEIVER
NOTES:
1. Refer to www.exar.com/SP336E for most up-to-date Ordering Information.
2. Visit www.exar.com for additional information on Environmental Rating.
A
MAXLINEAR
\_/
REV. 1.1.0
—>
_>_
T
+
FIGURE 3. TYPICAL RS-485 APPLICATION CIRCUIT
TTL/CMOS
0.1μF
C1+
C1-
C2+
C2-
2
+3.3V or +5V
VCC
5
GND
8
9
11
12
13
19
22
26
28
T1
T3
R1
RS-485
RS-485
RS-485
V+
V-
MODE 0
RS-485
RS-485
RS-485
3
7
6
10
14
16
15
25
4
R2_In
R1_In
T4_Out
T3_Out
T2_Out
T1_Out
TI_In
T3_In
R1_Out
TTL/CMOS 21 R3
18
17R3_In
R4_In
R3_Out
RS-485
RS-485
SP336E
0.1μF
0.1μF
0.1μF
TTL/CMOS
27
1
T2_In
T4_In
MODE 1
MODE 2
SLEW
R2_Out
R4_Out
TTL/CMOS
TTL/CMOS
TTL/CMOS
Logic 1
Logic 0
Logic 1
24
23
Logic 1 or 0
1.0μF
20
SP336E
4
3.3V / 5V PROGRAMMABLE RS-232/RS-485/RS-422 SERIAL TRANSCEIVER REV. 1.1.0
/\
MAXLINEAR
\_/
REV. 1.1.0
1 T4_ln
SP336E
5
REV. 1.1.0 3.3V / 5V PROGRAMMABLE RS-232/RS-485/RS-422 SERIAL TRANSCEIVER
PIN DESCRIPTIONS
Pin Assignments
PIN NUMBER PIN NAME TYPE
DESCRIPTION
SINGLE ENDED FULL-DUPLEX HALF-DUPLEX
1T4_In IT4 Driver TTL input. T3 Driver Enable
Active High.
T3 Driver Enable
Active High, R3 Enable
Active Low.
2Mode_1 IMode Configuration pin 1.
3T4_Out OT4 Driver Output. T3(B) Output. T3(B) Output,
R3(B) Input.
4T3_Out OT3 Driver Output. T3(A) Output. T3(A) Output,
R3(A) Input.
5Vcc Pwr Power Supply Voltage.
6T1_Out OT1 Driver Output. T1(A) Output. T1(A) Output,
R1(A) Input.
7T2_Out OT2 Driver Output. T1(B) Output. T1(B) Output,
R1(B) Input.
8 GND Pwr Ground.
9C1+ Pmp Positive terminal of positive flying capacitor.
10 V+ Pmp Vdd storage capacitor.
11 C2+ Pmp Positive terminal of negative flying capacitor.
12 C1- Pmp Negative terminal of positive flying capacitor.
13 C2- Pmp Negative terminal of negative flying capacitor.
14 V- Pmp Vss storage capacitor.
15 R1_In IR1 Receiver Input. R1(A) Receiver Input. High Impedance.
16 R2_In IR2 Receiver Input. R1(B) Receiver Input. R2 Receiver Input.
17 R3_In IR3 Receiver Input. R3(A) Receiver Input. High Impedance.
18 R4_In IR4 Receiver Input. R3(B) Receiver Input. R4 Receiver Input.
19 R1_Out OR1 Receiver Output.
20 R2_Out OR2 Receiver Output. High Impedance. R2 Receiver Output.
21 R3_Out OR3 Receiver Output.
22 R4_Out OR4 Receiver Output. High Impedance. R4 Receiver Output.
23 Mode_2 IMode Configuration pin 2.
24 Mode_0 IMode Configuration pin 0.
25 SLEW ISlew Rate Control. Logic Low input will limit driver slew from either RS-232
or RS-485 to 250kbps.
26 T1_In IT1 Driver Input.
A
MAXLINEAR
\_/
REV. 1.1.0
27
T2_ln
SP336E
6
3.3V / 5V PROGRAMMABLE RS-232/RS-485/RS-422 SERIAL TRANSCEIVER REV. 1.1.0
Pin type: I=Input, O=Output, Pwr=Power supply, Pmp = Charge pump.
27 T2_In IT2 Driver Input. T1 Driver Enable Active
High.
T1 Driver Enable Active
High and R1 Receiver
Enable Active Low.
28 T3_In IT3 Driver Input.
Pin Assignments
PIN NUMBER PIN NAME TYPE
DESCRIPTION
SINGLE ENDED FULL-DUPLEX HALF-DUPLEX
A
\_/
MAXLINEAR
REV. 1.1.0
15
16
—17
—18
T3
26
27
28
19
20
21—
22
15
1B
17
18
26
27
28
19
20
21
22
SP336E
7
REV. 1.1.0 3.3V / 5V PROGRAMMABLE RS-232/RS-485/RS-422 SERIAL TRANSCEIVER
MODE CONFIGURATION
OPERATION:RS-232 MODE MIXED-PROTOCOL FULL DUPLEX
4T/4R RS-232 2T/2R RS-232 & 1T/1R RS-485
MODE (M0, M1, M2) 001 011
/'\
MAXL
REV. 1.1.0
INEAR
V
26
27
28
19
20
21
22
—16
—17
—18
26
27
28
19
20
21
22
T3
TE
F
%L:
—15
—16
—17
—18
SP336E
8
3.3V / 5V PROGRAMMABLE RS-232/RS-485/RS-422 SERIAL TRANSCEIVER REV. 1.1.0
MODE CONFIGURATION
OPERATION: LOW POWER SHUTDOWN RS-485/RS-422 FULL DUPLEX
ALL I/O AT HIGH IMPEDANCE 2T/2R RS-485
MODE (M0, M1, M2) 111 101
(CONTINUED)
A
MAXLINEAR
\_/
REV. 1.1.0
15
16
17
18
>c
26
27
19
20
22
—15
—16
—17
-—1S
T1
>0
>6
4
26
27
28
19
20
21
22
SP336E
9
REV. 1.1.0 3.3V / 5V PROGRAMMABLE RS-232/RS-485/RS-422 SERIAL TRANSCEIVER
MODE CONFIGURATION
OPERATION: LOOP-BACK TXIN TO RXOUT MIXED-PROTOCOL HALF DUPLEX
TXOUT AND RXIN HIGH IMPEDANCE 2T/3R RS-232 & 1T/1R RS-485
MODE (M0, M1, M2) 000 010
(CONTINUED)
/'\
MAXLINEAR
V
REV. 1.1.0
26 6
26
27 7 27
19 1 S
28 4
1 3 28
1
19 0%} 15 4
21 3 3
20 °® 16
20 oé 16
21 oé 17
22 ofi 15
22 0Q 15
SP336E
10
3.3V / 5V PROGRAMMABLE RS-232/RS-485/RS-422 SERIAL TRANSCEIVER REV. 1.1.0
MODE CONFIGURATION
OPERATION: LOW POWER, 4 RX ACTIVE RS-485/RS-422 HALF DUPLEX
DRIVERS AT HIGH IMPEDANCE 2T/2R RS-485 & 2R RS-232
MODE (M0, M1, M2) 110 100
(CONTINUED)
/\
MAXLINEAR
\_/
REV. 1.1.0
ABSOLUTE MAXIMUM RATINGS
These are stress ratings only and functional operation of the device at these ratings or any other above those indicated in the operation sections to the
specifications below is not implied. Exposure to absolute maximum rating conditions for extended periods of time may affect reliability and cause permanent
damage to the device.
Supply Voltage VCC +6.0V
Receiver Input VIN (DC Input Voltage) -15V to +15V
Input Voltage at TTL input Pins -0.3V to Vcc + 0.5V
Driver Output Voltage (from Ground) -7.5V to +12.5V
Short Circuit Duration, TXout to GND Continuous
Storage Temperature Range -65°C to + 150°C
Lead Temperature (soldering, 10s) +300°C
Power Dissipation 28-pin SOIC-W
(derate 17mW/°C above +70°C)
938mW
Power Dissipation 28-pin TSSOP
(derate 12mW/°C above +70°C)
657mW
ESD Ratings
HBM - Human Body Model (Tx_Out & Rx_In Pins) ±15kV
HBM - Human Body Model (all other pins) ± 2kV
IEC 61000-4-2 Airgap Discharge (Tx_Out & Rx_In Pins) ±15kV
IEC 61000-4-2 Contact Discharge (Tx_Out & Rx_In Pins) ± 8kV
SP336E
11
REV. 1.1.0 3.3V / 5V PROGRAMMABLE RS-232/RS-485/RS-422 SERIAL TRANSCEIVER
CAUTION:
ESD (Electrostatic Discharge) sensitive device. Permanent damage may occur on unconnected devices subject to high energy electrostatic fields. Unused
devices must be stored in conductive foam or shunts. Personnel should be properly grounded prior to handling this device. The protective foam should be
discharged to the destination socket before devices are removed.
ELECTRICAL CHARACTERISTICS
UNLESS OTHERWISE NOTED: VCC = +3.3V ±5% OR +5.0V ±5%; TA = TMIN TO TMAX. TYPICAL VALUES ARE AT
VCC = 3.3V, TA = +25OC.
SYMBOL PARAMETERS MIN.TYP. MAX. UNITS CONDITIONS
DC CHARACTERISTICS
ICC Supply Current (RS-232) 230 mA No Load, MODE = 001.
ICC Supply Current (RS-485) 6.5 20 mA No Load, MODE = 101.
ICC Vcc Shutdown Current 120 AMODE = 111.
TRANSMITTER and LOGIC INPUT PINS: Pins 1, 2, 23, 24, 25, 26, 27, 28
VIH Logic Input Voltage HIGH 2.0 V VCC = 3.3V.
VIH Logic Input Voltage HIGH 2.4 V VCC = 5.0V.
VIL Logic Input Voltage LOW 0.8 V
IIL Logic Input Pull-up Current ±15 A
VHYS Logic Input Hysteresis 0.5 V
A
MAXLINEAR
\_/
REV. 1.1.0
m
SP336E
12
3.3V / 5V PROGRAMMABLE RS-232/RS-485/RS-422 SERIAL TRANSCEIVER REV. 1.1.0
RS-232 and RS-485/422 RECEIVER OUTPUTS: Pins 19, 20, 21, 22
VOH Receiver Output Voltage HIGH VCC-
0.6
V IOUT = -1.5mA.
VOL Receiver Output Voltage LOW 0.4 V IOUT = 2.5mA.
IOSS Receiver Output Short-Circuit
Current
±20 ±60 mA 0 < Vo < Vcc.
IOZ Receiver Output Leakage Current ±0.05 ±1AReceivers Disabled.
SINGLE-ENDED RECEIVER INPUTS (RS-232)
Input Voltage Range -15 +15 V
Input Threshold Low 0.6 1.2 V VCC = 3.3V.
0.8 1.5 V VCC = 5.0V.
Input Threshold HIGH 1.5 2.0 V VCC = 3.3V.
1.8 2.4 V VCC = 5.0V.
Input Hysteresis 0.5 V
Input Resistance 357k
DIFFERENTIAL RECEIVER INPUTS (RS-485 / RS-422)
RIN Receiver Input Resistance 96 k-7V VCM +12V.
VTH Receiver Differential Threshold
Voltage
-200 -125 -50 mV
VTH Receiver Input Hysteresis 30 mV VCM = 0V.
IIN Input Current 125 ADE = 0V, VIN = 12V, Full-Duplex.
-100 ADE = 0V, VIN = -7V, Full-Duplex.
SINGLE-ENDED DRIVER OUTPUTS (RS-232)
VOOutput Voltage Swing ±5.0 ±5.4 VOutput Loaded with 3kto
GND.
±6.6 VNo Load Output.
Short Circuit Current ±60 mA VO = 0V.
Power Off Impedance 300 10M VCC = 0V; VO = ±2V.
DIFFERENTIAL DRIVER OUTPUTS (RS-485 / RS-422)
VOD Differential Driver Output (Tx_Out) 2 VCC VRL = 100 (RS-422), Figure 4.
1.5 VCC VRL = 54 (RS-485), Figure 4.
1.5 VCC V VCM = -7V, Figure 5.
1.5 VCC V VCM = +12V, Figure 5.
VOD Change In Magnitude of Differential
Output Voltage
-0.2 +0.2 VRL = 54 or 100, Figure 4.
UNLESS OTHERWISE NOTED: VCC = +3.3V ±5% OR +5.0V ±5%; TA = TMIN TO TMAX. TYPICAL VALUES ARE AT
VCC = 3.3V, TA = +25OC.
SYMBOL PARAMETERS MIN.TYP.MAX.UNITS CONDITIONS
/\
MAXLINEAR
\_/
REV. 1.1.0
549
SP336E
13
REV. 1.1.0 3.3V / 5V PROGRAMMABLE RS-232/RS-485/RS-422 SERIAL TRANSCEIVER
VOC Driver Common Mode Output
Voltage
3 V RL = 54 or 100, Figure 4.
VOC Change In Magnitude of Common
Mode Output Voltage
0.2 VRL = 54 or 100, Figure 4.
Driver Output Short Circuit Current ±250 mA V = +12V to -7V, Figure 6.
IOOutput Leakage Current ±100 ADE = 0V or Shutdown, VO =
+12V to -7V. VCC = 0V or 5.25V.
TIMING CHARACTERISTICS
RS-232 (SLEW = GND, 250kbps, ONE TRANSMITTER SWITCHING)
Maximum Data Rate 250 kbps RL = 3k, CL = 1000pF.
tPHL, tPLH Receiver Propagation Delay 100 ns CL = 150pF.
tPHL-tPLHReceiver Skew 50 ns CL = 150pF.
tPHL-tPLHDriver Skew 100 ns
tTHL, tTLH Transition-Region Slew Rate from
+3.0V to -3.0V or -3.0V to +3.0V
630 V/s VCC = 3.3V, TA =25°C, RL = 3k
to 7kCL = 150pF to 1000pF,
Figures 20 and 21.
RS-232 (SLEW = Vcc, 1Mbps, ONE TRANSMITTER SWITCHING)
Maximum Data Rate 1Mbps RL = 3k, CL = 250pF.
tPHL, tPLH Receiver Propagation Delay 100 ns CL = 150pF,
Figures 22 and 23.
tPHL-tPLHReceiver Skew 50 ns CL = 150pF.
tPHL-tPLHDriver Skew 25 ns
tTHL, tTLH Transition-Region Slew Rate from
+3.0V to -3.0V or -3.0V to +3.0V
90 V/s VCC = 3.3V, RL = 3k to 7k
CL = 150pF to 1000pF.
RS-485/RS-422 (SLEW = GND, 250kbps, ONE TRANSMITTER SWITCHING)
Maximum Data Rate 250 kbps RDIFF = 54CL = 50pF.
tDPHL, tDPLH Differential Output Propagation
Delay Time
250 1500 ns Figures 7 and 8.
tR, tFDriver Rise and Fall Time 200 1500 ns Figures 7 and 8.
tDPHL-
tDPLH
Driver Propagation Delay Skew 200 ns Figures 7 and 8.
tDZH, tDZL Driver Output Enable Time 1500 ns Figures 9, 10, 11 and 12.
tDHZ, tDLZ Driver Output Disable Time 1500 ns Figures 9, 10, 11 and 12.
tPHL, tPLH Receiver Propagation Delay 150 ns Figures 13 and 14.
tZH Receiver Enable to Output High 50 ns Figures 15 and 16.
tZL Receiver Enable to Output Low 50 ns Figures 15 and 17.
UNLESS OTHERWISE NOTED: VCC = +3.3V ±5% OR +5.0V ±5%; TA = TMIN TO TMAX. TYPICAL VALUES ARE AT
VCC = 3.3V, TA = +25OC.
SYMBOL PARAMETERS MIN.TYP.MAX.UNITS CONDITIONS
A
MAXLINEAR
\_/
REV. 1.1.0
SP336E
14
3.3V / 5V PROGRAMMABLE RS-232/RS-485/RS-422 SERIAL TRANSCEIVER REV. 1.1.0
tHZ Receiver Output High to Disable 50 ns Figures 15 and 18.
tLZ Receiver Output Low to Disable 50 ns Figures 15 and 19.
RS-485/RS-422 (SLEW = Vcc, 10Mbps, ONE TRANSMITTER SWITCHING)
Maximum Data Rate 10 Mbps RDIFF = 54CL = 50pF.
tDPHL, tDPLH Differential Output Propagation
Delay Time
60 120 ns Figures 7 and 8.
tR, tFDriver Rise and Fall Time 10 25 ns Figures 7 and 8.
tDPHL-
tDPLH
Driver Propagation Delay Skew 10 ns Figures 7 and 8.
tDZH, tDZL Driver Output Enable Time 900 ns Figures 9, 10, 11 and 12.
tDHZ, tDLZ Driver Output Disable Time 900 ns Figures 9, 10, 11 and 12.
tPHL, tPLH Receiver Propagation Delay 150 ns Figures 13 and 14.
tZH Receiver Enable to Output High 32 ns Figures 15 and 16.
tZL Receiver Enable to Output Low 32 ns Figures 15 and 17.
tHZ Receiver Output High to Disable 40 ns Figures 15 and 18.
tLZ Receiver Output Low to Disable 40 ns Figures 15 and 19.
UNLESS OTHERWISE NOTED: VCC = +3.3V ±5% OR +5.0V ±5%; TA = TMIN TO TMAX. TYPICAL VALUES ARE AT
VCC = 3.3V, TA = +25OC.
SYMBOL PARAMETERS MIN.TYP.MAX.UNITS CONDITIONS
/\
MAXLINEAR
\_/
REV. 1.1.0
SP336E
15
REV. 1.1.0 3.3V / 5V PROGRAMMABLE RS-232/RS-485/RS-422 SERIAL TRANSCEIVER
1.0 FUNCTION TABLES
The SP336E drivers and receivers may be configured to operate as either standard RS-485/RS-422 or RS-232
devices. RS-485/RS422 drivers have differential outputs and receivers have differential inputs. RS-232 drivers
and receivers are single-ended with inverting outputs.
TABLE 1: R-485/RS-422 FULL DUPLEX: MODE 011 (T3, R3), MODE 101 (T1, T3, R1, R3)
DRIVERS RECEIVERS
Inputs Outputs Inputs Output
Tx_EN Tx_In Tx(A) Tx(B) Rx(A) - Rx(B) RxOut
1 1 1 0 > -50mV 1
1 0 0 1 -200mV 0
0 x High-Z Open / Shorted 1
TABLE 2: R-485/RS-422 HALF DUPLEX: MODE 010 (T3, R3), MODE 100 (T1, T3, R1, R3)
TRANSMITTING RECEIVING
Inputs Outputs Inputs Outputs
DE/RE TxIn Tx(A) Tx(B) DE/RE Rx(A) - Rx(B) RxOut
1 1 1 0 1 x High-Z
1 0 0 1 1 x High-Z
0 x High-Z High-Z
0> -50mV 1
0 -200mV 0
0Open / Shorted 1
TABLE 3: RS-232 MODE 001 (ALL TX AND RX), MODES 011, 010 (T1, T2, R1, R2), MODE 110 (R1- R4)
DRIVERS RECEIVERS
Input Output Input Output
0 5V 3V 0
1 -5V -3V1
Open -5V Open 1

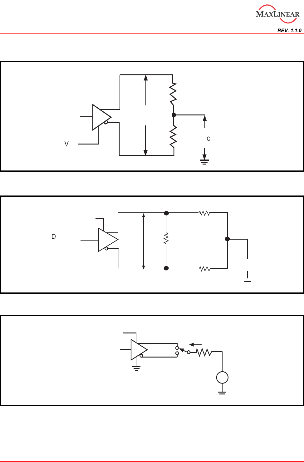
FIGURE 4. RS-485 DRIVER DC TEST CIRCUIT
R
L
/2
R
L
/2 V
OC
T
V
CC
V
OD
DI
FIGURE 5. RS-485 DRIVER COMMON MODE LOAD TEST
A
B
Tx
DI = 0 or Vcc 60Ω
DE = 3.3V
V
OD
375Ω
375Ω V
CM
FIGURE 6. RS-485 DRIVER OUTPUT SHORT CIRCUIT TEST
A
D
DI = 0 or Vcc
B
EN = 0 or Vcc
IOS D
100Ω
-7V to +12V V
SP336E
16
3.3V / 5V PROGRAMMABLE RS-232/RS-485/RS-422 SERIAL TRANSCEIVER REV. 1.1.0
/\
MAXLINEAR
\_/
REV. 1.1.0
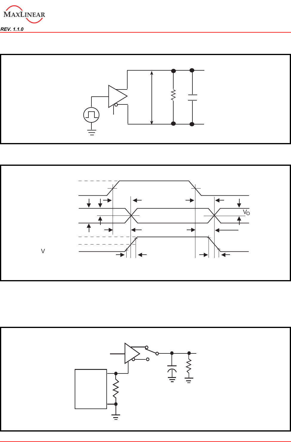
FIGURE 7. RS-485 DRIVER PROPAGATION DELAY TEST CIRCUIT
A
B
Tx
DI
RL
54Ω
CL
50pF
3.3V
VOD
FIGURE 8. RS-485 DRIVER TIMING DIAGRAM
Vcc
0V
DI
A
B
V
O
+
V
DIFF
V
A
– V
B
0V
V
O
–
Vcc/2 Vcc/2
t
PLH
t
F
t
R
V
O
1/2V
O
1/2V
O
t
PHL
t
SKEW
= |t
DPLH
- t
DPHL
|
t
DPLH
t
DPHL
10%
90%
10%
90%
FIGURE 9. RS-485 DRIVER ENABLE AND DISABLE TEST CIRCUIT
GENERATOR 50Ω
S1
RL = 500Ω
OUT
CL
= 50pF
Tx
Vcc
B
A
DI
SP336E
17
REV. 1.1.0 3.3V / 5V PROGRAMMABLE RS-232/RS-485/RS-422 SERIAL TRANSCEIVER
A
MAXLINEAR
\_/
REV. 1.1.0
i.
FIGURE 10. RS-485 DRIVER ENABLE AND DISABLE TIMING DIAGRAM
DE
OUT
Vcc/2
t
DZH
V
OM
= (V
OL
+ Vcc)/2
0.25V
Vcc
0
0
t
DHZ
FIGURE 11. RS-485 DRIVER ENABLE AND DISABLE TEST CIRCUIT 2
GENERATOR 50Ω
S1
RL = 500Ω
OUT
CL
= 50pF
Tx
0
B
A
DI
Vcc
FIGURE 12. RS-485 DRIVER ENABLE AND DISABLE TIMING DIAGRAM 2
DE
OUT
Vcc/2
t
DZL
V
OM
= (V
OL
+ Vcc)/2 0.25V
Vcc
0
V
OL
t
DLZ
SP336E
18
3.3V / 5V PROGRAMMABLE RS-232/RS-485/RS-422 SERIAL TRANSCEIVER REV. 1.1.0
A
MAXLINEAR
\_/
REV. 1.1.0
\
O
FIGURE 13. RS-485 RECEIVER PROPAGATION DELAY TEST CIRCUIT
OUT
R
A
B
V
ID
RE
CL
15pF
FIGURE 14. RS-485 RECEIVER PROPAGATION DELAY TIMING DIAGRAM
B
A
OUT
tPHL tPLH
+1V
-1V
VOH
VOL
1.5V
FIGURE 15. RS-485 RECEIVER ENABLE AND DISABLE TIMES TEST CIRCUIT
1.5V
-1.5V
S3
A
GENERATOR
50Ω
C
L
= 15pF
R
1kΩ
S1
S2
Vcc
B
RE
OUT
SP336E
19
REV. 1.1.0 3.3V / 5V PROGRAMMABLE RS-232/RS-485/RS-422 SERIAL TRANSCEIVER
A
MAXLINEAR
\_/
REV. 1.1.0
FIGURE 16. RS-485 RECEIVER ENABLE AND DISABLE TIMES TIMING DIAGRAM 1
3V
1.5V
0V
RE
OUT
S1 is open, S2 is closed, S3 = 1.5V
V
OH
t
ZH
V
OH
/2
FIGURE 17. RS-485 RECEIVER ENABLE AND DISABLE TIMES TIMING DIAGRAM 2
3V
0V
1.5V
VCC
RE
OUT
S1 is closed, S2 is open, S3 = -1.5V
tZL
VOL = VCC /2
VOL
SP336E
20
3.3V / 5V PROGRAMMABLE RS-232/RS-485/RS-422 SERIAL TRANSCEIVER REV. 1.1.0
/\
MAXLINEAR
\_/
REV. 1.1.0
FIGURE 18. RS-485 RECEIVER ENABLE AND DISABLE TIMES TIMING DIAGRAM 3
3V
1.5V
0V
RE
OUT
S1 is open, S2 is closed, S3 = 1.5V
VOH
tHZ
0.25V
FIGURE 19. RS-485 RECEIVER ENABLE AND DISABLE TIMES TIMING DIAGRAM 4
3V
0V
1.5V
VCC
RE
OUT
S1 is closed, S2 is open, S3 = -1.5V
tLZ
VOL
0.25V
FIGURE 20. RS-232 DRIVER OUTPUT SLEW RATE TEST CIRCUIT
GENERATOR 50Ω RL
OUT
CL
Tx
SP336E
21
REV. 1.1.0 3.3V / 5V PROGRAMMABLE RS-232/RS-485/RS-422 SERIAL TRANSCEIVER
A
MAXLINEAR
V
REV. 1.1.0
FIGURE 21. RS-232 DRIVER OUTPUT SLEW RATE TIMING DIAGRAM
Input
OUT
1.5V
tTHL
+3V
3V
0
VOL
tTLH
-3V
FIGURE 22. RS-232 RECEIVER PROPAGATION DELAY TEST CIRCUIT
GENERATOR 50Ω
OUT
C
L
Rx
FIGURE 23. RS-232 RECEIVER PROPAGATION DELAY TIMING DIAGRAM
Input
OUT
1.5V
tPHL
VOH
+3V
50%
tPLH
-3V
1.5V
50%
VOL
SP336E
22
3.3V / 5V PROGRAMMABLE RS-232/RS-485/RS-422 SERIAL TRANSCEIVER REV. 1.1.0
A
MAXLINEAR
\_/
REV. 1.1.0
RJ-AS DB-Q
Signal Counselor Connector
NC 26 }T1 6 NC NC
DTR 27 {T2 7 Pins Pln4 375543 21
TxD 23 fie 4 Pin 6 Pin 3
R15 1 be 3 Pin a Pin 7
DOB 19 o@ 15 Pin 2 Pin 1 ‘ ‘
RI I DSR 20 1e Pin1 Pin 9
RxD 21 9% 17 Pin 5 Pin 2
CTS 22 ’W— 13 Pm 7 ma
Pin 4 ‘5 GND Pin 5 is GND
SP336E
23
REV. 1.1.0 3.3V / 5V PROGRAMMABLE RS-232/RS-485/RS-422 SERIAL TRANSCEIVER
2.0 SUGGESTED APPLICATION DIAGRAMS
The SP336E supports all signals used in RS-232 over an 8 pin modular jack (RJ-45) as defined in TIA/EIA-
561. For DTE serial port only three drivers are required. Driver_1 is not used in this configuration and its driver
input should be tied to high or low.
SP336E may also be used to implement a standard serial port over a DB-9 connector (TIA/EIA-574 or the
standard IBM serial port). In that case either DSR or RI signal can be supported. Both DSR and RI are used
mainly for dial-up connections and are typically not needed on dedicated lines. If both signals are required, add
a discrete transceiver such as SP3220E.
An alternative implementation would be to use the SP336E to emulate the functionality of two dual-channel
RS-232 transceivers (2 x SP232’s or equivalent).
Loop-Back
Changing from RS-232 mode (MODE 001) to loop-back mode (MODE 000) duplicates the function of an
external loop-back plug. Loop-back can be used to test serial port functionality or to diagnose faults.
FIGURE 24. RS-232E SERIAL PORT (EIA-561 / EIA-574)
/'\
MAXLINEAR
V
REV. 1.1.0
DSR or CTS
GND be RS—232
>0 RxD
— Y
RS-485
w:_ z 3
o@ RTS(Tx_EN)
RS-232
ofl TxD
— A
3 R's-435
E_ B 3
SP336E
24
3.3V / 5V PROGRAMMABLE RS-232/RS-485/RS-422 SERIAL TRANSCEIVER REV. 1.1.0
RS-232 to RS-485 Translator
SP336E can be used to implement a single-chip RS-232 to RS-485 translator function. Both full-duplex (4-wire
RS-485) and half-duplex (2-wire RS-485) configurations are shown. RS-485 is capable of communicating on
data cables up to 4000 feet (1200 meter) which makes it an ideal interface for extending the reach of short-
range serial ports like RS-232. The configurations shown can be used to connect directly to existing PC type
RS-232 serial ports to enable extended-reach communication.
The RTS signal (circuit CA or 105) is used as a transmit direction control signal for half-duplex. The ON
condition puts the repeater into transmit mode and inhibits receive. On a half-duplex channel RxD should be
held in MARK state (binary 1) when receiver 3 is inactive. Driver 1 on the SP336E can be used to generate
DSR or CTS signal to indicate to the host terminal that the translator is powered-on and ready.
Shutdown Modes
SP336E features two shutdown modes. In mode 111 (full shutdown) all drivers and receivers are at high
impedance. In mode 110, all drivers are tri-state but all four receivers remain active. In modes 101 and 100 two
differential receivers can be kept active while the differential drivers are tri-stated using the Tx_EN inputs.
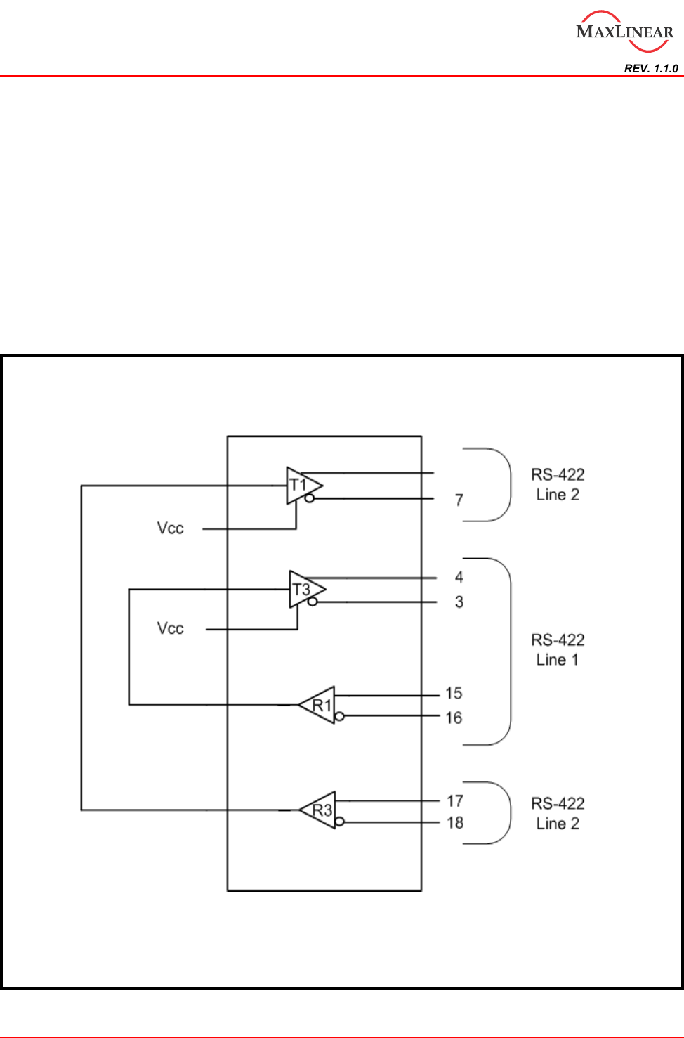
FIGURE 25. RS-232 / RS-485 TRANSLATOR FULL-DUPLEX CABLE-EXTENDER (MODE 011)
/\
MAXLINEAR
\_/
REV. 1.1.0
GND
DSR or CTS
RXD RS-232
RTS (TxiEN)
TxD
TxD / RXD+
TxD I RxD-
RS-485
DTR
FIGURE 26. RS-232 / RS-485 TRANSLATOR HALF-DUPLEX CABLE-EXTENDER (MODE 010)
SP336E
25
REV. 1.1.0 3.3V / 5V PROGRAMMABLE RS-232/RS-485/RS-422 SERIAL TRANSCEIVER
/'\
MAXLINEAR
V
REV. 1.1.0
fl
— RS422
T1 .
_ 7 Lune 2
_/
Vcc
— 4
— 3
VCC RS-422
Line 1
— 15
1
«\L:_ 16
@1:— ‘7 “8-422
— 18 Line 2
SP336E
26
3.3V / 5V PROGRAMMABLE RS-232/RS-485/RS-422 SERIAL TRANSCEIVER REV. 1.1.0
Bus Repeater
Mode 101 can be used as a bus-repeater to extend the reach of an RS-422 bus. This configuration is best
suited for point-to-point or multi-drop communications because the drivers are always active and echoing data
from their corresponding receiver.
For applications where multiple nodes are allowed to transmit, some type of bus arbitration should be used.
One technique would be to use SP336E in conjunction with external decoder logic, packet buffers and node
address fields embedded in the data stream. Receiving the correct node address triggers Tx_EN to pass data
onward.
Mode 100 could implement a repeater / gateway to partition or extend RS-485 networks. Direction Control
determines when data is forwarded to or from segments A and B.
FIGURE 27. RS-422 BUS-REPEATER (MODE 101)
/\
MAXLINEAR
\_/
REV. 1.1.0
RS485
Line 1
Direction
T?
\Qlc
E
%
OQ}
(Remote)
IRS-485
Line 2
R4 as
inverter
T3
FIGURE 28. RS-485 BUS-REPEATER (MODE 100)
SP336E
27
REV. 1.1.0 3.3V / 5V PROGRAMMABLE RS-232/RS-485/RS-422 SERIAL TRANSCEIVER
A
MAXLINEAR
\_/
REV. 1.1.0
m
WmagaHHHHHHHHHHH
(025:: x nwsxn
‘ m “Egg:
LNHHHHHWHWHWWWWQ%\
’ ‘7‘ “J "SM,"
mm: "um: w w v»
[1: am a mum
swam m mun w,
um mu m w m m
A 255 7 2,55 am 7 mm
m om 7 0.30 mm 7 am
A2 ms 7 155 mm 7 man
a an 7 am cm; 7 am
s 020 7 nu ma 7 am:
: mm as: was ass
a 75m ass mus ass
g m use um ass
I n15 | 7 \ 0.75 mm \ , ‘0.an
a ml 7 M27 Dms‘ 7 \assn
[I ma REF was as;
.2 0:5 ass mm ass
x um — — nuns — —
m w 7 7 am 7 7
a w 7 a- a 7 a-
m s 7 ‘5' 3 7 ‘5'
02 w 7 7 a 7 7
s was ass m5
N 25
FIGURE 29. 28 PIN SOICW PACKAGE OUTLINE DRAWING
Drawing No: POD-00000106
Revision: B
Side View
Top View
Front View
SP336E
28
3.3V / 5V PROGRAMMABLE RS-232/RS-485/RS-422 SERIAL TRANSCEIVER REV. 1.1.0
/\
MAXLINEAR
\_/
REV. 1.1.0
0M M‘N NOM MAX ”2
swam ,7
A 7 7 120
M nos 7 m5 N
- .1 4
A] m we ms ,WGEME .1
u mam L24? 7*
L2 0.25 Bsc 459nm; mg
7 0.55555 m L
c 0709‘ , \DJO \
a smasc U
a 450 440 450
L 0.45 use 075
R 009 7 7
n 9.50 m m
m u 4 a
“2 am
N 28
7 ALL DIMENSIEINS ARE IN MILLIMETERS. ANGLE: ARE [N DEGREES
7 DIMENXIEINX AND TEILERANCE FER JEDEE MEI’ISE‘
newsmn, A
SP336E
29
REV. 1.1.0 3.3V / 5V PROGRAMMABLE RS-232/RS-485/RS-422 SERIAL TRANSCEIVER
FIGURE 30. 28 PIN TSSOP MECHANICAL DIMENSIONS
Revision: A
Drawing No.: POD-000000
TOP VIEW
TERMINAL DETAILS
SIDE VIEW 2
SIDE VIEW 1
DETAIL A
©
©
©
©
134
8.4
—T
mmmiumm
+
yifi
EWH}
+
mmfiggggflflflflji
*HUWQQUQQUUUU;
SP336E
30
3.3V / 5V PROGRAMMABLE RS-232/RS-485/RS-422 SERIAL TRANSCEIVER REV. 1.1.0
FIGURE 31. 28 PIN TSSOP RECOMMENDED LAND PATTERN AND STENCIL
Revision: A
Drawing No.: POD-000000
TYPICAL RECOMMENDED STENCIL
TYPICAL RECOMMENDED LAND PATTERN
134
/'\
MAXLINEAR
V
REV. 1.1.0
/\
MAXLINEAR
V
senanecnsuggom exar com
www maxhneav cam Www exar cum
31
The content of this document is furnished for informational use only, is subject to change without notice, and should not be construed as a commitment by MaxLinear, Inc.. MaxLinear,
Inc. assumes no responsibility or liability for any errors or inaccuracies that may appear in the informational content contained ion this guide. Complying with all applicable copyright laws
is the responsibility of the user.. Without limiting the rights under copyright, no part of this document may be reproduced into, stored in, or introduced into a retrieval system, or
transmitted in any form or by any means (electronic, mechanical, photocopying, recording, or otherwise), or for any purpose, without the express written permission of MaxLinear, Inc.
MaxLinear, Inc. does not recommend the use of any of its products in life support applications where the failure or malfunction of the product can reasonably be expected to cause failure
of the life support system or to significantly affect its safety or effectiveness. Products are not authorized for use in such applications unless MaxLinear, Inc. receives, in writing,
assurances to its satisfaction that: (a) the risk of injury or damage has been minimized; (b) the user assumes all such risks; (c) potential liability of MaxLinear, Inc. is adequately
protected under the circumstances.
MaxLinear, Inc. may have patents, patent applications, trademarks, copyrights, or other intellectual property rights covering subject matter in this document. Except as expressly
provided in any written license agreement from MaxLinear, Inc., the furnishing of this document does not give you any license to these patents, trademarks, coprights, or other
intellectual property.
Company and product names may be registered trademarks or trademarks of the respective owners with which they are associated.
© 2012 - 2018 MaxLinear, Inc. All rights reserved.
SP336E
3.3V / 5V PROGRAMMABLE RS-232/RS-485/RS-422 SERIAL TRANSCEIVER REV. 1.1.0
Corporate Headquarters:
5966 La Place Court
Suite 100
Carlsbad, CA 92008
Tel.:+1 (760) 692-0711
Fax: +1 (760) 444-8598
www.maxlinear.com
High Performance Analog:
1060 Rincon Circle
San Jose, CA 95131
Tel.: +1 (669) 265-6100
Fax: +1 (669) 265-6101
Email: serialtechsupport@exar.com
www.exar.com
REVISION HISTORY
DATE REVISION DESCRIPTION
March 2010 1.0.0 Production Release.
January 2011 1.0.1 RS-485/RS4-222 (Slew = GND, 250kbps, One Transmitter Switching) Driver Enable /
Disable time maximum limit was changed from 900ns to 1500ns to better match the
performance of the product. Add inverting symbol to all half-duplex receiver block dia-
gram enable inputs. Update pin description table.
March 2018 1.1.0 Clarified test conditions for Driver Output Leakage Current on page 13. Updated to
MaxLinear Logo. Update format and Ordering Information. Moved ESD ratings to
Absolute Maximum Ratings section. VO max (RS-232, no load) changed to ±6.6V.
Products related to this Datasheet
IC TRANSCEIVER FULL 4/4 28TSSOP
IC TRANSCEIVER FULL 4/4 28SOIC
IC TRANSCEIVER FULL 4/4 28SOIC
EVAL BOARD FOR SP336EEY
IC TRANSCEIVER FULL 4/4 28TSSOP
IC TRANSCEIVER FULL 4/4 28SOIC
IC TRANSCEIVER FULL 4/4 28TSSOP
IC TRANSCEIVER FULL 4/4 28SOIC
IC TRANSCEIVER FULL 4/4 28TSSOP