1/13
L292
July 2003
■DRIVING CAPABILITY : 2 A, 36 V, 30 KHz
■2 LOGIC CHIP ENABLE
■EXTERNAL LOOP GAIN ADJUSTEMENT
■SINGLE POWER SUPPLY (18 TO 36 V)
■INPUT SIGNAL SYMMETRIC TO GROUND
■THERMAL PROTECTION
DESCRIPTION
The L292 is a monolithic LSI circuit in 15-lead Mul-
tiwatt
®
package. It is intended for use, together
with L290 and L291, as a complete 3-chip motor
positioning system for applications such as car-
riage/daisy-wheel position control in type-writes.
The L290/1/2 system can be directly controlled by
a microprocessor.
MULTIWATT15 V
ORDERING NUMBER: L292
SWITCH-MODE DRIVER FOR DC MOTORS
BLOCK DIAGRAM
Obsolete Product(s) - Obsolete Product(s)
«um
#51
INHIBIYICEY)
Imam?»
oscu. (RI
oscu‘ (C)
ourwnenn AMPLJ
mu
INPUNERRAMPL.)
INPUT
cuwul CSAA
comp Input
"’3
R51
Mama
63
u
1 Hum
m: con-wean tome
Obsolete Product(s) - Obsolete Product(s)
L292
2/13
PIN CONNECTION (Top view)
ABSOLUTE MAXIMUM RATINGS
THERMAL DATA
TRUTH TABLE
Symbol Parameter Value Unit
V
s
Power Supply 36 V
V
i
Input Voltage - 15 to + Vs V
V
inhibit
Inhibit Voltage 0 to Vs V
I
o
Output Current 2.5 A
P
tot
Total Power Dissipation (T
case
= 75 °C) 25 W
T
stg
Storage and Junction Temperature - 40 to + 150 °C
Symbol Parameter Value Unit
R
th-j-case
Thermal resistance junction-case Max 3 °C/W
Vinhibit
Pin 12 Pin 13 Output Stage Condition
L L Disabled
L H Normal Operation
H L Disabled
H H Disabled
ulcnonofiessm
Obsolete Product(s) - Obsolete Product(s)
3/13
L292
ELECTRICAL CHARACTERISTCS
SYSTEM DESCRIPTION
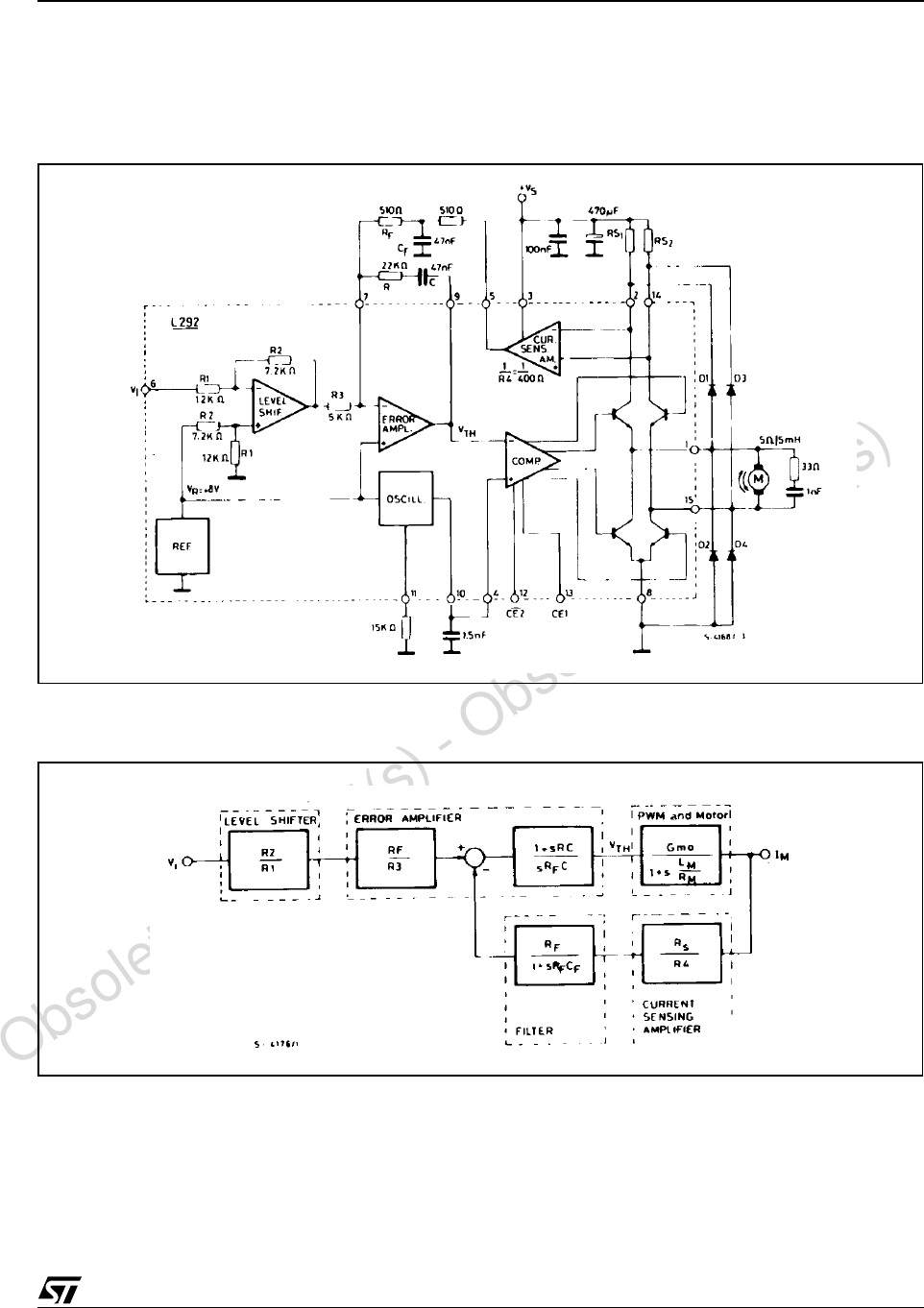
The L290, L291 and L292 are intended to be used as a 3-chip microprocessor controlled positioning sys-
tem. The device may be used separately - particularly the L292 motor driver - but since they will usually
be used together, a description of a typical L290/1/2 system follows.
At the time, the microprocessor orders a switch to the position mode, (strobe signal at pin 8 of L291) and
within 3 to 4 ms the L292 drives the motor to a null position, where it is held by electronic "de-tenting".
The mechanical/electrical interface consists of an
Figure 1. System Block Diagram
Symbol Parameter Test Condition Min. Typ. Max. Unit
V
S
Supply Voltage 18 36 V
I
d
Quiescent Drain Current V
S
= 20V (offset null) 30 50 mA
V
os
Input Offset Voltage (pin 6) I
o
= 0 +350 mV
V
inh
Inhibit Low Level (pin 12, 13) 2 V
Inhibit High Level 3.2 V
I
inh
Low Voltage Condition V
inh
(L) = 0.4V -100 µA
High Voltage Condition V
inh
(H) = 3.2V 10 µA
I
i
Input Current (pin 6) V
I
= -8.8V -1.8 mA
V
I
= +8.8V 0.5 mA
V
i
Input Voltage (pin 6) R
s1
= R
s2
= 0.2Ω
I
o
= 2A
I
o
= -2A
9.1
-9.1 V
V
I
o
Output Current VI = ±9.8V
s1
= R
s2
= 0.2Ω±2 A
V
D
Total Drop Out Voltage Including sensor resistor
I
o
= 2A
I
o
= 1A
5
3.5 V
V
VRS Sensing Resistor Voltage Drop Tj = 150°C I
o
= 2A 0.44 V
Transconductance R
s1
= R
s2
= 0.2Ω205 220 235 mA/V
R
s1
= R
s2
= 0.42Ω120 mA/V
fosc Frequency range (pin 10) 1 30 kHz
Io
Vi
-----
fl
\FTA‘
1
_‘
DJ
1
_‘
UJ
Obsolete Product(s) - Obsolete Product(s)
L292
4/13
The system operates in two modes to achieve high speed, high-accurancy positioning.
Speed commands for the system originate in the microprocessor. It is continuosly updated on the motor
position by means of pulses from the L290 tachometer chip, whitch in tur gets its information from the op-
tical encoder. From this basic input, the microprocessor computes a 5-bit control word that sets the system
speed dependent on the distance to travel.
When the motor is stopped and the microprocessor orders it to a new positio, the system operates initially
in an open-loop configuration as there is no feedback from the tachometer generator. A maximum speed
is reached, the tachometer chip output backs off the processor signal thus reducing accel-ering torque.
The motor continues to run at rop speed but under closed-loop control.
As the target position is approached, the microprocessor lowers the value of the speed-demand word; this
reduces the voltage at the main summing point, in effect braking the motor. The braking is applied pro-
gressively until the motor is running at minimum speed.
optical encoder which generates two sinusoidal signals 90° out of phase (leading according to the motor
direction) and proportional in frequency to the speed of rotation. The optical encoder also provides an out-
put at one position on the disk which is used to set the initial position.
The opto encoder signals, FTA and FTB are filtered by the networks R2C2 and R3 C3 (referring to Fig.4)
and are supplied to the FTA/FTB inputs on the L290. The main function on the L290 is to implement the
following expression:
Output signal (TACHO) =
Output signal (TACHO) = dVAB · FTA - dVAA · FTBdt | FTA | dt | FTB | Thus the mean value of TACHO
is proportional to the rotation speed and its polarity indicates the direction of rotation.
The above function is performed by amplifying the input signals in A
1
and A
2
to obtain V
AA
and V
AB
(typ.7
V
p
). From V
AA
and V
AB
the external differen-tiatior RC networks R
5
C
6
and R
4
C
4
give the signals V
MA
and
V
MB
which are fed to the multipliers.
The second input to each multipler consists of the sign of the first input of the other multiplier before dif-
ferentiation, these are obtained using the comparators C
s1
and C
s2
. The multiplier outputs, C
SA
and C
SB
,
are summed by A3 to give the final output signal TACHO. The peak-topeak ripple signal of the TACHO
can be found from the following expression:
V
ripple p - p
= · V
thaco DC
The max value of TACHO is:
V
tacho max
= · V
thaco DC
Using the coparators C1 and C2 another two signals from V
AA
and V
AB
are derived - the logic signals STA
and STB.
This signals are used by the microprocessor to determine the position by counting the pulses. The L2910
internal reference voltage is also derived from VAA and VAB:
Vref= | V
AA
| + | V
AB
|
This reference is used by the D/A converter in the L291 to compensate for variations in input levels, tem-
perature changes and ageing.
The "one pulse per rotation" opto encoder output is connected to pin 12 of the L290 (FTF) where it is
squared to give the STF logic output for the microprocessor.
The TACHO signal and Vref are sent to the L291 via filter networks R
8
C
8
R
9
and R
6
C
7
R
7
respectively.
dVAB
dt
-------------- FTA
FTA
--------------- dVAA
dt
-------------- FTB
FTB
---------------
⋅–⋅
π
4
--- 21–()
π
4
--- 2

Obsolete Product(s) - Obsolete Product(s)
5/13
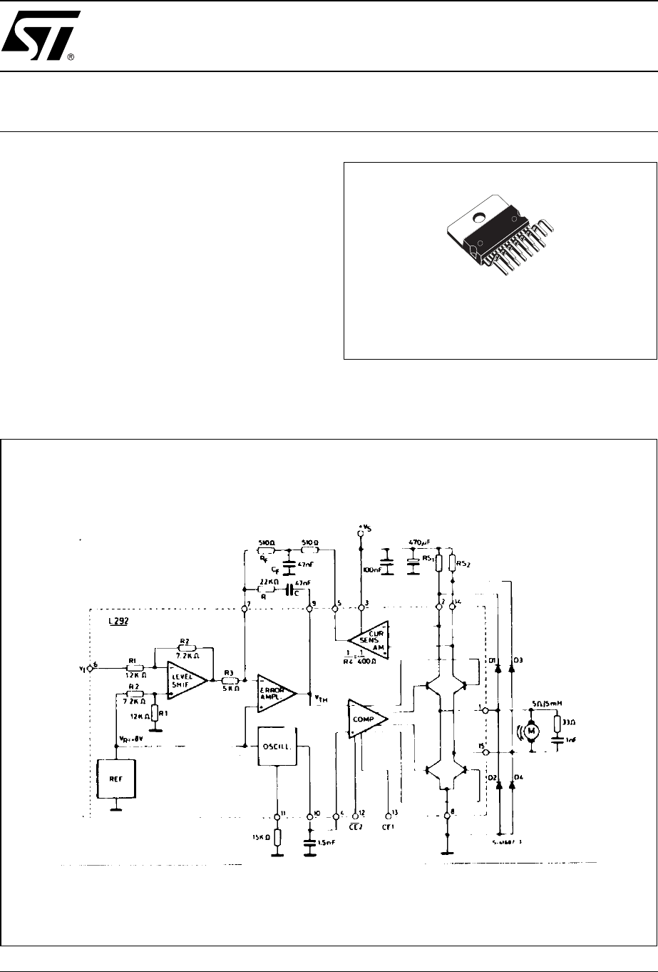
L292
Pin 12 of this chip is the main summing point of the system where TACHO and the D/A converter output
are compared.
The input to D/A converter consists of 5 bit word plus a sign bit supplied by the microprocessor. The sign
bit represets the direction of motor rotation. The (analogue) output of the D/A conveter -DAC/OUT - is com-
pared with the TACHO signal and the risulting error signal is amplified by the error amplifier, and subse-
quently appears on pin 1. The ERRV sognal (from pin 1 , L291) is fed to pin 6 of the final chip, the L292
H-bridge motor-driver. This input signals is bidirectional so it must be converted to a positive signal ba-
cause the L292 uses a single supply voltage. This is accomplished by the first stage - the level shifter,
which uses an internally generated 8 V reference.
This same reference voltage supplies the triangle wave oscillator whose frequency is fixed by the external
RC network (R20, C17 - pins 11 and 10) where:
(with R
≥
8.2k
Ω)
The oscillator determines the switching frequency of the output stage and should be in the range 1 to 30
KHz.
Motor current is regulated by an internal loop in the L292 which is performed by the resistors R18, R19
and the differential current sense amplifier, the output of which is filtered by an external RC network and
fed back to the error amplifier.
The choise of the external components in these RC network (pins 5, 7, 9) is determined by the motor type
and the bandwidth requirements. The values shown in the diagram are for a 5Ω, 5 MH motor. (See L292
Transfer Function Calculation in Application Information).
The error signal obtained by the addition of the input and the current feedback signals (pin 7) is used to
pulse width modulate the oscillator signal by means of the comparator. The pulse width modulated signal
controls the duty cycle of the Hbridge to give an output current corresponding to the L292 input signal.
The interval between one side of the bridge switching off and the other switching on, t, is programmed by
C17 in conjuction with an internal resistor Rt. This can be foud from:
τ
= R
τ
· C
pin10
. (C
17
in the diagram)
Since Rτ is approximately 1.5 KΩ and the recommended t to avoid simultaneous conduction is 2.5µs C
pin
10
should be around 1.5 nF.
The current sense resistors R18 and R19 should be high precision types (maximum tolerance ± 2 %) and
the recommended value is given by:
R
max
· I
o max
≤
0.44V
It is possible to synchronize two L292 ’s, if desired, using the network shown in fig. 2.
Finally, two enable inputs are provited on the L292 (pins 12 and 13-active low and high respectively). Thus
the output stage may be inhibited by taking pin 12 high or by taking pin 13 low. The output will also be
inhibited if the supply voltage falls below 18V.
The enable inputs were implemented in this way because they are intended to be driven directly by a mi-
croprocessor. Currently available microprocessors may generates spikes as high as 1.5V during power-
up. These inputs may be used for a variety of applications such as motor inhibit during reset of the logical
system and power-on reset (see fig. 3).
1fosc 1
2RC
------------=
5-“an
mu mew
:-
.w
21“.."
um
Lm
,V‘ m 4,
121', ..
.1 0:
um\
. «- --.
VFSL2V@I-2A
mszuons
Dnom.<>Obsolete Product(s) - Obsolete Product(s)
L292
6/13
Figure 2.
Figure 3.
Figure 4. Application Circuit.
5mm
«é it“,
J
1mm 5mm,
tuba mar-(u
m
V l l)
s m."
I WM an; Hamil
In
Obsolete Product(s) - Obsolete Product(s)
7/13
L292
APPLICATION INFORMATION
This section has been added in order to help the designer for the best choise of the values of external
components.
Figure 5. L292 Block Diagram.
The schematic diagram used for the Laplace analysis of the system is shown in fig. 6.
Figure 6.
R
S1
= R
S2
= R
S
(sensing resistors)
= 2.5 · 10-3 W (current sensing amplifier transconductance)
L
M
= Motor inductance, R
M
= Motor resistance, I
M
= Motor current
1
R4
-------
3‘1?”
N O
T.
Obsolete Product(s) - Obsolete Product(s)
L292
8/13
(DC transfer function from the input of the comparator (V
TH
) to the motor current (I
M
)).
Neglecting the VCEsat of the bridge transistors and the VBE of the diodes:
where : V
S
= supply voltage V
R
= 8 V (reference voltage) (1)
DC TRANSFER FUNCTION
In order to be sure that the current loop is stable the following condition is imposed :
1 + sRC = 1 + s (pole cancellation) (2)
from which RC = LM (Note that in practice R must greater than 5.6 KΩ)
The transfer function is then,
(3)
In DC condition, this is reduced to
(4)
OPEN-LOOP GAIN AND STABILITY CRITERION For RC = LM / RM, the open loop gain is:
(5)
In order to achieve good stability, the phase margin must be greater than 45° when | Aβ | = 1.
That means that, at f
F
= must be | Aβ | < 1 (see fig. 7), that is :
Gmo IM
VTH
-----------
s0=
=
G
mo 1
RM
-------- 2Vs
VR
----------
=
LM
RM
--------
LM
RM
--------
IM
VI
----- s() R
2
R
4
R
1
R
3
--------------- Gmo 1sR
F
C
F
+
G
moRssR4Cs
2
R
F
C
F
R
4
C++
----------------------------------------------------------------------------------
=
IM
VI
----- s() R
2
R
4
R
1
R
3
--------------- 1
Rs
-------
⋅0.44
Rs
----------- A
V
----
==
Aβ
1
sRFC
--------------- Gmo
Rs
R4
------- RF
1sR
F
C
F
+
----------------------------
⋅GmoRs
R4C
------------------- 1
s1 sR
F
C
F
+()
-------------------------------------
==
1
2πR
F
C
F
-----------------------
Aβf1
2πRFCF
----------------------- GmoRs
R4C
------------------- RFCF
2
--------------- 1<==
Ila!
OdB
phasr margin '.— ol
“5' p e
S LI77I!
w
Obsolete Product(s) - Obsolete Product(s)
9/13
L292
Figure 7. Open Loop Frequency Response
CLOSED-LOOP SYSTEM STEP RESPONSE
a) Small - signals analysis.
The transfer function (3) can be written as follows:
(7)
where wo = is the cutoff frequency
is the dumping factor
By choosing the ξ value, it is possible to determine the system response to an input step signal.
Examples :
1) ξ = 1 from which t
(where V
i
is the amplitude of the input step).
2) ξ = from which
IM
VI
----- s() 0.044
Rs
---------------
1s
2ξωo
--------------+
12ξss
2
+
ω
o
ω
o
2
----------------------+
--------------------------------
=
GmoRs
R4CRFCF
----------------------------
ξR4C
4RFCFGmoRs
---------------------------------------=
IMt() 0.044
RS
--------------- 1e
t
2RFCF
-------------------–
1t
4RFCF
-------------------+–V
i
⋅=
1
2
-------
IMt() 0.044
Rs
--------------- 1t
2RFCF
------------------- e
t
2RFCF
-------------------–
cos–V
i
=
,~ {,143.
7.».
A .X#
>, ‘yTr a
Ilt+T.
~; A‘1 u
4:. .
‘.-+.lfis
as
o:
o
21+mRFCF
Obsolete Product(s) - Obsolete Product(s)
L292
10/13
Figure 8. Small Signal Step Response (normalized amplitude vs. t / R
F
C
F
).
V
7
= 200 mV/div.
I
M
= 100 mA/div.
t = 100 µs/div. with V
I
= 1.5 Vp.
It is possible to verify that the L292 works in "closed-loop" conditions during the entire motor current rise-
time: the voltage at pin 7 inverting input of the error amplifier) is locked to the reference voltage VR,
present at the non-inverting input of the same amplifier.
The previous linear analysis is correct for this example.
Descresing the ξ value, the rise-time of the current decreases. But for a good stability, from relationship
(6), the maximum value of ξ is: (phase margin = 45°)
b) Large signal reponse
The large step signal response is limited by slew-rate and inductive load.
In this case, during the rise-time of the motor current, The L292 works is open-loop condition.
CLOSED LOOP SYSTEM BANDWIDTH.
A good choice for x is the value 1 / Ö2. In this case :
(8)
The module of the transfer function is :
(9)
The cutoff frequency is derived by the expression (9) by putting = 0.707 · (-3 dB), from which:
ξmin 1
242
--------------=
IM
VI
----- s() 0.044
Rs
--------------- 1sR
F
C
F
+
12sR
F
C
F2s2RF2CF2
++
----------------------------------------------------------------------
=
IM
VI
----- 0.044
Rs
--------------- 21 ω
2
R
F
2
C
F
2
+
12ωR
F
C
F
+()
2
1+[]12–ωR
F
C
F
()
2
1+[]⋅
----------------------------------------------------------------------------------------------------------------------
=
IM
VI
----- 0.044
Rs
---------------
ωT0.9
RFCF
--------------- fT0.9
2πRFCF
-----------------------==

Obsolete Product(s) - Obsolete Product(s)
11/13
L292
Example :
a) Data
– Motors characteristics:
LM = 5 mH
RM = 5 W
LM / RM = 1msec
– Voltage and current characteristics:
V
s
= 20 V I
M
= 2 A V
I
= 9.1 V
– Closed loop bandwidth : 3 kHz
b) Calculation
From relationship (4) :
and from (1) :
RC = 1 msec [from expression (2) ]
Assuming ξ = 1/ ; from (7) follows :
The cutoff frequency is :
c) Summarising
RS0.044
IM
--------------- VI0.2Ω==
G
mo
2VS
RMVR
---------------- 1Ω1–
==
2
ξ
2
1
2
--- 400C
4RFCF0.2⋅
--------------------------------==
f
T143 10 3–
⋅
RFCF
-------------------------- 3kHz==
R–C = 1.10 3–sec
1000C
RFCF
------------------ = 1–
RFCF47µs≅–
C = 47nF
R = 22 KΩ
For RF = 510ΩCF = 92nF→
Obsolete Product(s) - Obsolete Product(s)
L292
12/13
Multiwatt15 V
DIM. mm inch
MIN. TYP. MAX. MIN. TYP. MAX.
A 5 0.197
B 2.65 0.104
C 1.6 0.063
D 1 0.039
E 0.49 0.55 0.019 0.022
F 0.66 0.75 0.026 0.030
G 1.02 1.27 1.52 0.040 0.050 0.060
G1 17.53 17.78 18.03 0.690 0.700 0.710
H1 19.6 0.772
H2 20.2 0.795
L 21.9 22.2 22.5 0.862 0.874 0.886
L1 21.7 22.1 22.5 0.854 0.870 0.886
L2 17.65 18.1 0.695 0.713
L3 17.25 17.5 17.75 0.679 0.689 0.699
L4 10.3 10.7 10.9 0.406 0.421 0.429
L7 2.65 2.9 0.104 0.114
M 4.25 4.55 4.85 0.167 0.179 0.191
M1 4.63 5.08 5.53 0.182 0.200 0.218
S 1.9 2.6 0.075 0.102
S1 1.9 2.6 0.075 0.102
Dia1 3.65 3.85 0.144 0.152
OUTLINE AND
MECHANICAL DATA

Obsolete Product(s) - Obsolete Product(s)
Information furnished is believed to be accurate and reliable. However, STMicroelectronics assumes no responsibility for the consequences
of use of such information nor for any infringement of patents or other rights of third parties which may result from its use. No license is granted
by implication or otherwise under any patent or patent rights of STMicroelectronics. Specifications mentioned in this publication are subject
to change without notice. This publication supersedes and replaces all information previously supplied. STMicroelectronics products are not
authorized for use as critical components in life support devices or systems without express written approval of STMicroelectronics.
STMicroelectronics acknowledges the trademarks of all companies referred to in this document.
The ST logo is a registered trademark of STMicroelectronics
© 2003 STMicroelectronics - All Rights Reserved
STMicroelectronics GROUP OF COMPANIES
Australia - Brazil - Canada - China - Finland - France - Germany - Hong Kong - India - Israel - Italy - Japan -Malaysia - Malta - Morocco -
Singapore - Spain - Sweden - Switzerland - United Kingdom - United States.
http://www.st.com
13/13
L292
Products related to this Datasheet
IC MTR DRVR 18V-36V 15MULTIWATT