‘3‘
MICROCHIP MCP2150
4.: <7 ‘7:="" 4.="" 4—:="" ‘7="" a»:="" 4.="" 4»:="">7><7 4.:="" .7="">7> 2001-2012 Microchip Technology Inc. Preliminary DS21655C-page 1
MCP2150
Features
• Implements the IrDA® standard including:
-IrLAP
-IrLMP
-IAS
-TinyTP
- IrCOMM (9-wire “cooked” service class)
• Provides IrDA standard physical signal layer
support including:
- Bidirectional communication
- CRC implementation
- Data communication rates up to 115.2 kbaud
• Includes UART to IrDA standard encoder/decoder
functionality:
- Easily interfaces with industry standard
UARTs and infrared transceivers
• UART interface for connecting to Data Terminal
Equipment (DTE) systems
• Transmit/Receive formats (bit width) supported:
-1.63µs
• Hardware baud rate selection for UART:
- 9.6 kbaud
- 19.2 kbaud
- 57.6 kbaud
- 115.2 kbaud
• Infrared baud rates supported:
- 9.6 kbaud
- 19.2 kbaud
- 38.4 kbaud
- 57.6 kbaud
- 115.2 kbaud
• 64 Byte Data Packet Size
• Programmable Device ID String
• Operates as Secondary Device
CMOS Technology
• Low power, high-speed CMOS technology
• Fully static design
• Low voltage operation
• Industrial temperature range
• Low power consumption
- < 1 mA @ 3.3 V, 11.0592 MHz (typical)
-3µA typical @ 5.0 V when disabled
Package Types
Block Diagram
2
3
4
5
6
7
8
9
10
1
2
3
4
5
6
7
8
9
1
19
18
16
15
14
13
12
11
17
18
17
15
14
13
12
11
10
16
20
OSC2
OSC1/CLKI
VSS
VSS
VDD
VDD
BAUD1
CD
CTS
RTS
TX
RX
RI DSR
DTR
TXIR
RXIR
RESET
EN
BAUD0
VSS
TX
RX
RI
TXIR
RXIR
RESET
EN
BAUD0
OSC2
OSC1/CLKI
VDD
BAUD1
CD
CTS
RTS
DSR
DTR
MCP2150 MCP2150
PDIP, SOIC
SSOP
Encode and
Protocol Handler
TX TXIR
RX RXIR
EN
MCP2150
Logic
Baud Rate
RTS
Generator
BAUD1
BAUD0
CD
UART
Control
CTS
DSR
DTR
RI
OSC1
OSC2
Protocol Handler
and Decode
IrDA® Standard Protocol Stack Controller
Supporting DTE Applications
21655C.book Page 1 Thursday, January 10, 2013 12:57 PM

MCP2150
DS21655C-page 2 Preliminary 2001-2012 Microchip Technology Inc.
NOTES:
21655C.book Page 2 Thursday, January 10, 2013 12:57 PM

2001-2012 Microchip Technology Inc. Preliminary DS21655C-page 3
MCP2150
1.0 DEVICE OVERVIEW
This document contains device specific information for
the following device:
• MCP2150
The MCP2150 is a cost effective, low pin count (18-pin),
easy to use device for implementing IrDA standard wire-
less connectivity. The MCP2150 provides support for
the IrDA standard protocol “stack” plus bit encoding/
decoding.
The serial interface baud rates are user selectable to
one of four IrDA standard baud rates between 9600
baud and 115.2 kbaud (9600, 19200, 57600, 115200).
The IR baud rates are user selectable to one of five
IrDA standard baud rates between 9600 baud and
115.2 kbaud (9600, 19200, 37400, 57600, 115200).
The serial interface baud rate will be specified by the
BAUD1:BAUD0 pins, while the IR baud rate is specified
by the Primary Device (during Discover phase). This
means that the baud rates do not need to be the same.
The MCP2150 operates in Data Terminal Equipment
(DTE) applications and sits between a UART and an
infrared optical transceiver.
The MCP2150 encodes an asynchronous serial data
stream, converting each data bit to the corresponding
infrared (IR) formatted pulse. IR pulses received are
decoded and then handled by the protocol handler
state machine. The protocol handler sends the appro-
priate data bytes to the Host Controller in UART
formatted serial data.
The MCP2150 supports “point-to-point” applications.
That is, one Primary device and one Secondary device.
The MCP2150 operates as a Secondary device. It does
not support “multi-point” applications.
Sending data using IR light requires some hardware
and the use of specialized communication protocols.
These protocol and hardware requirements are
described, in detail, by the IrDA standard specifica-
tions. The encoding/decoding functionality of the
MCP2150 is designed to be compatible with the physi-
cal layer component of the IrDA standard. This part of
the standard is often referred to as “IrPHY”.
The complete IrDA standard specifications are avail-
able for download from the IrDA website
(www.IrDA.org).
21655C.book Page 3 Thursday, January 10, 2013 12:57 PM
MCP2150
DS21655C-page 4 Preliminary 2001-2012 Microchip Technology Inc.
1.1 Applications
The MCP2150 Infrared Communications Controller
supporting the IrDA standard provides embedded sys-
tem designers the easiest way to implement IrDA stan-
dard wireless connectivity. Figure 1-1 shows a typical
application block diagram. Table 1-2 shows the pin
definitions.
TABLE 1-1: OVERVIEW OF FEATURES
Infrared communication is a wireless two-way data
connection, using infrared light generated by low-cost
transceiver signaling technology. This provides reliable
communication between two devices.
Infrared technology offers:
• Universal standard for connecting portable
computing devices
• Easy, effortless implementation
• Economical alternative to other connectivity
solutions
• Reliable, high-speed connection
• Safe to use in any environment (can even be
used during air travel)
• Eliminates the hassle of cables
• Allows PCs and other electronic devices (such as
PDAs, cell phones, etc.) to communicate with
each other
• Enhances mobility by allowing users to easily
connect
The MCP2150 allows the easy addition of IrDA stan-
dard wireless connectivity to any embedded applica-
tion that uses serial data. Figure 1-1 shows typical
implementation of the MCP2150 in an embedded
system.
The IrDA protocols for printer support are not included
in the IrCOMM 9-wire “cooked” service class.
FIGURE 1-1: SYSTEM BLOCK DIAGRAM
Features MCP2150
Serial Communications UART, IR
Baud Rate Selection Hardware
Low Power Mode Yes
Resets (and Delays) RESET, POR
(PWRT and OST)
Packages 18-pin DIP, SOIC,
20-pin SSOP
Encode
Decode
TX TXIR
RX RXIR
EN
MCP2150
Host Controller
TX
RX
Optical
UART
TXD
RXD
Power Down
Logic
Baud Rate
Generator
BAUD1
BAUD0
RTS
CD
UART
Control
CTS
DSR
DTR
RI
Transceiver
(Microcontroller)
21655C.book Page 4 Thursday, January 10, 2013 12:57 PM

2001-2012 Microchip Technology Inc. Preliminary DS21655C-page 5
MCP2150
TABLE 1-2: PIN DESCRIPTIONS
Pin Name Pin Number Pin
Type Buffer
Type Description
PDIP SOIC SSOP
BAUD0 1 1 1 I ST BAUD1:BAUD0 specify the baud rate of the device.
TXIR 2 2 2 O — Asynchronous transmit to Infrared transceiver.
RXIR 3 3 3 I ST Asynchronous receive from Infrared transceiver.
RESET 4 4 4 I ST Resets the device.
VSS 5 5 5, 6 — P Ground reference for logic and I/O pins.
EN 6 6 7 I TTL Device enable.
1 = Device is enabled.
0 = Device is disabled (low power). MCP2150 only monitors
this pin when in the NDM state.
TX 7 7 8 I TTL Asynchronous receive; from Host Controller UART.
RX 8 8 9 O — Asynchronous transmit; to Host Controller UART.
RI 9 9 10 — — Ring Indicator. The value on this pin is driven high.
DSR 10 10 11 O — Data Set Ready. Indicates that the MCP2150 has completed
reset.
1 = MCP2150 is initialized.
0 = MCP2150 is not initialized.
DTR 11 11 12 I TTL Data Terminal Ready. The value of this pin is ignored once
the MCP2150 is initialized. It is recommended that this pin be
connected so that the voltage level is either VSS or VCC. At
device power up, this signal is used with the RTS signal to
enter device ID programming.
1 = Enter Device ID programming mode (if RTS is cleared).
0 = Do not enter Device ID programming mode.
CTS 12 12 13 O — Clear to Send. Indicates that the MCP2150 is ready to
receive data from the Host Controller.
1 = Host Controller should not send data.
0 = Host Controller may send data.
RTS 13 13 14 I TTL Request to Send. Indicates that a Host Controller is ready to
receive data from the MCP2150. The MCP2150 prepares to
send data, if available.
1 = Host Controller not ready to receive data.
0 = Host Controller ready to receive data.
At device power up, this signal is used with the DTR signal to
enter device ID programming.
1 = Do not enter Device ID programming mode.
0 = Enter Device ID programming mode (if DTR is set).
VDD 14 14 15, 16 — P Positive supply for logic and I/O pins.
OSC2 15 15 17 O — Oscillator crystal output.
OSC1/CLKIN 16 16 18 I CMOS Oscillator crystal input/external clock source input.
CD 17 17 19 O — Carrier Detect. Indicates that the MCP2150 has established a
valid link with a Primary Device.
1 = An IR link has not been established (No IR Link).
0 = An IR link has been established (IR Link).
BAUD1 18 18 20 I ST BAUD1:BAUD0 specify the baud rate of the device.
Legend: TTL = TTL compatible input
I = Input
P = Power
ST = Schmitt Trigger input with CMOS levels
O = Output
CMOS = CMOS compatible input
21655C.book Page 5 Thursday, January 10, 2013 12:57 PM

MCP2150
DS21655C-page 6 Preliminary 2001-2012 Microchip Technology Inc.
1.1.1 SIGNAL DIRECTIONS
Table 1-3 shows the direction of the MCP2150 signals.
The MCP2150 is designed for use in Data Terminal
Equipment (DTE) applications.
TABLE 1-3: MCP2150 SIGNAL DIRECTION
DB-9
Pin No. Signal Direction Comment
1 CD MCP2150 HC Carrier Detect
2 RX MCP2150 HC Received Data
3TX HC MCP2150 Transmit Data
4DTR
(1) — Data Terminal
Ready
5GND — Ground
6 DSR MCP2150 HC Data Set Ready
7RTS HC MCP2150 Request to Send
8 CTS MCP2150 HC Clear to Send
9RI
(1) — Ring Indicator
Legend: HC = Host Controller
Note 1: This signal is not implemented in the MCP2150.
21655C.book Page 6 Thursday, January 10, 2013 12:57 PM
2001-2012 Microchip Technology Inc. Preliminary DS21655C-page 7
MCP2150
2.0 DEVICE OPERATION
The MCP2150 is a cost effective, low pin count (18-
pin), easy to use device for implementing IrDA stan-
dard wireless connectivity. The MCP2150 provides
support for the IrDA standard protocol “stack” plus bit
encoding/decoding. The Serial interface and IR baud
rates are independantly selectable.
2.1 Power Up
Any time the device is powered up (parameter D003),
the Power Up Timer delay (parameter 33) occurs, fol-
lowed by an Oscillator Start-up Timer (OST) delay
(parameter 32). Once these delays complete, commu-
nication with the device may be initiated. This commu-
nication is from both the infrared transceiver’s side as
well as the controller’s UART interface.
2.2 Device Reset
The MCP2150 is forced into the reset state when the
RESET pin is in the low state. Once the RESET pin is
brought to a high state, the Device Reset sequence
occurs. Once the sequence completes, functional
operation begins.
2.3 Clock Source
The MCP2150 requires a clock source to operate. The
frequency of this clock is 11.0592 MHz (electrical spec-
ification parameter 1A). This clock can be supplied by
either a crystal/resonator or as an external clock input.
2.3.1 CRYSTAL OSCILLATOR / CERAMIC
RESONATORS
A crystal or ceramic resonator can be connected to the
OSC1 and OSC2 pins to establish oscillation
(Figure 2-1). The MCP2150 oscillator design requires
the use of a parallel cut crystal. Use of a series cut crys-
tal may give a frequency outside of the crystal
manufacturers specifications.
FIGURE 2-1: CRYSTAL OPERATION
(OR CERAMIC
RESONATOR)
TABLE 2-1: CAPACITOR SELECTION FOR
CERAMIC RESONATORS
TABLE 2-2: CAPACITOR SELECTION FOR
CRYSTAL OSCILLATOR
2.3.2 EXTERNAL CLOCK IN
For applications where a clock is already available
elsewhere, users may directly drive the MCP2150 pro-
vided that this external clock source meets the AC/DC
timing requirements listed in Section 4.3. Figure 2-2
shows how an external clock circuit should be
configured.
FIGURE 2-2: EXTERNAL CLOCK INPUT
OPERATION
See Table 2-1 and Tab le 2-2 for recommended values of
C1 and C2.
Note: A series resistor may be required for AT
strip cut crystals.
C1
C2
XTAL
OSC2
RS
OSC1
RF
To internal
MCP2150
Note
logic
Freq OSC1 (C1) OSC2 (C2)
11.0592 MHz 10 - 22 pF 10 - 22 pF
Higher capacitance increases the stability of the oscil-
lator but also increases the start-up time. These val-
ues are for design guidance only. Since each
resonator has its own characteristics, the user should
consult the resonator manufacturer for appropriate
values of external components.
Freq OSC1 (C1) OSC2 (C2)
11.0592 MHz 15 - 30 pF 15 - 30 pF
Higher capacitance increases the stability of the oscil-
lator but also increases the start-up time. These val-
ues are for design guidance only. RS may be required
to avoid overdriving crystals with low drive level spec-
ification. Since each crystal has its own
characteristics, the user should consult the crystal
manufacturer for appropriate values of external
components.
Clock From
external
MCP2150
OSC1
OSC2
Open
system
21655C.book Page 7 Thursday, January 10, 2013 12:57 PM

MCP2150
DS21655C-page 8 Preliminary 2001-2012 Microchip Technology Inc.
2.4 Bit Clock
The device crystal is used to derive the communication
bit clock (BITCLK). There are 16 BITCLKs for each bit
time. The BITCLKs are used for the generation of the
start bit and the eight data bits. The stop bit uses the
BITCLK when the data is transmitted (not for
reception).
This clock is a fixed frequency and has minimal
variation in frequency (specified by crystal
manufacturer).
2.5 UART Interface
The UART interface communicates with the "control-
ler". This interface is a half duplex interface, meaning
that the system is either transmitting or receiving, but
not both simultaneously.
2.5.1 BAUD RATE
The baud rate for the MCP2150 serial port (the TX and
RX pins) is configured by the state of the BAUD1 and
BAUD0 pins. These two device pins are used to select
the baud rate at which the MCP2150 will transmit and
receive serial data (not IR data). Table 2-3 shows the
baud rate configurations.
TABLE 2-3: SERIAL BAUD RATE
SELECTION VS. FREQUENCY
2.5.2 TRANSMITTING
When the controller sends serial data to the MCP2150,
the controller’s baud rate is required to match the baud
rate of the MCP2150’s serial port.
2.5.3 RECEIVING
When the controller receives serial data from the
MCP2150, the controller’s baud rate is required to
match the baud rate of the MCP2150’s serial port.
BAUD1:BAUD0 Baud Rate @
11.0592 MHz Bit Rate
00 9600 FOSC / 1152
01 19200 FOSC / 576
10 57600 FOSC / 192
11 115200 FOSC / 96
21655C.book Page 8 Thursday, January 10, 2013 12:57 PM
+‘
2001-2012 Microchip Technology Inc. Preliminary DS21655C-page 9
MCP2150
2.6 Modulation
The data that the MCP2150 UART received (on the TX
pin) that needs to be transmitted (on the TXIR pin) will
need to be modulated. This modulated signal drives the
IR transceiver module. Figure 2-3 shows the encoding
of the modulated signal.
Each bit time is comprised of 16-bit clocks. If the value
to be transmitted (as determined by the TX pin) is a
logic low, then the TXIR pin will output a low level for
7-bit clock cycles, a logic high level for 3-bit clock
cycles or a minimum of 1.6 µsec. (see parameter
IR121). The remaining 6-bit clock cycles will be low. If
the value to transmit is a logic high, then the TXIR pin
will output a low level for the entire 16-bit clock cycles.
2.7 Demodulation
The modulated signal (data) from the IR transceiver
module (on RXIR pin) needs to be demodulated to form
the received data (on RX pin). Once demodulation of
the data byte occurs, the data that is received is trans-
mitted by the MCP2150 UART (on the RX pin).
Figure 2-4 shows the decoding of the modulated
signal.
Each bit time is comprised of 16-bit clocks. If the value
to be received is a logic low, then the RXIR pin will be
a low level for the first 3-bit clock cycles or a minimum
of 1.6 µs. The remaining 13-bit clock cycles (or differ-
ence up to the 16-bit clock time) will be high. If the value
to be received is a logic high, then the RXIR pin will be
a high level for the entire 16-bit clock cycles. The level
on the RX pin will be in the appropriate state for the
entire 16 clock cycles.
FIGURE 2-3: ENCODING
FIGURE 2-4: DECODING
Note: The signal on the TXIR pin does not actu-
ally line up in time with the bit value that
was transmitted on the TX pin, as shown in
Figure 2-3. The TX bit value is shown to
represent the value to be transmitted on
the TXIR pin.
Note: The signal on the RX pin does not actually
line up in time with the bit value that was
received on the RXIR pin, as shown in
Figure 2-4. The RXIR bit value is shown to
represent the value to be transmitted on
the RX pin.
BITCLK
TX Bit
TXIR
0100 01
16 CLK
7 CLK
Start Bit Data bit 0 Data bit 1 Data bit 2 Data bit ...
24 Tosc
Value
BITCLK
RX
RXIR Bit
0100 01
1.6 µs (up to 3 CLK)
13 CLK
16 CLK
16 CLK 16 CLK 16 CLK 16 CLK 16 CLK 16 CLK
Start Bit Data bit 0 Data bit 1 Data bit 2 Data bit ...
(CLK)
Value
21655C.book Page 9 Thursday, January 10, 2013 12:57 PM
MCP2150
DS21655C-page 10 Preliminary 2001-2012 Microchip Technology Inc.
2.8 Minimizing Power
The device can be placed in a low power mode by dis-
abling the device (holding the EN pin at the low state).
The internal state machine is monitoring this pin for a
low level and, once this is detected, the device is
disabled and enters into a low power state.
2.8.1 RETURNING TO DEVICE
OPERATION
When disabled, the device is in a low power state.
When the EN pin is brought to a high level, the device
will return to the operating mode. The device requires
a delay of 1024 TOSC before data may be transmitted
or received.
2.9 Network Layering Reference
Model
Figure 2-5 shows the ISO Network Layering Reference
Model. The shaded areas are implemented by the
MCP2150, the cross-hatched area is implemented by
an infrared transceiver. The unshaded areas should be
implemented by the Host Controller.
FIGURE 2-5: ISO REFERENCE LAYER MODEL
OSI REFERENCE LAYERS
Application
Presentation
Session
Transport
Network
Data Link Layer
LLC (Logical Link Control)
Acceptance Filtering
Overload Notification
Recovery Management
MAC (Medium Access Control)
Data Encapsulation/Decapsulation
Frame Coding (stuffing, destuffing)
Medium Access Management
Error Detection
Error Signalling
Acknowledgment
Serialization/Deserialization
Physical Layer
PLS (Physical Signalling)
Bit Encoding/Decoding
Bit Timing
Synchronization
PMA (Physical Medium Attachment)
Driver/Receiver Characteristics
MDI (Medium Dependent Interface)
Connectors
Fault
confinement
(MAC-LME)
Bus Failure
management
(PLS-LME)
Supervisor
Regions implemented
by the MCP2150
Has to be implemented in Host
Controller firmware
Regions implemented
by the Optical Transceiver logic
(such as a PIC®
microcontroller)
21655C.book Page 10 Thursday, January 10, 2013 12:57 PM

2001-2012 Microchip Technology Inc. Preliminary DS21655C-page 11
MCP2150
The IrDA standard specifies the following protocols:
• Physical Signaling Layer (PHY)
• Link Access Protocol (IrLAP)
• Link Management Protocol/Information Access
Service (IrLMP/IAS)
The IrDA data lists optional protocols. They are:
•Tiny TP
• IrTran-P
• IrOBEX
•IrLAN
•IrCOMM
•IrMC
•IrDA Lite
Figure 2-6 shows the IrDA data protocol stack and
which components are implemented by the MCP2150.
FIGURE 2-6: IRDA DATA - PROTOCOL
STACKS
2.9.1 IrDA DATA PROTOCOLS
SUPPORTED BY MCP2150
The MCP2150 supports these required IrDA standard
protocols:
• Physical Signaling Layer (PHY)
• Link Access Protocol (IrLAP)
• Link Management Protocol/Information Access
Service (IrLMP/IAS)
The MCP2150 also supports some of the optional pro-
tocols for IrDA data. The optional protocols that the
MCP2150 implements are:
•Tiny TP
•IrCOMM
2.9.1.1 Physical Signal Layer (PHY)
The MCP2150 provides the following Physical Signal
Layer specification support:
• Bidirectional communication
• Data Packets are protected by a CRC
- 16-bit CRC for speeds up to 115.2 kbaud
• Data Communication Rate
- 9600 baud minimum data rate
The following Physical Layer Specification is depen-
dant on the optical transceiver logic used in the
application. The specification states:
• Communication Range, which sets the end user
expectation for discovery, recognition and perfor-
mance.
- Continuous operation from contact to at least
1 meter (typically 2 meters can be reached)
- A low power specification reduces the objec-
tive for operation from contact to at least
20 cm (low power and low power) or 30 cm
(low power and standard power).
IrComm (1)
IR Link Management - Mux (IrLMP)
IR Link Access Protocol (IrLAP)
Optional IrDA data
protocols not
Supported by
the MCP2150 supported by
the MCP2150
IrTran-P IrObex IrLan IrMC
LM-IAS Tiny Transport Protocol (Tiny TP)
Synchronous
4PPM
(4 Mb/s)
Synchronous
Serial IR
(1.152 Mb/s)
Asynchronous
Serial IR (2)
(9600 -115200 b/s)
Note 1: The MCP2155 implements the 9-wire
“cooked" service class serial replicator.
2: An optical transceiver is required.
21655C.book Page 11 Thursday, January 10, 2013 12:57 PM
MCP2150
DS21655C-page 12 Preliminary 2001-2012 Microchip Technology Inc.
2.9.1.2 IrLAP
The MCP2150 supports the IrLAP protocol. The IrLAP
protocol provides:
• Management of communication processes on the
link between devices.
• A device-to-device connection for the reliable,
ordered transfer of data.
• Device discover procedures.
• Hidden node handling.
Figure 2-7 identifies the key parts and hierarchy of the
IrDA protocols. The bottom layer is the Physical layer,
IrPHY. This is the part that converts the serial data to
and from pulses of IR light. IR transceivers can’t trans-
mit and receive at the same time. The receiver has to
wait for the transmitter to finish sending. This is some-
times referred to as a “Half-Duplex” connection. The IR
Link Access Protocol (IrLAP) provides the structure for
packets (or “frames”) of data to emulate data that would
normally be free to stream back and forth.
FIGURE 2-7: IRDA STANDARD
PROTOCOL LAYERS
Figure 2-8 shows how the IrLAP frame is organized.
The frame is proceeded by some number of Beginning
of Frame characters (BOFs). The value of the BOF is
generally 0xC0, but 0xFF may be used if the last BOF
character is a 0xC0. The purpose of multiple BOFs is to
give the other station some warning that a frame is
coming.
The IrLAP frame begins with an address byte (“A”
field), then a control byte (“C” field). The control byte is
used to differentiate between different types of frames
and is also used to count frames. Frames can carry sta-
tus, data or commands. The IrLAP protocol has a com-
mand syntax of it’s own. These commands are part of
the control byte. Lastly, IrLAP frames carry data. This
data is the information (or “I”) field. The integrity of the
frame is ensured with a 16-bit CRC, referred to as the
Frame Check Sequence (FCS). The 16-bit CRC value
is transmitted LSB first. The end of the frame is marked
with an EOF character, which is always a 0xC1. The
frame structure described here is used for all versions
of IrDA protocols used for serial wire replacement for
speeds up to 115.2 kbaud.
FIGURE 2-8: IRLAP FRAME
In addition to defining the frame structure, IrLAP pro-
vides the “housekeeping” functions of opening, closing
and maintaining connections. The critical parameters
that determine the performance of the link are part of
this function. These parameters control how many
BOFs are used, identify the speed of the link, how fast
either party may change from receiving to transmitting,
etc. IrLAP has the responsibility of negotiating these
parameters to the highest common set so that both
sides can communicate as quickly, and as reliably, as
possible.
Host O.S. or Application
IrCOMM
IrLAP
IrPHY
Protocols
resident in
MCP2150
IR pulses
transmitted
and
received
IrLMP – IAS
Note 1: Another IrDA standard that is entering
general usage is IR Object Exchange
(IrOBEX). This standard is not used for
serial connection emulation.
2: IrDA communication standards faster
than 115.2 kbaud use a different CRC
method and physical layer.
X BOFs BOF A C FCSIEOF
(1+N) of C0h payload 2
bytes C1h
21655C.book Page 12 Thursday, January 10, 2013 12:57 PM

2001-2012 Microchip Technology Inc. Preliminary DS21655C-page 13
MCP2150
2.9.1.3 IrLMP
The MCP2150 implements the IrLMP protocol. The
IrLMP protocol provides:
• Multiplexing of the IrLAP layer. This allows multi-
ple channels above an IrLAP connection.
• Protocol and service discovery. This is via the
Information Access Service (IAS).
When two devices that contain the IrDA standard fea-
ture are connected, there is generally one device that
has something to do and the other device that has the
resource to do it. For example, a laptop may have a job
to print and an IrDA standard compatible printer has the
resources to print it. In IrDA standard terminology, the
laptop is a Primary device and the printer is the Sec-
ondary device. When these two devices connect, the
Primary device must determine the capablities of the
Secondary device to determine if the Secondary device
is capable of doing the job. This determination is made
by the Primary device asking the Secondary device a
series of questions. Depending on the answers to
these questions, the Primary device may or may not
elect to connect to the Secondary device.
The queries from the Primary device are carried to the
Secondary device using IrLMP. The responses to these
queries can be found in the Information Access Service
(IAS) of the Secondary device. The IAS is a list of the
resources of the Secondary device. The Primary
device compares the IAS responses with its require-
ments and then makes the decision if a connection
should be made.
The MCP2150 identifies itself to the Primary device as
a modem.
The MCP2150 is not a modem, and the non-data cir-
cuits are not handled in a modem fashion.
2.9.1.4 Link Management - Information
Access Service (LM-IAS)
The MCP2150 implements the LM-IAS. Each LM-IAS
entity maintains an information database to provide:
• Information on services for other devices that
contain the IrDA standard feature (Discovery).
• Information on services for the device itself.
• Remote accessing of another device’s information
base.
This is required so that clients on a remote device can
find configuration information needed to access a
service.
2.9.1.5 Tiny TP
Tiny TP provides the flow control on IrLMP connec-
tions. An optional service of Segmentation and
Reassembly can be handled.
2.9.1.6 IrCOMM
IrCOMM provides the method to support serial and par-
allel port emulation. This is useful for legacy COM
applications, such as printers and modem devices.
The IrCOMM standard is just a syntax that allows the
Primary device to consider the Secondary device as a
serial device. IrCOMM allows for emulation of serial or
parallel (printer) connections of various capabilities.
The MCP2150 supports the 9-wire “cooked” service
class of IrCOMM. Other service classes supported by
IrCOMM are shown in Figure 2-9.
FIGURE 2-9: IRCOMM SERVICE CLASSES
Note: The MCP2150 identifies itself as a modem
to ensure that it is identified as a serial
device with a limited amount of memory.
IrCOMM Services
Uncooked Services Cooked Services
Parallel Serial
IrLPT 3-wire Raw
Parallel
Centronics
IEEE 1284
Serial
3-wire Cooked
9-wire Cooked
Supported by MCP2150
21655C.book Page 13 Thursday, January 10, 2013 12:57 PM

MCP2150
DS21655C-page 14 Preliminary 2001-2012 Microchip Technology Inc.
2.9.2 OTHER OPTIONAL IrDA DATA
PROTOCOLS
Other IrDA data protocols have been developed to spe-
cific application requirements. These optional protocols
are not supported by the MCP2150. These IrDA data
protocols are briefly described in the following sub-sec-
tions. For additional information, please refer to the
IrDA website (www.IrDA.org).
2.9.2.1 IrTran-P
IrTran-P provides the protocol to exchange images with
digital image capture devices/cameras.
2.9.2.2 IrOBEX
IrOBEX provides OBject EXchange services. This is
similar to HTTP.
2.9.2.3 IrLAN
IrLAN describes a protocol to support IR wireless
access to a Local Area Network (LAN).
2.9.2.4 IrMC
IrMC describes how mobile telephony and communica-
tion devices can exchange information. This informa-
tion includes phonebook, calender and message data.
Also how call control and real-time voice are handled
(RTCON).
2.9.2.5 IrDA Lite
IrDA Lite describes how to reduce the application code
requirements, while maintaining compatibility with the
full implementation.
21655C.book Page 14 Thursday, January 10, 2013 12:57 PM

2001-2012 Microchip Technology Inc. Preliminary DS21655C-page 15
MCP2150
2.9.3 HOW DEVICES CONNECT
When two devices implementing the IrDA standard fea-
ture establish a connection using the IrCOMM protocol,
the process is analogous to connecting two devices
with serial ports using a cable. This is referred to as a
"point-to-point" connection. This connection is limited
to half-duplex operation because the IR transceiver
cannot transmit and receive at the same time. The pur-
pose of the IrDA protocol is to allow this half-duplex link
to emulate, as much as possible, a full-duplex connec-
tion. In general, this is done by dividing the data into
“packets”, or groups of data. These packets can then
be sent back and forth, when needed, without risk of
collision. The rules of how and when these packets are
sent constitute the IrDA protocols. The MCP2150 sup-
ports elements of this IrDA protocol to communicate
with other IrDA standard compatible devices.
When a wired connection is used, the assumption is
made that both sides have the same communications
parameters and features. A wired connection has no
need to identify the other connector because it is
assumed that the connectors are properly connected.
In the IrDA standard, a connection process has been
defined to identify other IrDA compatible devices and
establish a communication link. There are three steps
that these two devices go through to make this
connection. They are:
• Normal Disconnect Mode (NDM)
• Discovery Mode
• Normal Connect Mode (NCM)
Figure 2-10 shows the connection sequence.
2.9.3.1 Normal Disconnect Mode (NDM)
When two IrDA standard compatible devices come into
range they must first recognize each other. The basis
of this process is that one device has some task to
accomplish and the other device has a resource
needed to accomplish this task. One device is referred
to as a Primary device and the other is referred to as a
Secondary device. This distinction between Primary
device and Secondary device is important. It is the
responsibility of the Primary device to provide the
mechanism to recognize other devices. So the Primary
device must first poll for nearby IrDA standard compat-
ible devices. During this polling, the defaut baud rate of
9600 baud is used by both devices.
For example, if you want to print from an IrDA
equipped laptop to an IrDA printer, utilizing the IrDA
standard feature, you would first bring your laptop in
range of the printer. In this case, the laptop is the one
that has something to do and the printer has the
resource to do it. The laptop is called the Primary
device and the printer is the Secondary device. Some
data-capable cellphones have IrDA standard infrared
ports. If you used such a cellphone with a Personal Dig-
ital Assistant (PDA), the PDA that supports the IrDA
standard feature would be the Primary device and the
cellphone would be the Secondary device.
When a Primary device polls for another device, a
nearby Secondary device may respond. When a Sec-
ondary device responds, the two devices are defined to
be in the Normal Disconnect Mode (NDM) state. NDM
is established by the Primary device broadcasting a
packet and waiting for a response. These broadcast
packets are numbered. Usually 6 or 8 packets are sent.
The first packet is number 0, the last packet is usually
number 5 or 7. Once all the packets are sent, the Pri-
mary device sends an ID packet, which is not num-
bered.
The Secondary device waits for these packets and then
responds to one of the packets. The packet it responds
to determines the “time slot” to be used by the Second-
ary device. For example, if the Secondary device
responds after packet number 2, then the Secondary
device will use time slot 2. If the Secondary device
responds after packet number 0, then the Secondary
device will use time slot 0. This mechanism allows the
Primary device to recognize as many nearby devices
as there are time slots. The Primary device will con-
tinue to generate time slots and the Secondary device
should continue to respond, even if there’s nothing to
do.
During NDM, the MCP2150 handles all of the
responses to the Primary device (Figure 2-10) without
any communication with the Host Controller. The Host
Controller is inhibited by the CTS signal of the
MCP2150 from sending data to the MCP2150.
Note 1: The MCP2150 can only be used to
implement a Secondary device.
2: The MCP2150 supports a system with
only one Secondary device having exclu-
sive use of the IrDA standard infrared link
(known as "point-to-point" communica-
tion).
3: The MCP2150 always responds to packet
number 2. This means that the MCP2150
will always use time slot 2.
4: If another Secondary device is nearby,
the Primary device may fail to recognize
the MCP2150, or the Primary device may
not recognize either of the devices.
21655C.book Page 15 Thursday, January 10, 2013 12:57 PM

MCP2150
DS21655C-page 16 Preliminary 2001-2012 Microchip Technology Inc.
2.9.3.2 Discovery Mode
Discovery mode allows the Primary device to deter-
mine the capabilities of the MCP2150 (Secondary
device). Discovery mode is entered once the MCP2150
(Secondary device) has sent an XID response to the
Primary device and the Primary device has completed
sending the XIDs and then sends a Broadcast ID. If this
sequence is not completed, then a Primary and
Secondary device can stay in NDM indefinitely.
When the Primary device has something to do, it
initiates Discovery. Discovery has two parts. They are:
• Link initialization
• Resource determination
The first step is for the Primary and Secondary devices
to determine, and then adjust to, each other’s hardware
capabilities. These capabilities are parameters like:
•Data rate
• Turn around time
• Number of packets without a response
• How long to wait before disconnecting
Both the Primary and Secondary device begin commu-
nications at 9600 baud, which is the default baud rate.
The Primary device sends its parameters, then the
Secondary device responds with its parameters. For
example, if the Primary supports all data rates up to
115.2 kbaud and the Secondary device only supports
19.2 kbaud, the link will be established at 19.2 kbaud.
Once the hardware parameters are established, the
Primary device must determine if the Secondary device
has the resources it requires. If the Primary device has
a job to print, then it must know if it’s talking to a printer,
not a modem or other device. This determination is
made using the Information Access Service (IAS). The
job of the Secondary device is to respond to IAS que-
ries made by the Primary device. The Primary device
must ask a series of questions like:
• What is the name of your service?
• What is the address of this service?
• What are the capabilities of this device?
When all the Primary device’s questions are answered,
the Primary device can access the service provided by
the Secondary device.
During Discovery mode, the MCP2150 handles all
responses to the Primary device (see Figure 2-10)
without any communication with the Host Controller.
The Host Controller is inhibited by the CTS signal of the
MCP2150 from sending data to the MCP2150.
2.9.3.3 Normal Connect Mode (NCM)
Once discovery has been completed, the Primary
device and MCP2150 (Secondary device) can freely
exchange data.
The MCP2150 can receive IR data or serial data, but
not both simultaneously. The MCP2150 uses a hard-
ware handshake to stop the local serial port from
sending data while the MCP2150 is receiving IR data.
Both the Primary device and the MCP2150 (Secondary
device) check to make sure that data packets are
received by the other without errors. Even when data is
required to be sent, the Primary and Secondary
devices will still exchange packets to ensure that the
connection hasn’t, unexpectedly, been dropped. When
the Primary device has finished, it then transmits the
close link command to the MCP2150 (Secondary
device). The MCP2150 will confirm the close link com-
mand and both the Primary device and the MCP2150
(Secondary device) will revert to the NDM state.
It is the responsability of the Host Controller program to
understand the meaning of the data received and how
the program should respond to it. It’s just as if the data
were being received by the Host Controller from a
UART.
Note: The MCP2150 is limited to a data rate of
115.2 kbaud.
Note: Data loss will result if this hardware
handshake is not observed.
Note: If the NCM mode is unexpectedly termi-
nated for any reason (including the Primary
device not issuing a close link command),
the MCP2150 will revert to the NDM state
10 seconds after the last frame has been
received.
21655C.book Page 16 Thursday, January 10, 2013 12:57 PM
2001-2012 Microchip Technology Inc. Preliminary DS21655C-page 17
MCP2150
FIGURE 2-10: CONNECTION SEQUENCE
Normal Disconnect Mode (NDM)
Send XID Commands
(timeslots n, n+1, ...)
No Response
XID Response in timeslot y,
Finish sending XIDs
(max timeslots - y frames)
Broadcast ID No Response to these XIDs
claiming this timeslot, (MCP2150
No Response to Broadcast ID
Primary Device Secondary Device
Discovery
Normal Response Mode (NRM)
Send SNRM Command
(w/ parameters and
connection address)
Open channel for IAS Queries
Send IAS Queries
Open channel for data
Send Data or Status
Shutdown link
UA response with parameters
using connect address
Confirm channel open for IAS
Provide IAS responses
Confirm channel open for data
Send Data or Status
Confirm shutdown
(back to NDM state)
(approximately 70ms
between XID commands)
Send Data or Status
Send Data or Status
(MCP2150 CD pin driven low)
(ex. MCP2150)
always claims timeslot 2)
21655C.book Page 17 Thursday, January 10, 2013 12:57 PM
MCP2150
DS21655C-page 18 Preliminary 2001-2012 Microchip Technology Inc.
2.10 Operation
The MCP2150 emulates a null modem connection. The
application on the DTE device sees a virtual serial port.
This serial port emulation is provided by the IrDA stan-
dard protocols. The link between the DTE device and
the embedded application is made using the
MCP2150. The connection between the MCP2150 and
the embedded application is wired as if there were a
null modem connection.
The Carrier Detect (CD) signal of the MCP2150 is used
to indicate that a valid IrDA standard infrared link has
been established between the MCP2150 and the Pri-
mary device. The CD signal should be monitored
closely to make sure that any communication tasks can
be completed. The MCP2150 DSR signal indicates that
the device has powered-up, successfully initialized and
is ready for service. This signal is intended to be con-
nected to the DSR input of the Host Controller. If the
Host Controller was directly connected to an IrDA stan-
dard Primary device using a serial cable (the MCP2150
is not present), the Host Controller would be connected
to the Primary device’s DTR output signal.
The MCP2150 generates the CTS signal locally
because of buffer limitations.
2.10.1 HARDWARE HANDSHAKING
The MCP2150 uses a 64-byte buffer for incoming data
from the IR Host. Another 64-byte buffer is provided to
buffer data from the UART serial port. When an IR
packet begins the IrComm, the MCP2150 handles IR
data exclusively (the UART serial port buffer is not
available). A hardware handshaking pin (CTS) is pro-
vided to inhibit the Host Controller from sending serial
data while IR Data is being sent or received.
2.10.2 BUFFERS AND THROUGHPUT
The maximum IR data rate of the MCP2150 is
115.2 kbaud. The actual throughput will be less, due to
several factors. The most significant factors are under
the control of the developer. One factor beyond the
control of the designer is the overhead associated with
the IrDA standard. The MCP2150 uses a fixed data
block size of 64 bytes. To carry 64 bytes of data, the
MCP2150 must send 72 bytes (64+8). The additional 8
bytes are used by the protocol. When the Primary
device receives the frame, it must wait for a minimum
latency period before sending a packet of its own. This
turnaround time is set by IrLAP when the parameters of
the link are negotiated. A common turnaround time is
1 ms, although longer and shorter times may be
encountered. 1 ms represents approximately 12 byte
times at a data rate of 115.2 kbaud. The minimum size
frame the Primary device can respond with is 6 bytes.
The MCP2150 will add the 12 byte-time latency on its
own, again assuming a 1 ms latency. This means that
the maximum throughput will be 64 data bytes out of a
total of 64 + 38 byte times. Thus, the maximum theoret-
ical throughput will be limited to about 64/(64+38)=63%
of the IR data rate. Actual maximum throughput will be
dependent on both the MCP2150 and the
characteristics of the Primary device.
The most significant factor in data throughput is how
well the data frames are filled. If only 1 byte is sent at a
time, then the maximum throughput is 1/(1+38)=2.5%
of the IR data rate. The best way to maximize through-
put is to align the amounts of data with the packet size
of the MCP2150. Throughput examples are shown in
Table 2-4.
TABLE 2-4: THEORETICAL IrDA STANDARD THROUGHPUT EXAMPLES @ 115.2 KBAUD
Note 1:The MCP2150 generates non-data
signals locally.
2: Only transceiver’s TXD and RXD signals
are carried back and forth to the Primary
device. The MCP2150 emulates a 3-wire
serial connection (TXD, RXD and GND).
Note: When the CTS output from the IrComm is
high, no data should be sent from the Host
Controller. The UART FIFO will store up to
2 bytes. Any additional data bytes will be
lost.
Note: IrDA throughput is based on many factors
associated with characteristics of the Pri-
mary and Secondary devices. These char-
acteristics may cause your application
throughput to be less than the theoretical
example shown in Table 2-4.
MCP2150
Data Packet
Size (Bytes) Overhead
(Bytes)
Primary Device
Minimum
Response (Bytes)
Primary Device
Turn-around Time(1)
(Bytes)
MCP2150
Turn-around
Time(1) (Bytes)
Total Bytes
Transmitted Throughput
% (Data/Total)
64 8 6 12 12 102 62.7%
18 6 12 12 392.6%
Note 1: Number of bytes calculated based on a common turnaround time of 1 ms.
21655C.book Page 18 Thursday, January 10, 2013 12:57 PM
2001-2012 Microchip Technology Inc. Preliminary DS21655C-page 19
MCP2150
2.11 Turnaround Latency
An IR link can be compared to a one-wire data connec-
tion. The IR transceiver can transmit or receive, but not
both at the same time. A delay of one bit time is recom-
mended between the time a byte is received and
another byte is transmitted.
2.12 IR Port Baud Rate
The baud rate for the MCP2150 IR port (the TXIR and
RXIR pins) is, initially, at the default rate of 9600 baud.
The Primary device determines the maximum baud
rate that the MCP2150 will operate at. This information
is used during NDM, with the Primary device setting the
baud rate of the IR link. The maximum IR baud rate is
not required to be the same as the MCP2150’s serial
port (UART) baud rate (as determined by the
BAUD1:BAUD0 pins).
2.13 Programmable Device ID
The MCP2150 has a flexible feature that allows the
MCP2150 Device ID to be changed by the Host Con-
troller. The default ID is “Generic IrDA” and is stored in
non-volatile, electrically erasable programmable mem-
ory (EEPROM). The maximum ID String length is 19
bytes. The format of the ID EEPROM is shown in
Figure 2-11.
The ID String must only contain the ASCII characters
from 20h to 7Ah (inclusive).
The MCP2150 enters into ID String programming when
it exits the reset state and detects that the DTR pin is
high and the RTS pin is low.
A Host Controller connected to the MCP2150 would,
typically, perform the following steps to place the
MCP2150 into ID String programming mode:
1. Force the MCP2150 into reset (RESET pin
forced low).
2. Force the DTR pin high and the RTS pin low.
3. Release the MCP2150 from reset (RESET pin
forced high).
4. Wait for device to complete initialization.
TABLE 2-5: DTR/RTS STATE & DEVICE
MODE
Once the MCP2150 is ready to receive data, the CTS
pin will be forced low. Data may now be transferred, fol-
lowing the format in Figure 2-11. The CTS pin deter-
mines the flow control and the Host Controller must
monitor this signal to ensure that the data byte may be
sent.
Once the Host Controller has sent its last byte, the DTR
pin must be set low. This ensures that, if another reset
occurs, the MCP2150 will not reenter ID String pro-
gramming mode. The MCP2150 uses the String Length
(1st byte transmitted) to determine when the ID String
programming mode has completed. This returns the
MCP2150 to normal operation.
Example 2-1 shows the firmware code for a
PIC16CXXX acting as the Host Controller to modify the
MCP2150 Device ID String.
FIGURE 2-11: ID STRING FORMAT
DTR RTS After Device Reset *
0XEnter Normal Mode
10Enter Programmable Device ID
11Enter Normal Mode
* Until device initialization is complete.
Note 1: If a non-valid ID String (containing an ASCII
character not in the valid range) is
programmed, the MCP2150 will not create
a link with a Primary device.
2: The communication program supplied with
Microsoft’s Windows® operating system
(called HyperTerminal) may leave the DTR
signal high and the RTS signals low when
the program disconnects, or is closed. Care
should be taken to ensure that this does not
accidently cause the MCP2150 to enter
Device ID String Programming.
Length ID String
1 Byte 1 to 19 Bytes
1st Byte
Transferred
Last Byte
Transferred
21655C.book Page 19 Thursday, January 10, 2013 12:57 PM

MCP2150
DS21655C-page 20 Preliminary 2001-2012 Microchip Technology Inc.
EXAMPLE 2-1: PIC16FXX Code to Program the Device ID
;#define dtr PORTx, Pinx ; Must specify which Port and Which Pin
;#define cts PORTx, Pinx ; Must specify which Port and Which Pin
;#define rts PORTx, Pinx ; Must specify which Port and Which Pin
;#define clr PORTx, Pinx ; Must specify which Port and Which Pin
;
;*****************************************************************
; String Table
; This table stores a string, breg is the offset. The string
; is terminated by a null character.
;*****************************************************************
string1 clrf PCLATH ; this routine is on page 0
movf breg, W ; get the offset
addwf PCL, F ; add the offset to PC
DT D'15' ; the first byte is the byte count
DT "My IR ID String"
;
UpdateID
call deviceInit ; Initialize the PIC16Fxxx
bcf clr ; place the MCP2150 in reset
bsf dtr ; Force the DTR pin high for program mode
bcf rts ; Force the RTS pin low for program mode
call delay1mS ; delay for 1 ms.
bsf clr ; allow the MCP2150 to come out of reset
;
clrf LoopCnt ; LoopCnt = 0
ctsLP1 call delay1mS ; delay for 1 ms.
btfss cts ; if cts=0 then we're ready to program
goto ctsLow ; MCP2150 is ready to receive data
decfsz LoopCnt, F ;
goto ctsLP1 ; NO, wait for MCP2150 to be ready
goto StuckReset ; The MCP2150 did not exit reset, do your recovery
; in this routine.
21655C.book Page 20 Thursday, January 10, 2013 12:57 PM

2001-2012 Microchip Technology Inc. Preliminary DS21655C-page 21
MCP2150
EXAMPLE 2-1: PIC16FXX Code to Program the Device ID (Continued)
ctsLow clrf breg ; clear the offset
call string1 ; get the byte count
; (ID length byte + # bytes in string)
movwf creg ; use creg as the loop counter
incf creg, f ; add 1 to the loop count since
; we're jumping into the middle
movwf areg ; save the count in areg to send it
goto sndwt ; start sending the count + ID string
;
sndlp call string1 ; get the byte
movwf areg ; save the byte
sndwt btfsc cts ; check the cts input
goto sndwt ; wait if cts=1
call txser ; send the byte using the Transmit Routine
incf breg,f ; increment the table pointer
decfsz creg, f ; more bytes to send?
goto sndlp ; YES, send more bytes
;
bcf clr ; NO, place the MCP2150 in reset
bcf dtr ; Force the DTR pin low for normal mode
bsf rts ; Force the RTS pin high for normal mode
call delay1mS ; delay for 1 ms.
bsf clr ; allow the MCP2150 to come out of reset
;
ctsLP2 btfss cts ; if cts=1 then MCP2150 is in Normal mode
goto ctsLP2 ; NO, wait for MCP2150 to be ready
goto NormalOperation ; The MCP2150 in now programmed with new ID,
; and is ready to establish an IR link
21655C.book Page 21 Thursday, January 10, 2013 12:57 PM
MCP2150
DS21655C-page 22 Preliminary 2001-2012 Microchip Technology Inc.
2.14 Optical Transceiver
The MCP2150 requires an infrared transceiver. The
transceiver can be an integrated solution. Table 2-6
shows a list of common manufacturers of integrated
optical transceivers. A typical optical transceiver cir-
cuit, using a Vishay/Temic TFDS4500, is shown in
Figure 2-12.
FIGURE 2-12: TYPICAL OPTICAL
TRANSCEIVER
CIRCUIT
The optical transceiver logic can be implemented with
discrete components for cost savings. Care must be
taken in the design and layout of the photo detect cir-
cuit, due to the small signals that are being detected
and their sensitivity to noise. A discrete implementation
of the optical transceiver logic is implemented on the
DSTEMP and MCP2150 Developer’s Kit boards.
2.15 References
The IrDA Standards download page can be found at:
http://www.irda.org/standards/specifications
Some common manufacturers of Optical Transceivers
are shown in Table 2-6.
TABLE 2-6: COMMON OPTICAL
TRANSCEIVER
MANUFACTURERS
Note: The discrete optical transceiver implemen-
tation on the DSTEMP and MCP2150
Developer’s Kit boards may not meet the
IrDA specifications for the physical layer
(IrPHY). Any discrete solution will require
appropriate validation for the user’s
application.
+5 V +5 V
R11
22
TFDS4500
U6
8
7
6
5
47
R13 1
2
3
4
C18
.1 µF
RXIR
Pin 3)
(To MCP2150
Pin 2)
TXIR
(To MCP2150
Company Company Web Site Address
Infineon www.infineon.com
Agilent www.agilent.com
Vishay/Temic www.vishay.com
Rohm www.rohm.com
21655C.book Page 22 Thursday, January 10, 2013 12:57 PM
2001-2012 Microchip Technology Inc. Preliminary DS21655C-page 23
MCP2150
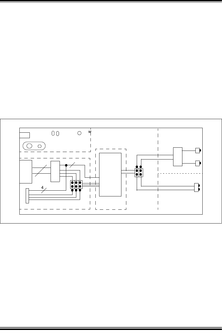
3.0 DEVELOPMENT TOOLS
The MCP2150 is supported by the HCS1365 Devel-
oper’s Kit (order number DM163008). This kit allows
the user to evaluate the operation of the MCP2150.
Each kit comes with two DSTEMP Developer’s Boards
and one MCP2150 Developer’s Board to demonstrate
transmission/reception of infrared data streams.
Figure 3-1 shows a block diagram of the MCP2150
Developer’s Board.
As can be seen, the user has jumper options for both
the interface to the Host Controller (UART or Header)
and the transceiver solution (Integrated or discrete
component).
The UART interface allows a direct connection to a PC
(use a terminal emulation program), or a header, to
allow easy connection to host prototypes (or one of the
Microchip PICDEM™ boards).
The transceiver logic is jumpered to allow the selection
of either a single chip transceiver solution, or a low cost
discrete solution. This low cost discrete solution allows
a lower system cost to be achieved. With the lower cost
come some trade-offs of the IrDA standard physical
layer specifications. These trade-offs need to be evalu-
ated to ensure the characteristics of the component
solution meet the requirements of the system.
This kit comes with two identical MCP2120 Devel-
oper’s Boards and a single MCP2150 Developer’s
Board. This allows a complete system (Transmitter and
Receiver) to be implemented with either system
requirement (simple encoder/decoder or IrDA standard
protocol stack plus encoder/decoder).
FIGURE 3-1: MCP2150 DEVELOPER’S KIT BLOCK DIAGRAM
DB9
Power
Header
SP3238E
Power LED
MCP2150
Integrated
Transceiver
Component
MCP601
+5V GND
9V Battery
Host Interface
Power
Supply
Encoder/
Decoder
7
4
4
21655C.book Page 23 Thursday, January 10, 2013 12:57 PM

MCP2150
DS21655C-page 24 Preliminary 2001-2012 Microchip Technology Inc.
NOTES:
21655C.book Page 24 Thursday, January 10, 2013 12:57 PM

2001-2012 Microchip Technology Inc. Preliminary DS21655C-page 25
MCP2150
4.0 ELECTRICAL CHARACTERISTICS
Absolute Maximum Ratings†
Ambient Temperature under bias........................................................................................................... –40°C to +125°C
Storage Temperature ............................................................................................................................. –65°C to +150°C
Voltage on VDD with respect to VSS ......................................................................................................... -0.3 V to +6.5 V
Voltage on RESET with respect to VSS .................................................................................................... -0.3 V to +14 V
Voltage on all other pins with respect to VSS ............................................................................... –0.3 V to (VDD + 0.3 V)
Total Power Dissipation (1) ...................................................................................................................................800 mW
Max. Current out of VSS pin ..................................................................................................................................300 mA
Max. Current into VDD pin .....................................................................................................................................250 mA
Input Clamp Current, IIK (VI < 0 or VI > VDD) 20 mA
Output Clamp Current, IOK (V0 < 0 or V0 > VDD) 20 mA
Max. Output Current sunk by any Output pin..........................................................................................................25 mA
Max. Output Current sourced by any Output pin.....................................................................................................25 mA
Note 1: Power Dissipation is calculated as follows:
PDIS = VDD x {IDD - IOH} + {(VDD-VOH) x IOH} + (VOL x IOL)
†NOTICE: Stresses above those listed under “Maximum ratings” may cause permanent damage to the device. This is
a stress rating only and functional operation of the device at those or any other conditions above those indicated in
the operational listings of this specification is not implied. Exposure to maximum rating conditions for extended periods
may affect device reliability.
21655C.book Page 25 Thursday, January 10, 2013 12:57 PM
MCP2150
DS21655C-page 26 Preliminary 2001-2012 Microchip Technology Inc.
FIGURE 4-1: VOLTAGE-FREQUENCY GRAPH, -40C TA +85C
6.0
2.5
4.0
3.0
0
3.5
4.5
5.0
5.5
410
Frequency (MHz)
VDD
20
(Volts)
81216
11.0592
5.0
21655C.book Page 26 Thursday, January 10, 2013 12:57 PM

2001-2012 Microchip Technology Inc. Preliminary DS21655C-page 27
MCP2150
4.1 DC Characteristics
DC Specifications Electrical Characteristics:
Standard Operating Conditions (unless otherwise specified)
Operating Temperature: -40C TA +85C (industrial)
Param.
No. Sym Characteristic Min Typ(1) Max Units Conditions
D001 VDD Supply Voltage 3.0 — 5.5 V See Figure 4-1
D002 VDR RAM Data Retention
Voltage (2) 2.0 — — V Device Oscillator/Clock stopped
D003 VPOR VDD Start Voltage to
ensure Power-on Reset —VSS —V
D004 SVDD VDD Rise Rate to
ensure Power-on Reset 0.05 — — V/ms
D010 IDD Supply Current (3) —
—
—
4.0
2.2
7.0
mA
mA
FOSC = 11.0592 MHz, VDD = 3.0 V
FOSC = 11.0592 MHz, VDD = 5.5 V
D020 IPD Device Disabled
Current (3, 4) —
——
—2.2
9µA
µA VDD = 3.0 V
VDD = 5.5 V
Note 1: Data in the Typical (“Typ”) column is based on characterization results at 25C. This data is for design
guidance only and is not tested.
2: This is the limit to which VDD can be lowered without losing RAM data.
3: The supply current is mainly a function of the operating voltage and frequency. Pin loading, pin rate and
temperature have an impact on the current consumption.
a) The test conditions for all IDD measurements are made when device is enabled (EN pin is high):
OSC1 = external square wave, from rail-to-rail; all input pins pulled to VSS, RXIR = VDD,
RESET = VDD;
b) When device is disabled (EN pin is low), the conditions for current measurements are the same.
4: When the device is disabled (EN pin is low), current is measured with all input pins tied to VDD or VSS and
the output pins driving a high or low level into infinite impedance.
21655C.book Page 27 Thursday, January 10, 2013 12:57 PM

MCP2150
DS21655C-page 28 Preliminary 2001-2012 Microchip Technology Inc.
4.1 DC Characteristics (Continued)
DC Specifications
Electrical Characteristics:
Standard Operating Conditions (unless otherwise specified)
Operating temperature: -40°C TA +85°C (industrial)
Operating voltage VDD range as described in DC spec Section 4.1.
Param
No. Sym Characteristic Min Typ Max Units Conditions
Input Low Voltage
VIL Input pins
D030 with TTL buffer
(TX, RI, DTR, RTS, and EN) VSS —0.8V V4.5V VDD 5.5 V
D030A VSS —0.15VDD V otherwise
D031 with Schmitt Trigger buffer
(BAUD1, BAUD0, and RXIR) VSS —0.2VDD V
D032 RESET VSS —0.2VDD V
D033 OSC1 VSS —0.3VDD V
Input High Voltage
VIH Input pins —
D040 with TTL buffer
(TX, RI, DTR, RTS, and EN) 2.0 — VDD V4.5V VDD 5.5 V
D040A 0.25 VDD
+ 0.8 —V
DD Votherwise
D041 with Schmitt Trigger buffer
(BAUD1, BAUD0, and RXIR)
0.8 VDD —VDD V
D042 RESET 0.8 VDD —VDD V
D043 OSC1 0.7 VDD —VDD V
Input Leakage Current
(Notes 1, 2)
D060 IIL Input pins — — ±1 µA VSS VPIN VDD, Pin at
high-impedance
D061 RESET ——±5µAVSS VPIN VDD
D063 OSC1 — — ±5 µA VSS VPIN VDD
Note 1: The leakage current on the RESET pin is strongly dependent on the applied voltage level. The specified
levels represent normal operating conditions. Higher leakage current may be measured at different input
voltages.
2: Negative current is defined as coming out of the pin.
21655C.book Page 28 Thursday, January 10, 2013 12:57 PM

2001-2012 Microchip Technology Inc. Preliminary DS21655C-page 29
MCP2150
4.1 DC Characteristics (Continued)
DC Specifications
Electrical Characteristics:
Standard Operating Conditions (unless otherwise specified)
Operating temperature: -40°C TA +85°C (industrial)
Operating voltage VDD range as described in DC spec Section 4.1
Param
No. Sym Characteristic Min Typ Max Units Conditions
Output Low Voltage
D080 VOL TXIR, RX, DSR, CTS, and
CD pins
——0.6VIOL = 8.5 mA, VDD = 4.5 V
D083 OSC2 — — 0.6 V IOL = 1.6 mA, VDD = 4.5 V
Output High Voltage
D090 VOH TXIR, RX, DSR, CTS, and
CD pins (Note 1) VDD - 0.7 — — V IOH = -3.0 mA, VDD = 4.5 V
D092 OSC2 VDD - 0.7 — — V IOH = -1.3 mA, VDD = 4.5 V
Capacitive Loading Specs
on Output Pins
D100 COSC2 OSC2 pin — — 15 pF when external clock is used
to drive OSC1.
D101 CIO All Input or Output pins — — 50 pF
Note 1: Negative current is defined as coming out of the pin.
21655C.book Page 29 Thursday, January 10, 2013 12:57 PM

MCP2150
DS21655C-page 30 Preliminary 2001-2012 Microchip Technology Inc.
4.2 Timing Parameter Symbology and Load Conditions
The timing parameter symbols have been created following one of the following formats:
4.2.1 TIMING CONDITIONS
The temperature and voltages specified in Table 4-2 apply to all timing specifications unless otherwise noted. Figure 4-2
specifies the load conditions for the timing specifications.
TABLE 4-1: SYMBOLOGY
TABLE 4-2: AC TEMPERATURE AND VOLTAGE SPECIFICATIONS
FIGURE 4-2: LOAD CONDITIONS FOR DEVICE TIMING SPECIFICATIONS
1. TppS2ppS 2. TppS
T
F Frequency T Time
EError
Lowercase letters (pp) and their meanings:
pp
io Input or Output pin osc Oscillator
rx Receive tx Transmit
bitclk RX/TX BITCLK RST Reset
drt Device Reset Timer
Uppercase letters and their meanings:
S
F Fall P Period
HHigh RRise
I Invalid (high-impedance) V Valid
L Low Z High-impedance
AC Specifications
Electrical Characteristics:
Standard Operating Conditions (unless otherwise stated):
Operating temperature: -40C TA +85C (industrial)
Operating voltage VDD range as described in DC spec Section 4.1.
PIN
VSS
CLCL = 50 pF for all pins except OSC2
15 pF for OSC2 when external clock is used to drive OSC1
21655C.book Page 30 Thursday, January 10, 2013 12:57 PM
2001-2012 Microchip Technology Inc. Preliminary DS21655C-page 31
MCP2150
4.3 Timing Diagrams and Specifications
FIGURE 4-3: EXTERNAL CLOCK TIMING
TABLE 4-3: EXTERNAL CLOCK TIMING REQUIREMENTS
AC Specifcations
Electrical Characteristics:
Standard Operating Conditions (unless otherwise specified):
Operating Temperature: -40C TA +85C (industrial)
Operating Voltage VDD range is described in Section 4.1
Param.
No. Sym Characteristic Min Typ(1) Max Units Conditions
1T
OSC External CLKIN Period (2, 3)90.422
90.422 —
—90.422
—ns
ns Device Operation
Disable Clock for low power
Oscillator Period (2) 90.422 — 90.422 ns
1A FOSC External CLKIN
Frequency (2, 3)11.0592 — 11.0592 MHz
Oscillator Frequency (2) 11.0592 — 11.0592 MHz
1B FERR Error in Frequency — — ± 0.01 %
1C ECLK External Clock Error — — ± 0.01 %
4TosR,
TosF Clock in (OSC1)
Rise or Fall Time — — 15 ns
Note 1: Data in the Typical (“Typ”) column is at 5 V, 25C unless otherwise stated. These parameters are for design
guidance only and are not tested.
2: All specified values are based on oscillator characterization data under standard operating conditions.
Exceeding these specified limits may result in unstable oscillator operation and/or higher than expected
current consumption. When an external clock input is used, the “max” cycle time limit is “DC” (no clock) for
all devices.
3: A duty cycle of no more than 60% (High time/Low time or Low time/High time) is recommended for external
clock inputs.
OSC1
Q4 Q1 Q2 Q3 Q4 Q1
133
44
2
21655C.book Page 31 Thursday, January 10, 2013 12:57 PM
MCP2150
DS21655C-page 32 Preliminary 2001-2012 Microchip Technology Inc.
FIGURE 4-4: OUTPUT WAVEFORM
TABLE 4-4: OUTPUT TIMING REQUIREMENTS
AC Specifications
Electrical Characteristics:
Standard Operating Conditions (unless otherwise specified):
Operating Temperature: -40C TA +85C (industrial)
Operating Voltage VDD range is described in Section 4.1
Param.
No. Sym Characteristic Min Typ(1) Max Units Conditions
20 ToR RX and TXIR pin rise time (2) —1025ns
21 ToF RX and TXIR pin fall time (2) —1025ns
Note 1: Data in the Typical (“Typ”) column is at 5 V, 25°C unless otherwise stated.
2: See Figure 4-2 for loading conditions.
OSC1
Output Pin
Q4 Q1 Q2 Q3
20, 21
Old Value New Value
Note: Refer to Figure 4-2 for load conditions.
21655C.book Page 32 Thursday, January 10, 2013 12:57 PM
2001-2012 Microchip Technology Inc. Preliminary DS21655C-page 33
MCP2150
FIGURE 4-5: RESET AND DEVICE RESET TIMING
TABLE 4-5: RESET AND DEVICE RESET REQUIREMENTS
AC Specifications
Electrical Characteristics:
Standard Operating Conditions (unless otherwise specified):
Operating Temperature: -40C TA +85C (industrial)
Operating Voltage VDD range is described in Section 4.1
Param.
No. Sym Characteristic Min Typ(1) Max Units Conditions
30 TRSTL RESET Pulse Width (low) 2000 — — ns VDD = 5.0 V
32 TOST Oscillator Start-up Timer Period 1024 — 1024 TOSC
33 TPWRT Power up Timer Period 28 72 132 ms VDD = 5.0 V
34 TIOZ Output High-impedance from
RESET Low or device Reset ——2 µs
Note 1: Data in the Typical (“Typ”) column is at 5 V, 25C unless otherwise stated.
VDD
RESET
Reset
Detected
PWRT
Timeout
OSC
Timeout
Internal
RESET
33
32
30
34
Output Pin
34
21655C.book Page 33 Thursday, January 10, 2013 12:57 PM
. 4“ AF + 4
\ \ \ \ \
\
x x W
“ 4V 47
MCP2150
DS21655C-page 34 Preliminary 2001-2012 Microchip Technology Inc.
FIGURE 4-6: UART ASYNCHRONOUS TRANSMISSION WAVEFORM
TABLE 4-6: UART ASYNCHRONOUS TRANSMISSION REQUIREMENTS
AC Specifications
Electrical Characteristics:
Standard Operating Conditions (unless otherwise specified):
Operating Temperature: -40C TA +85C (industrial)
Operating Voltage VDD range is described in Section 4.1
Param.
No. Sym Characteristic Min Typ Max Units Conditions
IR100 TTXBIT Transmit Baud rate 1152 — 1152 TOSC BAUD2:BAUD0 = 00
576 — 576 TOSC BAUD2:BAUD0 = 01
192 — 192 TOSC BAUD2:BAUD0 = 10
96 — 96 TOSC BAUD2:BAUD0 = 11
IR101 ETXBIT Transmit (TX pin) Baud rate
Error (into MCP2150) ——±2%
IR102 ETXIRBIT Transmit (TXIR pin) Baud rate
Error (out of MCP2150) (1)
——±1%
IR103 TTXRF TX pin rise time and fall time — — 25 ns
Note 1: This error is not additive to IR101 parameter.
Note: Refer to Figure 4-2 for load conditions.
IR103
TX pin
IR100
IR103
IR100 IR100 IR100
Start Bit Data Bit Data Bit Data Bit
21655C.book Page 34 Thursday, January 10, 2013 12:57 PM
2001-2012 Microchip Technology Inc. Preliminary DS21655C-page 35
MCP2150
FIGURE 4-7: UART ASYNCHRONOUS RECEIVE TIMING
TABLE 4-7: UART ASYNCHRONOUS RECEIVE REQUIREMENTS
AC Specifications
Electrical Characterisitcs:
Standard Operating Conditions (unless otherwise specified):
Operating Temperature: -40C TA +85C (industrial)
Operating Voltage VDD range is described in Section 4.1
Param.
No. Sym Characteristic Min Typ Max Units Conditions
IR110 TRXBIT Receive Baud Rate 1152 — 1152 TOSC BAUD2:BAUD0 = 00
576 — 576 TOSC BAUD2:BAUD0 = 01
192 — 192 TOSC BAUD2:BAUD0 = 10
96 — 96 TOSC BAUD2:BAUD0 = 11
IR111 ERXBIT Receive (RXIR pin) Baud rate
Error (into MCP2150)
——±1%
IR112 ERXBIT Receive (RX pin) Baud rate
Error (out of MCP2150) (1)
——±1%
IR113 TTXRF RX pin rise time and fall time ——25ns
Note 1: This error is not additive to the IR111 parameter.
Note: Refer to Figure 4-2 for load conditions.
IR113
RX pin
IR113
IR110 IR110 IR110
Start Bit Data Bit Data Bit Data Bit
IR110
21655C.book Page 35 Thursday, January 10, 2013 12:57 PM
“\“ ‘
++‘+‘++H‘
‘
‘Je
H
‘
MCP2150
DS21655C-page 36 Preliminary 2001-2012 Microchip Technology Inc.
FIGURE 4-8: TXIR WAVEFORMS
TABLE 4-8: TXIR REQUIREMENTS
AC Specifications
Electrical Characteristics:
Standard Operating Conditions (unless otherwise specified):
Operating Temperature: -40C TA +85C (industrial)
Operating Voltage VDD range is described in Section 4.1
Param.
No. Sym Characteristic Min Typ Max Units Conditions
IR100A TTXIRBIT Transmit Baud Rate 1152 — 1152 TOSC BAUD = 9600
576 — 576 TOSC BAUD = 19200
288 — 288 TOSC BAUD = 38400
192 — 192 TOSC BAUD = 57600
96 — 96 TOSC BAUD = 115200
IR121 TTXIRPW TXIR pulse width 24 — 24 TOSC
IR122 TTXIRPTXIR bit period (1) —16—TBITCLK
Note 1: TBITCLK = TTXBIT/16.
BITCLK
TXIR
0100 01
IR100A
IR121
Start Bit Data bit 7 Data bit 6 Data bit 5 Data bit ...
IR122 IR122 IR122 IR122 IR122 IR122
21655C.book Page 36 Thursday, January 10, 2013 12:57 PM
\ x \ \ x ‘ x
»H« 1 1U H 1 H ‘
r fi 4+ +l+ *F 41+ »:
2001-2012 Microchip Technology Inc. Preliminary DS21655C-page 37
MCP2150
FIGURE 4-9: RXIR WAVEFORMS
TABLE 4-9: RXIR REQUIREMENTS
AC Specifications
Electrical Characteristics:
Standard Operating Conditions (unless otherwise specified):
Operating Temperature: -40C TA +85C (industrial)
Operating Voltage VDD range is described in Section 4.1
Param.
No. Sym Characteristic Min Typ Max Units Conditions
IR110A TRXIRBIT Receive Baud Rate 1152 — 1152 TOSC BAUD = 9600
576 — 576 TOSC BAUD = 19200
288 — 288 TOSC BAUD = 38400
192 — 192 TOSC BAUD = 57600
96 — 96 TOSC BAUD = 115200
IR131A TRXIRPW RXIR pulse width 2—24TOSC
IR132 TRXIRPRXIR bit period (1) —16—TBITCLK
Note 1: TBITCLK = TRXBIT/16.
BITCLK
RXIR
0100 01
IR131A
IR110A
IR131B IR131B IR131B IR131B IR131B IR131B
Start Bit Data bit 7 Data bit 6 Data bit 5 Data bit ...
Start Bit Data bit 7 Data bit 6 Data bit 5 Data bit ...
21655C.book Page 37 Thursday, January 10, 2013 12:57 PM

MCP2150
DS21655C-page 38 Preliminary 2001-2012 Microchip Technology Inc.
NOTES:
21655C.book Page 38 Thursday, January 10, 2013 12:57 PM

2001-2012 Microchip Technology Inc. Preliminary DS21655C-page 39
MCP2150
5.0 DC AND AC CHARACTERISTICS GRAPHS AND TABLES
Not available at this time.
21655C.book Page 39 Thursday, January 10, 2013 12:57 PM

MCP2150
DS21655C-page 40 Preliminary 2001-2012 Microchip Technology Inc.
NOTES:
21655C.book Page 40 Thursday, January 10, 2013 12:57 PM
flfifififlfififi
flfifififlflflfi
XXXX
0%
XXXX
0%
HH HE HE HH HH HR HR HE HH
HHHHHHHHHHHHHH
XXX
0%
uuuuuuuuuuuuuu
HHHHHHHHHH
(1%
UUUUUUUUUU
HH HH HR HE HE HH HR HE HH
HHHHHHHHHHHHHH
XXXX
0%
UUUUUUUUUUUUUU
HHHHHHHHHH
(319
UUUUUUUUUU
NNN
2001-2012 Microchip Technology Inc. Preliminary DS21655C-page 41
MCP2150
6.0 PACKAGING INFORMATION
6.1 Package Marking Information
18-Lead PDIP (300 mil) Example:
18-Lead SOIC (300 mil) Example:
20-Lead SSOP (209 mil, 5.30 mm) Example:
XXXXXXXXXXXXXXXXX
XXXXXXXXXXXXXXXXX
XXXXXYYWWNNN
XXXXXXXXXXXXXXXXX
XXXXXXXXXXXXXXXXX
XXXXXXXXXXXXXXXXX
XXXXXYYWWNNN
XXXXXXXXXXX
XXXXXXXXXXX
XXXYYWWNNN
MCP2150I/SS
XXXXXXXXXXX
XXXYYWWNNN
MCP2150-I/SO
XXXXXXXXXXXXXXXXX
XXXXXXXXXXXXXXXXX
XXXXXYYWWNNN
MCP2150-I/P
XXXXXXXXXXXXXXXXX
XXXXXYYWWNNN
Legend: XX...X Customer-specific information
Y Year code (last digit of calendar year)
YY Year code (last 2 digits of calendar year)
WW Week code (week of January 1 is week ‘01’)
NNN Alphanumeric traceability code
Pb-free JEDEC designator for Matte Tin (Sn)
*This package is Pb-free. The Pb-free JEDEC designator ( )
can be found on the outer packaging for this package.
Note: In the event the full Microchip part number cannot be marked on one line, it will
be carried over to the next line, thus limiting the number of available
characters for customer-specific information.
3
e
3
e
21655C.book Page 41 Thursday, January 10, 2013 12:57 PM
j
J
wawwwwwwa
HHHHHHHHHHHHLu—‘HHHH
MCP2150
DS21655C-page 42 Preliminary 2001-2012 Microchip Technology Inc.
18-Lead Plastic Dual In-line (P) – 300 mil (PDIP)
1510515105
Mold Draft Angle Bottom
1510515105
Mold Draft Angle Top
10.929.407.87.430.370.310
eB
Overall Row Spacing §
0.560.460.36.022.018.014BLower Lead Width
1.781.461.14.070.058.045B1Upper Lead Width
0.380.290.20.015.012.008
c
Lead Thickness
3.433.303.18.135.130.125LTip to Seating Plane
22.9922.8022.61.905.898.890DOverall Length
6.606.356.10.260.250.240E1Molded Package Width
8.267.947.62.325.313.300EShoulder to Shoulder Width
0.38.015A1Base to Seating Plane
3.683.302.92.145.130.115A2Molded Package Thickness
4.323.943.56.170.155.140ATop to Seating Plane
2.54
.100
p
Pitch
1818
n
Number of Pins
MAXNOMMINMAXNOMMINDimension Limits
MILLIMETERSINCHES*Units
1
2
D
n
E1
c
eB
E
p
A2
L
B1
B
A
A1
* Controlling Parameter
Notes:
Dimensions D and E1 do not include mold flash or protrusions. Mold flash or protrusions shall not exceed
.010” (0.254mm) per side.
JEDEC Equivalent: MS-001
Drawing No. C04-007
§ Significant Characteristic
Note: For the most current package drawings, please see the Microchip Packaging Specification located
at http://www.microchip.com/packaging
21655C.book Page 42 Thursday, January 10, 2013 12:57 PM
2001-2012 Microchip Technology Inc. Preliminary DS21655C-page 43
MCP2150
18-Lead Plastic Small Outline (SO) – Wide, 300 mil (SOIC)
Foot Angle Top 048048
1512015120
Mold Draft Angle Bottom
1512015120
Mold Draft Angle Top
0.510.420.36.020.017.014BLead Width
0.330.280.23.013.011.009
c
Lead Thickness
1.270.840.41.050.033.016LFoot Length
0.740.500.25.029.020.010hChamfer Distance
18.0817.8717.65.712.704.695DOverall Length
7.597.497.32.299.295.288
E1
Molded Package Width
10.6710.3410.01.420.407.394EOverall Width
0.300.200.10.012.008.004A1Standoff §
2.392.312.24.094.091.088A2Molded Package Thickness
2.642.502.36.104.099.093AOverall Height
1.27.050
p
Pitch
2828
n
Number of Pins
MAXNOMMINMAXNOMMINDimension Limits
MILLIMETERSINCHES*Units
2
1
D
p
n
B
E
E1
L
c
45
h
A2
A
A1
* Controlling Parameter
Notes:
Dimensions D and E1 do not include mold flash or protrusions. Mold flash or protrusions shall not exceed
.010” (0.254mm) per side.
JEDEC Equivalent: MS-013
Drawing No. C04-052
§ Significant Characteristic
Note: For the most current package drawings, please see the Microchip Packaging Specification located
at http://www.microchip.com/packaging
21655C.book Page 43 Thursday, January 10, 2013 12:57 PM
T
i i
r
H
HUHHHUHHUH
MCP2150
DS21655C-page 44 Preliminary 2001-2012 Microchip Technology Inc.
20-Lead Plastic Shrink Small Outline (SS) – 209 mil, 5.30 mm (SSOP)
10501050
Mold Draft Angle Bottom
10501050
Mold Draft Angle Top
0.380.320.25.015.013.010BLead Width
203.20101.600.00840
Foot Angle
0.250.180.10.010.007.004
c
Lead Thickness
0.940.750.56.037.030.022LFoot Length
7.347.207.06.289.284.278DOverall Length
5.385.255.11.212.207.201E1Molded Package Width
8.187.857.59.322.309.299EOverall Width
0.250.150.05.010.006.002A1Standoff §
1.831.731.63.072.068.064A2Molded Package Thickness
1.981.851.73.078.073.068AOverall Height
0.65.026
p
Pitch
20
20
n
Number of Pins
MAXNOMMINMAXNOMMINDimension Limits
MILLIMETERSINCHES*Units
2
1
D
p
n
B
E
E1
L
c
A2
A
A1
* Controlling Parameter
Notes:
Dimensions D and E1 do not include mold flash or protrusions. Mold flash or protrusions shall not exceed
.010” (0.254mm) per side.
JEDEC Equivalent: MO-150
Drawing No. C04-072
§ Significant Characteristic
Note: For the most current package drawings, please see the Microchip Packaging Specification located
at http://www.microchip.com/packaging
21655C.book Page 44 Thursday, January 10, 2013 12:57 PM

2001-2012 Microchip Technology Inc. Preliminary DS21655C-page 45
MCP2150
APPENDIX A: REVISION HISTORY
Revision A
• This is a new data sheet
Revision B
• Updated feature list
• Enhanced pin descriptions. Refer to Ta ble 1-2
• Added description for programmable device ID
• Standardize use of terms for Host Controller and
Primary Device
Revision C (December 2012)
• Added a note to each package outline drawing.
21655C.book Page 45 Thursday, January 10, 2013 12:57 PM

MCP2150
DS21655C-page 46 Preliminary 2001-2012 Microchip Technology Inc.
NOTES:
21655C.book Page 46 Thursday, January 10, 2013 12:57 PM

2001-2012 Microchip Technology Inc. DS21655C-page 47
THE MICROCHIP WEB SITE
Microchip provides online support via our WWW site at
www.microchip.com. This web site is used as a means
to make files and information easily available to
customers. Accessible by using your favorite Internet
browser, the web site contains the following
information:
•Product Support – Data sheets and errata,
application notes and sample programs, design
resources, user’s guides and hardware support
documents, latest software releases and archived
software
•General Technical Support – Frequently Asked
Questions (FAQ), technical support requests,
online discussion groups, Microchip consultant
program member listing
•Business of Microchip – Product selector and
ordering guides, latest Microchip press releases,
listing of seminars and events, listings of
Microchip sales offices, distributors and factory
representatives
CUSTOMER CHANGE NOTIFICATION
SERVICE
Microchip’s customer notification service helps keep
customers current on Microchip products. Subscribers
will receive e-mail notification whenever there are
changes, updates, revisions or errata related to a
specified product family or development tool of interest.
To register, access the Microchip web site at
www.microchip.com. Under “Support”, click on
“Customer Change Notification” and follow the
registration instructions.
CUSTOMER SUPPORT
Users of Microchip products can receive assistance
through several channels:
• Distributor or Representative
• Local Sales Office
• Field Application Engineer (FAE)
• Technical Support
Customers should contact their distributor,
representative or field application engineer (FAE) for
support. Local sales offices are also available to help
customers. A listing of sales offices and locations is
included in the back of this document.
Technical support is available through the web site
at: http://microchip.com/support
21655C.book Page 47 Thursday, January 10, 2013 12:57 PM

DS21655C-page 48 2001-2012 Microchip Technology Inc.
READER RESPONSE
It is our intention to provide you with the best documentation possible to ensure successful use of your Microchip
product. If you wish to provide your comments on organization, clarity, subject matter, and ways in which our
documentation can better serve you, please FAX your comments to the Technical Publications Manager at
(480) 792-4150.
Please list the following information, and use this outline to provide us with your comments about this document.
TO: Technical Publications Manager
RE: Reader Response Total Pages Sent ________
From: Name
Company
Address
City / State / ZIP / Country
Telephone: (_______) _________ - _________
Application (optional):
Would you like a reply? Y N
Device: Literature Number:
Questions:
FAX: (______) _________ - _________
DS21655C
1. What are the best features of this document?
2. How does this document meet your hardware and software development needs?
3. Do you find the organization of this document easy to follow? If not, why?
4. What additions to the document do you think would enhance the structure and subject?
5. What deletions from the document could be made without affecting the overall usefulness?
6. Is there any incorrect or misleading information (what and where)?
7. How would you improve this document?
21655C.book Page 48 Thursday, January 10, 2013 12:57 PM
PART no.
x
4:
Sales and Suggnrt
2001-2012 Microchip Technology Inc. Preliminary DS21655C-page 49
MCP2150
PRODUCT IDENTIFICATION SYSTEM
To order or obtain information, e.g., on pricing or delivery, refer to the factory or the listed sales office.
Sales and Support
Data Sheets
Products supported by a preliminary Data Sheet may have an errata sheet describing minor operational differences and recom-
mended workarounds. To determine if an errata sheet exists for a particular device, please contact one of the following:
1. Your local Microchip sales office
2. The Microchip Worldwide Site (www.microchip.com)
Please specify which device, revision of silicon and Data Sheet (include Literature #) you are using.
New Customer Notification System
Register on our web site (www.microchip.com/cn) to receive the most current information on our products.
PART NO. X/XX
PackageTemperature
Range
Device
Device MCP2150: Infrared Communications Controller
MCP2150T: Infrared Communications Controller
(Tape and Reel)
Temperature Range I = -40C to +85C
Package P = Plastic DIP (300 mil, Body), 18-lead
SO = Plastic SOIC (300 mil, Body), 18-lead
SS = Plastic SSOP (209 mil, Body), 20-lead
Examples:
a) MCP2150-I/P = Industrial Temp.,
PDIP packaging
b) MCP2150-I/SO = Industrial Temp.,
SOIC package
c) MCP2150T-I/SS = Tape and Reel,
Industrial Temp., SSOP package
21655C.book Page 49 Thursday, January 10, 2013 12:57 PM

MCP2150
DS21655C-page 50 Preliminary 2001-2012 Microchip Technology Inc.
NOTES:
21655C.book Page 50 Thursday, January 10, 2013 12:57 PM

2001-2012 Microchip Technology Inc. Preliminary DS21655C-page 51
Information contained in this publication regarding device
applications and the like is provided only for your convenience
and may be superseded by updates. It is your responsibility to
ensure that your application meets with your specifications.
MICROCHIP MAKES NO REPRESENTATIONS OR
WARRANTIES OF ANY KIND WHETHER EXPRESS OR
IMPLIED, WRITTEN OR ORAL, STATUTORY OR
OTHERWISE, RELATED TO THE INFORMATION,
INCLUDING BUT NOT LIMITED TO ITS CONDITION,
QUALITY, PERFORMANCE, MERCHANTABILITY OR
FITNESS FOR PURPOSE. Microchip disclaims all liability
arising from this information and its use. Use of Microchip
devices in life support and/or safety applications is entirely at
the buyer’s risk, and the buyer agrees to defend, indemnify and
hold harmless Microchip from any and all damages, claims,
suits, or expenses resulting from such use. No licenses are
conveyed, implicitly or otherwise, under any Microchip
intellectual property rights.
Trademarks
The Microchip name and logo, the Microchip logo, dsPIC,
FlashFlex, KEELOQ, KEELOQ logo, MPLAB, PIC, PICmicro,
PICSTART, PIC32 logo, rfPIC, SST, SST Logo, SuperFlash
and UNI/O are registered trademarks of Microchip Technology
Incorporated in the U.S.A. and other countries.
FilterLab, Hampshire, HI-TECH C, Linear Active Thermistor,
MTP, SEEVAL and The Embedded Control Solutions
Company are registered trademarks of Microchip Technology
Incorporated in the U.S.A.
Silicon Storage Technology is a registered trademark of
Microchip Technology Inc. in other countries.
Analog-for-the-Digital Age, Application Maestro, BodyCom,
chipKIT, chipKIT logo, CodeGuard, dsPICDEM,
dsPICDEM.net, dsPICworks, dsSPEAK, ECAN,
ECONOMONITOR, FanSense, HI-TIDE, In-Circuit Serial
Programming, ICSP, Mindi, MiWi, MPASM, MPF, MPLAB
Certified logo, MPLIB, MPLINK, mTouch, Omniscient Code
Generation, PICC, PICC-18, PICDEM, PICDEM.net, PICkit,
PICtail, REAL ICE, rfLAB, Select Mode, SQI, Serial Quad I/O,
Total Endurance, TSHARC, UniWinDriver, WiperLock, ZENA
and Z-Scale are trademarks of Microchip Technology
Incorporated in the U.S.A. and other countries.
SQTP is a service mark of Microchip Technology Incorporated
in the U.S.A.
GestIC and ULPP are registered trademarks of Microchip
Technology Germany II GmbH & Co. & KG, a subsidiary of
Microchip Technology Inc., in other countries.
All other trademarks mentioned herein are property of their
respective companies.
© 2001-2012, Microchip Technology Incorporated, Printed in
the U.S.A., All Rights Reserved.
Printed on recycled paper.
ISBN: 9781620768860
Note the following details of the code protection feature on Microchip devices:
• Microchip products meet the specification contained in their particular Microchip Data Sheet.
• Microchip believes that its family of products is one of the most secure families of its kind on the market today, when used in the
intended manner and under normal conditions.
• There are dishonest and possibly illegal methods used to breach the code protection feature. All of these methods, to our
knowledge, require using the Microchip products in a manner outside the operating specifications contained in Microchip’s Data
Sheets. Most likely, the person doing so is engaged in theft of intellectual property.
• Microchip is willing to work with the customer who is concerned about the integrity of their code.
• Neither Microchip nor any other semiconductor manufacturer can guarantee the security of their code. Code protection does not
mean that we are guaranteeing the product as “unbreakable.”
Code protection is constantly evolving. We at Microchip are committed to continuously improving the code protection features of our
products. Attempts to break Microchip’s code protection feature may be a violation of the Digital Millennium Copyright Act. If such acts
allow unauthorized access to your software or other copyrighted work, you may have a right to sue for relief under that Act.
Microchip received ISO/TS-16949:2009 certification for its worldwide
headquarters, design and wafer fabrication facilities in Chandler and
Tempe, Arizona; Gresham, Oregon and design centers in California
and India. The Company’s quality system processes and procedures
are for its PIC® MCUs and dsPIC® DSCs, KEELOQ® code hopping
devices, Serial EEPROMs, microperipherals, nonvolatile memory and
analog products. In addition, Microchip’s quality system for the design
and manufacture of development systems is ISO 9001:2000 certified.
QUALITY MANAGEMENT SYSTEM
CERTIFIED BY DNV
== ISO/TS 16949 ==
21655C.book Page 51 Thursday, January 10, 2013 12:57 PM
Q
MICRDCHIP
DS21655C-page 52 Preliminary 2001-2012 Microchip Technology Inc.
AMERICAS
Corporate Office
2355 West Chandler Blvd.
Chandler, AZ 85224-6199
Tel: 480-792-7200
Fax: 480-792-7277
Technical Support:
http://www.microchip.com/
support
Web Address:
www.microchip.com
Atlanta
Duluth, GA
Tel: 678-957-9614
Fax: 678-957-1455
Boston
Westborough, MA
Tel: 774-760-0087
Fax: 774-760-0088
Chicago
Itasca, IL
Tel: 630-285-0071
Fax: 630-285-0075
Cleveland
Independence, OH
Tel: 216-447-0464
Fax: 216-447-0643
Dallas
Addison, TX
Tel: 972-818-7423
Fax: 972-818-2924
Detroit
Farmington Hills, MI
Tel: 248-538-2250
Fax: 248-538-2260
Indianapolis
Noblesville, IN
Tel: 317-773-8323
Fax: 317-773-5453
Los Angeles
Mission Viejo, CA
Tel: 949-462-9523
Fax: 949-462-9608
Santa Clara
Santa Clara, CA
Tel: 408-961-6444
Fax: 408-961-6445
Toronto
Mississauga, Ontario,
Canada
Tel: 905-673-0699
Fax: 905-673-6509
ASIA/PACIFIC
Asia Pacific Office
Suites 3707-14, 37th Floor
Tower 6, The Gateway
Harbour City, Kowloon
Hong Kong
Tel: 852-2401-1200
Fax: 852-2401-3431
Australia - Sydney
Tel: 61-2-9868-6733
Fax: 61-2-9868-6755
China - Beijing
Tel: 86-10-8569-7000
Fax: 86-10-8528-2104
China - Chengdu
Tel: 86-28-8665-5511
Fax: 86-28-8665-7889
China - Chongqing
Tel: 86-23-8980-9588
Fax: 86-23-8980-9500
China - Hangzhou
Tel: 86-571-2819-3187
Fax: 86-571-2819-3189
China - Hong Kong SAR
Tel: 852-2943-5100
Fax: 852-2401-3431
China - Nanjing
Tel: 86-25-8473-2460
Fax: 86-25-8473-2470
China - Qingdao
Tel: 86-532-8502-7355
Fax: 86-532-8502-7205
China - Shanghai
Tel: 86-21-5407-5533
Fax: 86-21-5407-5066
China - Shenyang
Tel: 86-24-2334-2829
Fax: 86-24-2334-2393
China - Shenzhen
Tel: 86-755-8864-2200
Fax: 86-755-8203-1760
China - Wuhan
Tel: 86-27-5980-5300
Fax: 86-27-5980-5118
China - Xian
Tel: 86-29-8833-7252
Fax: 86-29-8833-7256
China - Xiamen
Tel: 86-592-2388138
Fax: 86-592-2388130
China - Zhuhai
Tel: 86-756-3210040
Fax: 86-756-3210049
ASIA/PACIFIC
India - Bangalore
Tel: 91-80-3090-4444
Fax: 91-80-3090-4123
India - New Delhi
Tel: 91-11-4160-8631
Fax: 91-11-4160-8632
India - Pune
Tel: 91-20-2566-1512
Fax: 91-20-2566-1513
Japan - Osaka
Tel: 81-6-6152-7160
Fax: 81-6-6152-9310
Japan - Tokyo
Tel: 81-3-6880- 3770
Fax: 81-3-6880-3771
Korea - Daegu
Tel: 82-53-744-4301
Fax: 82-53-744-4302
Korea - Seoul
Tel: 82-2-554-7200
Fax: 82-2-558-5932 or
82-2-558-5934
Malaysia - Kuala Lumpur
Tel: 60-3-6201-9857
Fax: 60-3-6201-9859
Malaysia - Penang
Tel: 60-4-227-8870
Fax: 60-4-227-4068
Philippines - Manila
Tel: 63-2-634-9065
Fax: 63-2-634-9069
Singapore
Tel: 65-6334-8870
Fax: 65-6334-8850
Taiwan - Hsin Chu
Tel: 886-3-5778-366
Fax: 886-3-5770-955
Taiwan - Kaohsiung
Tel: 886-7-213-7828
Fax: 886-7-330-9305
Taiwan - Taipei
Tel: 886-2-2508-8600
Fax: 886-2-2508-0102
Thailand - Bangkok
Tel: 66-2-694-1351
Fax: 66-2-694-1350
EUROPE
Austria - Wels
Tel: 43-7242-2244-39
Fax: 43-7242-2244-393
Denmark - Copenhagen
Tel: 45-4450-2828
Fax: 45-4485-2829
France - Paris
Tel: 33-1-69-53-63-20
Fax: 33-1-69-30-90-79
Germany - Munich
Tel: 49-89-627-144-0
Fax: 49-89-627-144-44
Italy - Milan
Tel: 39-0331-742611
Fax: 39-0331-466781
Netherlands - Drunen
Tel: 31-416-690399
Fax: 31-416-690340
Spain - Madrid
Tel: 34-91-708-08-90
Fax: 34-91-708-08-91
UK - Wokingham
Tel: 44-118-921-5869
Fax: 44-118-921-5820
Worldwide Sales and Service
11/29/12
21655C.book Page 52 Thursday, January 10, 2013 12:57 PM
Products related to this Datasheet
IC IRDA STD CONTROLLER 20SSOP
IC IRDA STD CONTROLLER 18SOIC
IC IRDA STD CONTROLLER 18DIP
IC IRDA STD CONTROLLER 20SSOP
IC IRDA STD CONTROLLER 18SOIC
BOARD DEMO FOR MCP2150