ST-32 Datasheet by Vishay Beyschlag/Draloric/BC Components
View All Related Products | Download PDF Datasheet
VISHAY»
®
w
riiJijr *7
m J
PVT
L; J, J
caga‘suggan@vishay.com
www.vishay.com For technical questions contact: copalsupport@vishay.com Document Number: 58009
1Revision: 06-Mar-06
ST-32
Vishay
Surface Mount Cermet Trimmers (single turn)
FEATURES
•Lead (Pb)-free soldering, Cadmium-free
•Top and side adjustment styles
•Rotor with a cross slot for ease of adjustment
•Leaded terminals provide strong as adhesive strength
against P.C.B. bending
•J-hook, Gull wing and leaded terminal configurations
•Sealed / Washable
•RoHS compliant
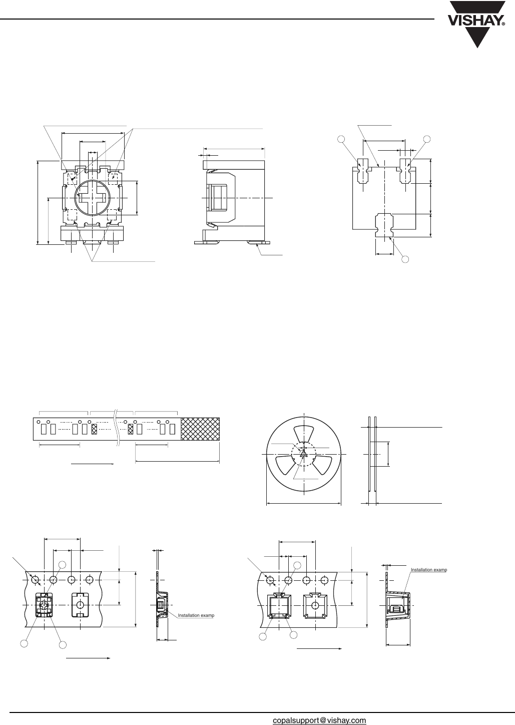
(Unit: mm)
ST-32A, G, EA, EG ST-32B, H, EB, EH
For reflow soldering
1.2 0.8
3.2
1.2
0
1.6
5.1
9.0
6.4
12.1
Note) The zero point is the center of mounting.
1.2 0.8
3.2
1.2
0
1.6
2.29.0
6
19.1
DIMENSIONS in millimeters
RECOMMENDED P.C.B. PAD OUTLINE DIMENSIONS
\‘_'\
:1
L
‘_J
m
‘=fi
\
fir
\\
\
14
q/‘zfi
VISHAY..
‘
.F
x
\
TLJ
\
,w,
'w
\
TLJ
‘
_ Vu-y-J
\
L
\
co alsu orl@msha .com
Document Number: 58009 For technical questions contact: copalsupport@vishay.com www.vishay.com
Revision: 06-Mar-06 2
ST-32
Surface Mount Cermet Trimmers (single turn) Vishay
Unless otherwise specified, tolerance: ± 0.3 (Unit: mm)
ST-32A, ST-32EA
Top adjustment
Note the terminal position.
1.5
2
0.5
4.3
9.1
5.3
2
3.4 2 2.1
0.05 2 - 0.7
1
3
Cross slot for a 0 bit driver, depth: 0.45
Resistance code 2 digits
t = 0.12
Production date code & Lead (Pb)-free Identification mark
1 digit (Location reversed every 2 years)
0.6
1
CW rotation
1
2
3
ST-32B, ST-32EB
Top adjustment
1.5
2
0.5
4.3
9.1
4.4
2
3.4 2 2.1
0.05 2 - 0.7
1
3
Cross slot for a 0 bit driver, depth: 0.45
Resistance code 2 digits
1
t = 0.12
Production date code & Lead (Pb)-free Identification mark
1 digit (Location reversed every 2 years)
ST-32G, ST-32EG
Side adjustment
1.5
0.5
7.4
9.1
6.2
3.6
Cross slot for a 0 bit driver, depth: 0.45
Resistance code 2 digits
Adjustment
0.2
3.5 2.4
1
7.11.11
2 - 0.6
31
2
t = 0.12
Production date code & Lead (Pb)-free Identification mark
1 digit (Location reversed every 2 years)
Unless otherwise specified, tolerance: ± 0.3 (Unit: mm)
Note the terminal position.
CW rotation
1
2
3
DIMENSIONS in millimeters
OUTLINE DIMENSIONS
Specifications are subject to change without notice. Specifications in this catalog are for reference. The formal specification sheets will be
submitted upon request.
°a°n °D°D
°D°D m
Document Number: 58009 For technical questions contact: copalsupport@vishay.com www.vishay.com
Revision: 06-Mar-06 3
ST-32
Vishay Surface Mount Cermet Trimmers (single turn)
Taping packaging specifications
Taping version is packaged in 500 pcs. per reel.
Orders will be accepted for units of 500 pcs., i.e., 500, 1000, 1500 pcs., etc.
ST-32TA, ETA, TB and ETB versions are boxed with 4 reels (2000 pcs.). ST-32TG, ETG, TH and ETH versions are boxed
with one reel (500 pcs.).
Maximum number of consecutive missing pieces = 2
Leader length and reel dimension are shown in the diagrams below.
EMBOSSED TAPE DIMENSIONSREEL DIMENSIONS
(Conforms to JIS C 0806-3)
(In accordance with EIAJ ET-7200A)
(Unit: mm)
13.4 ± 1 (TG/TH/ETG/ETH)
17.4 ± 1 (TG/TH/ETG/ETH)
15.4 ± 1 (TA/TB/ETA/ETB)
13 (TA/TB/ETA/ETB)
+1
0
(TA/TB)
1
+
0
Ø 180 0
-1.5
(ST-32TA/TB/ETA/ETB)
Ø 21 ± 0.82 ± 0.5
0
Ø 6
Ø 254 ± 2
(ST-32TG/TH/ETG/ETH)
0Ø 8± 1 (TG/TH)
Empty Filled Empty
40 mm min. 20 pitches min.
Direction of feed
HeadEnd
Leader 400 mm min.
Vinyl bag packaging specifications
Unit of bulk in vinyl bag packaging is 100 pcs. per pack.
Boxing of bulk in vinyl bags is performed with 500 pcs. per box.
ST-32TA, TB, ETA, ETB
2
4 ± 0.1 2 ± 0.05
1.75 ± 0.1
5.5 ± 0.05
21
5.
Ø 1 1
.
0+
0
8 ± 0.1
1
3
0.3 ± 0.1
2.5
Installation example
(ST-32A, EA)
Direction of feed
ST-32TG, TH, ETG, ETH
2
4 ± 0.1
2 ± 0.1
1.75 ± 0.1
5.5 ± 0.05
21
5.Ø 1 1
.
0
+
0
8 ± 0.1
1
3
0.4 ± 0.1
5.5 max.
Installation example
(ST-32H, EH)
Direction of feed
Ø 13 ± 0.2
ST-32H, ST-32EH
Side adjustment
1.5
0.5
7.4
9.1
6.2
3.6
Cross slot for a 0 bit driver, depth: 0.45
Resistance code 2 digits
Adjustment
0.2
3.5
2.4
1
7.13.14.1
2 - 0.6
31
2
t = 0.12
Production date code & Lead (Pb)-free Identification mark
1 digit (Location reversed every 2 years)
DIMENSIONS in millimeters
PACKAGING SPECIFICATIONS
Specifications are subject to change without notice. Specifications in this catalog are for reference. The formal specification sheets will be submitted upon request.
—
VISHAYE
cogalsugponalwshaymm
Document Number: 58009 For technical questions contact: copalsupport@vishay.com www.vishay.com
Revision: 06-Mar-06 4
ST-32
Surface Mount Cermet Trimmers (single turn) Vishay
MECHANICAL SPECIFICATIONS
Mechanical turn 250 ° (1 turn)
Operating torque 5 mN m {51 gf cm} maximum
Stop Strength 20 mN m {204 gf cm} minimum
Rotational life 100 cycles
[ΔR/R ≤ ± (2 Ω + 3 %)]
Thrust to rotor 5 N {0.51 kgf} minimum
Solderability Sn-Pb: 235 °C, 2 s
Sn-Cu (Lead (Pb)-free): 245 ± 3 °C, 2 ∼ 3 s
Shear (Adhesion) 5 N {0.51 kgf} 10 s
Substrate bending Width 90 mm, bend 3 mm, 5 s, 1 time
Pull-off strength 5 N {0.51 kgf} 10 s
ELECTRICAL CHARACTERISTICS
Nominal resistance
range 10 Ω ∼ 2 MΩ
Resistance tolerance ± 20 %
Power ratings 0.125 W (70 °C) 0 W (125 °C)
Resistance law Linear law (B)
Maximum input
voltage
DC200 V or power rating, whichever is
smaller
Maximum wiper
current
100 mA or power rating, whichever is
smaller
Effective electrical
angle 210 ° (1 turn)
End resistance 1 % or 2 Ω, whichever is greater
C.R.V. 1 % or 3 Ω, whichever is greater
Operating temp. range - 55 ∼ 125 °C
Temp. coefficient 10 Ω ∼ 50 Ω: ± 250 10-6 /°C maximum
100 Ω ∼ 2 MΩ: ± 100 10-6 /°C maximum
Insulation resistance 1000 MΩ minimum (DC500 V)
Dielectric strength AC500 V, 60 s
Net weight Approx. 0.05 g (ST-32A, B, EA, EB)
Approx. 0.11 g (ST-32G, H, EG, EH)
ENVIRONMENTAL SPECIFICATIONS
Test item Test conditions Specifications
Thermal shock - 65 ∼ 125 °C (0.5 h),
5 cycles
[ΔR/R ≤ 2 %]
[S.S. ≤ 1 %]
Humidity
- 10 ∼ 65 °C (Relative
humidity 80 ∼ 98 %),
10 cycles, 240 h
[ΔR/R ≤ 2 %]
Shock
981 m/s2, 6 ms
6 directions for 3 times
each
[ΔR/R ≤ 1 %]
[S.S. ≤ 1 %]
Vibration
Amplitude 1.52 mm or
Acceleration 196 m/s2,
10 ∼ 2000 Hz,
3 directions, 12 times
each
Load Life 70 °C, 0.125 W, 1000 h [ΔR/R ≤ 3 %]
[S.S. ≤ 1 %]
Low
temperature
operation
- 55 °C, 2 h [ΔR/R ≤ 2 %]
[S.S. ≤ 2 %]
High
temperature
exposure
125 °C, 250 h [ΔR/R ≤ 3 %]
[S.S. ≤ 2 %]
Immersion seal 85 °C, 60 s No leaks (No
continuous bubbles)
Soldering heat
Sn-Pb
260 °C, 10 s or 215 °C,
35 s
[ΔR/R ≤ 1 %]
S-Cu
Flow: 260 °C ± 3 °C as
the temperature in a pot
of molten solder,
immersion from head of
terminal to backside of
board, 5 ∼ 6 s, two times
maximum
Reflow: Peak
temperature 255 °C
(Please refer to the
profile below.)
Manual soldering:
350 ± 10 °C, 3 ∼ 4 s
Reflow profile for soldering heat evaluation
Reflow : two times maximum
Peak : 250
Over 230 °C
Pre Heating Zone
180°C
(°C)
250
200
150
100
50
150°C
90 ± 30 s
30 ± 10 s
Soldering Zone
Heating time
Te
r
u
ta
re
p
me
°C
+5
0
VISI-MYQ
co a‘su on@wsha .com
Document Number: 58009 For technical questions contact: copalsupport@vishay.com www.vishay.com
Revision: 06-Mar-06 5
ST-32
Vishay Surface Mount Cermet Trimmers (single turn)
The products indicated by * mark are manufactured upon
receipt of order basis
CFC’s, Halon, Carbon tetrachloride and designated bromic flame
retardant PBBOs and PBBs are not used in our products.
The products indicated by * mark are manufactured upon
receipt of order basis.
* The above part numbers are all available with the
respective combination of <Nominal resitance values>
(Fig.1)
* Verify the above part numbers when placing orders.
* Taping specification is not sold seperately and must be
purchased in reel units.
MAXIMUM INPUT RATINGS
Nominal
resistance
values (Ω)
Resistance
code
Maximum
input voltage
(V)
Maximum
wiper current
(mA)
10* 11 1.00 100
20* 21 1.58 79.1
50 51 2.50 50.0
100 12 3.53 35.4
200 22 5.00 25.0
300 32 6.12 20.4
500 52 7.91 15.8
1 k 13 11.2 11.2
2 k 23 15.8 7.91
3 k 33 19.4 6.45
5 k 53 25.0 5.00
10 k 14 35.4 3.54
20 k 24 50.0 2.50
30 k 34 61.2 2.04
50 k 54 79.1 1.58
100 k 15 112 1.12
200 k 25 158 0.79
500 k 55 200 0.40
1 M 16 200 0.20
2 M 26 200 0.10
CONSTRUCTION
Part Name Material Flammability
1 Wiper Multi metal alloy
-
2Cover Stainless steel
(SUS 304)
3 Housing
Epoxy UL-94V-0
4 Terminal pin
Sn-Pb
Copper alloy,
Solder-plated
-
Sn-Cu
Copper alloy,
Sn-Cu-plated
5 Base element Ceramic
6 “O” ring Silicone rubber
UL-94HB
7 Rotor PPS
(Polyphenylenesulphide)
UL-94V-0
8 Electrode Ag-Pd cermet -
9 Resistive element RuO2 cermet
LIST OF PART NUMBERS
Form of packing
Taping (reel) Vinyl bag
Adjustment
position Shape of terminal Sn-Pb Sn-Cu
(Lead (Pb)-free) Sn-Pb Sn-Cu
(Lead (Pb)-free)
Top
adjustment
A (J-hook) ST-32TA ST-32ETA ST-532A ST-32EA
B (Gull-wing) ST-32TB ST-32ETB ST-32B ST-32EB
Side
adjustment
G (J-hook) ST-32TG ST-32ETG ST-32G ST-32EG
H (Gull-wing) ST-32TH ST-32ETH ST-32H ST-32EH
Pieces in package 500 pcs./reel 100 pcs./reel
FIG. 1: NOMINAL RESISTANCE VALUES
10 Ω∗ 20 Ω∗ 50 Ω100 Ω200 Ω300 Ω500 Ω
1 kΩ2 kΩ3 kΩ5 kΩ10 kΩ20 kΩ30 kΩ
50 kΩ100 kΩ200 kΩ500 kΩ1 MΩ2 MΩ-
2
3
498
5
6
7
1
—
VISHAYE
cogalsuggort©wshay.com
Document Number: 58009 For technical questions contact: copalsupport@vishay.com www.vishay.com
Revision: 06-Mar-06 6
ST-32
Surface Mount Cermet Trimmers (single turn) Vishay
This product is manufactured by Copal Electronic Co. Ltd. of Tokyo, Japan and distributed by Vishay in North and South America only.
This product is not available from Vishay outside of North or South America.
ORDERING INFORMATION
ST-32 T A 204
SERIES NAME TEMINAL PIN FORM OF
PACKAGING
PRODUCT SHAPE (SHAPE
OF TERMINAL)
RESISTANCE CODE
Blank: Sn-Pb T: Taping (Reel) A, G: J-hook
E: Sn-Cu (Lead
(Pb)-free)
Blank: Bulk in vinyl
bags
B, H: Gull wing
—
VISHAYe
V
Legal Disclaimer Notice
Vishay
Document Number: 91000 www.vishay.com
Revision: 08-Apr-05 1
Notice
Specifications of the products displayed herein are subject to change without notice. Vishay Intertechnology, Inc.,
or anyone on its behalf, assumes no responsibility or liability for any errors or inaccuracies.
Information contained herein is intended to provide a product description only. No license, express or implied, by
estoppel or otherwise, to any intellectual property rights is granted by this document. Except as provided in Vishay's
terms and conditions of sale for such products, Vishay assumes no liability whatsoever, and disclaims any express
or implied warranty, relating to sale and/or use of Vishay products including liability or warranties relating to fitness
for a particular purpose, merchantability, or infringement of any patent, copyright, or other intellectual property right.
The products shown herein are not designed for use in medical, life-saving, or life-sustaining applications.
Customers using or selling these products for use in such applications do so at their own risk and agree to fully
indemnify Vishay for any damages resulting from such improper use or sale.
Products related to this Datasheet
TRIMMER 10 OHM 0.125W J LEAD TOP
TRIMMER 20 OHM 0.125W J LEAD TOP
TRIMMER 50 OHM 0.125W J LEAD TOP
TRIMMER 100OHM 0.125W J LEAD TOP
TRIMMER 200OHM 0.125W J LEAD TOP
TRIMMER 300OHM 0.125W J LEAD TOP
TRIMMER 500OHM 0.125W J LEAD TOP
TRIMMER 1K OHM 0.125W J LEAD TOP
TRIMMER 3K OHM 0.125W J LEAD TOP
TRIMMER 2K OHM 0.125W J LEAD TOP
TRIMMER 5K OHM 0.125W J LEAD TOP
TRIMMER 10KOHM 0.125W J LEAD TOP
TRIMMER 20KOHM 0.125W J LEAD TOP
TRIMMER 30KOHM 0.125W J LEAD TOP
TRIMMER 50KOHM 0.125W J LEAD TOP
TRIMMER 100K OHM 0.125W J LEAD
TRIMMER 200K OHM 0.125W J LEAD
TRIMMER 500K OHM 0.125W J LEAD
TRIMMER 1M OHM 0.125W J LEAD TOP
TRIMMER 10 OHM 0.125W GW TOP ADJ
TRIMMER 20 OHM 0.125W GW TOP ADJ
TRIMMER 50 OHM 0.125W GW TOP ADJ
TRIMMER 100 OHM 0.125W GW TOP
TRIMMER 200 OHM 0.125W GW TOP
TRIMMER 300 OHM 0.125W GW TOP
TRIMMER 500 OHM 0.125W GW TOP
TRIMMER 1K OHM 0.125W GW TOP ADJ
TRIMMER 2K OHM 0.125W GW TOP ADJ
TRIMMER 3K OHM 0.125W GW TOP ADJ
TRIMMER 5K OHM 0.125W GW TOP ADJ