STF701 Datasheet by Semtech Corporation

View All Related Products | Download PDF Datasheet
a SEMTECH — OUT - OU T
PROTECTION PRODUCTS
1www.semtech.com
PROTECTION PRODUCTS
STF701
T-Filter with TVS Diode Array
For EMI Filtering and ESD Protection
Description Features
Circuit Diagram Schematic & PIN Configuration
Revision 04/18/03
The STF701 is a low pass T-filter with integrated TVS
diodes. It is designed to provide bi-directional filtering
of unwanted EMI/RFI signals and electrostatic dis-
charge (ESD) protection in portable electronic equip-
ment. Each device will provide filtering and protection
for two I/O lines.
The STF701 is constructed using thin-film-on-silicon
technology. The device has very low insertion loss in
the pass band (to approximately 10MHz) and good
attenuation at high frequencies (approximately
100MHz to 1GHz). Each line features two stages of
TVS diode protection. The TVS diodes provide effec-
tive suppression of ESD voltages in excess of ±15kV
(air discharge) and ±8kV (contact discharge) per IEC
61000-4-2, level 4.
The clamping characteristics of the device are opti-
mized by the use of two TVS diodes. The TVS diodes
serve a dual purpose of protecting the internal capaci-
tor and the sensitive IC connected to the line. The
voltage divider action of the circuit means the voltage
across the protected IC will be very close to the break-
down voltage (VBR) of the second TVS.
The small size and integrated feature of the STF701
minimizes required board space and increases system
reliability. The STF701 is suitable for use in portable
communications devices such as cellular handsets and
accessory kits.
Applications
Mechanical Characteristics
Cell phone handsets
Cell phone accessories
RF Communications equipment
Laptop Computers
Two-way pagers
GPS Devices
Bidirectional EMI/RFI filtering with integrated ESD
protection
ESD protection to
IEC 61000-4-2 (ESD) ±15kV (air), ±8kV (contact)
IEC 61000-4-4 (EFT) 40A (5/50ns)
Filtering and ESD protection for two data lines
Low insertion loss to 10MHz
Good attenuation of high frequency signals
Low TVS operating voltage (5V)
Low clamping voltage
Low leakage current
Thin-film-on-silicon technology
EIAJ SC70-5L package
Molding compound flammability rating: UL 94V-0
Marking : 701
Packaging : Tape and Reel per EIA 481
SC70-5L (Top View)
a SEMTECH
22003 Semtech Corp. www.semtech.com
PROTECTION PRODUCTS
STF701
Absolute Maximum Rating
Electrical Characteristics
gnitaRlobmySeulaVstinU
rewoPetatS-ydaetSP
kp
001Wm
2-4-00016CEIrepegrahcsiDriADSE
2-4-00016CEIrepegrahcsiDtcatnoCDSE V
DSE
51
8Vk
erutarepmeTgniredloSdaeLT
L
).ces01(062C°
erutarepmeTgnitarepOT
J
521+ot02-C°
erutarepmeTegarotST
GTS
051+ot55-C°
107FTS
retemaraPlobmySsnoitidnoCmuminiMlacipyTmumixaMstinU
egatloVffO-dnatSesreveRSVTV
MWR
5V
egatloVnwodkaerBesreveRSVTV
RB
I
t
Am1=6 V
tnerruCegakaeLesreveRSVTI
R
V
MWR
C°52=T,V5=5Aµ
tnerruCegakaeLesreveRSVTI
R
V
MWR
C°52=T,V3.3=1Aµ
ecnaticapaCnoitcnuJSVTC
j
dnasnipO/IneewteB
ecivedhcae,dnuorG
V
R
zHM1=f,V0=
56Fp
ecnatsiseRseireSlatoTReniLhcaE540555
roticapaCCeniLhcaE001Fp
ecnaticapaClatoTC
TOT
dnatupnIneewteB
eniLhcae,tuptuO
V
R
zHM1=f,V0=
032Fp
a SEMTECH — — +1 32, wag Mar; 5 dE/ REF 2 as 1 -1a 97 as 5”“ EB 74 7 " ‘ Tek Rum] flung/5E Sample m l 2.. T V 2 ah, «‘5 r M50.0ns C If 2.95V mun 23- mm MHz gm»: 3 am am mm m: C] Max 6.76V
32003 Semtech Corp. www.semtech.com
PROTECTION PRODUCTS
PROTECTION PRODUCTS
STF701
Typical Characteristics
Normalized Breakdown Voltage vs. Temperature
Typical Insertion Loss
Normalized Resistance vs. Temperature
Measurement taken with Hewlett Packard Model
8753E Network Analyzer
ycneuqerFnoitaunettA
zHM001Bd57.01-
zHG1Bd17.41-
0.9
0.95
1
1.05
1.1
-40 10 60 110
Temperature (OC)
|VBR|
0.9
0.95
1
1.05
1.1
-40 10 60 110
Temperature (OC)
|R|
ESD Clamping
(8kV Contact per IEC 61000-4-2)
a SEMTECH W 0—o—A/W OW v’ou T
42003 Semtech Corp. www.semtech.com
PROTECTION PRODUCTS
STF701
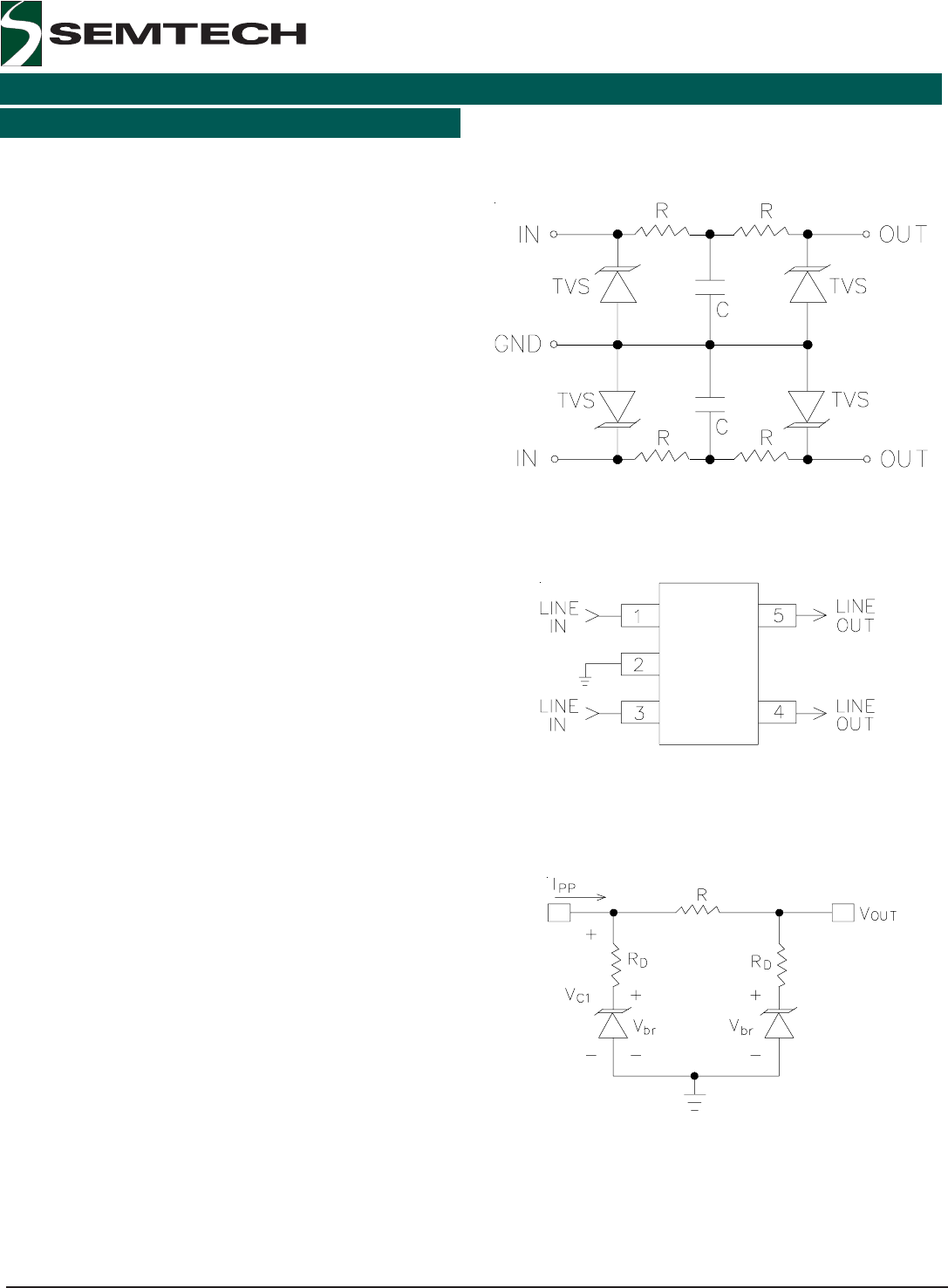
Figure 1 - STF701 Circuit Diagram
Figure 2 - STF701 Connection Diagram
Device Connection for Protection of Two Data Lines
The STF701 is designed to provide EMI filtering and
ESD protection for two I/O lines. The equivalent circuit
diagram is shown in Figure 1. The device is connected
as follows:
1. Line 1 is connected at pins 1 & 5 and line 2 is
connected at pins 3 & 4 (Figure 2). The device is
symmetrical so input & output connections can be
made on either side of the device. Pin 2 is con-
nected to ground. The ground connection should
be made directly to the ground plane for best
results. The path length is kept as short as pos-
sible to reduce the effects of parasitic inductance
in the board traces.
Voltage Clamping Characteristics.
The clamping characteristics of the STF701 are opti-
mized by the use of two TVS diodes in the protection
circuit (Figure 3). An ESD strike on the protected line
will be initially suppressed by the first TVS diode. The
voltage across the TVS will be the clamping voltage of
the device (VC1) given by:
VC1 = Vbr + RD * IPP
where
Vbr = Breakdown voltage of the TVS
RD = Dynamic resistance of the TVS
IPP = Peak pulse (ESD) current
The dynamic resistance of the TVS is very small,
typically < 0.5.
The second TVS will be subjected to VC1 through the
voltage divider formed by the series resistor (R) and
the dynamic resistance of the TVS. Since R >> RD
then by the voltage divider theorem, the voltage seen
by the protected IC will be a few millivolts above the
breakdown voltage (Vbr) of the second TVS.
Figure 3 - STF701 Clamping Characteristics
Applications Information
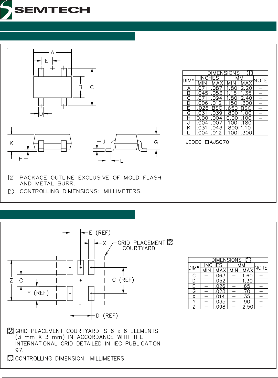
SEMTECH .GRID PLACEMENT COURTYARD IS 6 X 6 ELEMENTS (3 mm X 3 mm) IN ACCORDANCE WITH THE INTERNATIONAL GRID DETAILED IN IEC PUBLICATION S7. CONTROLLING DIMENSION: MILLIMETERS A +I E If m m [.1 DIMENSIONS [1] INCHES MM 1 DW'" MIN MAX MIN MAX GTE B C A .071 .087 1.80 2.20 i I B .045 .053 ms L35 7 C .071 .094 1.50 2.40 7 L] [,1 0 .006 .0I2 .I50 .300 7 7 E .026 ESC .550 BSC 7 Abe c .03I .039 .8001.00 — H 0.00 .004 000 .I00 7 J .004 .007 .I00 .I80 — I K .osI .043 6001.10 7 L .004 .012 .100 .300 i K ‘ I E j I [Jfl—Gr JEDEC EIAJSC7O H] 4 LL PACKAGE OUTLINE EXCLUSIVE OF MOLD FLASI—I AND METAL BURR. CONTROLLING DIMENSIONS: MILLIMETERS. E (REF) «X GRID PLACEMEN / COURTYARD DIMENSIONS INCHES MM | I W" MIN MAX MIN MAX OTE C — .053 — 1.60 — C (REF) D 7 .052 7 1.30 7 | E — .026 — .65 — I G — .028 — .70 — X 7 .014 7 .35 7 Y 7 .035 7 .90 7 z 7 .098 7 2.50 7
52003 Semtech Corp. www.semtech.com
PROTECTION PRODUCTS
PROTECTION PRODUCTS
STF701
Outline Drawing - SC70-5L
Land Pattern - SC70-5L
a SEMTECH
62003 Semtech Corp. www.semtech.com
PROTECTION PRODUCTS
STF701
Contact Information
Semtech Corporation
Protection Products Division
200 Flynn Road, Camarillo, CA 93012
Phone: (805)498-2111 FAX (805)498-3804
Marking Codes
Ordering Information
rebmuNtraP gnikroW
egatloV leeRrepytQeziSleeR
CT.107FTSV5000,3hcnI7
GT.107FTSV5000,01hcnI31
rebmuNtraPedoCgnikraM
107FTS107

Products related to this Datasheet

IC TVS ARRAY 2-UNI 100mW SC70-5
IC TVS ARRAY 2-UNI 100mW SC70-5
IC TVS ARRAY 2-UNI 100MW SC70-5