Xbee USB Adapter Board Datasheet by Adafruit Industries LLC
View All Related Products | Download PDF Datasheet
949(4me 2
Web Site: www.parallax.com
Forums: forums.parallax.com
Sales: sales@parallax.com
Technical: support@parallax.com
Office: (916) 624-8333
Fax: (916) 624-8003
Sales: (888) 512-1024
Tech Support: (888) 997-8267
XBee USB Adapter Board (#32400)
This low cost XBee USB Adapter Board comes ready to connect to your
XBee module and your computer’s USB port. A 40-pin SIP header is
included for optional use with breadboards or thru-hole boards, converting
the 2mm pin spacing to breadboard friendly 0.1” spacing. Convenient
mounting holes allow for secure installation into your project.
Features
Provides an easy interface for configuring an XBee Module via a
computer’s USB port
4 status indicator LEDs for Power, RSSI, Associate and mode
(sleep/ON)
Converts XBee 2mm pin spacing to 0.1” pin spacing
Provides easy pluggable wire or solder connections
Includes mounting holes
Pin-out compatible with our other XBee Adapter boards
Key Specifications
Power requirements: 3.3 V pass-through to XBee module
Communication: Serial pass-through to XBee module
Operating temperature: -40 to +158°F (-40 to +70°C)
PCB dimensions: 1.5 x 1.0 in (3.81 mm x 2.54 cm)
Packing List
(1) XBee USB Adapter Board PCB (SMD components pre-soldered)
(2) 10-pin 2mm sockets – installed, no soldering required on Rev B and later boards
(1) 40-pin SIP header – optional, requires soldering
Tools Required
Soldering equipment (iron, solder, flux; always wear safety glasses when soldering)
Diagonal cutters or Exacto knife
Additional Items Required
XBee module (802.15.4, Pro, 900HP, or WiFi series; search XBee at parallax.com for options)
USB A to Mini B cable (#805-00006)
Copyright © Parallax Inc. XBee USB Adapter Board (#32400) v2.0 3/9/2015 Page 1 of 5
\flmmMflwmm
naozauuau‘
.7;
G
/ @8389?
Assembly Instructions
Step 1:
Check to ensure your kit
contains the following parts as
shown in the photo.
(Note, female sockets are pre-
installed on Rev B and later
boards.)
Step 2:
Install the 2-mm sockets on top
of the PCB as shown and solder
them in place from the bottom
side of the board.
(Note, female sockets are pre-
installed on Rev B and later
boards.)
Copyright © Parallax Inc. XBee USB Adapter Board (#32400) v2.0 3/9/2015 Page 2 of 5
Step 3 and 4 are only needed if
Step 3 (optional):
Step 3 and 4 are only needed if
you wish to use your XBee
Adapter with a breadboard or
thru-hole board with 0.1”
spacing.
Headers (or directly soldered
wires) are not needed for PC
communication or power since
both are obtained from the USB
port.
Using an Exacto knife, hobby
knife or a pair of diagonal
cutters, cut two 11-pin headers
from the 40-pin header. Extra
header material was included in
case of a mistake or damaged
header.
Step 4 (optional):
Insert the two 11-pin SIP
headers into the bottom of the
adapter board as shown and
solder them in place from the
top.
Copyright © Parallax Inc. XBee USB Adapter Board (#32400) v2.0 3/9/2015 Page 3 of 5
your XBee USB Adapter to your PC then you w
will also need to install the FTDI VCP drlvers.
ser to http:[[wwwlparallax.com[usbdrivers.
htt : www‘ftdichi .com Drivers VCP‘htm
USB Driver Installation
If you wish to connect your XBee USB Adapter to your PC then you will first need a USB A to Mini B cable
(sold separately). You will also need to install the FTDI VCP drivers. You may obtain the latest drivers by
pointing your web browser to http://www.parallax.com/usbdrivers. You may also obtain these drivers
from the FTDI website at http://www.ftdichip.com/Drivers/VCP.htm.
Once the USB driver has been installed you may connect your USB cable between the PC and the XBee
USB Adapter Board. The XBee USB Adapter is now ready to be configured via the X-CTU software from
Digi. Note that the functions of some of the I/O lines on the adapter can be configured from the X-CTU
software. As long as the USB port is providing power the XBee Adapter Board is powered on. Please
remember that the I/O signals are 3.3V level and should not be connected to a 5V system without proper
buffering. The XBee I/O pins are not 5V tolerant.
Connecting and Testing
Connect your compatible microcontroller to the required pins on the XBee USB Adapter. The VDD pin will
be at 5 V whenever the USB port is providing 5 V. The VCC pin will be at 3.3 V but if you’re powering
from USB you won’t want to draw more than ~40 mA from this pin.
If you need to power your XBee Module in the absence of USB power you can connect a regulated 5 V
supply to the VDD pin and the FTDI USB chip and the XBee Module will be powered. Do not connect
voltage to the VDD pin when the USB cable has power or you may damage your PC and/or
your XBee Module.
LED Status Indicators
The XBee USB Adapter has 4 LEDs for status indication. Whenever the board has 5 V from either the
USB or external power to VDD the Yellow LED lights up. The Green LED indicates the module is ON (not
in standby mode). The Blue LED is connected to the RSSI pin and the Red LED is connected to the
Associate pin. Some of these functions can be reconfigured using the X-CTU software.
Rev C LED Functions
Green – Power
Yellow – ON (Not in standby/sleep mode)
Blue – Associate
Red – RSSI
Rev A & B LED Functions
Yellow – Power
Green – ON (Not in standby/sleep mode)
Blue – RSSI
Red – Associate
The USB connector also has two LEDs which indicate TX / RX status. The Red LED indicates data being
transmitted to the PC and the Green LED indicates data being received from the PC.
Copyright © Parallax Inc. XBee USB Adapter Board (#32400) v2.0 3/9/2015 Page 4 of 5
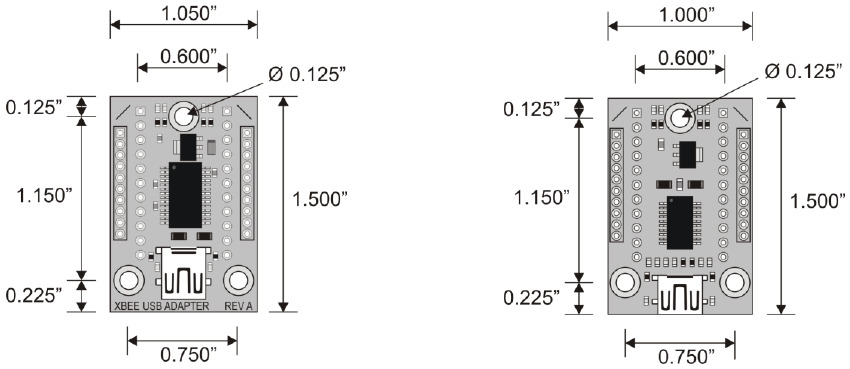
0.125"
1.150"
0.225"
1.050"
0.600"
' ' Z 0.125"
1.500"
0.125"
1.150"
0.225"
1.500"
Module Dimensions
Rev A and B Rev C
Product Revision History
Rev A: Original release.
Rev B: Upgraded 3.3 V regulator from 100 mA to 400 mA.
Rev C: Upgraded 3.3 V regulator from 400 mA to 1 A. Changed FTDI chip from FT232RL to FT231X.
Changed LED colors, see LED Status Indicators, page 4. USB Mini B connector style changed and moved
flush with edge of PCB, and PCB resized slightly, to accommodate XBee WiFi modules.
Copyright © Parallax Inc. XBee USB Adapter Board (#32400) v2.0 3/9/2015 Page 5 of 5
Products related to this Datasheet
USB XBEE ADAPTER