PI4MSD5V9546A Datasheet by Diodes Incorporated

View All Related Products | Download PDF Datasheet
A Product Line of Q Diodes Incorporated (DPERICUM‘ PI4MSD5V9546A A0 Vcc A1 SDA REsFr SCL A2 5:3 RESET sDo sco SD1 SD3 sc1 5:2 5ND sDz @ A1 @ An @ vcc @ SDA fiTD @ SCL SDO D @ A2 Ste E) @ 5C3 5m D G 5D3 5:31 3 GNDD 51:2 3 Sci D
4 Channel I2C bus Switch with Reset
All trademarks are property of their respective owners. www.diodes.com 1/18/2017
2017-01-0005 PT0527-5
1
PI4MSD5V9546A
Features
1-of-4 bidirectional translating multiplexer
I2C-bus interface logic
Operating power supply voltage:1.65 V to 5.5 V
Allows voltage level translation between 1.2V, 1.8V,2.5
V, 3.3 V and 5 V buses
Low standby current
Low Ron switches
Channel selection via I2C bus
Power-up with all multiplexer channels deselected
Capacitance isolation when channel disabled
No glitch on power-up
Supports hot insertion
5 V tolerant inputs
0 Hz to 400 kHz clock frequency
ESD protection exceeds 8000 V HBM per JESD22-
A114, and 1000 V CDM per JESD22-C101
Latch-up testing is done to JEDEC Standard JESD78
which exceeds 100 mA
Packages offered: SOIC-16W,TSSOP-16L, TQFN4*4-
16ZY
Pin Configuration
Description
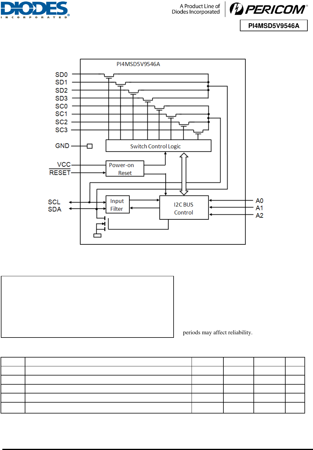
The PI4MSD5V9546A is a quad bidirectional translating
switch controlled via the I2C bus. The SCL/SDA upstream
pair fans out to four downstream pairs, or channels. Any
individual SCx/SDx channel or combination of channels can
be selected, determined by the contents of the programmable
control register.
An active LOW reset input allows the PI4MSD5V-9546A
to recover from a situation where one of the downstream
buses is stuck in a LOW state. Pulling the RESET pin LOW
resets the I2C bus state machine and causes all the channels to
be deselected as does the internal Power-On Reset (POR)
function.
The pass gates of the switches are constructed such that the
VCC pin can be used to limit the maximum high voltage
which is passed by the PI4MSD5V9546A. This allows the use
of different bus voltages on each pair, so that1.2V, 1.8 V or
2.5 V or 3.3 V parts can communicate with 5 V parts without
any additional protection. External pull-up resistors pull the
bus up to the desired voltage level for each channel. All I/O
pins are 5 V tolerant.
Pin Description
Pin No.
(TSSOP,
SOIC)
Pin No.
(TQFN)
Pin
Name
Type
Description
1
15
A0
Input
address input 0
2
16
A1
Input
address input 1
3
1
Input
active LOW reset
pin
4
2
SD0
I/O
serial data 0
5
3
SC0
I/O
serial clock 0
6
4
SD1
I/O
serial data 1
7
5
SC1
I/O
serial clock 1
8
6
GND
Ground
supply ground
9
7
SD2
I/O
serial data 2
10
8
SC2
I/O
serial clock 2
11
9
SD3
I/O
serial data 3
12
10
SC3
I/O
serial clock 3
13
11
A2
Input
address input 2
14
12
SCL
I/O
serial clock line
15
13
SDA
I/O
serial data line
16
14
VCC
Power
supply voltage
TSSOP
SOIC
TQFN
RESET
SDO SD1 SD2 SD3 SCO SC1 5C2 $03 GND VCC RESET SCL SDA A Product Line of Diodes Incorporated (DPHe/com PI4MSD5V9546A PMMSDSVSSAGA Switch Control Logic Powerron Reset A0 IEC BUSI A1 onlro A2 penods may affect reliabilily‘
All trademarks are property of their respective owners. www.diodes.com 1/18/2017
2017-01-0005 PT0527-5
2
PI4MSD5V9546A
Block Diagram
Figure 1: Block Diagram
Maximum Ratings
Storage Temperature .................................................55°C to +125°C
Supply Voltage port B .................................................0.5V to +6.0V
Supply Voltage port A ................................................0.5V to +6.0V
DC Input Voltage ....................................................... 0.5V to +6.0V
Control Input Voltage (EN) .................................. 0.5V to +6.0V
Total power dissipation (1).......................................................100mW
Input current(EN,VCCA,VCCB,GND).....................................50mA
ESD: HBM Mode .....................................................................8000V
Recommended operation conditions
Symbol
Parameter
Min
Typ
Max
Unit
V
CC
V
CCA Positive DC Supply Voltage
1.65
-
5.5
V
V
EN
Enable Control Pin Voltage
GND
-
5.5
V
V
IO
I/O Pin Voltage
GND
-
5.5
V
Δt V
Input transition rise or fall time
-
-
10
ns/V
T
A
Operating Temperature Range
40
-
+85
°C
Note:
Stresses greater than those listed under MAXIMUM
RATINGS may cause permanent damage to the
device. This is a stress rating only and functional
operation of the device at these or any other condi-
tions above those indicated in the operational sec-
tions of this specification is not implied. Exposure
to absolute maximum rating conditions for extended
periods may affect reliability.
A Product Line of E Diodes Incorporated IDPER/CDM‘ P|4MSD5V9546A
All trademarks are property of their respective owners. www.diodes.com 1/18/2017
2017-01-0005 PT0527-5
3
PI4MSD5V9546A
DC Electrical Characteristics
Unless otherwise specified, -40°C≤TA85°C, 1.1VVcc3.6V
Symbol
Parameter
Conditions
VCC
Min
Typ
Max
Unit
Supply
VCC
Supply Voltage
1.65
5.5
V
ICC
supply current
operating mode;
no load;
VI = VCC or GND;
fSCL = 100 kHz
3.6V to 5.5V
65
100
uA
2.3V to 3.6V
20
50
uA
1.65V to 2.3V
10
30
uA
Istb
standby current
standby mode; VCC =
3.6 V;
no load; VI = VCC or
GND;
fSCL = 0 kHz
3.6V to 5.5V
0.3
1
uA
2.3V to 3.6V
0.1
1
uA
1.65V to 2.3V
0.1
1
uA
VPOR[1]
power-on reset voltage
no load; VI = VCC or
GND
3.6V to 5.5V
1.3
1.5
V
Input SCL; input/output SDA
VIL
LOW-level input voltage
1.65V to 5.5V
-0.5
+0.3VCC
V
VIH
HIGH-level input voltage
1.65V to 2V
0.75VCC
6
V
2V to 5.5V
0.7VCC
6
V
IOL
LOW-level output current
VOL = 0.4 V
1.65V to 5.5V
3
-
mA
VOL = 0.6 V
1.65V to 5.5V
6
-
mA
IIL
LOW-level input current
VI = GND
1.65V to 5.5V
-1
+1
uA
IIH
HIGH-level input current
VI = VCC
1.65V to 5.5V
-1
+1
uA
Ci
input capacitance
VI = GND
1.65V to 5.5V
-
12
13
pF
Pass Gate
Ron
ON-state resistance
VO = 0.4 V;
IO = 15 mA
4.5 V to 5.5 V
4
9
24
Ω
3V to 3.6V
5
11
31
Ω
VO = 0.4 V;
IO = 10mA
2.3V to 2.7V
7
16
55
Ω
1.65V to 2V
9
20
70
Ω
Vpass
switch output voltage
Vin =VCC;
Iout = -100uA
5V
3.6
V
4.5 V to 5.5 V
2.8
4.5
V
3.3V
2.2
V
3V to 3.6V
1.6
2.8
V
2.5V
1.5
V
2.3V to 2.7V
1.1
2
V
1.8V
0.9
V
1.65V to 2V
0.54
1.3
V
IL
leakage current
VI = VCC or GND
1.65V to 5.5V
-1
+1
uA
Cio
input/output capacitance
VI = VCC or GND
1.65V to 5.5V
3
5
pF
To be continued
A Product Line of E Diodes Incorporated IDPER/CDM‘ P|4MSD5V9546A
All trademarks are property of their respective owners. www.diodes.com 1/18/2017
2017-01-0005 PT0527-5
4
PI4MSD5V9546A
Continued
Symbol
Parameter
Conditions
VCC
Min
Typ
Max
Unit
Select inputs A0, A1, A2
VIL
LOW-level input voltage
1.65V to 5.5V
-0.5
+0.3VCC
V
VIH
HIGH-level input voltage
1.65V to 5.5V
0.7VCC
6
V
IIL
LOW-level input current
VI = GND
1.65V to 5.5V
-1
+1
uA
Ci
input capacitance
VI = GND
1.65V to 5.5V
3
5
pF
Note: VCC must be lowered to 0.2 V for at least 5 us in order to reset part.
AC Electrical characteristics
Tamb = - 40 ºC to +85 ºC; unless otherwise specified.
Symbol
Parameter
Conditions
VCC
Min
Typ
Max
Unit
tPD[1]
propagation delay
from SDA to SDx,
or SCL to SCx
1.65V to 5.5V
0.3
ns
RESET
tw(rst)L
LOW-level reset time
4
ns
trst
reset time
SDA clear
500
ns
tREC;STA
recovery time to START
condition
0
ns
Note
[1]Pass gate propagation delay is calculated from the 20Ω typical Ron and the 15 pF load capacitance.
[2] Measurements taken with 1 kΩpull-up resistor and 50 pF load.
A Product Line of Diodes Incorporated (DPERICDM‘ PI4MSD5V9546A m U2< ”="">< sq="" i="" ‘5“:="" i="" i="" l="" .="" i="" i="" m:="" m="" l‘="" |="" i="" i="" i="" i="" i="" i="" :="" '="" 5m="" .="" sianoi="" i="" .="" i="" .="" repeatedstarl:="" i="" i="" i="" i="" .="" "-flf—hv-tr="" ,="" .="" i="" ii—="" :="" f—nnvcc="" ‘="" ——o.3="" vcc="" i="" i="" t="" l'\'_="" "="" isi="" sun—p:="" |="" «—="" l="" slog="" m="" remaled="" sun="" condiliun="">
All trademarks are property of their respective owners. www.diodes.com 1/18/2017
2017-01-0005 PT0527-5
5
PI4MSD5V9546A
I2C Interface Timing Requirements
Symbol
Parameter
STANDARD MODE
I2C BUS
FAST MODE
I2C BUS
UNIT
MIN
MAX
MIN
MAX
fscl
I2C clock frequency
0
100
0
400
kHz
tLow
I2C clock high time
4.7
1.3
μs
tHigh
I2C clock low time
4
0.6
μs
tSP
I2C spike time
50
50
ns
tSU:DAT
I2C serial-data setup time
250
100
ns
tHD:DAT
I2C serial-data hold time
0 [1]
0 [1]
μs
tr
I2C input rise time
1000
300
ns
tf
I2C input fall time
300
300
ns
tBUF
I2C bus free time between stop and start
4.7
1.3
μs
tSU:STA
I2C start or repeated start condition setup
4.7
0.6
μs
tHD:STA
I2C start or repeated start condition hold
4
0.6
μs
tSU:STO
I2C stop condition setup
4
0.6
μs
tVD:DAT
Valid-data time (high to low) [2]
SCL low to SDA output low valid
1
1
μs
Valid-data time (low to high) [2]
SCL low to SDA output high valid
0.6
0.6
μs
tVD:ACK
Valid-data time of ACK condition
ACK signal from SCL low to SDA output low
1
1
μs
Cb
I2C bus capacitive load
400
400
pF
Notes:
[1] A device internally must provide a hold time of at least 300 ns for the SDA signal (referred to as the VIH min of the SCL
signal), in order to bridge the undefined region of the falling edge of SCL.
[2] Data taken using a 1-kΩ pullup resistor and 50-pF load Notes
Figure 2. Definition of timing on the I2C-bus
VPU‘l VCC SDA SDA sou SCL 55L sco RESET 500 5:0 Pl4MSD5V 9546A 500 SCO A” 500 A1 sco A2 GND A Product Line of Diodes Incorporated (DPHe/com PI4MSD5V9546A VPU2 } Channel 0 VPU2 } Channel 1 VPU2 } Channel 2 nnnn VPU2 } Channel 3
All trademarks are property of their respective owners. www.diodes.com 1/18/2017
2017-01-0005 PT0527-5
6
PI4MSD5V9546A
Application
Figure 3. Typical Application
VCC
VPU1
VPU2
1.8V
1.5V-5.5V
1.2V-5.5V
2.5V
1.8V-5.5V
1.8V-5.5V
3.3V
2.7V-5.5V
2.7V-5.5V
5V
4.5V-5.5V
4.5V-5.5V
Note:
If the device generating the interrupt has an open-drain output structure or can be 3-stated, a pull-up resistor is required.
If the device generating the interrupt has a totem pole output structure and cannot be 3-stated, a pull-up resistor is not required.
The interrupt inputs should not be left floating.
Device addressing
Following a START condition, the bus master must output the address of the slave it is accessing. The address of the
PI4MSD5V9546A is shown in Figure 4. To conserve power, no internal pull-up resistors are incorporated on the hardware
selectable address pins and they must be pulled HIGH or LOW.
The last bit of the slave address defines the operation to be performed. When set to logic 1, a read is selected while a logic 0
selects a write operation.
I2C bus master
mDES A Product Line of Diodes Incorporated 1 A2 A1 A0 RIW *z—Jfizg hardware selectable channel seledion blls (read/write) 7 6 5 3 2 1 0 X X X B3 82 81 BO L channel 0 channel 1 channel 2 channel 3 (DPBe/com PI4MSD5V9546A
All trademarks are property of their respective owners. www.diodes.com 1/18/2017
2017-01-0005 PT0527-5
7
PI4MSD5V9546A
Figure 4:Device address
Control register
Following the successful acknowledgement of the slave address, the bus master sends a byte to the PI4MSD5V9546A, which
is stored in the control register. If the PI4MSD5V9546A receives multiple bytes, it saves the last byte received. This register can
be written and read via the I2C-bus.bus.
Figure 5: Control register
Control register definition
One or several SCx/SDx downstream pair, or channel, is selected by the contents of the control register. This register is written
after the PI4MSD5V9546A has been addressed. The 4 LSBs of the control byte are used to determine which channel is to be
selected. When a channel is selected, the channel will become active after a STOP condition has been placed on the I2C-bus. This
ensures that all SCx/SDx lines are in a HIGH state when the channel is made active, so that no false conditions are generated at the
time of connection.
D7
D6
D5
D4
B3
B2
B1
B0
Command
X
X
X
X
X
X
X
0
channel 0 disabled
1
channel 0 enabled
X
X
X
X
X
X
0
X
channel 1 disabled
1
channel 1 enabled
X
X
X
X
X
0
X
X
channel 2 disabled
1
channel 2 enabled
X
X
X
X
0
X
X
X
channel 3 disabled
1
channel 3 enabled
0
0
0
0
0
0
0
0
no channel selected;
power-up/reset default state
Control register: Writechannel selection; Readchannel status.
Remark: Several channels can be enabled at the same time. Example: B3 = 0, B2 = 1, B1 = 1, B0 = 0, means that channel 0 and
channel 3 are disabled and channel 1 and channel 2 are enabled. Care should be taken not to exceed the maximum bus capacitance.
RESET input
The RESET input is an active LOW signal which may be used to recover from a bus fault condition. By asserting this signal
LOW for a minimum of tw(rst)L, the PI4MSD5V9546A will reset its registers and I2C-bus state machine and will deselect all
channels. The RESET input must be connected to VCC through a pull-up resistor.
A Product Line of Diodes Incorporated mPE/e/caM‘ PI4MSD5V9546A Max—-> 2J1 Tvp// 1.5 Ln n5 g\\\ .N \\ 1,5 5 3,0 3.5 La 1.5 5,0 5.5 vcc [v]
All trademarks are property of their respective owners. www.diodes.com 1/18/2017
2017-01-0005 PT0527-5
8
PI4MSD5V9546A
Power-on reset
When power is applied to VCC, an internal Power-On Reset (POR) holds the PI4MSD5V9546A in a reset condition until VCC
has reached VPOR. At this point, the reset condition is released and the PI4MSD5V9546A registers and I2C-bus state machine are
initialized to their default states (all zeroes) causing all the channels to be deselected. Thereafter, VCC must be lowered below 0.2
V to reset the device.
Voltage translation
The pass gate transistors of the PI4MSD5V9546A are constructed such that the VCC voltage can be used to limit the
maximum voltage that is passed from one I2C-bus to another.
Figure 6:Vpass voltage VS Vcc
Figure 6 shows the voltage characteristics of the pass gate transistors (note that the graph was generated using the data
specified in Section “DC Electrical characteristics” of this data sheet).
In order for the PI4MSD5V9546A to act as a voltage translator, the Vpass voltage should be equal to, or lower than the lowest
bus voltage. For example, if the main bus was running at 5 V, and the downstream buses were 3.3 V and 2.7 V, then Vpass
should be equal to or below 2.7 V to clamp the downstream bus voltages effectively.
Looking at Figure 6, we see that Vpass (max) is at 2.7 V when the PI4MSD5V9546A supply voltage is 3.5 V or lower so the
PI4MSD5V9546A supply voltage could be set to 3.3 V. Pull-up resistors can then be used to bring the bus voltages to their
appropriate levels
I2C BUS
The I2C-bus is for 2-way, 2-line communication between different ICs or modules. The two lines are a serial data line (SDA)
and a serial clock line (SCL). Both lines must be connected to a positive supply via a pull-up resistor when connected to the output
stages of a device. Data transfer may be initiated only when the bus is not busy.
One data bit is transferred during each clock pulse. The data on the SDA line must remain stable during the HIGH period of
the clock pulse as changes in the data line at this time are interpreted as control signals
A Product Line of Diodes Incorporated (DPBe/caM‘ PI4MSD5V9546A SDA / X \ SCL \ Gala llne change slable; ol data dala valid allowed r — — —. r — — —. _ _ I - - - l — _ sm I \ I f E I / | | _ _ _ I I I l I | | _ _ _ I I _ _ SCL I I \ l \ / l | I 5 I I P I START common STOP condmon SDA I I I I I I MASTER SLAVE SLAVE MASTER MASTER I2CVBUS TRANSMITTER] TRANSMITTER! TRANSMITTER! RECEIVER RECE'VER RECEIVER TRANSMITTER RECEIVER MULTIPLEXER SLAVE ' ‘ '
All trademarks are property of their respective owners. www.diodes.com 1/18/2017
2017-01-0005 PT0527-5
9
PI4MSD5V9546A
Figure 7: Bit Transfer
Both data and clock lines remain HIGH when the bus is not busy. A HIGH-to-LOW transition of the data line while the clock
is HIGH is defined as the START condition (S). A LOW-to-HIGH transition of the data line while the clock is HIGH is defined as
the STOP condition (P)
Figure 8. Definition of Start and Stop Conditions
A device generating a message is a ‘transmitter’, a device receiving is the ‘receiver’. The device that controls the message is
the ‘master’ and the devices which are controlled by the master are the ‘slaves’
Figure 9. System Configuration
The number of data bytes transferred between the START and the STOP conditions from transmitter to receiver is not limited.
Each byte of 8 bits is followed by one acknowledge bit. The acknowledge bit is a HIGH level put on the bus by the transmitter,
whereas the master generates an extra acknowledge related clock pulse.
A slave receiver which is addressed must generate an acknowledge after the reception of each byte. Also, a master must
generate an acknowledge after the reception of each byte that has been clocked out of the slave transmitter. The device that
acknowledges has to pull down the SDA line during the acknowledge clock pulse so that the SDA line is stable LOW during the
HIGH period of the acknowledge related clock pulse; set-up and hold times must be taken into account.
A master receiver must signal an end of data to the transmitter by not generating an acknowledge on the last byte that has been
clocked out of the slave. In this event, the transmitter must leave the data line HIGH to enable the master to generate a STOP
condition.
A Product Line of Diodes Incorporated * ‘1 by transmitter . . l ‘ I not acknowledge data output l I ' ' by receiver 1 I l | acknowledge I I I SOL 1mm master i\_/1\_/2\_.._/8\_/_;\_ L§J dock pulse lor START acknowledgement oondrt-on slave address control register (DPER/caM‘ PI4MSD5V9546A I I I I I I I SDA S 1 1 1 0 A2 A1 A0 0 A X X X X B3 B2 B1 B0 A P I I I I I I I STARTcondilion R/W acknowledge acknowledge from slave horn slave STOPcondition lastbyte slave address control register 1 I I I I I I I SDA S 1 1 1 0 A2 A1 A0 1 A X X X X 33 B2 B1 BO NA P I I I I I I I STARTcondItion RIW acknowledge noacknowledge from slave from master STOP condition
All trademarks are property of their respective owners. www.diodes.com 1/18/2017
2017-01-0005 PT0527-5
10
PI4MSD5V9546A
Figure 10. Acknowledgment on I2C Bus
Data is transmitted to the PI4MSD5V9546A control register using the write mode shown in bellow
Figure 11. Write Control Register
Data is transmitted to the PI4MSD5V9546A control register using the write mode shown in bellow
Figure 12. Read Control Register
A Product Line of Diodes Incorporated (DPER/caM‘ PI4MSD5V9546A n J ' swems MIN. NOM MAX H H H H H H Fl H A _ _ | 75 ‘3 Al 0.10 , 0.25 a E A2 1.00 , , O \\ ° 33$ _ 33; . c . , . I , \ HHHflHHHH '\_,/ 0 9.009.90‘00 ‘ . ‘1] c E 5.00 5.00 6.20 U9 a b E 500 3.90 mo 9 127 SEC L 0.40 , 1.27 D n. 0.15 , 0 50 0 0 — a a a lo c S SEAYIMG FUN 3: \ DAIE: MIMI/1E muss. mam WES: ............ Y ALL “(”5015 m HWLUMUERS. MKS N Mains DESCRIPTION: 1m", 154mm“- SOIC 2 me gum ; 57012 x l afimmfiafl ”Riggs“ MOLD W, PACKAGE CODE. W 0 M: In WSKJN OF A: MD n M?! ml M £52: SPEC DOCUMENY CONTROLkPB—IW REVISION:G
All trademarks are property of their respective owners. www.diodes.com 1/18/2017
2017-01-0005 PT0527-5
11
PI4MSD5V9546A
Mechanical Information
SOIC-16(W)
A Product Line of Diodes Incorporated (DPERICDM‘ PI4MSD5V9546A we , l H H H H H H " SVMBOLS uw NOM MAX, A 7 7 1 20 M o as 7 0 I5 A2 0 so ‘ co 1 as b u 19 7 u so a m c we 7 u zu n 4 so 500 5 l0 :1 4 so 4 40 A so ® E 5,20 5 to 5.60 E! o 65 BSC j H U U U L Ll ‘ no REF , L o 45 a so 0 75 ‘ L H a s o 20 7 7 n , — - - J _ ° 5 D s E o rams: mu: smwo PLANE u one: nmma ’DPBQIDOM mot-mm News» DESCRIPYION:15-Fln.17lmllW|d¢TSSDP ‘ m nwmslnns m >4.me mm m m 2 me “0453 name: cons: L (us) 3 Wmsms mu m mum: mm man. woman": on on: sums uocumzm coumoL a: Pn-mn nmslome
All trademarks are property of their respective owners. www.diodes.com 1/18/2017
2017-01-0005 PT0527-5
12
PI4MSD5V9546A
TSSOP-16(L)
A Product Line of E Diodes Incorporated (DPBe/caM‘ PI4MSD5V9546A D D1 ‘ u I u! 1‘ g I J UiU I A pmJ # _ QM mm" | C __ _ . _.__ m m ,9 ,DWE 7*, a 3 | C v m—x ' Cm ‘ | ‘ mm m V «- HD vs - TOP VIEW aorrom VIEW RECOMMENDED LAND PATTERN(unil:mm) PKB HKNSWMW svmm m ... A m m A. one nus *3 ONFEF 771:3}; ° "' '"' ( , 7: E 1m 4m ( ( it 200 22a . m m SIDE VIEW . mm L M m mm “mm". m I,“ .EDEC INN DBCRIP'IIOI: IFPIII. my.“ PMCODE IV ‘1'“) HEM-EMT 0004mm ': PN1‘1 W: A
All trademarks are property of their respective owners. www.diodes.com 1/18/2017
2017-01-0005 PT0527-5
13
PI4MSD5V9546A
TQFN4*4-16(ZY)
Note: For latest package info, please check: http://www.pericom.com/products/packaging/mechanicals.php
Ordering Information
Part No.
Package Code
Package
PI4MSD5V9546AWE
W
16-Pin,150 mil Wide (SOIC)
PI4MSD5V9546AWEX
W
16-Pin,150 mil Wide (SOIC), Tape & Reel
PI4MSD5V9546ALE
L
16-Pin,173 mil Wide (TSSOP)
PI4MSD5V9546ALEX
L
16-Pin,173 mil Wide (TSSOP), Tape & Reel
PI4MSD5V9546AZYEX
ZY
16-Pin, 4x4 (TQFN), Tape & Reel
Note:
• Thermal characteristics can be found on the company web site at www.pericom.com/packaging/
• E = Pb-free and Green
• X suffix = Tape/Reel
A Product Line of E Diodes Incorporated (DPERICOM‘ PI4MSD5V9546A
All trademarks are property of their respective owners. www.diodes.com 1/18/2017
2017-01-0005 PT0527-5
14
PI4MSD5V9546A
IMPORTANT NOTICE
DIODES INCORPORATED MAKES NO WARRANTY OF ANY KIND, EXPRESS OR IMPLIED, WITH REGARDS TO THIS DOCUMENT, INCLUDING, BUT NOT LIMITED
TO, THE IMPLIED WARRANTIES OF MERCHANTABILITY AND FITNESS FOR A PARTICULAR PURPOSE (AND THEIR EQUIVALENTS UNDER THE LAWS OF ANY
JURISDICTION).
Diodes Incorporated and its subsidiaries reserve the right to make modifications, enhancements, improvements, corrections or other changes without further notice to this document and
any product described herein. Diodes Incorporated does not assume any liability arising out of the application or use of this document or any product described herein; neither does Diodes
Incorporated convey any license under its patent or trademark rights, nor the rights of others. Any Customer or user of this document or products described herein in such applications
shall assume all risks of such use and will agree to hold Diodes Incorporated and all the companies whose products are represented on Diodes Incorporated website, harmless against all
damages.
Diodes Incorporated does not warrant or accept any liability whatsoever in respect of any products purchased through unauthorized sales channel.
Should Customers purchase or use Diodes Incorporated products for any unintended or unauthorized application, Customers shall indemnify and hold Diodes Incorporated and its
representatives harmless against all claims, damages, expenses, and attorney fees arising out of, directly or indirectly, any claim of personal injury or death associated with such
unintended or unauthorized application.
Products described herein may be covered by one or more United States, international or foreign patents pending. Product names and markings noted herein may also be covered by one
or more United States, international or foreign trademarks.
This document is written in English but may be translated into multiple languages for reference. Only the English version of this document is the final and determinative format released
by Diodes Incorporated.
LIFE SUPPORT
Diodes Incorporated products are specifically not authorized for use as critical components in life support devices or systems without the express written approval of the Chief Executive
Officer of Diodes Incorporated. As used herein:
A. Life support devices or systems are devices or systems which:
1. are intended to implant into the body, or
2. support or sustain life and whose failure to perform when properly used in accordance with instructions for use provided in the labeling can be reasonably expected to result in
significant injury to the user.
B. A critical component is any component in a life support device or system whose failure to perform can be reasonably expected to cause the
failure of the life support device or to affect its safety or effectiveness.
Customers represent that they have all necessary expertise in the safety and regulatory ramifications of their life support devices or systems, and acknowledge and agree that they are
solely responsible for all legal, regulatory and safety-related requirements concerning their products and any use of Diodes Incorporated products in such safety-critical, life support
devices or systems, notwithstanding any devices- or systems-related information or support that may be provided by Diodes Incorporated. Further, Customers must fully indemnify
Diodes Incorporated and its representatives against any damages arising out of the use of Diodes Incorporated products in such safety-critical, life support devices or systems.
Copyright © 2016, Diodes Incorporated
www.diodes.com

Products related to this Datasheet

IC 4-CH BUS SWITCH 16TQFN
IC 4-CH BUS SWITCH 16TSSOP
IC 4-CH BUS SWITCH 16TSSOP
IC 4-CH BUS SWITCH 16TQFN
IC 4-CH BUS SWITCH 16TSSOP
IC 4-CH BUS SWITCH 16TQFN