SILIEIJN LABS
C
C
C
E
DUUUUD
Dflflflflfl
j
j
j
j
Rev 1.0 7/12 Copyright © 2012 by Silicon Laboratories Si4355
Si4355
EASY-TO-USE, LOW-CURRENT OOK/(G)FSK SUB-GHZ RECEIVER
Features
Applications
Description
Silicon Laboratories’ Si4355 is an easy to use, low current, sub-GHz
EZRadio® receiver. Covering all major bands, it combines plug-and-play
simplicity with the flexibility needed to handle a wide variety of
applications. The compact 3x3 mm package size combined with a low
external BOM count makes the Si4355 both space efficient and cost
effective. Excellent sensitivity of 116 dBm allows for a longer operating
range, while the low current consumption of 10 mA active and 50 nA
standby, provides for superior battery life. By fully integrating all
components from the antenna to the GPIO or SPI interface to the MCU,
the Si4355 makes realizing this performance in an application easy.
Design simplicity is further exemplified in the Wireless Development Suite
(WDS) user interface module. This configuration module provides
simplified programming options for a broad range of applications in an
easy to use format that results in both a faster and lower risk
development. Like all Silicon Laboratories’ EZRadio devices, the Si4355
is fully compliant with all worldwide regulatory standards, such as FCC,
ETSI, and ARIB.
Frequency range =
283–960 MHz
Receive sensitivity
=–116dBm
Modulation
(G)FSK
OOK
Low RX Current = 10 mA
Low standby current = 50 nA
Max data rate = 500 kbps
Power supply = 1.8 to 3.6 V
64 byte FIFO
Auto frequency control (AFC)
Automatic gain control (AGC)
Integrated battery voltage sensor
Packet handling including
preamble, sync word detection, and
CRC
Low BOM
20-Pin 3x3 mm QFN package
Remote control
Home security and alarm
Telemetry
Garage and gate openers
Remote keyless entry
Home automation
Industrial control
Sensor networks
Health monitors
Patents pending
Pin Assignments
1
2
3
4
5
6 7 8 9 10
16
15
14
13
12
11
20 19 18 17GND
SDN
RXp
RXn
NC
GND
nSEL
SDI
SDO
SCLK
nIRQ
GPIO1
VDD
VDD
GND
GPIO0
GPIO3
GPIO2
XIN
XOUT
U j
:I Syn ‘ ‘
“y
Rx Chain {
(K \
:77 \X/ + 11 {
LNA A:
:77
Si4355
2 Rev 1.0
Functional Block Diagram
Rx Modem
Synthesizer
LNA PGA ADC
Rx Chain
SPI Interface
Controller
Battery
Voltage
Sensor
Aux ADC
25-32MHz XO
SDN
RXp
RXn
VDD GPIO0
GPIO1
nSEL
SDI
SDO
SCLK
nIRQ
XOUTXINGPIO2GPIO3
Section
659'
SILIEIJN LABS
Si4355
Rev 1.0 3
TABLE OF CONTENTS
Section Page
1. Electrical Specifications . . . . . . . . . . . . . . . . . . . . . . . . . . . . . . . . . . . . . . . . . . . . . . . . . . .4
1.1. Definition of Test Conditions . . . . . . . . . . . . . . . . . . . . . . . . . . . . . . . . . . . . . . . . . . . .9
2. Typical Applications Circuit . . . . . . . . . . . . . . . . . . . . . . . . . . . . . . . . . . . . . . . . . . . . . . .10
3. Functional Description . . . . . . . . . . . . . . . . . . . . . . . . . . . . . . . . . . . . . . . . . . . . . . . . . . .11
3.1. Overview . . . . . . . . . . . . . . . . . . . . . . . . . . . . . . . . . . . . . . . . . . . . . . . . . . . . . . . . . .11
3.2. Receiver Chain . . . . . . . . . . . . . . . . . . . . . . . . . . . . . . . . . . . . . . . . . . . . . . . . . . . . .11
3.3. Receiver Modem . . . . . . . . . . . . . . . . . . . . . . . . . . . . . . . . . . . . . . . . . . . . . . . . . . . .12
3.4. Synthesizer . . . . . . . . . . . . . . . . . . . . . . . . . . . . . . . . . . . . . . . . . . . . . . . . . . . . . . . .12
3.5. Crystal Oscillator . . . . . . . . . . . . . . . . . . . . . . . . . . . . . . . . . . . . . . . . . . . . . . . . . . . .13
3.6. Battery Voltage and Auxiliary ADC . . . . . . . . . . . . . . . . . . . . . . . . . . . . . . . . . . . . . .14
4. Configuration Options and User Interface . . . . . . . . . . . . . . . . . . . . . . . . . . . . . . . . . . . .15
4.1. EZConfig GUI . . . . . . . . . . . . . . . . . . . . . . . . . . . . . . . . . . . . . . . . . . . . . . . . . . . . . .15
4.2. Configuration Options . . . . . . . . . . . . . . . . . . . . . . . . . . . . . . . . . . . . . . . . . . . . . . . .16
4.3. Configuration Commands . . . . . . . . . . . . . . . . . . . . . . . . . . . . . . . . . . . . . . . . . . . . .18
5. Controller Interface . . . . . . . . . . . . . . . . . . . . . . . . . . . . . . . . . . . . . . . . . . . . . . . . . . . . . .19
5.1. Serial Peripheral Interface (SPI) . . . . . . . . . . . . . . . . . . . . . . . . . . . . . . . . . . . . . . . .19
5.2. Operating Modes and Timing . . . . . . . . . . . . . . . . . . . . . . . . . . . . . . . . . . . . . . . . . .21
5.3. Application Programming Interface . . . . . . . . . . . . . . . . . . . . . . . . . . . . . . . . . . . . . .24
5.4. Interrupts . . . . . . . . . . . . . . . . . . . . . . . . . . . . . . . . . . . . . . . . . . . . . . . . . . . . . . . . . .25
5.5. GPIO . . . . . . . . . . . . . . . . . . . . . . . . . . . . . . . . . . . . . . . . . . . . . . . . . . . . . . . . . . . . .25
6. Data Handling and Packet Handler . . . . . . . . . . . . . . . . . . . . . . . . . . . . . . . . . . . . . . . . . .26
6.1. RX FIFO . . . . . . . . . . . . . . . . . . . . . . . . . . . . . . . . . . . . . . . . . . . . . . . . . . . . . . . . . .26
6.2. Packet Handler . . . . . . . . . . . . . . . . . . . . . . . . . . . . . . . . . . . . . . . . . . . . . . . . . . . . .26
7. Pin Descriptions . . . . . . . . . . . . . . . . . . . . . . . . . . . . . . . . . . . . . . . . . . . . . . . . . . . . . . . . .27
8. Ordering Information . . . . . . . . . . . . . . . . . . . . . . . . . . . . . . . . . . . . . . . . . . . . . . . . . . . . .29
9. Package Outline . . . . . . . . . . . . . . . . . . . . . . . . . . . . . . . . . . . . . . . . . . . . . . . . . . . . . . . . .30
10. PCB Land Pattern . . . . . . . . . . . . . . . . . . . . . . . . . . . . . . . . . . . . . . . . . . . . . . . . . . . . . . .32
11. Top Marking . . . . . . . . . . . . . . . . . . . . . . . . . . . . . . . . . . . . . . . . . . . . . . . . . . . . . . . . . . .33
11.1. Si4355 Top Marking . . . . . . . . . . . . . . . . . . . . . . . . . . . . . . . . . . . . . . . . . . . . . . . .33
11.2. Top Marking Explanation . . . . . . . . . . . . . . . . . . . . . . . . . . . . . . . . . . . . . . . . . . . .33
Contact Information . . . . . . . . . . . . . . . . . . . . . . . . . . . . . . . . . . . . . . . . . . . . . . . . . . . . . . . .34
Power Saving Modes
($9
SILICON LABS
Si4355
4 Rev 1.0
1. Electrical Specifications
Table 1. Recommended Operating Conditions
Parameter Symbol Test Condition Min Typ Max Unit
Ambient Temperature TA–40 25 85 C
Supply Voltage VDD 1.8 3.6 V
I/O Drive Voltage VGPIO 1.8 3.6 V
Table 2. DC Characteristics1
Parameter Symbol Conditions Min Typ Max Units
Supply Voltage
Range VDD 1.8 3.3 3.6 V
Power Saving Modes IShutdown RC oscillator, main digital regulator, and low power
digital regulator OFF —30 — nA
IStandby
Register values maintained and
RC oscillator/WUT OFF —50 — nA
IReady
Crystal Oscillator and Main Digital Regulator ON,
all other blocks OFF —2 —mA
ISPI Active SPI Active State 1.35 mA
TUNE Mode Current ITune_RX RX Tune — 6.5 — mA
RX Mode Current IRX —10 — mA
Notes:
1. All specifications guaranteed by production test unless otherwise noted. Production test conditions and max limits are
listed in the "Production Test Conditions" section of "1.1. Definition of Test Conditions" on page 9.
2. Guaranteed by qualification. Qualification test conditions are listed in the "Qualification Test Conditions" section in "1.1.
Definition of Test Conditions" on page 9.
, .
SILIEDN LABS
Si4355
Rev 1.0 5
Table 3. Synthesizer AC Electrical Characteristics1
Parameter Symbol Conditions Min Typ Max Units
Synthesizer Frequency
Range
FSYN 283 — 350 MHz
425 — 525 MHz
850 — 960 MHz
Synthesizer Frequency
Resolution2
FRES-960 850–960 MHz —114.4— Hz
FRES-525 425–525 MHz —57.2— Hz
FRES-350 283–350 MHz —38.1— Hz
Synthesizer Settling Time2tLOCK Measured from exiting Ready mode with
XOSC running to any frequency,
including VCO Calibration
—130— µs
Notes:
1. All specifications guaranteed by production test unless otherwise noted. Production test conditions and max limits are
listed in the "Production Test Conditions" section in "1.1. Definition of Test Conditions" on page 9.
2. Guaranteed by qualification. Qualification test conditions are listed in the "Qualification Test Conditions" section in "1.1.
Definition of Test Conditions" on page 9.
Table 4. Receiver AC Electrical Characteristics1
Parameter Symbol Conditions Min Typ Max Units
RX Frequency
Range
FRX 283 — 350 MHz
425 — 525 MHz
850 — 960 MHz
RX Sensitivity PRX-_2 (BER < 0.1%)
(2.4 kbps, GFSK, BT = 0.5,
f = 30 kHz)2 ,114 kHz Rx BW
—–116—dBm
PRX-_40 (BER < 0.1%)
(40 kbps, GFSK, BT = 0.5,
f = 25 kHz)2, 114 kHz Rx BW
—–108—dBm
PRX-_128 (BER < 0.1%)
(128 kbps, GFSK, BT = 0.5,
f = 70 kHz)2, 305 kHz Rx BW
—–103—dBm
PRX-_OOK BER < 0.1%, 1 kbps, 185 kHz Rx BW,
OOK, PN15 data
—–113—dBm
BER < 0.1%, 40 kbps, 185 kHz Rx BW,
OOK, PN15 data
—–102—dBm
RX Channel Bandwidth2BW 40 — 850 kHz
Notes:
1. All specifications guaranteed by production test unless otherwise noted. Production test conditions and max limits are
listed in the "Production Test Conditions" section in "1.1. Definition of Test Conditions" on page 9.
2. Guaranteed by qualification. Qualification test conditions are listed in the "Qualification Test Conditions" section in "1.1.
Definition of Test Conditions" on page 9.
($9
SILICON LABS
Si4355
6 Rev 1.0
BER Variation vs Power
Level2
PRX_RES Up to +5 dBm Input Level — 0 0.1 ppm
RSSI Resolution RESRSSI —±0.5—dB
1-Ch Offset Selectivity2C/I1-CH Desired Ref Signal 3 dB above sensitiv-
ity, BER < 0.1%. Interferer is CW and
desired modulated with
1.2 kbps F = 5.2 kHz GFSK with
BT = 0.5,
Rx BW = 58 kHz,
channel spacing = 100 kHz
— –56 — dB
2-Ch Offset Selectivity2C/I2-CH — –59 — dB
Blocking 200 kHz–1 MHz 200KBLOCK Desired Ref Signal 3 dB above sensitiv-
ity, BER < 0.1% Interferer is CW and
desired modulated with 1.2 kbps
F = 5.2 kHz GFSK with BT = 0.5,
RX BW = 58 kHz
— –58 — dB
Blocking 1 MHz Offset21MBLOCK — –61 — dB
Blocking 8 MHz Offset28MBLOCK — –79 — dB
Image Rejection2ImREJ Rejection at the image frequency.
IF = 468 kHz
— –40 — dB
Spurious Emissions2POB_RX1 Measured at RX pins — — –54 dBm
Table 5. Auxiliary Block Specifications1
Parameter Symbol Conditions Min Typ Max Units
XTAL Range2XTAL-
RANGE
25 — 32 MHz
30 MHz XTAL Start-Up Time t30M Using XTAL and board layout in
reference design. Start-up time
will vary with XTAL type and
board layout
— 250 — µs
30 MHz XTAL Cap
Resolution3
30MRES —70—fF
POR Reset Time tPOR ——5ms
Notes:
1. All specifications guaranteed by production test unless otherwise noted. Production test conditions and max limits are
listed in the "Production Test Conditions" section in "1.1. Definition of Test Conditions" on page 9.
2. XTAL Range tested in production using an external clock source (similar to using a TCXO).
3. Guaranteed by qualification. Qualification test conditions are listed in the "Qualification Test Conditions" section in "1.1.
Definition of Test Conditions" on page 9.
Table 4. Receiver AC Electrical Characteristics1 (Continued)
Parameter Symbol Conditions Min Typ Max Units
Notes:
1. All specifications guaranteed by production test unless otherwise noted. Production test conditions and max limits are
listed in the "Production Test Conditions" section in "1.1. Definition of Test Conditions" on page 9.
2. Guaranteed by qualification. Qualification test conditions are listed in the "Qualification Test Conditions" section in "1.1.
Definition of Test Conditions" on page 9.
, .
SILIEDN LABS
Si4355
Rev 1.0 7
Table 6. Digital IO Specifications (GPIO_x, SCLK, SDO, SDI, nSEL, nIRQ)1
Parameter Symbol Conditions Min Typ Max Units
Rise Time TRISE 0.1 x VDD to 0.9 x VDD,
CL= 10 pF, DRV<1:0>=HH
—2.3— ns
Fall Time TFALL 0.9 x VDD to 0.1 x VDD,
CL= 10 pF, DRV<1:0>=HH
—2—ns
Input Capacitance CIN —2—pF
Logic High Level Input Voltage VIH VDD x0.7 — — V
Logic Low Level Input Voltage VIL ——V
DD x0.3 V
Input Current IIN 0<VIN <V
DD –10 — 10 µA
Input Current If Pullup is Activated IINP VIL =0V 1 — 10 µA
Drive Strength for Output Low
Level2
IOLL DRV<1:0> = LL 2.1 mA
IOLH DRV<1:0> = LH 1.5 mA
IOHL DRV<1:0> = HL 1.0 mA
IOHH DRV<1:0> = HH 0.4 mA
Drive Strength for Output High
Level (GPIO1, GPIO2, GPIO3)2
IOLL DRV<1:0> = LL 4.5 mA
IOLH DRV<1:0> = LH 3.3 mA
IOHL DRV<1:0> = HL 2.1 mA
IOHH DRV<1:0> = HH 0.7 mA
Drive Strength for Output High
Level (GPIO0)2
IOLL DRV<1:0> = LL 1.9 mA
IOLH DRV<1:0> = LH 1.7 mA
IOHL DRV<1:0> = HL 1.3 mA
IOHH DRV<1:0> = HH 0.6 mA
Logic High Level Output Voltage VOH IOUT = 500 µA VDD x0.8 — — V
Logic Low Level Output Voltage VOL IOUT = 500 µA — — VDD x0.2 V
Notes:
1. All specifications guaranteed by qualification. Qualification test conditions are listed in the "Qualification Test
Conditions" section in "1.1. Definition of Test Conditions" on page 9.
2. GPIO output current measured at 3.3 VDC VDD with VOH = 2.7 VDC and VOL =0.66VDC.
($9
SILICON LABS
Si4355
8 Rev 1.0
Table 7. Thermal Characteristics
Parameter Symbol Test Condition Value Unit
Thermal Resistance Junction to Ambient JA Still Air 30 C/W
Junction Temperature TJ125 C
Table 8. Absolute Maximum Ratings
Parameter Value Unit
VDD to GND –0.3, +3.6 V
Voltage on Digital Control Inputs –0.3, VDD + 0.3 V
Voltage on Analog Inputs –0.3, VDD + 0.3 V
RX Input Power +10 dBm
Operating Ambient Temperature Range TA–40 to +85 C
Storage Temperature Range TSTG –55 to +125 C
Note: Stresses beyond those listed under “Absolute Maximum Ratings” may cause permanent damage to the device. These
are stress ratings only and functional operation of the device at or beyond these ratings in the operational sections of
the specifications is not implied. Exposure to absolute maximum rating conditions for extended periods may affect
device reliability. Caution: ESD sensitive device.
, .
SILIEDN LABS
Si4355
Rev 1.0 9
1.1. Definition of Test Conditions
Production Test Conditions:
TA=+25°C
VDD =+3.3VDC
Sensitivity measured at 434 MHz using a PN15 modulated input signal and with packet handler mode
enabled.
External reference signal (XIN) = 1.0 VPP at 30 MHz, centered around 0.8 VDC
Production test schematic (unless noted otherwise)
All RF input and output levels referred to the pins of the Si4355 (not the RF module)
Qualification Test Conditions:
TA = –40 to +85 °C (typical = 25 °C)
VDD = +1.8 to +3.6 VDC (typical = 3.3 VDC)
Using reference design or production test schematic
All RF input and output levels referred to the pins of the Si4355 (not the RF module)
($9
SILICON LABS
Si4355
10 Rev 1.0
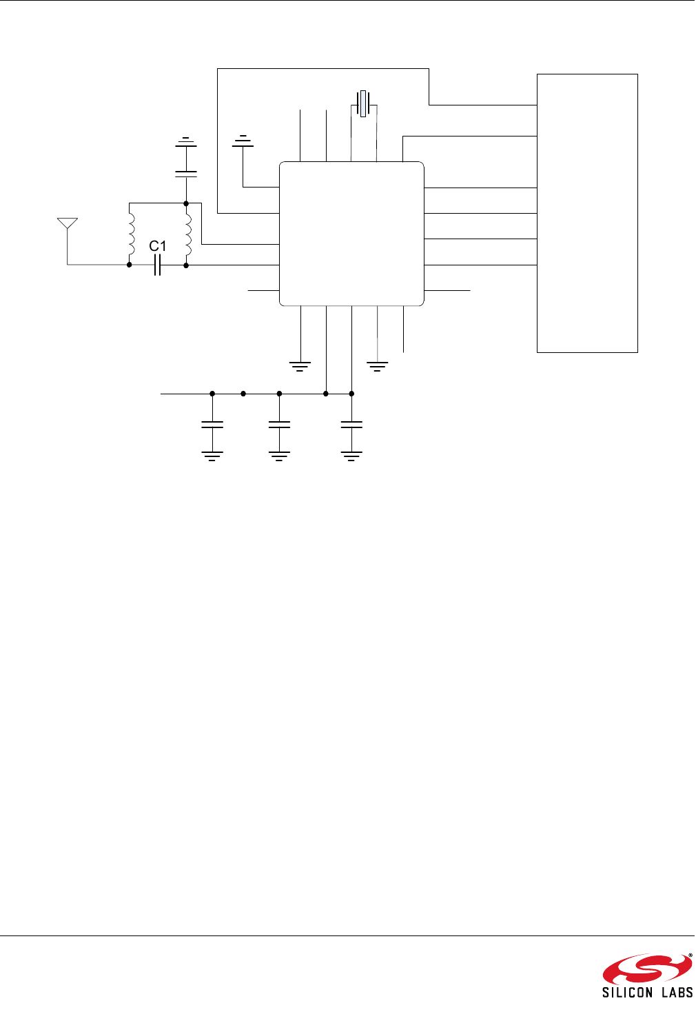
2. Typical Applications Circuit
Figure 1. Si4355 Applications Circuit
30 MHz
Microcontroller
GP1
GP2
GP3
GP4
L1
GND
GPIO1
19
18
17
16
1
2
3
4
15
14
13
7
8
9
10
SDI
SDO
SCLK
RXn
SDN
RXp
VDD
VDD
GPIO0
XIN
GPIO3
nSEL
XOUT
GND
5
NC
6
GND 20
GPIO2
11
12 GP5
C1 Si4355
nIRQ
VDD
100 n
C4
100 p
C3
1u
L2
C2
C5
SDN
U ii
3 ‘—\”}y
, {
7 <><>+ \\\+ + {
} {
’ KN
\>Si4355
Rev 1.0 11
3. Functional Description
Figure 2. Si4355 Functional Block Diagram
3.1. Overview
The Si4355 is an easy-to-use, size efficient, low current wireless ISM receiver that covers the sub-GHz bands. The
wide operating voltage range of 1.8–3.6 V and low current consumption make the Si4355 an ideal solution for
battery powered applications. The Si4355 uses a single-conversion mixer to downconvert the FSK/GFSK or OOK
modulated receive signal to a low IF frequency. Following a programmable gain amplifier (PGA) the signal is
converted to the digital domain by a high performance ADC allowing filtering, demodulation, slicing, and packet
handling to be performed in the built-in DSP, increasing the receiver’s performance and flexibility versus analog
based architectures. The demodulated signal is output to the system MCU through a programmable GPIO or via
the standard SPI bus by reading the 64-byte Rx FIFO.
A high precision local oscillator (LO) is used and is generated by an integrated VCO and Fractional-N PLL
synthesizer. The Si4355 operates in the frequency bands of 283–350, 425–525, and 850–960 MHz.
Additional system features, such as 64 byte Rx FIFO, preamble detection, sync word detector and CRC, reduce
overall current consumption, and allow for the use of lower-cost system MCUs. Power-on-reset (POR), and GPIOs
further reduce overall system cost and size. The Si4355 is designed to work with an MCU, crystal, and a few
passives to create a very compact and low-cost system.
3.2. Receiver Chain
The internal low-noise amplifier (LNA) is designed to be a wide-band LNA that can be matched with three external
discrete components to cover any common range of frequencies in the sub-GHz band. The LNA has extremely low
noise to suppress the noise of the following stages and achieve optimal sensitivity; so, no external gain or front-end
modules are necessary. The LNA has gain control, which is controlled by the internal automatic gain control (AGC)
algorithm. The LNA is followed by an I-Q mixer, filter, programmable gain amplifier (PGA), and ADC. The I-Q
mixers downconvert the signal to an intermediate frequency. The PGA then boosts the gain to be within dynamic
range of the ADC. The ADC rejects out-of-band blockers and converts the signal to the digital domain where
filtering, demodulation, and processing is performed. Peak detectors are integrated at the output of the LNA and
PGA for use in the AGC algorithm.
Rx Modem
Synthesizer
LNA PGA ADC
Rx Chain
SPI Interface
Controller
Battery
Voltage
Sensor
Aux ADC
25-32MHz XO
SDN
RXp
RXn
VDD GPIO0
GPIO1
nSEL
SDI
SDO
SCLK
nIRQ
XOUTXINGPIO2GPIO3
($9
SILICON LABS
Si4355
12 Rev 1.0
3.3. Receiver Modem
Using high-performance ADCs allows channel filtering, image rejection, and demodulation to be performed in the
digital domain, which allows for flexibility in optimizing the device for particular applications. The digital modem
performs the following functions:
Channel selection filter
Preamble detection
Invalid preamble detection
RX demodulation
Automatic gain control (AGC)
Automatic frequency compensation (AFC)
Radio signal strength indicator (RSSI)
Cyclic redundancy check (CRC)
The digital channel filter and demodulator are optimized for ultra-low-power consumption and are highly
configurable. Supported modulation types are GFSK, FSK, and OOK. The channel filter can be configured to
support bandwidths ranging from 850 kHz down to 40 kHz. A large variety of data rates are supported ranging from
500 kbps up to 500 kbps. The configurable preamble detector is used with the synchronous demodulator to
improve the reliability of the sync-word detection. Preamble detection can be skipped using only sync detection,
which is a valuable feature of the asynchronous demodulator when very short preambles are used. The received
signal strength indicator (RSSI) provides a measure of the signal strength received on the tuned channel. The
resolution of the RSSI is 0.5 dB. This high-resolution RSSI enables accurate channel power measurements for
clear channel assessment (CCA), carrier sense (CS), and listen before talk (LBT) functionality. A wireless
communication channel can be corrupted by noise and interference, so it is important to know if the received data
is free of errors. A cyclic redundancy check (CRC) is used to detect the presence of erroneous bits in each packet.
A CRC is computed and appended at the end of each transmitted packet and verified by the Si4355 receiver to
confirm that no errors have occurred. The packet handler and CRC can significantly reduce the load on the system
microcontroller allowing for a simpler and cheaper microcontroller. The default bandwidth-time product (BT) is 0.5
for all programmed data rates.
3.3.1. Received Signal Strength Indicator
The received signal strength indicator (RSSI) is an estimate of the signal strength in the channel to which the
receiver is tuned. The RSSI measurement is done after the channel filter, so it is only a measurement of the
desired or undesired in-band signal power. The Si4355 uses a fast response register to read RSSI and so can
complete the read in 16 SPI clock cycles with no requirement to wait for CTS. The RSSI value is read using the
RSSI_READ command. The RSSI value reported by this API command can be converted to dBm using the
following equation:
RSSIcal in this formula is dependent on the matching network, modem settings, and external LNA gain (if present).
It can be obtained through lab measurements using a signal generator connected to the antenna input to provide a
known RSSI level. Without an external LNA, the RSSIcal will be approximately 130.
3.4. Synthesizer
The Si4355 includes an integrated Sigma Delta () Fractional-N PLL synthesizer capable of operating over the
bands from 283–350, 425–525, and 850–960 MHz. The synthesizer has many advantages; it provides flexibility
in choosing data rate, deviation, channel frequency, and channel spacing. The frequency resolution is
(2/3)Freq_xo/(219) for 283–350 MHz, Freq_xo/(219) for 425–525 MHz, and Freq_xo/(218) for 850–960 MHz. The
nominal reference frequency to the PLL is 30 MHz, but any XTAL frequency from 25 to 32 MHz may be used. The
modem configuration calculator in WDS will automatically account for the XTAL frequency being used. The PLL
utilizes a differential LC VCO with integrated on-chip inductors. The output of the VCO is followed by a configurable
divider, which will divide the signal down to the desired output frequency band.
RSSIdBm RSSI_value
2
---------------------------------RSSIcal
–=
, .
SILIEDN LABS
Si4355
Rev 1.0 13
3.4.1. Synthesizer Frequency Control
The frequency is set by changing the integer and fractional settings to the synthesizer. The WDS calculator will
automatically provide these settings, but the synthesizer equation is shown below for convenience. Initial
frequency settings are configured in the EZConfig setup and can also be modified using the API commands:
FREQ_CONTROL_INTE, FREQ_CONTROL_FRAC2, FREQ_CONTROL_FRAC1, and
FREQ_CONTROL_FRAC0.
Note: The fc_frac/219 value in the above formula must be a number between 1 and 2. The LSB of fc_frac must be "1".
3.4.1.1. EZ Frequency Programming
EZ frequency programming allows for easily changing radio frequency using a single API command. The base
frequency is first set using the EZConfig setup. This base frequency will correspond to channel 0. Next, a channel
step size is also programmed within the EZConfig setup. The resulting frequency will be:
The second argument of the START_RX is CHANNEL, which sets the channel number for EZ frequency
programming. For example, if the channel step size is set to 1 MHz, the base frequency is set to 900 MHz, and a
CHANNEL number of 5 is programmed during the START_RX command, the resulting frequency will be 905 MHz.
If no CHANNEL argument is written as part of the START_RX command, it will default to the previous value. The
initial value of CHANNEL is 0 and so will be set to the base frequency if this argument is never used.
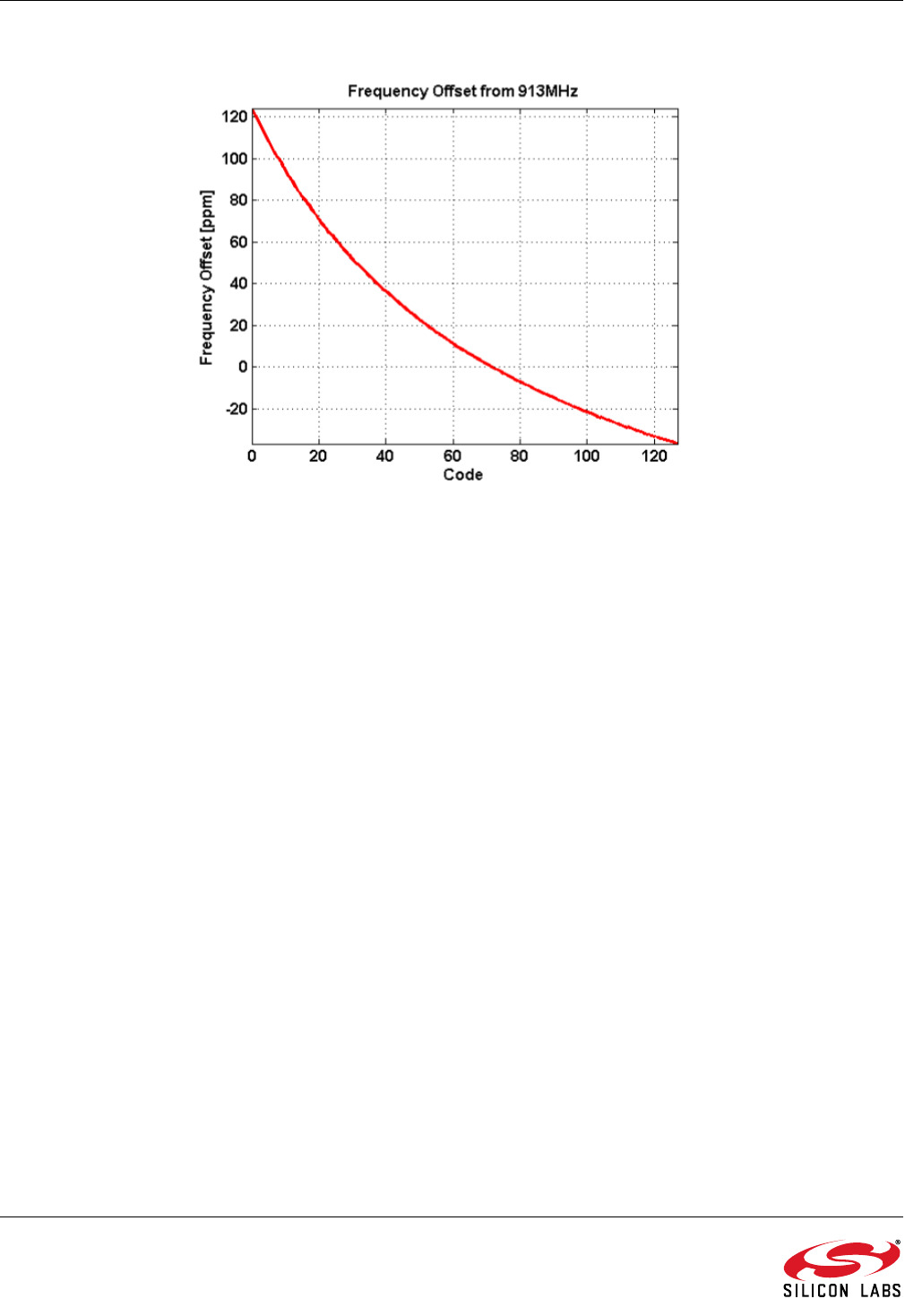
3.5. Crystal Oscillator
The Si4355 includes an integrated crystal oscillator with a fast start-up time of less than 250 µs. The design is
differential with the required crystal load capacitance integrated on-chip to minimize the number of external
components. By default, all that is required off-chip is the crystal. The default crystal is 30 MHz, but the circuit is
designed to handle any XTAL from 25 to 32 MHz, set in the EZConfig setup. The crystal load capacitance can be
digitally programmed to accommodate crystals with various load capacitance requirements and to adjust the
frequency of the crystal oscillator. The tuning of the crystal load capacitance is programmed through the
GLOBAL_XO_TUNE API property. The total internal capacitance is 11 pF and is adjustable in 127 steps (70
fF/step). The crystal frequency adjustment can be used to compensate for crystal production tolerances. The
frequency offset characteristics of the capacitor bank are demonstrated in Figure 3.
Table 9. Output Divider (Outdiv) Values
Outdiv Lower (MHz) Upper (MHz)
12 284 350
8 425 525
4 850 960
RF_channel fc_inte fc_frac
219
------------------
+
4 freq_xo
outdiv
-------------------------------Hz=
RF Frequency Base Frequency Channel Step Size+=
Frequency Oflsel [ppm]
120
100
80
60
40
20
-20
Frequency Offset hem 913MH1
40 60 80 100 120
Cod.
SILICON LABS
Si4355
14 Rev 1.0
Figure 3. Capacitor Bank Frequency Offset Characteristics
3.6. Battery Voltage and Auxiliary ADC
The Si4355 contains an integrated auxiliary 11-bit ADC used for the internal battery voltage detector or an external
component via GPIO. The Effective Number of Bits (ENOB) is 9 bits. When measuring external components, the
input voltage range is 1 V, and the conversion rate is between 300 Hz to 2.44 kHz. The ADC value is read by first
sending the GET_ADC_READING command and enabling the desired inputs. When the conversion is finished and
all the data is ready, CTS will go high, and the data can be read out. Refer to application note, “AN691: EZRadio
API Guide”, for details on this command and the formulas needed to interpret the results.

Si4355
Rev 1.0 15
4. Configuration Options and User Interface
4.1. EZConfig GUI
The EZConfig Setup GUI is part of the Wireless Development Suite (WDS) program. This setup interface provides
an easy path for quickly selecting and loading the desired configuration for the device. The EZConfig Setup allows
for three different methods for device setup. One option is the configuration wizard, which easily identifies the
optimal setup based on a few questions about the application. Another option is the configuration table, which
provides a list of preloaded, common configurations. Lastly, EZConfig allows for custom configuration to be loaded
using the radio configuration application. After the desired configuration is selected, the EZConfig setup
automatically creates the configuration array that will be passed to the chip for setup. The program then gives the
option to load a sample project with the selected configuration onto the evaluation board, or launch IDE with the
new configuration array preloaded into the user program. For more complete information on EZConfig usage, refer
to the application note, “AN692: Si4x55 Programming Guide & Sample Codes”.
Figure 4. Device Configuration Steps
Open EZConfig
Setup in WDS
Select
Configuration
from Table
Input Method
Run
Configuration
Wizard
Create Custom
Configuration
Select Freq,
Power, and
Packet Handler
Features
Guided
Fast
Manual
Select Action
Add new
configuration to
sample code and
load on board
Load
Configuration on
Device
Open IDE with
configuration
array preloaded
Run Sample Code
Lab Measurement Write New Code
($9
SILICON LABS
Si4355
16 Rev 1.0
4.1.1. Configuration Wizard
The configuration wizard is available to easily identify the optimal device setup based on a few questions about the
desired application. Within this wizard, the user is able to define their system requirements and can see some
potential trade-offs for various settings. The wizard then provides a recommended configuration that is optimized
for the given application. This configuration can be further modified if needed to provide the desired setup.
4.1.2. Configuration Table
The configuration table is a list of predefined configurations that have been optimized for performance and
validated by Silicon Labs. These configurations are listed for many common application conditions and so most
users will be able to find the configuration they need in this table. These configurations are set to provide optimized
performance for a given application and can be implemented with low design risk. Once the list item is selected,
the specific frequency, and packet handler features can also be applied.
4.1.3. Radio Configuration Application
The Radio Configuration Application provides an intuitive interface for directly modifying the device configuration.
Using this control panel, the device parameters such as modulation type, data rate, and frequency deviation, can
be set. The EZConfig Setup then takes these parameters and automatically determines the appropriate device
register settings. This method allows the user to have complete flexibility in determining the configuration of the
device without the need to translate the system requirements into device specific properties. As with the other
EZConfig methods, the resulting configuration array is automatically generated and available for use in the user's
program.
4.2. Configuration Options
4.2.1. Frequency Band
The Si4355 can operate in the 283–350 MHz, 425–525 MHz, or 850–960 MHz bands. One of these three bands
will be selected during the configuration setup and then the specific receive frequency that will be used within this
band can be selected.
4.2.2. Modulation Type
The Si4355 can operate using On/Off Keying (OOK), Frequency Shift Keying (FSK), or Gaussian Frequency Shift
Keying (GFSK). OOK modulation is the most basic modulation type available. It is the most power efficient method
and does not require as high oscillator accuracy as FSK. FSK provides the best sensitivity and, therefore, range
performance but generally requires more precision from the oscillator used. GFSK is a version of FSK where the
signal is passed through a Gaussian filter, limiting its spectral width. As a result, the out of band components of the
signal are reduced.
The Si4355 also has an option for Manchester coding. This method provides a state transition at each bit and so
allows for more reliable clock recovery.
Figure 5. Manchester Code Example
11 111
000
Clock
Data
Manchester
, .
SILIEDN LABS
Si4355
Rev 1.0 17
4.2.3. Frequency Deviation
If FSK or GFSK modulation is selected, then a frequency deviation will also need to be selected. The frequency
deviation is the maximum instantaneous difference between the FM modulated frequency and the nominal carrier
frequency. The Si4455 can operate across a wide range of data rates and frequency deviations. If a frequency
deviation needs to be selected, the following guideline might be helpful to build a robust link. A proper frequency
deviation is linked to the frequency error between transmitter and receiver. The frequency error can be calculated
using the crystal tolerance parameters and the RF operating frequency: (ppm_tx+ppm_rx)*Frf/1E-6. For frequency
errors below 50 kHz, the deviation can be about the same as the frequency error. For frequency errors exceeding
50 kHz the frequency deviation can be set to about 0.75 times the frequency error. It is advised to position the
modulation index (=2*freq_dev/data_rate) into a range between 1 and 100 for Packet Handling mode and 2 to 100
for direct mode (non-standard preamble). For example, when in Packet Handling mode and the frequency error is
smaller than data_rate/2, the frequency deviation is set to about data_rate/2. When the frequency error exceeds
100xdata_rate/2, the frequency deviation is preferred to be set to 100xdata_rate/2.
4.2.4. Data Rate
The Si4355 can be set to communicate at between 1 to 500 kbps in (G)FSK mode and between 0.5 to 120 kbps in
OOK mode. Higher data rates allow for faster data transfer while lower data rates result in improved sensitivity and
range performance.
4.2.5. Channel Bandwidth
The channel bandwidth sets the bandwidth for the receiver. Since the receiver bandwidth is directly proportional to
the noise allowed in the system, this will normally be set as low as possible. The specific channel bandwidth used
will usually be determined based upon the precision of the oscillator and the frequency deviation of the transmitted
signal. The EZConfig setup can provide the recommended channel bandwidth based upon these two parameters
to help optimize the system.
4.2.6. Preamble Length
A preamble is a defined simple bit sequence used to notify the receiver that a data transmission is imminent. The
length of this preamble will normally be set as short as possible to minimize power while still insuring that it will be
reliably detected given the receiver characteristics, such as duty cycling and packet error rate performance. The
Si4355 allows the preamble length to be set between 3 to 255 bytes in length with a default length of 4 bytes. The
preamble pattern for the Si4355 will always be 55h with a first bit of "0" if the packet handler capability is used.
4.2.7. Sync Word Length and Pattern
The sync word follows the preamble in the packet structure and is used to identify the start of the payload data and
to synchronize the receiver to the transmitted bit stream. The Si4355 allows for sync word lengths of 1 to 4 bytes
and the specific pattern can be set within the EZConfig program. The default is a 2 byte length 2d d4 pattern.
4.2.8. Cyclic Redundancy Check (CRC)
CRC is used to verify that no errors have occurred during transmission and the received packet has exactly the
same data as it did when transmitted. If this function is enabled in the Si4355, the last byte of transmitted data must
include the CRC generated by the transmitter. The Si4355 then performs a CRC calculation on the received packet
and compares that to the transmitted CRC. If these two values are the same, the Si4355 will set an interrupt
indicating a valid packet has been received and is waiting in the Rx FIFO. If these two CRC values differ, the
Si4355 will flag an interrupt indicating that a packet error occurred. The Si4355 uses CRC(16)-IBM: x16+x15+x2+1
with a seed of 0xFFFF.
($9
SILICON LABS
Si4355
18 Rev 1.0
4.3. Configuration Commands
The EZConfig Setup provides all of the code needed for basic radio configuration. Once the setup is completed in
the GUI, the program outputs configuration array(s) that can be sent to the radio via the SPI interface. No
additional setup coding is needed. The configuration command process is shown in Figure 6. The
EZCONFIG_SETUP passes the configuration array to the device and the EZCONFIG_CHECK insures that all of
the configuration data was written correctly. For more information on the setup commands, refer to application
note, “AN691: EZRadio API Guide”.
Figure 6. Configuration Command Flowchart
EZCONFIG_SETUP
NOP
EZCONFIG_SETUP
EZCONFIG_CHECK
Clock high time
Clock low time
Data setup time
Data hold time
l l
Output data delay k ‘
Output enable time
Output disable time
Lu
W
Select setup time
Select hold time
Select high period
, .
SILIEDN LABS
Si4355
Rev 1.0 19
5. Controller Interface
5.1. Serial Peripheral Interface (SPI)
The Si4355 communicates with the host MCU over a standard 4-wire serial peripheral interface (SPI): SCLK, SDI,
SDO, and nSEL. The SPI interface is designed to operate at a maximum of 10 MHz. The SPI timing parameters
are listed in Table 10. The host MCU writes data over the SDI pin and can read data from the device on the SDO
output pin. Figure 7 shows an SPI write command. The nSEL pin should go low to initiate the SPI command. The
first byte of SDI data will be one of the API commands followed by n bytes of parameter data, which will be variable
depending on the specific command. The rising edges of SCLK should be aligned with the center of the SDI data.
Figure 7. SPI Write Command
The Si4355 contains an internal MCU which controls all the internal functions of the radio. For SPI read
commands, a typical communication flow of checking clear-to-send (CTS) is used to make sure the internal MCU
has executed the command and prepared the data to be output over the SDO pin. Figure 8 demonstrates the
general flow of an SPI read command. Once the CTS value reads FFh, the read data is ready to be clocked out to
the host MCU. The typical time for a valid FFh CTS reading is 20 µs. Figure 9 demonstrates the remaining read
cycle after CTS is set to FFh. The internal MCU will clock out the SDO data on the negative edge so the host MCU
should process the SDO data on the rising edge of SCLK.
Table 10. Serial Interface Timing Parameters
Symbol Parameter Min (ns) Diagram
tCH Clock high time 40
tCL Clock low time 40
tDS Data setup time 20
tDH Data hold time 20
tDD Output data delay
time 20
tEN Output enable time 20
tDE Output disable time 50
tSS Select setup time 20
tSH Select hold time 50
tSW Select high period 80
tCH
tCL tDS tDH tDD
tEN
tDE
tSS tSH
tSW
SCLK
SDN
SDO
nSEL
nSEL
SDO
SDI
SCLK
ParamByte nParamByte 0API Command
SSSSSSSSSSS
Si4355
20 Rev 1.0
Figure 8. SPI Read Command—Check CTS Value
Figure 9. SPI Read Command—Clock Out Read Data
ReadCmdBuff
nSEL
SDO
SDI
SCLK
CTS
Send Command CTS Value
0x00
0xFF
Read CTS Retrieve
Response
Response Byte 0
nSEL
SDO
SDI
SCLK
Response Byte n
SILIEIJN LABS
Si4355
Rev 1.0 21
5.2. Operating Modes and Timing
The primary states of the Si4355 are shown in Figure 10. The shutdown state completely shuts down the radio,
minimizing current consumption and is controlled using the SDN (pin 2). All other states are controlled using the
API commands START_RX and CHANGE_STATE. Table 11 shows each of the operating modes with the time
required to reach either RX state as well as the current consumption of each state. The times in Table 11 are
measured from the rising edge of nSEL until the chip is in the desired state. This information is included for
reference only since an automatic sequencer moves the chip from one state to another and so it is not necessary
to manually step through each state. Most applications will utilize the standby mode since this provides the fastest
transition response time, maintains all register values, and results in nearly the same current consumption as
shutdown.
Figure 10. State Machine Diagram
Table 11. Operating State Response Time and Current Consumption
State / Mode Response Time to Rx Current in State / Mode
Shutdown 30 ms 30 nA
Standby 460 μs 50 nA
SPI Active 330 μs1.35 mA
Ready 130 μs 1.8 mA
Rx Tune 75 μs 6.5 mA
Rx 150 μs 10 mA
SPI Active
Standby
Ready
Rx Tune
Rx
Shutdown
Config
Vm
Time
SILIEDN LABS
Si4355
22 Rev 1.0
5.2.1. Shutdown State
The shutdown state is the lowest current consumption state of the device and is entered by driving SDN (Pin 2)
high. In this state, all register contents are lost and there is no SPI access. To exit this mode, drive SDN low. The
device will then initiate a power on reset (POR) along with internal calibrations. Once this POR period is complete,
the POWER_UP command is required to initialize the radio and the configuration can then be loaded into the
device. The SDN pin must be held high for at least 10 µs before driving it low again to insure the POR can be
executed correctly. The shutdown state can be used to fully reset the part.
5.2.2. Standby State
The standby state has similar current consumption to the shutdown state but retains all register values, allowing for
a much faster response time. Because of these benefits, most applications will want to use standby mode rather
than shutdown. The standby state is entered by using the CHANGE_STATE API command. While in this state, the
SPI is accessible but any SPI event will automatically transition the chip to the SPI active state. After the SPI event,
the host will need to re-command the device to standby mode.
5.2.3. SPI Active State
The SPI active state enables the device to process any SPI events, such as API commands. In this state, the SPI
and boot up oscillator are enabled. The SPI active state is entered by using the CHANGE_STATE command or
automatically through an SPI event while in standby mode. If the SPI active state was entered automatically from
standby mode, a CHANGE_STATE command will be needed to return the device to standby mode.
5.2.4. Ready State
Ready state is designed to give a fast transition time to RX state with minimized current consumption. In this mode
the crystal oscillator remains enabled to minimize the transition time. Ready state can be entered using the
CHANGE_STATE command.
5.2.5. Power On Reset
A Power On Reset (POR) sequence is used to boot the device up from a fully off or shutdown state. To execute this
process, VDD must ramp within 1ms and must remain applied to the device for at least 10ms. If VDD is removed,
then it must stay below 0.15V for at least 10ms before being applied again. Please see Figure x and Table x for
details.
Figure 11. POR Timing Diagram
, .
SILIEDN LABS
Si4355
Rev 1.0 23
5.2.6. RX State
The RX state is used whenever the device is required to receive data. It is entered using either the START_RX or
CHANGE_STATE commands. With the START_RX command, the next state can be defined to insure optimal
timing. When either command is sent to enter RX state, an internal sequencer automatically takes care of all
actions required to move between states with no additional user commands needed. The sequencer controlled
events can include enable the digital and analog LDOs, start up the crystal oscillator, enable PLL, calibrate VCO,
enable receiver circuits, and enable receive mode. The device will also automatically set up all receiver features
such as packet handling based upon the initial configuration of the device.
Table 12. POR Timing
Variable Description Min Typ Max Units
tPORH High time for VDD to fully settle POR circuit. 10 ms
tPORL Low time for VDD to enable POR. 10 ms
VRRH Voltage for successful POR. 90%*Vdd V
VRRL Starting Voltage for successful POR. 0150mV
tSR Slew rate of VDD for successful POR. 1ms
($9
SILICON LABS
Si4355
24 Rev 1.0
5.3. Application Programming Interface
An Application Programming Interface (API) is embedded inside the device and is used for communications with
the host MCU. API commands are used to configure the device, control the chip during operation, and retrieve its
status. Available commands are shown in Table 13. The complete list of commands and their descriptions are
provided in application note, “AN691: EZRadio API Guide”.
Table 13. API Commands
# Name Description
0x00 NOP No operation command
0x01 PART_INFO Reports basic information about the device
0x02 POWER_UP Boot options and crystal frequency offset
0x10 FUNC_INFO Returns the function revision information of the device
0x11 SET_PROPERTY Sets the value of a property
0x12 GET_PROPERTY Retrieves the value of a property
0x13 GPIO_PIN_CFG Configures the GPIO pins
0x14 GET_ADC_READING Performs and retrieves ADC conversion results
0x15 FIFO_INFO Provides access to the RX FIFO counts and reset
0x19 EZCONFIG_CHECK Validates the EZConfig array was written correctly
0x20 GET_INT_STATUS Returns the interrupt status byte
0x32 START_RX Switches to RX state
0x33 REQUEST_DEVICE_STATE Request current device state
0x34 CHANGE_STATE Changes to a specified device state / mode
0x44 READ_CMD_BUFF Used to read CTS and the command response
0x50 CHIP_STATUS_INT_PEND_READ CHIP_STATUS_INT_PEND fast response register
0x51 MODEM_INT_PEND_READ MODEM_INT_PEND fast response register
0x53 PH_INT_PEND_READ PH_INT_PEND fast response register
0x57 RSSI_READ RSSI fast response register
0x66 EZCONFIG_SETUP Configures device using EZConfig array
0x77 READ_RX_FIFO Reads the RX FIFO
, .
SILIEDN LABS
Si4355
Rev 1.0 25
5.4. Interrupts
The Si4355 is capable of generating an interrupt signal when certain events occur. The chip notifies the
microcontroller that an interrupt event has occurred by setting the nIRQ output pin LOW = 0. This interrupt signal
will be generated when any one (or more) of the interrupt events occur. The nIRQ pin will remain low until the
microcontroller reads the Interrupt Status Registers. The nIRQ output signal will then be reset until the next change
in status is detected.
The interrupt sources are grouped into three categories: packet handler, chip status, and modem. The individual
interrupts in these groups can be enabled/disabled in the interrupt property registers, 0x0101, 0x0102, and 0x0103.
An interrupt must be enabled for it to trigger an event on the nIRQ pin. The interrupt group must be enabled as well
as the individual interrupts in API property 0x0100.
Once an interrupt event occurs and the nIRQ pin is low the interrupts are read and cleared using the
GET_INT_STATUS command. By default all interrupts will be cleared once read. The instantaneous status of a
specific function may be read if the specific interrupt is enabled or disabled. The status results are provided after
the interrupts and can be read with the same commands as the interrupts. The status bits will give the current state
of the function whether the interrupt is enabled or not.
5.5. GPIO
Four General Purpose IO (GPIO) pins are available for use in the application. The GPIOs are configured using the
GPIO_PIN_CFG command. GPIO pins 0 and 1 should be used for active signals such as data or clock. GPIO pins
2 and 3 have more susceptibility to generating spurious components in the synthesizer than pins 0 and 1. The drive
strength of the GPIOs can be adjusted with the GEN_CONFIG parameter in the GPIO_PIN_CFG command. By
default, the drive strength is set to the minimum. The default configuration and the state of the GPIO during
shutdown are shown in Table 14. For a complete list of the GPIO options, please refer to the API guide application
note, “AN691: EZRadio API Guide”.
Table 14. GPIOs
Pin SDN State POR Default
GPIO0 0 POR
GPIO1 0 CTS
GPIO2 0 POR
GPIO3 0 POR
nIRQ Resistive VDD pull-up nIRQ
SDO Resistive VDD pull-up SDO
SDI High Z SDI
($9
SILICON LABS
Si4355
26 Rev 1.0
6. Data Handling and Packet Handler
6.1. RX FIFO
A 64-byte RX FIFO is integrated into the chip. Reading from command register 77h reads data from this RX FIFO.
6.2. Packet Handler
The Si4355 includes integrated packet handler features such as preamble and sync word detection as well as CRC
calculation. This allows the chip to qualify and synchronize with legitimate transmissions independent of the
microcontroller. These features can be enabled using the EZConfig setup. In this setup, the preamble and sync
word length can be modified and the sync word pattern can be selected. The general packet structure is shown in
Figure 12.
There is also the option within the EZConfig setup to select a variable packet length. With this setting, the receiver
is not required to know the packet length ahead of time. The transmitter sends the length of the packet immediately
after the sync word. The packet structure for variable length packets is shown in Figure 13.
Figure 12. Packet Structure for Fixed Packet Length
Figure 13. Packet Structure for Variable Packet Length
Preamble Sync Word Data CRC
0 – 255 Bytes 1 – 4 Bytes 1 – 64 Bytes 2 Bytes
Preamble Sync Word Length Data CRC
0 – 255 Bytes 1 – 4 Bytes 1 Byte 1 – 64 Bytes 2 Bytes
Shutdown (0 — V V) — SDN = 1, part wili be in shutdown mode and contents
Interrupt Status Output— nIRQ = 0, interrupt event has occurred. Read interrupt
Seriai Clock Input (0 — V V)—Provides seriai data clock for 4-iine seriai data
Seriai Data Output (0 — V D V)— Provides serial data readback function of
, .
SILIEDN LABS
Si4355
Rev 1.0 27
7. Pin Descriptions
Pin Pin Name I/O Description
1GNDGND
Ground
2SDN I
Shutdown (0 – VDD V) – SDN = 1, part will be in shutdown mode and contents
of all registers are lost. SDN = 0, all other modes.
3RXp I
Differential RF receiver input pin
4RXn I
Differential RF receiver input pin
5NC —
No Connect
6GNDGND
Ground
7V
DD VDD Supply voltage
8V
DD VDD Supply voltage
9GNDGND
Ground
10 GPIO0 I/O General Purpose Digital I/O
11 GPIO1 I/O General Purpose Digital I/O
12 nIRQ O Interrupt Status Output – nIRQ = 0, interrupt event has occurred. Read interrupt
status for event details.
13 SCLK I Serial Clock Input (0 – VDD V)—Provides serial data clock for 4-line serial data
bus.
14 SDO O Serial Data Output (0 – VDD V)— Provides serial data readback function of
internal control registers.
15 SDI I Serial Data Input (0 – VDD V)—Serial data stream input for 4-line serial data bus
1
2
3
4
5
6 7 8 9 10
16
15
14
13
12
11
20 19 18 17GND
SDN
RXp
RXn
NC
GND
nSEL
SDI
SDO
SCLK
nIRQ
GPIO1
VDD
VDD
GND
GPIO0
GPIO3
GPIO2
XIN
XOUT
Seria‘ Interface Selec‘ Inpm (0 — V V) — Provides select/enable function for
($9
SILICON LABS
Si4355
28 Rev 1.0
16 nSEL I Serial Interface Select Input (0 – VDD V) – Provides select/enable function for
4-line serial data bus
17 XOUT O Crystal Oscillator Output
18 XIN I Crystal Oscillator Input—No DC bias required, but if used, should be set to 7 V.
19 GPIO2 I/O General Purpose Digital I/O
20 GPIO3 I/O General Purpose Digital I/O
Pin Pin Name I/O Description
, .
SILIEDN LABS
Si4355
Rev 1.0 29
8. Ordering Information
Part Number*Description Package Type Operating
Temperature
Si4355-B1A-FM EZRadio Receiver 3x3 QFN-20
Pb-free
–40 to 85 °C
*Note: Add an “R” at the end of the device part number to denote tape and reel option.
EEK
%
\H: HEMP
Lxx‘u‘
fl—fl
” ’ gag 4‘
F4 m §F
3P) \ET7\L_
x L \
1—1—17 E'ELCLD—DE' %
EiTH \HE
I-IIEI D
4 H ,
W I 7»
W U “M +3 J
L
‘ 7 #7” A.
m :‘ 7 ' 7 ‘ +“““1\‘ w
\ETJL
fi‘ H $
77:.
SILICON LABS
Si4355
30 Rev 1.0
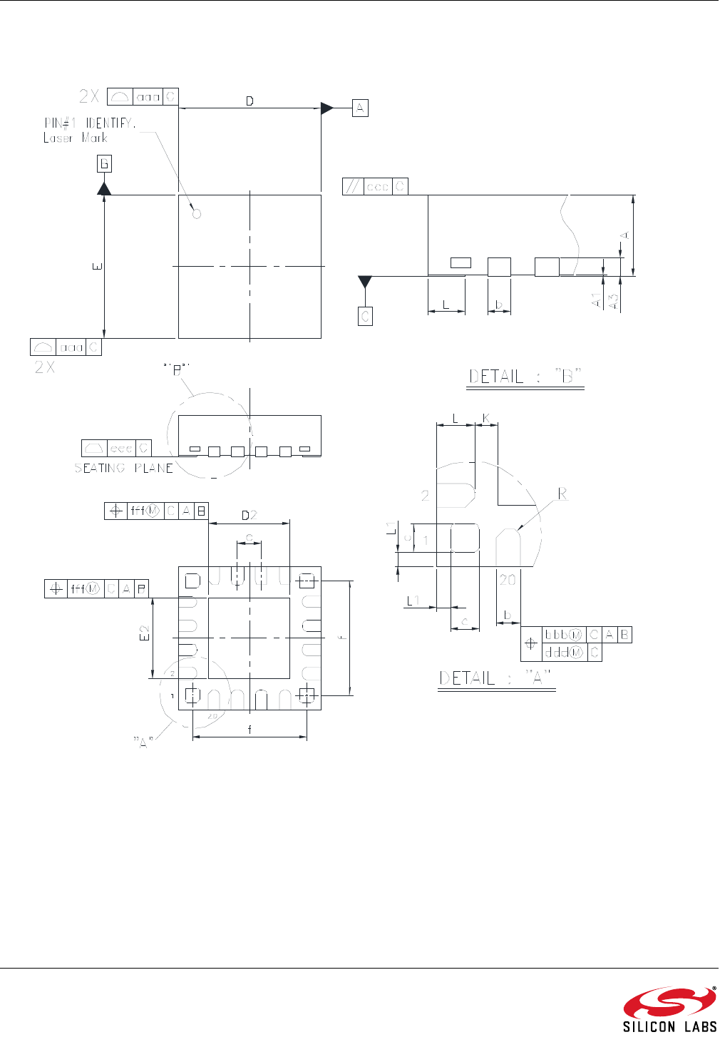
9. Package Outline
Figure 14. 20-pin QFN Package
, .
SILIEDN LABS
Si4355
Rev 1.0 31
Table 15. Package Diagram Dimensions
Dimension Min Nom Max
A 0.80 0.85 0.90
A1 0.00 0.02 0.05
A3 0.20 REF
b 0.18 0.25 0.30
c 0.25 0.30 0.35
D3.00 BSC.
D2 1.55 1.70 1.85
e0.50 BSC.
E3.00 BSC.
E2 1.55 1.70 1.85
f2.40 BSC.
L 0.30 0.40 0.50
aaa 0.15
bbb 0.10
ccc 0.10
ddd 0.05
eee 0.08
fff 0.10
Note: All dimensions shown are in millimeters (mm) unless otherwise noted.
SILICON LABS
Si4355
32 Rev 1.0
10. PCB Land Pattern
Figure 15. 20-pin QFN PCB Land Pattern
Table 16. PCB Land Pattern Dimensions
Dimension Min Max
C1 3.00
C2 3.00
E 0.50 REF
X1 0.25 0.35
X2 1.65 1.75
Y1 0.85 0.95
Y2 1.65 1.75
Y3 0.37 0.47
f 2.40 REF
c 0.25 0.35
Note: : All dimensions shown are in millimeters (mm) unless otherwise noted.
TTTT
Si4355
Rev 1.0 33
11. Top Marking
11.1. Si4355 Top Marking
Figure 16. Si4355 Top Marking
11.2. Top Marking Explanation
Mark Method: Laser
Line 1 Marking: Part Number 4355A
Firmware Revision
Line 2 Marking: Die Revision Internal tracking number
TTTT = Trace Code
Line 3 Marking: Circle = 0.5 mm Diameter
(Bottom-Left Justified)
Y = Year
WW = Workweek
Assigned by the Assembly House. Corresponds to the last
significant digit of the year and work week of the mold date.
SILICON LABS
Disclaimer
Silicon Laboratories intends to provide customers with the latest, accurate, and in-depth documentation of all peripherals and modules available for system and software implementers
using or intending to use the Silicon Laboratories products. Characterization data, available modules and peripherals, memory sizes and memory addresses refer to each specific
device, and "Typical" parameters provided can and do vary in different applications. Application examples described herein are for illustrative purposes only. Silicon Laboratories
reserves the right to make changes without further notice and limitation to product information, specifications, and descriptions herein, and does not give warranties as to the accuracy
or completeness of the included information. Silicon Laboratories shall have no liability for the consequences of use of the information supplied herein. This document does not imply
or express copyright licenses granted hereunder to design or fabricate any integrated circuits. The products must not be used within any Life Support System without the specific
written consent of Silicon Laboratories. A "Life Support System" is any product or system intended to support or sustain life and/or health, which, if it fails, can be reasonably expected
to result in significant personal injury or death. Silicon Laboratories products are generally not intended for military applications. Silicon Laboratories products shall under no
circumstances be used in weapons of mass destruction including (but not limited to) nuclear, biological or chemical weapons, or missiles capable of delivering such weapons.
Trademark Information
Silicon Laboratories Inc., Silicon Laboratories, Silicon Labs, SiLabs and the Silicon Labs logo, CMEMS®, EFM, EFM32, EFR, Energy Micro, Energy Micro logo and combinations
thereof, "the world’s most energy friendly microcontrollers", Ember®, EZLink®, EZMac®, EZRadio®, EZRadioPRO®, DSPLL®, ISOmodem ®, Precision32®, ProSLIC®, SiPHY®,
USBXpress® and others are trademarks or registered trademarks of Silicon Laboratories Inc. ARM, CORTEX, Cortex-M3 and THUMB are trademarks or registered trademarks of
ARM Holdings. Keil is a registered trademark of ARM Limited. All other products or brand names mentioned herein are trademarks of their respective holders.
http://www.silabs.com
Silicon Laboratories Inc.
400 West Cesar Chavez
Austin, TX 78701
USA
Simplicity Studio
One-click access to MCU tools,
documentation, software, source
code libraries & more. Available
for Windows, Mac and Linux!
www.silabs.com/simplicity
MCU Portfolio
www.silabs.com/mcu
SW/HW
www.silabs.com/simplicity
Quality
www.silabs.com/quality
Support and Community
community.silabs.com
Products related to this Datasheet
RF RX FSK/GFSK 283-350MHZ 20QFN
RF RX FSK/GFSK 283-350MHZ 20QFN
KIT DEMO EZRADIO ONE-WAY 434MHZ
KIT DEMO EZRADIO ONE-WAY 915MHZ
KIT DEMO EZRADIO ONE-WAY 868MHZ
RF RX FSK/GFSK 283-350MHZ 20QFN
RF RX FSK/GFSK 283-350MHZ 20QFN