International
ISER Rectttter
Typical Connection
Automotive grade
AUIPS6021(S)(R)
1 www.irf.com © 2012 International Rectifier February 3, 2013
INTELLIGENT POWER HIGH SIDE SWITCH
Features
• Over temperature shutdown (with auto-restart)
• Short circuit protection (current limit)
• Reverse battery protection (turns On the MOSFET)
• Full diagnostic capability (short circuit to battery)
• Active clamp
• Open load detection in On and Off state
• Ground loss protection
• Logic ground isolated from power ground
• ESD protection
• Lead Free and RoHS compliant
Description
The AUIPS6021(S)(R) is a five terminal Intelligent Power
Switch (IPS) for use in a high side configuration. It features
short circuit, over-temperature, ESD protection, inductive load
capability and diagnostic feedback. The output current is
limited to the Ilim value. The current limitation is activated until
the thermal protection acts. The over-temperature protection
turns off the device if the junction temperature exceeds the
Tshutdown value. It will automatically restart after the junction
has cooled 7°C below the Tshutdown value. The reverse
battery protection turns On the MOSFET. A diagnostic pin
provides different voltage levels for each fault condition. The
double level shifter circuitry will allow large offsets between
the logic and load ground.
Product Summary
Rds(on) 30mΩ max.
Vclamp 39V
I Limit 32A
Open load 3V / 1.1A
Packages
TO-220 D²Pak D-Pak
AUIPS6021 AUIPS6021S AUIPS6021R
Typical Connection
Control
Rin
Load
+Bat
Input Signal
V Diag
Rdgs
Pull-up resistors required for
open load off and short
circuit to Vbat detection
Rdgp
+5V
Out(5)
Dg(4)
Vcc(3)
In(2)
Gnd(1)
IE5R
we
) m
) m
)rr
hug w cum/
AUIPS6021(S)(R)
2 www.irf.com © 2012 International Rectifier February 3, 2013
Qualification Information†
Qualification Level
Automotive
(per AEC-Q100
††
)
Comments: This family of ICs has passed an Automotive qualification. IR’s
Industrial and Consumer qualification level is granted by extension of the higher
Automotive level.
Moisture Sensitivity Level
D2PAK-5L MSL1,
260°C
(per IPC/JEDEC J-STD-020)
TO-220 Not applicable
(non-surface mount package style)
DPAK-5L MSL1, 260°C
(per IPC/JEDEC J-STD-020)
ESD
Machine Model
Class M2 (+/-150V) †††
(per AEC-Q100-003)
Human Body Model
Class H1C (+/-1500V) †††
(per AEC-Q100-002)
Charged Device Model
(DPAK,D2PAK)
Class C4 (+/-900V) †††
(per AEC-Q100-011)
Charged Device Model
(TO220)
Class C3B (+/-750V) †††
(per AEC-Q100-011)
IC Latch-Up Test
Class II, Level A
(per AEC-Q100-004)
RoHS Compliant
Yes
†
Qualification standards can be found at International Rectifier’s web site http://www.irf.com/
††
Exceptions to AEC-Q100 requirements are noted in the qualification report.
†††
Passing voltage level
‘IEER _
AUIPS6021(S)(R)
3 www.irf.com © 2012 International Rectifier February 3, 2013
Absolute Maximum Ratings
Absolute maximum ratings indicate sustained limits beyond which damage to the device may occur. All voltage parameters
are referenced to Ground lead. Tj= -40°C..150°C, Vcc=6..35V (unless otherwise specified).
Symbol
Parameter
Min.
Max.
Units
Vout
Maximum output voltage
Vcc-35
Vcc+0.3
V
Voffset
Maximum logic ground to load ground offset
Vcc-35
Vcc+0.3
Vin
Maximum input voltage
-0.3
5.5
Vcc max.
Maximum Vcc voltage
36
Vcc cont.
Maximum continuous Vcc voltage
28
Vcc sc.
Maximum Vcc voltage with short circuit protection
28
Iin max.
Maximum IN current
-3
10
mA
Idg max.
Maximum diagnostic output current
-3
10
Vdg
Maximum diagnostic output voltage
-0.3
5.5
V
Pd
Maximum power dissipation (internally limited by thermal protection)
25
W
Rth=5°C/W AUIPS6021
Rth=40°C/W AUIPS6021S 1”sqrt. footprint
3.1
Rth=50°C/W AUIPS6021R 1”sqrt. footprint
2.5
Tj max.
Max. storage & operating temperature junction temperature
-40
150
°C
Tsoldering
Soldering temperature (10 seconds)
300
°C
Thermal Characteristics
Symbol
Parameter
Typ.
Max.
Units
Rth1
Thermal resistance junction to ambient AUIPS6021 TO220 free air
50
°C/W
Rth2
Thermal resistance junction to case AUIPS6021 TO220
2.6
Rth1
Thermal resistance junction to ambient AUIPS6021S D²Pak std. footprint
60
Rth2
Thermal resistance junction to ambient AUIPS6021S D²Pak 1” sqrt.
Footprint
40
Rth3
Thermal resistance junction to case AUIPS6021S D²Pak
2.6
Rth1
Thermal resistance junction to ambient AUIPS6021R D-Pak std. footprint
70
Rth2
Thermal resistance junction to ambient AUIPS6021R D-Pak 1” sqrt.
Footprint
50
Rth3
Thermal resistance junction to case AUIPS6021R D-Pak
2.6
Recommended Operating Conditions
These values are given for a quick design. For operation outside these conditions, please consult the application notes.
Symbol
Parameter
Min.
Max.
Units
VIH
High level input voltage
4
5.5
VIL
Low level input voltage
0
0.9
Iout
Continuous drain current, Tambient=85°C, Tj=125°C, Vin=5V
A
Rth=5°C/W AUIPS6021
12
Rth=40°C/W AUIPS6021S 1” sqrt. footprint
4.3
Rth=50°C/W AUIPS6021R 1” sqrt. footprint
3.9
Rin
Recommended resistor in series with IN pin
4
10
kΩ
Rdgs
Recommended resistor in series with DG pin for reverse battery protection
4
20
Rdgp
Recommended pull-up resistor for DG
4
20
Rol
Recommended pull-up resistor for open load detection
5
100
F max.
Max. switching frequency
1.5
kHz
‘ I=2R
Supp‘y current when on and V0
connected to round wlfih R<4d>4d> AUIPS6021(S)(R)
4 www.irf.com © 2012 International Rectifier February 3, 2013
Static Electrical Characteristics
Tj=-40°C..150°C, Vcc=6..28V (unless otherwise specified), typical values are given for Vcc=14V and Tj=25°C
Symbol
Parameter
Min.
Typ.
Max.
Units
Test Conditions
Rds(on)
ON state resistance Tj=25°C
24
30
mΩ
Vin=5V, Iout=10A
ON state resistance Tj=150°C
42
52
Vin=5V, Iout=10A
ON state resistance Tj=25°C, Vcc=6V
29
36
Vin=5V, Iout=5A
ON state resistance during reverse battery
Tj=25°C
31
39
Vcc-Gnd=-14V
Vcc op.
Operating voltage range with short circuit
protection
6
28
V
V clamp 1
Vcc to Out clamp voltage 1
37
39
43
Iout=40mA
V clamp 2
Vcc to Out clamp voltage 2
40
Iout=8A (see Fig. 1)
Icc Off
Supply current when Off and Vout
connected to ground with R<4Ω
4
9
µA
Vin=0V, Vout=0V,
Tj=25°C, Vcc=14V
Icc On
Supply current when On
2.2
5
mA
Vin=5V, Vcc=14V
Vih
Input high threshold voltage
2.5
3
V
Vil
Input low threshold voltage
1.5
2
In hyst.
Input hysteresis
0.2
0.5
1
Iin On
Input current when device is On
40
100
µA
Vin=5V
Idg
Dg leakage current
0.1
10
Vdg=5V
Vdg
Low level DG voltage
0.25
0.4
V
Idg=1.6mA
Switching Electrical Characteristics
Vcc=14V, Resistive load=6Ω, Vin=5V, Tj=-40°C..150°C, typical values are given for Tj=25°C
Symbol
Parameter
Min.
Typ.
Max.
Units
Test Conditions
Tdon
Turn-on delay time
14
40
µs
see Fig. 3
Tr1
Rise time to Vout=Vcc-5V
10
35
Tr2
Rise time to Vout=0.9 x Vcc
18
65
dV/dt (On)
Turn On dV/dt
0.8
V/µs
EOn
Turn On energy
250
µJ
Tdoff
Turn-off delay time
40
80
µs
Tf
Fall time to Vout=0.1 x Vcc
15
35
dV/dt (Off)
Turn Off dV/dt
1.5
V/µs
EOff
Turn Off energy
100
µJ
‘ IEER
} Vtx
12345
T0220
17 Gnd
27 In
3 V50
4 D9
5 Out
3 v;
HUHHH
12345
D’PakrDFak
AUIPS6021(S)(R)
5 www.irf.com © 2012 International Rectifier February 3, 2013
Protection Characteristics
Tj=-40°C..150°C, Vcc=6..28V (unless otherwise specified), typical values are given for Vcc=14V and Tj=25°C
Symbol
Parameter
Min.
Typ.
Max.
Units
Test Conditions
Ilim
Internal current limit
19
32
50
A
Vout=0V, Tj=25°C
Tsd+
Over temperature high threshold
150(1)
165
°C See fig. 2
Tsd-
Over temperature low threshold
158
Vsc
Short-circuit detection voltage(2)
2
3
4
V
UV+
Under voltage protection Vcc going up
5
6.2
UV-
Under voltage protection Vcc going down
4.5
5.8
VOL Off
Open load detection threshold
2
3
4
I OL On
Open load detection threshold
0.3
0.8
1.25
A
Tj=-40..25°C
0.3
0.7
1.1
Tj=25..150°C
(1) Guaranteed by design
(2) Reference to Vcc
True Table
Operating Conditions
IN
OUT
DG
Normal
H
H
H
Normal
L
L
H
Open Load
H
H
L
Open Load (3)
L
H
L
Short circuit to Gnd
H
L
L
Short circuit to Gnd
L
L
H
Short circuit to Vcc
H
H
L (4)
Short circuit to Vcc (5)
L
H
L
Over-temperature
H
L
L
Over-temperature
L
L
H
(3) With a pull-up resistor connected between the output and Vcc.
(4) Vds lower than 10mV.
(5) Without a pull-up resistor connected between the output and Vcc.
Lead Assignments
22R
‘ I
2S
AUIPS6021(S)(R)
6 www.irf.com © 2012 International Rectifier February 3, 2013
Functional Block Diagram
All values are typical
IN
VCC
OUT
37V
Driver
I Limit
43V
150kΩ
I sense
-
+
Charge
Pump
Level
Shifter
Tj
165°C
158°C
2.5V
2.0V
6V
DG
6V
GND
Ground
Disconnect
3V
-
+
Open load off
Over-temp
20mV
-
+
Open load on
3V
-
+
Short circuit
43V
Vcc-gnd >UV
:91; _
Vm
\ds
,,,,, 1—," "W"
Vds
AUIPS6021(S)(R)
7 www.irf.com © 2012 International Rectifier February 3, 2013
Vds
Ids
Vin
Vcc
Vds clamp
T clamp
See Application Notes to evaluate power dissipation
Tj
Ilim
Tsd+
Tsd-
Iout
Vin
limiting
Thermal cycling
DG
Figure 1 – Active clamp waveforms
Figure 2 – Protection timing diagram
Vout
Vin
Tr-in
90%
10%
90%
10%
Td on
Tr1
Td off
Tf
Vcc-5V
Tr2
Vcc
Figure 3 – Switching times definitions
Figure 4 – Active clamp test circuit
Vclamp
Iout
Vin
In
Vcc
Out
R
L
0V
5V
14V
+
-
Vout
Rem :
During active
clamp, Vload
is negative
Dg
Gnd
‘ IEER
Eon
AUIPS6021(S)(R)
8 www.irf.com © 2012 International Rectifier February 3, 2013
0
5
10
15
20
25
30
-50 0 50 100 150
TO220 5°C/W
D2Pak 40°C/W
DPak 50°C/W
50%
100%
150%
200%
-50 050 100 150
Figure 5 – Switching energy (µJ) Vs Output
current (A)
Eon, Eoff, switching energy (µJ)
Iout, Output current (A)
0
200
400
600
800
1000
0246810
1
10
100
0.001 0.01 0.1 110 100
Tj, junction temperature (°C)
Figure 6 - Normalized Rds(on) (%) Vs Tj (°C)
Rds(on), Drain-to-Source On Resistance
(Normalized)
Figure 7 – Max. Output current (A) Vs Load
inductance (mH)
Load inductance (mH)
Iout, Output current (A)
Figure 8 – Max. ouput current (A)
Vs Ambient temperature (°C)
Ids, cont. Output current (A)
Tamb, Ambient temperature (°C)
Eon
Eoff
‘IEER _
AUIPS6021(S)(R)
9 www.irf.com © 2012 International Rectifier February 3, 2013
0
10
20
30
40
50
-50 050 100
0.01
0.1
1
10
100
1e-5 1e-4 1e-3 1e-2 1e-1 1e+0 1e+1 1e+2 1e+3
Vcc, power supply voltage (V)
Icc on/ Icc off, supply current (µA)
1.E+0
1.E+1
1.E+2
1.E+3
1.E+4
0 5 10 15 20 25 30
Icc on
Icc off
Figure 11 – Icc on/ Icc off (µA) Vs Vcc (V)*
Figure 12 – Icc on/ Icc off (µA) Vs Tj (°C)*
Icc on/ Icc off, supply current (µA)
Tj, junction temperature (°C)
1.E+0
1.E+1
1.E+2
1.E+3
1.E+4
-50 050 100 150
Icc on
Icc off
*Vout connected to ground with R<4Ω
Figure 10 –I limit (A)
Vs junction temperature (°C)
I limit (A)
Figure 9 – Transient thermal impedance (°C/W)
Vs time (s)
Zth, transient thermal impedance (°C/W)
Time (s)
Tj, junction temperature (°C)
IEER
m
(121mm A:
u
"Fifi l'
1 mm m m m mm; [ms
AWN n . E no M m w m w M m
m [m K. m m, um “m m my
‘ W A . . m H mm "W M N
7 mm mm, m
ImmwwMEmvm w”
3 mm: u
’4 mums mm 9
8 an um M w E
A we «a: \w A m
M 7 «154 7 .mn
. a iv an m on .
[2 m5 m
m m ,
6 us _
e . as? is:
H um m u m Sn
L < 73="" m="" m="" m:="" u="" ,="" ‘="" u="" ,="" m="" u="" 7="" m.="" 7="" mn="" m="" u-="" m="" m=""> AUIPS6021(S)(R)
11 www.irf.com © 2012 International Rectifier February 3, 2013
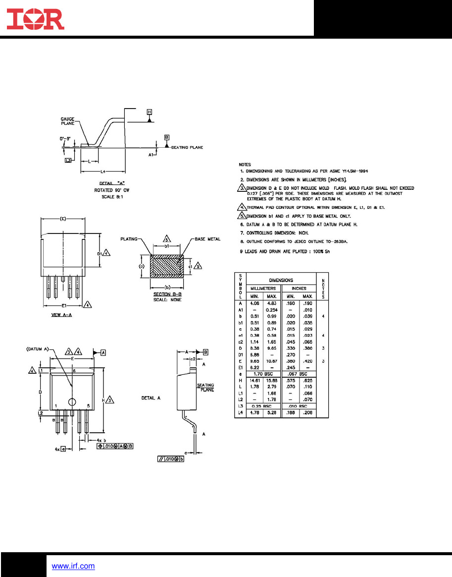
Case Outline D2PAK - 5 Leads
IEER
use [963]
151.][D‘N]
mm]
m [453] +
TRR
9 é «a e» e e e e: a e d
7 ma [n73]
L55 [ass]
6
u
HH HH
mm [4291
rm) Dwenm
um [w]
mu Law
‘3 5: [.532]
‘2 EU [ 5m]
9 ‘ en [05:
‘50 [ass
i 77
ma [mm]
0.3»: [ mas]
man [.457] &
u 4:: [Ms]
W 2m [.2571
12;; {$911 emu [.w]
we [n59] +
’ ‘25 Law] J #12333
A
9 WW
7 [b :52]
MW
j
ms
2: 40 [t 039] 44 k,
:M on [ 3m]
‘ mm murmus m mum ‘ [Mn
2 wmsms m mm W mums [mm
EII4EI7IDDID1-SD72 no
AUIPS6021(S)(R)
12 www.irf.com © 2012 International Rectifier February 3, 2013
Tape & Reel D2PAK - 5 Leads
s
v mumsws >1
u u
s Muwififis «cum r
o z
A mm L w. m, mm. mm s
" A m o w nu an
:1 A AI - m - .005
n 056 my .mz 031
m m me an on ma 2
mm H n2 0.55 ass 02- .055
u «as 3“ as .m z
¢ 005 on ml an
:1 cm £7.56 ms 022 2
=2 ow nu: ma on
o :57 m .235 .245 x
m 52‘ 7 .an 7
r ca: 0.73 .m .m :
a uz 7 m 7
. m as: .ma ass
a nu: mu m .m
u 2n ass .ma m
u my 35:: mu m
. u «as v :7 m5 .050
u 7 H72 7 .040
l5 m < :2="" cu="" m="" .="" or="" m-="" n‘="" m'="" n="" u-="" 15'="" 0'="" ‘5-="" .2="" w="" n="" m="" 3r="" ‘7="" museum="" am="" mum-(x4515="" pm="" m="" mum“="" 17="" mm="" m:="" 9m="" in="" nmis="" [mmmsl="" a7="" .1»:="" minim="" vumnm="" m="" u="" a="" nwinsm="" m,="" n.="" u="" x="" m="" new="" a="" mmw="" mum:="" mm:="" m="" mam="" pm,="" i7mvtnmwplvmmmlxcwvwsmm="" msunmo="" lm:="" am="" us]="" mm="" m="" inn="" w="" 517="" durham="" 0="" x="" i="" no="" nov="" «aux="" mm:="" mm="" m="" msn="" sum="" not="" exm="" ms="" [nu]="" per="" sui="" mm="" swam;="" me="" ila/«sum="" u="" m="" wmsv="" exmiuls="" or="" m="" puma="" mm="" a="" mvmsm="" u="" n="" m="" mum="" m="" ms:="" um="" mu="" a-="" mm»="" a="" it="" a="" m="" a:="" autumn:="" u="" mm="" mm:="" x,="" 9-="" mm:="" emmi»:="" «1="" mt:="" mm="" mm="" m="" wins="" m="" nmu="" n:="" mm="" mm="" max="" an="" -="" www="" m="" com=""> AUIPS6021(S)(R)
13 www.irf.com © 2012 International Rectifier February 3, 2013
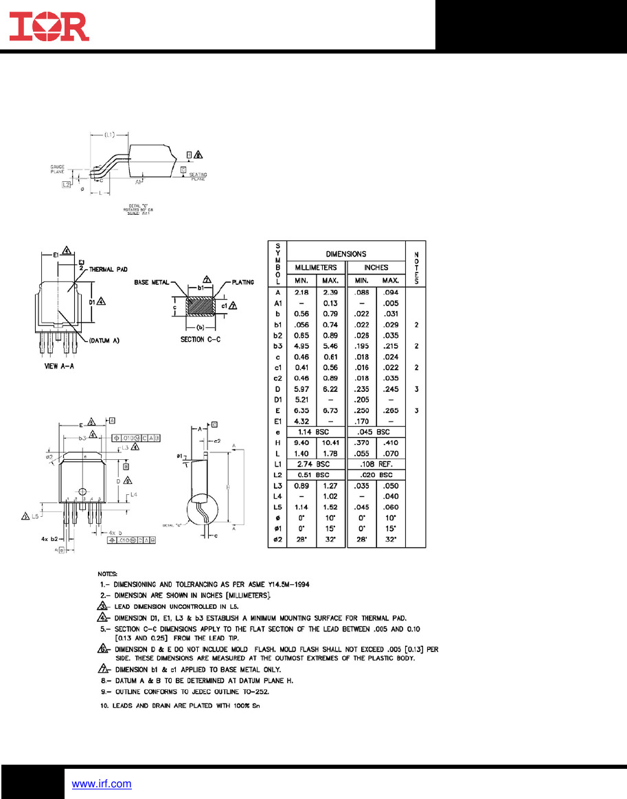
Case Outline DPAK - 5 Leads
IEER
um“; \.5_0.I mA
0.3»: w
An - 10.5 mm
an . 7.0 mm
Kn . 2.5 mm
m . 1‘ mm
r - 7.5 mm
m . 12.x: mm
w - 15.1: t .5 mm
SEE rm: e
m
:15 a, ma
NOB:
u.
12.
w 5mm NOLE Dunc» cuuuuw: mama: 2‘02
UMBER Nur m min) Imm m Immm
Amman.- ooNuucrw: suck vowsmazuz
Ac AND Bo umum on A FWE 0.3m ABM/i 1H:
sorrow or w: poem
K0 MEASURED mum A PLANE 0N m: INSIDE 30mm or m:
Poem m m: m: suwmx or we mama:
Poem mm» mm: TD 1H: smacks! NDLE MEASURED AG
mu: PosmoN or Poem, m Pawn HOLE
VENDOR: (0mm)
uusr use um nmulmm or in sump [IA—AMA
7mm: or SURFACE’MWNT comma": row VAN:
mzum
WLERANEE m a: wurmum swam:
swarms Rmswmr or uamm VAIL- Must MEASUIE
La: m on mm. W In' anus PER sum. MEASURED
m Accumuci m meux: srvm IN Asm 9-257 I:
Am n—en (arr. c—moa span.)
mm mm m REEL nusr as 72 MEIERS
@cmw. mumslm
AUIPS6021(S)(R)
14 www.irf.com © 2012 International Rectifier February 3, 2013
Tape & Reel DPAK - 5 Leads
IEER
mum“
5mm \ \ M m
\ AulPssozE, / mmwm \
1:22 W“ [a mmmom
LC LC \ mmus mm: “mm L090\ Auwpssom,
. 2 . a
LOT 00:: 143R YWWA
\ MARKAM? CODE
LC 0 LC
I 1 l A 5 \SPN CODE
PART NUMsEfi
\NTERNAHONAL
RECTIFIER LOGO
DATE CODE
>4wach
CODE
LOT CODE
AUIPS6021(S)(R)
15 www.irf.com © 2012 International Rectifier February 3, 2013
Part Marking Information
Ordering Information
Base Part Number Package Type Standard Pack Complete Part Number
Form Quantity
AUIPS6021 TO220-5-Leads Tube 50 AUIPS6021
AUIPS6021S D2-Pak-5-Leads
Tube 50 AUIPS6021S
Tape and reel left 800 AUIPS6021STRL
Tape and reel right 800 AUIPS6011STRR
AUIPS6021R D-Pak-5-Leads
Tube 75 AUIPS6021R
Tape and reel 2000 AUIPS6021RTR
Tape and reel left 3000 AUIPS6021RTRL
Tape and reel right 3000 AUIPS6021RTRR
‘ I=2R
mtg //www m cam/techmc mm/
AUIPS6021(S)(R)
16 www.irf.com © 2012 International Rectifier February 3, 2013
IMPORTANT NOTICE
Unless specifically designated for the automotive market, International Rectifier Corporation and its subsidiaries (IR)
reserve the right to make corrections, modifications, enhancements, improvements, and other changes to its products and
services at any time and to discontinue any product or services without notice. Part numbers designated with the “AU”
prefix follow automotive industry and / or customer specific requirements with regards to product discontinuance and
process change notification. All products are sold subject to IR’s terms and conditions of sale supplied at the time of order
acknowledgment.
IR warrants performance of its hardware products to the specifications applicable at the time of sale in accordance with
IR’s standard warranty. Testing and other quality control techniques are used to the extent IR deems necessary to
support this warranty. Except where mandated by government requirements, testing of all parameters of each product is
not necessarily performed.
IR assumes no liability for applications assistance or customer product design. Customers are responsible for their
products and applications using IR components. To minimize the risks with customer products and applications,
customers should provide adequate design and operating safeguards.
Reproduction of IR information in IR data books or data sheets is permissible only if reproduction is without alteration and
is accompanied by all associated warranties, conditions, limitations, and notices. Reproduction of this information with
alterations is an unfair and deceptive business practice. IR is not responsible or liable for such altered documentation.
Information of third parties may be subject to additional restrictions.
Resale of IR products or serviced with statements different from or beyond the parameters stated by IR for that product or
service voids all express and any implied warranties for the associated IR product or service and is an unfair and
deceptive business practice. IR is not responsible or liable for any such statements.
IR products are not designed, intended, or authorized for use as components in systems intended for surgical implant into
the body, or in other applications intended to support or sustain life, or in any other application in which the failure of the
IR product could create a situation where personal injury or death may occur. Should Buyer purchase or use IR products
for any such unintended or unauthorized application, Buyer shall indemnify and hold International Rectifier and its officers,
employees, subsidiaries, affiliates, and distributors harmless against all claims, costs, damages, and expenses, and
reasonable attorney fees arising out of, directly or indirectly, any claim of personal injury or death associated with such
unintended or unauthorized use, even if such claim alleges that IR was negligent regarding the design or manufacture of
the product.
IR products are neither designed nor intended for use in military/aerospace applications or environments unless the IR
products are specifically designated by IR as military-grade or “enhanced plastic.” Only products designated by IR as
military-grade meet military specifications. Buyers acknowledge and agree that any such use of IR products which IR has
not designated as military-grade is solely at the Buyer’s risk, and that they are solely responsible for compliance with all
legal and regulatory requirements in connection with such use.
IR products are neither designed nor intended for use in automotive applications or environments unless the specific IR
products are designated by IR as compliant with ISO/TS 16949 requirements and bear a part number including the
designation “AU”. Buyers acknowledge and agree that, if they use any non-designated products in automotive
applications, IR will not be responsible for any failure to meet such requirements.
For technical support, please contact IR’s Technical Assistance Center
http://www.irf.com/technical-info/
WORLD HEADQUARTERS:
101 N Sepulbeda Blvd., El Segundo, California 90245
Tel: (310) 252-7105
Products related to this Datasheet
IC PWR SWITCH N-CHANNEL 1:1 DPAK
IC PWR SWITCH N-CHAN 1:1 D2PAK
IC PWR SWITCH N-CHAN 1:1 TO220
IC PWR SWITCH N-CHANNEL 1:1 DPAK
IC PWR SWITCH N-CHAN 1:1 D2PAK

